PFMEA-失效模式分析案例
- 格式:pdf
- 大小:545.36 KB
- 文档页数:19
PFMEA潜在失效模式及后果影响分析案例PFMEA(Process Failure Mode and Effects Analysis)是一个系统性的方法,用于识别潜在的失效模式、评估其后果的重要性,并采取相应的预防措施。
它可以应用于各种业务和行业,以确保过程和产品的高质量和可靠性。
本文将通过一个案例来说明PFMEA的应用。
假设我们是一家汽车制造公司,正在开发一款新的汽车引擎。
我们将使用PFMEA方法来分析潜在的失效模式和其后果的影响,并采取相应的措施来减少风险。
首先,我们需要识别可能的失效模式。
对于引擎制造过程,我们可以列出一些可能的失效模式,如材料损坏、装配错误、接头松动等。
我们可以根据以往的经验和相关文献来确定这些潜在的失效模式。
接下来,我们需要评估这些失效模式的后果的重要性。
对于每个失效模式,我们可以列出可能的后果,如引擎停止工作、损坏其他部件、影响整车性能等。
我们可以使用一些定量的指标来评估这些后果,比如成本、可靠性、安全性等。
在我们的案例中,让我们考虑一个潜在的失效模式是接头松动。
这个失效模式的可能后果包括引擎停止工作、损坏其他部件、影响整车性能等。
我们可以使用定量指标来评估这些后果的重要性。
我们可以认为影响整车性能的后果是非常重要的,因为它可能导致安全问题和客户不满意。
接下来,我们需要确定控制措施,以减少这些失效模式的风险。
对于接头松动这个失效模式,我们可以采取一些措施来控制风险,比如增加紧固力度、使用锁紧剂、加强质量检查等。
我们可以使用一些定量指标来评估这些控制措施的效果,比如降低风险的程度、成本等。
最后,我们需要跟踪和更新PFMEA。
一旦我们实施了控制措施,我们需要不断跟踪失效模式的发生情况和其后果的重要性。
如果我们发现控制措施不够有效,我们可以采取进一步的改进措施,以减少风险。
通过以上的分析,我们可以有效地识别潜在的失效模式和其后果的重要性,并采取相应的预防措施来减少风险。
PFMEA是一个强大的工具,可以帮助我们提高产品和过程的质量和可靠性,从而提高客户满意度并降低成本。
日期(修订)Revised date采取的措施及生效日期Action Taken &Effective Date 严重度Seve ruty 频度Occ yran ce探测度Dete ctionRPN10.Raw material in coming 来料4transit method was unreasonable 搬运方法不合理2648NA NA NA NA NA NA NAФ28-0.036Supplier's dimension out of spec供应商生产尺寸超差3354NA NA NA NA NA NA NAAmericancode:AISI 12158Supplier delivery wrong material供应商送错材料2696Check certificate of raw materials in line with the label of raw materials检查材质证明与原材料标识一致Warehouse keeper仓库管理员11-15Warehouse keeper confirm delivery list and the raw material certification 库管员确认送货单和材质证明816488Supplier production control out of spec.供应商材质成份控制超差2696Send the material to thethird party to conduct anoverall checking once ayear每年一次第三方原材料检测Quality department 质量保证部11-19The material'schemicalcomposition areall according with Spec.确定化学成份符合规定81648Issue Material 发料6Warehouse keeper issue wrong material 仓库发料错误1318NA NA NA NA NA NA NA201.Turning Facing 光平面3Tools wear 刀具磨损2318NA NA NA NA NA NA NA202.Drilling hole 钻孔Φ5.46Tools wear 刀具磨损2336NA NA NA NA NA NA NA203.Brilling Hole 镗孔(20)Φ5.6 +0.26Tools wear 刀具磨损3354NA NA NA NA NA NA NATransit way was regulated 规定搬运方法Incoming Inspection 来料检验Surface crash 表面碰伤****-FMEA-******Potential Failure Mode and Effects Analysis (Process FMEA)潜在的失效模式及后果分析FMEA 日期(原始)Date (Orig.)Dimension out of tolerance 尺寸超差Dimension out of tolerance 尺寸超差Dimension out of spec 尺寸超差The material's chemicalcomposition are out of spec.材料成份超差Issue wrong material发错材料Face is not flat 端面不平整严重度(S)Seve rity过程分类Proce ss Classi ficatio nincoming inspection 来料检验Material type wrong 材料牌号不对Impact machining 影响后续加工过程步骤/功能 Process Step /Function要求Requirements 潜在失效模式Potential Failure Mode 潜在失效后果Potential Effect of Failure零件程序编号 /版本号Part Program No./Rev.核心小组Core Team零件名称 /客户图号 /版本:Part Name /Drawing No. / Rev.初始生产日期Orignal Production Date编制者 Prepared By过程责任Process Responsibility 潜在失效起因Potential Cause of Failure 频度(O)O ccurre nce产品分类ProductClassificatio n现行过程控制预防Current Process Controls Prevention现行过程控制探测Current Process Controls delection 探测度(D)Dete ctionRPN 建议措施Recommended Action责任和目标完成日期Responsibility &Target Completion Date措施执行结果Action Results Incoming Inspection 来料检验Warehouse keeper checks the raw material according with delivery list仓库人员按送货单检查原材料1.Incoming inspection engineer check with material certification2.Send the material to the third party to conduct an overall checking once three years 1.来料检验核对材料证书2.每3年一次第三方原材料检测Operator and warehouse keepercheck each other操作员人员和仓库管理员互相检验Checking dimensions on line 在线检查尺寸Checking dimensions on line 在线检查尺寸Checking dimensions on line 在线检查尺寸Supplier provide material certification供应商提供材质证书1.Check purchasing order of raw material2.Supplier should inform us before delivery1.材料订购进行审核2.供应商送货之前提前通知Supplier provide material certification供应商提供材质证书Paint the different color at the barend to manage different rawmaterial材料进行颜色管理1.Estimate the tool life, change tools periodically2.Correct the tooling parameters periodically1.估算刀具寿命,定时换刀2.定期对刀具参数进行补正1.Estimate the tool life, change tools periodically2.Correct the tooling parameters periodically1.估算刀具寿命,定时换刀2.定期对刀具参数进行补正1.Estimate the tool life, change tools periodically2.Correct the tooling parameters periodically1.估算刀具寿命,定时换刀2.定期对刀具参数进行补正Customer dissatisfaction客户不满意Can't be machined 无法加工Impact the functionality of parts影响零件使用性能Impact the functionality of parts影响零件使用性能1.Impact machining2.Impact function ofparts1.影响后续加工2.影响产品使用功能Impact machining 影响后续加工Impact machining 影响后续加工Effective Date ruty ce ctionn n203.Brilling Hole镗孔(32,42)20°5Tools wear刀具磨损3345NA NA NA NA NA NA NA (19)Φ5.9±0.15Tools wear刀具磨损3345NA NA NA NA NA NA NA (15)14.5+0.26Tools wear刀具磨损3354NA NA NA NA NA NA NA204 Reameringhole铰孔(21)Φ5.5 +0.02/-0.0058Tools wear刀具磨损441281.Determine the toolmaterial and enactmenttool life2.Determine theprocess parameters onthe machine3.SPC control1.确定刀具材质和设定刀具使用寿命2.确定过程参数3.SPC控制TechnologyDepartment技术部ProductionDepartment生产部11-171.Tool materialand tool lifeweredetermined.2.PPK≥1.67.1.刀具材质和刀具寿命已经确定2.PPK≥1.6782464205. Dilling hole钻孔Φ104Tools wear刀具磨损2324NA NA NA NA NA NA NA206. Boring hole镗孔(18)Φ12.2+0.04/08Tools wear刀具磨损441281.Determine the toolmaterial and enactmenttool life2.Determine theprocess parameters onthe machine3.SPC control1.确定刀具材质和设定刀具使用寿命2.确定过程参数3.SPC控制TechnologyDepartment技术部ProductionDepartment生产部11-171.Tool materialand tool lifeweredetermined.2.PPK≥1.67.1.刀具材质和刀具寿命已经确定2.PPK≥1.6782464(16)17.5 +0.02/-0.036Tools wear刀具磨损3354NA NA NA NA NA NA NAChecking dimensions on line在线检查尺寸Dimension out oftolerance尺寸超差Customer dissatisfaction客户不满意1.Estimate the tool life, changetools periodically2.Correct the tooling parametersperiodically1.估算刀具寿命,定时换刀2.定期对刀具参数进行补正Dimension out oftolerance尺寸超差Dimension out oftolerance尺寸超差Dimension out oftolerance尺寸超差Dimension out oftolerance尺寸超差Dimension out oftolerance尺寸超差Dimension out oftolerance尺寸超差Customer dissatisfaction客户不满意Customer dissatisfaction客户不满意Checking dimensions on line在线检查尺寸Checking dimensions on line在线检查尺寸Checking dimensions on line在线检查尺寸Checking dimensions on line在线检查尺寸Checking dimensions on line在线检查尺寸Checking dimensions on line在线检查尺寸1.Estimate the tool life, changetools periodically2.Correct the tooling parametersperiodically1.估算刀具寿命,定时换刀2.定期对刀具参数进行补正1.Estimate the tool life, changetools periodically2.Correct the tooling parametersperiodically1.估算刀具寿命,定时换刀2.定期对刀具参数进行补正1.Estimate the tool life, changetools periodically2.Correct the tooling parametersperiodically1.估算刀具寿命,定时换刀2.定期对刀具参数进行补正1.Estimate the tool life, changetools periodically2.Correct the tooling parametersperiodically1.估算刀具寿命,定时换刀2.定期对刀具参数进行补正1.Estimate the tool life, changetools periodically2.Correct the tooling parametersperiodically1.估算刀具寿命,定时换刀2.定期对刀具参数进行补正1.Estimate the tool life, changetools periodically2.Correct the tooling parametersperiodically1.估算刀具寿命,定时换刀2.定期对刀具参数进行补正Customer dissatisfaction客户不满意Impact assembly影响客户装配Impact machining影响后续加工Impact assembly影响客户装配Effective Date ruty ce ctionn n206.Boring hole镗孔(37)61,Tools wear刀具磨损2,The machine centerline offset机床中心线偏移3354NA NA NA NA NA NA NA207. Turning OutsideDiameter车外圆(4)Φ14.035Tools wear刀具磨损3345NA NA NA NA NA NA NA(5)Φ12.6±0.035Tools wear刀具磨损3345NA NA NA NA NA NA NA(1)Φ16.18 0/-0.046Tools wear刀具磨损3354NA NA NA NA NA NA NA(25)45.6°±5°4Tools wear刀具磨损3336NA NA NA NA NA NA NA208.Groovin g 割槽(2)Ф 14+0.057Tools wear刀具磨损441121.Determine the toolmaterial and enactmenttool life2.Determine theprocess parameters onthe machine3.SPC control1.确定刀具材质和设定刀具使用寿命2.确定过程参数3.SPC控制TechnologyDepartment技术部ProductionDepartment生产部11-171.Tool materialand tool lifeweredetermined.2.PPK≥1.67.1.刀具材质和刀具寿命已经确定2.PPK≥1.6772456(11)2.2 +0.2/06Tools wear刀具磨损3354NA NA NA NA NA NA NA(26)R0.1 +0.1(2X)5Tools wear刀具磨损3345NA NA NA NA NA NA NA 1.Dimension out oftolerance2.Surface is rough1.尺寸超差2.表面粗糙Dimension out oftolerance尺寸超差Dimension out oftolerance尺寸超差1.Dimension out oftolerance2.Surface is rough1.尺寸超差2.表面粗糙Dimension out oftolerance尺寸超差Dimension out oftolerance尺寸超差Dimension out oftolerance尺寸超差Dimension out oftolerance尺寸超差Checking dimensions on line在线检查尺寸Checking dimensions on line在线检查尺寸Checking dimensions on line在线检查尺寸Checking dimensions on line在线检查尺寸Checking dimensions on line在线检查尺寸Checking dimensions on line在线检查尺寸Checking dimensions on line在线检查尺寸Checking dimensions on line在线检查尺寸1.Estimate the tool life, changetools periodically2.Correct the tooling parametersperiodically3,Setup the machine center lineperiodically1.估算刀具寿命,定时换刀2.定期对刀具参数进行补正3.定期调整机床中心1.Estimate the tool life, changetools periodically2.Correct the tooling parametersperiodically1.估算刀具寿命,定时换刀2.定期对刀具参数进行补正1.Estimate the tool life, changetools periodically2.Correct the tooling parametersperiodically1.估算刀具寿命,定时换刀2.定期对刀具参数进行补正1.Estimate the tool life, changetools periodically2.Correct the tooling parametersperiodically1.估算刀具寿命,定时换刀2.定期对刀具参数进行补正1.Estimate the tool life, changetools periodically2.Correct the tooling parametersperiodically1.估算刀具寿命,定时换刀2.定期对刀具参数进行补正1.Estimate the tool life, changetools periodically2.Correct the tooling parametersperiodically1.估算刀具寿命,定时换刀2.定期对刀具参数进行补正1.Estimate the tool life, changetools periodically2.Correct the tooling parametersperiodically1.估算刀具寿命,定时换刀2.定期对刀具参数进行补正1.Estimate the tool life, changetools periodically2.Correct the tooling parametersperiodically1.估算刀具寿命,定时换刀2.定期对刀具参数进行补正Impact functionality影响使用性能Customer dissatisfaction客户不满意Customer dissatisfaction客户不满意Customer dissatisfaction客户不满意Customer dissatisfaction客户不满意Impact assembly影响客户装配Customer dissatisfaction客户不满意Customer dissatisfaction客户不满意(36)tolerance尺寸超差Effective Date ruty cectionn n212Boring Hole 镗孔(30)0.1*45°5Tools wear 刀具磨损3345NA NA NA NA NA NA NA(13)2.5+0.26Tools wear 刀具磨损3354NA NA NA NA NA NA NA(12)1.2±0.0256Tools wear 刀具磨损3354NA NA NA NA NA NA NA(35)6The machine center offset机床中心线偏移3354NA NA NA NA NA NA NA(24)Φ13 +0.048Tools wear 刀具磨损3496 1.Determine the tool material and enactment tool life2.Determine theprocess parameters on the machine3.SPC control1.确定刀具材质和设定刀具使用寿命2.确定过程参数3.SPC 控制Technology Department 技术部Production Department 生产部11-171.Tool material and tool life weredetermined.2.PPK ≥1.67.1.刀具材质和刀具寿命已经确定2.PPK ≥1.6782464213.Turning Outside Diameter 车外圆(6)Φ14.6+0.16Tools wear 刀具磨损3354NA NA NA NA NA NA NA(29)0.2±0.1*45°4Tools wear 刀具磨损2324NA NA NA NA NA NA NA(9)3.8+0.16Tools wear 刀具磨损3354NA NA NA NA NA NA NA0.2±0.01*45°5Tools wear 刀具磨损3345NA NA NA NA NA NA NAChecking dimensions on line 在线检查尺寸Checking dimensions on line 在线检查尺寸1.Dimension out oftolerance2.Surface is rough 1.尺寸超差2.表面粗糙Dimension out of tolerance 尺寸超差Dimension out of tolerance 尺寸超差Dimension out of tolerance 尺寸超差Dimension out of tolerance 尺寸超差Dimension out of tolerance 尺寸超差Dimension out of tolerance 尺寸超差Dimension out of tolerance 尺寸超差Dimension out of tolerance 尺寸超差Checking dimensions on line 在线检查尺寸Checking dimensions on line 在线检查尺寸Checking dimensions on line 在线检查尺寸Checking dimensions on line 在线检查尺寸Checking dimensions on line 在线检查尺寸Checking dimensions on line 在线检查尺寸Checking dimensions on line 在线检查尺寸1.Estimate the tool life, change tools periodically2.Correct the tooling parameters periodically1.估算刀具寿命,定时换刀2.定期对刀具参数进行补正1.Estimate the tool life, change tools periodically2.Correct the tooling parameters periodically1.估算刀具寿命,定时换刀2.定期对刀具参数进行补正1.Estimate the tool life, change tools periodically1.估算刀具寿命,定时换刀2.Correct the tooling parameters periodically2.定期对刀具参数进行补正Setup the machine center periodically定期调整机床中心1.Estimate the tool life, change tools periodically2.Correct the tooling parameters periodically1.估算刀具寿命,定时换刀2.定期对刀具参数进行补正1.Estimate the tool life, change tools periodically2.Correct the tooling parameters periodically1.估算刀具寿命,定时换刀2.定期对刀具参数进行补正1.Estimate the tool life, change tools periodically2.Correct the tooling parameters periodically1.估算刀具寿命,定时换刀2.定期对刀具参数进行补正1.Estimate the tool life, change tools periodically2.Correct the tooling parameters periodically1.估算刀具寿命,定时换刀2.定期对刀具参数进行补正1.Estimate the tool life, change tools periodically2.Correct the tooling parameters periodically1.估算刀具寿命,定时换刀2.定期对刀具参数进行补正Customer dissatisfaction 客户不满意Customer dissatisfaction 客户不满意Customer dissatisfaction 客户不满意Impact functionality 影响使用性能Impact assembly 影响客户装配Customer dissatisfaction 客户不满意Customer dissatisfaction 客户不满意Customer dissatisfaction 客户不满意Customer dissatisfaction 客户不满意Effective Date ruty ce ctionn n213.TurningOutsideDiameter车外圆(27)0.3±0.05*20°5Tools wear刀具磨损3345NA NA NA NA NA NA NA (7)19.6+0.05/06Tools wear刀具磨损3354NA NA NA NA NA NA NA(28)0.2±0.05*45°5Tools wear刀具磨损3345NA NA NA NA NA NA NA(3)Φ27.3+0.06/+0.027Tools wear刀具磨损441121.Determine the toolmaterial and enactmenttool life2.Determine theprocess parameters onthe machine3.SPC control1.确定刀具材质和设定刀具使用寿命2.确定过程参数3.SPC控制TechnologyDepartment技术部ProductionDepartment生产部11-171.Tool materialand tool lifeweredetermined.2.PPK≥1.67.1.刀具材质和刀具寿命已经确定2.PPK≥1.6772456 (10)3.6+0.056Tools wear刀具磨损3354NA NA NA NA NA NA NA30Washing清洗6The operater mixdifferent parts操作员将不同零件混合清洗2336NA NA NA NA NA NA NA 6The operater mix thedifferent batch parts操作员将不同批次混合清洗2224NA NA NA NA NA NA NA 6Washing too manypieces one time resultsin parts colliding eachother清洗数量太多导致零件堆积相互碰撞2336NA NA NA NA NA NA NAWashing solution isdurty, parts are notcleaned up completely清洗液脏,零件清洗不干净2336NA NA NA NA NA NA NAWashing time short清洗时间短2116NA NA NA NA NA NA NAThe concentration andtemperature don't meetthe requirements清洗液浓度,温度未达指定要求2336NA NA NA NA NA NA NA Dimension out oftolerance尺寸超差Dimension out oftolerance尺寸超差Customer dissatisfaction客户不满意1.Estimate the tool life, changetools periodically2.Correct the tooling parametersperiodically1.估算刀具寿命,定时换刀2.定期对刀具参数进行补正Dimension out oftolerance尺寸超差Dimension out oftolerance尺寸超差6Different parts mixed不同的零件混合在一起Part Surface crash零件表面碰伤Cuting oil not cleanup油污没有清洗干净Dimension out oftolerance尺寸超差Different batches aremix不同批次混在一起Checking dimensions on line在线检查尺寸1.Estimate the tool life, changetools periodically2.Correct the tooling parametersperiodically1.估算刀具寿命,定时换刀2.定期对刀具参数进行补正Checking dimensions on line在线检查尺寸Checking dimensions on line在线检查尺寸Checking dimensions on line在线检查尺寸Checking dimensions on line在线检查尺寸Visual checking目视检查Check the quantity after washing清洗完后核对数量Visual checking目视检查Visual checking目视检查Visual checking目视检查Visual checking目视检查Set up the washing time设定清洗时间1.Estimate the tool life, changetools periodically2.Correct the tooling parametersperiodically1.估算刀具寿命,定时换刀2.定期对刀具参数进行补正1.Estimate the tool life, changetools periodically2.Correct the tooling parametersperiodically1.估算刀具寿命,定时换刀2.定期对刀具参数进行补正Use the dempty washing basket使用空的清洗篮1.Estimate the tool life, changetools periodically2.Correct the tooling parametersperiodically1.估算刀具寿命,定时换刀2.定期对刀具参数进行补正ing different color of flowsheet to distinguish shifts of everyday2.Put the machine no. card on thePut only one layer of parts on thewashing basket清洗篮内只能放一层零件Periodically change washingsolution定期更换清洗液Check washing solution'sconcentration and temperatureperiodically定期检查清洗液浓度与温度Customer dissatisfaction客户不满意Customer dissatisfaction客户不满意Parts can not betraceable零件无法追溯Impact functionality影响功能Customer dissatisfaction客户不满意Customer dissatisfaction客户不满意Customer dissatisfaction客户不满意Customer dissatisfaction客户不满意Effective Date ruty ce ctionn n40Surface of partplate Zn 5~10µm 表面镀Zn5~10µm 61.The concentration ofliquor is low溶液浓度低2.Voltage instability电压不稳定4372NA NA NA NA NA NA NASalt Spray Test198H盐雾试验198小时61.The concentration ofliquor is low溶液浓度低2.Voltage instability电压不稳定4372NA NA NA NA NA NA NA50Final Inspection成品检查6Measure tools notprecise测量工具不精确4248NA NA NA NA NA NA NA 6Parts accumulate collideone another零件堆积相互碰撞4248NA NA NA NA NA NA NA 6Working environmentnot clean工作环净不干净4248NA NA NA NA NA NA NA60Packaging包装72.The intensity ofpacking material is notstrong enough包装材料强度不够3484Inspection packagingmaterial包装材料进货检验Quality department质量保证部11-17Packagingmaterial wereinspected 包装材料进货检验714286Package people iscareless包装人员疏忽3590NA NA NA NA NA NA NA6Package people iscareless包装人员疏忽3590NA NA NA NA NA NA NA61.Have chips adhere onthe packing material2.Packagingenvironment not clean1.包装材料上粘有碎屑2.包装环境不干净3236NA NA NA NA NA NA NA70检验/入库Inspection / Storing 6Package people iscareless包装人员疏忽3236NA NA NA NA NA NA NA80检验/出货Dock audit /Shipment4Shipping people arecareless出货人员疏忽3672NA NA NA NA NA NA NA 4Wrong handling methodduring transportation运输中不正确的搬运方法3672NA NA NA NA NA NA NA ApprovalThe test was unfail试验不合格Impact the functionalityof parts影响零件使用性能1.Check the supplier's test report检查供应商的测试报告2.Send the parts to third party tochecking the thicknessperiodically.定期第三方检测。
六步法pfmea案例全文共四篇示例,供读者参考第一篇示例:案例背景:某家汽车零部件制造公司在生产过程中发现了一个频繁出现的问题:某零部件的尺寸偏差过大,导致装配时无法完全契合,进而影响产品的性能和质量。
为了解决这一问题,公司决定使用六步法PFMEA 进行分析和改进。
步骤一:确定分析范围团队确定了分析的范围为某零部件的生产工艺。
他们明确了问题的具体表现,以及对产品性能和质量的影响。
团队还确定了分析的目的是为了找出可能引起零部件尺寸偏差的潜在故障模式,并制定相应的控制措施。
步骤二:收集相关信息团队开始收集相关信息,包括零部件的设计图纸、生产工艺流程、设备参数、材料性质等。
他们还对生产现场进行实地考察,观察生产过程中的关键环节,并与相关工程师和操作人员进行沟通交流,了解他们对问题的认识和看法。
步骤三:识别潜在故障模式通过分析收集到的信息,团队识别出了可能导致零部件尺寸偏差的潜在故障模式。
包括:材料供应质量不稳定、设备操作不规范、工艺参数设置不当等。
每个故障模式都被赋予一个风险等级,以确定其重要性和优先级。
步骤四:确定故障影响团队分析每个故障模式的影响范围,包括对产品性能、质量、交付时间等方面的影响。
他们还评估了每个故障模式的可能性和频率,以确定其潜在风险。
步骤五:制定改进控制措施基于对故障模式和影响的分析,团队制定了一系列改进控制措施,以降低潜在风险。
加强材料供应商管理、优化生产工艺流程、规范设备操作规程等。
每个控制措施都被赋予一个责任人和执行时间表,以确保实施和落实。
步骤六:跟踪和持续改进团队制定了一个跟踪和持续改进计划,以监控改进控制措施的执行情况和效果。
他们定期对实施情况进行评估和审查,继续识别和解决可能存在的风险和问题,确保质量和性能的持续提升。
通过六步法PFMEA的分析和改进,该汽车零部件制造公司成功解决了零部件尺寸偏差的问题,提高了产品的质量和性能,降低了生产过程中的风险和损失,进一步提升了企业的竞争力和市场地位。
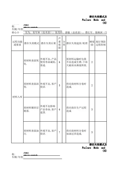
项目名称:F507 M31814002电源接插件支架核心小組:项目名称:F507 M31814002电源接插件支架车辆/年度:潜在失效模式及后Failure Mode and Ef(过程F吴为、易军林(技术部);张茂科、漆敏(品质部);谭红军、敖顺洲(生产车辆/年度:Failure Mode and Ef(过程F核心小組:项目名称:F507 M31814002电源接插件支架核心小組:吴为、易军林(技术部);张茂科、漆敏(品质部);谭红军、敖顺洲(生产车辆/年度:Failure Mode and Ef(过程F吴为、易军林(技术部);张茂科、漆敏(品质部);谭红军、敖顺洲(生产项目名称:F507 M31814002电源接插件支架核心小組:车辆/年度:Failure Mode and Ef(过程F吴为、易军林(技术部);张茂科、漆敏(品质部);谭红军、敖顺洲(生产项目名称:F507 M31814002电源接插件支架核心小組:车辆/年度:Failure Mode and Ef(过程F吴为、易军林(技术部);张茂科、漆敏(品质部);谭红军、敖顺洲(生产项目名称:F507 M31814002电源接插件支架核心小組:车辆/年度:Failure Mode and Ef(过程F吴为、易军林(技术部);张茂科、漆敏(品质部);谭红军、敖顺洲(生产47±0.2超差项目名称:F507 M31814002电源接插件支架核心小組:产品成型后尺Failure Mode and Ef(过程F吴为、易军林(技术部);张茂科、漆敏(品质部);谭红军、敖顺洲(生产车辆/年度:FMEA编号:过程责任部门:供销部、品质部关键日期:编制者:FMEA日期:FMEA编号:过程责任部门:生产部冲压二组关键日期:编制者:页码: 第 1 页 共 7 页2015.7.25张茂科式及后果分析d Effect Analasis 过程FMEA)CD/PFMLH-005(生产部);仲伟成(供销部)2015.7.252015.7.25张茂科d Effect Analasis 过程FMEA)CD/PFMLH-005页码: 第 2 页 共 7 页FMEA日期:FMEA编号:过程责任部门:生产部冲压二组关键日期:编制者:FMEA日期:(生产部);仲伟成(供销部)2015.7.25页码: 第 3 页 共 7 页2015.7.25张茂科d Effect Analasis 过程FMEA)CD/PFMLH-005(生产部);仲伟成(供销部)2015.7.25FMEA编号:过程责任部门:生产部加工组关键日期:编制者:FMEA日期:页码: 第 4 页 共 7 页2015.7.25张茂科d Effect Analasis 过程FMEA)CD/PFMLH-0052015.7.25(生产部);仲伟成(供销部)FMEA编号:过程责任部门:生产部冲压二组关键日期:编制者:FMEA日期:页码: 第 5 页 共 7 页2015.7.25张茂科d Effect Analasis 过程FMEA)CD/PFMLH-0052015.7.25(生产部);仲伟成(供销部)FMEA编号:过程责任部门:生产部冲压二组关键日期:编制者:FMEA日期:页码: 第 6 页 共 7 页2015.7.25张茂科d Effect Analasis 过程FMEA)CD/PFMLH-005(生产部);仲伟成(供销部)2015.7.25FMEA编号:过程责任部门:生产部加工组关键日期:编制者:FMEA日期:d Effect Analasis 过程FMEA)CD/PFMLH-005(生产部);仲伟成(供销部)2015.7.25页码: 第 7 页 共 7 页2015.7.25张茂科。
严频探潜在潜在重分潜在失效度现行探测测R 失效模式失效后果度类起因/机理过程控制度PSO DN冰柜温度过高锡膏焊接性能不好4冰柜温控系统坏2对冰箱温度进行每日点检324冰柜温度过低锡膏焊接性能不好4冰柜温控系统坏2对冰箱温度进行每日点检324真空封装机气压过高影响封装效果4气压过高2每日对真空封装机进行点检/空压机日常点检216真空封装机温度过高包装破损4设置不当3每日对真空封装机进行点检336真空封装机温度过低封装不严4设置不当3每日对真空封装机进行点检336真空封装机时间过长包装破损4设置不当3每日对真空封装机进行点检336真空封装机时间过短封装不严4设置不当3每日对真空封装机进行点检336ESD 装置/设备失效元器件静电击穿7ESD 设施安装保护实施不规范2每日对各ESD点进行点检570潮湿敏感器件受潮影响后续生产41、工作环境湿度过大4将MSD置于恒温恒湿的干燥箱内;对环境温湿度定期点检/监控34851、由于核对送货单时未核对出3收料员在接收原材料时,核对送货单与外箱标识、实物的物料编码、及采购订单确认一致后方可收料23052、由于外箱标识与送货单一致,但内装实物与单据不一致2对原包装最小包装5%的比例进行抽检55031、原包装本身就少料。
4对原包装最小包装5%的比例进行抽检560责任及目标完成日期建议措施措施结果DS O 现行预防过程控制无法使用影响生产送货单数量与实物不符物料购买/暂存送货单物料编码与实物不符文件版本A修订SMT过程失效模式分析(PFMEA)零部件名称电机控制器文件编号编制RPN 采取的措施核心小组顾客批准日期零部件号过程功能要求第1页,共36页FORM NO: SST-PFMEA-001等文件出错用错料第3页,共36页FORM NO: SST-PFMEA-00131、烘烤人员不清楚温度标准4培训《MSD管制办法》33632、MSD的标识不清晰2将《SMT MSD干燥记录表》记录清楚21233、未生产而长时间放置3长时间放置的MSD实行真空包装21831、烘烤人员不清楚厚度/间距标准4培训《PCB、IC烘烤作业指导书》33632、烘烤人员因“烤箱空间”不够而随意加厚、加密4严格执行《PCB、IC烘烤作业指导书》33631、烘烤人员不清楚裸露时间标准4培训《PCB、IC烘烤作业指导书》33632、烘烤人员未执行“先出先消耗”的原则3执行“先出先消耗”原则21841、空调性能下降5及时反馈空调维修员48042、空调性能下降,该区管理员未及时点检5将裸露MSD置于恒温恒湿的干燥箱内;对环境温湿度定期点检/监控24041、冰箱冷藏性能下降3及时反馈冰箱维修员33642、锡膏管理员不清楚标准3培训标准:锡膏存储温度在0~10℃22443、锡膏管理员未及时监控4点检(1次/2小时)控制在0~10℃23241、锡膏管理员不清楚标准3培训标准:锡膏存储温度在0~10℃22442、锡膏管理员未及时监控4点检(1次/2小时)控制在0~10℃23241、锡膏进料后的有效期短4检验出厂的瓶身标签:有效期≥6月34842、未执行“先进先出”3标识清晰,执行“先进先出”,严格控制锡膏存储期在6个月内22441、锡膏管理员不清楚标准4培训标准:室温下锡膏回温时间≥4H 23242、管理员控制的起止回温时间不清晰4利用《锡膏使用标识卡》严格记录/管控34843、因"急"而超前使用4“急”则须提前解冻34841、锡膏管理员不清楚标准4培训标准:室温下锡膏回温时间≥4H 23242、回温的起止时间标识不清楚4利用《锡膏使用标识卡》严格记录/管控34843、停产时,未将已解冻品及时回冻4《锡膏使用标识卡》标识清晰,工作环境中未开封放置不能超过24小时232烧录器电压不稳定程序拷贝时出错,影响功能5220V输入电压不稳定2每日对其进行点检44051、硬件、软件运行有误2每日对其画面显示状况进行确认33052、作业员违规操作3按照“PI-150”作业,禁止多余操作345拷贝电脑运行不正常程序拷贝时出错,影响功能锡膏活性下降,导致印刷性能下降锡膏回温解冻时间过长锡膏存储期限过长PCB、IC等返潮,影响焊接品质开封/烘烤后裸露时间过长PCB、IC等返潮,影响焊接品质该区环境湿度过大锡膏活性下降锡膏存储温度过低PCB、IC等湿度仍过大,影响焊接品质锡膏存储温度过高缩短锡膏存储周期,影响焊接品质摆放厚度过厚、间距过小PCB、IC等反潮,影响焊接品质MSD于干燥箱内的时间过长备/领出锡膏变质,影响焊接品质锡膏吸水引起锡珠\气泡\炸锡锡膏回温解冻时间过短第5页,共36页FORM NO: SST-PFMEA-00131、拷贝槽的拷贝脚弹性不够3每日对拷贝脚的完好性进行点检32732、IC的放置不到位3保证作业员将IC脚充分接触到拷贝槽的底部32733、IC脚氧化2发现时,及时反馈IQC63651、软件确认书或效验和或备录忘或ECN/BOM等文件出3对每个工单的首次软件拷贝的IC要求物料房拉长进行首件确认46052、用错软件5对每个工单的首次软件拷贝的IC要求物料房拉长进行首件确认37553、用错IC5对每个工单的首次软件拷贝的IC要求物料房拉长进行首件确认,并使用BOM/ECN核对所拷贝IC实物的正确性37551、作业员不能识别辅料型号/用途3对作业员培训《辅料型号、使用对照表》34552、作业员疏忽3领辅料时,实行两人确认345ESD设施失效静电敏感器件被击穿,功能丢失7ESD设施的安装或保护或实施不规范2每日对各ESD点进行点检57031、作业指导书未制作4及时制作33632、丢失/未悬挂4每日对各工位作业指导书进行点检33631、作业员不能识别Feeder类型2对作业员培训各类机器、Feeder类型的识别方法31832、作业员未掌握物料类型与Feeder类型的匹配方法2对作业员培训各Feeder类型与物料类型匹配的方法31833、作业员疏忽3上料/换料后,对所上Feeder与物料的匹配情况进行两人核对、确认32751、站位表的制作出错31、站位表制作后,实行两人确认2、站位表在上线使用之前,技术员必须用BOM核对站位表是否正确,交助工签名后方可使用34552、拿错站位表4拉长依据客户、机型、程序名领取站位表,与技术员实行两人确认36051、站位表出错3拉长依据客户、机型、程序名领取站位表,与技术员实行两人确认345拷贝槽与IC 的接触不良作业指导书不全不按标准/流程作业,流出不良程序不能拷入,影响功能生产辅料发错用错辅料拷错程序,影响功能/换错物料软件确认书,效验和,备录忘ECN,BOM未核对物料上线物料抛损、影响贴片质量Feeder(类型)使用出错错料站 位 表出错第6页,共36页FORM NO: SST-PFMEA-001清晰第8页,共36页FORM NO: SST-PFMEA-001出。
PFMEA分析范例PFMEA(Process Failure Mode and Effects Analysis)是一种常用的管理工具,主要用于识别和预防潜在的过程故障和缺陷,以减少生产过程中的风险和提高产品质量。
本文将以汽车制造业为例,介绍PFMEA分析的一般步骤和范例。
1. 确定分析范围在进行PFMEA分析之前,首先需要明确分析的范围和目标。
例如,如果我们要分析汽车发动机组装过程中的潜在故障和影响,我们需要明确范围包括发动机组装的每个步骤和相关的子过程。
2. 识别潜在失效模式通过观察和收集数据,我们可以识别出潜在的失效模式。
在发动机组装过程中,可能存在的失效模式包括零件缺陷、装配错误、设备故障等。
3. 评估失效影响对于每个潜在失效模式,我们需要评估其对过程和产品的影响程度。
例如,零件缺陷可能导致发动机性能下降、安全隐患等。
通过评估失效影响,我们可以确定哪些失效模式是最重要和需要重点关注的。
4. 评估失效频率和发现率在这一步骤中,我们需要评估潜在失效的频率和发现率。
频率指的是该失效模式在特定时间段内发生的次数,发现率指的是我们能在生产过程中或产品出厂之前检测到该失效模式的概率。
5. 确定风险优先级通过综合考虑失效影响、频率和发现率,我们可以确定每个失效模式的风险优先级。
通常采用风险优先数(RPN)计算方法,RPN = 失效影响 ×频率 ×发现率。
风险优先级高的失效模式意味着需要优先采取预防和纠正措施。
6. 制定预防和纠正措施根据风险优先级,我们可以制定相应的预防和纠正措施来降低潜在失效的风险。
例如,对于零件缺陷,我们可以建立更严格的质量控制流程,提高零件的检验和筛选标准。
7. 实施和监控措施制定好措施后,需要将其实施到实际生产过程中,并进行监控和评估。
通过不断追踪和更新PFMEA表格,我们可以及时发现并纠正新的失效模式,不断提升生产过程的稳定性和产品质量。
总结:本文以汽车制造业为例,介绍了PFMEA分析的一般步骤和范例。
PFMEA目录简介概念论述原理分析模式及后果分析PFMEA案例分析简介概念论述原理分析模式及后果分析PFMEA案例分析简介过程失效模式及后果分析(Process Failure Mode and Effects Analysis,简称PFMEA)PFMEA是过程失效模式及后果分析的英文简称。
是由负责制造/装配的工程师/小组主要采用的一种分析技术,用以最大限度地保证各种潜在的失效模式及其相关的起因/机理已得到充分的考虑和论述。
概念论述PFMEA是过程失效模式及后果分析(Process Failure Mode and Effects Analysis)的英文简称。
是由负责制造/装配的工程师/小组主要采用的一种分析技术,用以最大限度地保证各种潜在的失效模式及其相关的起因/机理已得到充分的考虑和论述。
失效:在规定条件下(环境、操作、时间),不能完成既定功能或产品参数值和不能维持在规定的上下限之间,以及在工作范围内导致零组件的破裂卡死等损坏现象。
严重度(S):指一给定失效模式最严重的影响后果的级别,是单一的FMEA范围内的相对定级结果。
严重度数值的降低只有通过设计更改或重新设计才能够实现。
频度(O):指某一特定的起因/机理发生的可能发生,描述出现的可能性的级别数具有相对意义,但不是绝对的。
探测度(D):指在零部件离开制造工序或装配之前,利用第二种现行过程控制方法找出失效起因/机理过程缺陷或后序发生的失效模式的可能性的评价指标;或者用第三种过程控制方法找出后序发生的失效模式的可能性的评价指标。
风险优先数(RPN):指严重度数(S)和频度数(O)及不易探测度数(D)三项数字之乘积。
顾客:一般指“最终使用者”,但也可以是随后或下游的制造或装配工序,维修工序或政府法规。
原理分析PFMEA的分析原理PFMEA的分析原理如下表所示,它包括以下几个关键步骤:(1)确定与工艺生产或产品制造过程相关的潜在失效模式与起因;(2)评价失效对产品质量和顾客的潜在影响;(3)找出减少失效发生或失效条件的过程控制变量,并制定纠正和预防措施;(4)编制潜在失效模式分级表,确保严重的失效模式得到优先控制;(5)跟踪控制措施的实施情况,更新失效模式分级表。
PFMEA分析范例一、简介PFMEA(Process Failure Mode and Effects Analysis,过程失效模式与影响分析)是一种质量管理方法,用于识别和评估制程潜在的失效模式、原因和对产品/过程的影响,以便采取预防和纠正措施,确保在制程中不会发生质量问题。
本文将通过一个实际案例,展示如何应用PFMEA进行分析和改进。
二、案例背景某汽车制造公司生产线上的某零部件装配工序出现了频繁的质量问题,例如装配不良、尺寸偏差等,导致产品质量受影响,客户投诉率上升。
为了解决这些问题,我们决定使用PFMEA方法对该制程进行分析和改进。
三、PFMEA分析步骤1. 识别制程步骤首先,我们需要明确该制程的所有步骤,包括各个环节和子步骤。
例如,该装配工序可能包括以下步骤:准备工作、零部件定位、装配、检验和包装。
2. 识别潜在失效模式对于每个制程步骤,我们需要识别可能的失效模式。
例如,在零部件定位步骤中可能出现的失效模式包括零部件定位不准确、零部件磨损等。
3. 评估失效影响针对每个失效模式,我们需要评估其对产品和制程的影响程度。
这可以通过制程图、统计数据和客户反馈等信息获得。
例如,零部件定位不准确可能导致装配不良、产品外观缺陷等问题。
4. 评估失效原因对于每个失效模式,我们需要分析其潜在原因。
这可以通过对制程参数、操作方法和设备条件等进行分析和检查来确定。
例如,零部件定位不准确的潜在原因可能是装配夹具磨损、工人技能不足等。
5. 评估当前控制措施针对每个失效模式和原因,我们需要评估当前是否有相应的控制措施。
如果有,需要评估其有效性和可靠性。
如果没有,需要考虑引入相应的控制措施。
例如,对于装配夹具磨损的失效原因,当前可能存在定期保养清洁措施,但其有效性需要进一步评估。
6. 制定改进措施基于对失效模式、影响、原因和控制措施的评估,我们可以制定相应的改进措施。
例如,针对装配夹具磨损的问题,我们可以考虑定期更换夹具、提供更好的保养指导等措施。
德信诚培训网潜在失效模式及后果分析FMEA编号:(过程FMEA)编号:PFMEA-21项目名称:N 系列过程责任部门:DXC热处理厂编制者:车型年/车辆类型:CA-153系列关键过程:01。
07。
15 FMEA日期(编制):0 1.06.24 (修订)主要参加人:过程/功能要求潜在的失效模式潜在的失效后果严重度级别潜在的失效原因/机理频度数现行过程控制可探测度风险顺序数RPN建议的措施责任及目标完成日期措施结果采取的措施严重度频度数不可探测度数风险顺序数RPN热处理过程硬度符合技术要求金相1-2级产品应无淬裂硬度超过技术要求缺乏韧性产生脆断,影响整车的安全性。
10 ▲设备上的仪表失灵2 每季度送计量局校准仪表一次8 160 增加仪表验证次数DXC热处理厂01.07.15每班校对仪表一次10 2 2 40操作者控制回火时间低于工艺要求3 利用人工计时8 240 增加定时报警装置DXC热处理厂01.07.15增加可设定时间的电子时钟警报器并每季度校对一次10 3 1 30回火温度低于工艺要求3 专人监视设备上温度仪表5 150 增加超温温度警报装置DXC热处理厂01.07.155增加温度传感器连接警报器,在温度达到要求时发出提示并每季度校对一次10 3 1 30材料含C量不明确影响2 验证质保单,每批化验2-3根后再热处理2 40 无德信诚培训网潜在失效模式及后果分析FMEA编号:(过程FMEA)编号:PFMEA-21 项目名称:N 系列过程责任部门:DXC热处理厂编制者:车型年/车辆类型:CA-153系列关键过程:01。
07。
15 FMEA日期(编制):0 1.06.24 (修订)主要参加人:过程功能要求潜在的失效模式潜在的失效后果严重度数级别潜在的失效原因/机理频度数现行过程控制可探测度风险顺序数建议的措施责任及目标完成日期措施结果采取的措施严重度频度数不可探测度数风险顺序数RPN热处理过程硬度符合技术要求金相1-2级产品应无淬裂硬度达不到技术要求抗拉强度不够,产品延伸变形,影响整车的安全性。
Co.,Ltd.(PROCESS FMEA)Item 项目名称:Page no.页码:共19页Model Year/Vehicle:Responsibility责任部门:Prepared by 制作:Core Team 核心小组:Key Date 关键日期:过程项目潜在的潜在的严S级潜在的频O现行制程预防控制现行制程侦测措施难DR 建议的措施责任与目标效果确认Action Results&功能要求失效模式失效结果重E失效原因与机理度CCurrent ControlCurrent Control检eP Recommended 完成日期S O D R Process Descpription Potential Potential度V别Potential 数CPreventionDetection度tNAction(s)Res.&Tar.采取的措施e c e P &Process Purpose Failure ModeEffect(s) of FailureCause(s) of FailureCompletion DateAction TakenvctNParts incoming 部品受入过程1. Receiving parts poor appearance function error 7handling carelessly by 2None 1 visual check by warehouseman & IQA 2None 1.接收部品on carton or packing NG operator or due to delivery 无1 由仓管员及IQA 目视检查无纸箱的有形损坏功能或装置不良操作或运输过程中的过失操作2 visual check by PK01 station 72 包装工位目视检查actual qty unmatched with can't complete this lot 7handling carelessly by 2None check by warehouseman & IQA 4None supplier's invoice 无法完成该批量的产品operator or due to delivery 无由仓管员及IQA 核对发票上的数量6无部品数量与供应商操作或运输过程中的过失操作的发票不符2.Incoming inspection oversight on inspection NG parts released to 6incoming part released to 2rule of incoming inspection 1 check by part using station 2None 2.受入检查漏检product line 4warehouse without release 受入检查规定1 部品使用工位来料检查7无(IQC)错误或不良品stamp of IQA2 cosmetic check 100%流到生产线无受入检查印章部品入了库2 100%进行外观检查NG parts released to 6 1 miss operating 2qualification training on 4None product line4 1 操作失误inspection 3无检查员资格培训2 don't point out inspection item in inspection document 2 检验指导书没有明确的指出检测点21 add inspection items in document1 追加检验指导书中没有的检验点2 IQC re-inspect all parts in warehouse 2 在库品IQC 全部重检3 refer detail in report SCAR07-OM-005 and SCAR 07-OM-0033 详见编号为SCAR 07-OM-005 and SCAR 07-OM-003中的报告100% fuction check 后段工位多重100%进行功能测试3None 无3 tester failure 23None 3 测定器失效4无3. Part storage Part Shortage can't complete this lot 7mistake input by warehouseman 2None check parts list by warehouse 4None 3.部品入库/储藏缺少部品无法完成该批量的产品1仓管员输入错误无仓库核对入库清单6无check parts list by materiel people 物料员核对入库清单part rustiness function error 7temperature/humidity out of 2 1.temperature/humidity control 2None /ESD destroy 功能不良standard 1.温湿度管理规定4无部品生锈/ESD 破坏温湿度超标2.ESD control作业准备时点检温湿度表2.静电管理规定4. Part supplyed to part supplyed wrongly product line stop 7mistake parts by warehouseman 2mark part location and making check part list and BOM 4None product line 发错料生产线停产1or part list wrong special control on similar parts 检查发料清单,核对BOM 表无4.发料到生产线发料员在仓库拿错料对部品放置区域作相关标识发料单制作错误对类似品作特殊管理part'surface scrape in transport process 部品刮伤poor appearance外观不良(面板,旋钮表面刮伤)641 rub between parts and packing materiel1 部品在运输过程中与自身的包装材料摩擦21 requset vender improve packing materiel1 要求供应商修改部件的包装材料2 refer detail in report PR-07-082 详见PR-07-08报告1 inspect parts before assemble 1 部品组装前检验2 cosmetic check 100%2 外观100%检验47None 无100% fuction check 后段工位多重100%进行功能测试check temperature/humidity at the begin of workoverview NG未检出不良错误或不良品流到生产线96285656365696244828有限公司工 程 潜 在 的 失 效 模 式 与 效 果 分 析CLASS风险优先率FMEA date 日期(编制):emendation on equipments yearly 仪器校正每年一次equipments maintain monthly 设备的月度保养check equipments at the begin of work作业准备时测量66Co.,Ltd.(PROCESS FMEA)Item 项目名称:Page no.页码:共19页Model Year/Vehicle:Responsibility 责任部门:Prepared by 制作:Core Team 核心小组:Key Date 关键日期:过程项目潜在的潜在的严S级潜在的频O现行制程预防控制现行制程侦测措施难DR建议的措施责任与目标效果确认Action Results&功能要求失效模式失效结果重E失效原因与机理度CCurrent ControlCurrent Control检ePRecommended 完成日期SO D R Process Descpription Potential Potential度V别Potential 数CPreventionDetection度tN Action(s)Res.&Tar.采取的措施e c e P &Process Purpose Failure ModeEffect(s) of Failure Cause(s) of Failure Completion DateAction TakenvctN有限公司工 程 潜 在 的 失 效 模 式 与 效 果 分 析C LA S S风险优先率FMEA date 日期(编制):bel print print badness difficult to trace 4operating NG 2training operator label scan.条码扫描比对2None 5.标签打印打印不良批量不易追溯1作业不良培训作业员无equipment NG 2check and maintain equipment daily check 2None 设备故障点检,保养日常点检无label scan.条码扫描比对CDR MECHA 准备工程PCB's surface scrape 主基板表面划伤function error 功能不良87PCB scrape by hardness in process作业过程中硬物刮伤2forbid operator wear ring or other hardness作业员禁止带戒指等硬物作业1 100% visual check 1 100%目视检查2 next station 100% function check 2 后续多层工位100%功能视检查43none 无ESD destroy electrical function7operator not wearing 2use ESD cleaner to get rid of ESD1.daily check before line start 2None ESD 破坏failuredESD band使用离子风机消除静电1.每天开始生产前检查4无电器性能破坏作业员没有佩带静电带2.check ESD of operating areas 2.作业区域静电检查oversight on inspection 漏检NG parts released to product line,result inproduction function fail as can't workable or instability不良品流到生产线,造成产品功能不良87parts put into next station without inspection because of miss operating of operator作业员失误,部件没有检查就流到下个工位2dispart the checked parts and without check parts检查过和未检查的部品分开放置if parts have checked ,will make a mark on it在已经检查过的部品上打点确认100% fuction check后续多层功能测试工位100%检查100% visual check on parts using station在部件的使用工位100%检验有无该标识43none 无`NG parts released to 6 1 miss operating 2qualification training on 4None product line4 1 操作失误inspection 3无检查员资格培训2 tester failure 2emendation on equipments emendation list of equipments 3None 2 测定器失效仪器校正仪器校正清单无100% fuction check 后段100%进行功能测试FT 测试搜索敏感性的参数设置不正确产品误判(搜索不停台)2参数设置过严,造成产品在正常的状态下无法实现搜索停台的功能2搜索停台的控制规格设定为35.3dbuvemffuction check后续工位功能检查4搜索停台的控制规格更改设定为36.7dbuvemf生技日期: 2007/06/20完成负载盒上开关位置拨错产品误判(搜索不停台)2作业员误操作将负载盒上的"TNS"开关由"on"拨到"OFF"造成产品在正常的状态下无法实现搜索停台的功能2生技设备月度保养工作准备时作业员的点检41 负载盒上追加开关位置标识2 将负载盒上的ACC 开关移到治具上,避免作业员在负载盒上作业生技日期: 2007/06/11完成7. fix main PCB to chassis module chassis isNG assembly 7handling carelessly by 2None 2None &screwing out of shape 错误装配4operator or due to delivery 无7无( ST:A-01)模块变形操作或运输过程中的过失操作由仓管员及IQA 目视检查7.组装主基板至五金支架check by hisself &打螺丝对来料进行自检查NG assembly fixing NG 7pressure not enough 2use cylinder jig check pressure daily and when 4None 错误装配组装不到位4压力不够用气缸治具model changed无每天或换机种时检查气压fixing to wrong location 2training operator 100% visual double check 4None 放入位置不正确培训作业员100%双重目视检查7无screw loose/tighten rattle noise heard when 6screw driver torque too small 2use torque meter to control check torque daily and when 4None 螺丝松动或过紧shaking due to loose 4螺丝刀扭力过小torquemodel changed无松动,摇晃时有杂音用扭力计控制扭力每天或换机种时检查扭力slide occurred due to 6screw driver torque too big 2use torque meter to control check torque daily and when 4None tighten 4螺丝刀扭力过大torquemodel changed无过紧,滑牙用扭力计控制扭力每天或换机种时检查扭力stick sheet to wrong can't load CD 7miss operating 2 1.training operator 100% visual double check 4None location不能进碟操作错误1.培训作业员100%双重目视检查7无碟仓绒布贴附位置不正确2.process sheet 2.作业指导书100% fuction check 后段多层工位100%进行功能测试visual check by warehouseman & IQA 1616286456566456283616564848错误或不良品流到生产线,486. inspect main PCB (ST:PT01)6. main PCB 部件检验overview NG 未检出不良6Co.,Ltd.(PROCESS FMEA)Item 项目名称:Page no.页码:共19页Model Year/Vehicle:Responsibility责任部门:Prepared by 制作:Core Team 核心小组:Key Date 关键日期:过程项目潜在的潜在的严S级潜在的频O现行制程预防控制现行制程侦测措施难DR建议的措施责任与目标效果确认Action Results&功能要求失效模式失效结果重E失效原因与机理度CCurrent ControlCurrent Control检ePRecommended 完成日期SO D R Process Descpription Potential Potential度V别Potential 数CPreventionDetection度tNAction(s)Res.&Tar.采取的措施e c e P &Process PurposeFailure ModeEffect(s) of Failure Cause(s) of Failure Completion DateAction TakenvctN有限公司工 程 潜 在 的 失 效 模 式 与 效 果 分 析C LASS 风险优先率FMEA date 日期(编制):PCB crack/scratch function error 7miss operating 21.training operator 100% visual check 4None PCB 断裂/ 划伤功能不良操作失误1.培训作业员100%目视检查3无2.jig for avoiding missing 2.防呆治具incoming part NG 2PCB cosmetic check incoming inspection 2None 来料不良PCB 板外观检查受入检查3无100% check fuction repeatedly 后段多层工位100%进行功能测试forget to stick heatNG assembly 7miss operating 21.manage by quantity 100% visual check by hisself 4None sink sheet to PCB 错误装配4操作错误1 数量管理100%目视自检8无漏贴散热胶布至PCB2.process sheet 2.作业指导书ESD destroy electrical function7operator not wearing 2use ESD cleaner to get rid of ESD1.daily check before line start 2None ESD 破坏failuredESD band使用离子风机消除静电1.每天开始生产前检查4无电器性能破坏作业员没有佩带静电带 2.check ESD of operating areas 2.作业区域静电检查space between panel fixing NG 3block of fixing jig shifted 2 1.check this item when monthly 1 visual check by hisself after 3None bottom and chassis 组装不到位面板底盖定位块的位置发生偏移maintenanceassemble 7无is too big when 1.治工具月度维护时重点检查此项目1 组装后自检assembly2 next station check 组装时面板底盖与五金支架 2 后工位检查之间间隙过大screw of jig loosed NG assembly 3the screw is used to fix the 21.check this item when monthly 1 visual check by hisself after 3None 治具螺丝松动错误装配pillar of cylinder and pillar maintenanceassemble 7无of press,it's easy to become 1.治工具月度维护时重点检查此项目1 组装后自检loose when using2 next station check 该螺丝用于连接汽缸杆与受力杆, 2 后工位检查使用中易松动post beside sheet leather NG assembly 3this item is not treated as2None 1.IQC added this item to inspection 4None plate of bottom panel 错误装配important item when inspection 无process sheet无is anamorphicIQC 检查时未将此项列入重点检查 1.IQC 将此项列入受入检查的重点检查项目面板底盖贴附碟仓绒布处项目2.100% visual inspection 支柱变形2.100%目视检查螺丝刀碰伤主基板回路功能不良(AM 无反应)7治具上有多余的孔,作业员锁螺丝时打错位置,将主基板上的回路钻断2治具上的螺丝孔位有标识100% function check 100% 功能检查4治具改造,将治具上多余的孔位去除生技日期:2007/08/07完成100% check fuction repeatedly 后段多层工位100%进行功能测试56181824562828563Co.,Ltd.(PROCESS FMEA)Item 项目名称:Page no.页码:共19页Model Year/Vehicle:Responsibility责任部门:Prepared by 制作:Core Team 核心小组:Key Date 关键日期:过程项目潜在的潜在的严S级潜在的频O现行制程预防控制现行制程侦测措施难DR建议的措施责任与目标效果确认Action Results&功能要求失效模式失效结果重E失效原因与机理度CCurrent ControlCurrent Control检eP Recommended 完成日期SO D R Process Descpription Potential Potential度V别Potential 数CPreventionDetection度tNAction(s)Res.&Tar.采取的措施e c e P &Process Purpose Failure ModeEffect(s) of FailureCause(s) of Failure Completion DateAction TakenvctN有限公司工 程 潜 在 的 失 效 模 式 与 效 果 分 析CLASS风险优先率FMEA date 日期(编制):1 shock top cover by operator's mistake and make distortion of CD module1 作业动作过失磨擦上盖导致机芯变形4can not superpose CD module in check process 检测过程中不能叠放1 100% function check2 100% visual check 1 100% 功能检查2 100% 目视检查23None 无2 Test CD dirty 2 碟片赃污4check and maintain Test CD before operation作业员作业前先进行光盘点检function check 功能检查23None 无CD module'axes lock CD 机芯前轴卡住CD 碟function errer(CD is not workable and feedback)功能不良(无法读碟)87shock parts and make distortion of CD module 部品碰撞变形4check appearance 检查确认外观100% function check 功能检查23None 无oversight on inspection 漏检NG parts released to product line,result inproduction function fail as can't workable or instability不良品流到生产线,87parts put into next station without inspection because of miss operating of operator作业员失误,部件没有检查就流到下个工位2dispart the checked parts andwithout check parts检查过和未检查的部品分开放置if parts have checked ,will make a mark on it在已经检查过的部品上打点确认100% fuction check后续功能测试工位100%检查100% visual check on parts using station在部件的使用工位100%检验有无该标识3none 无NG parts released to 6 1 miss operating 2qualification training on 4None product line41 作业员失误,inspection 3无错误或不良品流到生产线,检查员资格培训22 tester failure 23None 2 测定器失效4无not fix FFC steady function error8miss operating 21.make jig to insert FFC 3None 功能不良(FR,RR 声道无输出)7作业员过失1.制做FFC 排线插入治具6无insert FFC flatly function error7miss operating 21.training operator 100% visual check 4None FFC 未水平插入功能不良作业员过失1.培训作业员100%目视检查并打点确认6无2.process sheet 2.作业指导书治具排线端子与机芯接触不良产品误判(按出碟键无反应)7治具上的FFC 排线多次使用后磨损,造成与机芯接触不良2将FFC 排线列为易损件,每月进行更换fuction check后续工位功能检查3治具改造,在治具上追加FFC 排线快速夹子生技日期: 2007/06/18完成1.training operator 9.insert FFC&SCD module spring of mecha fall off function error 7miss operating 2 1.培训作业员100% visual inspection 4None preparation&bracket screwing 机芯弹簧脱落功能不良操作错误100%目视检查3无(ST: A-02)fuction check 9.FFC 排线插入&机芯准备&后续工位功能检查 机芯支架打螺丝incoming part NG 2None incoming inspection 2None 来料不良无受入检查无100% fuction check 后续工位功能检查ESD destroy electrical function8Operator not wearing 2use ESD cleaner to get rid of ESD2None ESD 破坏failured7ESD band使用离子风机消除静电4无电器性能破坏作业员没有佩带静电带作业前检查静电screw loose/tighten rattle noise heard when 6screw driver torque too small 2use torque meter to control check torque daily and when 4None 螺丝松动/过紧shaking due to loose 4螺丝刀扭力过小torquemodel changed无松动,摇晃时有杂音用扭力计控制扭力每天或换机种时检查扭力2.add correct method to carry CD module process sheet2.作业指导书追加机芯的正确握取方法2.add the correct method of insertting FFC into process sheet2.在作业指导书内追加FFC 排线的正确插入方法1.100% visual inspection after FFC was inserted, and add mark on FFC cable,1.FFC 插入后100%目视检查,检查ok 后在FFC 排线上打点做标识,2 check mark 100% next station 2 后工位在100%目测检查标识56100% fuction check后续功能测试工位100%检查check ESD of operating areas befor line start646464485664test CD can not insert into SCD module CD 机芯不入碟function errer 功能不良874828FFC 未固定(没有扣上 固定FFC 排线的固定扣)8. inspect SCD module (ST:PT-02)8. CD 机芯部件的检查overview NG 未检出不良325636emendation on equipments yearly 仪器校正每年一次equipments maintain monthly 设备的月度保养check equipments at the begin of work 始业点检64Co.,Ltd.(PROCESS FMEA)Item 项目名称:Page no.页码:共19页Model Year/Vehicle:Responsibility责任部门:Prepared by 制作:Core Team 核心小组:Key Date 关键日期:过程项目潜在的潜在的严S级潜在的频O现行制程预防控制现行制程侦测措施难DR 建议的措施责任与目标效果确认Action Results&功能要求失效模式失效结果重E失效原因与机理度CCurrent ControlCurrent Control检eP Recommended 完成日期SO D R Process Descpription Potential Potential度V别Potential 数CPreventionDetection度tNAction(s)Res.&Tar.采取的措施e c e P &Process PurposeFailure ModeEffect(s) of Failure Cause(s) of Failure Completion DateAction TakenvctN有限公司工 程 潜 在 的 失 效 模 式 与 效 果 分 析C LASS风险优先率FMEA date 日期(编制):slide occurred due to6screw driver torque too big 2use torque meter to control check torque daily and when 4None tighten 4螺丝刀扭力过大torquemodel changed无过紧,滑牙用扭力计控制扭力每天或换机种时检查扭力can not fix screw to fixing NG 7torque is to small(5±2kgf)3increase torque to 6.75±1.25 1.check torque daily and when 2None bracket组装不到位4螺丝刀设定力矩规格过小kgf base on technical spc and model changed3无机芯防尘支架螺丝打不进test result,and revised CP and 1.每天或换机种时检查扭力process sheet2.operator confirms screwing well 根据设计规格和实际打螺丝测试结after fixing结果,将力矩调至.75±1.25 kgf,并 2.作业员组装完毕后100%目视检查螺丝修订控制计划和作业指导书打入良好10. bracket-m screwing &fix螺丝松动/过紧shaking due to loose 6螺丝刀扭力过小torquemodel changed4None shield case&fix FFC holder&松动,摇晃时有杂音4用扭力计控制扭力每天或换机种时检查扭力无stick cushion dustproof (ST: A-03)slide occurred due to 6screw driver torque too big2use torque meter to control check torque daily and when 4None 10.机芯支架打螺丝&防护盖组装&tighten 4螺丝刀扭力过大torquemodel changed无FFC 支架组装&防尘胶布贴附过紧,滑牙用扭力计控制扭力每天或换机种时检查扭力ESD destroyelectrical function 8operator not wearing 2use ESD cleaner to get rid of ESD1.daily check before line start 2None ESD 破坏failured7ESD band使用离子风机消除静电1.每天开始生产前检查4无电器性能破坏作业员没有佩带静电带 2.check ESD of operating areas 2.作业环境静电检查forget to fix FFC holder NG assembly 7miss operating 2 1.training operator 100% visual double check 4None FFC 支架漏装错误装配4操作错误1.培训作业员100%双重目视检查7无2.process sheet2.作业指导书forget to stick cushion NG assembly 7miss operating 2 1.training operator 100% visual check 4None dustproof to bracket错误装配4操作错误1.培训作业员100%目视检查8无漏贴防尘胶布至机芯支架2.process sheet 2.作业指导书not combine two ofNG assembly 7miss operating21.training operator 100% visual check 4None dustproof completely 错误装配4操作错误,操作后未做压紧动作1.培训作业员100%目视检查8无防尘胶布接合处不紧密 2.process sheet update2.修改作业指导书(追加NG 和OK 品FFC fixing NG function error 7miss operating 2None 4None 排线组装不到位功能不良操作错误无2无not fix FFC steady function error 7miss operating 2 1.training operator 4None FFC 未固定功能不良操作错误1.培训作业员6无2.process sheet2.作业指导书check by fixture 用治具检查FFC holderNG fixing 7miss operating 21.培训作业员100%目视检查4None 排线未放入排线支架错误装配4操作错误2.process sheet 8无2.作业指导书3 using fixture3 应用治具进行固定sheet which is used tofunction error8miss operating2training operator 100% visual inspection 4none connect FFC and main PCB 功能不良(机芯不动作)7操作错误,操作后未做压紧动作培训作业员100%目视检查8无is not sticked firmly add this item as notice point FFC 与基板连接胶布未贴紧into process sheet将此项目作为作业注意点追加至作业指导书100% double visual check and make a mark on ok product双重目视检查和打点确认check by fixture 用治具检查100% double visual check and make a mark on ok product双重目视检查和打点确认4256485648325664565656255Co.,Ltd.(PROCESS FMEA)Item 项目名称:Page no.页码:共19页Model Year/Vehicle:Responsibility责任部门:Prepared by 制作:Core Team 核心小组:Key Date 关键日期:过程项目潜在的潜在的严S级潜在的频O现行制程预防控制现行制程侦测措施难DR 建议的措施责任与目标效果确认Action Results&功能要求失效模式失效结果重E失效原因与机理度CCurrent ControlCurrent Control检eP Recommended 完成日期SO D R Process Descpription Potential Potential度V别Potential 数CPreventionDetection度tNAction(s)Res.&Tar.采取的措施e c e P &Process PurposeFailure ModeEffect(s) of Failure Cause(s) of Failure Completion DateAction TakenvctN有限公司工 程 潜 在 的 失 效 模 式 与 效 果 分 析C LASS风险优先率 FMEA date 日期(编制):11. fix assy module to chassisESD destroy electrical function8operator not wearing 2use ESD cleaner to get rid of ESD1.daily check before line start 2None &heat sink preparation ESD 破坏failured7ESD band使用离子风机消除静电1.每天开始生产前检查4无11.机芯模块组装至底盖&电器性能破坏作业员没有佩带静电带 2.operation condition ESD check 散热板准备 2.作业环境静电检查(ST:A-04)screw loose/tighten rattle noise heard when 6screw driver torque too small 2use torque meter to control check torque daily and when 4None 螺丝松动/过紧shaking due to loose 4螺丝刀扭力过小torquemodel changed无松动,摇晃时有杂音用扭力计控制扭力每天或换机种时检查扭力slide occurred due to 6screw driver torque too big 2use torque meter to control check torque daily and when 4None tighten 4螺丝刀扭力过大torquemodel changed无过紧,滑牙用扭力计控制扭力每天或换机种时检查扭力12.panel rear & heat sink screw loose/tighten rattle noise heard when 6screw driver torque too small 2use torque meter to control check torque daily and when 4None screwing 螺丝松动/过紧shaking due to loose 4螺丝刀扭力过小torquemodel changed无12.后盖&散热板打螺丝松动,摇晃时有杂音用扭力计控制扭力每天或换机种时检查扭力(ST:A-05)slide occurred due to 6screw driver torque too big 2use torque meter to control check torque daily and when 4Nonetighten 4螺丝刀扭力过大torquemodel changed无过紧,滑牙用扭力计控制扭力每天或换机种时检查扭力skid of screw 螺丝打滑rattle noise heard when shaking due to loose机台摇晃时有杂音,螺丝不紧易掉落641 oprator isn't upright to lock screw1 作业员没有垂直打螺丝2 strength of screw is 8.0+-1kgf.cm which is excess2 螺丝刀扭力8.0+-1kgf.cm 规格过大21 use torque meter to control torque1 用扭力计控制扭力2 defind the method of using screwdriver2 电动螺丝刀使用方法定义3 defind the strength of screw detail as 5±1kgf.cm 3 重新定义螺丝扭力为:5±1kgf.cm1 voice/cosmetic station 100% check 1 外观工位100%异音/目视检查47None 无48484848324856Co.,Ltd.(PROCESS FMEA)Item 项目名称:Page no.页码:共19页Model Year/Vehicle:Responsibility责任部门:Prepared by 制作:Core Team 核心小组:Key Date 关键日期:过程项目潜在的潜在的严S级潜在的频O现行制程预防控制现行制程侦测措施难DR 建议的措施责任与目标效果确认Action Results&功能要求失效模式失效结果重E失效原因与机理度CCurrent ControlCurrent Control检eP Recommended 完成日期SO D R Process Descpription PotentialPotential度V别Potential数CPreventionDetection度tNAction(s)Res.&Tar.采取的措施e c e P &Process Purpose Failure ModeEffect(s) of FailureCause(s) of Failure Completion DateAction TakenvctN有限公司工 程 潜 在 的 失 效 模 式 与 效 果 分 析C LASS风险优先率FMEA date 日期(编制):13.panel top screwing and screw loose/tighten rattle noise heard when 6screw driver torque too small 2use torque meter to control check torque daily and when 4None labeling&Visual Inspection 螺丝松动/过紧shaking due to loose 4螺丝刀扭力过小torquemodel changed无13.上盖打螺丝&贴标签&外观检查松动,摇晃时有杂音用扭力计控制扭力每天或换机种时检查扭力(ST:A-06)slide occurred due to 6screw driver torque too big 2use torque meter to control check torque daily and when 4None tighten4螺丝刀扭力过大torquemodel changed无过紧,滑牙用扭力计控制扭力每天或换机种时检查扭力assembly NG NG fixing 7miss operating 2operate by fixture 100% visual check 4None 组装不到位错误装配4操作错误用治具按压100%目视检查8无pressure not enough2use cylinder jig 100% visual check 4None 压力不够用气缸治具100%目视检查8无forget to stick label poor appearance 6operator carelessness 2training operator 100% double visual check 4None 标签漏贴外观不良4操作员过失培训作业员100%双重目视检查7无rear screw of cd-ch looseparts fall off 7incoming parts NG 2none 100% double visual check 2None 机芯尾部螺丝松动部品脱落来料不良无100%多重目视检查7无screw high-up poor appearance 6operator oversight 2none 100% double visual check 4None 螺丝未完全打入外观不良4作业员漏检无100%多重目视检查5无FA02工位100%进行螺丝紧固确认14. SPRING CLEAN less than clean time corrode plastic knob 6operating NG 2none use timer to control clear time 2None 14.弹簧片清洗(2 minutes)腐蚀塑胶旋钮作业不良无用计时器控制清洗时间无(ST-S1)少于清洗规定时间(2分钟)PCB's surface scrapePCB 表面划伤function error基板功能不良7PCB scrape by hardness in process作业过程中硬物刮伤2forbid operator wear ring or other hardness作业员禁止带戒指等硬物作业function double check 后续工位功能检查3ESD destroy electrical function 7operator not wearing 2use ESD cleaner to get rid of ESD1.daily check before line start 2NoneESD 破坏failuredESD band使用离子风机消除静电1.每天开始生产前检查无电器性能破坏作业员没有佩带静电带2.check ESD of operating areas 2.作业区域静电检查oversight on inspection 漏检NG parts released to product line,result inproduction function fail as can't workable or instability不良品流到生产线,造成产品功能不良84parts put into next station without inspection because of miss operating of operator作业员失误,部件没有检查就流到下个工位2dispart the checked parts and without check parts检查过和未检查的部品分开放置if parts have checked ,will make a mark on it在已经检查过的部品上打点确认100% fuction check后续功能测试工位100%检查100% visual check on parts using station在部件的使用工位100%检验有无该标识43none 无NG parts released to 6 1 miss operating 2qualification training on 4None product line41 操作失误inspection 3无错误或不良品流到生产线,检查员资格培训2 tester failure 23None 2 测定器失效4无开关基板按键损坏功能不良(FM 按键无反应)7进行按键检查时用力太大将基板上的FM 按键压坏2无100% fuction check后续功能测试工位100%检查4SW 检查治具改造,采用机械按压测试代替人手直接按压按键测试生技完成日期:2007/08/31进行中stick to wrong location assembly NG 7miss operating 2sample control 100% double visual check 4None 贴附位置不正确错误装配4操作错误样品管理100%多重目视检查7无forget to stick cushion Poor appearance 6miss operating 2 1.sample control 100% double visual check 4None 胶布漏贴外观不良4作业员疏忽1.样品管理100%多重目视检查7无2.qty control 2.数量管理screw loose button ineffective 7screw driver torque too small 2use torque meter to control check torque daily and when 4None 螺丝松动按键无效螺丝刀扭力过小torquemodel changed无用扭力计控制扭力每天或换机种时检查扭力screw missing button rattle noise heard 6miss operating 3indicate screwing order on bezel use screw counter to control 3None 漏打螺丝按键的晃动声操作错误screwing jig螺丝计数器数量管理2无在前咀治具上注明打螺丝的顺序486448100% fuction check后续功能测试工位100%检查565648283648422415. inspect SW-BD (ST-PT03)15. SW-基板部件检验5654overview NG未检出不良(引脚连锡,电子元件损坏)check equipments at the begin of work 始业点检4828564856emendation on equipments yearly仪器校正每年一次equipments maintain monthly 设备的月度保养6Co.,Ltd.(PROCESS FMEA)Item 项目名称:Page no.页码:共19页Model Year/Vehicle:Responsibility 责任部门:Prepared by 制作:Core Team 核心小组:Key Date 关键日期:过程项目潜在的潜在的严S级潜在的频O现行制程预防控制现行制程侦测措施难DR建议的措施责任与目标效果确认Action Results &功能要求失效模式失效结果重E失效原因与机理度CCurrent ControlCurrent Control检ePRecommended 完成日期S O D R Process Descpription Potential Potential度V别Potential 数CPreventionDetection度tNAction(s)Res.&Tar.采取的措施e c e P &Process Purpose Failure ModeEffect(s) of Failure Cause(s) of Failure Completion DateAction TakenvctN有限公司工 程 潜 在 的 失 效 模 式 与 效 果 分 析C L A S S风险优先率 FMEA date 日期(编制):16.HARMAL&SHEET FIXING stick to wrong location button function failured 7miss operating 2jig with hole openned to avoid 100% visual check 4None 16.润滑及胶布贴附涂油位置错误按键性能不良操作错误missing100%目视检查8无(ST-B1)防呆治具以预防stick to wrong location assembly NG 7miss operating 2sample control 100% visual check 4None 贴附位置不正确错误装配4操作错误样品管理100%目视检查8无sheet leakage poor appearance 6operator carelessness 2 1.sample control 100% visual check 4None 胶布漏贴外观不良4作业员疏忽1.样品管理100%目视检查8无2.qty control 2.数量管理17.BEZEL ASSY-1bezel scratch poor appearance 6handling carelessly 2use plastic cover to protect 100% double visual check 4None (SCREWING PROCESS)前咀有擦伤外观不良4不小心掉落 用塑料盖保护前咀100%双重目视检查7无17.开关基板打螺丝(ST-B2)screw drops into bezel foreign material 6handling carelessly 2fix cover used to cover unit 100% rattle noise check at 4assy during screwing (rattle noise)4during screwing on screwing jigFPA station 3None 打螺丝时,螺丝掉进前咀有异物(卡嗒声)打螺丝时过失操作在螺丝治具上安装防护盖FPA 工程100%检查无screw loose button ineffective 7screw driver torque too small 2use torque meter to control check torque daily and when 4None 螺丝松动按键无效螺丝刀扭力过小torquemodel changed无用扭力计控制扭力每天或换机种时检查扭力screw missing button rattle noise heard 6miss operating 3indicate screwing order on bezel use screw counter to control 3None 漏打螺丝按键的晃动声4操作错误screwing jig螺丝计数器数量管理2无在前咀治具上注明打螺丝的顺序ESD destroy electrical function8operator not wearing 2use ESD cleaner to get rid of ESD1.daily check before line start 2None ESD 破坏failures 7ESD band使用离子风机消除静电1.每天开始生产前检查4无电器性能破坏作业员没有佩带静电带2.check ESD of operating areas 2.作业区域静电检查SW PCB scratch NG product accured 7incoming part NG 2None 1 100% function double check 4None 开关基板划伤功能不良来料不良无1 后续工位多重100%功能检查3无screwing hole for avoiding 1improve screwing hole of jig 1 100% function double check 4None missing too big打螺丝治具的螺丝孔的改善 1 后续工位多重100%功能检查3无打螺丝治具的防呆孔偏大SW PCB crack VOL button not response 821 100% function check 4开关基板断裂音量旋钮无反应71 后续工位100%功能检查34856484854563228SW BD and bezel poorassemble, extrusion happening when lock screw result in the crack of SW BD开关基板于面板没有完成组合,开关基板上的螺丝孔位和面板上的螺丝孔位没有对准,打螺丝时挤压造成开关基板断裂None 无6456561 add this item as important in into process sheet1 在作业指导书追加该动作none2 add press action after assemble SW-BD and panel2 在开关基板和面板组合后确认是否对准35。