自动控制原理 第1章习题参考答案
- 格式:doc
- 大小:792.50 KB
- 文档页数:2
自动控制原理(北大丁红版)第一章答案 1-1.什么是自动控制系统?自动控制系统通常由哪些基本元件组成?各元件起什么作用?答:自动控制系统就是为实现某一控制目标所需要的所有物理部件的有机组合体。
1、测量元件:测量被控对象的需要控制的物理量,如果这个物理量是非电量,一般需要转化为电量。
2、给定元件:给出与期望的被控量相对应的系统输入量。
3、比较元件:把测量元件检测的被控量实际值与给定元件给出的输入量进行比较,求出它们之间的偏差。
4、放大元件:将比较元件给出的偏差进行放大,用来推动执行元件去控制被控对象。
5、执行元件:直接作用于被控对象,使其被控量发生变化,达到预期的控制目的。
6、校正元件:也称补偿元件,它是结构或参数便于调整的元件,用串联或反馈的方式连接在系统中,用于改善系统性能。
1-2.请说明开环控制系统和闭环控制系统的特点各是什么?答: 开环控制的特点是输出量不影响输入量,不会对系统的控制发生影响。
闭环控制系统具有抑制任何内、外扰动对被控量产生影响的能力,有较高的控制精度,但这种系统使用的元件多,线路复杂,特别是系统的性能分析和设计也较麻烦,而且存在稳定性的问题,如果闭环控制系统的参数匹配得不好,会造成被控量的较大摆动,甚至使系统无法正常工作。
1-3.请说明自动控制系统的性能要求是什么?答:稳准快1-4.请说明下列系统哪些属于开环控制,哪些属于闭环控制?家用电冰箱、家用空调、抽水马桶、电饭煲、多速电风扇、调光台灯、自动报时电子钟。
答:开环控制:抽水马桶、多速电风扇、调光台灯、自动报时电子钟。
闭环控制:家用电冰箱、家用空调、电饭煲。
1-5.下图是一种用电流控制的气动调节阀,用来控制液体的流量.图中,与杆固连的线圈内有一块永久磁铁,当电流通过线圈时,便产生使杆绕支点转动的力矩 , 从而带动档板关闭或打开喷嘴时,进入膜片腔的空气压力将增大,从而将膜片下压 , 并带动弹簧,阀杆一起下移;反之,当喷嘴被打开时,由于空气从喷嘴中跑出,进入,膜片上腔的空气压力将减小,膜片连同弹簧,阀杆便一起上升.此外,阀杆位移反馈回去 , 并由与杆连接的弹簧产生一个平衡力矩.这样,通过电流控制阀杆位移, 从而改变阀门开度,达到控制液体流量的目的.要求:(1) 确定该系统装置的输入量、输出量、控制对象和扰动量。
i -1水箱液im高度控制系统的3种原理方案如图2-i-i所示。
在运行中,希望液面高度H维持不变。
M w W解:(a) ⑶工作原理:当电位器电刷位于中点(对应电压为零)时,电动机静止不动,控制阀门有一定的开度,流入水量与流出水量相等,从而使液面保持给定高度H。
当液面升高时(H>Ho),浮子也相应升高,通过杠杆作用,使电位器电刷由中点位置下移,从而给电动机提供一定的控制电压,驱动电动机,通过减速器带动进水阀门向减小开度的方向转动,从而减少流入的水量,使液面逐渐降低,浮子位置也相应下降,直到液面恢复给定高度Ho(H=Ho),电动机的停止转动。
反之,若液面降低(H〈H°),则通过自动控制作用,增大进水阀门开度,加大流入水量,直到液面恢复给定高度Ho(H=Ho) o被控对象:水箱;被控量:水箱的实际水位H;给定量:液位的希望值H。
;干扰量:用水量系统是按偏差调节的闭环控制系统。
系统方块图如图所示:工作原理:当流出水量匾变小时,液面的实际水位H升高(H>Ho),浮子也相应升高,通过杠杆调节阀门从而减小流入的水量Q.使液面逐渐降低,浮子位置也相应下降,直到液面恢复给定高度Ho(H=Ho)o反之,当流出水量Q2变大时,液面的实际水位H降低(IKHo),浮子也相应降低,通过杠杆调节阀门L,从而增大流入的水量Q,使液面逐渐升高,浮子位置也相应升高,直到液面恢复给定高度Ho(H=Ho)o被控对象:水箱;被控量:水箱的实际水位H;给定量:液位的希望值H。
;手排曷.田永昼m系统是按偏差调节的闭环控制系统。
系统方块图如图所示:(c)工作原理:当输出阀门12改变时,通过杠杆调节输入阀门L,改变输入流量Q,使液面高度维持不变(H=H。
)。
被控对象:水箱;被控量:水箱的实际水位H;给定量:液位的希望值H。
;干扰量:输出阀门b系统是按干扰补偿的开环控制系统。
系统方块图如图所示:I - 2仓库大门|'|动控制系统的原理如图 2 - I - 5所示。
第1章 习题答案1-3题 系统的控制任务是保持发电机端电压U 不变。
当负载恒定发电机的端电压U 等于设定值0U 时,0U ∆=,电动机不动,电位器滑臂不动,励磁电流f I 恒定;当负载改变,发电机的端电压U 不等于设定值0U 时,0U ∆≠,U ∆经放大器放大后控制电动机转动,电位器滑臂移动动,使得励磁电流f I 改变,调整发电机的端电压U ,直到0U U =。
系统框图为:1-4题 (1)在炉温控制系统中,输出量为电炉内温度,设为c T ;输入量为给定毫伏信号,设为r u ;扰动输入为电炉的环境温度和自耦调压器输入电压的波动等;被控对象为电炉;控制装置有电压放大器、功率放大器、可逆电动机、减速器、调压器等。
(2)炉温控制系统的任务是使炉内温度值保持不变。
当炉内温度与设定温度相等时,r u 等于f u ,即0u =,可逆电动机电枢电压为0,电动机不转动,调压器滑臂不动,炉温温度不改变。
若实际温度小于给定温度,0r f u u u =->,经放大后控制可逆电动机转动使调压器滑臂上移,使加热器电压增大,调高炉温;若实际温度大于给定温度,0r f u u u =-<,经放大后控制可逆电动机转动使调压器滑臂下移,使加热器电压减小,降低炉温。
使得f u 和r u 之间的偏差减小甚至消除,实现了温度的自动控制。
1-5题 (1) 在水位控制系统中,输出量为水位高度H ;输入量为给定电压g u ;扰动输入为出水量等。
(2)当实际水位高度H 为设定高度时,与受浮球控制的电位器滑臂位置对应的f u 与给定电压g u 相等,电动机不转动,进水阀门维持不变。
若水位下降,电位器滑臂上移,f u 增大,偏差0g f u u u ∆=-<,经放大后控制电动机逆转调大进水阀门,加大进水量使水位升高;若水位升高降,电位器滑臂下移,f u 减小,偏差0g f u u u ∆=->,经放大后控制电动机正转调小进水阀门,减小进水量使水位下降,实现了水位的自动控制。
第1章习题参考答案1-1 自动控制系统通常由哪些环节组成?它们在控制过程中担负什么功能?解:见教材P4-1-2 试比较开环控制系统和闭环控制系统的优缺点。
解:见教材P4-61-7题1-7图是仓库大门自动控制系统原理示意图。
试说明系统自动控制大门开闭的工作原理并画出系统原理方框图。
解:当合上开门开关时,电桥会测量出开门位置与开门实际位置间的偏差电压,偏差电压经放大器放大后,驱动伺服电动机带动绞盘转动,将大门向上提起,与此同时,和大门连在一起的电刷也向上移动,直到桥式测量电路达到平衡,电动机停止转动,大门达到开启位置。
反之,当合上关门开关时,电动机带动绞盘使大门关闭,从而可以实现大门远距离开闭自动控制,系统原理方框如下图所示。
电桥电路放大器电动机绞盘大门_期望门位实际门位仓库大门控制系统原理方框图1-8 电冰箱制冷系统工作原理如题1-8图所示。
试简述系统的工作原理,指出系统的被控对象、被控量和给定量,画出系统原理方框图。
题1-8图电冰箱制冷系统工作原理题1-7图仓库大门自动开闭控制系统原解: 电冰箱制冷系统结构如下图电冰箱制冷系统结构图系统的控制任务是保持冰箱内温度c T 等于给定温度r T 。
冰箱体是被控对象;箱内温度是被控量,希望的温度r T 为给定量(由电位器的输出电压r U 对应给出);继电器、压缩机、蒸发器、冷却器所组成制冷循环系统起执行元件的作用。
温度控制器中的双金属温度传感器(测量元件)感受冰箱内的温度并转换为电压信号c U ,与控制器旋钮设定的电位器输出电压r U (对应于希望温度r T )相比较,构成偏差电压c r U U U -=∆(表征希望温度与实际温度的偏差),控制继电器K 。
当U ∆大到一定值时,继电器接通,压缩机启动,将蒸发器中的高温低压制冷剂送往冷却器散热,降温后的低温低压制冷剂被压缩成低温高压液态进入蒸发器,急速降压扩展成气体,吸收箱体内的热量,使箱体的温度下降;而高温低压制冷剂又被吸入冷却器。
自动控制原理习题答案详解自动控制原理习题详解(上册)第一章习题解答1-2日常生活中反馈无处不在。
人的眼、耳、鼻和各种感觉、触觉器官都是起反馈作用的器官。
试以驾车行驶和伸手取物过程为例,说明人的眼、脑在其中所起的反馈和控制作用。
答:在驾车行驶和伸手取物过程的过程中,人眼和人脑的作用分别如同控制系统中的测量反馈装置和控制器。
在车辆在行驶过程中,司机需要观察道路和行人情况的变化,经大脑处理后,不断对驾驶动作进行调整,才能安全地到达目的地。
同样,人在取物的过程中,需要根据观察到的人手和所取物体间相对位置的变化,调整手的动作姿势,最终拿到物体。
可以想象蒙上双眼取物的困难程度,即使物体的方位已知。
1-3 水箱水位控制系统的原理图如图1-12所示,图中浮子杠杆机构的设计使得水位达到设定高度时,电位器中间抽头的电压输出为零。
描述图1-12所示水位调节系统的工作原理,指出系统中的被控对象、输出量、执行机构、测量装置、给定装置等。
图1-12 水箱水位控制系统原理图答:当实际水位和设定水位不相等时,电位器滑动端的电压不为零,假设实际水位比设定水位低,则电位器滑动端的电压大于零,误差信号大于零(0e >),经功率放大器放大后驱动电动机M 旋转,使进水阀门开度加大,当进水量大于出水量时(12Q Q >),水位开始上升,误差信号逐渐减小,直至实际水位与设定水位相等时,误差信号等于零,电机停止转动,此时,因为阀门开度仍较大,进水量大于出水量,水位会继续上升,导致实际水位比设定水位高,误差信号小于零,使电机反方向旋转,减小进水阀开度。
这样,经反复几次调整后,进水阀开度将被调整在一适当的位置,进水量等于出水量,水位维持在设定值上。
在图1-12所示水位控制系统中,被控对象是水箱,系统输出量水位高,执行机构是功率放大装置、电机和进水阀门,测量装置浮子杠杆机构,给定和比较装置由电位器来完成。
1-4 工作台位置液压控制系统如图1-13所示,该系统可以使工作台按照给定电位器设定的规律运动。
第1章 控制系统的数学模型习题及解答1-1 什么是自动控制?它对于人类活动有什么意义?答 自动控制就是在没有人直接参与的情况下,利用控制装置使被控对象中某一物理量或数个物理量准确地按照预定的要求规律变化。
1-2 自动控制系统由哪几大部分组成?各部分都有哪些功能?答 自动控制系统一般由被控对象、执行器、控制器和反馈环节等部分组成。
1-3 试叙述人在伸手时的运动与控制过程?答 人在伸手时由大脑发出控制命令。
1-4什么是开环控制系统?什么是闭环控制系统?试比较开环控制系统和闭环控制系统的区别及其优缺点。
答 开环控制系统是指无被控量反馈的控制系统。
闭环控制系统是指有被控量反馈的控制系统。
开环控制系统的优点是结构简单,缺点是控制精度难于保证。
闭环控制系统的突出优点,利用偏差来纠正偏差,使系统达到较高的控制精度。
但与开环控制系统比较,闭环系统的结构比较复杂,构造比较困难。
1-5 试列举几个日常生中的开环控制及闭环控制系统,并说明其工作原理。
答 开环控制有:电磁灶,微波炉,打印机等。
闭环控制有:电冰箱,抽水马桶,电饭堡等。
1-6 家用电器中,洗衣机是开环控制还是闭环控制?一般的电冰箱是何种控制? 答 洗衣机是开环控制。
一般的电冰箱是闭环控制。
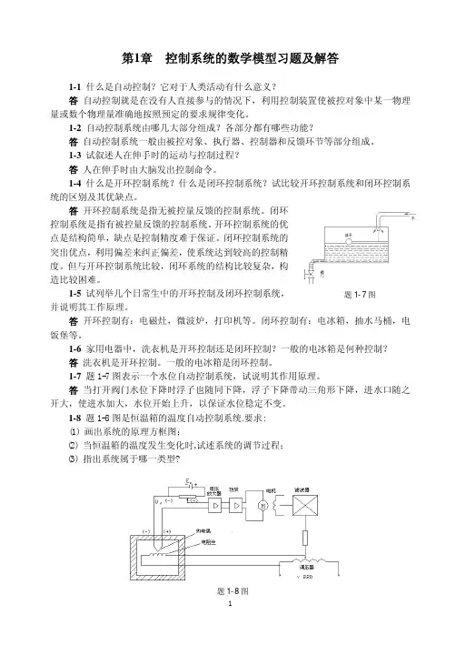
1-7 题1-7图表示一个水位自动控制系统,试说明其作用原理。
答 当打开阀门水位下降时浮子也随同下降,浮子下降带动三角形下降,进水口随之开大,使进水加大,水位开始上升,以保证水位稳定不变。
1-8 题1-8图是恒温箱的温度自动控制系统.要求:(1) 画出系统的原理方框图;(2) 当恒温箱的温度发生变化时,试述系统的调节过程;(3) 指出系统属于哪一类型?题1-7图题1-8图解 (1) 系统中,恒温箱是被控对象,温度是被控量,给定量是由给定电位器设定的电压r u (表征温度的希望值)。
系统方框图见解题1-8图。
(2) 恒温箱采用电加热方式运行,加热器所产生的热量与调压器电压c u 的平方成正比,c u 增高,炉温就上升,c u 的高低由调压器滑动触点的位置所控制,该触点由可逆转的直流电动机驱动。
自动控制原理习题及其解答第一章(略) 第二章例2-1 弹簧,阻尼器串并联系统如图2-1示,系统为无质量模型,试建立系统的运动方程。
解:(1) 设输入为y r ,输出为y 0。
弹簧与阻尼器并联平行移动。
(2) 列写原始方程式,由于无质量按受力平衡方程,各处任何时刻,均满足∑=0F ,则对于A 点有其中,F f 为阻尼摩擦力,F K 1,F K 2为弹性恢复力。
(3) 写中间变量关系式 (4) 消中间变量得 (5) 化标准形 其中:215K K T +=为时间常数,单位[秒]。
211K K K K +=为传递函数,无量纲。
例2-2 已知单摆系统的运动如图2-2示。
(1) 写出运动方程式 (2) 求取线性化方程解:(1)设输入外作用力为零,输出为摆角? ,摆球质量为m 。
(2)由牛顿定律写原始方程。
其中,l 为摆长,l ? 为运动弧长,h 为空气阻力。
(3)写中间变量关系式 式中,α为空气阻力系数dtd lθ为运动线速度。
(4)消中间变量得运动方程式0s i n 22=++θθθmg dt d al dtd ml (2-1) 此方程为二阶非线性齐次方程。
(5)线性化由前可知,在? =0的附近,非线性函数sin ? ≈? ,故代入式(2-1)可得线性化方程为例2-3 已知机械旋转系统如图2-3所示,试列出系统运动方程。
解:(1)设输入量作用力矩M f ,输出为旋转角速度? 。
(2)列写运动方程式 式中, f ?为阻尼力矩,其大小与转速成正比。
(3)整理成标准形为 此为一阶线性微分方程,若输出变量改为?,则由于代入方程得二阶线性微分方程式例2-4 设有一个倒立摆安装在马达传动车上。
如图2-4所示。
图2-2 单摆运动图2-3 机械旋转系统倒立摆是不稳定的,如果没有适当的控制力作用在它上面,它将随时可能向任何方向倾倒,这里只考虑二维问题,即认为倒立摆只在图2-65所示平面内运动。
控制力u 作用于小车上。
第一章绪论1-1 试比较开环控制系统和闭环控制系统的优弊端.解答: 1 开环系统(1)长处 :构造简单,成本低,工作稳固。
用于系统输入信号及扰动作用能早先知道时,可获得满意的成效。
(2)弊端:不可以自动调理被控量的偏差。
所以系统元器件参数变化,外来未知扰动存在时,控制精度差。
2闭环系统⑴长处:不论因为扰乱或因为系统自己构造参数变化所惹起的被控量偏离给定值,都会产生控制作用去消除此偏差,所以控制精度较高。
它是一种按偏差调理的控制系统。
在实质中应用宽泛。
⑵弊端:主要弊端是被控量可能出现颠簸,严重时系统没法工作。
1-2什么叫反应?为何闭环控制系统常采纳负反应?试举例说明之。
解答:将系统输出信号引回输入端并对系统产生控制作用的控制方式叫反应。
闭环控制系统常采纳负反应。
由1-1 中的描绘的闭环系统的长处所证明。
比如,一个温度控制系统经过热电阻(或热电偶)检测出目前炉子的温度,再与温度值对比较,去控制加热系统,以达到设定值。
1-3试判断以下微分方程所描绘的系统属于何种种类(线性,非线性,定常,时变)?2 d 2 y(t)3 dy(t ) 4y(t ) 5 du (t ) 6u(t )(1)dt 2 dt dt(2) y(t ) 2 u(t)(3)t dy(t) 2 y(t) 4 du(t) u(t ) dt dtdy (t )u(t )sin t2 y(t )(4)dtd 2 y(t)y(t )dy (t ) (5)dt 2 2 y(t ) 3u(t )dt(6)dy (t ) y 2 (t) 2u(t ) dty(t ) 2u(t ) 3du (t )5 u(t) dt(7)dt解答: (1)线性定常(2)非线性定常 (3)线性时变(4)线性时变(5)非线性定常(6)非线性定常(7)线性定常1-4 如图 1-4 是水位自动控制系统的表示图, 图中 Q1,Q2 分别为进水流量和出水流量。
控制的目的是保持水位为必定的高度。
1-1 图1-2是液位自动控制系统原理示意图。
在任意情况下,希望液面高度c 维持不变,试说明系统工作原理并画出系统方块图。
图1-2 液位自动控制系统解:被控对象:水箱;被控量:水箱的实际水位;给定量电位器设定水位r u (表征液位的希望值r c );比较元件:电位器;执行元件:电动机;控制任务:保持水箱液位高度不变。
工作原理:当电位电刷位于中点(对应r u )时,电动机静止不动,控制阀门有一定的开度,流入水量与流出水量相等,从而使液面保持给定高度r c ,一旦流入水量或流出水量发生变化时,液面高度就会偏离给定高度r c 。
当液面升高时,浮子也相应升高,通过杠杆作用,使电位器电刷由中点位置下移,从而给电动机提供一定的控制电压,驱动电动机,通过减速器带动进水阀门向减小开度的方向转动,从而减少流入的水量,使液面逐渐降低,浮子位置也相应下降,直到电位器电刷回到中点位置,电动机的控制电压为零,系统重新处于平衡状态,液面恢复给定高度r c 。
反之,若液面降低,则通过自动控制作用,增大进水阀门开度,加大流入水量,使液面升高到给定高度r c。
系统方块图如图所示:1-10 下列各式是描述系统的微分方程,其中c(t)为输出量,r (t)为输入量,试判断哪些是线性定常或时变系统,哪些是非线性系统? (1)222)()(5)(dt t r d t t r t c ++=;(2))()(8)(6)(3)(2233t r t c dt t dc dt t c d dt t c d =+++; (3)dt t dr t r t c dt t dc t )(3)()()(+=+; (4)5cos )()(+=t t r t c ω; (5)⎰∞-++=t d r dt t dr t r t c ττ)(5)(6)(3)(;(6))()(2t r t c =;(7)⎪⎩⎪⎨⎧≥<=.6),(6,0)(t t r t t c解:(1)因为c(t)的表达式中包含变量的二次项2()r t ,所以该系统为非线性系统。
自编自控教材习题解答第一章1-2 图1-17 是液位自动控制系统原理示意图。
图中SM为执行电动机。
试分析系统的工作原理,指出该系统参考输入、干扰量、被控对象、被控量、控制器,并画出系统的方框图。
图1-17 习题1-2 液位自动控制系统【解】系统参考输入:预期液位;被控对象:水箱;被控量:水箱液位;控制器:电动机减速器和控制阀门;干扰量:用水流量Q2。
系统的方块图如下注意:控制系统的工作过程是在原物理系统中提炼出的控制流程,与原系统的物理组成不是完全对应的。
有部分同学认为控制阀门是被控对象,只有阀门开度变化才有液位的变化。
实际上它应该是执行机构,操纵它来改变被控对象的被控制量。
1-3在过去,控制系统常常以人作为闭环控制系统的一部分,图1-18是人在回路中的水位控制示意图,试画出该控制系统的方框图。
图1-18 习题1-3 阀门控制系统【解】略1-4图1-19是仓库大门自动控制系统原理图。
试说明系统自动控制大门开闭的工作原理,并画出系统的方块图。
图1-19 习题1-4 仓库大门自动系统【解】系统参考输入:给定门状态;被控对象:门;被控量: 门位置;控制器:放大器、伺服点击绞盘;系统的方块图如下1-5 图1-20为水温控制系统示意图。
冷水在热交换器中由通入的蒸汽加热,从而得到一定温度的热水。
冷水流量变化用流量计测量。
试绘制系统方块图,并说明为了保持热水温度为期望值,系统是如何工作的?指出该系统的参考输入、干扰量、被控对象和控制装置各是什么?图1-20 习题1-5 水温控制系统示意图【解】该系统的参考输入:给定温度;干扰量:冷水流量的变化;被控对象:热交换器;被控量:交换器的水温;控制装置:温度控制器,此时控制器的输出不仅与实际水温有关而且和冷水的流量有关,所以该系统不仅是反馈控制而是反馈+前馈的复合控制方式。
它的主要目的是一旦冷水流量增大或减少时,及时调整蒸汽流量,不用等到水温降低或升高实际给定后再调节,所以可提高系统对扰动的能力。
普通高等教育“十一五”国家级规划教材全国高等专科教育自动化类专业规划教材《自动控制原理》习题答案主编:陈铁牛机械工业出版社1-11-21-3闭环控制系统主要由被控对象,给定装置,比较、放大装置,执行装置,测量和变送装置,校正装置等组成。
被控对象:指要进行控制的设备和过程。
给定装置:设定与被控量相对应给定量的装置。
比较、放大装置:对给定量与测量值进行运算,并将偏差量进行放大的装置。
执行装置:直接作用于控制对象的传动装置和调节机构。
测量和变送装置:检测被控量并进行转换用以和给定量比较的装置。
校正装置:用以改善原系统控制性能的装置。
题1-4答:(图略)题1-5答:该系统是随动系统。
(图略)题1-6答:(图略)题2-1 解:(1)F(s)=12s 1+-Ts T(2)F(s)=0.5)421(2+-s s(3)F(s)=428+⋅s es sπ(4)F(s)=25)1(12+++s s(5)F(s)=32412ss s ++ 题2-2 解:(1) f(t)=1+cost+5sint (2) f(t)=e -4t(cost-4sint)(3) f(t)=t t t te e e 101091811811----- (4) f(t)= -tt t te e e ----+-3118195214(5) f(t)= -tt e e t 4181312123--+++题2-3 解:a)dtdu u C R dt du R R c c r 22111=++)( b)r c c u CR dt du R R u C R dt du R R 1r 12112111+=++)( c) r r r c c c u dtdu C R C R dtu d C C R R u dtdu C R C R C R dtu d C C R R +++=++++)()(1211222121122111222121 题2-4 解:a) G(s)=1)(212++s T T sT (T 1=R 1C, T 2=R 2C )b) G(s)=1)(1212+++s T T s T (T 1=R 1C, T 2=R 2C )c) G(s)= 1)(1)(32122131221+++++++s T T T s T T s T T s T T (T 1=R 1C 1, T 2=R 1C 2, T 3=R 2C 1, T 4=R 2C 2 )题2-5 解:(图略)题2-6 解:33)(+=Φs s 题2-7 解:a) ksf ms s +-=Φ21)(b) )()()(1))(1)(()(21221s G s G s G s G s G s +++=Φc) )()(1)())()(()(31321s G s G s G s G s G s ++=Φd) )()()()(1))()()(323121s G s G s G s G s G s G s -+-=Φe) G(s)=[G 1(s)- G 2(s)]G 3(s)f) )()()()()()()()()()(1)()()()()(43213243214321s G s G s G s G s G s G s G s G s G s G s G s G s G s G s +-++=Φg) )()()()()()()()(1)()()()(43213212321s G s G s G s G s G s G s G s G s G s G s G s -+-=Φ题2-8 解:102310)1()()(k k s s T Ts k k s R s C ⋅++++⋅=1023101)1()()(k k s s T Ts k k s N s C ⋅++++⋅=1023102)1()()(k k s s T Ts s T k k s N s C ⋅++++⋅⋅⋅= 题2-9 解:)()()()(1)()()(4321111s G s G s G s G s G s R s C +=)()()()(1)()()(4321222s G s G s G s G s G s R s C +=)()()()(1)()()()()(432142121s G s G s G s G s G s G s G s R s C +=)()()()(1)()()(4321412s G s G s G s G s G s R s C += 题2-10 解:(1)3212321)()(k k k s k k k s R s C +=3212032143)()()(k k k s s G k k k s k k s N s C +⋅+= (2) 2140)(k k sk s G ⋅-= 题2-11 解:122212211111)()1()()(z z s T s T T C s T T s T k k s s m m d e L ⋅++⋅+++⋅=ΘΘ (T 1=R 1C, T 2=R 2C, T d =L a /R a , T m =GD 2R a /375C e C m )第三章 习题答案3-1. s T 15=(取5%误差带) 3-2. 1.0=H K K=2 3-3.当系统参数为:2.0=ξ,15-=s n ω时,指标计算为:%7.52%222.0114.32.01===-⨯---e eξξπσs t ns 352.033=⨯==ξωs t n p 641.02.01514.3122=-⨯=-=ξωπ当系统参数为:0.1=ξ,15-=s n ω时,系统为临界阻尼状态,系统无超调,此时有:st ns 95.057.10.145.67.145.6=-⨯=-=ωξ3-4.当110-=s K 时,代入上式得:110-=s n ω,5.0=ξ,此时的性能指标为:%3.16%225.0114.35.01===-⨯---e eξξπσs t ns 6.0105.033=⨯==ξωs t n p 36.05.011014.3122=-⨯=-=ξωπ当120-=s K 时,代入上式得:11.14-=s n ω,35.0=ξ,此时的性能指标为:%5.30%2235.0114.335.01===-⨯---e eξξπσs t ns 6.01.1435.033=⨯==ξω由本题计算的结果可知:当系统的开环放大倍数增大时,其阻尼比减小,系统相对稳定性变差,系统峰值时间变短,超调量增大,响应变快,但由于振荡加剧,调节时间不一定短,本题中的调节时间一样大。
第1章控制系统概述【课后自测】1-1 试列举几个日常生活中的开环控制和闭环控制系统,说明它们的工作原理并比较开环控制和闭环控制的优缺点。
解:开环控制——半自动、全自动洗衣机的洗衣过程。
工作原理:被控制量为衣服的干净度。
洗衣人先观察衣服的脏污程度,根据自己的经验,设定洗涤、漂洗时间,洗衣机按照设定程序完成洗涤漂洗任务。
系统输出量(即衣服的干净度)的信息没有通过任何装置反馈到输入端,对系统的控制不起作用,因此为开环控制。
闭环控制——卫生间蓄水箱的蓄水量控制系统和空调、冰箱的温度控制系统。
工作原理:以卫生间蓄水箱蓄水量控制为例,系统的被控制量(输出量)为蓄水箱水位(反应蓄水量)。
水位由浮子测量,并通过杠杆作用于供水阀门(即反馈至输入端),控制供水量,形成闭环控制。
当水位达到蓄水量上限高度时,阀门全关(按要求事先设计好杠杆比例),系统处于平衡状态。
一旦用水,水位降低,浮子随之下沉,通过杠杆打开供水阀门,下沉越深,阀门开度越大,供水量越大,直到水位升至蓄水量上限高度,阀门全关,系统再次处于平衡状态。
开环控制和闭环控制的优缺点如下表1-2 自动控制系统通常有哪些环节组成?各个环节分别的作用是什么?解:自动控制系统包括被控对象、给定元件、检测反馈元件、比较元件、放大元件和执行元件。
各个基本单元的功能如下:(1)被控对象—又称受控对象或对象,指在控制过程中受到操纵控制的机器设备或过程。
(2)给定元件—可以设置系统控制指令的装置,可用于给出与期望输出量相对应的系统输入量。
(3)检测反馈元件—测量被控量的实际值并将其转换为与输入信号同类的物理量,再反馈到系统输入端作比较,一般为各类传感器。
(4)比较元件—把测量元件检测的被控量实际值与给定元件给出的给定值进行比较,分析计算并产生反应两者差值的偏差信号。
常用的比较元件有差动放大器、机械差动装置和电桥等。
(5)放大元件—当比较元件产生的偏差信号比较微弱不足以驱动执行元件动作时,可通过放大元件将微弱信号作线性放大。
第一章 习题答案1-1 根据题1-1图所示的电动机速度控制系统工作原理图(1) 将a,b 与c ,d 用线连接成负反馈状态;(2) 画出系统方框图。
解 (1)负反馈连接方式为:d a ↔,c b ↔;(2)系统方框图如图解1—1 所示。
1—2 题1—2图是仓库大门自动控制系统原理示意图。
试说明系统自动控制大门开闭的工作原理,并画出系统方框图。
题1-2图 仓库大门自动开闭控制系统解 当合上开门开关时,电桥会测量出开门位置与大门实际位置间对应的偏差电压,偏差电压经放大器放大后,驱动伺服电动机带动绞盘转动,将大门向上提起。
与此同时,和大门连在一起的电刷也向上移动,直到桥式测量电路达到平衡,电动机停止转动,大门达到开启位置。
反之,当合上关门开关时,电动机带动绞盘使大门关闭,从而可以实现大门远距离开闭自动控制。
系统方框图如图解1—2所示。
1—3 题1-3图为工业炉温自动控制系统的工作原理图。
分析系统的工作原理,指出被控对象、被控量和给定量,画出系统方框图。
题1-3图 炉温自动控制系统原理图解 加热炉采用电加热方式运行,加热器所产生的热量与调压器电压c u 的平方成正比,c u 增高,炉温就上升,c u 的高低由调压器滑动触点的位置所控制,该触点由可逆转的直流电动机驱动。
炉子的实际温度用热电偶测量,输出电压f u 。
f u 作为系统的反馈电压与给定电压r u 进行比较,得出偏差电压e u ,经电压放大器、功率放大器放大成a u 后,作为控制电动机的电枢电压。
在正常情况下,炉温等于某个期望值T °C,热电偶的输出电压f u 正好等于给定电压r u .此时,0=-=f r e u u u ,故01==a u u ,可逆电动机不转动,调压器的滑动触点停留在某个合适的位置上,使c u 保持一定的数值.这时,炉子散失的热量正好等于从加热器吸取的热量,形成稳定的热平衡状态,温度保持恒定。
当炉膛温度T °C 由于某种原因突然下降(例如炉门打开造成的热量流失),则出现以下的控制过程: 控制的结果是使炉膛温度回升,直至T °C 的实际值等于期望值为止。
第一章 习题答案1-1 根据题1-1图所示的电动机速度控制系统工作原理图(1) 将a,b 与c,d 用线连接成负反馈状态;(2) 画出系统方框图。
解 (1)负反馈连接方式为:d a ↔,c b ↔;(2)系统方框图如图解1-1 所示。
1-2 题1-2图就是仓库大门自动控制系统原理示意图。
试说明系统自动控制大门开闭的工作原理,并画出系统方框图。
题1-2图 仓库大门自动开闭控制系统 解 当合上开门开关时,电桥会测量出开门位置与大门实际位置间对应的偏差电压,偏差电压经放大器放大后,驱动伺服电动机带动绞盘转动,将大门向上提起。
与此同时,与大门连在一起的电刷也向上移动,直到桥式测量电路达到平衡,电动机停止转动,大门达到开启位置。
反之,当合上关门开关时,电动机带动绞盘使大门关闭,从而可以实现大门远距离开闭自动控制。
系统方框图如图解1-2所示。
1-3 题1-3图为工业炉温自动控制系统的工作原理图。
分析系统的工作原理,指出被控对象、被控量与给定量,画出系统方框图。
题1-3图 炉温自动控制系统原理图解 加热炉采用电加热方式运行,加热器所产生的热量与调压器电压c u 的平方成正比,c u 增高,炉温就上升,c u 的高低由调压器滑动触点的位置所控制,该触点由可逆转的直流电动机驱动。
炉子的实际温度用热电偶测量,输出电压f u 。
f u 作为系统的反馈电压与给定电压r u 进行比较,得出偏差电压e u ,经电压放大器、功率放大器放大成a u 后,作为控制电动机的电枢电压。
在正常情况下,炉温等于某个期望值T °C,热电偶的输出电压f u 正好等于给定电压r u 。
此时,0=-=f r e u u u ,故01==a u u ,可逆电动机不转动,调压器的滑动触点停留在某个合适的位置上,使c u 保持一定的数值。
这时,炉子散失的热量正好等于从加热器吸取的热量,形成稳定的热平衡状态,温度保持恒定。
当炉膛温度T °C 由于某种原因突然下降(例如炉门打开造成的热量流失),则出现以下的控制过程:控制的结果就是使炉膛温度回升,直至T °C 的实际值等于期望值为止。
第一章1.1 图1.18是液位自动控制系统原理示意图。
在任意情况下,希望液面高度c维持不变,试说明系统工作原理并画出系统方块图。
c+-SM___ 1Q浮浮浮浮浮浮2Q浮浮浮浮浮浮浮浮浮浮浮浮fi-+解:系统的控制任务是保持液面高度不变。
水箱是被控对象,水箱液位是被控变量。
电位器用来设置期望液位高度*c(通常点位器的上下位移来实现) 。
当电位器电刷位于中点位置时,电动机不动,控制阀门有一定的开度,使水箱的流入水量与流出水量相等,从而使液面保持在希望高度*c上。
一旦流出水量发生变化(相当于扰动),例如当流出水量减小时,液面升高,浮子位置也相应升高,通过杠杆作用使电位器电刷从中点位置下移,从而给电动机提供一定的控制电压,驱动电动机通过减速器减小阀门开度,使进入水箱的液体流量减少。
这时,水箱液位下降.浮子位置相应下降,直到电位器电刷回到中点位置为止,系统重新处于平衡状态,液位恢复给定高度。
反之,当流出水量在平衡状态基础上增大时,水箱液位下降,系统会自动增大阀门开度,加大流入水量,使液位升到给定高度*c。
系统方框图如图解1. 4.1所示。
1.2恒温箱的温度自动控制系统如图1.19所示。
(1) 画出系统的方框图;(2) 简述保持恒温箱温度恒定的工作原理;(3) 指出该控制系统的被控对象和被控变量分别是什么。
M放大器电机减速器调压器 220~热电偶电阻丝- +- +图1.19 恒温箱的温度自动控制系统解:恒温箱采用电加热的方式运行,电阻丝产生的热量与调压器电压平方成正比,电压增高,炉温就上升。
调压器电压由其滑动触点位置所控制,滑臂则由伺服电动机驱动.炉子的实际温度用热电偶测量,输出电压作为反馈电压与给定电压进行比较,得出的偏差电压经放大器放大后,驱动电动机经减速器调节调压器的电压。
在正常情况下,炉温等于期望温度T ,热电偶的输出电压等于给定电压。
此时偏差为零,电动机不动,调压器的滑动触点停留在某个合适的位置上。
第1章 习题答案1-3题 系统的控制任务是保持发电机端电压U 不变。
当负载恒定发电机的端电压U 等于设定值0U 时,0U ∆=,电动机不动,电位器滑臂不动,励磁电流f I 恒定;当负载改变,发电机的端电压U 不等于设定值0U 时,0U ∆≠,U ∆经放大器放大后控制电动机转动,电位器滑臂移动动,使得励磁电流f I 改变,调整发电机的端电压U ,直到0U U =。
系统框图为:1-4题 (1)在炉温控制系统中,输出量为电炉内温度,设为c T ;输入量为给定毫伏信号,设为r u ;扰动输入为电炉的环境温度和自耦调压器输入电压的波动等;被控对象为电炉;控制装置有电压放大器、功率放大器、可逆电动机、减速器、调压器等。
(2)炉温控制系统的任务是使炉内温度值保持不变。
当炉内温度与设定温度相等时,r u 等于f u ,即0u =,可逆电动机电枢电压为0,电动机不转动,调压器滑臂不动,炉温温度不改变。
若实际温度小于给定温度,0r f u u u =->,经放大后控制可逆电动机转动使调压器滑臂上移,使加热器电压增大,调高炉温;若实际温度大于给定温度,0r f u u u =-<,经放大后控制可逆电动机转动使调压器滑臂下移,使加热器电压减小,降低炉温。
使得f u 和r u 之间的偏差减小甚至消除,实现了温度的自动控制。
1-5题 (1) 在水位控制系统中,输出量为水位高度H ;输入量为给定电压g u ;扰动输入为出水量等。
(2)当实际水位高度H 为设定高度时,与受浮球控制的电位器滑臂位置对应的f u 与给定电压g u 相等,电动机不转动,进水阀门维持不变。
若水位下降,电位器滑臂上移,f u 增大,偏差0g f u u u ∆=-<,经放大后控制电动机逆转调大进水阀门,加大进水量使水位升高;若水位升高降,电位器滑臂下移,f u 减小,偏差0g f u u u ∆=->,经放大后控制电动机正转调小进水阀门,减小进水量使水位下降,实现了水位的自动控制。
第1章习题参考答案
1-1 自动控制系统通常由哪些环节组成?它们在控制过程中担负什么功能?
解:见教材P 4-
1-2 试比较开环控制系统和闭环控制系统的优缺点。
解:见教材P 4-6
1-7 题1-7图是仓库大门自动控制系统原理示意图。
试说明系统自动控制大门开闭的工作原理
并画出系统原理方框
解:
当合上开门开关时,电桥会测量出开门位置与开门实际位置间的偏差电压,偏差电压经放大器放大后,驱动伺服电动机带动绞盘转动,将大门向上提起,与此同时,和大门连在一起的电刷也向上移动,直到桥式测量电路达到平衡,电动机停止转动,大门达到开启位置。
反之,当合上关门开关时,电动机带动绞盘使大门关闭,从而可以实现大门远距离开闭自动控
制,系统原理方框如下图所示。
仓库大门控制系统原理方框图 1-8 电冰箱制冷系统工作原理如题1-8图所示。
试简述系统的工作原理,指出系统的被控对象、被控量和给定量,画出系统原理方框图。
题1-8图 电冰箱制冷系统工作原理
题1-7图 仓库大门自动开闭控制系统原
解: 电冰箱制冷系统结构如下图
电冰箱制冷系统结构图
系统的控制任务是保持冰箱内温度c T 等于给定温度r T 。
冰箱体是被控对象;箱内温度是被控量,希望的温度r T 为给定量(由电位器的输出电压r U 对应给出);继电器、压缩机、蒸发器、冷却器所组成制冷循环系统起执行元件的作用。
温度控制器中的双金属温度传感器(测量元件)感受冰箱内的温度并转换为电压信号c U ,与控制器旋钮设定的电位器输出电压r U (对应于希望温度r T )相比较,构成偏差电压c r U U U -=∆(表征希望温度与实际温度的偏差),控制继电器K 。
当U ∆大到一定值时,继电器接通,压缩机启动,将蒸发器中的高温低压制冷剂送往冷却器散热,降温后的低温低压制冷剂被压缩成低温高压液态进入蒸发器,急速降压扩展成气体,吸收箱体内的热量,使箱体的温度下降;而高温低压制冷剂又被吸入冷却器。
如此循环,使冰箱达到制冷的效果。
电冰箱控制系统的原理方框图如下图所示。
电冰箱控制系统的原理方框图。