压力容器安装合格证
- 格式:doc
- 大小:910.67 KB
- 文档页数:17
压力容器安装质量证明书一、引言压力容器是现代工业领域中广泛采用的一种重要的设备,主要用于制造和存储高压气体或液体等物质。
由于其具有高强度、高稳定性、高安全性等优点,越来越多的企业和生产厂家开始采用压力容器来满足自身的生产需求。
为了保证生产安全和质量,对于压力容器的安装质量要经过层层审查和检验,而压力容器安装质量证明书便是其中的一项重要的检验证明文件。
二、压力容器安装质量证明书的作用压力容器安装质量证明书是一种书面文件,它是对压力容器安装质量进行确认的重要证明文件。
该证明书不仅记录了压力容器安装的过程和结果,还说明了安装质量是否符合国际标准和国家法规的要求。
此外,压力容器安装质量证明书还承担了以下作用:(一)确保安全在现代工业领域,压力容器的作用十分重要,但压力容器如果安装不当,可能会导致严重的事故和人员伤亡。
因此,在压力容器的安装过程中,需要进行严格的层层审核和检验,以确保压力容器的安全性能满足行业标准和国家法规,减少事故的发生。
(二)避免纠纷压力容器在工业生产中的使用寿命比较长,常常需要经过多年的使用才会出现问题。
而在这一过程中,如果发现压力容器的质量存在问题,需要核实安装质量的相关证据。
此时,压力容器安装质量证明书就成为了重要的证明文件,可以避免同厂商之间因质量问题出现的纠纷。
(三)提高客户的信任对于要购买压力容器的客户来说,压力容器安装质量证明书对于其选择压力容器品牌和选择合适的压力容器型号非常重要。
良好的压力容器安装质量证明书能够提高客户对于生产厂家的信任度,增强客户对生产厂家的好感度,促进压力容器的销售和推广。
三、压力容器安装质量证明书的主要内容压力容器安装质量证明书是一种标准的表格文件,并包括以下主要内容:(一)压力容器的基本信息压力容器的基本信息包括产品名称、型号、压力容积、重量和材料等,这些信息是证明压力容器是否符合国家标准的重要依据。
(二)施工单位及施工人员的信息施工单位及施工人员的信息包括施工单位的名称、地址、电话和执照号码等。
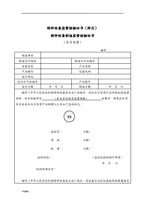
特种设备监督检验证书(样式)特种设备制造监督检验证书
(压力容器)
特种设备安装、改造与重大修理监督检验证书
(压力容器)
注:使用登记证编号,在安装时不填写,划“—”。
-
特种设备制造监督检验证书
(压力容器封头、压力容器承压部件)
特种设备监督检验联络单
编号:
(受检单位名称):
经监督检验,发现你单位在(填写压力容器产品名称、产品批号、编号或者位号)的(制造、安装、改造、重大修理)过程中,存在以下影响安全性能的问
注:本联络单一式三份,一份监检机构存档,两份送受检单位,其中一份受
检单位应当在要求的日期返回监检机构。
附件J
特种设备监督检验意见通知书
编号:
(受检单位名称) :
经监督检验,发现你单位在(填写压力容器产品名称、产品批号、编号或者位号)的(制造、安装、改造、重大修理)过程中,存在以下影响安全性能的问
注:本通知单一式四份,一份报所在地设区的市级质量技术监督部门或者省
级质量技术监督部门,一份监检机构存档,两份送受检单位,其中一份受检单位应当在要求的日期返回监检机构。
新的压力容器施工备案流程
首先,收集到生产压力容器单位的资质、质量证明书、合格证、检验证、设计图纸、计算书、试验报告等整套资料;如果有安装单位的话,安装单位的安装资质、安装质量证明书、施工图纸、施工记录文件、方案等文件也要准备好,如没有可省略;持有上述资料,从当地锅检所或者网上下载特种设备安装告知书,缴纳告知费,持告知资料报质监局的压力容器科备案,缴纳报装费。
质监局会定期不定期的对现场施工过程进行巡视,或者直接查看新容器的各种资料。
压力容器上的强检仪表或者安全阀门设备必须在当地校验。
以上手续均无问题后,质监局会出具合格报告,登记备案颁发使用证。
特种设备安装手续办理流程一、特种设备安装前应由安装单位持相关资料(附件一)到设备所在地县级质量技术监督局(现在有的和市场监督管理局合并了,具体那个部门需要咨询使用单位)办理《特种设备安装改造维修告知书》,告知书办理完成后,分以下两种情况进行处理:情况一:涉及不到压力管道:1、如果没有涉及压力管道,可以对压力容器设备进行安装施工。
2、安装完成后,由安装单位出具《压力容器安装质量证明书》1份,安装单位盖章、签字;《压力容器安装竣工验收表》1份,安装单位和使用单位分别盖章、签字。
3、使用单位持相关资料(附件二)到设备所在地的县级质量技术监督局办理特种设备使用登记证书,方可使用。
4、手续办理完成。
情况二:涉及到压力管道:1、如果涉及到压力管道,需要持相关资料(附件三)到设备所在地市级特种设备监督检验所办理压力管道的安装约检,受理后方可允许对压力容器、压力管道进行安装施工。
2、办理约检的时候需要从特种设备监督检验所了解到:监检人员是否需要到场进行监督检验;检验的时间节点是在什么位置,需要提前几天通知到场(一般压力实验是需要监检到场监督的);无损检测的单位使用哪里的?可以由特检所人员给予推荐;了解竣工资料所需要的项目及数量整理要求。
3、施工过程中对于特检所人员需要到场查看的项目,应提前2-3天通知特检所人员,安装单位提前做好试验并自检合格,确保监检项目一次通过。
施工顺序:备料—焊接—无损检测—压力试验—油漆。
4、压力管道安装监检完成后,整理管道安装的竣工资料(附件四),到设备所在地市特种设备监督检验所办理压力管道安装监督,取得压力管道安装监督检验报告和压力管道安装监督检验证书。
5、使用单位持相关资料(五)到设备所在地的县级质量技术监督局办理特种设备使用登记证书,方可使用。
二、特种设备安装告知和压力管道的约检一定是安装前办理的,特种设备使用证办理时间我记得好像是使用后3个月内办理即可,需要再查看资料和规定。
附件一:办理压力容器和压力管道安装告知应提供的资料(通用)1、特种设备安装改造维修告知书(4份、盖安装单位公章)2、使用单位营业执照复印件(3份、盖安装单位公章)3、安装单位营业执照复印件(3份、盖安装单位公章)4、安装单位安装资质复印件(3份、盖安装单位公章)5、安装单位特种作业人员证书(焊工2-4人)复印件(3份、盖安装单位公章)6、产品质量证明书里面特种设备制造证、合格证、数据表、监检证复印件(3份、查看原件)7、DN50以上管子、管件(法兰、三通、弯头、异径接头)的材质单复印件。
第一篇:《压力容器安装质量证明书》1) 《开工告知书》 *及《监检协议》 *2) 《安装施工技术方案》 *安装单位资质证书复印件、施工组织设计、从事安装检验的人员名单、安装施工工艺及主要技术要求、焊接工艺评定一览表注 1、从事焊接的持证焊工名单,并附焊工证复印件注 1 等3)拟安装压力容器的技术资料注 2〈压力容器合格证〉、〈质量证明书中公章页及目录〉、〈质量证明书中技术特性表〉、〈压力容器创造监督检验证书〉、〈铭牌复印件或者拓印件〉、〈安装简图〉等4)拟安装压力容器及主要附件进场地后的检验或者开箱验收记录5)基础或者支架、支座的检验或者验收记录6)设备就位检验记录〈就位检查记录〉 *、〈找正检查记录〉 *、〈地脚螺栓紧固检查记录〉等7)现场焊接及检验资料注 1〈焊材质量证明书及复验报告〉、〈焊缝编号及与试焊焊工对照图〉、〈焊缝外观质量检查报告〉、〈无损检测报告〉等8) 〈耐压试验报告〉 *、〈气密性试验报告〉注 39)安全附件注 4 合格证及在有效期内的校验报告本质量证明书一式三份,一份正本,两份副本说明: *:上面加*的项,必须要等监检人员现场确认后才干进入下一道工序。
注 1:安装时,未在主要受压部件或者承载部件上进行施焊时,不必提供与焊接相关的资料 ;注 2:压力容器的技术资料必须提供原件及复印件,交监检人员复核 ;注 3:气密性试验是否进行,根据相关规范或者设计资料中要求确定 ;注 4:安全附件主要是指安全泄放装置、安全联锁装置、压力指示器及自动记录设备、温度指示器及自动记录设备、液位指示器及自动记录设备等 ;注 5:在竣工结束后,竣工资料按上面顺序装订成册。
锅炉装有两个安全阀的一个按表中较高值调整,另一个按较低值调整。
安全阀调整顺序为先调整确定锅筒上开启压力较高的安全阀,然后再调整确定开启压力较低的安全阀。
对弹簧式安全阀,先拆下安全阀的阀帽的开口销,取下安全阀提升手柄和安全阀的阀帽,用扳手松开紧固螺母,调松调整螺杆,放松弹簧,降低安全阀的排汽压力,然后逐渐由较低压力调整到规定压力,当听到安全阀有排气声而不足规定开启压力值时,应将调整螺杆顺时针转动压紧弹簧,这样反复几次逐步将安全阀调整到规定的开启压力。
MR3.10-04 压力容器
产
品
质
量
证
明
书
湖北·仙桃市XXXXXX有限公司
目录
压力容器
产品质量证明书产品名称
产品编号
质量保证工程师(签章)
单位法定代表人(签章)
质量检验专用(公章)
产品合格证
制造单位
制造许可证编号
产品名称类别
设计单位设计批准书编号
图号订货单位
产品编号制造编号
制造完成日期年月日
本压力容器产品经质量检验符合《压力容器安全技术监察规程》、设计图样和技术条件的要求
质量总检验员签字年月日
质量检验专用(公章)年月日
产品技术特性
产品编号
年月日
产品主要受压元件使用材料一览表
产品编号:
注:含焊接材料审核人:填表人:年月日
年月日
产品焊接试板力学和弯曲性能检验报告
理化责任师:填表人:年月日
压力容器外观及几何尺寸检验报告
检验责任师:检验员:年月
焊缝射线检查报告
渗透检测报告
焊缝超声波检测报告产品编号
钢板、锻件超声波检测报告产品编号
热处理检验报告
产品编号
审核人:检查员:年月日
压 力 试 验 检 验 报 告
水压
产品制造变更报告
产品质量信息反馈单
电话:。
储罐安装质量证明书第一篇:储罐安装质量证明书no.压力容器安装质量证明书安装单位:容器名称:出厂编号:日期:江苏华东工业设备安装股份有限公司低温液体储罐 10bl100060438 年月日压力容器安装合格证工程名称:云南白药集团lng气化站工程使用单位:昆明华润燃气有限公司设备名称:低温液体储罐出厂编号: 10bl100060438 制造单位:张家港中集圣达因低温装备有限公司竣工日期:年月日本压力容器经质量检验符合《压力容器安全技术监察规程》、设计图纸及相关标准要求。
质量检查员:年月日质量检查专用(公章)年月日压力容器安装技术特性压力容器安装质量检验报告注:1、在相应检查项目的序号栏中划“√”2、该质量证明书一式两份。
压力容器安装质量检查记录一览表注:1、在相应检查项目的序号栏中划“√”篇二:压力容器安装质量证明书(精华版)n0.压力容器安装质量证明书安装单位:容器名称:出厂编号:日期: 压力容器安装公司合格证工程名称:使用单位:设备名称:出厂编号:制造单位:竣工日期:本压力容器经质量检验符合《压力容器安全技术监察规程》设计图纸及相关标准等要求。
质量检查员:年月日质量检查专用(公章):年月日注:1.在相应检查项目的序号栏中划“√” 2.该质量证明书一式两份。
(1)压力容器安装技术资料审查记录篇三:储罐交工验收证明书表c.0.1 储罐交工验收证明书篇四:储罐制作与安装工程施工质量计划 **项目储罐制作与安装工程(c标段)施工质量计划编制:审核:批准:目录 1.总则本施工质量计划针对**项目储罐制作与安装工程”而编写的。
本工程技术要求高,质量要求严格,为了满足业主的要求和满足工程施工技术标准的要求,向业主提供质量优良的产品和服务,确保工程施工质量目标,特制订本施工质量计划。
该计划坚持“质量第一,预防为主”的方针和“计划、执行、检查、处理”循环工作方法,不断改进过程控制。
该施工质量控制和管理计划将覆盖整个施工过程,作为对外质量保证和对内质量控制的依据。
压力容器使用登记审查细则一、目的和依据为了管理和控制压力容器的安全使用,确保人身和财产的安全,依据《压力容器安全管理条例》和国家相关标准,制定本压力容器使用登记审查细则。
二、适用范围本细则适用于所有使用压力容器的单位和个人。
三、登记审查的程序和要求1. 压力容器的登记审查程序包括申请、审查、核准和登记四个环节。
2. 使用压力容器的单位和个人需向所在地市县级安全生产监督管理部门递交《压力容器使用登记申请表》。
3. 安全生产监督管理部门对申请材料进行审查,包括压力容器的型号、材质、压力、容量、制造单位、出厂编号等信息是否完整、准确,并对相关使用条件进行核查。
4. 核准申请后,安全生产监督管理部门将核准结果告知申请单位或个人,并在《压力容器使用登记证》上签字盖章。
5. 安全生产监督管理部门将登记信息报送电子监管系统,同时将《压力容器使用登记证》交给申请单位或个人。
6. 使用压力容器的单位和个人需按规定定期向安全生产监督管理部门报送《压力容器使用年度报告》。
四、申请材料1. 《压力容器使用登记申请表》:申请单位或个人需如实填写相关信息,包括压力容器的基本信息、使用条件等。
2. 压力容器合格证:使用压力容器的单位或个人需提供有效的压力容器合格证明,确保其满足使用要求。
3. 其他相关证明文件:如安全阀检验报告、气瓶充装记录等。
五、审查要点1. 压力容器的型号、材质是否符合要求;2. 发证单位、压力容器的出厂编号是否真实有效;3. 压力容器的使用条件是否与相关安全标准相符;4. 是否存在超压、超温等安全风险;5. 安全阀是否符合要求,并进行定期检验。
六、核准和登记1. 审查合格的压力容器使用登记申请,安全生产监督管理部门应当及时核准并给予登记。
2. 安全生产监督管理部门将核准结果告知申请单位或个人,并在《压力容器使用登记证》上签字盖章。
签字盖章时,要求申请单位或个人提供相关签订合同、协议等证明文件的复印件。
3. 安全生产监督管理部门将登记信息录入电子监管系统,同时将《压力容器使用登记证》交给申请单位或个人。
压力容器安装改造维修告知办理指南
一、事项名称和办理依据
1、事项名称
压力容器安装改造维修告知
2、办理依据
《特种设备安全监察条例》第十七条第三款
二、办事流程
1、提交告知资料;
2、受理;
3、返还有关资料。
三、申报材料
1、特种设备安装、改造、维修告知书(一式三份);
2、施工、建设(使用)双方单位营业执照及组织机构代码证复印件(在我区首次施工应提供施工单位营业执照及组织机构代码证原件);
3、压力容器安装、改造、维修单位资格证书(首次告知提供)及复印件;
4、压力容器安装、改造、维修施工合同及复印件;
5、压力容器设计文件(含图纸技术资料);
6、压力容器质量证明书、监检证书、合格证、安装使用维修说明;
7、现场施工方案及复印件;
8、安全附件、测量调控装置及有关附属仪器仪表质量合格证;
9、安装、改造、维修施工工艺性文件(需焊接时,首次告知须提供焊接工艺评定报告);
10、现场施工作业人员有效证件(焊工、无损检测人员资格证)及复印件;
(注:所有复印件需盖有关单位红色公章)
四、承诺时限
告知后,安装、改造、维修单位即可施工。
锅炉压力容器安全监察科对所提供资料进行核实,如有不符合要求情况时,提出改正意见。
告知办结期限为7个工作日。
五、收费标准及依据
本项业务行政机关不收费。
新建装置压力容器设备验收标准设备到货及安装检验标准一、立式或卧式容器类设备的整体就位安装质量检验(一)设备到货的验收1、检查设备技术文件1.1检查设备是否有竣工图、压力容器产品质量监督检验证书及产品质量证书。
1.2产品质量证书应包括:产品合格证、容器特性、主要零部件材料的化学成份和力学性能、容器热处理状态与禁焊等特殊说明、无损探伤检查结果、焊接质量检查结果、压力试验与气密试验结果、与设计图样不符项目。
1.3对照竣工图与产品质量证书,检查设备本体及主要零部件是否与设计一致。
1.4检查各管口是否配齐配对法兰、螺栓、垫片。
1.5检查设备本体上是否安装设备铭牌。
铭牌上应包括:制造单位名称和制造许可证号码、压力容器名称和产品编号、设计压力、温度及介质、最高工作压力和最大允许工作压力、压力容器类别和监检标记、压力容器净重和制造日期、试验压力。
1.6检查是否有装箱清单,根据竣工图和装箱清单清点验收以下各项:清点箱数、箱号及检查包装情况;核对设备名称、型号及规格;检查接管的规格、方位及数量;核对设备备件、附件的规格尺寸、型号及数量。
注意:必须将所有技术文件收集、保管好,这是设备档案的一部分,压力容器取证也需要这些资料2、检查设备本体2.1检查设备本体的表面质量:设备表面无明显损伤和凹凸不平,接管、法兰及其它焊接件无明显歪斜,法兰密封面无损伤,工夹具的焊疤应清除干净。
2.2设备本体按规定进行刷漆防腐,质量合格。
2.3设备焊缝检查:无十字焊缝、拼接缝应按规定布置和错口,管口应避开焊缝。
焊缝表面不得咬边(深度≤0.5mm,长度≤10%焊缝长度且≤100mm)、裂纹、未焊透、未熔合、表面气孔、弧坑、未填满和肉眼可见的夹渣等缺陷。
焊缝与母材应圆滑过渡;角焊缝或搭接焊缝焊角高度应等于较薄件厚度。
焊缝余高<4mm。
2.4设备本体平直,无弯曲、扭曲。
2.5设备开盖检查:内构件齐全如:进料分配管、出口防涡旋器、破沫网安装符合要求;焊缝错边量<3mm;内构件支承圈水平度:直径小于等于φ1600≤3mm,直径小于等于φ3200≤4mm;内构件安装水平度:直径小于等于φ1600≤3mm,直径小于等于φ3200≤5mm;不锈钢内构件表面进行酸洗钝化;器内无杂物,各开口通畅。
压力容器产品质量证明书
篇一:压力容器产品质量证明书(样本)
产品主要受压元件使用材料一览表
(含焊接材料)
审核人:填表人:年月日
产品焊接试板力学和弯曲性能检验报告
理化责任师:填报人:年月日
篇二:压力容器安装质量证明书范本
压力容器安装质量证明书
安装单位:容器名称:产品编号:日期:
年月日
压力容器安装合格证
工程名称:使用单位:设备名称:产品编号:制造单位:竣工日期:年月日
本压力容器经质量检验符合《压力容器安全技术检察视程》、设计图纸及相关标准要求。
质量检查员:年月日
质量检查专用(公章)年月日
压办容器安装技术特性
压力容器安
装质量检验报告
2、该质量证明书一式两份。
压力容器安装质量检查记录一览表
注:1、在相应检查项目的序号栏中划“√”
(1)压力容器安装技术资料审查记录
篇三:压力容器产品质量证明书
压力容器
产品质量证明书
产品名称:产品编号:
质量保证工程师(签章):单位法定代表人(签章):质量检验专用公章:
压力容器质量证明书目录
产品合格证
制造单位石家庄工大化工设备有限公司制造
许可证编号产品名称类别类外设计单位设计批准书编号图号订货单位产品编号制造编号制造完成日期年月日
本压力容器产品经质量检验符合设计图样和技术条件的要求。
质量总检验员签字年月日
质量检验专用(公章)年月日
产品技术特性
产品编号
年月日
压力容器外观及几何尺寸检验报告
产品编号。
压力容器安装质量证明书压力容器名称(规格):安装单位:安装许可证编号:建设(使用)单位:安装监检单位:目录序号安装记录表式名称份数(页码)备注1 特种设备安装改造维修告知书2 压力容器安装施工方案审批表3 压力容器安装简要施工方案(作业指导书)4 图纸会审、设计交底5 施工交底记录6工程问题联络单无此项7 施工技术核定单无此项8 项目部上岗人员登记表(包括特殊工种)9 ()开箱检查记录表10基础复检记录11立式容器安装记录12卧式容器安装记录13设备强度试验和严密性试验记录14压力容器安全保护装置检验记录15设备基础沉降观察检查记录无此项16设备隔热工程施工检查记录无此项17设备接地施工检查测试记录18机器联轴器对中记录无此项19其他各类试验检验记录无此项20压力容器安装质量证明书(安装单位需盖公章及法人签章)21压力容器制造质量证明书(包括图纸、原材料一览表、产品合格证及压力容器制造监检证书)注:1. 如本安装工程中,无此项目内容,则在该项的备注栏中注明无此项。
上海市安装工程有限公司J2210 压力容器安装施工方案审批表建设单位:单位工程:施工方案名称部门名名签名日期编制项目部施工技术员(编制)技术质量打字校对审核工艺责任工程师计量责任工程师起重责任工程师绝热责任工程师检验责任工程师批准质量保证工程师备注上海市安装工程有限公司J2209力容器安装简要施工方案(作业指导书)建设单位:单位工程:工程概况 容器名称容器类别容器规格 施工图号执行标准 执行工艺施工单位 施工班(组)计划开工日期 计划竣工日期主要施工方法和质量要求:主要施工机具名称 型号规格需要台班数开始使用日期小型临时设施 名称 结构搭设面积(m2)开始使用日期技术(工程)部门责任人: 年质量部门责任人:年施工技术员: 月月日月日日上海市安装工程有限公司S J1005图纸会审、设计交底记录建设单位:单位工程:分部分项施工图名称合同编号施工图编号图纸会审、设计交底内容议定事项出席单位及人员建设单位设计单位总承包单位监理单位施工单位主持人(签名)地点记录人(签名)日期上海市安装工程有限公司S J1006-1施工交底记录建设单位:单位工程:分部分项施工图名称合同编号施工图编号任务单编号施工班组施工交技术:质量:产品保护:底内容安全:出席人员签名班(组)长(签名)年月日交底人(签名)年月日上海市安装工程有限公司S J1007 施工技术核定单建设单位:单位工程:分部分项施工图名称合同编号施工图编号核定内容处理意见建设单位(或监理单位)设计单位施工单位单位(章)代表人(签名)年月日设计单位代表人(签名)年月日项目部(章)技术负责人(签名)施工技术员(签名)年月日上海市安装工程有限公司SJ1011 工程问题联络单建设单位:单位工程:分部分项施工图名称工程编号施工图编号问题内容处理意见建设单位(或监理、设计单位)施工单位单位(部门)(章)代表人(签名)年月日项目部(章)联系人(签名)年月日上海市安装工程有限公司SJ2211 项目部上岗人员登记表建设单位:单位工程:序号姓名性别专业合格证号有效期备注备注:工艺责任工程师:年月日施工技术员:年月日上海市安装工程有限公司SJ2001 ()开箱检查记录建设单位:单位工程:设备名称、位号型号、规格设备检查情况:(包括箱号、箱数及包装情况:装箱单、技术文件、资料;专用工具;有无缺损;表面有无损坏锈蚀等;其他)设备缺陷处理意见:建设单位(或监理单位)施工单位现场代表:施工技术员:年月日年月日质量检查员:年月日施工班(组)长:年月日上海市安装工程有限公司SJ2002 础复测记录建设单位:单位工程:设备名称、位号基础图号基准线位置(施工图要求)纵向标高横向序号复测项目允差值(mm)实测值(mm)备注表面质量附图或说明建设单位(或监理单位)施工单位现场代表:年月日施工技术员:月日质量检查员:月日施工班(组)长:月日上海市安装工程有限公司SJ2703 式设备安装记录建设单位:单位工程:设备名称设备规格设备位号项目方位允差值(mm)实测值(mm)项目测量部位允差值(mm)实测值(mm)安装标高偏差A)0°±5中心线位置偏差0°±590°90°±5180°铅垂度0°≤(H/1000)270°90°≤(H /1000)结论施工技术员:月日质量检查员:月日施工班(组)长:月日上海市安装工程有限公司SJ2704卧式设备安装记录建设单位:单位工程:设备名称备规格设备位号滑动端鞍座滑动余量、螺栓松动核验结果:核验人年月日项目测量部位允差值(mm)实测值(mm)项目测量部位允差值(mm)实测值(mm)安装标高偏差±5中心线位置偏差0°±590°±5轴向水平≤(L/1000)≤(L/1000)径向水平≤(2D/1000)≤(2D/1000)结论施工技术员:年月日量检查员:年月日施工班(组)长:年月日上海市安装工程有限公司用途:Triton X-100是一种比较温和的去垢剂(表面活性剂或称界面活性剂),常作为添加剂使蛋白保持稳定,尤其是膜蛋白。
工程安装合格证工程编号:工程名称:建设单位:安装单位:________________________________ 安装许可证编号:压力容器安装质量证明书使用单位:称:别:号:出厂编号:安装地址:安装许可证编号:该台锅炉压力容器由本安装单位负责安装,特此证明安装质量符合锅炉压力容器安全技术规范的规定。
安装单位(公章):年月曰安装单位名称:地址:联系电话:法定代表人(签章):技术负责人(签章):槽(坑)验收记录设备基础允许偏差项目复测记录年月曰年月曰基础沉降观测记录支架制件验收记录钢桁架安装记录阀门试验记录工程名称 设备名称 立式设备安装记录单元名称位号型号及规格上部(0)项目 方位 允许值(mm)实测值(mm)项目 测量部位允许值(mm)实测值 (mm )标咼 偏差 (A ) 0乜中心线 位置偏差 0°90°90 s180°铅垂度0°270°90 s结论建设/监理单位 施工单位专业工程师:h 为两测点间的距离,h= 技术负责人: 质量检查员: 班(组)长:年 月曰 年 月曰卧式设备安装记录工程名称 单元名称设备名称 位号型号及规格Y注:① 图中B、C、D、E分别为设备筒体上基准中心点到基础标高基准线的相对标高值。
② 轴向水平偏差应低向排液口方向。
L为两测点间的距离(mm)。
专业工程师:技术负责人:质量检查员:班(组)长:年月曰年月曰机器安装记录防腐绝缘层电火花检测报告安全附件安装检查记录设备压力试验记录工程竣工验收证明。
N0.
压力容器安装质量证明书
安装单位:
容器名称:
出厂编号:
日期:
压力容器安装公司合格证
工程名称:
使用单位:
设备名称:
出厂编号:
制造单位:
竣工日期:
本压力容器经质量检验符合《压力容器安全技术监察规程》设计图纸及相关标准等要求。
质量检查员:年月日
质量检查专用(公章):年月日
压力容器安装技术特性
注:1.在相应检查项目的序号栏中划“√”
2.该质量证明书一式两份。
(1)压力容器安装技术资料审查记录
(3)垫铁安装检查记录
(4)容器安装前外观质量检查记录
(5)立式容器安装记录
容器名称低温液体储罐出厂编号2009009-1
项目方位允许值
(mm)实测值
(mm)
项目方位允许值
(mm)
实测值
(mm)
标高(A)
0°+
-
5-4中心线
位置
0°—180°+
-
10+4
90°+
-
5-390°—270°+
-
10+4
180°+
-
5+4
铅垂度
0°—180°≤6.34
270°+
-
5+390°—270°≤6.34安装单位建设单位监检单位
检查员:
质检负责人:代表:监检员:
(7)容器清扫封闭记录
(9)容器耐压试验及气密性试验记录
(11)安全附件检查记录。
特种设备安装手续办理流程一、特种设备安装前应由安装单位持相关资料(附件一)到设备所在地县级质量技术监督局(现在有的和市场监督管理局合并了,具体那个部门需要咨询使用单位)办理《特种设备安装改造维修告知书》,告知书办理完成后,分以下两种情况进行处理:情况一:涉及不到压力管道:1、如果没有涉及压力管道,可以对压力容器设备进行安装施工。
2、安装完成后,由安装单位出具《压力容器安装质量证明书》1份,安装单位盖章、签字;《压力容器安装竣工验收表》1份,安装单位和使用单位分别盖章、签字。
3、使用单位持相关资料(附件二)到设备所在地的县级质量技术监督局办理特种设备使用登记证书,方可使用。
4、手续办理完成。
情况二:涉及到压力管道:1、如果涉及到压力管道,需要持相关资料(附件三)到设备所在地市级特种设备监督检验所办理压力管道的安装约检,受理后方可允许对压力容器、压力管道进行安装施工。
2、办理约检的时候需要从特种设备监督检验所了解到:监检人员是否需要到场进行监督检验;检验的时间节点是在什么位置,需要提前几天通知到场(一般压力实验是需要监检到场监督的);无损检测的单位使用哪里的?可以由特检所人员给予推荐;了解竣工资料所需要的项目及数量整理要求。
3、施工过程中对于特检所人员需要到场查看的项目,应提前2-3天通知特检所人员,安装单位提前做好试验并自检合格,确保监检项目一次通过。
施工顺序:备料—焊接—无损检测—压力试验—油漆。
4、压力管道安装监检完成后,整理管道安装的竣工资料(附件四),到设备所在地市特种设备监督检验所办理压力管道安装监督,取得压力管道安装监督检验报告和压力管道安装监督检验证书。
5、使用单位持相关资料(五)到设备所在地的县级质量技术监督局办理特种设备使用登记证书,方可使用。
二、特种设备安装告知和压力管道的约检一定是安装前办理的,特种设备使用证办理时间我记得好像是使用后3个月内办理即可,需要再查看资料和规定。
附件一:办理压力容器和压力管道安装告知应提供的资料(通用)1、特种设备安装改造维修告知书(4份、盖安装单位公章)2、使用单位营业执照复印件(3份、盖安装单位公章)3、安装单位营业执照复印件(3份、盖安装单位公章)4、安装单位安装资质复印件(3份、盖安装单位公章)5、安装单位特种作业人员证书(焊工2-4人)复印件(3份、盖安装单位公章)6、产品质量证明书里面特种设备制造证、合格证、数据表、监检证复印件(3份、查看原件)7、DN50以上管子、管件(法兰、三通、弯头、异径接头)的材质单复印件。