DMAIC方法及在流程分析设计与优化中的应用
- 格式:pptx
- 大小:2.94 MB
- 文档页数:76
基于DMAIC方法的企业客户服务流程设计DMAIC(Define-Measure-Analyze-Improve-Control)是一种系统的质量管理方法,它可以帮助企业进行连续改进。
以下是基于DMAIC方法的企业客户服务流程设计,包括五个阶段:定义、测量、分析、改进和控制。
定义阶段在第一阶段,我们需要明确客户服务流程的范围和目的。
我们需要定义流程中涉及到的各个步骤和每个步骤的输入、输出、角色和责任。
同时,我们需要收集和分析客户反馈和投诉,以确定客户服务流程的改进需求和目标。
此阶段需要完成以下步骤:1.明确流程范围和目的2.定义流程中的各个步骤及其输入、输出、角色和责任3.收集和分析客户反馈和投诉,以确定改进需求和目标测量阶段在第二阶段,我们需要收集和分析客户服务流程的关键数据,以评估流程的性能。
我们可以使用流程图和数据图表来可视化流程,并评估流程中每个步骤的表现。
在测量阶段,我们需要完成以下步骤:1.识别并收集客户服务流程中的关键数据2.使用流程图和数据图表来可视化流程表现3.评估每个步骤的性能分析阶段在第三阶段,我们需要更深入地分析客户服务流程,并确定根本原因。
这包括使用数据挖掘技术来识别流程的瓶颈和问题,以及对每个步骤进行更详细的分析。
我们还应该与客户和员工合作,以了解他们对流程的评价、建议和反馈。
在分析阶段,我们需要完成以下步骤:1.使用数据挖掘技术来识别流程瓶颈和问题2.对每个步骤进行更详细的分析3.与客户和员工合作,了解他们对流程的评价、建议和反馈改进阶段在第四阶段,我们需要使用改进方案来解决流程中发现的问题。
改进方案可以包括流程自动化、员工培训、技术升级和流程优化。
在实施改进方案之前,我们需要对其进行测试和验证,以确保它们可以有效解决流程中的问题。
在改进阶段,我们需要完成以下步骤:1.开发改进方案,包括流程自动化、员工培训、技术升级和流程优化2.测试和验证改进方案3.实施改进方案控制阶段在第五阶段,我们需要监督和控制客户服务流程,以确保改进方案的成功实施和流程的稳定性。
过程改善方法(如PDCA循环、DMAIC方法等)的研究与实践过程改善是指通过对组织内的业务流程进行评估、分析和优化,以提高效率、质量和客户满意度。
过程改善方法是指对业务流程进行改善的具体方法和工具,比如PDCA循环、DMAIC方法等。
本文将主要研究和实践PDCA循环和DMAIC方法,并探讨其在实际应用中的优缺点和推广价值。
1. PDCA循环PDCA循环,即Plan-Do-Check-Act循环,是一种经典的过程改善方法。
它包括四个阶段,分别是计划、执行、检查和行动。
在计划阶段,组织制定改善目标、确定改善措施和策略;在执行阶段,组织实施计划,收集数据和信息;在检查阶段,组织分析数据和信息,评价改善效果;在行动阶段,组织根据检查的结果,采取相应的行动进行修正和改进。
PDCA循环的优势在于其灵活性和可操作性。
它可以根据实际情况进行调整和修改,满足组织的特定需求,并且每个阶段都有具体的行动和指导。
此外,PDCA循环注重持续改进的概念,通过不断循环来推动组织的改进和发展。
然而,PDCA循环也存在一些问题和挑战。
首先,PDCA循环过于简化和理想化了过程改善的实际情况,在实际应用中可能会遇到复杂的情况和困难。
其次,PDCA循环着重于过程改善的执行和结果,而忽视了人员的参与和沟通,容易造成改善工作的失误和阻力。
此外,PDCA循环的效果可能受到组织文化和管理水平的影响,需要有一定的经验和专业知识来指导和支持。
2. DMAIC方法DMAIC方法,即Define-Measure-Analyze-Improve-Control方法,是六西格玛的核心方法之一,也是一种常用的过程改善方法。
它同样包含四个阶段,分别是定义、测量、分析和改进、控制。
在定义阶段,组织明确改进的目标、范围和关键因素;在测量阶段,组织收集和测量与目标相关的数据和信息;在分析和改进阶段,组织分析数据和信息,找出问题的根本原因并提出改进措施;在控制阶段,组织制定控制计划和措施,确保改进效果的持续和稳定。
哪些情况下需要用到DMAIC?在竞争日益激烈的当下,企业的成功与否常常取决于其产品质量和流程效率。
而在这个背景下,DMAIC——这个以客户为中心的六西格玛改进模型,正逐渐成为企业实现这一目标的重要工具。
那么,在哪些情况下需要用到DMAIC呢?深圳天行健六西格玛咨询公司解析如下:一、需要改进现有流程时如果你发现企业现有流程存在明显缺陷,或者流程效率低下,这时就可以考虑运用DMAIC。
DMAIC通过定义(Define)、测量(Measure)、分析(Analyze)、改进(Improve)和控制(Control)五个步骤,可以帮助你系统地分析和改进流程,从而实现流程优化,提高工作效率。
二、需要提升产品质量时如果发现产品存在质量问题,或者客户对产品满意度不高,这时运用DMAIC可以帮助你找出问题根源,并采取有效措施改进产品。
DMAIC通过测量和分析客户的需求和期望,以及产品的特性和性能,帮助你找到改进产品的最佳方案,从而提高客户满意度。
三、需要提高客户满意度时在当今的市场竞争中,客户满意度是决定企业生死存亡的关键因素。
而DMAIC可以通过测量和分析客户满意度,以及影响满意度的因素,帮助你找到提高客户满意度的有效途径。
通过改进产品、服务或流程,从而提高客户满意度,增强企业的市场竞争力。
四、需要降低成本时DMAIC可以通过定义和测量关键成本驱动因素,帮助你找出降低成本的潜力。
通过改进流程和优化产品设计,可以显著降低生产和运营成本,提高企业的盈利能力。
五、需要应对市场变化时当市场环境发生变化时,企业需要迅速采取应对措施。
而DMAIC可以帮助你快速识别市场变化,并制定相应的应对策略。
通过分析市场趋势和客户需求,可以及时调整产品方向和营销策略,以适应市场的变化。
六、需要进行创新时当企业需要进行创新,开发新产品或新服务时,DMAIC可以为提供系统的创新管理方法。
通过定义和分析潜在客户需求,改进产品设计和服务流程,可以加速产品上市时间,提高市场接受度。
DMAIC方法及在流程分析设计与优化中的应用DMAIC是定义-测量-分析-改进-控制(Define-Measure-Analyze-Improve-Control)的缩写,是一种经验性的重复过程,是用于改善一种流
程或方法的实践来开发六西格玛的关键工具。
它通过定义一个目标,分析
和改善流程,最终达到控制目标,以确保可持续改善的目标。
首先,定义一个目标。
在这一步,流程管理者需要定义过程的效率和
目标,并识别影响当前流程性能的因素。
这个步骤有助于定义和量化目标,构建重点,并开始DMAIC方法的行动计划。
其次,测量当前流程。
在这一步中,流程管理者可以收集和分析当前
流程的数据,以了解优化改善流程时面临的问题。
这个步骤有助于帮助管
理者了解当前流程的状况,并确定改进流程的主要限制。
紧接着,分析流程数据。
在这一步中,分析可能揭示当前流程中存在
的假设,不合理情况,潜在的影响因素以及可能的解决方案,工具和机会。
分析过程数据时,流程管理者可以使用一系列的技术,比如数据挖掘,数
据分析,建模和统计分析等。
接下来,就是改进流程。
在这一步,流程管理者可以结合定义的目标
和分析的数据,开发和测试新的流程。
文章内容大纲:一、介绍1. 简要介绍DM本人C法2. 为什么流程设计与优化对于组织重要二、Define(定义)1. 解释Define阶段的重要性2. 举例说明在流程设计与优化中的应用三、Measure(测量)1. 测量阶段如何帮助确定流程中的关键指标2. 举例说明在流程设计与优化中的应用四、Analyse(分析)1. 分析阶段如何帮助确定问题根源2. 举例说明在流程设计与优化中的应用五、Improve(改进)1. 改进阶段如何帮助找到最佳解决方案2. 举例说明在流程设计与优化中的应用六、Control(控制)1. 控制阶段如何确保流程优化的可持续性2. 举例说明在流程设计与优化中的应用七、总结1. 总结DM本人C法在流程设计与优化中的有效性2. 共享个人对DM本人C法的理解和观点文章展开:一、介绍流程设计与优化在任何组织中都是至关重要的,它不仅可以提高工作效率,降低成本,更可以改善客户体验,提升组织的竞争力。
为了实现流程的持续优化,DM本人C法被广泛运用于各个领域。
DM本人C法是一种系统的、有条理的流程改进方法,包括五个阶段:Define (定义)、Measure(测量)、Analyse(分析)、Improve(改进)和Control(控制)。
在本文中,我们将深入探讨流程设计与优化的DM本人C法,并探讨其在组织中的应用。
二、Define(定义)在流程设计与优化中,Define阶段非常关键。
在这个阶段,团队需要明确定义问题或目标,并确定相关的指标和目标。
这是为了确保整个团队在同一个目标下展开工作。
举个例子,一个公司希望优化其客户服务流程,那么在Define阶段就需要明确客户满意度、客户投诉率等关键指标,并确定优化的目标。
三、Measure(测量)Measure阶段旨在收集数据,以便对流程的当前状态有一个清晰的了解。
通过数据的收集和分析,团队可以确定流程中的关键问题和瓶颈,并为后续的分析和改进奠定基础。
dmaic流程分析法下载温馨提示:该文档是我店铺精心编制而成,希望大家下载以后,能够帮助大家解决实际的问题。
文档下载后可定制随意修改,请根据实际需要进行相应的调整和使用,谢谢!并且,本店铺为大家提供各种各样类型的实用资料,如教育随笔、日记赏析、句子摘抄、古诗大全、经典美文、话题作文、工作总结、词语解析、文案摘录、其他资料等等,如想了解不同资料格式和写法,敬请关注!Download tips: This document is carefully compiled by theeditor. I hope that after you download them,they can help yousolve practical problems. The document can be customized andmodified after downloading,please adjust and use it according toactual needs, thank you!In addition, our shop provides you with various types ofpractical materials,such as educational essays, diaryappreciation,sentence excerpts,ancient poems,classic articles,topic composition,work summary,word parsing,copy excerpts,other materials and so on,want to know different data formats andwriting methods,please pay attention!DMAIC 是六西格玛管理中流程改善的重要工具,它包括以下五个阶段:1. 定义(Define):确定项目目标:明确要解决的问题或改进的机会,并将其转化为可衡量的目标。
基于DMAIC方法的企业客户服务流程设计摘要:本文利用DMAIC方法设计了一种适用于企业客户服务的流程,解决了如何提高客户满意度和降低客户流失率的问题。
在定义了问题、测量现状、分析原因、改进流程和控制改进效果的过程中,我们对客户服务流程进行了详细的研究,并通过实践证明了该流程的有效性。
最终,在客户服务质量和效率提高的基础上,我们成功地实现了企业客户服务流程的全面升级和优化。
关键词:DMAIC方法、企业客户服务、流程设计、问题定义、现状测量、原因分析、流程改进、效果控制。
正文:一、研究背景随着市场竞争的不断加剧,企业越来越关注客户需求和满意度。
客户服务是企业与客户之间联系的重要环节,对于提高客户满意度和降低客户流失率具有重要意义。
如何优化企业客户服务流程成为一个刻不容缓的问题。
二、问题定义在进行客户服务流程设计之前,我们首先要明确问题,找出需要改进的方面。
根据对客户服务的前期调研,我们发现了以下问题:1.客户服务质量不稳定,客户反馈差异较大。
2.客户服务效率不高,客户等待时间较长,影响了客户满意度。
3.客户服务信息传递不及时,导致客户信息丢失和误解。
三、现状测量为了更加具体地了解客户服务的情况,我们进行了数据收集和现状测量,并绘制了流程图和鱼骨图。
通过统计分析,我们找到了影响客户服务质量和效率的核心问题,并将其进行归纳总结。
四、原因分析在了解问题的基础上,我们对客户服务流程进行了分析,找到了一些重要的原因:客户服务流程不清晰、信息交流不畅、服务人员技能水平不高等。
五、流程改进为了解决以上问题,我们制定了一系列改进措施,包括提高客户服务人员的技能水平,明确服务流程和信息交互,优化工作流程和管理制度等。
在制定改进计划的过程中,我们注重沟通和合作,与相关部门密切配合,确保改进计划的可行性和可操作性。
六、效果控制为了掌握改进效果,我们建立了一个有效的监测和评估体系,以便及时发现问题并进行调整。
通过一段时间的实践和运行,我们发现客户服务质量和效率显著提高,客户满意度得到了很大的提升,客户流失率也有了明显的下降。
6σ流程改进的方法学-DMAIC和DFSS当公司在管理或流程方面遇到问题时,一般会首先分析目前的状态,找到造成问题的根本原因,然后针对原因采取最适合的相应措施来解决问题。
但是在6 σ中,解决管理或流程问题的方法与普通的方法有所区别。
在6σ中,解决问题要经过一系列必要的程序,这些程序包括:弄清谁是客户以及客户的需求,问题到底是什么;衡量目前的状态;分析产生问题的原因;根据分析所得到的原因进行改进;加强对改进措施的控制,确保改进措施得到执行。
正因为这样,6σ才能如此有效地解决流程过程中所出现的各种问题。
【案例】通用电气公司内部流传着这样一个例子:某部门的一位职员在过道中碰到副总裁,两人开始交谈。
副总裁说最近销售订单为什么总上不去,并询问这名员工有什么看法。
该员工讲了自己的意见。
副总裁就告诉这名员工应该如何做。
但这名员工认为,根据实际情况不能按副总裁所说的去做。
但由于副总裁级别高,这名员工并不敢顶撞。
这时有一个黑带人员站出来说,用6σ的方法来解决,先弄清原因,再寻找解决问题的措施。
这样,副总裁认识到自己犯了个错误:遇到问题时,没有弄清楚问题产生的原因就贸然地采取行动,试图通过试验的方法解决问题。
这个例子说明了6σ方法与企业的一般管理方法的根本差别。
在6σ管理中,通过定义、测量、分析、改善和控制解决问题的方法学,被称为DMAIC。
在应用DMAIC的过程中,利用6σ提供的统计工具定义出最重要的因素,测量现状,分析错误原因,并加以改进和控制。
过去,人们解决问题大多是依赖于自身的经验,然而6σ则用科学的方法加以解决。
6σ通过数据来揭示流程内部的规律,使之上升到科学的层次。
人们知道,实验可以用来揭示物质的内在规律,然后再把规律应用到实践中为人们服务。
6σ用科学的分析来极有成效地代替以往常用的个人经验,揭示出了流程中的关键因素,帮助公司提高流程水平,使流程有突破性的改进。
6σ的工具并不都是6 σ本身发明的,而是质量大师们多年摸索出来的成果。
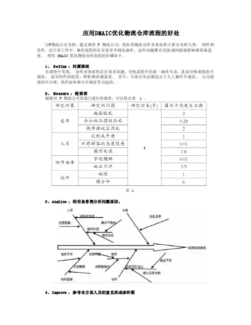
应用DMAIC优化物流仓库流程的好处以F物流公司为例,通过调查 F 物流公司,得知其物流仓库业务流程主要分为两大类:到件和发件。
在日常工作中,操作流程时存在很多不规范操作,这些问题都在直接或间接地影响顾客满意度。
利用 DMAIC 优化物流仓库流程的步骤如下。
1、 Define :问题陈述在调查中发现,仓库业务流程存在很多问题,导致流程中的某一操作失误,进而导致流程的不规范,延误快件的收发,降低顾客满意度。
其中,大部分失误都是由于人工操作不规范、公司制度的不合理、快件面单填写不规范等引起的。
2、 Measure :检查表根据对 F 物流公司某部门进行的调查,可以得出表 1 。
表 13、Analyze :利用鱼骨图分析问题原因。
4、Improve :参考各方面人员的意见形成亲和图首先针对人员问题,该公司采用的奖罚制度为满分 100 分制,根据错误的不同扣除或奖励不同的分数,达到某一低分值时,予以开除。
天行健咨询建议,以错误的百分比为标准进行奖惩,以此消除基层人员对于公司奖惩制度“多做多错,少做少错,不做不错”的误解,以此调动员工积极性。
同时,操作失误大多发生在新员工身上,公司可以在招聘时期设立一个培训部门,专门培训新员工,以加快新员工对业务流程的了解及对手持终端的熟练操作,从而降低操作失误率。
在仓库问题上,管理层人员需要发挥其领导及监督作用,实施一定的奖励措施鼓励员工保持仓库清洁,促使全体员工互相监督、互相改进。
该公司的快件面单在地址填写处未能准确细分,导致大量快件地址填写不规范,给收派员派件造成了不必要的麻烦,延误顾客获取快件的时间。
建议在填写地址处,规定出省、市、街区/ 城镇,在此基础上,公司员工在顾客填写地址后进行检查;快件除派件员进行派送外,还有一些顾客会自取快件,因此应在面单上加入文件/ 包裹等分类并同步至系统中,以帮助仓库管理人员在顾客自取时第一时间找到快件。
在包装快件时,根据快件的种类使用不同的包装,以确保快件的完整。
6西格玛咨询DMAIC的流程、作用、应用和案例分析(详细版)一、什么是六西格玛DMAIC?DMAIC是六西格玛管理中流程改善的重要工具,6西格玛管理不仅是理念,同时也是一套业绩突破的方法。
它将理念变为行动,将目标变为现实。
这套方法就是6西格玛改进方法DMAIC。
DMAIC是指定义(Define)、测量(Measure)、分析(Analyze)、改进(Improve)、控制(Control)五个阶段构成的过程改进方法。
DMAIC主要用于流程的改进、优化和维护业务流程与设计的一种基于数据的改进循环,包括制造过程、服务过程以及工作过程等等。
DMAIC的每个阶段由若干个工作步骤构成,每个阶段都由一系列工具方法支持该阶段目标的实现。
20世纪90年代许多世界级公司开始了6sigma管理的实践,各个企业在实施6sigma过程中都有自己的操作方法。
二、六西格玛DMAIC的流程流程改进是在保持工作流程基本结构不变的前提下,发现和确认那些产生问题的关键因素,并找到一种最有效的问题解决方法,从根本上解决企业或组织绩效不佳的问题。
在众多已经实施六西格玛管理的企业和组织中,每一个企业都有一套自己的操作方法。
各种实施操作的方法大同小异,但目标是一致的:实现六西格玛质量水准,使顾客完全满意。
实施六西格玛管理的DMAIC模型,即:定义(Define)、评估(Measure)、分析(Analyze)、改进(Improve)、控制(Control)。
据介绍DMAIC模型现在被广泛认可,已经成为实施六西格玛管理的企业最常用的流程改进模型。
在实施六西格玛管理的过程中,DMAIC模型紧紧围绕公司目标有步骤地进行。
为了达到公司目标、这一模型往往循环使用,所以这一模型流程又被称为五步循环法。
D(Define)——定义界定阶段(define),从整体上是6SIGMA项目DMAIC过程的第一个步骤,要为项目正式启动做好工作。
团队必须明确一些问题:我们正在做什么工作?为什么要解决这个特别的问题?顾客是谁?顾客的需求是什么?原来工作是怎样做的?所花费的成本是多少?实施改进的益处是什么?等等。
流程优化评估方法
流程优化评估的方法有很多种,以下是其中几种常见的方法:
1. DMAIC模型:DMAIC模型是实施6SIGMA的一套操作类方法,它特别侧重于已有的流程优化管理质量。
2. ESFIA分析法:ESIA分析法是一种以新的结构方式为使用用户们提供价值的增值,反映到具体的流程设计上来,要尽可能减少流程中非增值活动调整流程中的核心增值活动。
3. ECRS分析法:ECRS分析法其实是取消、合并、调整顺序、简化的一种缩写形式。
4. SDCA循环:SDCA循环其实就标准化的维持,就是标准化,执行,检查以及调整总结的模式。
此外,还有一些更具体的评估指标,如顾客满意、周期适合度、返工/缺陷程度、决策制定效果、人力资源利用效果、信息有效性等。
请注意,不同的流程优化评估方法有不同的侧重点和应用场景,因此在实际应用中需要根据具体情况选择合适的方法。
同时,评估流程优化效果需要综合考虑定性和定量两个方面的指标,以确保评估结果的科学性和准确性。
DMAIC方法及在流程分析设计与优化中的应用定义(Define)
在定义阶段,流程团队必须首先明确改进流程的目标。
这可以通过分
析目标客户及其消费者的行为,以及专家访谈、研究结果、反馈意见、公
司目标和技术要求等信息来定义。
务必涵盖改进项目的重点及其期望的结果,并对它们的定量化表示,以便定义各阶段流程表现的标准。
测量(Measure)
根据定义阶段制定的标准,在测量阶段使用不同的测量工具进行测量,以获得当前流程的表征数据。
常见的测量工具包括现场观察、客户满意度
调查、流程分析图、流程实例等。
这些测量工具可以帮助跟踪流程中的瓶颈,揭示流程的缺陷,并发现改进的空间,为改进工作提供依据。
分析(Analyze)
在分析阶段,从测量所得的数据中提取有意义的信息,形成周期性分
析和根本原因分析。
周期性分析的主要目的是识别优化项目的重点,以及
预防未来出现问题的可能性。
根本原因分析的主要目的是确定流程的瓶颈,揭示流程的缺陷。
dmaic案例DMAIC案例。
在现代企业管理中,DMAIC(Define, Measure, Analyze, Improve, Control)是一种常用的改进方法论,它可以帮助企业解决问题、提高效率、降低成本。
下面我们将通过一个实际案例来详细介绍DMAIC方法的应用。
案例背景:某汽车零部件制造公司的生产线出现了频繁的故障,导致生产效率低下,成本增加。
公司决定采用DMAIC方法来解决这一问题。
Define(定义):首先,团队明确定义了问题,确定了目标。
他们明确了生产线故障导致的生产效率低下和成本增加是当前面临的主要问题,目标是提高生产效率、降低成本。
Measure(测量):团队对生产线故障率、维修时间、生产效率等指标进行了测量和数据收集。
通过数据分析,他们发现故障率较高的设备是导致生产效率低下的主要原因。
Analyze(分析):在分析阶段,团队对故障设备进行了深入分析,找出了故障的根本原因。
他们发现设备的维护保养不到位,导致了设备故障率增加。
Improve(改进):团队制定了改进计划,包括加强设备维护保养、优化维修流程、提高员工技能等措施。
他们对改进方案进行了实施,并进行了持续的监控和调整。
Control(控制):最后,团队建立了一套完善的控制机制,确保改进效果的持续稳定。
他们制定了设备维护保养的标准操作流程,建立了故障预警机制,加强了员工培训和技能提升。
通过DMAIC方法的应用,该汽车零部件制造公司成功解决了生产线故障导致的生产效率低下和成本增加的问题。
生产效率得到提高,成本得到降低,为公司带来了明显的经济效益。
结论:DMAIC方法是一种科学、系统的改进方法,通过明确定义问题、数据测量、深入分析、有效改进和持续控制,可以帮助企业解决问题、提高效率、降低成本。
在实际应用中,企业可以根据自身情况,灵活运用DMAIC方法,实现持续改进,提升竞争力。
通过上述案例的介绍,我们可以看到DMAIC方法的实际应用效果,希望能给大家带来一些启发,也希望企业能够在实践中不断完善和提升,实现更好的管理和运营效果。
基于改进的DMAIC方法的流程改进一、DMAIC方法概述DMAIC(Define-Measure-Analyze-Improve-Control)是Six Sigma(六标准偏差)的核心方法之一,是一种系统性和科学性的流程改进方法。
DMAIC方法包括了五个步骤:定义阶段、测量阶段、分析阶段、改进阶段和控制阶段。
这五个步骤在流程改进的过程中是相互连接和相互依赖的,按照顺序进行,以实现流程优化和业务效益提升。
二、DMAIC方法的不足虽然DMAIC方法已经被广泛应用于流程改进领域,但是其在实际应用中还存在着一些不足和问题。
主要体现在以下三个方面:1. DMAIC方法过于注重统计思维,忽略了人性思维。
在流程改进的过程中,不能只注重数据和分析,忽略了人性思维,会导致改进的效果不如预期。
2. DMAIC方法在测量和分析阶段过于注重缺陷值和参数的度量,而忽略了对流程背景和背景原理的理解。
因为只有理解了背景和背景原理,才能更好地了解流程的本质,找到改进的切入点。
3. DMAIC方法在改进和控制阶段过于依赖实施人员的推进和跟进,而忽略了对流程改进的系统性和持续性的要求。
如果不能建立系统性的流程改进机制和持续性的流程改进文化,很难保证改进的效果能够持续。
三、DMAIC方法的改进为了克服DMAIC方法的不足,可以在实际应用中运用一些改进策略和方法。
下面介绍基于改进的DMAIC方法的流程改进:1. 以人为中心的思维模式为了解决DMAIC方法过于注重统计思维的问题,我们可以在流程改进的过程中引入以人为中心的思维模式。
这种思维模式包括培养团队合作精神、完善沟通机制、强化人员培训和鼓励员工提出优化建议等方面。
在以人为中心的流程改进中,推动员工参与流程改进和协作,既可以促进流程改进,也可以提高员工的工作满意度和工作效率。
2. 运用因果关系分析工具除了依赖度量数据和参数分析外,还可以结合因果关系分析工具来推进流程改进,以充分了解流程背景和背景原理。
DMAIC工具DMAIC是六西格玛管理中流程改善的重要工具。
六西格玛管理不仅是理念,同时也是一套业绩突破的方法。
它将理念变为行动,将目标变为现实。
DMAIC是指定义Define、测量Measure、分析Analyze、改进Improve、控制Control五个阶段构成的过程改进方法,一般用于对现有流程的改进,包括制造过程、服务过程以及工作过程等等。
DFSS是Design for Six Sigma的缩写,是指对新流程、新产品的设计方法。
一、DMAIC方法DMAIC是六西格玛管理中流程改善的重要工具。
六西格玛管理不仅是理念,同时也是一套业绩突破的方法。
它将理念变为行动,将目标变为现实。
这套方法就是六西格玛改进方法DMAIC和6西格玛设计方法DFSS。
DMAIC是指定义(Define)、测量(Measure)、分析(Analyze)、改进(Improve)、控制(Control)五个阶段构成的过程改进方法,一般用于对现有流程的改进,包括制造过程、服务过程以及工作过程等等。
DFSS是Design for Six Sigma的缩写,是指对新流程、新产品的设计方法。
一个完整的6西格玛改进项目应完成“定义D”、“测量M”、“分析A”、“改进I”和“控制C”5个阶段的工作。
每个阶段又由若干个工作步骤构成。
虽然,Motorola、GE、6Sigma Plus、Smart Solution等采用的工作步骤不尽相同,有的采用6步法,有的采用12步法或24步法。
但每个阶段的主要内容是大致相同的.每个阶段都由一系列工具方法支持该阶段目标的实现二、应用进入新经济时代,市场环境变得更加复杂与多变,企业员工的知识、技能、素质等方面都受到不断冲击!许多企业由于人力资源的培训与开发难以抵挡这些冲击而最终走向衰退。
培训与开发是人力资源管理的重点和难点,很多企业为此采取了大量的改革措施,但是却效果很差。
以六西格玛管理的DMAIC模型对人力资源培训与开发管理进行分析。