6MW杭汽背压机组汽轮发电机运行规程
- 格式:doc
- 大小:75.00 KB
- 文档页数:23
汽轮发电机运行规程第一章总则1(1 本规程制订的依据是“发电机运行规程”(中华人民共和国电力工业部制订)和我厂电力车间现场设备情况。
1(2 本规程只适用于电力车间电气运行人员,电气维护人员,电气技术人员和车间负责人员。
1(3 当发现发电机发生异常运行或发生事故时,电气运行人员应在值班长的领导下正确、迅速地进行处理,同时电气技术人员和车间领导汇报,在危急情况下,值班员来不及与上级人员取得联系时,可按照本规程进行紧急处理,但事后应立即汇报。
1(4 全体电气运行人员,值班长和电气技术人员熟知本规程并严格执行。
1(5 在特殊情况下,若需改变规程的运行方式时,应由车间领导、动力科目电气技术领导人员决定。
第二章发电机的正常运行方式2(1 发电机在额定参数下可长期连续运行。
2(2 发电机全名牌表:制造厂:济南发电设备厂(齐鲁牌)出厂日期:2001年3月型号:QF—3—2额定功率:3000KW额定电压:10500V额定电流:206A频率:50HZ额定转速:3000r/min励磁电压:69V励磁电流:220A功率因素:0.8(滞后)接法:Y技术条件:GB/T7064-1996绝缘等级:B/B出品编号:37052(3 转子电流的额定值,应采用在额定功率因素和电压波动在额定值的和周波变动在范围内时,能保证发电机额定出力的最大电流值。
2(4 转子和定子线圈及定子铁蕊的最大允许监视温度,为发电机在额定进风温度及额定功率因数下带负荷运行时所发生的温度一般情况下,保持发电机定子线圈的温度在60~80?之间。
第二节进风温度变动时的运行方式2(5 当进风温度超过其额定值时40?时,应降低发电机的定子电流和转子电流,直到允许温度为止。
2(6 进风温度在40-45?范围内,每增加1?降低定子电流额定值的1.5%;进风温度在45-50?范围内,每增加1?降低定子电流额定值的2.0%;进风温度在50-55?范围内,每增加1?降低定子电流额定值的3.0%;发电机进风温度最高不允许超过55?。
引言概述:
正文内容:
一、6MW汽轮机操作指南
1.准备工作:包括检查设备、阀门、管道的状态和运行是否正常,确保其处于安全状态。
2.启动汽轮机:详细介绍汽轮机的启动步骤,包括预热、检查润滑油和冷却水、调整排气阀门等。
3.运行汽轮机:介绍汽轮机的运行控制指南,包括调整负荷、监测仪表指示和参数等。
4.停机汽轮机:详细介绍汽轮机的停机步骤,包括降负荷、检查各部件状态、停机冷却等。
二、6MW汽轮机日常维护
1.润滑油维护:详细介绍汽轮机润滑油的选择和更换周期,以及润滑油的储存和保养。
2.冷却系统维护:包括检查冷却水质量、清洗冷却器、调节冷却水流量等。
3.过滤系统维护:介绍汽轮机过滤系统的日常维护,包括清洗过滤器、更换滤芯等。
4.管道清洗:指导如何定期清洗汽轮机的管道,预防积污和腐蚀。
5.电气系统维护:包括检查电气设备的连接、接地和绝缘状况,定期检修和测试。
三、6MW汽轮机故障排除
1.故障诊断:介绍常见的故障类型和诊断方法,如润滑油泄漏、冷却系统故障等。
2.故障排除步骤:详细描述针对不同故障类型的排除步骤,包括停机检查、部件更换等。
3.故障案例分析:通过具体的故障案例,分析故障原因和解决方案,提供操作人员参考。
4.预防措施:介绍预防故障的措施,如定期检查和维护、加强培训等。
5.对策建议:针对不同的故障情况,提供相应的对策建议,以便及时解决问题,并减少影响和损失。
总结:。
第1篇一、前言为保障汽轮机安全、稳定、高效运行,确保操作人员的人身安全和设备完好,特制定本操作规程。
本规程适用于杭州中能汽轮机及其附属设备的操作。
二、操作前的准备1. 操作人员应熟悉汽轮机及附属设备的结构、性能、工作原理及操作规程。
2. 检查汽轮机及附属设备是否处于正常状态,包括但不限于:油位、水位、温度、压力、振动等。
3. 检查安全装置是否完好,如紧急停机按钮、安全阀、压力表等。
4. 确保所有操作人员已穿戴好防护用品,如安全帽、工作服、防护手套等。
三、操作步骤1. 启动汽轮机前,先开启润滑油泵,确保润滑油压力正常。
2. 启动盘车电机,检查机组内部是否有异音,确认机组处于良好状态。
3. 启动调速系统,调整汽轮机转速至预定值。
4. 启动主汽门,逐渐增加蒸汽压力,观察汽轮机运行情况。
5. 调整蒸汽分配,确保各部件均匀受热。
6. 监测汽轮机运行参数,如油温、水温、压力、振动等,确保在正常范围内。
7. 启动辅助设备,如循环水泵、凝结水泵等,确保系统正常运行。
8. 定期检查各部件运行状态,发现异常及时处理。
9. 根据负荷需求,调整汽轮机转速和蒸汽分配。
10. 在停机前,逐渐降低蒸汽压力,关闭主汽门。
11. 停机后,关闭润滑油泵,放空润滑油箱。
12. 关闭辅助设备,如循环水泵、凝结水泵等。
四、注意事项1. 操作过程中,密切关注汽轮机运行参数,确保在正常范围内。
2. 严格遵守操作规程,严禁擅自更改操作步骤。
3. 操作过程中,如发现异常情况,应立即采取措施进行处理,并及时报告上级领导。
4. 操作人员应保持良好的工作状态,严禁酒后操作。
5. 操作完毕后,清理现场,确保设备处于良好状态。
五、附则1. 本规程由杭州中能汽轮机操作部门负责解释。
2. 本规程自发布之日起实施,原有相关规定与本规程不符的,以本规程为准。
3. 本规程的修订由杭州中能汽轮机操作部门负责。
4. 本规程的解释权归杭州中能汽轮机操作部门所有。
第2篇一、前言为保障杭州中能汽轮机的安全、稳定运行,确保操作人员的人身安全,特制定本操作规程。
目录1、适用范围 (1)2、编制依据 (1)3、对构成工程实体的设备材料的要求 (1)4、主要施工机具 (2)5、施工作业必须具备的条件 (3)6、安装施工工艺 (5)7、质量检验及评定 (34)8、安全生产要点 (34)1、使用范围:本作业指导书适用于******有限公司热电联产安装工程B6-35/5型6MW背压式汽轮发电机组的安装工程。
2、编制依据:2.1有关的施工图纸及设计资料:2.1.1 青岛捷能汽轮机厂提供的B6-35/5型汽轮机装配图及说明书;2.1.2济南发电机厂提供的QFW6-2型汽轮发电机装配图及说明书;2.1.3山东环能设计咨询院提供的汽轮发电机组安装图。
2.2施工质量验收规范、质量检验评定标准、施工操作规程、安全技术标准等:2.2.1《电力建设施工及验收技术规范<汽轮机机组篇>》DL5011-92;2.2.2《火电施工质量检验及评定标准》(汽机篇);2.2.3我公司颁布的《汽轮发电机组安装施工工艺规程》;2.2.4《建筑安装工人安全技术操作规程》。
3、对构成工程实体的设备材料的要求:3.1汽轮发电机组现场开箱检验应具备下列要求:3.1.1汽轮发电机组应提供供货清单以及安装、运行、维护说明书等技术文件。
3.1.2汽轮发电机组应有出厂合格证,检验试验记录及重大缺陷记录。
3.1.3设备的装配图及部件结构图;3.1.4主要零部件的材质性能证件及随箱图纸资料。
3.2汽轮机、发电机装卸和搬运时应符合下列要求:3.2.1起吊时应按箱上指定的吊装部位绑扎吊索、吊索转折处应加衬垫物,以防损坏设备;3.2.2找准设备及部件的重心位置,在正式起吊前应先进行试吊,对设备上的活动部分应予以固定;3.2.3要有防止变形的措施。
3.3汽轮机、发电机本体及零部件的存放应符合下列要求:3.3.1存放区应有明显的标志和消防通道及设施;3.3.2合理布置,避免二次搬运;3.3.3对精密部件应特殊存放在仓库内,合金钢及特种钢应分类存放,不得混淆。
m w杭汽反动式背压汽轮机运行规程Document number:WTWYT-WYWY-BTGTT-YTTYU-2018GT第二部分汽轮机运行规程目录2岗位职责 (3)6.启机 (7)7运行维护和检查 (9)11.岗位巡检 (18)12.设备操作 (19)1岗位管辖范围锅炉生产出的高温高压的主蒸汽并入主蒸汽母管后再进入汽轮机,在汽轮机中,工作蒸汽先在其喷嘴内进行膨胀,压力降低而速度增大,形成一股高速流,此高速气流推动转子转动,使蒸汽所携带的热能转变为转子转动的机械能,再经联轴器将机械能能传递给发电机转子,带动发电机发电。
在汽轮机中做过功的背压蒸汽首先经过减温器经减温后再进入分汽缸,由分汽缸经用汽管道输送至生产车间等热用户供工艺生产、采暖等用。
蒸汽在热用户放出热量后凝结成水再返回,经补充并经化学处理除去硬度后送回到除氧器,除去水中溶解的氧和二氧化碳,再经给水泵提高压力后送至锅炉。
这样工质(水、汽)就在热力系统中完成了一个循环,重复以上过程,便能在满足生产用汽的同时,连续地生产出电能。
上面的过程是一个以汽定电的过程,当出现汽电负荷不均衡,汽负荷大于电负荷时,投入减温减压器运行,满足热用户汽负荷的需要,此时高温高压蒸汽不经汽轮机作功,直接减温减压后使用。
2岗位职责汽机班长:汽机主操:汽机副操:3流程简图4.工艺控制指标汽轮机型号:NG50/40/25生产厂家:杭州汽轮机股份有限公司给水泵及除氧器工艺参数:5.汽轮机启动前准备与检查注意:汽轮机在下列情况下禁止启动1、转速表及其它主要仪表不正常或失灵;2、任意一种保护装置不动作(静态试验);3、速关阀或调速汽阀卡涩或关闭不灵敏;4、冷油器出口油温低于25℃;5、辅助油泵有故障;6、油箱油位低于下限时;7、盘车时,机组内部有金属摩擦声。
启动前的准备与检查班长接到值长启机命令后,应通知司机、副司机和有关人员,做好机组启动前的准备和检查工作,并填写操作票,经值长审批后方可有效。
汽轮机运行规程第一篇汽机运行岗位责任制一般规定1.运行人员应努力学习生产技术和现场规章制度,练好生产基本功,完成领导布Z的各项生产任务,为安全、经济、稳定、长周期运行多做贡献。
2.值班期间,操作人员在值长和值长的领导下。
作业负责人或专业技术人员安排与作业有关的工作时,应经过班长或班长同意。
3.运行人员要严格执行各项规章制度,班长负责督促进行。
运行主任和专业技术人员应检查规程的执行,专业技术人员应根据设备的变动情况、上级通知及其他文件,负责及时修定,书面通知运行人员。
4.下列操作或试验必须在运行负责人或专业技术人员在场的情况下进行,否则也可由运行负责人指定专人在场监督。
⑴汽轮机大修后的第一次启动。
(2)危急保安器做超速试验。
(3)设备重大改进后的首次启动或测试。
⑷运行中切换冷油器或调压系统、调速系统的调整。
5.值班期间,操作人员应严格遵守工作岗位,自觉遵守劳动纪律,不得离岗、上岗、唾岗。
如果操作人员因故短时间离开现场,值班操作人员应得到值长的同意。
当值长因故离开时,应征得值长同意,司机或司炉工可在更换工作后离开。
6.运行人员在担任新工作前,必须进行考试,经考试合格得到运行领导同意后,方可独立工作,运行人员脱离现场连续时间超过半月以上再回到工作岗位时,必须首先了解情况、查看记录,熟悉半天到一天的时间,否则不得担任正值或独立重大操作。
7.操作人员应严格执行工作票和操作票制度,维修人员无工作票不得在操作和备用设备上工作。
重要设备的重大操作必须填写操作票。
8.运行人员要按规定,对运行机组或备用设备进行定期切换或试验,对发现的设备缺陷必须及时填写设备缺陷通知单,并通知检修人员。
9.作业人员应努力做好文明生产工作,保持生产现场设备、地面完好、清洁。
第二章岗位职责一、机器和锅炉领班1.机炉班长是本班安全、经济运行的总负责人。
应团结并带领全班人员钻研业务,不断提高技术水平,为确保安全、经济运行,为完成上级下达的各项生产任务和经济指标而努力。
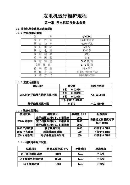
发电机运行维护规程第一章发电机运行技术参数1.1 发电机额定数据及试验项目1.1.4线圈绝缘耐压试验1.1.5发电机空载特性试验1.1.6发电机稳态短路特性试验第二章发电机运行监视与维护2.1发电机各参数变化的运行方式2.1.1额定情况下的运行方式2.1.1.1发电机在额定参数范围内可以带满负荷长期运行。
2.1.1.2转子电流的额定值,应采用在额定功率因数和电压波动在额定值的±5%和周波变动在±1%范围内时,能保证发电机额定出力的最大电流值。
2.1.1.3正常运行时,定子线圈温度应在105℃以下,欠负荷运行时,定子线圈温度应保持在60℃至80℃之间。
2.1.1.4发电机投入运行后,未做温升试验前,如无异常现象,即可按照发电机的铭牌数据带负荷运行。
2.1.1.5转子和定子线圈及定子铁芯的最大允许监视温度,为发电机在额定进风温度及额定功率因数下,带额定负荷连续运行时所发生的温度。
2.1.1.6发电机在正常运行中各部分温度限额:定子线圈温度 105℃定子铁芯温度 90℃转子线圈温度 130℃集电环温度 120℃2.1.1.7发电机推力、上导、下导轴承各温度的整定值为65℃发信号,70℃自动停机。
2.1.2进风温度变动时的运行方式2.1.2.1发电机热风温度不得超过70℃,冷风温度不得超过35℃,不低于20℃,应以空气冷却器不凝结水珠为准。
2.1.2.2在不同进风温度时,发电机连续运行的允许出力规定以35℃为标准。
若有变化,定子电流的变化则按下表进行增、减,但应注意励磁电流不准超过额定值。
2.1.3电压、周波、功率因数变动时的运行方式2.1.3.1发电机运行电压的变动范围在额定电压的5%以内,而功率因数为额定值时,其额定容量不变。
即6千伏至6.6千伏可带满负荷长期运行,当发电机母线电压低于6千伏时,定子电流不得超过额定电流的5%即722安。
2.1.3.2运行中,发电机功率因数不得超过迟相的0.95,因系统电压过高,使机组功率因数超前,定子电流超过额定值时,可适减负荷,使定子电流在额定值内。
汽轮机运行规程(试用版)厦门国能新阳热电有限公司厦门国能新阳热电有限公司汽轮机运行规程(试用版)编写:徐德水上官汉鏣审核:李玉峰审定:林国根批准:应铭新2006年5月目录前言 ...........................................................................一、总则........................................................................1.1 工程概述....................................................................1.2 本规程引用资料..............................................................1.3 应该熟悉、掌握该规程的人员..................................................1.4 重要操作规定................................................................1.5 汽轮机运行基本要求..........................................................二、概述.........................................................................2.1 汽轮机设备规范..............................................................2.2 汽轮机设备概述..............................................................2.3 油系统简介..................................................................2.4 热力系统简介................................................................三、汽轮机的启动、运行维护和停机.................................................3.1 汽轮机的启动................................................................3.2 汽轮机的运行维护............................................................3.3 汽轮机的停机................................................................四、辅助设备运行规程.............................................................4.1 辅助设备规范及简介..........................................................4.2 主抽气器和辅助抽气器的运行..................................................4.3 凝汽器的运行................................................................4.4 凝结水泵的运行..............................................................4.5 冷油器的运行................................................................4.6 空气冷却器的运行............................................................4.7 给水泵的运行................................................................4.8 低压加热器的运行............................................................4.9 高压加热器的运行............................................................4.10 除氧器的运行...............................................................4.11 循环水泵的运行.............................................................4.12 工业水泵的运行.............................................................4.13 电动机的运行...............................................................五、供热规程.....................................................................5.1 设备简介及规范..............................................................5.21#、2#减温减压器的运行.......................................................5.3 3#减温减压器的运行..........................................................5.4 4#、5#减温器的运行...........................................................5.5 减温减压器的正常维护及运行调整..............................................5.6 减温减压器热备用的条件......................................................5.7 热备用状态下的投运..........................................................5.8 1#、2#机抽汽并入供热蒸汽分配箱 ........................................5.9 3#减温减压器并入供热蒸汽分配箱..............................................5.10 调节抽汽切换为减温减压器供汽...............................................5.11 各供热管线的投入...........................................................5.12 减温减压器的故障及事故处理.................................................5.13 热用户情况.................................................................六、试验规程....................................................................6.1 自动主汽门速关阀阀杆活动试验................................................6.2 真空严密性试验..............................................................6.3 手动危急遮断器试验和磁力断路油门试验........................................6.4 低油压保护试验..............................................................6.5 汽轮机保护装置试验..........................................................6.6 超速试验....................................................................6.7 凝结水泵联锁试验............................................................6.8 给水泵联锁试验..............................................................6.9 高压加热器保护试验..........................................................6.10 汽轮机静态试验…………………………………………………………………………………七、事故处理.....................................................................7.1 事故处理原则................................................................7.2 事故停机....................................................................7.3 故障停机....................................................................7.4 主蒸汽参数不符合额定规范....................................................7.5 真空下降....................................................................7.6 油系统工作异常..............................................................7.7 水冲击......................................................................7.8 不正常的振动和异音..........................................................7.9 轴向位移增大................................................................7.10 频率变化...................................................................7.11 甩负荷.....................................................................7.12 负荷突然升高...............................................................7.13 汽机严重超速...............................................................7.14 叶片损坏...................................................................7.15 管道故障...................................................................7.16 失火.......................................................................7.17 锅炉“三管”泄漏...........................................................7.18 厂用电中断.................................................................八、DCS操作系统的使用...........................................................8.1 颜色定义....................................................................8.2 基本操作说明................................................................8.3 CRT操作器操作说明.......................................................... 附录一:饱和水和饱和蒸汽性质表................................................... 附录二:压力单位换算表........................................................... 附录三:常用能量单位的互换....................................................... 附录四:真空与排汽温度对照表.....................................................前言根据原电力部颁发规程、行业标准、设计院及制造厂技术资料和图纸,参考有关单位的经验,结合本厂实际情况和特点,制定本规程,作为运行人员运行操作管理与事故处理正确性的依据。
第一章总则第一节规程的使用范围一. 本规程为汽机运行人员的操作依据,值班人员必须熟练掌握本规程,经考试合格取得上岗证之后,方能独立工作。
二. 主管经理、总工程师、汽机工程师、值长、车间主任、车间技术员、检修班长及检修工必须熟知本规程。
三. 本规程修改权属公司生产技术部,其它人不得任意修改。
第二节基本要求一. 在汽轮机运行中应使用准确的振动表,定期测量汽发电机组各轴承三个方向的振动情况(垂直、横向、轴心)并记录在专用记录本内.当机器大修后及振动显著增大时也应测量.汽轮机振动标准如下:制造厂允许该机组最大不超过0.05毫米,测量应同时记录当时的负荷及真空情况(一般在接近相同的运行方式下测量).二. 汽轮机调速系统性能应符合下列要求:11. 当汽温,汽压,真空正常,自动主汽门完全开启时,调速系统能维持汽轮机空负荷运行.2.当汽轮机突然甩去全负荷时,调速系统应能控制汽轮机转速在危急保安器动作转速以内.3.调速系统迟缓率不大于0.25%.4.当危急保安器动作时,应保证自动主汽门、调速汽门、抽汽逆止门关闭严密.三. 在下列情况下禁止汽轮机启动或投入运行:1. 主汽门、抽汽逆止门、调速汽门动作不良,有卡塞现象.2. 汽轮油泵及其自启动工作不正常.3. 重要保护装置(危急保安器、危急遮断器、轴向位移遮断器、电磁伐)工作不正常.4. 转速表、真空表、汽压、汽温表不全或指示不正常.5. 调速系统不能维持空负荷运行或甩去全负荷后,不能控制转速在危急保安器动作转速以内.6. 盘车装置不正常.7. 机器振动超过0.05毫米.8. 汽轮机油质不合格,油温、油压不符合规定值.第三节重要操作的规定一.下列工作必须在车间主任或主任指定人员的监护下填写操作票进行.1.大修后汽轮机组的启动及正常开、停机操作.2.危急保安器的定期超速试验.23.调速系统试验包括主汽门、调速汽门、抽汽逆止门严密性试验.4.机组在运行中对冷油器的切换操作.5.清洗运行中油系统的滤网.6.运行中半面清洗凝洁器.7.加热器的投入和停止.8.给水泵、循环泵的切换,联锁操作及检修后的启动9.主蒸汽系统、给水系统的切换操作.二.对疏水串联门的使用方法:按汽流方向第一个伐门为隔绝门(启闭门),第二个伐门为调整门.开时先开隔绝门,再开启或调整第二个伐门.关闭时,先关调整门,然后再关隔绝门.第四节机-电联系信号的使用规定一.机-电联系信号是在异常运行或事故处理中双方联系的命令信号,对方收到信号后立即执行.二.联系信号只有班长、司机有权使用.三.机电联系信号使用方法及含义:1.汽机发给电气信号的含义:(1)注意:为召换信号,在发出任何信号前首先发“注意”信号召换对方.(2)可并列:通知主控制室汽轮机已定速,发电机可以并列入电网.(3)减负荷:汽轮机不正常或进行某项试验时,通知电3气减发电机负荷,每次发出信号减负荷500千瓦.(4)汽机调荷: 因汽机方面原因要求自行调整负荷.(5)机器危险:汽轮机紧急故障停机.(6)更改命令:发出信号错误,主控室收到此信号后应立即复归信号,停止操作,等待正确信号.不论操作执行已否,责任均由信号发出方承担.2.电气发给汽机信号的含义:(1)注意:为召换信号,在发出任何信号前首先发“注意”信号召换对方.(2)增荷:电气通知增加负荷,汽机注意机组运行,当电气调整负荷不灵或调整权在汽机时,汽机接到信号后,手动增加负荷,每次增加500千瓦.(3)减荷:电气通知减少负荷,汽机注意机组运行.当电气调整负荷不灵或调整权在汽机时,汽机接到信号后手动减负荷,每次减少500千瓦.(4)已并列: 表示发电机已与电网并列.(5)已解列:表示发电机已与电网解列.(6)电气故障:发电机本身故障已与电网解列,告知司机按事故处理规程处理.(7)更改命令:发出信号错误,汽机收到信号后应立即复归信号,停止操作,等待正确信号,不论操作执行与否,责任均由信号发出方承担.⑻大修后的汽轮发电机组为防止信号装错,在投入前双方必须按顺序校对信号的正确性.4第二章设备技术规范第一节汽轮机技术规范第1条: 汽轮机型号: C6-3.43/0.49型型式: 中压、单缸、冲动、单抽凝汽式额定功率: 6000KW级数: 九级(两个双列复速级、七个压力级)转速: 3000转/分临界转速: ~1625转/分转动方向: 面对机头为顺时针进汽压力: 3.4(-0.3~+0.2)MPa(表压).进汽温度: 435(-15~+10)℃额定进汽量: 57.5T/H 额定抽汽量: 45T/H最大进汽量: 68T/H 最大抽汽量: 56.25T/H 调整抽汽温度: 248℃调整抽汽压力: 0.4(-0.01~+0.02)MPa(表压)非调整抽汽温度:87℃最大92.52℃非调整抽汽压力:0.0616 MPa (绝)冷却水温额定: 27℃最大33℃排汽压力: 0.0073 MPa(绝)汽耗: (带抽汽时)9.58kg/kwh (纯凝汽时)4.37 kg/kwh5制造厂: 青岛汽轮机厂第2条: 调节系统的主要参数速度变动率: 4.5%迟缓率: ≤0.25%调压不等率: 10%同步器调整范围: -4% ~ +6% (2880~3180) 转/分调压器调整范围: 0.3~0.6 MPa (表压)调速油压: 0.97 MPa (表压)一次脉冲油压: 0.37 MPa (表压)二次脉冲油压: 0.27 MPa (表压)主油泵入口油压: 0.07 MPa (表压)轴承润滑油压: 0.08~0.12 MPa (表压)第3条: 保护装置主要参数:1. 危急保安器动作转速: 3330~3360 转/分2.轴向位移达到0.7mm 、轴向位移油压降至0.25MPa 时,轴向位移遮断器动作,主汽门、调速汽门、抽汽逆止门关闭.3.磁力断路油门,润滑油压低于0.03MPa或转子轴向位移油压低于0.25MPa时,磁力断路油门动作停机.4. 低油压保护,当润滑油压降至0.054MPa时报警,当调速油压降至0.54MPa时,汽轮油泵自启动装置动作,汽轮油泵自投. 第4条: 热工声光信号报警动作值主汽温度高: 445℃主汽温度低: 420℃主汽压力高: 3.6MPa主汽压力低: 3.2MPa6凝汽器真空低: -0.088MPa油箱油位低: 225mm轴向位移油压低:0.25MPa润滑油压低: 0.03 MPa轴承温度高: 65℃除氧器液位高: 8 m除氧器液位低: 2m疏水箱液位高: 1.7m疏水箱液位低: 0.5m主汽门关: 声光反应抽汽门关: 声光反应第5条:安全阀整定值1.抽汽安全阀动作值0.647 MPa (表)2.减温减压器安全阀动作值0.647 MPa(表)3.凝汽器安全膜板冲破值0.101--0.104 MPa (绝)4.高加安全阀动作值0.647 MPa (表)5.除氧器安全阀动作值0.6 MPa(表)第6条: 发电机型号: QF-6-2型容量: 6000 KW额定电压: 6300 V额定电流: 688 A额定转速: 3000转/分频率: 50 HZ功率因数: 0.87临界转速: 1960~1990 转/分制造厂: 济南生建电机厂. 第7条: 励磁机型号: ZLG 45容量: 45 KW额定电压: 150 V额定电流: 300 A励磁方式: 自激制造厂: 济南生建电机厂. 第8条: 凝汽器型号: N-560 型型式: 双路双流程表面式冷却面积: 560 m3冷却水温: 27℃冷却水量: 1660 m3/H水阻: 0.4 MPa铜管规格: ¢20×1×3800铜管数量: 2402 根铜管材质: H 68无水重量: 14.5 T第9条: 两级射汽抽汽器型号: C—60型工作压力: 1.2—1.4 MPa汽耗: 200 kg/h抽出干空气量: 20 kg/h8制造厂: 青岛汽轮机厂第10条: 启动抽汽器型号: CD—80 型工作压力: 1.4 MPa汽耗: 350 kg/h第11条: 空气冷却器冷却水量: 80T/H冷却水温: 27℃冷却空气量: 8米3/ 秒最高水压: 0.22 MPa组数: 3第二节泵类技术规范第1条: 给水泵(#1 ~ #5)型号: DG46-50×11型流量: 46m3/h扬程: 550 m转速: 2950 转/分转向: 从电机侧看为顺时针轴功率: 109.5 KW效率: 63%级数: 11级制造厂: 湖南长沙水泵厂配套电机: JS2 355 S2 - 29功率: 132 KW电压: 380 V电流: 236 A第2条: 循环水泵(#1~#3)型号: 500S—22流量: 2020 T/H扬程: 22m转速: 970 转/分转向: 从电动机方向看为顺时针轴功率: 144 KW效率: 84%制造厂: 湖南长沙工业泵厂配套电机:型号: JS—127—6功率: 185 KW电压: 380 V电流: 338 A第3条: 凝结水泵 (共6台)型号: 3 N 6 型流量: 30号T/H扬程: 58m转速: 2950 转/分转向: 从电动机方向看为逆时针轴功率: 8.8 KW效率: 54%10允许气蚀余量: 1.9 M 水柱制造厂: 沈阳市第一水泵厂配用电动机:型号: Y 160 M2 --2容量: 15KW电压: 380 V电流: 21 A第4条: 热网循环水泵(#1 ~ #4)型号: 250 R –62I流量: 450 T/H扬程: 62m转速: 1480 转/分轴功率: 96.18 KW效率: 79%制造厂: 湖南长沙工业泵厂配用电动机:型号: JS 115-4容量: 135 KW电压: 380 V电流: 245第5条: 疏水泵(#1 ~ #3)转速: 2930 转/分配用电动机:型号: Y 160 M -2容量: 15 KW11电流: 29.4 A第三节换热器技术规范第1条: 高压加热器(共三台)型号:JG-50 型型式: 单路双流程表面式换热面积: 50 m2进汽压力: 0.42 MPa (表压) 最高: 0.6 MPa (表压) 主汽温度: 248℃最高:290℃抽汽量: 4.1 T/H 最大: 6.65 T/H水测压力: 5.5 MPa制造厂: 青汽第2条: 低压加热器型号:JD-20-1型式: 单路四流程表面式换热面积: 20.25M2进汽压力: 0.0616 MPa (绝) 最高: 0.075 MPa (绝) 主汽温度: 87℃最高: 92.5℃抽汽量: 0.5 T/H 最大: 2.1 T/H水测压力: 0.55 MPa制造厂: 青汽第3条: 汽~水热交换器(#1 ~ #2)型号: GR – 250 型型式: 单路双流程表面式换热面积: 250m212进汽压力: 0.3 – 0.6 MPa(表)主汽温度: 248℃抽汽量: 66.4 T/H水测压力: 0.6 MPa水测进口温度: 80℃水测出口温度: 130℃出水流量: 500 T/H制造厂: 青岛锅炉铺机厂第4条: 水~水热交换器( #1 ~ #2)型号: 116 T 80-0.8 / 1600 – 14型式: 不可拆螺旋板式换热面积: 80 m2公称压力: 1.6 MPa/Cm2出水流量: 39 m3 / H制造厂: 苏州化工机械厂第四节油系统设备技术规范第1条: 汽轮油泵 (共3台)型号: BL- 55 –2A型式: 立式单级汽轮离心式流量: 24 m3 /h进汽压力: 0.8 – 1.2 MPa出口油压: 0.54 MPa额定转速: 6000转/分13制造厂: 青汽第2条: 电动齿轮油泵 (共3台) 型号: CHY - 18型式: 齿轮啮合式流量: 20 m3/H出口油压: 0.353 MPa效率: 38%制造厂: 沈阳第一水泵厂配用电动机:电流: 12.5 A第3条: 电动盘车装置型式: 螺旋轴游动齿轮式转速: 11 转/分制造厂: 青汽配用电动机:型号: Y 100 L2 - 4容量: 3 KW电流: 6.8 A第4条: 冷油器型号:YZ-125–1冷却面积: 12.5 m2冷却水量: 60 T/H钢管规格: ¢12×1×1499 mm钢管根数: 230根油侧压力: 0.97 MPa14水侧压力: 0.22 MPa制造厂: 青汽第5条: 主油箱容积: 1.6 m3低位油箱报警: 225 mm制造厂: 青汽第五节除氧设备及其它设备技术规范第1条: 除氧器(#1 - #2)型号: DS-50型型式: 热力喷雾大气混合式工作压力: 0.02 MPa进水温度: 20 – 40 ℃出水温度: 104 ℃出力: 75T/H水箱容积: 35 m3热网除氧器型式: 热力喷雾大气混合式工作压力: 0.02 MPa进水温度: 20 – 40 ℃出水温度: 104 ℃水箱容积: 35 m3第2条: 疏水箱有效容积: 40 m3 (带中间隔板)15第3条: 低位水箱有效容积: 10 m3第4条: 冷水塔 (2)型式: 自然通风双曲线钢筋混凝土冷水塔淋水面积: 500 m2塔高: 40 m底径: 31.5m进水高度: 8 m出水池深: 2m塔内填料: T 25 – 60 型进水温度: 40 ℃第5条: 减温减压器型号: YW 40 –3.3 / 450 –0.5 / 248- 5.5 / 104 一次汽压力: 3.5 MPa一次汽温度: 450 ℃二次汽压力: 0.5 MPa二次汽温度: 248℃流量: 40 T/H减温水压力: 5.5 MPa减温水温度: 104℃16第三章汽轮机组的启动及带负荷第一节启动前的准备工作一. 启动依据:1.启动依值长签发的操作票为依据,大修后启动由总工程师批准,车间技术负责人组织.2.班长接到机组启动命令后,安排司机、付司机、给水除氧值班工、水泵值班工、热网值班工完成机组的启动工作,学徒工和实习生可协助工作.3.司机接到启动命令后与机组其它人员作好启动前的准备工作,并完成机组启动工作的各项操作,认真填写操作票和作好详细的记录.二. 启动前的准备工作:(以1号机为例)启动前应对设备进行全面详细检查,确认检修工作已全部结束,检修工作票已全部收回,设备及周围场地清洁.1.联系电气人员测量电动机绝缘并送上电源.2.检查表计齐全、,各压力表一、二次门应在开启位置,各轴承温度计完好.3.联系热工投入热工所有仪表,送仪表电源.4.联系化学水处理值班员备好除盐水.5.备齐启动用的仪表,工具,记录本及灭火用具.176.与电气联系试验机、电联系信号.7.检查油系统.(1)检查下列油门应处于关闭状态.油箱底部放油一、二次门油箱事故排油总门 A197 (加封)冷油器油室放气门 A191 (A192)(2)检查下列油门应开启:电动齿轮油泵入口门冷油器进油门 A187 (A188)冷油器出油门 A189 (A190)(3)检查油箱油位应接近最高允许油位,备足合格的储备油.油位计应灵活无卡塞.8.对主蒸汽系统的检查:(1)关闭下列阀门:电动总汽门 A01电动总汽门的旁路门 A02、 A03自动主汽门汽轮油泵总汽门 A04轴封送汽一、二次门 A08、A09抽汽器进汽总门 A12主抽Ⅰ、Ⅱ级蒸汽门 A13 A14启抽蒸汽门 A18主汽管疏水门 A21(2)开启下列阀门:主汽管疏水检查门 A20 A22 A2318防腐门 A24(略开) A25汽轮油泵自启动进出门 A06 A079.抽汽疏水系统及真空系统的检查(1)关闭下列阀门抽汽门高加进汽门 A29低加进汽门 A39高加疏水门 A101、A102、A103、A104、A105 低加疏水门 A95、A96、A98 、A99轴封送汽调整门 A10疏水膨胀箱抽空气门 A89主、付抽空气门 A17 、 A19疏水膨胀箱至凝结器疏水门 A114抽汽器Ⅱ级疏水 A94 (排地沟)凝结器放水门 A129(2)开启下列阀门:抽汽管道疏水门 A88、 A86 、A87主汽门后疏水 A26 、A26’低压调门杆疏水 A85疏水膨胀箱至地沟疏水 A90主抽Ⅰ.Ⅱ级疏水 A91、A92、A93汽轮机汽缸疏水门 A109、A110 、A111 、A112A113(提真空以前关闭)12. 凝结水系统的检查:(1) 关闭下列阀门:19凝结水泵出水门 A46、A47主抽进出水门 A50 、A51主抽水室放水门 A55、A56主抽疏水门 A94凝结器汽侧灌水门 A128 (水位不足时灌水后闭) 低加进水门 A59、A60低加至地沟疏水门 A99高加进出水门 A71、A72(2) 开启下列阀门:凝结水泵空气门 A48 (A49)凝结水泵进水门 A42 (A43)主抽旁路门 A52凝结器再循环门 A57主抽疏水门 A91、 A92、A93低加疏水门 A97低加旁路门 A61高加疏水门 A100高加旁路门 A7313水泵系统的检查(1) 关闭下列阀门:凝结器水室放水门 A124 、A125 、A126 、A127 冷油器进水总门 A131、A132空冷器进水总门 A139空冷器出水门 A141、A143、A145发电机灭火消防门 A146、A147 (加封)20(2) 开启下列阀门:凝结器循环水进出水门 A116 、A117、A118、A119凝结器循环水放空气门 A120、 A121、 A122、A123(待有水溢出后关闭)冷油器进水门 A133 、A134冷油器出水门 A135 、A136空冷器进水门 A140 、A142、 A14414.启动电动齿轮油泵,检查油系统应无泄漏,油流回油正常.15.投入电动盘车装置,倾听机组内部声响.第二节凝结器设备的投入一. 通知水泵值班工启动循环水泵,注意凝结器循环水放空气门有水溢出时关闭.二. 启动凝结水泵,并进行水泵的联动试验,正常后投入运行.备用凝结泵应投入联动保护.调整再循环门A 57 ,保持凝结器的正常水位.第三节暖管一.汽机总汽门前的暖管工作,司机应密切监视主汽管的疏水情况,并要求锅炉将主汽管汽压保持在2-3kg/cm2.暖管20分钟,再以每分钟1-1.5kg/cm2的速度(约需30分钟)升至额定压力.二. 暖管升压期间,检查主汽管膨胀及吊架情况,视汽温情况适当关小疏水门 A23.21三. 暖管的同时进行下列工作:1.汽压升至10-15kg/cm2汽温在300℃以上时启动汽轮油泵,检查无异常后,停用电动齿轮油泵.2.调节保安系统的检查.(1)调整同步器转动应良好,然后将同步器摇至零位.(2) 调压器应在退出位置,并将调压器调至零位.(3) 危急遮断器处于断开位置.(4) 相对膨胀指示器调到零位.3. 机组启动前保安系统的试验(1) 将调速油压稳定在5~5.5kg/cm2,试验过程中,禁止停用盘车.(2) 合上危急遮断器,将轴向位移遮断器投入 ,电磁阀在断电状态,使主汽门高压油路接通,旋开主汽门手轮,检查各部分有无卡塞现象,检查完后,重新关紧主汽门手轮.(3) 将主汽门开至1/3开度,手打危急遮断器,检查主汽门、调速汽门、抽汽门是否关闭.(4) 重合危急遮断器,仍然维持主汽门1/3开度,分别使轴向保护和电磁阀动作,检查主汽门、调速汽门、抽汽门是否迅速关闭.(5) 一切正常后,在保证主汽门处于关闭状态下,将各保护投入,接通主汽门高压油路.四.主汽门前暖管及提真空:1.关小防腐门A25 ,全开电动总阀门的旁路门A02,略开调整门A03,按每钟1~1.5kg/cm2的速度升到额定汽压.2.压力升到正常值后检查总汽A01前后压差不大于1.5kg/cm222时,全开总汽门A01(全开后倒回半圈),关闭旁路门A03、A02,关闭防腐门A25、A24,稍开至疏水扩容器的疏水门A21,关闭排地沟疏水门A23、A22.3.总汽门A01全开的同时,投入启动抽汽器,建立启动真空,启动真空不得低于-0.06MPa,为使真空迅速提高,允许在抽真空时向轴封送汽,但盘车装置必须在正常投入状态,为此,全开轴封送汽一次门 A08,调整二次门A09,保持轴封信号管有徐徐蒸汽冒出.4.当真空升到-0.06MPa以上时,投入主抽汽器,正常后,停用启动抽汽器.5.通知锅炉汽机准备启动,要求汽压、汽温稳定在额定值.第四节汽轮机的启动一. 冲动转子前应具备下列条件:1.轴承润滑油压在0.03MPa,轴承回油正常,冷油器出口油温不低于25℃,但不应超过45℃.2.主蒸汽压力3.4 MPa,主蒸汽温度:425℃~440℃.3.凝结器真空-0.08MPa以上.二. 启动:1.缓缓开启主汽门,冲动转子,转子冲动后立即关小主汽门,保持在500转/分以内的速度,仔细倾听机组内部声响,特别注意检查通流部分、汽封、主油泵等处是否声响正常,还应密切注意盘车装置应自动退出,盘车手柄回到非工作位置,盘车电动机自动停止.232.一切正常后,稍开主汽门,维持机组在800转/分的转速暖机20~30分钟,继续对机组全面检查,尤其是轴承温升,各部分膨胀及振动情况.3.低速暖机过程中,真空应维持在-0.08MPa,最低不得低于-0.07MPa.4.随时检查冷油器出口油温,高于40℃时,投入冷油器冷却水,使出口油温保持在35~45℃.5.低速暖机结束后,检查机组一切正常,逐渐开大主汽门,缓慢提速至1400转/分,保持中速暖机20 分钟.6.中速暖机结束后, 对机组再次进行全面检查一切正常后,将真空提升到额定值,继续升速,用5~10分钟的时间升至2700转/分,通过临界转速(约1625转/分)时,要迅速平稳,转速升到2700转/分左右时,注意调速系统开始工作,高压调速汽门逐渐关小.7.转速在2500转/分时主油泵投入工作,汽轮油泵自行停止.8.调速系统能自动控制转速,关小主汽门后疏水A26,全开主汽门(再倒回半圈),转速应维持在2800转/分.9.手摇同步器升至3000转/分.10.升速过程中注意事项:(1)检查油系统油压、油流、油温及油箱油位,如有不正常现象,迅速查找原因并采取有效措施.(2)机组不正常声响或振动超过允许值时,应降低转速,直至振动正常,在该转速下继续暖机10~30分钟,然后再缓慢升速,振动仍超过允许值,应立即停机,查找原因并消除后,才能重新启动.24(3)发现机组膨胀有显著变化时,应停止升速,进行检查.(4)发电机入口风温达30℃时,投入空冷器冷却水,使入口风温保持在20~40℃.(5)及时调整凝结器水位和轴封送汽.11.额定转速后进行全面检查,进行下列工作:(1)汽温在430℃以上关小主汽门后疏水A26,并列后全关.(2)正确抄录表计,机组膨胀指示在3mm左右.(3)轴向保护油压不符合规定值时,通知检修班长调至额定值,并将轴向保护限位螺丝退出.(4)膨胀箱疏水倒入凝结器,关闭排地沟疏水门A90,开空气门A89和疏水门A114.12.空负荷运行时,密切注意排汽温度,达到100℃时报告班长,超过120℃时停机.13.根据操作命令完成机组各项试验工作 (见试验规程).14.额定参数下冷态启动开机时间:低压暖管: 20~30分钟升压至额定: 30分钟0~800转/分 5分钟低速暖机(800转/分): 20~30分钟800~1400转/分: 20分钟中速暖机(1400转/分): 20~30分钟1400转/分~额定转速: 5~10分钟额定转速检查: 10分钟共计: 120~145分钟25第五节并列带电负荷一.机组各项试验完毕,全面检查机组一切正常,向电气发出“注意”、“可并列”信号,密切注意机组声响和振动情况.二.接到电气发来“注意”、“已并列”信号后,注意机组升荷情况(升荷由电气操作),并列后立即带500KW负荷,暖机10~30分钟,检查无异常状况,以300KW/分左右的速度增加电负荷,在3000KW负荷处停留10分钟,再次进行全面检查,一切正常后继续按照300KW/分的速度增至到6000KW负荷.带电负荷要求500KW: 暖机10~30分钟增负荷至3000KW: 10分钟在3000负荷下暖机: 10分钟增负荷至6000KW: 10分钟共计: 40~60分钟三.带负荷过程中作好下列工作:1. 注意调速汽门动作灵活,无卡塞.2. 负荷至1500KW后,通知给水除氧值班工投入除氧器.3. 接带负荷后,通知化学值班工进行凝结水分析,水质合格后通知除氧值班工将凝结水送入除氧器.如水质不合格,凝结器水位较高时,可以放水,但应维持凝结器正常水位。
背压式汽轮机操作规程
《背压式汽轮机操作规程》
背压式汽轮机是一种常见的发电设备,通常用于工业生产或发电厂。
为了确保安全和高效地运行,操作规程起着至关重要的作用。
以下是背压式汽轮机操作规程的一般内容:
1. 熟悉设备:操作人员应该对背压式汽轮机的结构、原理和主要部件进行充分了解,确保能够正确操作和维护设备。
2. 安全操作:操作人员应遵守相关安全操作规程,包括穿戴好安全装备、熟悉紧急停机程序、遵守设备运行限制等。
3. 运行参数:操作人员应了解背压式汽轮机的运行参数,包括排气压力、进出口温度、转速等,及时调整控制系统以保持在安全范围内。
4. 检查设备:在运行前、运行中和运行后,操作人员应该对设备进行检查,确保设备的安全和正常运行。
5. 故障处理:发现设备故障或异常情况时,操作人员应该及时采取措施,保证设备安全运行。
以上是《背压式汽轮机操作规程》的一般内容,具体的操作规程需要根据具体设备和生产情况进行调整和补充。
通过遵守操作规程,可以有效降低事故发生的可能性,保证设备安全运行。
恒光化工6MW汽轮发电机运行规程1.设备规范2、发电机的许可运行方式2.1 发电机的额定运行:2.1.1 发电机在额定工作条件下的运行称为额定运行。
2.1.2 额定参数:包括额定功率、额定电压、额定电流、额定频率、额定功率因数、额定温度等。
2.2 发电机运行中的调整:2.2.1 发电机按照制造厂规定的参数运行,可保证其出力,并能长期运行。
2.2.2各种许可运行方式:(1)发电机在额定工作方式连续运行时,各主要部件相对冷却空气的(2)正常运行时,发电机的电压应在额定值的±5%的范围内变化。
电压变化最大不允许超过额定值的±10%。
(3)发电机电压变动在额定值的±5%内,而功率因数在额定值时,发电机的额定容量保持不变。
2.3 发电机频率变动时的运行方式:(1)容许变动范围,±0.2HZ。
49.8~50.2Hz内变动为最大允许范围,此时发电机应保持额定出力。
(2)在运行时,若频率保持在容许范围内,发电机可按额定容量运行,若频率变动超过上述范围,则认为是事故状态。
2.4 发电机的功率因数一般应控制在0.8—0.95之间,应注意定、转子电流不超过额定值。
2.5 发电机在任何负荷下运行时,定子各相电流之差不得超过额定值的10%(即△Ibp= ×l00%≤10%),且任何一相电流不得超过额定值。
否则应降低负荷直至电流到达允许范围之内。
2.6 发电机冷却空气的运行要求:(1)发电机冷却空气相对湿度不得超过60%,进口风温不得高于40℃,最低不得低于20℃,通常在25℃—35℃左右,进出口风温之差不得大于25℃,以冷却器不结露为准。
(2)当冷却空气温度大于40℃时,若转子和定子线圈以及定子铁芯的温度经过实验确未超过其绝缘等级和允许温度,可不降低出力。
若超过则应减少定子和转子电流(即减少有功和无功),从而使温度降至规定值。
(3)发电机入口风温在40~45℃范围内,每升高1℃,定子电流的允许值较额定值降低1.5%,在45~50℃范围内,每增加1℃,降低额定值的2%,但最高不能超过50℃时。
前言一、本规程编写依据:1、水利电力部颁发的《汽轮机运行规程》及《电力工业标准汇编》。
2、南京汽轮发电机集团公司C60—8.83/0.981型汽轮机产品说明书、调节系统说明书、数字电液调节系统原理与操作原理,以及各辅助设备制造厂产品说明书。
3、其它同类型机组运行规程。
二、下列人员应熟悉并熟知本规程1、运行车间汽机专业全体运行人员2、运行车间主任、值长、汽机技术员3、安技科汽机专工与安技科科长三、职工因工作需要调动后,本规程应上交安技科,未及时上交或出现丢失、残缺等情况时,将对相关责任人给予考核。
目录第一章汽轮发电机组及辅助设备规范、技术规范 (1)第一节汽轮发电机组设备规范及技术规范 (1)第二节辅助设备规范 (9)第三节汽轮机本体及系统概述 (17)第四节调速保安系统概述 (25)第五节汽轮机联锁保护 (34)第二章汽轮机组的启停操作及正常维护 (40)第一节汽轮机组的启动及运行 (40)第二节汽轮机组的停机 (60)第三节辅助设备的运行 (63)第四节机电联系信号的使用说明 (76)第三章事故处理 (78)第一节事故处理原则 (78)第二节事故处理 (80)第四章汽轮机组相关试验 (101)第五章公用系统 (111)第六章循环水系统 (128)附录Ⅰ汽机设备定期切换及试验 (133)附录Ⅱ饱和水蒸汽温度、压力、真空表 (136)附录Ⅲ饱和水蒸汽温度和压力对照表 (138)第一章汽轮发电机组与辅助设备规范技术规范第一节汽轮发电机组设备规范及技术规范1、抽汽式汽轮机技术规范2、回热抽汽参数2.1抽汽机组回热抽汽参数(额定工况)3、调节保安系统的主要技术规范4、发电机及励磁机设备规范5.1 发电机设备规范5.2 交流励磁机设备规范5.3 发电机永磁机设备规范5.4主变、高备变、高厂变设备技术规范第二节辅助设备规范1、凝汽器设备规范2、加热器设备规范2.1抽汽机组加热器设备规范3、汽封加热器设备规范4、空气冷却器设备规范5、冷油器设备规范6、主油箱设备规范7、各油泵和排烟风机设备规范8、泵类设备规范9、盘车装置规范10、轴加风机规范第三节汽轮机本体及系统概述1、结构概述#1机是调整抽汽式汽轮机,汽轮机通流部分由一个单列调节级和十七级压力级组成,在第十级后装有旋转隔板,可以调整工业抽汽的压力和流量。
M W背压式汽轮机运行规程Document number【AA80KGB-AA98YT-AAT8CB-2A6UT-A18GG】B25MW背压式汽轮机运行规程批准:审核:修编:宁夏伊品生物科技股份有限公司动力部B25MW背压式汽轮机运行规程前言1.引用标准:电力部《电力工业技术管理法规》有关设计资料及厂家说明书。
2.本规程是汽轮机运行人员进行操作,调整,处理事故的技术标准,所有运行人员应按本规程的规定进行操作或调整。
3.在运行操作过程中如遇有编写内容与生产不符时,应及时提出修改意见,经审核批准后执行。
B25MW背压式汽轮机运行规程1.适用范围及引用标准:本规程适用于伊品企业型号为B25-8.83/0.981型(南京汽轮机厂)所生产的冲动式高压,单缸,抽汽背压式汽轮机.使用于动力部汽机专业。
2.工作原理:该汽轮机为南京汽轮机厂生产的冲动式高压,单缸,抽汽背压式汽轮机,型号为B25-8.83/0.981,配用南京汽轮发电机厂所生产的QFW-30-2C型空冷式发电机。
汽轮机转子由一级单列单列调节级和10级压力级组成。
喷嘴,隔板,隔板套均装在汽缸内。
它们和转子组成了汽轮机的通流部分,也是汽轮机的核心部分。
高压喷嘴组分成四段,通过T型槽道分别嵌入四只喷嘴室内。
每一段喷嘴组一端有定位销作为固定点,另一端可以自由膨胀并装有密封键。
为了缩短轴向长度,确保机组的通流能力,并有利于启动及负荷变化,本机组采用了多级隔板套。
在隔板套中再装入隔板。
本机组有四只调节汽阀。
均采用带减压式预启阀的单座阀,以减少提升力。
油动机通过凸轮配汽机构控制四只阀的开启顺序和升程。
在汽轮机前轴承座前端装有测速装置,在座内有油泵组、危急遮断装置、轴向位移发送器、推力轴承前轴承及调节系统的一些有关部套。
前轴承座的上部装有油动机。
前轴承座与前汽缸用“猫爪”相连,在横向和垂直方向均有定位的膨胀滑键,以保证轴承座在膨胀时中心不致变动。
在座架上装有热胀指示器,以反映汽轮机静子部分的热膨胀情况。
金墩纸业有限公司热电厂发电机运行及事故处理规程2006年初版编写:张斌审核:批准:冯康、柯名显目录第一章总则第一节发电机的运行方式第二节发电机的设备规范第二章发电机升压、并网、解列、停机第一节发电机起动前的准备第二节发电机升压第三节发电机并网第四节发电机带负荷的规定第五节发电机的解列与停机第三章发电机正常运行监视与检查维护第一节发电机运行参数第二节发电机的保护第三节发电机运行中的故障分析第四节发电机异常运行和事故处理第四章可控硅励磁装置运行自操作及注意事项第一节装置正常运行前的操作第二节发电机升压及注意问题第三节发电机带负载及并列时注意事项附表1 发电机自动准同期升压并网操作(F03)附表2 10.5kV进线与发电机自动准同期并列操作(F07)附表3 发电机F03与电网解列操作发电机运行及事故处理规程第一章总则第一节发电机的运行方式1.1.金墩纸业有限公司热电厂现有一台6000kW汽轮发电机组。
发电机与市进线F07并列在本厂10.5KV母线上运行的方式。
如果不向市网供电,买电或市网有故障时,可以断开市网进线电源,发电机单独向10.5KV母线供电,保证公司生产的生产用电和厂用电的正常。
第二节发电机的设备规范2.1.汽机发电机主要技术数据:2.2.空气冷却器技术数据:2.3.油浸式变压器(励磁变压器)技术数据:第二章发电机升压、并网、解列、停机第一节发电机起动前的准备1.1.新安装或大修后的发电机需要投入运行时,在起动前,应收回发电机及其附属设备的全部工作票并索取试验数据,拆除临时安全措施及恢复常设遮拦。
1.2.对发电机本体、励磁变压器进行仔细的检查,全面清扫,保持周围的清洁。
1.3.对发电机的组合导线、发电机主开关、电压互感器、电流互感器、隔离开关、避雷器进行全面检查,确认完好无损。
1.4.对自动整流装置、合闸、控制回路,一、二次设备连接正确。
1.5.发电机滑环、整流子及电刷应清洁完整无接地现象,电刷均应在刷握内,并保持0.1~0.2mm的间隙,使电刷在刷架内自由移动、不能被卡住,并且整个表面应压在滑环或整流子上,并保刷架与滑环表面的距离为2~3mm。
(一) 启动前的准备工作1.仔细检查汽轮机,发电机,励磁机及各附属设备,肯定安装(或检修) 工作已全部结束,汽轮发电机组本体,各附属设备及附近地面均已清扫完毕2.准备好各种仪表和使用工具,做好与锅炉分场,电气分场及热网的联系工作.3 .对油系统进行下列检查(1).油管路及油系统内所有设备均处于完毕状态,油系统无漏油现象.(2).肯定油箱内油位正常,油面指示器浮子上下动作灵活.(3).油箱及冷油器的放油门应严密,并有防止误操作的措施.(4)冷油器的进出油门开启,并应有防止误操作的措施(备用冷油器进出油门关闭).(5).电动油泵入口闸门开启.(6)为清洗管路在每一轴承前所临时添加的滤网或堵板在启动前必须拆除.4.对汽水系统应进行下列检查.(1).主蒸汽管路及背压排气管路上电动主闸阀(隔离阀)应预先进行手动和电动开关检查.(2)主蒸汽管路及背压排气管路上电动主闸阀(隔离阀),主汽门,安全阀关闭,直接疏水门及向空排气门开启,汽缸中的直接疏水门开启(凡汽水可以倒回汽缸的阀门均应关闭.)(3).调压器蒸汽脉冲管路上蒸汽阀关闭,排空气门开启.(4)汽封管路通向汽封冷却器之阀门开启,汽封冷却器疏水门开启,汽封抽汽器阀门应关闭.(5).各蒸汽管路均应能自由膨胀,不受任何障碍,在冷状态下测量各膨胀间隙并记录检查结果.(6)至冷油器冷却水总门开启,冷油器进水门关闭,出水门开启.(7).通往汽轮油泵的蒸汽管路上阀门应关闭.汽轮油泵的排汽阀门及疏水门应开5.对调节保安系统进行下列检查:(1).检查调节器和调节汽阀及连杆的外部状况,各螺丝、销子等必须装配齐全.(2)检查调节汽阀及连杆上各转动支点的润滑情况.(3).检查调压器波纹管腔室内是否已注满蒸馏水.(4)各保安装置均应在断开位置.6.检查滑销系统,汽机和本体应能正常自由膨胀,在冷状态下测量各膨胀间隙尺寸,并记录检查结果.7.检查所有仪表,自动保安和信号装置的电气部分,肯定正常.8.通往仪表的所有脉冲管道上的考克均开启.9.完成上述各项检查工作后,通知锅炉房供汽暖管。
汽轮发电机组安全操作规程范本第一章总则第一条为了确保汽轮发电机组的安全运行,保护人员的生命财产安全,制定本安全操作规程。
第二条本安全操作规程适用于我公司所有汽轮发电机组的操作与维护工作。
第三条操作人员应严格按照本规程操作,不得违反工艺流程,不得擅自操作或改变设备运行参数。
第四条操作人员必须严格遵守安全操作规程和操作规定,保持思想集中,行动敏捷,力求事故的彻底防止。
第五条操作人员必须熟悉汽轮发电机组的运行原理和构造特点,理解各设备的作用和运行要求。
第六条操作人员必须熟悉各种设备的使用方法和操作技能,并持证上岗。
第七条操作人员在工作过程中有疑问或发现异常情况,应及时向主管或技术人员反映。
第八条操作人员必须严格遵守各种安全操作规程和安全操作指导书,牢记“三不开关原则”,即不得擅自打开、关闭和触碰不熟悉的设备。
第九条操作人员必须熟悉应急演练程序,做到知道、会用、敢用。
第十条操作人员必须经常检查设备的运行状态,发现异常及时处理。
第二章操作要点第十一条运行前必须检查设备的外观,确认设备无杂物、无渗漏、无毛病。
第十二条确认设备的电源和仪表表明与设计要求一致。
第十三条先启动主机、再启动辅机,按照正确的启动顺序进行。
第十四条确认设备正常运行后,按照要求进行进一步调整。
第十五条发现设备故障时,及时报告并采取正确的处置措施。
第十六条操作人员在操作设备时,必须戴好工作帽、工作鞋,穿好防护服。
第十七条操作人员在操作设备时,应注意设备周围的环境,确保无危险因素存在。
第十八条操作人员必须按照规定的工序操作,不得随意变动操作顺序。
第十九条操作人员在操作设备时,要严格执行现场管控措施,确保操作安全可靠。
第二十条操作人员应保持设备的清洁,及时排除各类杂物。
第三章安全防护第二十一条操作人员在操作设备时,应佩戴合格的防护手套、护目镜和防护口罩。
第二十二条高温操作区域应设置警示标识,禁止未经许可人员进入。
第二十三条紧急停机按钮、装置应设置在易于接近的地方,并保持灵敏可靠。
烟台双塔食品有限公司热电厂 6MW背压汽轮机运行规程编写:校准:批准:烟台双塔食品有限公司热电 2012年10月目录第一章汽轮机主要技术规范第一节汽轮机主要技术参数第二节汽轮机调节保安润滑系统第三节汽机保护整定数值第四节汽机主要辅助设备第二章汽轮机操作步骤第一节启动前的准备工作第二节暖管﹙电动隔离门前﹚第三节辅机的启动及汽机静态试验第四节汽机动转冲子第五节调速系统和保护系统的检查及试验第六节汽轮发电机带负荷第七节汽轮机在运行中的维护和检查第八节正常停机第三章汽轮机事故预防与处理第一节事故处理的原则第二节紧急停机第三节故障停机第四节水冲击第五节不正常的振动和异音第六节轴向位移增大第七节频率变化第八节发电机甩负荷第九节发电负荷突然升高第十节汽机严重超速第十一节汽轮机叶片损坏第十二节管道故障第十三节失火第十四节厂用电中断第一章汽轮机主要技术规范第一节汽机主要技术数据第二节汽机调节保安润滑系统第三节汽机保护整定数值第四节汽机主要辅助设备减温减压器:节流减压,喷水减温,压力温度由热用户决定。
安全阀动作压力1.25MPa第二章汽轮机操作步骤第一节启动前的准备工作一.班长或司机组启动的操作命令后应:1.通知副司机及其它岗位有关运行人员。
2.进行启动前的一切准备工作和启动汽轮机的各项操作,填写开机操作票通知启动的时间及从暖管开始后的各项操作记录在运行日志中。
二.值班运行人员在启动前应对全部设备进行详细检查:1.首先应检查所有曾经进行过检修工作的地方,肯定检修工作已全部结束,工作票已注销,汽轮机本体、各附属设备及周围场地清扫完毕。
2.油管、油箱、冷油器、油泵等均处于完好状态,油系统的任何地方均无漏油现象。
3.肯定油箱油位正常,油质良好,油位计的浮标上下灵活,开启排污放水后严密关闭。
4.检查危急保安器、轴向位移控制器、磁力断路油门均处于断开状态,主汽门、电动隔离门及旁路门处于关闭状态。
5.调速汽门连杆、各螺丝销子等装配完好,各活动支点处油标均注满润滑油,手拉油动机拉杆活动自如,调速气门预拉数据值符合要求。
6MW杭汽背压机组汽轮发电机运行规程1. 围2. 规性引用文件3. 要求3.1.对运行人员的要求3.2.对运行设备的要求:3.3.对运行命令的要求第一章汽轮机设备概述第二章汽轮机组的启动第三章汽轮机的停止第四章汽轮机运行监视第五章汽轮机组事故处理第六章辅助设备运行前言第一章汽轮机设备概述汽轮机代号T6959型号NG32/25正常功率6000KW正常转速7683 r/min (一级减速至3000 r/min)跳闸转速8528r/min进汽压力 4.9±0.2Mpa(a)进汽温度470±10℃排汽压力0.98+0.3 -0.2Mpa(a)排汽温度274.4±2℃汽封冷却器型号JQ8/18—52冷却面积26 m2喷射蒸汽压力0.98Mpa(a)喷射蒸汽温度270 ℃喷射蒸汽流量100kg/h冷却水量55t/h汽轮发电机:型号:QF—W6—2 容量:7.5MVA 额定功率:6000KW 励磁电流:255.5A 额定电压:10.5KV 功率因数:0.8转速:3000rpm 组数:3额定电流:412.4A输油齿轮轮泵(事故直流油泵)型号:2CY18/36 —2 流量:18m3/h压力:0.36MPa 省仙居特种齿轮油泵厂电机型号:Z2-61 功率:5.5KW 电压:220V电流:30.3 A 转速:1000 rpm 他励励磁电压:220V 电流:1.24A 金蟒电机高压交流油泵:型号:80Y-100 扬程:100m流量:50m3/h 效率:66%电机功率:37KW 转速:2950r/min上泵低压交流油泵:型号:65IY—60B 扬程:58m流量:22m3/h 效率:66%电机功率:5.5KW 转速:2950r/min水泵总厂冷油器型号:YL—30—1冷却面积:30m2壳侧设计/试验压力:1.6/2.4MPa(g)管侧设计/试验压力:0.6/0.9 MPa(g)冷却水量:70T/H净重:1036Kg生产日期:2008.8制造单位:汽轮机股份油箱型号:YX-0530-20机组号:T7619公称容积:5.3 m3最大容积:9.1 m3净重:3375Kg生产日期:2008.8制造单位:汽轮机股份滤油器型号:LY—38/25W (润滑)LYDS-10/10W (调节)机组号:T7619 公称流量:38m3/h 10 m3/h 过滤精度:25μm设计/试验压力 1.6 MPa(a)净重:200kg空冷器热交换容量:60kw型号:SFD.430.809水流量:25 m3/h工作水压:0.2MPa空气量:3.4 m3进水温度:33℃三通阀装置型号:LXF80/1.6C (润滑)LXF50/1.6C(润滑)编号Y6050—061通径:80 mm (润滑)50mm(润滑)压力1.6 MPa齿轮箱功率7000KW`输入/输出转速7683/3000r/min圆周速度101.62m/s中心距450mm法向模数 6螺旋角13°15′41.31″齿数比41/105传动比 2.561类型渐开线单斜齿工作性质单向连续南方通达齿轮调节和控制概述启动系统当开车条件具备以后,可用速关组合件(1840)开启速关阀(2301、2302)。
启动时同时旋转换向阀(1842、1843)手柄,换向阀(1843)建立压力油建立启动油(0.8MPA),换向阀(1842)使速关阀与回油接通,然后旋转换向阀(1842)手柄建立速关油(0.8MPA)当速关油达到0.65 MPA以上时,旋转换向阀(1843)手柄,则启动油压缓慢下降,速关阀(2301、2302)开始打开。
汽轮机运行监视和保护汽轮机就支仪表盘和集控室配有转速显示表用于运行监视。
保护装置是调节系统中另一重要组成部分,主要有危急保安装置(2210)和危急遮断器(2110)。
汽轮机超速使危急遮断器飞锤出击,引起危急保安装置动作,切断速关油路,使速关阀(2301)关闭,机组停机。
电磁阀(2222、2223)冗余配置的先导电磁阀是速关组合件的组成部分。
电磁阀接受到各种外部综合停机信号后,立即切断速关油路,使速关阀关闭。
手动停机阀(2250)也是速关组合件的组成部分,用于就地手动紧急停机。
试验速关组合件上试验阀(2309)用于在线试验速关阀(2301)是否卡涩,检验速关阀动作的灵活性。
许用试验油:P1=0.1867+0.68(P2-0.1)MPa,其中P2为速关油压实际值。
如果实际试验油压大于许用试验值P1,则说明有卡涩现象。
起动和停机概述起动前的检查(背压型)汽轮机在投运前需对整个机组的准备状况作一番检查,特别要对速关阀、调节系统、保安装置等对汽轮机的安全运行起决定作用的部件进行检查。
另外,对油的品质,油箱油位和辅助油泵及直流油泵的自启动也要进行检查。
按运行规程进行操作蒸汽系统新蒸汽和背压管道的隔离阀必须关闭,这些阀门与汽轮机之间的疏水及汽机的疏水必须打开。
进汽及背压管道上的压力表读数应是零。
启动装置和调节器的手轮要转到“关闭”位置。
供油系统检查油箱中的油位,起动排油烟风机。
冷油器以及发电机空气冷却器的冷却水进口阀门必须关闭,其出口阀门必须打开(视油温、风温进行调节)。
如有可能,冷油器的水侧要排气,油侧的排气器要经常打开放气。
净化调节油的缝隙式滤油器通过转动手柄使其保持工作状态。
主油泵由汽轮机直接驱动,另采用交流电动辅助油泵和直流电动事故油泵,并设有自动装置,以便在主油泵油压降至某一数值以下时,通过它来起动电动辅助油泵。
在汽轮机运行期间,这些不投入的泵均应将“自动”放在投入位置。
起动交流电动辅助油泵。
当油温加热至约35℃时。
检查并调整调节和润滑油的压力,通过轴承回油管线上的窥视窗,检查轴承的回油情况。
调速系统:调速系统主要有转速传感器(715)、电子调速器WOODWARD505(1310)、电液转换器(1742)、油动机(1910)和调节汽阀(0801)组成。
一、电子调速器(1310)同时接收二个转速传感器(715)变送的汽轮机转速信号,将接收到的转速信号与转速设定值进行比较后输出执行信号(4~20mA电流),再经电液转换器转换成二次油压(0.15MPa~0.45 MPa),二次油压通过油动机操纵调节汽阀,调节转速。
二、背压机组与电网、热网并列后,电子调速器(1310)接收排汽压力变送器信号,并将其与排汽压力设定值比较后输出执行信号(4~20mA电流),再经电液转换器转换成二次油压(0.15MPa~0.45 MPa),二次油压通过油动机操纵调速汽阀调节背压(热负荷和电负荷)。
通过多次开关调节汽阀,以防止其卡死并可清除阀杆上的污垢。
操作手动跳闸机构,速关阀和调节汽阀应快速关闭。
试验结束后,各调节部件应恢复至初始位置。
第二章汽轮机组的启动1. 汽轮机启动前的准备工作(1)检查机组所有设备完好,清除现场的杂物和障碍,保持机组及附属设备清洁。
联系仪表人员投入所有热工仪表及有关热工电源,联系电气人员检查电气绝缘合格后,投入有关动力电源。
(3)准备好记录报表及必要的工具,仪表。
(4)轴向位移指示应在“0”位(正常冷态)。
(5)机组所有电动阀,调节阀检查调试合格,操作灵活。
(6)检查各泵的操作及联锁开关在“切除”位置。
(7)交、直流油泵试运合格,油系统经油循环合格,严密不漏,主油箱油位正常,油质化验合格。
(8)调节系统静态试验合格。
(9)所有仪表、信号、热工保护校验正确,名称、标志正确,指示灯、信号灯、开关把手、启停按钮等均处于完好状态。
(10)检查汽机保护总开关和各保护分开关,灯亮声响信号试验正常。
(11)通过调度及有关岗位,联系暖管事项。
4 o" ]5 D0 N2 k* i# F. j0 ?(12)DCS“保护联锁”画面在以下保护开关投入“汽机保护总开关”“汽机发电机轴振动大”“投入”“轴向位移±0.8mm”“投入”“汽机正副推力轴承温度高”“投入”“汽机前后径向轴承温度高”“投入”“润滑油压低停机”“投入”“汽机转速8528rpm”:“投入”(13)汽轮机冲转前,直流油泵试转2分钟,电流、电压正常,就地切换开关转至“自动”位置,DCS“保护联锁”画面的“直流油泵自启动”投“联锁”2.汽水系统检查:序号类别阀门名称启闭状态备注1 主蒸汽系统主汽电动阀及旁路阀关电动主汽阀前疏水阀开主汽速关阀前疏水阀(防腐门)开汽机缸体疏水阀开2 排汽系统排汽速关阀、排汽电动阀关排汽管道对空排汽阀开排汽逆止阀后疏水阀开排汽安全排放管疏水阀开3 汽封系统汽封冷却器除盐水进、出口阀开汽封冷却器除盐水旁路阀关汽封冷却器总进汽门开汽封冷却器抽汽器进汽门关4 循环冷却系统空气冷却器循环水进、出口总阀关冷油器循环水进、出口总阀关循环冷却水总进出水阀开3.油系统检查(1)主油箱、油管道、冷油器、滤油器、辅助油泵、事故油泵等均处于完好状态(2)阀门开关状态:序号阀门名称启闭状态备注:1 主油箱事故放油阀关2 主油箱取样一、二次阀关3 高、低压交流油泵直流油泵进口门开4 高、低压交流油泵直流油泵出口阀关5 双联冷油器进出口油阀开6 双联冷油器放油阀关7 双联冷油器油侧排气阀关8 润滑油双联滤油器进、出口油阀开9 润滑油双联滤油器油侧排气阀关10 润滑油双联滤油器出口旁路阀关11 润滑油双联滤油器放油阀关12 调节油双联滤油器进、出口阀开13 调节油双联滤油器出口旁路阀关14 调节油双联滤油器油侧排气阀关15 调节油双联滤油器放油阀关16 所有油压表一、二次阀开4.调节系统检查(1)主汽速关阀处于关闭位置。
(2)危急遮断器处于脱扣位置。
(3)两只三通电磁阀复位,所有油压表阀门打开。
5.高速齿轮箱检查(1)各测量仪表、控制装置、开关等完好。
(2)各螺栓、螺母等坚固,拧紧。
.(3)联轴器防护罩及其它防护装置完好。
(4)盘车装置完好、可靠。
6.汽轮机组的静态试验(1)低油压联锁试验启动辅助油泵,润滑油压≥0.25MPa。
(2)将事故油泵联锁开关打至“联锁”位置。
(3)缓慢关闭辅助油泵出口阀或开启辅助油泵出口回油阀。
(4)待润滑油压降至低于0.08MPa时,事故油泵自启动(5)恢复辅助油泵正常运行,停下事故油泵投入联锁备用。
低油压保护试验(1)启动辅助油泵,润滑油压≥0.25MPa。
(2)复位二只三通电磁阀。
:(3)复位危急遮断器。
(4)开启主汽速关阀。
(5)将辅助油泵和事故油泵联锁打至“切除”位置。
(6)缓慢关闭辅助油泵出口阀或开启辅助油泵出口回油阀。
(7)待润滑油压降至≤0.08 MPa时,两位三通电磁阀动作,主汽速关阀关闭辅助油泵自启试验。
(1)启动辅助油泵,调节油压≥0.8 MPa。
(2)将辅助油泵联锁开关打至“联锁”位置。
(3)停辅助油泵。