西普软启动器一拖二
- 格式:doc
- 大小:124.00 KB
- 文档页数:2
西普STR软起动器STR系列电动机软起动器 1 概述随着电力电子技术的快速发展以及传动控制对自动化要求的不断提高,采用晶闸管为主要器件,单片机为控制核心的智能型电动机起动设备——软起动器,已在各行业得到越来越多的应用,由于软起动器性能优良、体积小、重量轻,并具有智能控制及多种保护功能,而且各项起动参数可根据不同负载进行调整,其负载适应性强。
因此逐步取代落后的Y/△、自耦减压及磁控式等传统的减压起动设备将成为必然。
西安西普电力电子有限公司是电动机软起动器的专业生产厂家,多年来一直致力于起动器的开发、生产,是国内最早推出生产软起动器的企业。
公司生产的STR系列软起动器经过多年推广应用及不断改进,无论在性能及可靠性上均显示出卓越的优越性。
目前适合各种场合使用的电动机软起动器的功率范围为7.5~600KW品种有:(1) STRA系列软起动装置(2) STRB系列软起动器(3) STRC汉字显示电动机软起动器(4)STRG系列通用型软起动控制柜(5) STRF风力发电专用电动机软起动器STR系列电动机软起动器外貌如图所示。
本产品符合GB14048.6-1998及JB/T 10251-2001及相关的中华人民共和国国家标准,并经国家电力电子产品质量监督检验中心检验合格。
2 用途及适用范围由于STR电动机软起动器电源、电压设定范围宽,过载能力强,所以可用于各种场合的电动机,多年来,应用较为成功以及用量较大的行业及场合有:(1)钢铁、化工、建材、造纸、石油、制药、食品加工、水厂等大型工厂的风机及泵类的起动控制。
(2)高层建筑、宾馆、大型商场、娱乐中心等大型建筑的供水泵,通风系统、空调冷冻站循环泵、消防及喷淋泵的控制。
(3)热力供热系统的锅炉供水泵,引风机的电动机的控制。
(4)水电站二次回路的供油泵、供气压缩机、渗透及检修排水泵控制。
(5)天然气汽车加气站的压缩机控制系统。
(6)风力发电主发电机起动系统(7)水利灌溉、引水工程、排水泵站控制系统。
10KV一拖二软起动技术方案KJGR-250/10矿用隔爆兼本质安全型高压真空交流软起动控制器一意义及目标近年来,随着煤矿事业的发展,现代化矿井建设已成为未来煤矿建设的必然趋势。
为了进一步加快煤矿自动化、机械化、数字化、信息化发展的步伐,特别是大型设备拖动技术的先进性、可靠性,我公司卓力打造出一流的矿用高压软起动器。
二用途适用于含有爆炸性气体(甲烷)和煤尘的煤矿井下,主要用于额定电压10kV,频率为50HZ的大型设备、特殊要求或使用条件恶劣的三相异步电动机的软起动、泵控、旁路起动等。
三主要特色1 软起动器机芯性能稳定可靠、品质优越。
2 采用32位微处理器为控制核心,友好的人机用户界面,易于操作设置。
3 采用国际先进的半导体全屏蔽隔离技术。
4 专利的无线电压测量系统技术,先进的电子式电压互感器,提高了可靠性与安全性。
5 专利的、独特的光纤触发系统技术,高压与低压完全隔离。
6 独特的晶闸管故障自诊断功能,可识别每个晶闸管。
7 创新的低压测试功能,可通过400V电压对软起动进行测试。
8 独特的泵控曲线选择,适合各种不同的使用场所。
9 采用独特软起装置和智能旁路双重保护。
10 标准的RS485通信口,可直接构成系统,进行远程信息交换和控制。
四主要技术参数1 额定电压:10KV2 最高电压:12KV3 额定频率:50HZ4 额定电流:250A5 软起过载:100~850%,0~5s可调6 控制模式:软起动、泵控、脉冲起动、硬起动7 冷却方式:自然冷却8 本安参数:本安输出最高开路电压:21.7VAC,本安输出最大短路电流:128mA五软起动装置主要组成部分:一拖二分别起动控制系统:软起动器机芯(功率单元,具有保护控制功能),高压真空接触器2台,西门子可编程逻辑控制器S7-200系列(实现一拖二逻辑控制),工控屏(人机接口),旁路高压真空电磁起动器组成。
五主回路接线方式一拖二起动器一次接线如下图所示。
图1:软起动器一次接线主路设备:10KV高压电磁起动器2台(1、2),10KV软起动器一台(内置2台真空接触器)。
西普软起动器调试及故障步骤1:点动试车按装置说明书接好三相进线,输出(U、V、W)接至电机,合上主电源,将装置的运行方式设定点动状态(此时初始起动电压厂家设定为40V),停车方式为自由停车,按下RUN键,此时电机应无异常声音,电机微动表示点动工作正常,此时检测三相输出电流是否均衡,若均衡表明装置工作正常。
用户可观察电机运转方向是否符合使用要求,如不符合使用要求,请分断主电源,调换任两相输出。
步骤2:运行试车在完成点动试车后可以进行装置运行试车,将装置设定修改为限流起动状态(此时限流倍数厂家出厂设定200%),按下RUN键,观察电机是否能平稳起动,如不能平稳起动,请参看操作说明书,将限流倍数逐步增大(最大至400%)直至平稳起动。
如仍不能正常工作与厂家联系,咨询有关参数调整办法。
步骤3:经过步骤2,用户可以选择出适合负载的最佳起动限流值,然后根据负载的情况,设定软起动器的过流和过载保护值。
步骤4:分断主电源,重新合闸,检查各参数设定是否与写入值一致,若一致表示试运行调试完成,装置可以正式投入运行。
常见故障的排除常见故障原因说明处理办法Phr 进线电源相序错误调换任两相进线Pho 进线电源缺相检查进线使之可靠接入Pr01 起动峰值电流过流保护起动电流超过4倍Ie 调整起动时间及起始电压Pr02 I2t保护调整限流参数或起动时间参数设定Pr03 电动机过流保护避免负载急剧变化Pr04 电动机过载保护减小电机负载Pr05 非法起动保护重新确认控制模式Pr06 在起动或运行中缺相检查进线电源Pr07 干扰保护处理干扰源Pr08 设定参数丢失重新设定各参数OH 过热保护降低起动频度。
5.基本接线及外接端子图5-1给出了STR电动机软起动器的全部外接线接口,具体说明见表5-1外接端子说明。
STR软起动器的基本接线图表5-1★表示外控有两种接线方式,详见基本接线图5-1。
STR系列A型软起动器(7.5KW-75KW)K22和 K24 厂家已占用,用户不能使用.上述图5-1及表5-1给出了STR电动机软起动器所有的外接端子及说明,在接线时,注意以下事项:主电路接线— STRA型产品主电路有6个接线端子,即R.S.T(接进线电源) U.V.W(接电动机),详请参见图6-1。
—STRB型产品主电路有9个接线端子,除上述6个相同外,还有 3个接旁路接触器专用接线端子 U1.V1.W1,其接线参见图6-2。
控制电路STR 软起动器共有16位外部控制端子,为用户实现外部信号控制、远程控制及系统控制提供方便,这16位端子安装在软起动器的主控板上。
在软起动内部有端子引出,可直接接线。
在使用过程中,如用户采用本机键盘操作,而不需远控或外部信号控制,则相应的端子不用接线,其接线排列顺序如下图5-2。
R U NJ O G起动点动停机公共端复位起动完成输出故障输出旁路控制4-20m A12345678910111213141516图5-2—— 其中RUN (起动端子)、STOP (停止端子)、JOG (点动端子)在使用时应进行相应的参数设置,详见表9-1“参数设置及修改”中第11项。
其接线请参见图6-1、图6-2、图6-3。
—— OC (起动完成输出)、I0(4~20mA )输出为有源输出。
—— K14、K11、K12(故障输出)及K24、K21、K22(旁路输出)均为无源输出端子,其接线请参见图6-2、图6-3。
6.STR 软起动器典型应用接线图STR 系列A型软起动装置典型应用接线图图6-1STR 系列B 型软起动器典型应用接线图L1L2L3QFNK21K22K14K11K1212V OC COMK24KMRUNSTOPCOMJOGB 型旁路控制故障输出起动完成输出R STUVW U1V1W 1三线控制二线控制RUNSTOP C O MKKM注:用户可根据自己的要求配置旁路接触器KM,容量可根据电机的额定电流来选型。
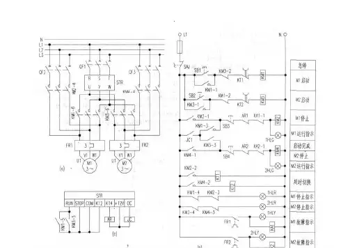
精品本电路适用于一台软启动器拖动两台电动机,分时先后启动,在任一台电动机启动完成后,软启动器处于待命状态,此时,方可允许启动下一台电动机。
在这种方式,软启动器的软停功能不能使用:同时,必须另设电动机过载保护元件,电路如下图所示。
工作原理该电路由a、b、c三部分组成,其中图a为STR软起动器主电路,图b为二次控制电路,图c为STR控制电路。
当按下按钮SB1,交流接触器KM1线圈得电吸合动作,且其常开辅助触点KMl-1闭合自锁,其常开主触点KMl-6闭合,触点KMl-5也闭合,电动机Ml 软启动工作。
当转速接近(或达到)额定转速时,旁路继电器JC得电吸合动作,其常开触点KM2-1l闭合自锁,触点KM2-2闭合,延时时间继电器KT1线圈得电吸合,延时断开常闭触点KT1断开接触器KM1线圈电源.KM1失电释放。
主触点KMI-6断开复位,与此同时,主触点KM2-4闭合,电动机M全电压旁路运行.M运行指示灯1HLC点亮。
常开触点KMI-5断开复位,软启动结束,为启动电动机M2作准备。
当需要启动电动机M2时,按下启动按钮SB2,交流接触器KM3得电吸合且自锁,其触点KM3-5闭合,软启动器启动工作,主触点KM3-6闭合,电动机M2启动运行。
当电动机M2转速接近(或达到)额定转速时,旁路继电器JC得电吸合,触点JC1闭合,交流接触器KM4得电吸合.且触点KM4-1闭合自锁。
触点KM4-2闭合,得电延时时间继电器KT2得电吸合,其延时断开触点KT2延时断开接触器KM3线圈电源,KM3失电释放,其主触点KM3-6断开复位。
此时,主触点KM4-4闭合,电动机M2旁路全压运行。
并且M2运行指示灯ZHLG点亮。
精品当需要停机时,按下停止按钮SB3(或SB4).交流接触器KM2(或KM4)失电释放,其主触点KM2-4(或KM4-4)断开三相主电源,电动机Ml(或M2)失电停止运行。
当电动机Ml(或M2)发生过电流、断相、堵转等故障时,故障继电器AR动作,其常闭触点AR1(或AR2)断开,切断接触器KM2(或KM4)线圈电源,且失电释放,且其主触点KM2-4(或KM4-4)断开三相电源,电动机Ml(或M2)失电停止运行。
中石油重庆气矿象国寺储气库中压软启动器一拖二/二托四系统方案实际的工业现场中,经常会遇见相同电机需要软启动的电机传动系统,考虑到经济成本,多台电机传动系统可以采用一拖二或一拖多系统。
此项目中因负载比较重要故选择了二托四的系统,因为受到电机星点是否可以打开的影响我公司做出了2套二托四系统的方案。
具体原理图可见附件(图片若看不清另存为JPG放大)考虑到可靠性和经济性软起动本体选用国际知名品牌AB公司产品,其它产品由上海雷诺尔科技股份有限公司提供(雷诺尔科技股份有限公司软起为国内知名品牌在此类系统中有相当丰富的经验和实力)。
在电机星点封死无法打开时我们选用二托四(1)主要逻辑顺序为在正常情况下,5QF打开通过软起控制部分进行启动项选择,2AH1、2AH2分别进行一拖二启动,启动完毕后切1QF和2QF电机进入工作状态,此时电机的所有保护均有前级开关柜提供,另外2台电机类同。
在么一台软起出现故障时5QF闭合,由还能工作的那台软启动器进行一拖四。
所有软起都出现故障时由1QF---4QF 进行直接启动和启动运行保护。
在星点可以打开时选用方案二托四(2)主要逻辑控制为正常情况下通过软起控制部分通过1#软启动器启动1M、2M电机2#软启动器启动3M、4M。
若么一台软起出现故障能继续使用的那一台进行一拖四软起。
在软起出现故障时通过AH1/AH2/AH3/AH4直接启动和启动运行保护。
231.1主要技术参数:1.1.1 技术参数额定电压:AC10KV ±20%额定频率:50Hz额定电流:150A起动时间:0—30s 可调真空接触器机械寿命:10万次真空接触器电寿命:30万次高压电气部份绝缘水平:20KV1.1.2 适用环境工作温度:0—60℃储存温度:-40—85℃工作温度:5—95%,无冷凝工作环境:无滴水及震动抗干扰性:距电子设备1.2m处发出的电磁和射频干扰(频率400—500MHz,功率5W),不影响其正常工作。
高压电机晶闸管软起动装置技术方案目录TGQ系列软起动装置技术优势 (3)1技术标准 (5)2供货范围 (5)3系统方案 (7)4TGQ系列高压软起动装置技术性能 (9)5关键元件工艺方案和加工设备............................................................................. 错误!未定义书签。
6制造验收标准和包装标识. (20)7技术服务 (20)附件1TGQ系列高压软起动装置例行试验、型式试验项目 (22)附件2关键设备列表 (23)附件3检验证书及电磁兼容试验报告 (28)请按修改后显示的页码,修改目录TGQ系列软起动装置技术优势基于全光纤链路的信号通讯系统及完善的检测保护——晶闸管触发电路是系统稳定可靠的关键部分,必须具有抗噪声干扰的能力,可以工作在恶劣的工作在环境中,不受现场安装时线路阻抗、短路容量、或开关的快速通断而产生影响。
TGQ系列高压软起动装置中,处于低电位的控制系统与处于高电位的触发系统的检测和通信,全部通过光纤链路完成。
在装置工作过程中实时检测光纤通路的可靠性、检测触发系统的状态和接收高压晶闸管的好坏状态信号,任一元件出现故障软起动装置都能及时准确的显示出故障元件的位置并执行保护动作。
晶闸管强触发系统——对于高压晶闸管阀,其开通的快慢主要取决于触发电流的上升率及触发电流的大小。
对于串、并联应用的晶闸管阀组,对元件开通的一致性要求尤其苛刻,如不然就会出现串联阀组中若干导通慢的晶闸管阀组承受过电压或过电流而损坏。
TGQ1型软起动装置触发电路技术是来源于瑞士ABB公司高压晶闸管阀的触发和保护技术,通过超低阻抗电流源电路来完成串、并联晶闸管的触发,从而克服脉冲变压器器等电磁式触发系统固有的触发电流上升率及分散度由于绕组电感受限的缺点,保证了晶闸管阀组串、并联应用的可靠性。
元件正向过电压保护功能——晶闸管在工作过程中由于某种原因没有被正常触发,从而要承受正向过电压,在过电压升高达到晶闸管转折电压之前正向过电压保护器件(或电路)动作,强迫触发晶闸管,达到保护晶闸管的目的。
矿用隔爆兼本质安全型高压真空软起动器(一拖二)技术规格书一、高压软启动装置适用于在具有甲烷、煤尘爆炸性危险的煤矿井下,对额定电压6KV、频率50HZ、的三相交流中性点不直接接地的供电系统中不频繁起动的高压电动机进行重负荷软起动控制和保护。
二、高压软启动装置采用一体式机箱实现一拖二软起动:分时起动,同时运行。
1.先进的晶闸管阀组技术,性能稳定可靠;2.全中文的人机用户界面,操作便捷;3.采用先进的半导体全屏蔽隔离技术;4.具有光纤触发系统技术,高低压完全隔离;5.具有独特的晶闸管故障自诊断功能,可识别每个晶闸管好坏;6.具有低压测试功能,可通过400V电压对软起动器测试;7.R S485通讯接口,可直接构成系统,进行远程信息交换和控制。
三、基本参数1.软起动器额定电压6KV2.额定电流:200A3.配用接触器额定电流400A4.操作电压AC100V四、软启动特性1.起动方式:(1)限电流起动模式;(2)电压斜坡起动模式;(3)突跳起动模式;(4)电流斜坡起动模式;(5)电压限流双闭环起动模式;2.空载性能当电机空载时,软起动器控制电压的幅值在85%〜110%额定电压范围内,软起动器应能平稳起动电机,当电机转速达到额定转速,在设定的时间内能可靠脱离软起状态,切换到旁路接触器全压工作,软起动器软起时间1〜60S可调,电机加速时间不小于6S。
3.负载性能当电机额定负载,软起动器控制电压为额定电压时,软起动器应能平稳起动电机,当电机转速达到额定转速,在设定的时间内能可靠脱离软起状态, 切换到旁路接触器全压工作,软起动器软起时间1〜60S可调,电机加速时间不小于6S,电机堵转时间不大于2S。
五、保护功能1.额定工作电流选择:5A-额定电流,步长1A。
2.过载保护时间分档可调,分为:1、2、3、4四档。
动作时间与超过整定电流值的强度成反时限特性,其特性曲线由延时整定旋钮在档位和过载电流值决定。
过载保护动作时间符合下表的规定。
本电路适用于一台软启动器拖动两台电动机,分时先后启动,在任一台电动机启动完成后,软启动器处于待命状态,此时,方可允许启动下一台电动机。
在这种方式,软启动器的软停功能不能使用:同时,必须另设电动机过载保护元件,电路如下图所示。
工作原理
该电路由a、b、c三部分组成,其中图a为STR软起动器主电路,图b为二次控制电路,图c为STR控制电路。
当按下按钮SB1,交流接触器KM1线圈得电吸合动作,且其常开辅助触点KMl-1闭合自锁,其常开主触点KMl-6闭合,触点KMl-5也闭合,电动机Ml软启动工作。
当转速接近(或达到)额定转速时,旁路继电器JC得电吸合动作,其常开触点KM2-1l闭合自锁,触点KM2-2闭合,延时时间继电器KT1线圈得电吸合,延时断开常闭触点KT1断开接触器KM1线圈电源.KM1失电释放。
主触点KMI-6断开复位,与此同时,主触点KM2-4闭合,电动机M全电压旁路运行.M运行指示灯1HLC点亮。
常开触点KMI-5断开复位,软启动结束,为启动电动机M2
作准备。
当需要启动电动机M2时,按下启动按钮SB2,交流接触器KM3得电吸合且自锁,其触点KM3-5闭合,软启动器启动工作,主触点KM3-6闭合,电动机M2启动运行。
当电动机M2转速接近(或达到)额定转速时,旁路继电器JC得电吸合,触点JC1闭合,交流接触器KM4得电吸合.且触点KM4-1闭合自锁。
触点KM4-2闭合,得电延时时间继电器KT2得电吸合,其延时断开触点KT2延时断开接触器KM3线圈电源,KM3失电释放,其主触点KM3-6断开复位。
此时,主触点KM4-4闭合,电动机M2旁路全压运行。
并且M2运行指示灯ZHLG点亮。
当需要停机时,按下停止按钮SB3(或SB4).交流接触器KM2(或KM4)失电释放,其主触点KM2-4(或KM4-4)断开三相主电源,电动机Ml(或M2)失电停止运行。
当电动机Ml(或M2)发生过电流、断相、堵转等故障时,故障继电器AR动作,其常闭触点AR1(或AR2)断开,切断接触器KM2(或KM4)线圈电源,且失电释放,且其主触点KM2-4(或KM4-4)断开三相电源,电动机Ml(或M2)失电停止运行。
相应的指示灯IHLR (或2HLR)点亮,运行指示灯IHLC(或2HLC)熄灭。
当电动机Ml(或M2)因过载,热继电器FRI(或FR2)动作,其常开触点FR1(或FR2)闭合,接通中间继电器KA1,Ml故障指示灯1HLR(或M2故障指示灯2HLY和中间继电器KA2)电源回路.KA1(或KA2)得电吸合,其触点KAI-1(或KA2-1)断开,接触器KM2(或KM4)线圈回路电源失电释放,电动机Ml(或M2)停止运行。
Ml(或M2)故障指示灯点亮。