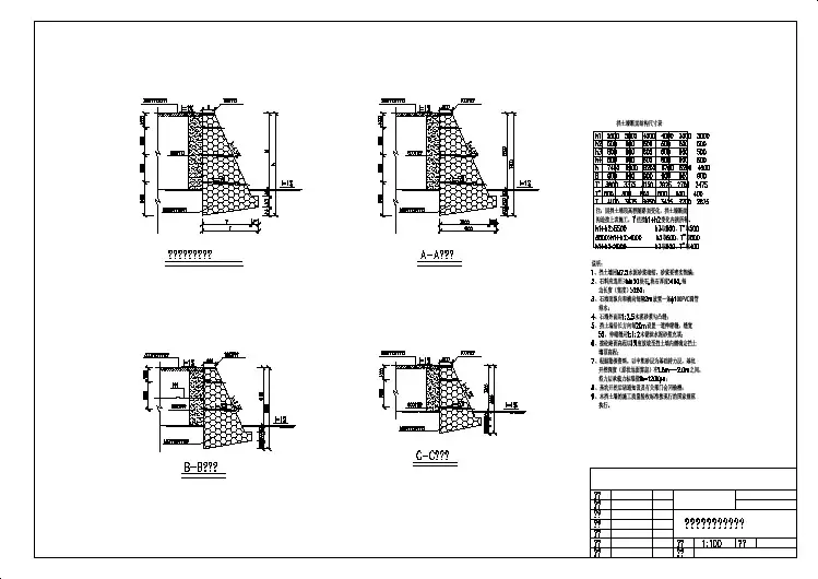
D1C2BA12常德市水利水电勘测设计院批 准 3设计证号设 计CAD4制 图审 查校 核核 定1811012设 计部 分图 号比 例5日 期DC34B5A挡墙浆砌石标号为Mu7.5.5.挡墙每隔15米设伸缩缝,缝宽20毫米.湿容重为19KN/m3,并分层碾压密实,压实度大于0.9.4.挡墙基础要求坐落于粉砂土层上,墙背填土内摩擦角要求大于35.3.图中防洪墙为钢筋混凝土,其强度等级为C20,其它混凝土的强度等级为C15.2.图中高程系统采用85黄海高程系统.1.图中尺寸以毫米计,高程以米计.说明:发证单位核 定审 查批 准设 计制 图设计证号校 核常德市水利水电勘测设计院会签者会签单位日 期部 分设 计图 号比 例湖南省建设厅181101-ky日 期常德市水利水电勘测设计院审 查校 核制 图设计证号发证单位设 计核 定常\H1.25- - -01-012003.03部\H1设\H1主厂房布置图天福水电站工程图 号比 例181101中华人民共和国建设部天福 技施 水机 1:100日 期水 机技 施审 查校 核制 图设计证号发证单位设 计核 定常\H1.25部\H1设\H1图 号比 例181101中华人民共和国建设部日 期90015010002000200100020060060025003350500650500100050030010020003350100025001000600600200300200100%%c12%%c6%%c6(mm)%%c6直径%%c80PVC排水孔,孔距2000mm桩号3+764~4+50749.86~49.564%%c12@5003%%c6@2002501004650200149503挡墙表面钢筋网布置图1:100%%c6@200%%c6@20012002245020019501间距型式编号原地面线50.09~49.8547.00粘土回填三合土1:2001:1002003.126276.43748.87068930076016886.3150101125为500mm顺河流方向间距1:10001技施水工防洪大堤防洪大堤断面标准设计图临澧县城市防洪工程(上游桩号3+764~4+507)水 工技 施4.挡墙基础要求坐落于砂卵石层上,墙背填土内摩擦角要求大于28°.1.图中尺寸以毫米计,高程以米计.2070(kg)1657.7重量钢筋表9324.737152510(m)(mm)7467.237152010总长根数根长备注6.粘土回填前应将老堤上的废渣、杂草等清除干净,然后分层碾压 密实,每层厚度不超过30cm.7.钢筋保护层厚度为25mm,弯钩长度为5d.2.图中高程系统采用85黄海高程系统.3.图中防洪墙为钢筋混凝土,其强度等级为C20,其它为C15,湿容重为19KN/m,并分层碾压密实,压实度大于0.9.5.挡墙每隔15m设伸缩缝,缝宽20mm.挡墙浆砌石标号为Mu7.5.341.47~41.221:1布置一层%%c6钢筋网,间距200mm%%c50排水孔,孔排距2000mm44.97~44.72开挖线砂卵石回填1:1碎石垫层,厚100mm混凝土六方块(设计洪水位)1:11:240.08说明:六方块大样图90015010002000200100020060060025003350500650500100050030010020003350100025001000600600200300200100%%c12%%c6%%c6(mm)%%c6直径%%c80PVC排水孔,孔距2000mm桩号3+764~4+50749.86~49.564%%c12@5003%%c6@2002501004650200149503挡墙表面钢筋网布置图1:100%%c6@200%%c6@20012002245020019501间距型式编号原地面线50.09~49.8547.00粘土回填三合土1:2001:1002003.126276.43748.87068930076016886.3150101125为500mm顺河流方向间距1:10001技施水工防洪大堤防洪大堤断面标准设计图临澧县城市防洪工程(上游桩号3+764~4+507)水 工技 施4.挡墙基础要求坐落于砂卵石层上,墙背填土内摩擦角要求大于28°.1.图钢筋表9324.737152510(m)(mm)7467.237152010总长根数根长备注6.粘土回填前应将老堤上的废渣、杂草等清除干净,然后分层碾压 密实,每层厚度不超过30cm.7.钢筋保护层厚度为25mm,弯钩长度为5d.2.图中高程系统采用85黄海高程系统.3.图中防洪墙为钢筋混凝土,其强度等级为C20,其它为C15,湿容重为19KN/m,并分层碾压密实,压实度大于0.9.5.挡墙每隔15m设伸缩缝,缝宽20mm.挡墙浆砌石标号为Mu7.5.341.47~41.221:1布置一层%%c6钢筋网,间距200mm%%c50排水孔,孔排距2000mm44.97~44.72开挖线砂卵石回填1:1碎石垫层,厚100mm混凝土六方块(设计洪水位)1:11:240.08说明:六方块大样图150650600A90050020003105801150A砂类土回填42.501:0.1541.0042.50排水孔Mu7.5浆砌石1:0.35桩号5+228~5+450.21:10047.8249.622.本挡墙为5+228~5+450.2这一段,共计222.2m长;3.挡墙每隔15m设一伸缩缝,缝宽20毫米,伸缩缝材料为沥青杉板;1.图中高程系统采用85黄海高程系统;说明:竣工图核 定城市防洪工程防洪大堤断面图测 量}技术负责}现场监理}制 图}校 核审 查比 例图 号}日 期A栏杆C20混凝土详图A1:301:0.35日 期防洪大堤断面设计图制 图}现场监理}技术负责}测 量}1:100图 号}比 例审 查校 核核 定竣工图桩号5+18944.50Mu7.5浆砌石Mu7.5浆砌石原浆砌石挡墙42.8041.5049.621:0.48桩号5+217Mu7.5浆砌石桩号5+14849.621m}宽{\fTimes New Roman|b0|i0|c0|p1844.50桩号5+173Mu7.5浆砌石44.501:0.5Mu7.5浆砌石排水孔1:2Mu7.5浆砌石42.0041.001:0.51:1.5849.62排水孔防浪墙花岗岩栏杆原浆砌石挡墙42.0041.00Mu7.5浆砌石Mu7.5浆砌石44.501:1.1241.5042.8049.62桩号5+2281:0.1542.5047.8241.0042.50Mu7.5浆砌石排水孔1:0.35A1:10049.62防浪墙花岗岩栏杆防浪墙花岗岩栏杆防浪墙花岗岩栏杆021:1001:1001:1001:1001:0.5%%c6%%c6@2002440.520050034504100039000650kg}%%c6%%c127604100039000128649791.9493.2为500mm顺河流方向间距175.8砼护墙钢筋网布置图1%%c6@2004%%c12@5003%%c6@2001:10089.1间距200200编号1型式~0}22450直径%%c6(mm)根长(mm)20002510根数(m)401401206总长517砼护墙钢筋表重量(kg)备注114.842.8041.501:1.12Mu7.5浆砌石反滤层Mu7.5浆砌石原浆砌石挡墙防浪墙花岗岩栏杆49.62%%c6@20051%%c6@2004%%c12@5006%%c6@20044.5561650200%%c61710196335.274.47%%c6@200800007200%%c6平均40m1144097.71:100砼护墙钢筋网布置图(5+189~5+228)干砌石反滤层干砌石反滤层4.图中尺寸高程以m计,其余以mm计。2、本挡墙为*渐变段挡土墙,共计*长;说明:1、图中高程系统采用85黄海高程系统;3、挡墙每隔15m设一伸缩缝,缝宽20mm,伸缩缝材料为沥青杉板; }*m宽,*m高;6、图中尺寸高程以m计,其余以mm计。1m}宽{\fTimes New Roman|b0|i0|c0|p181m}宽{\fTimes New Roman|b0|i0|c0|p181m}宽{\fTimes New Roman|b0|i0|c0|p181m}宽{\fTimes New Roman|b0|i0|c0|p181m}宽{\fTimes New Roman|b0|i0|c0|p181m}宽{\fTimes New Roman|b0|i0|c0|p181m}宽{\fTimes New Roman|b0|i0|c0|p181m}宽{\fTimes New Roman|b0|i0|c0|p181m}宽{\fTimes New Roman|b0|i0|c0|p181m}宽{\fTimes New Roman|b0|i0|c0|p1810015060011501500600862071201660600600050050060010809751150100020020060023002005003006005003350600200100037506002006001150125200600500115060010805001500300108010802300335010001375200100500100011501080600230097533502001001000600200600300250011603802406570655010050600100700500150600115016605005001006001500600600071208620编辑部:shuigong@ 水利网易 NetEase水利人的网络家园,打造水利人技术商务第一平台==网易 本图纸由浩辰ICAD软件提供技术支持本图纸由浩辰ICAD软件提供技术支持本图纸由浩辰ICAD软件提供技术支持本图纸采用浩辰ICAD软件整理