取水送水泵站设计计算书(DOC)
- 格式:doc
- 大小:634.50 KB
- 文档页数:26
水泵与水泵站课程设计计算书1.设计目的本课程设计的主要目的是把《水泵及水泵站》中所获得的理论知识加以系统化。
并应用于设计工作中,使所学知识得到巩固和提高,同时提高同学们有条理地创造性地处理设计资料地独立工作能力。
2.设计基本资料(1)近期设计水量250000立方米/日预计远期水量400000立方米/日(不包括水厂自用水)(2)原水水质符合饮用水卫生规定,河边无冰冻现象,根据河岸地质情况 已决定采用固定式取水泵房,从吸水井中吸水,吸水井采用自流管进水,取水头部到吸水井的距离为:60米。
(3)水源洪水位标高为:32.36米(1%频率);枯水位标高为:24.26米(97%频率);常年平均水位标高为:26.51米。
(4)水厂配水井水面标高为:33.02米,取水泵房到水厂距离为:9000米。
(5)地区气象资料课根据设计需要由当地气象部门提供。
(6)水厂为双电源进线,可保证二级负荷供电。
3.设计概要(教材P107)取水泵站在水厂中也称一级泵站.在地面水水源中,取水泵站一般由吸水井、泵房及闸阀井三部分组成。
取水泵站由于它靠江临水的确良特点,所以河道的水文、水运、地质以及航道的变化等都会影响到取水泵上本身的埋深、结构形式以及工程造价等。
其从水源中吸进所需处理的水量,经泵站输送到水处理工艺流程进行净化处理。
本次课程设计仅以取水泵房为例进行设计,设计中通过粗估流量以及扬程的方法粗略的选取水泵;作水泵并联工况点判断各水泵是否在各自的高效段工作,以此来评估经济合理性以及各泵的利用情况。
取水泵房布置采用圆形钢筋混凝土结构,以此节约用地,根据布置原则确定各尺寸间距及长度,选取吸水管路和压水管路的管路配件,各辅助设备之后,绘制得取水泵站平面图及取水泵站立体剖面图各一张。
4.设计计算4.1设计流量Q (教材P110)设为了减小取水构筑物、输水管道各净水构筑物的尺寸,节约基建投资,在这种情况下,我们要求一级泵站中的泵昼夜不均匀工作。
计算书工程(项目)编号 12622S002 勘察设计阶段施工图工程名称中新生态城(滨海旅游区范围)7号雨水泵站单体名称专业给排水计算内容泵房尺寸、标高、设备选型等(共 14页)封面1页,计算部分13页计算日期校核日期审核日期7号雨水泵站计算书符号:1、设计水量p Q —雨水泵站设计流量,y p Q Q %120=; y Q —排水系统设计雨水流量。
2、扬程计算d Z —进泵站处管道(箱涵)内底标高;H Z —泵房栅后最高水位(全流量),过栅损失总管-+=D Z Z d H ;L Z —泵房栅后最低水位(一台水泵流量),过栅损失总管-+=3/D Z Z d L ;有效h —泵站有效水深,LH Z Z h -=有效;M Z —排涝泵房栅后平均水位,过栅损失总管-+=D Z Z d M 21;吸水h —从水泵吸水管~出水拍门的水头损失,拍门立管转弯吸水h gL g h ++=2v 2v 22ξ出水h —出水管路水头损失;总水头损失=出水吸水h h +M H —设计扬程,出水吸水(常水位)h h Z Z H M cM ++-=;max H —设计最高扬程,max H =最高水位-L Z +总水头损失;min H —设计最低扬程,min H =最低水位-H Z +总水头损失;3、格栅井计算1Z —格栅平台标高,一般按低于泵站进水管内底标高0.5m 考虑,即5.01-=d Z Z ;2Z —泵房顶板顶标高,一般按高于室外地坪0.2m 考虑,即2.02+=室外Z Z ;1)格栅井长度计算格栅井L —格栅井长度,∑==41i i L L 格栅井L 1—格栅底部前端距井壁距离,取1.50m ; L 2—格栅厚度,取0.6m ;L 3—格栅水平投影长度,安装角度按75°考虑 75)(123ctg Z Z L -=; L 4—格栅后段长度,取1.50m ; 2)格栅井宽度计算格栅v —过栅流速; 格栅h —格栅有效工作高度,总管总管格栅栅前最低水位栅前最高水位D Z D Z h d d =-+=-= 格栅b —栅条净间距;格栅S —栅条宽度; n —栅条间隙数,格栅格栅格栅v h b Q n p αsin =格栅B —格栅总宽度,n 1-n 格栅格栅格栅)(b S B +=一.工程概况本工程为滨海旅游区规划7号雨水泵站,服务系统为规划7号雨水系统。
取水泵站设计计算书一、流量确定考虑到输水管漏渗和净化站本身用水,取自用水系数α=1.5,则近期设计流量:Q=1.05×100000÷3600÷24=1.215 m³/s远期设计流量:Q=1.05×1.5×100000÷3600÷24=1.823 m³/s二、设计扬程(1)水泵扬程:H=HST+Σh式中HST 为水泵静扬程.Σh 包括压水管水头损失、吸水管路水头损失和泵站内部水头损失采用灵菱型式取水头部。
在最不利情况下的水头损失,即一条虹吸自流管检修时要求另一条自流管通过75%最大设计流量,取水头部到吸水间的全部水头损失为1 米,则吸水间最高水面标高为4.36-1=39.36 米,最低水位标高为32.26-1=31.26 米。
正常情况时,Q=1.215/2=0.608 m³/s,一般不会淤泥,所以设计最小静扬程:HST=42.50-39.36=3.14 m设计最大静扬程:HST=42.50-31.26=11.24 m(2)输水管中的水头损失∑h设采用两条φ900 铸铁管,由徽城给水工程总平面图可知,泵站到净水输水管干线全长1000m ,当一条输水管检修时,另一条输水管应通过75% 设计流量,即:Q=0.75×1.823=1.367 m³ /s,查水力计算表得管内流速v=2.16 m/s, 1000i=5.7m ,所以∑h=1.1×5.7×1000/1000=6.27m (式中1.1 系包括局部水头损失而加大的系数)。
(3)泵站内管路中的水头损失hp其值粗估为2 m(4)安全工作水头hp其值粗估为2 m综上可知,则水泵的扬程为: 设计高水位时:Hmax=11.24+1+6.27+2+2=21.51 m设计低水位时:Hmin=3.14+1+6.27+2+2=13.41 m三、机组选型及方案比较:水泵选型有以下二种方案:方案一: 一台 20sh-19 型水泵(Q=450~650 l/s,H=15~27m, N=148~137KW),近期4 台,3 台工作,一台备用,远期增加一台,4 台工作,一台备用。
目录一、前言 (1)二、设计任务: (1)三、设计方案: (2)3.1、设计流量的确定和设计扬程的估算 (2)3.2、初选泵和电动机: (3)3.3、泵机组基础尺寸的确定: (3)3.4、吸水管路与压水管路计算: (4)3.5、机组与管道的布置: (4)3.6、吸水管路和压水管路中水头损失的计算 (5)3.7、泵安装高度的确定和泵房筒体高度的计算: .. 73.8、附属设备的选择: (8)3.9、泵房建筑高度的确定 (9)3.10、泵房平面尺寸的确定 (9)四、小结 (9)一、前言随着科学技术的不断被发展,泵站已经成为取水输水工程的一个重要部分,在工农业生产和水利工程建设等各方面都得到了广泛的应用。
作为一个给排水工程专业的大学生来说,泵与泵站是一门及其重要的必修课程。
我们应该努力学好这门课程,掌握理论知识,打好基础,面对不同情况能够灵活选用不同的泵装置,从而把理论知识运用到实践中去。
泵与泵站课程设计是大学本科教育的一个重要教学环节,是全面检验和巩固水泵和水泵站课程学习效果的一个有效方式,通过课程设计可以使我们进一步加深对所学水泵与水泵站课程的理解和巩固,可以综合所学基本知识和基本理论及相关知识解决实际问题,从而使大家得到工程实际训练,提高其应用能力及动手能力。
这次是一次自我锻炼的好机会。
在课堂上我们只是学习到了理论知识,要能真正胜任日后的工作,还必须理论联系实际,在实际设计中寻找问题,解决问题。
在设计过程中熟悉泵站设计的过程,巩固以前学习的知识,培养独立思考、独立设计的能力。
我们一定要好好把握这次机会,认真独立完成作业,在原本的基础上使自己得到最大程度的提高,为以后的工作和学习打下坚固的基础。
我相信,在指导老师的带领下,在我们自己不断的努力下,我们一定会有所收获并取得优异的成绩。
二、设计任务:某新建水源工程近期设计水量120000m3/d,要求远期发展到270000m3/d,采用固定式取水泵房(一级泵站),用两条直径为1200mm的钢制自流管从江中取水。
取⽔泵房设计计算⼀.主要设计资料1. 取⽔规模:阆中市⼆⽔⼚终期取⽔规模为5万m 3/d ;⼀期⼯程2.5万m 3/d ,⼆期⼯程达5万m 3/d ;2. 设计取⽔量:⼀期:332.5 1.101145.8m /0.318/24Q h m s ?==万=⼆期:335 1.102291.7m /0.637/24Q h m s ?'==万=其中⽔⼚⾃⽤⽔系数为10%。
3.⽔源的⽔位:根据业主单位提供的资料显⽰:⾦银台电航⼯程库区⽔位设计⾼程为:库区0.2%校核洪⽔位362.15m ,2%设计洪⽔位357.5m ,正常蓄⽔位352.00m ,汛期限制⽔位346.0-348.5m (闸底⾼程)。
(以上均为黄海⾼程)⼆. 取⽔头部取⽔头部为喇叭⼝带格栅,采⽤钢(A 3)或不锈钢制作。
本⼯程⽤3个取⽔头部,每个设计取⽔量:Q =2291.7/3=763.9m 3 /h =0.212m 3/s 。
取⽔管管径采⽤d =DN500,取⽔喇叭⼝直径取D =1.5d=750mm 。
1. 格栅及进⽔孔⾯积计算设计规范要求:河床式取⽔构筑物⽆冰絮时,进⽔孔过栅流速V 0为0.2~0.6m/s ,本设计V 0取0.30m/s 。
栅条采⽤扁钢,厚度为S=10mm ,栅条净距采⽤b =50mm ,格栅堵塞系数k 1=0.75,栅条引起的⾯积减少系数为:833.0102=+=+=s b b k进⽔孔⾯积为:201200.2121.130.750.8330.30Q F m K K V ===??=端部⾯积+直段侧⾯积=L D D 124ππ+ =20.750.814L ππ?+?=0.442+2.545L直段长度:L=1.130.4420.6880.2702.545 2.545m -== 取L=300mm2、取⽔头部的位置和标⾼取⽔头部的位置根据实测的取⽔地点的⽔下地形图确定,该处保证取⽔头部下缘⾼出河床底0.8m 以上。
(一)取水泵站工艺设计设计资料:某厂新建水源工程近期设计水量80000,要求远期发展到120000.采用固定是取水泵房用两条直径为800mm虹吸自流管从江中取水。
水源洪水位标高为26.14m(1%频率).枯水位标高8.29m(97%频率)。
净水站反应沉淀池前配水井的水面标高为33.14m。
虹吸自流管全长为85.5 m(其中在枯水位以上部分长55 m)。
泵站至净水站的输水干管全长为700m.见取水泵站枢纽布置图。
其中通过取水部分的计算已知在最不利情况下(即一条虹吸自流管检修.要求另一条虹吸自流管通过75%最大设计流量是).从取水头部到泵房吸水间的全部水头损失为1.2 m。
试进行泵站工艺设计。
设计要求:1.完成设计计算书一份.书写整齐并装订成册。
2.绘制泵房平面图、剖面图、立面图。
文字书写一律采用仿宋字.严格按制图标准作图。
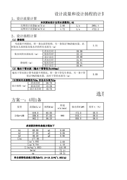
一、设计流量Q和扬程H(1)考虑到输水干管漏损和净化厂本身用水.取水自用系数α=1.05 所以近期设计流量为 Q=1.05×80000/24=3500m3/h= 0.97222m3/s远期设计流量为 Q=1.05×120000/24=5250m3/h= 1.45833m3/s(2)设计扬程H①泵所需静扬程H ST通过取水部分的计算已知在最不利情况下(即一条自流管道检修.另一条自流管道通过75%的设计流量时).从取水头部到吸水间的全部水头损失为8.29m-7.09m=1.2m。
则吸水间中最高水面标高为26.14m-1.2m=24.94m.最低水面标高为8.29m-1.2m=7.09m.所以泵所需静扬程H ST 为:洪水位时.H ST=33.14-24.94=8.2m枯水位时.H ST=33.14-7.09=26.05m②输水干管中的水头损失∑h设采用两条DN800的铸铁管并联作为原水输水干管.当一条输水管检修.另一条输水管应通过75%的设计流量(按远期考虑).即Q=0.75×5250=3937.5m3/h=1.09375m3/s,查水力计算表5得管内流速v=1.45m/s, i=0.00302所以输水管路水头损失:=1.1×0.00302×700=2.3254m(式中1.1是包括局部损失而加大的系数)③泵站内管路中的水头损失∑h粗估2m.安全水头2m.则泵设计扬程为:枯水位时:H max=26.05+2.3254+2+2=32.3754m洪水位时:H min=8.2+2.3254+2+2=14.5254m二、初选泵和电机由近期和远期的设计流量以及泵的设计扬程选择合适的泵故近期选择1台800S32型泵(Q=4698~6462 m3/h, H=25.4~35m.轴功率N=556~575kW.转数n=730r/min,).1台工作.1台备用。
设计供水水量Q=4000m3/d自由水系数 1.05设计规模Q=4200m3/d175m3/h一取水泵房计算1设计扬程取水泵房输水至净水厂时的水泵扬程H为H=H1+H2+h1+h2H1-水源最低水位与水泵基准面的几何高度mH2-水泵基准面与净水构筑物的几何高度mh1-吸水管路水头损失mh2-输水管路水头损失m富裕水头1~2m水源最低水位:4586.5m水泵基准面高度:4586.5m净水构筑物高度:4621.3mH1=0mH2=34.8m2吸水管路水头损失单管道流量Q=87.5m3/h吸水管径d200mm流速v=0.77m/s吸水管路长度L= 4.5m1000i 5.92沿程水头损失 h沿= 0.02664m局部水头损失最不利管段主要配件如下:配件数量局部阻力系数总系数流速(m/s)DN125-200异径管10.170.17 1.98DN200碟阀10.240.240.77DN200伸缩节10.210.210.77总和h1=h沿+h局=3压水管路水头损失单管道流量Q=87.5m3/h压水管总管径d300mm流速v=0.69m/s压水总管长度L=800m1000i 2.7压水管管径d200mm流速v=0.77m/s压水总管长度L=6m1000i 5.92沿程水头损失 h沿= 2.20m局部水头损失最不利管段主要配件如下:配件数量局部阻力系数总系数流速(m/s)DN125-200异径管10.170.17 1.98DN200碟阀20.240.480.77DN200伸缩节10.210.210.77总和H压=h沿+h局=h2=h吸+h压=取水头部水头富余水头故水泵总扬程H=H=H1+H2+h1+h2+富余水头=取2选泵本工程取水泵房选用3台(2用1备)单台水泵流量Q=87.5m3/h扬程H=42m效率η=0.6轴功率N=ρgQH/η=16.673611KW局部阻力(m)0.030.010.010.050.07m局部阻力(m)0.030.010.010.062.25m2.33m2.00m2m41.20m42.00m。
目录第一章课程设计(论文)任务书 (2)第二章中文摘要 (3)第三章设计计算书 (3)一、设计流量的确定和设计扬程估算 (4)1.设计流量Q (4)2.水泵所需静扬程Hst (4)3.初选水泵和电机 (5)4.机组基础尺寸的确定 (5)5.压水管的设计 (5)6.泵机组及管路布置 (6)7.吸水井设计计算。
(6)8.泵站内管路的水力计算 (7)二、泵站各部分高度的确定 (8)1.泵房筒体高度的确定 (9)2.泵房建筑高度的确定 (9)三、泵房平面尺寸确定 (9)四、辅助设备的选择和布置 (9)1.起重设备 (10)2.引水设备 (10)3.排水设备 (10)4.通风设备 (10)5.计量设备 (10)第四章结语 (10)第五章参考文献 (10)附图 1 取水泵房平面图 (13)附图 1 取水泵房剖面图 (14)第一章课程设计任务书1.主要内容及基本要求(一)项目简介取水泵站,近期用水量为26000方/天,远期用水量为39000方/天。
取水头部倒吸水井距离42m,常年平均水位标高74.2m,枯水位为72.5m,水源洪水位为77.1m,泵房设置地室外地面标高78.2m,净水厂混合井水面标高104.2m,取水泵房到净水厂管道长540m。
(二)设计内容及要求1)、取水泵房工艺平面布置图——泵房构筑物、机组及辅助设施平面布置图,节点大样图、材料设备一览表、图例明确、尺寸要标准清楚,准确。
2)、取水泵房工艺剖面图——具体要求:剖面图中标高尺寸要明确,包括构筑物的控制标高及水位标高。
3)、取水泵房辅助设施详图——包括主要辅助设施详图。
(三)图纸及设计要求1)、采用A2图纸出图。
2)、设计说明书要内容全面、思路清晰、规范及计算书要详细。
3)、最终成果严格按照四川理工学院课程设计要求排版装订,图纸可附计算说明书后。
2.指定查阅的主要参考文献及说明[1]《给水排水设计手册》,1册, 11册,中国建筑工业出版社[2]《给水排水制图标准》[3]《泵站设计规范》GB/T 50265-97[4]《给水排水管道工程施工及验收规范》[5]《泵与泵站》姜乃昌主编,第五版,中国建筑工业出版社第二章 中文摘要《水泵与水泵站》是一门实践性很强的学科,作为一种提升设备,它服务与社会,为人们的生产、生活、消防带来极大的方便因此它在现代的社会中发挥着不可替代的作用。
一、项目区基本情况××水库取水及输水工程土建工程服务对象为××公司生产线及配套的辅助生产设施、公用工程设施和生活福利与服务性设施。
××公司位于××经济技术开发区,与××水库直线距离约为2.3km。
根据××公司出具的书面证明,确定××水库取水及输水工程设计引水流量为1。
12 m3/s.项目区所在地属暖温带大陆性干旱气候,干旱炎热,蒸发强烈,多年平均降水量50.7mm,多年平均蒸发量为2775mm,年平均气温为11。
3℃,绝对最高气温为40℃,决对最低温度为-30。
9℃,最大冻土深度为63cm。
项目区盛行东北风,年平均风速为3m/s,多年平均最大风速为21m/s。
二、工程设计总体设计依据项目业主提供的资料进行,××水库取水及输水工程设计总流量为1.12m3/s(2×0.56m3/s),另有一台机组(1×0.56m3/s)备用,配套电机总装机功率为555KW (3×185KW),工程规模为Ⅳ等小(1)型工程,主要建筑物等级为4级,次要及临时建筑物等级均为5级.本项目主要工程有:(1)、引水明渠约2100m,底宽2m,边坡为1:3,其中30m为C20砼衬砌,边坡厚度为20cm,底板厚度为40cm,其余均为土渠;(2)、进水池1座,混凝土结构,长13.2m,边墙扩散角为20度,首端宽2。
00m,末端宽11。
6m;(3)、泵房一座,泵房分为三层,分为水泵层、结构层及操作层,均为钢筋混凝土结构,墙厚均为0.45m;(4)、安装500S22单级双吸离心泵及配套电机3套,安装配电柜及启动箱3套,安装DN500、0。
6Mpa闸阀、伸缩接管及多功能控制阀;(5)、钢制压力管道约28m,公称直径为900mm,壁厚为14mm,均采用螺旋焊接钢管,并在适当位置设C25混凝土镇墩;(6)、夹砂玻璃钢管约2401m,压力等级为0。
泵站设计计算书1、流量与扬程确定给水系统中自身用水系数β=1.01=1.5×10000×1.01×1.41÷24=890m3/h 近期最高日最高时流量Q1=1.01×10000×1.5÷24=631.3 m3/h 近期最高日平均时流量Q2远期设计最高日最高时流量Q=2.5×10000×1.01×1.41÷24=1483 m3/h3=2.5×10000×1.01÷24=1052.1 m3/h 远期最高日平均是流量Q4预留安全水头h1=2m泵站内各部分水头损失h2=2m设计总扬程为H=h+ h1+ h2=42m2、机组选型=0.7*890=623 当一个泵检修时,另一个泵应通过70%的近期设计流量,即Q‘1=0.7*1483=1038 m3/h,以保证供水能力。
m3/h,Q'2水泵性能数据使用方案:近期采用2用一备,远期采用3用一备的方案查厂家提供的水泵样本可知底板为方形,长宽均为600mm,底座螺孔间距均为550mm,底座螺孔的直径φ22。
由于采用的是立式泵,基础仅需考虑泵底板尺寸即可。
根据规范要求:基础长度L=底座长度L 1+(0.15~0.20)m=600+200=800mm 基础宽度B=底座螺孔间距b 1+(0.15~0.20)m=550+200=750mm于是计算出基础平面尺寸为800mm*750mm , 机组总重量W=1550*9.8=15190N, 基础深度为H=**0.3B L W=3m式中 L ——基础长度,L=0.800m ; B ——基础宽度,B=0.750m ;γ——基础所用材料的容重,对于混凝土基础,γ=23520N/m 33,吸水管和压水管路的确定吸水管采用钢铁管 v=1.36m/s 1000i=6.39 DN=400mm 压水管采用钢铁管 v=2. 4m/s 1000i=29.1 DN=300mm 4,吸水管和压水管的水头损失 吸水管中水头损失∑h=∑h s +∑h l∑h l =1.5*6.39÷1000=0.0096m∑h s =(ζ1+ζ2+ζ3)*v 2/2g+ζ4*v 21/2g=(0.1+0.9+0.2)*1.362/2*9.8+0. 18*2.42/2*9.8=0.166mζ1:吸水口局部阻力系数ζ2:标准钢铁400mm900弯头局部阻力系数 ζ3:蝶阀局部阻力系数ζ4:DN400*300偏心渐缩管的局部阻力系数 ∑h=0.0096+0.166=0.1756m 压水管路德局部损失∑h=∑h s +∑h l∑h l =2.5*29.1÷1000=0.07m∑h s =(ζ5+ζ6+ζ7)*v 2/2g=(3.5+0.2+0.2)*2.4/2*9.8=0.478m ζ5:止回阀局部阻力系数 ζ6:蝶阀局部阻力系数ζ7:蝶阀局部阻力系数∑h=0.07 +0.478=0.548m因为泵内总损失H=0. 548+0.1756=0.7236m所以所选的泵是适合的。
泵站设计计算书一、流量确定考虑到输水管漏渗和净化站本身用水,取自用水系数α=1.5,则近期设计流量:Q=1.05×100000÷3600÷24=1.215 m³/s远期设计流量:Q=1.05×1.5×100000÷3600÷24=1.823 m³/s二、设计扬程(1)水泵扬程:H=HST+Σh式中HST 为水泵静扬程.Σh 包括压水管水头损失、吸水管路水头损失和泵站内部水头损失采用灵菱型式取水头部。
在最不利情况下的水头损失,即一条虹吸自流管检修时要求另一条自流管通过75%最大设计流量,取水头部到吸水间的全部水头损失为1米,则吸水间最高水面标高为4.36-1=39.36 米,最低水位标高为32.26-1=31.26 米。
正常情况时,Q=1.215/2=0.608 m³/s,一般不会淤泥,所以设计最小静扬程:HST=42.50-39.36=3.14 m设计最大静扬程:HST=42.50-31.26=11.24 m(2)输水管中的水头损失Σh设采用两条φ900 铸铁管,由徽城给水工程总平面图可知,泵站到净水输水管干线全长1000m,当一条输水管检修时,另一条输水管应通过75%设计流量,即:Q=0.75×1.823=1.367 m³/s,查水力计算表得管内流速v=2.16 m/s, 1000i=5.7m ,所以Σh=1.1×5.7×1000/1000=6.27m (式中1.1 系包括局部水头损失而加大的系数)。
(3)泵站内管路中的水头损失hp其值粗估为2 m(4)安全工作水头hp其值粗估为2 m综上可知,则水泵的扬程为:设计高水位时:Hmax=11.24+1+6.27+2+2=21.51 m设计低水位时:Hmin=3.14+1+6.27+2+2=13.41 m三、机组选型及方案比较:水泵选型有以下二种方案:方案一方案二水泵型号20sh-19 20sh-19A流量范围450─650L/s 36─560L/s扬程范围15─27m 14─23m轴功率148─137KW 108KW允许吸上真空高度4m 4m泵重量1950Kg 2000Kg电动机重量1530Kg 1380Kg功率190KW 135KW配带电动机型号JR-126─6 JS-126─6方案一: 一台20sh-19 型水泵(Q=450~650 l/s,H=15~27m, N=148~137KW),近期4 台,3 台工作,一台备用,远期增加一台,4 台工作,一台备用。
1 设计依据1.1 设计主要技术参数依据课程设计任务书提供的数据,设计主要技术参数如下:A市送水泵站日最大设计水量q vd=5.5×104m3/d,泵站分二级工作。
泵站第一级工作从3时到23时,每小时水量占全天用水量的4.90%;第二级工作从23时到次日3时,每小时水量占全天用水量的2.8%。
该市最不利点建筑层数6层,自由水压为28m,输水管和给水管网总水头损失为12.32m,泵站地面标高为650m,泵站地面至设计最不利点地面高差为32.60m,吸水井最低水位在地面以下4.0m。
消防水量q vx=155m3/h,消防时,输水管和给水管网总水头损失为31m。
1.2 设计主要内容依据课程设计任务书要求,主要进行如下设计内容:1、水泵机组选择;2、水泵机组基础设计;3、吸水、压水管路设计计算;4、吸水井设计计算;5、各工艺标高的设计计算;6、复核水泵机组;7、消防校核;8、泵房型式的选择及机械间布置;9、泵站的辅助设施计算与选型;10、泵站平面布置;11、泵站立面标高计算确定;12、绘制泵站平面图和纵横剖面图。
2 水泵机组的选择2.1 泵站设计参数的确定泵站一级工作时的设计流量2695%9.4105.5)m /Q 413=⨯⨯=⋅-h (Ⅰ(748.6L/s) 泵站二级工作时的设计流量1540%.82105.5)m /Q 413=⨯⨯=⋅-h (Ⅱ (427.8L/s)水泵站的设计扬程与用户的位置和高度、管路布置及给水系统的工作方式等有关。
泵站一级工作时的设计扬程=+∑+∑++=安全泵站内ⅠH h h H Z m /H 0c32.6+4+28+12.32+2+1.5=80.42 其中 ⅠH ——水泵的设计扬程; c Z ——地形高差; 0H ——自由水压; h ∑——总水头损失;泵站内h ∑——泵站内水头损失(初估为1.5m );安全H ——为保证水泵长期良好稳定工作而取的安全水头(m );一般采用1-2m 。
一、项目区基本情况××水库取水及输水工程土建工程服务对象为××公司生产线及配套的辅助生产设施、公用工程设施和生活福利与服务性设施。
××公司位于××经济技术开发区,与××水库直线距离约为 2.3km。
根据××公司出具的书面证明,确定××水库取水及输水工程设计引水流量为1.12 m3/s。
项目区所在地属暖温带大陆性干旱气候,干旱炎热,蒸发强烈,多年平均降水量50.7mm,多年平均蒸发量为2775mm,年平均气温为11.3℃,绝对最高气温为40℃,决对最低温度为-30.9℃,最大冻土深度为63cm。
项目区盛行东北风,年平均风速为3m/s,多年平均最大风速为21m/s。
二、工程设计总体设计依据项目业主提供的资料进行,××水库取水及输水工程设计总流量为1.12m3/s(2×0.56m3/s),另有一台机组(1×0.56m3/s)备用,配套电机总装机功率为555KW (3×185KW),工程规模为Ⅳ等小(1)型工程,主要建筑物等级为4级,次要及临时建筑物等级均为5级。
本项目主要工程有:(1)、引水明渠约2100m,底宽2m,边坡为1:3,其中30m为C20砼衬砌,边坡厚度为20cm,底板厚度为40cm,其余均为土渠;(2)、进水池1座,混凝土结构,长13.2m,边墙扩散角为20度,首端宽2.00m,末端宽11.6m;(3)、泵房一座,泵房分为三层,分为水泵层、结构层及操作层,均为钢筋混凝土结构,墙厚均为0.45m;(4)、安装500S22单级双吸离心泵及配套电机3套,安装配电柜及启动箱3套,安装DN500、0.6Mpa闸阀、伸缩接管及多功能控制阀;(5)、钢制压力管道约28m,公称直径为900mm,壁厚为14mm,均采用螺旋焊接钢管,并在适当位置设C25混凝土镇墩;(6)、夹砂玻璃钢管约2401m,压力等级为0.6MPa,公称直径为900mm,壁厚为10.5mm,承插口接头,并在适当位置设C25混凝土镇墩。
送水泵站技术设计计算书1 绪论泵站分别为两种水质供水,其中中水近期的最大日设计水量Qd=2000m3/d,远期的最大日设计水量Qd=5000m3/d;清水近期的最大日设计水量Qd=3000m3/d,远期的最大日设计水量Qd=5000m3/d给水管网设计的部分成果:(1)泵站分两级工作。
中水泵为一日8小时均匀供水,则近期设计水量Qh=250 m3/h,远期Qh=625 m3/h;清水泵为一日24小时不均匀供水,则近期最大设计水量Qh=125m3/h,远期最大设计水量Qh=208.33 m3/h;泵站所在地土壤良好,地下水位为20~30m。
2 初选水泵和电机2.1泵站设计参数的确定本设计按远期计算。
(1)中水泵扬程计算给水管网平差一、平差基本数据1、平差类型:反算水源压力。
2、计算公式:柯尔-勃洛克公式I=λ*V^2/(2.0*g*D)1.0/λ^0.5=-2.0*lg[k/(3.7*D)+2.5/(Re*λ^0.5)]Re=V*D/ν计算温度:10 ,ν=0.0000013、局部损失系数:1.204、水源点水泵参数:水源点水泵杨程单位(m),水源点水泵流量单位:(立方米/小时)水源节点编号流量1 扬程1 流量2 扬程2 流量3 扬程3二、节点参数节点编号流量(L/s) 地面标高(m) 节点水压(m) 自由水头(m)1 -173.600 895.200 941.327 52.1272 0.000 929.270 938.188 14.9183 173.600 931.980 937.980 12.000三、管道参数管道编号管径(mm) 管长(m) 流量(L/s) 流速(m/s) 千米损失(m) 管道损失(m) 2-1 400 744.0 173.600 1.581 4.219 3.139 3-2 400 49.3 173.600 1.581 4.219 0.208四、管网平差结果特征参数水源点 1: 节点流量(L/s):-173.600 节点压力(m):941.33最大管径(mm):400.00 最小管径(mm):400.00最大流速(m/s):1.581 最小流速(m/s):1.581水压最低点 3, 压力(m):937.98 自由水头最低 3, 自由水头(m):12.00 则水泵扬程为52.127米,考虑到泵站内水头损失(初估为1.5m)以及为保证水泵长期良好稳定工作而取的安全水头(一般采用1~2m),扬程计55米。
泵与泵站设计设计题目:取水泵站工艺扩大初步设计目录设计说明书 (1)<一>工程概述 (2)(一)工程概括 (2)(二)(二) 设计资料 (2)<二>设计计算 (2)(一)设计流量Q (2)(二)设计扬程H (2)(三)初选泵和电机 (3)(四)吸水、压水管路设计 (7)(五)吸水井设计计算 (8)(六)水泵间布置 (8)(七)吸水管与压水管的水头损失计算 (10)(八)泵安装高度的确定和泵房筒体高度计算 (12)(九)辅助设备设计 (13)(十)泵房建筑高度的确定 (14)设计图纸(附)设计说明书<一>设计概述 (一)设计概括因发展需要,规划设计日产水能力为8万m3的水厂,现需设计该水厂取水泵站。
(二)设计资料1、设计流量8万m3/d (不包括厂内自用水),水厂自用水系数α=10%。
2、水质符合国家饮用水水源卫生规定。
河边无冰冻现象,根据河岸地质地形已确定采用固定式取水泵房,从吸水井中抽水,吸水井采用自流从江中取水,取水头部到吸水井间自流管的长度为100米。
3、水源洪水位标高为80.3米(1%频率),枯水位标高为55.2米(97%频率),常年平均水位为70.75米。
4、净化场混合井水面标高为98.25米,取水泵站到净化场输水干管全长为130米。
水厂为双电源进线,电力充分保证。
<二>设计计算(一) 设计流量Q已知日产水量8万m3(不包括厂内自用水),自用水α=10%,曲T=24h ,则 设计流量为 Q=1.1×2480000=3666.7 m3/h=1.02 m3/s (二) 设计扬程H1)泵所需静扬程ST H通过取水部分的计算已知在最不利情况下(即一条自流管道检修,另一条自流管道通过75%的设计流量时),从取水头部到泵房吸水间的全部水头损失。
设采用两条DN900的钢制自流管并联作为原水输水干管,当一条输水管检修,另一条输水管应通过75%的设计流量,即Q=0.75×3666.7=2750m3/h=0.764m3/s 查水力计算表得管内流速 v=1.21m/s,i=1.8‰ 沿程水头损失:18.0=⋅=l i h f m局部水头损失:查局部水头损失表,局部水头损失系数ξ=0.56 g h vj 22ξ==0.568.922112⨯.=0.042m全部水头损失m h h h j f 222.018.0042.0=+=+=所以,从取水头部到泵房吸水间的全部水头损失为0.222m ,则吸水井中最高水面标高为80.3-0.222=80.08m ,最低水面标高为55.2-0.222=54.98m ,所以泵所需静扬程ST H 为:洪水位时,ST H =98.25-80.08=18.17m 枯水位时,ST H =98.25-54.98=43.27m 2)输水干管中的水头损失∑h设采用两条DN900的钢制自流管并联作为原水输水干管,当一条输水管检修,另一条输水管应通过75%的设计流量,即Q=0.75×3666.7=2750m3/h=0.764m3/s 查水力计算表得管内流速 v=1.21m/s,i=1.8‰ 输水管路水头损失;∑h =1.1×0.0018×130=0.2574m (式中1.1包括局部损失而加大的系数) 3)泵站内管路中的水头损失∑h 粗估2.0m ,安全水头2m 则泵设计扬程为:枯水水位时:m H m 53.470.20.22574.043.27ax =+++= 洪水水位时:m H m 43.220.20.22574.018.17in =+++=(三) 初选泵和电机(1) 管道特性曲线的绘制管道特性曲线的方程为Q S H h H H ST ST 2+=∑+= 式中 ST H ——最高时水泵的净扬程,m; h ∑——水头损失总数,m;S ——沿程摩阻与局部阻力之和的系数;Q ——最高时水泵流量,m3/sST H =43.27m ,把Q=0.764m3/s ,H=47.53m ,代入上式得:S=7.3所以,管路特性曲线即为:H=ST H +7.3Q 2=43.27+7.3Q 2可由此方程绘制出管路特性曲线,见表1表1 管路特性曲线Q-H 关系表Q(m 3/h) 0 500 1000 1500 2000 ∑h(m) 0.00 0.14 0.57 1.29 2.29 H(m) 43.27 43.41 43.84 44.56 45.56 Q(m 3/h) 2500 3000 3500 4000 4500 ∑h(m) 3.48 5.15 6.87 9.16 11.41 H(m)46.7548.4250.1452.4354.68(2)水泵及电机的选择根据管路特性曲线、流量和扬程及选泵要点,本设计可以选用四台14SA-10A 型泵(Q=250-350L/s, H=54-60m, N=209.99KW, Hs=2.6m),三台工作,一台备用。
《泵与泵站》课程设计计算说明书28万人城镇取水送水泵站设计学院:环境科学与工程学院专业:给水排水工程班级:学号:学生姓名:指导教师:二○一二年十二月目录前言 (4)一设计任务 (4)二设计题目 (4)三设计依据 (4)四设计原始资料 (4)第一章取水泵站 (6)1.1设计流量的确定和设计扬程的估算 (6)1.2初选泵和电机 (7)1.3吸水管路的设计 (8)1.4压水管路的设计 (9)1.5机组与管道布置 (9)1.6吸水管和压水管中水头损失计算 (11)1.7泵安装高度确定和泵房筒体高度计算 (12)1.8附属设备的选择 (13)第二章送水泵站 (14)一设计思路 (14)2.1 选择水泵 (14)2.1.1 初选水泵 (14)2.1.2 确定电机 (16)2.2 水泵机组的基础计算 (17)2.3 水泵吸水管和压水管系统的设计 (19)2.3.1 管路布置 (19)2.3.2 管径计算 (19)2.3.3 管路附件选配 (19)2.4 布置机组和管道 (20)2.5 吸水井的设计 (20)2.6 吸水管路和压水管路中水头损失的计算 (20)2.7 各工艺标高的设计 (22)2.8 复核水泵和电机 (22)2.9 消防校核 (23)2.10 设备的选择 (23)2.10.1 引水设备 (23)2.10.2 计量设备 (24)2.10.3 起重设备 (24)2.10.4 泵房高度 (24)2.10.5 排水设备 (25)2.11 泵房的建筑高度和平面尺寸的确定 (25)第三章水塔的设计与校核 (26)3.1水塔高度的确定 (26)3.2 水塔转输校核 (26)第四章其他说明 (27)4.1主要参考资料 (27)前言一、设计任务根据任务书给定的资料,综合运用所学的专业知识,进行某城镇取水泵站与给水泵站相关设计。
二、设计题目28万人城镇取水送水泵站设计三、设计依据浙江省相关文件:“关于浙江省某城镇给水取水工程计划任务书的批复”同意该城镇建设给水取水泵站。
四、设计原始资料主要设计资料1、基础资料(1) 某城镇总平面图(1:8000)。
(2) 近期规划人口密度:500人/公顷,给水普及率100%,最高日居民生活用水定额150L/cap d。
(3) 居住区建筑为6层(即控制点自由水头为28米)。
(4) 居住区卫生设备:室内有给排水设备和淋浴设备。
(5) 城市给水管网供水的工厂A,用水量为800m3/d,该厂按三班制工作,每班人数300人,每班淋浴人数为30%;水厂B,用水量为500m3/d,该厂按两班制工作,每班人数400人,每班淋浴人数为50%。
两个工厂对水质和水压无特殊要求。
(6) 铁路车站用水量为500m3/d。
(7) 医院用水量为500m3/d。
(8) 浇洒道路及绿地用水量300m3/d。
(9) 未预见用水量及管网漏水量取值范围15-25%。
(10) 此城镇位于浙江省内,土质为砂纸粘土,无地下水,不考虑冰冻。
(11) 二级水泵站采用二~三级制。
居民生活最高日用水量变化表表1-1时间0~1 1~2 2~3 3~4 4~5 5~6 6~7 7~8用水量(%) 1.51 1.51 1.2 1.2 1.99 4.27 5.68 5.92时间8~9 9~10 10~11 11~12 12~13 13~14 14~15 15~16 用水量(%) 6.12 5.69 5.32 5.33 5.26 5.24 5.30 5.46时间16~17 17~18 18~19 19~20 20~21 21~22 22~23 23~24 用水量(%) 5.89 6.04 5.70 5.11 3.56 2.73 2.20 1.862、给水管网设计的部分成果1、根据用水曲线确定二泵站工作制度,分两级工作。
第一级(20:00~5:00),每小时占全天用水量的1.97。
第二级(5:00~20:00),每小时占全天用水量的5.48%。
2、城市设计最不利点建筑层数6层,自由水压为28m。
3、给水管网平差得出的二泵站至最不利点的输水管和配水管网的总水头损失为19.53m。
4、清水池所在地地面标高为1092.5m,清水池最低水位在地面以下3.0m。
5、水塔地面标高1091m。
3、净水厂厂址同《给水排水管网系统》课程设计结果,净水厂混凝池高6.5m。
取水方式:以下两种方式任选一种:(1)自流管进行(2)河岸取水(3)利用渗渠取水4、取水泵站和送水泵站位置自定,假定地质条件均符合建站要求设计水量、送水泵站所需扬程均根据《给水排水管网系统》课程设计结果确定。
第一章 送水泵站1.1 设计流量的确定和设计扬程估算1.设计流量Q为了减小取水构筑物、输水管道各净水构筑物的尺寸,节约基建投资,在这种情况下,我们要求一级泵站中的泵昼夜不均匀工作。
因此,泵站的设计流量应为:式中 Q r ——一级泵站中水泵所供给的流量(m 3/h);Q d ——供水对象最高日用水量(m 3/d);α——为计及输水管漏损和净水构筑物自身用水而加的系数,取1.05;T ——一级泵站在一昼夜内工作的小时数。
设计流量为 Q=1.05×53603/24 =2345.1m 3/h =0.651m 3/s 2.自流管设计为了安全可靠性考虑,吸水管道采用两条并联管道,每条管道设计流量0.651m³/s×75% =0.488m³/s 。
正常使用时流量为每条管道各一Q=0.5×0.651m³/s=0.326m³/s 。
每条管道正常流量0.326m³/s ,经济流速取1.5m/s ,则A=Q/v=0.217㎡D=554mm 取DN800,确定采用两根DN800的钢筋混凝土圆管为自流管, DN800,流量用事故流量75%计算,查阅给排水设计手册,1000i=6.95,v=1.85m/s 。
从取水头部到泵房洗水间的全部水泵水头损失: (自流管长80米,设局部水头损失占沿程水头损失15%) ∑h=1.15×80×0.00695=0.6394m3.设计扬程H(1)泵所需静扬程H ST通过取水部分的计算已知在最不利情况下(即一条自流管道检修,另一条自流管道通过 75%的设计流量时),设从取水头部到泵房吸水间的全部水TQ Q d r α=头损失为0.64m,水厂标高1088.75m,水厂混凝池高6.5m,取水点标高为1085.46m,所以泵所需静扬程H st为:H st =1088.70+6.5-(1085.46-0.64)=10.38m(2)输水干管中的水头损失∑h设采用两条DN800的钢管并联作为原水输水干管,当一条输水管检修时,另一条输水管应通过75%的设计流量,即Q=0.75×2345.1=1758.8m3/h=0.489m3/s,查钢管水力计算表得管内流速v=0.97m/s,1000i=1.4,所以输水管路水头损失:∑h=1.1×0.0014×320/1000=4.928注:式中1.1包括局部损失而加大的系数(3)泵站内管路中的水头损失hp泵站内管路中的水头损失粗估为2m,安全水头取2m。
则泵设计扬程为:H=74.7+4.928+20+20=11.9628m1.2初选泵和电机1选泵的主要依据:流量、扬程以及其变化规律(1)大小兼顾,调配灵活(2)型号整齐,互为备用(3)合理地用尽各水泵的高效段(4)考虑必要的备用机组(5)考虑泵站的发展,实行近远期相结合(6)尽可能选用同型号泵,使型号整齐,互为备用。
2水泵选择见图1-1图1-1选择方案3:四台300S12型的水泵,三台用一台备用(Q=170-250L/SH=10-14.5m N=30.98Kw)3电机选择查《给水排水手册》,电动机型号:Y225S-4 功率37Kw4机组基本尺寸的确定机组基础的作用是支撑和固定机组,便其运行不致发生剧烈震动,更不允许产生基础沉陷。
因此对基础的要求如下:(1)坚实牢固,除能承受机组的静荷载外,还能承受机械振动荷载。
(2)要浇在较坚实的地基上,不宜浇在松软的地基或新填土上,以免发生基础下沉或不均匀沉陷。
查《给水排水手册》,300S12型的水泵基础平面基础尺寸4500mm*1500mm H=3.0*w/(L*B*Y)=3*12798..8/(4.5*1.5*23520)=0.24m。
式中L—基础长度;B—基础宽度;r —基础所用材料的容重,对于混凝土基础,r=23520N/m3。
基础实际深度连同泵房地板在内,应为1.42m1.3 吸水管路的设计每台水泵有单独的吸水管和压水管。
1.3.1流量Q=0.722/2=0.361m³/s1.3.2吸水管路的要求(1)不漏气(2)不积气(3)不吸气(4)吸水管的设计流速:管径小于250㎜时,V取1.0~1.2 m/s 管径等于或大于250㎜时,V取1.2~1.6 m/s1.3.3吸水管路直径查阅《给水排水设计手册》,确定采用两条DN600的钢管,v=1.23m/s 1000i=3.0。
1.4压水管路的设计1流量QQ=0.361m³/s2压水管路要求(1)求坚固而不漏水,通常采用钢管,并尽量焊接口,为便于拆装与检修,在适当地点可高法兰接口。
为了防止不倒流,应在泵压水管路上设置止回阀。
(2) 压水管的设计流速:管径小于250㎜时,为1.5~2.0 m/s管径等于或大于250㎜时,为2.0~2.5 m/s3压水管路直径查阅《给水排水设计手册》,确定采用DN450的钢管,v=2.18m/s 1000i=14.1。
1.5机组与管道布置1基础布置基础布置情况见取水泵站祥图。
泵机组布置原则:在不妨碍操作和维修的需要下,尽量减少泵房建筑面积的大小,以节约成本。
(1)机组的排列方式采用机组横向排列方式,这种布置的优点是:布置紧凑,泵房跨度小,适用于双吸式泵,不仅管路布置简单,且水力条件好。
同时因各机组轴线在同一直线上,便于选择起重设备。
(2)机组与管道布置本取水泵房采用圆形钢筋混凝土结构,此类泵房平面面积相对较小,可以减少工程造价。
为了尽可能地充分利用泵房内的面积将四台机组交错并列成两排,两台为正常转向,两台为反向转向,在订货时应予以说明。
每台泵有单独的吸水管、压水管引出泵房后两两连接起来。
水泵压水管上设蝶阀(D341X-10)和蝶阀(D941X-10),吸水管上设闸阀(Z945T-10)和蝶阀(VED341X-1.0)。
对于房内机组的配置,我们可以采用安装四台Sh-19A型水泵,三台工作,一台备用。
(3)水泵间平面尺寸的确定水泵机组采用四台并列布置,泵房采用圆形钢筋混凝土结构。
横向排列各个部分尺寸应满足下列要求:1)D1:进水侧泵与墙壁的净距D1≥1000,取D1=1200㎜2)B1:出水侧泵基础与墙壁的净距B1≥3000,取B1=3500㎜3)A1:泵凸出部分到墙壁的净距A1=最大设备宽度+0.5m=1250+1000=2250㎜取2700㎜4)C1:电机凸出部分与配电设备的净距 C1=电机轴长+0.5m。