泵站设计
- 格式:doc
- 大小:71.50 KB
- 文档页数:7
油箱的设计1.作用油箱在液压系统中具有存储液压油、散发油液热量、逸出空气、沉淀杂质和安装元件的作用。
2.种类整体式:是指在机器的构件内形成的油箱,如机床的床身。
两用式:是指与机器的其它目的的公用油箱,如兼做淬火作用。
独立式:最广泛的油箱。
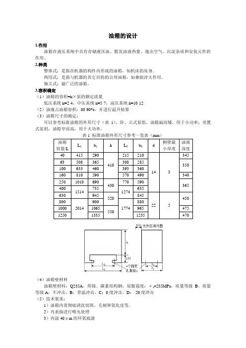
3.容积确定(1)油箱的容积=k×泵的额定流量低压系统k=2-4,中压系统k=5-7,高压系统k=10-12(2)油液占油箱容积:80-90%,并进行温升验算(3)油箱尺寸的确定:可以参考标准油箱的外形尺寸(表1)。
卧、立式泵组,油箱扁而矮,用于小功率;旁置式泵组,油箱窄而高,用于大功率。
油箱容量/LL1b1h L2b2 d侧壁最小厚度油液深度40 415 290410215 21014 334563 508 365 308 285350100 633 460 393 360160 810 590 570 490 340250 1010 690430770 59036540015147351274635630 94552084522 5450800201490017748801000 1065550965 475 1250 1335 1235 470(4)油箱壁材料油箱壁材料:Q235A,焊接。
碳素结构钢,屈服强度:σs=235MPa,质量等级B。
质量等级A:不冲击,B:常温冲击,C:0度冲击,D:-20度冲击(5)技术要求:1)油箱内需彻底清洗切屑、毛刺和氧化皮等。
2)内表面进行喷丸处理3)内涂40μm的环氧底漆4.油箱附件(1)角铁用等边角钢,L30×30×3,L30×30×,4,L,25×25×3,L40×40×3/4/5均可。
材料Q235B,焊接。
(2)清洗窗清洗窗可以清洗油箱的所有内表面,在油箱侧壁上焊接一个法兰,并加装一个密封件和盖板,用紧固件连接。
其中盖板应能由一个人拆装,尺寸参考表2。
大型泵站的标准一、泵站设计标准1.泵站设计应符合国家相关法律法规和标准,确保泵站的安全、稳定、经济、环保。
2.泵站设计应考虑泵站的具体位置、地形、水文、气象等条件,以及泵站对周边环境的影响。
3.泵站设计应选用高效、低耗、低噪声的泵机组,并配备相应的辅助设备和控制系统。
4.泵站设计应考虑泵站的运行维护和管理,合理设置泵房、配电室、控制室等设施。
5.泵站设计应根据实际需要,合理确定泵站的容量和规模,以满足用户需求。
二、泵站设施标准1.泵站设施应符合国家相关标准和规范,包括泵机组、电气设备、仪器仪表等。
2.泵站设施应定期进行维护和检修,确保其正常运行和延长使用寿命。
3.泵站设施应配备相应的安全装置和应急设备,如消防器材、应急电源等。
4.泵站设施应合理布局,确保人员和设备的通行和操作空间。
5.泵站设施应合理设置标识和标牌,便于操作和管理。
三、泵站运行标准1.泵站运行应符合国家相关法规和标准,确保泵站的安全、稳定、经济、环保。
2.泵站运行应制定相应的操作规程和安全制度,并严格执行。
3.泵站运行应配备合格的运行人员和值班人员,确保泵站的正常运行和维护。
4.泵站运行应定期进行巡检和维护,及时发现和处理设备故障和安全隐患。
5.泵站运行应做好运行记录和数据分析工作,为泵站的优化运行和管理提供依据。
四、泵站维护标准1.泵站维护应定期进行,包括日常维护、定期检修、年度大修等,确保泵站设备的正常运行。
2.泵站维护应由专业人员进行,并严格按照维护规程进行操作。
3.泵站维护应对设备进行全面检查和维护,包括润滑、清洁、紧固等,确保设备的安全性和稳定性。
4.泵站维护应对设备进行测试和试验,确保其性能和可靠性达到设计要求。
5.泵站维护应做好记录和资料整理工作,为泵站的维护和管理提供依据。
五、泵站安全标准1.泵站安全应符合国家相关法规和标准,确保人员和设备的安全。
2.泵站安全应建立完善的安全管理制度和操作规程,并严格执行。
3.泵站安全应对人员进行安全教育和培训,提高员工的安全意识和操作技能。
水利工程泵站设计
概述:
水利工程泵站是为了满足农田、城市、工矿等生产生活需求,对自然水源采集、输送、分配、控制及污水收集和排放等作用的综合设施。
因此其设计必须考虑到各个方面的因素。
设计要点:
1. 选址合理,地势平坦,周围无建筑物和固体废物;
2. 泵站的类型和容量选择要符合实际需要,应根据所需的灌溉水量、管道长度、管道等级和水源类型等条件来确定;
3. 泵站的进出水口要合理设置,进口应考虑自来水厂进水管的位置,出水口应提高管道坡度以利于污水自流;
4. 设计时必须考虑到泵站所在地的环境因素,如气候、温度等因素对泵站运行的影响;
5. 泵站的设备的选择一定要与设备生产厂家联系,按照其要求设计,并要充分考虑运行维护和更换等问题;
6. 泵站的电气系统、仪表系统、自动化控制系统要选择先进、可靠的设备,确保泵站的安全稳定运行;
7. 泵站还需考虑与其他设施的配套,如机房、维修库房等建筑
设计。
这些要点对于水利工程泵站的设计与建设具有重要意义,同时,水利工程泵站的改善和维修也应按照这些原则来进行。
泵站工程设计方案 (一)随着城市化进程的不断推进,城市对于水资源的需求越来越大,给供水系统带来了相应的压力。
因此,泵站工程作为供水系统的重要组成部分,不仅要满足日益增长的供水需求,还要提高供水系统的稳定性。
在泵站工程的设计中,必须考虑多种因素,例如泵站的地理位置、周围环境、供水需求等等。
接下来,将从以下几个方面探讨泵站工程的设计方案。
一、泵站工程的地理位置泵站的地理位置是泵站工程设计中最为重要的一点。
泵站应该建在水资源集中的地区,以便降低水输送过程中的阻力。
同时,在选址的过程中还需要考虑到供水区域的地理位置和周围环境。
这样可以确保泵站不会对周围的环境和居民造成影响。
二、泵站工程的泵站筛选在泵站工程设计中,泵站的选择非常重要。
选用合适的泵站可以提高供水系统的效率和稳定性,减少故障和维护时间。
一般来说,小型供水系统选用单级离心泵,大型供水系统则需要考虑多级离心泵。
三、泵站工程的管道设计泵站工程的管道设计也非常重要。
优秀的管道系统可以减少泵站输送时间和能耗,提高供水系统的效率。
在进行管道设计时,应该考虑到供水区域的地形、管道材质、管道长度、管道的摩阻系数等因素。
这样可以确保管道系统的稳定性和有效性。
四、泵站工程的控制和监测控制和监测在泵站工程设计中也是必要的步骤。
一个好的控制和监测系统可以帮助工程师更好地监控水流量和水压。
同时,在设计控制和监测系统时,还需要考虑到未来的发展和扩张。
总之,泵站工程设计方案需要综合考虑多种因素,包括泵站的地理位置、泵站的选择、管道设计以及控制和监测系统的设计。
只有将这些因素充分考虑,才能设计出一个高效、稳定的供水系统,以满足城市日益增长的供水需求,让居民享受更好的生活条件。
水利工程泵站设计方案一、需求背景近年来,我国不仅城市化进程快速推进,而且农田灌溉和水资源利用的需求也在不断增长。
为了满足这些需求,水利工程泵站的建设变得非常重要。
本文将针对水利工程泵站的设计方案进行探讨。
二、泵站选址泵站的选址应考虑以下几个方面:1. 地理位置:选择离灌溉区和供水区较近的地理位置,以减少输送距离和输送损失。
2. 地质条件:选址应避开地震带、滑坡区和地下水位较高的区域,确保泵站安全运行。
3. 交通条件:选址应尽量靠近公路和铁路,便于设备运输和维护。
4. 水资源条件:选址应在水资源充足的地方,以确保泵站的正常供水功能。
三、泵站规模确定泵站的规模大小决定了其流量和扬程的能力,需要根据实际需求来确定。
具体的规模确定步骤如下:1. 计算用水量:根据灌溉区或供水区的实际用水量、就地用水量等数据,以及未来的发展预测,来确定泵站的设计流量。
2. 计算扬程:根据选址地区的地势高差、输送距离等因素,计算出泵站所需的扬程。
3. 选择泵机类型:根据设计流量和扬程来选择合适的泵机类型,包括离心泵、混流泵等。
4. 备用设计:为了确保泵站的可靠性和安全性,应根据实际情况考虑备用泵机和备用电源等。
四、泵站设计布局泵站设计布局应合理布局各个功能区域,确保运行的高效性和安全性:1. 机房区域:包括泵机、电机设备和控制设备等,应合理安排机房空间和设备摆放位置,便于设备的维护和操作。
2. 储水区域:包括储水池或水箱等,用于储存水源,应根据实际需要合理确定储水容量。
3. 输水管道:根据输送距离、地势高差和流量大小等因素,合理设计管道的布局和直径尺寸,以减少压力和损失。
4. 控制系统:包括监测设备、自动化控制系统等,应合理布局在机房区域,以实现运行的自动化和智能化。
五、安全措施为了确保泵站的正常运行和安全性,应采取以下安全措施:1. 泵房安全:采取防火、防爆、通风和排水等措施,确保机房内的设备和人员安全。
2. 设备维护:制定设备维护计划,定期对设备进行巡检和维护,确保设备的正常运行。
第四章泵站设计一、水泵的选择(一)泵的设计原则:1.在满足最大工况要求的条件下,应尽量减少能量的浪费;2.合理的利用各水泵的高效率段;3.尽可能选用同型号泵,使型号整齐,互为备用;4.尽量选用大泵,但也应该按实际情况考虑大小兼顾,灵活调配;5.∑h值变化大,则可选不同型号泵搭配运行;6.保证吸水条件,照顾基础平行,减少泵站埋深;7.考虑必要的备用机组;8.进行消防用水时的校核;9.考虑泵站的发展,实行近远期相结合;10.尽量选用当地成批生产的水泵型号。
(二)经计算选泵:1.经排水设计得:Q=L/s,选取L/s。
2.选择集水池与机器间合合建成矩形泵站,选4台水泵(一台备用);每台水泵容量为/3=L/s;集水池容积采用相当于一台泵6min的容量:W=×6×60/1000=m3,有效水深H=2m,集水池面积F=㎡1.选泵前扬程估算(1)首先确定集水池最低水位与所需提升最高水位之间高差:H0=102-(-0.1-2)=m(2)总运水管线水头损失,总出水管Q=366L/s,v=1.86m/s,D=500铸铁管i=9.16‰设总出水管管中心埋深1.5m,局部损失为沿程损失的30%泵站外管线水头损失为:[100+(102-97+1.5)]×9.16/1000=1.28mH=9.25+1.28+1.5+1=13.03m≈13.0m查手册11得:选用KWP K300-720型水泵,每台泵Q=122L/s,H=14.2m三、校核a.吸水管路每根吸水管Q=122L/s,D=350mm,V=1.22m/s,i=6.07‰根据图示直管长度3.3m,D300mm 90°弯头1个(ξ=0.78)D300mm 阀门1个(ξ=0.07)D300×D200mm 渐缩管(ξ=0.19)喇叭口(ξ=0.1)沿程损失:3.4×6.07/1000=0.021m局部损失:(0.78+0.07+0.1)×1.222/2g+0.19×2.752/2g=0.145m吸水管总水头损失:0.021+0.145=0.166m=0.17mb.压水管路A-B段:D300mm v=1.67m/s i=14‰D200×D300 渐扩管(ξ=0.16)D300mm 阀门(ξ=0.07)D300→D500mm 变径90°弯头(ξ=0.78)止回阀(ξ=3.5)局部损失0.16×3.762/2g+(0.07+0.78+3.5)×1.672/2g=0.73m沿程损失3.2×14/1000=0.045mB-C段:两个变径三通: ξ=1.51个等径丁字管: ξ=3.0DN500 90°弯头ξ=0.96总水头损失=(1.5×2+3.0+0.96)×1.862/2g=1.23mH=9.25+0.17+0.78+1.23=11.50m设增加安全水头1m,故H`=H+1=12.50m故选择的泵是合适的.四、泵房的平面布置:本设计采用横向排列的水泵。
泵站典型设计泵站是指用于抽水、输送水、提升水位及调节水压的设施,广泛应用于农田灌溉工程中。
泵站设计的目的是为了实现高效、可靠、经济的灌溉运作。
本文将对泵站的典型设计进行详细介绍。
一、选址与布局设计泵站的选址应满足以下几个条件:地势平坦、水源充足、地下水位较低、交通便利。
同时,在选址过程中应考虑将来扩建的可能性。
布局设计应包括以下几个方面:1.主要设备的布置:包括泵机、水源和出水渠等设施的布置。
2.工作区域划分:分为运行区、维修区和办公区等。
3.道路和通道:设计合理的道路和通道,方便设备的运输和维修。
二、水源设计水源是泵站的重要组成部分,水源的设计应充分考虑水质、水量和水源的可持续性。
在设计水源时,需要进行水质分析和水量测算,确定水源的适宜性。
同时,要考虑保护水源的环境和周围的生态系统。
三、设备选型与安装设计1.泵机选型:根据灌溉面积和水量需求选择适当的泵机,确保其运行稳定、效率高。
2.泵机安装设计:泵机的安装应满足以下要求:防震、防水、易于维修和检修。
3.输水管道设计:确保输水管道的保水能力和稳定性,减少流量损失。
四、电力系统设计泵站的电力系统设计应包括供电线路、变压器、电缆和开关设备等。
在设计电力系统时,需要考虑供电可靠性、电力负荷和节约能源等因素。
五、控制系统设计泵站的控制系统设计应确保泵机的启停控制、压力调节和报警功能的正常运行。
主要包括以下几个方面:1.自动控制系统:采用PLC(可编程控制器)实现泵机的自动启停和压力调节。
2.远程监控系统:通过互联网或无线通信方式实现对泵站运行状态的远程监控。
六、安全与维护设计泵站的安全与维护设计至关重要,主要包括以下几个方面:1.安全设施设计:包括防火、防爆、防塌等安全设施的设置。
2.维护通道设计:提供方便、安全的通道,方便设备的维护和检修。
3.定期维护计划:制定定期维护计划,确保设备的正常运行和寿命。
总结:泵站典型设计应从选址与布局设计、水源设计、设备选型与安装设计、电力系统设计、控制系统设计以及安全与维护设计等方面进行全面考虑。
可编辑修改精选全文完整版泵站工程设计方案泵站工程设计方案为了确保事情或工作有序有力开展,通常需要提前准备好一份方案,方案是在案前得出的方法计划。
那么什么样的方案才是好的呢?以下是小编为大家收集的泵站工程设计方案,欢迎大家分享。
1.设计依据的基本资料根据业主单位提供的年提水量为3000万方,取水地点为村东取沙场附近,水面为117.864m,取水口附近河道纵坡较缓,在0.05%左右,供水用户厂区地面高程149.812m,二期电厂现状地表为153.0m,另外现正在建的电厂供水泵站前池设计水位135.25m,最高水位135.75m,前池底板高程131.5m。
2.工程总体布置通过对现场的踏勘,和业主交换意见初步确定在村东取沙场附近建造一级泵站,经泵站加压输水至新村西北,铁路以南地势在160m 以上的区域,在该区域内建一17万方的蓄水池(满足厂区两天用水量)。
蓄水池可以敷设管道自流到二期电厂,另外可以敷设管道到现正在建的电厂供水泵站进水池,作为电厂供水泵站的备用水源。
3.工程等别及建筑物级别泵站装机容量900kW(不含备用机组,含备用机组1200kW),提水流量1.O5 m3/s,属于Ⅳ等工程。
主要建筑物为4级建筑物,次要和临时性建筑物为5级。
泵站属临河泵站,且处于沁河之中,以受上游水库运用影响为主。
4.泵站设计4.1泵站形式选定由于泵站取水水位根据不同季节水位变幅较大,适合的泵站形式主要有竖井式泵站,可以保证水泵在干燥环境下运行,以及浮船式泵站,根据河道水位自动升降浮船。
现场查勘发现枯水期沁河水位较浅,不利于浮船布置。
从而本次方案按照竖井式泵站设计。
由于没有地质资料,不易判断地基承载力大小,仅地基以上部分井筒内径13m,外径15—16m,壁厚1—1.5m,底板厚2.0m。
根据泵站位置防洪水位确定泵站顶部高程,通过工作桥把大堤与泵站连接起来。
水泵泵房前面设20xxm3的蓄水池便于水泵取水。
电源根据现有电网情况给电力部门协调解决。
泵站设计规范泵站是一种重要的给水和集水设施,主要用于将水从低位向高位输送,将降雨、河流、湖泊中收集到的水资源有序地加以引入,对防洪、改善水质、发展水利等给水工程和水环境改造工程提供重要的输水动力。
在这种情况下,泵站设计规范必不可少,国家有关部门出台了一系列泵站设计规范,严格控制泵站的设计建设、改造和运行。
二、泵站设计的原则1、结构原则:依据不同水源来源、调水路线和服务对象的不同,泵站可采用立式泵站或背压式泵站等形式;2、投资原则:泵站设计时,除确保安全、可靠性和节能性外,投资成本应以保证设计功能及其有效性为目的;3、安全原则:泵站在设计、施工和使用过程中,应根据设计要求和运行要求,结合实际情况,以保证泵站安全和可靠运行为原则;4、节能原则:在保证安全可靠的前提下,泵站的设计应尽可能采用节能技术,尽量减少集水和输水管线的损耗,减少能源消耗;5、材料原则:泵站建设应采用适合水源条件、服务对象条件、经济条件及当地环境条件的建设材料及设备,满足设计要求及服务对象的要求。
三、泵站设计的四个方面1、水源和水质处理:泵站依靠水源来源,应根据水源来源、水质特点,采取相应的控制和处理措施;2、水位调节装置:为了调节输水量和压力,控制泵站实际运行情况,可采用平衡声门、定量调节器等水位流量调节装置;3、自动化控制:开发、改造和运行的控制,可安装自动控制设备,将仪表、报警器、保护器、控制器等设备结合起来,实现自动控制;4、安全防护:为了保障泵站的安全运行,可采用电气安全防护、机械安全防护和建筑安全防护等措施。
四、泵站设计规范1、设计规范:应严格按照国家规定的设计标准和技术规程,进行泵站设计,满足设计功能及服务对象的要求;2、性能要求:泵站应具备安全、可靠、高效、节能的工作特性,能够以低成本运行,符合经济效益和社会效益的要求;3、施工规范:依据设计施工文件,采取必要的预防措施,合理安排施工工艺,严格管控施工单位,确保施工质量;4、材料要求:确定选用的材料,要求满足国家有关质量标准,坚持先期检验,并建立完善的质量管理体系,确保质量稳定可靠;5、调试规范:要确保调试过程中的安全生产,调试应按照规范的程序和内容进行,完成调试后,应及时停止调试,保护泵站及其设备的完整性。
泵站设计规范泵站是指建设在水源处的水泵机房,其作用是将流动的水抽取出来,在高点提升水平后,抽取到水渠,以满足用水需求。
泵站设计的质量直接影响到整个供水系统的效率和性能,因此设计规范的合理性是至关重要的。
一、计量装置1、控制电气设备:泵站内应设置适当的控制电气设备,以控制泵站内设备的运行。
2、计量仪表:泵站内均应设置适当的计量仪表,包括流量计、扬程表、泵性能表、液位计等,以监控水的进出情况。
3、自动控制仪表:泵站内设置自动控制仪表,通过调整水流量和压力来进行泵的控制和管理。
二、泵的选择1、选择合适的泵:在选择泵时,需要根据泵站的水质和水量等具体情况,来选择合适的泵种类,以便保证泵的性能和节能。
2、调整转速及改变方向:在选择泵时,要根据泵站的水流量和压力,来改变泵的转速和变向,以确保泵的正常运行。
三、泵站结构1、建筑结构:泵站的建筑结构要能抵抗环境的冲击,水污染和侵蚀,以及内部的流体振动,保证泵站的质量和安全。
2、管路设计:管路的设计必须考虑其适当的截面积,严格按照泵站的供水要求,来确定管路型号,并考虑管路的清洁和供水的稳定性。
3、支撑结构:支撑结构要能承受泵系统和泵站结构上的负荷,以保证泵站的稳定运行。
四、操作控制1、操作人员:泵站内应设置足够多的操作人员,以检查和维护泵站,确保泵站的正常运行。
2、操作程序:操作者应按照规定的操作程序,操作泵站,并及时的记录下操作的数据和记录,以检查是否出现异常情况,以便及时采取措施处理。
3、安全系统:泵站内应设置适当的安全系统,及时发现和报告发生的异常状况,以及在泵站开启运行时,提醒操作者需要重视的安全因素。
通过以上设计规范,可以使泵站的运行更加安全、稳定、有效,从而满足用水的需求。
泵站的设计是大型供水系统的基础,直接关系到供水效率的提高,因而必须要求设计的合理性。
设计规范的合理性不仅决定了整个供水系统的效率和性能,同时也能有效提高节能效果,减少能源的消耗。
泵站设计资质要求一、法律法规要求根据我国相关法律法规的规定,从事泵站设计的单位应具备独立法人资格,并有从事相应工程设计的注册人员;从事泵站设计的个人,应具备相应水利工程设计相关专业职称或专业技术资格。
二、专业能力要求从事泵站设计的单位或个人应具备以下专业能力要求:1.具备水利工程设计相关经验,并能提供对应项目的设计业绩和先进技术成果;2.熟悉国家相关法律法规、规范和标准,能够准确理解和运用;3.具备泵站工程设计所需要的专业知识和技能,能够进行泵站的基本结构设计、水力计算、动力计算等工作;4.熟悉泵站相关设备和材料的选择和使用,具备供水、排水、灌溉等不同用途泵站的设计能力;5.具备合理利用现代计算机辅助设计软件的能力,能够运用现代技术手段进行设计工作;6.具备问题解决能力和创新能力,能够解决泵站设计中的技术难题和突出问题;7.具备与项目建设、监理单位进行有效沟通和协作的能力,能够与相关方面密切合作,保证设计工作的质量和进度。
三、资质申请要求根据专业要求和申请相关资质的标准,泵站设计单位或个人应提供以下申请材料:1.泵站设计资质申请表;2.泵站设计师执业注册证书复印件;3.泵站设计师从业工程设计经历和业绩材料;4.泵站设计师个人简历、学历证明和技术职称证书复印件等相关证明材料;5.泵站设计单位提供的营业执照、组织机构代码证等相关法人资质证明材料;6.泵站设计单位提供的设计业绩和技术成果材料;7.泵站设计单位提供的现有人员配备和职称情况。
四、其他要求除了以上法律法规和专业要求外,泵站设计资质申请还需符合以下要求:1.泵站设计师应具备良好的职业道德和责任心,能够认真履行设计师的职责;2.泵站设计单位应具有良好的信誉和声誉,能够按照合同约定完成设计工作;3.泵站设计单位应有健全的设计管理体系和质量控制体系,能够保证设计质量的稳定性和可靠性;4.泵站设计单位应有专业技术人员的继续教育计划和培训体系,不断提高专业能力和技术水平;5.泵站设计资质应定期进行审核和复查,以保证设计单位和个人的资质符合最新的要求。
泵站课程设计(给水)一、教学目标本课程的教学目标是让学生掌握泵站的基本原理、结构、类型及运行管理等方面的知识,培养学生分析和解决泵站工程实际问题的能力。
具体目标如下:1.知识目标:(1)了解泵站的基本概念、分类和特点;(2)掌握泵站的主要设备及其工作原理;(3)熟悉泵站的运行管理方法和维护保养技术;(4)了解泵站工程设计的基本流程。
2.技能目标:(1)能够运用所学知识对泵站工程进行初步设计和计算;(2)具备泵站运行操作和故障排除的能力;(3)能够对泵站进行巡回检查和维护保养。
3.情感态度价值观目标:(1)培养学生对泵站工程的兴趣,提高学习的积极性;(2)培养学生热爱祖国、服务人民、勇于创新的职业道德精神;(3)培养学生团队协作、严谨治学、追求卓越的学习态度。
二、教学内容本课程的教学内容主要包括以下几个方面:1.泵站的基本概念、分类和特点;2.泵站的主要设备及其工作原理;3.泵站的运行管理方法和维护保养技术;4.泵站工程设计的基本流程;5.泵站工程的案例分析。
三、教学方法为实现教学目标,本课程将采用以下教学方法:1.讲授法:通过教师的讲解,使学生掌握泵站的基本原理、结构和运行管理等方面的知识;2.案例分析法:通过分析典型泵站工程案例,使学生了解泵站工程设计、运行和维护的实际操作过程;3.实验法:学生进行泵站设备的认识和操作实验,提高学生的实际操作能力;4.讨论法:分组讨论泵站工程运行管理中的实际问题,培养学生解决问题的能力。
四、教学资源为实现教学目标,本课程将采用以下教学资源:1.教材:选用权威、实用的泵站工程教材作为主要教学资源;2.参考书:提供泵站工程相关的参考书籍,丰富学生的知识体系;3.多媒体资料:制作课件、视频等多媒体资料,提高课堂教学效果;4.实验设备:配置泵站工程所需的实验设备,为学生提供实践操作的机会。
五、教学评估本课程的教学评估将采用多元化的评估方式,全面客观地评价学生的学习成果。
水利工程中的泵站设计与施工规范要求水利工程中的泵站设计与施工规范要求是确保泵站正常运行和提高水利工程效率的重要方面。
泵站设计和施工规范的合理性和科学性直接关系到泵站的稳定性、安全性和可持续发展。
本文将介绍水利工程中泵站设计与施工规范的要求。
一、泵站设计的基本原则泵站设计是根据工程需要和地理环境等因素,合理规划和设计泵站的结构、设备配置、布置和施工方案等。
在进行泵站设计时,需要遵循以下几个基本原则:1. 安全性原则:泵站设计需确保设备和结构的安全可靠,承受正常和突发的水力及结构荷载。
2. 经济性原则:在满足工程需求的前提下,优化设计,合理控制造价,提高工程经济效益。
3. 可操作性原则:设计人员需要考虑到泵站设备的操作、维护和管理,确保人员的安全和设备的正常运行。
4. 环境友好性原则:在设计中要充分考虑生态环境保护和人与自然的和谐共生。
二、泵站设计的主要要求1. 泵站布置与结构:泵站应根据实际情况选择合适的布置方式,确保设备之间的运行通道畅通,方便设备维修和管理。
同时,泵站的结构应具备抗震和防洪的能力。
2. 泵站设备配置:泵站的设备配置要满足工程需要,包括主泵、辅助泵、发电机组、管道、阀门等。
各设备在选型上要考虑到压力、流量、效率等因素,确保设备的稳定运行和高效能。
3. 水力计算与管道设计:泵站的水力计算和管道设计是保证泵站正常运行的重要环节。
泵站的流量、压力、水头等参数需要进行准确的计算和测量。
在管道的设计上,要考虑到管道的材料、直径、壁厚、支持和安装等要素,保证管道的水力性能和稳定性。
4. 电气设计:泵站的电气设计要符合相关规范和标准,电气线路和设备配置要合理,确保供电的可靠性和安全性。
同时,要配备相应的监测和控制系统,方便对泵站进行远程监控和调控。
三、泵站施工的规范要求泵站施工是泵站工程的重要环节,合理规范的施工过程对于工程质量的保障至关重要。
以下是泵站施工的规范要求:1. 施工组织设计:根据泵站施工的工期和工程量,制定合理的施工策划和组织方案,明确责任分工,确保施工进度和施工质量。
泵站设计规范
泵站设计规范是指在泵站的建设和设计过程中所需遵循的规范和标准。
下面将从结构设计、设备选择、安全保障、维护要求等方面介绍泵站设计规范。
首先,在泵站的结构设计中,需要考虑泵站的布局和建筑物的设计。
合理的布局能够提高泵站的运行效率和安全性。
建筑物的设计要满足工艺设备的要求,包括泵房、发电室、仪表室等。
此外,泵站的结构设计还应考虑地质条件、地下水位等因素,确保泵站的稳定性和防渗漏性能。
在设备选择方面,应根据工程的需求和水处理要求选择合适的泵和配套设备。
泵的选型应考虑泵站的流量、扬程、运行状态等参数,并选择具有高效、可靠性能的泵。
同时,辅助设备如管道、阀门、仪表等的选择也要符合规范要求,确保设备的匹配性和运行安全性。
在安全保障方面,泵站设计需要考虑工程的安全性和可靠性。
在设计中要保证泵站设备和结构的稳定性,防止因地震、风险、洪水等外力因素导致设备的损坏和泄漏。
此外,还要考虑到防火、防爆等安全问题,加强设备和结构的防护措施。
在维护要求方面,泵站的设计应考虑设备的易维护性。
合理的设备布局、通道设置和维护空间能够方便维护人员进行设备的检修和维护。
此外,在泵站的设计中应考虑设备的耐用性和易损件的检修和更换难易程度,以减少维护成本和维护时间。
总之,泵站设计规范是确保泵站在建设和设计过程中能够满足安全、可靠、经济、易维护等要求的重要指导性文件。
设计人员应按照规范要求进行设计,以确保泵站的运行效果和维护成本的控制。
同时,设计人员还应与相关部门和专业人士进行合作,以确保设计方案的准确性和合理性。
第1篇一、工程概况本工程为一座大型泵站,位于我国某地。
该泵站主要用于灌溉、排涝、供水等。
工程总投资XX亿元,建设工期XX个月。
泵站主要建筑物包括泵房、进出水渠、节制闸等。
二、施工组织管理机构1. 项目部:负责整个工程的施工组织、协调、指挥和管理工作。
2. 施工队:负责具体施工任务的实施。
3. 质量安全监督小组:负责对施工过程中的质量、安全进行监督检查。
4. 材料供应部:负责工程材料的采购、供应、保管等工作。
5. 机械设备部:负责工程设备的采购、租赁、维护等工作。
三、施工部署1. 施工顺序:按照先主体后附属,先地下后地上的原则进行施工。
2. 施工阶段划分:施工分为三个阶段:基础工程、主体工程、附属工程。
3. 施工进度安排:根据工程总工期,制定合理的施工进度计划,确保工程按期完成。
四、施工准备1. 施工现场准备:平整场地、搭建临时设施、布置临时道路、设置排水设施等。
2. 材料准备:根据施工进度计划,提前采购、储备所需材料。
3. 机械设备准备:根据工程需求,租赁、采购施工机械设备。
4. 人员准备:组织施工队伍,进行技术培训和安全教育。
五、施工方案1. 基础工程:采用钢筋混凝土基础,施工方法为地下连续墙施工。
2. 主体工程:泵房采用现浇钢筋混凝土结构,施工方法为滑模施工。
3. 附属工程:进出水渠、节制闸等采用现浇钢筋混凝土结构,施工方法为模板施工。
六、施工进度计划及工期保证措施1. 制定详细的施工进度计划,明确各阶段施工任务及完成时间。
2. 优化施工组织,提高施工效率。
3. 加强现场管理,确保工程进度不受影响。
4. 制定应急预案,应对突发事件。
七、质量保证体系及措施1. 建立健全质量保证体系,明确各级人员质量责任。
2. 严格执行国家、行业及地方相关质量标准。
3. 加强原材料、半成品、成品的质量检验。
4. 对施工过程中的质量问题进行跟踪、处理。
八、安全文明施工措施1. 制定安全生产责任制,明确各级人员安全责任。
泵站设计规范泵站是指在输送介质(水、油、气、污水等)过程中,低水头、低压力的介质转变为高水头、高压力介质的设备组装场所,以达到输送介质的目的。
站设计是指根据工程实际情况,合泵站设计手册,照使用规范和国家有关标准,泵站进行技术计算、设计和绘制的过程。
一、泵站设计的基本原则1、安全可靠:设计要求,在正常运行及允许超载的情况下,泵站运行时安全可靠,不会出现设备故障,介质泄露,介质污染或危害人身健康,有效防止事故发生。
2、经济合理:站设计要求,在保证设备的安全要求平衡的前提下,控制投资的成本,减少损失,尽量降低建设和运行的费用,从而使工程经济适用。
3、环保可行:设计要求,在保证安全的条件下,尽可能的减少对环境的污染,以满足国家节能减排要求。
二、泵站设计的准备工作1、调研工作:首先要对项目所处地区的气候环境、地质构造、地表地面水位线、建筑与设备等情况进行调研。
2、泵站设计方案:根据调研情况,确定泵站设计方案,包括管网、泵开关等设备组成,并确定泵的型号、流量、压力、功率、排量及控制等参数。
3、泵站设计布置图:根据设计方案,制作泵站布置图,确定泵式、泵组位置、容器的规模、容器布置及内部设备的摆放位置,设计出具体的泵站高程及控制层次等要素。
4、泵站泵及管道计算:根据设计方案,利用工程水文数据,计算泵、泵叶片和管道外径、厚度,管道压力损失,计算出适宜的设计参数,并结合实际使用条件确定最佳的技术参数等。
三、泵站设计的施工准备1、施工图准备:根据设计方案,经过审批和审定,准备施工图,并准备质量检查报表及符合技术质量要求的各种资料及文件。
2、施工材料准备:确定施工所需材料,如管材、螺栓螺母、泵、泵开关、料筒、控制箱等,按照规定订购,以确保施工按照预定计划进行。
3、安全生产防护:在施工前,必须对周边社会环境、施工现场以及设备的安全生产情况进行调查和分析,并采取有效的安全防护措施,确保安全生产。
四、泵站设计的运行管理1、泵站运行及维护:泵站的运行及维护工作,主要包括设备的操作和维护,泵组的保护,液体的检测等。
水泵设计计算书
一、水泵选型计算:
设计条件说明:特征水位(黄海高程):最低枯水位4、51m,常水位5、82m,最高水位7、2m,河岸标高7、8m,水厂水池标高30m。
1、设计流量:
Q=1、05×1400=1470m3/h
2、设计扬程:
水泵站的设计扬程与用户的位置与高度,管路布置及给水系统的工作方式等有关。
Σhd=2、5m
则H=Hst+Σhs+Σhd+H安全
Σhs=1、0m(粗略假设)。
粗略设计总管路水头损失Σh=Σhs +Σhd= 3、5m
H安全为保证水泵长期良好稳定工作而取的安全水头(mH2O)一般取2~3m以内,故取H安全=2、5m。
由此,Σhs+Σhd+H安全=3、5+2、5=7m
洪水位时: H=30-7、2+7=29、8m
枯水位时:H=30-4、51+7=32、49m
常水位时:H=30-5、82+7=31、18m
由下图可选水泵型号:300S32 Q=790m3/h H=32m。
电机为110kw,n=1450r/min,型号为Y280S-4,水泵为两用一备。
300S32型双吸离心泵规格与性能:(查资料得)
二、水泵机组基础尺寸确定:
查水泵说明书的配套电机型号,由给水排水设计手册第十一册查得: 300S32型泵就是不带底座的,所以选定其基础为混凝土块式基础,其基础计算如下:
300S32型双吸离心泵外形尺寸表:
1、基础长度L=水泵机组地脚螺孔长度方向间距+(400~500)
=1062、5+1200(电动机安装尺寸)+500=2762、5mm 2、基础宽度:B=水泵底角螺孔长度方向间距+(400~500)
=450+500=1000mm
3、基础高度:H=(2、5~
4、0)×(W泵+W电机)/(L×B×γ)
=3、5×(709+490)/(1、513×1、380×2400)
=0、84m。
设计取1、0m。
所以,混凝土块式基础尺寸为L×B×H=2、8×1、0×1、0。
三、吸水管与压水管:
由上可知300S32型水泵的最大Q=790m3/h=0、219 m3/s因此: 吸水管:DN=450mm,流速v=1、4m/s(在1、2~1、6m/s内)
压水管:DN=350mm,流速v=2、2m/s(在2、0~2、5内)
四、吸水井设计计算。
(此设计为岸边取水泵房)。
吸水井尺寸应满足安装水泵吸水管进口喇叭口的要求。
吸水井最低水位:河流的最低枯水位=4、51m
吸水井最高水位:河流的最高水位=7、2m
水泵吸水管进口喇叭口大头直径:DN≧(1、3~1、5)d=1、45×450
=650mm
水泵吸水管进口喇叭口长度:L≧(3、0~7、0)×(D-d)=4、0×
(650-450)=800mm
喇叭口距吸水井井壁距离:≥(0、75~1、0)D=0、8×650=520mm
喇叭口之间的距离:≧(1、5~2、0)D=1、8×650=1170mm
喇叭口距吸水井井底距离:≧0、8D=0、8×650=520mm
喇叭口淹没水深:≧(0、5~1、0)=1、0m
所以,吸水井长度=650×3+520×2+1170×2=5330mm(注:最后还要
参考水泵机组之间距离调整确定)。
吸水井宽度=520×2+650=1690mm。
吸水井高度=7200-4510+520+1000+300=4520mm(包括超高300)。
五.各种工艺标高计算:
泵房安装高度: Hss=Hs-v2/2g-Σhs
只查到水泵的气蚀余量,所以也可以用气蚀余量与安装高度之间的关系:
Hsv+Hss=(ha-hva)-Σhs得。
=(10、33-0、24)-1、0=9、1m
实际中的气蚀余量应该比水泵厂要求的气蚀余量再要大0、4~0、6mH2O。
故取Hsv=5、4m。
从而得到Hss=9、1-Hsv=9、1-5、4=3、7m。
也可以由关系式Hsv+Hs=(ha-hva)+ v2/2g
=(10、33-0、24)+1、42/2×9、81=10、2 因此,Hs=10、2-5、4=4、8m
因此,Hss=4、8-1、42/2×9、81-1、0=3、7m。
两种方法算得的结果一样,由此可知假设的吸水管的水头损失Σhs=1、0m就是正确的。
泵轴标高=吸水井最低水位+Hss=4、51+3、7=8、21m。
基础顶面标高=泵轴标高-泵轴至基础顶面高度=8、21-0、51=7、7。
泵房地面标高=基础顶面标高-1、0=6、7m。
六.泵房形式的选择及机械布置
根据吸水井最低水位与水泵的Hss的数据,确定泵房为矩形半地下式。
水泵机组采用单排顺列式布置。
每台水泵都单独设有吸水管,并设有手动常开检修阀门,型号为D371X-18,DN=450mm,L=114mm,W=159kg。
(由给水排水设计手册第十二
册查得)。
压水管设有液压缓闭止回蝶阀,型号为:HH49X-10液控止回阀,DN=350,L=290mm,电动控制阀门,型号为D941X-10电动蝶阀,L=350mm。
设有联络管(DN=450mm),联络管上设有手动常开检修阀门,型号为D371X-18,DN=450mm,L=114mm,W=159kg。
由一条输水干管(DN=600mm)送往高地水池。
泵房内管道采用直进直出布置,直接敷设在室内地板上。
六.泵站的辅助设施计算。
1、引水设备
启动引水设备选用水环式真空泵,真空泵的最大排气量为:
Qv=K×(Wp+Ws)×Ha/(T×(Ha-Hss))
K-漏气系数,1、05~1、10,T一般取5分钟,消防泵取3分钟。
Wp=0、25×π×0、452×1、2=0、19m3
水管直径与空气容积关系
从而得到Ws=0、196m3,所以Qv=1、10×(0、19+0、196)×10、33×/((10、33-3、7)×300)=0、002m3
真空泵的最大真空度:Hvmax=Hss×1、01×105/10、33=3、7×1、01×105/10、33=36176、2Pa=36、2Pa
查给水排水设计手册第十一册得,所以选择SZB-4型水环式真空泵2
台,一用一备,布置在泵房靠墙边处。
2、计量设备
在压水管上设超声波流量计,选取DMU93型超声波流量计1台,安装在泵房外输水干管上。
在压水管上设压力表,型号为XTF-150,测量范围为0、0~0、4MPa。
在吸水管上设真空表,型号为Z-60Z,测量范围为-1、01×105~0、0Pa。
3、排水设备:设污水泵两台,一备一用,设集水坑一个,容积(m3)取为
1、5×1、0×1、5=
2、25。
选取50WQ10-10-0、75型潜水污水泵。
七.泵站平面与剖面布置图附后。
八.备注说明:
特别注明:泵房图中的数据有些就是依据查的规范上所设计要求的。
具体设计依据如下:
设备布置尺寸的一般要求:
1.相邻主机组之间的净距离一般不小于1、0~2、0m,采用高压电动
机时应取最大值。
2.主机组与辅助设备之间,主机组与墙距离均不应小于0、7m,有起重
机的泵房设备与墙距应大于吊钩至墙的极限距离。
3.电气设备布置在泵房内时,主机组与电气设备之间的距离不小于2、
0~2、5m。
4.管件,阀门接头与墙距不小于0、3~0、5m,视阀门外形而定。
5.辅助设备与墙距不小于0、5m。
6.应布置有贯穿泵房全长的主交通道,宽度不小于1、2~1、5m。
7、检修间的面积,一般按一台机组在大修时能将机组全部解体,并按检修时所需要的操作距来决定。
设计参考资料
1、《水泵及水泵站》中国建筑工业出版社姜乃昌主编
2、《给水工程》中国建筑工业出版社严煦世范谨初主编
3、《给排水设计手册》第1、3、9、10、11册
4、《泵站设计规范》 GB/T 50625—97
5、《地表水取水》中国建筑工业出版社周金全主编
6、《水力学》机械工业出版社唐朝春主编。