排水雨水管网设计计算说明书定稿版
- 格式:docx
- 大小:199.79 KB
- 文档页数:33
专业学生姓名班级设计题目某县市政给排水管网设计设计资料1.设计为某县市政给排水管网设计。
2.城市总体规划图一张,比例为1:2000,该市地形较为平坦,东部较高,西部较低。
城市西侧有一条自北向南的河流经过。
市区没有较明显的分界线,有三家较大的工厂。
3.城区的人口密度为450人/ hm2,综合用水量标准根据城市所在区域特点查阅规范确定。
4.工厂的用排水情况见下表工厂用水量表工厂名称最大供水量(m3/h)平均供水量(m3/h)最大排水量(m3/h)平均排水量(m3/h)备注甲850 750 650 600 排水无害乙720 600 500 450 排水无害丙640 480 360 300 排水无害5.甲、乙、丙三个工厂人数分别为:350人,300人,280人。
6.学校由小学、中学、职业教育学院等组成,学校总在校生20000人。
7.政府机关日常工作人员800人。
8.医院的床位数为360床,医院工作人员有200人。
9. 商业日人流量为10000人/日。
10. 气象资料:该地区年平均气温20º,夏季最高气温36º,冬季最低气温-12º,冻土深度0.7米。
夏季主导风向为西南风,冬季主导风向为东北风。
11.水文资料:该地区年降雨量636毫米,最大月降水量159毫米,其中1964年年最大降水达到1185毫米。
河流的常年平均水位为13.26米,最高水位14.23米。
最大暴雨强度公式根据城市所在区域查手册确定。
12. 电力资料:该城市用电由城市电网统一供给,能够满足用电需要13. 设计主要参考资料:《给水管网系统理论与分析》;《给水排水数据手册》;《室外给水设计规范》;《室外排水设计规范》;《给水排水管网系统教材》;《建筑制图标准等技术资料》。
14.其他资料:城市的地质条件为:上层0.5米的耕地土质,下面是3.3米的亚粘土和5.7米的细沙,再下是石灰岩。
城市建筑物要求的最小服务水头为28米。
第一节2一、工程设计任务及设计范围–––––––––––––––––––––––––––2二、设计基本资料–––––––––––––––––––––––––––––––––––––2三、设计内容及要求–––––––––––––––––––––––––––––––––––2 第二节–––––––––––––––––––––––––––––––––––––––––––––––3一、在平面图上布置污水管道–––––––––––––––––––––––––––3二、计算街区面积–––––––––––––––––––––––––––––––––––––3三、划分设计管段,计算设计流量–––––––––––––––––––––3四、水力计算–––––––––––––––––––––––––––––––––––––––– 4五、绘制管道纵剖面图––––––––––––––––––––––––––––––––5 第三节–––––––––––––––––––––––––––––––––––––––––––––––6一、在平面图上布置雨水管道–––––––––––––––––––––––––––6二、计算街区面积––––––––––––––––––––––––––––––––––––6三、划分设计管段,计算设计流量––––––––––––––––––––––6四、水力计算–––––––––––––––––––––––––––––––––––––––––7 参考资料–––––––––––––––––––––––––––––––––––––––––––101第一节设计说明书一、工程设计任务及设计范围运用已学的排水管网的专业知识,完成某开发区完全分流制排水(污水、雨水)管道的设计。
二、设计基本资料设计基本资料见课程设计任务书三、设计内容及要求(一)设计方案1.污水管网设计方案(1)划分排水流域和管道定线(2)根据设计人口数、污水量标准等计算污水设计流量(3)进行污水管道水利计算,确定管道断面尺寸、设计坡度、埋设深度等设计参数(4)污水提升泵站设置与污水处理厂的位置(5)绘制污水管道平面图和剖面图2.雨水管网设计方案雨水管网最小覆土厚度为0.8(所有点的覆土厚度均不小于该值),雨水管如果埋深多大,可以用重新布置管线、起端改为加盖板的明渠、中下游管道改为矩形渠道等方法减小埋深。
前言水是人类生活、工农业生产和社会经济发展的重要资源,科学用水和排水是人类社会发展史上最重要的社会活动和生产活动内容之一。
特别是在近代历史中,随着人类居住和生产的程式化进程,给水排水工程已经发展成为城市建设和工业生产的重要基础设施,成为人类生命健康安全和工农业科技与生产发展的基础保障。
给水排水系统是为人们的生活、生产、和消防提供用水和排除废水的设施的总称。
它是人类文明进步和城市化聚集居住的产物,是现代化城市最重要的基础设施之一,是城市社会文明、经济发展和现代化水平的重要标志。
尤其是在面临全球水资源极其缺乏的今天,给排水管网的作用显得尤为重要。
由于城市给排水系统在新的时期赋予了新的内涵,与人们的生产和生活息息相关。
看似平凡的规划设计却有着不平凡的现实意义,在满足规范和其它技术要求的条件下,根据城市的具体情况,科学规划设计城市给排水管网系统是一个非常重要的课题。
课程设计是学习计划的一个重要的实践性学习环节,是对前期所学基础理论、基本技能及专业知识的综合应用。
通过课程设计调动了我们学习的积极性和主动性,培养我们分析和解决实际问题的能力,为我们走向实际工作岗位,走向社会打下良好的基础。
本设计为玉树囊谦县香达镇给排水管道工程设计。
整个设计包括三大部分:给水管网设计、排水管网设计。
给水管网的设计主要包括管网的定线、流量的设计计算、清水池容积的确定、管网的水力计算、管网平差和消防校核。
排水管网设计主要包括排水管网定线、设计流量计算和设计水力计算。
目录第一章设计任务书 (4)第二章给水管网设计说明与计算 (6)2.1给水管网的设计说明 (6)2.1.1 给水系统的类型 (6)2.1.2 给水管网布置的影响因素 (6)2.1.3 管网系统布置原则 (7)2.1.4 配水管网布置 (7)2.2给水管网设计计算 (8)2.2.1 设计用水量的组成 (8)2.2.2 设计用水量的计算 (8)2.2.3 管网水力计算 (12)2.3二级泵站的设计 (20)2.3.1 水泵选型的原则 (20)2.3.2 二级泵站流量计算 (21)2.3.3二级泵站扬程的确定 (21)2.3.4 水泵校核 (22)第三章排水管网设计说明与计算 (23)3.1排水系统的体制及其选择 (23)3.2排水系统的布置形式 (24)3.3污水管网的布置 (24)3.4污水管道系统的设计 (24)3.4.1 污水管道的定线 (24)3.4.2 控制点的确定 (25)3.4.3 污水管道系统设计参数 (25)3.4.4 污水管道上的主要构筑物 (26)3.5污水管道系统水力计算 (27)3.5.1 污水流量的计算 (27)3.5.2 集中流量计算 (27)3.5.3 污水干管设计流量计算 (27)3.5.4 污水管道水力计算 (29)3.6管道平面图及剖面图的绘制 (31)3.6.1 管道平面图的绘制 (34)3.6.2 管道剖面图的绘制 (35)结论 (35)总结与体会 (36)参考文献 (37)第一章设计任务书一、设计题目囊谦县香达镇给水排水管网工程设计。
一排水管网设计说明书 (1)1总论 (1)1.1 设计依据 (1)1.2 城市概况原始资料 (1)1.3 设计原则 (3)1.4 设计范围和任务 (3)2方案选择和确定 (4)2.1 排水体制的确定 (4)2.2 工业废水与城市排水系统的关系选择 (5)2.3 污水处理方式的选择 (5)3污水管网工程设计 (8)3.1 污水管网定线 (8)3.2 污水设计流量 (10)3.3 污水管道的水力计算 (13)3.4 污水管道水力计算成果 (19)3.5 污水管网工程量统计 (20)4雨水管网工程设计 (21)4.1 雨水管网定线 (21)4.2 雨水设计流量 (22)4.3 雨水管道的水力计算 (24)4.4 雨水管道水力计算成果 (26)4.5 雨水管道工程量统计 (27)5结论 (28)附:一张A3总平面布置图 (29)二排水管网设计计算书 (30)1污水管道设计计算 (30)1.1 污水设计流量公式 (30)1.2 计算举例 (32)1.3 街区编号及面积计算 (32)1.4 居住区生活污水设计流量计算 (33)1.5 工业污水设计流量和工业企业生活污水及淋浴污水设计流量计算 (34)1.6 污水管道水力计算 (35)1.7 污水厂规模的确定 (43)2 雨水管水力计算 (44)2.1 暴雨强度公式 (44)2.2 雨水管渠设计重现期 (44)2.3 雨水管渠的降雨历时 (44)2.4 径流系数 (45)2.5 雨水管道一般规定 (46)2.6 划分设计管段和汇水面积、汇水面积编号 (46)2.7 雨水管道设计流量和水力计算 (47)三个人体会 (50)四参考书籍 (52)一排水管网设计说明书1总论1.1 设计依据1.1.1 主要规范(1)《城市排水工程规划规范》(GB50318-2000),国家质量技术监督局、建设部(2)《室外排水设计规范》(GB50014-20XX),国家计委、建设部(3)《泵站设计规范》(GB/T50265-97),国家质量技术监督局、建设部1.1.2 主要标准(1)《污水综合排放标准》(GB8978-1996)(2)《污水排入城市下水道水质标准》(CJ3082-1999)1.1.3 参考书籍(1)《水泵机水泵站》(第四版)(1998年)中国建筑工业出版社姜乃昌主编(2)《给水排水设计手册(1、5)》(第二版)(2000年) 中国建筑工业出版社(3)《给水排水工程快速设计手册(2、5)》(第一版)(1996年) 中国建筑工业出版社(4)《全国通用给水排水标准图集(S1、S2)》(1996年) 中国建筑标准设计研究所(5)《水工业工程设计手册水工业工程设备》(第一版)(2000年)聂梅生主编(6)《排水工程》(上册,第四版)(1999年) 中国建筑工业出版社孙慧修主编1.2 城市概况原始资料(1) 城市(包括工业区)总平面图一张,比例为1:10000,等高线间距1m。
一排水管网设计说明书 (1)1总论 (1)1.1 设计依据 (1)1.2 都市表面原始资料 (1)1.3 设计原则 (3)1.4 设计范畴和任务 (3)2方案选择和确定 (4)2.1 排水体制简直定 (4)2.2 产业废水与都市排水系统的干系选择 (5)2.3 污水处理惩罚方法的选择 (5)3污水管网工程设计 (8)3.1 污水管网定线 (8)3.2 污水设计流量 (10)3.3 污水管道的水力盘算 (13)3.4 污水管道水力盘算结果 (19)3.5 污水管网工程量统计 (20)4雨水管网工程设计 (21)4.1 雨水管网定线 (21)4.2 雨水设计流量 (22)4.3 雨水管道的水力盘算 (24)4.4 雨水管道水力盘算结果 (26)4.5 雨水管道工程量统计 (27)5结论 (28)附:一张A3总平面部署图 (29)二排水管网设计盘算书 (30)1污水管道设计盘算 (30)1.1 污水设计流量公式 (30)1.2 盘算举例 (32)1.3 街区编号及面积盘算 (32)1.4 居住区生活污水设计流量盘算 (33)1.5 产业污水设计流量和产业企业生活污水及淋浴污水设计流量盘算 (34)1.6 污水管道水力盘算 (35)1.7 污水厂范围简直定 (43)2 雨水管水力盘算 (44)2.1 暴雨强度公式 (44)2.2 雨水管渠设计重现期 (44)2.3 雨水管渠的降雨历时 (44)2.4 径流系数 (45)2.5 雨水管道一般规定 (46)2.6 分别设计管段和汇水面积、汇水面积编号 (46)2.7 雨水管道设计流量和水力盘算 (47)三小我私家体会 (50)四参考书籍 (52)一排水管网设计说明书1总论1.1 设计依据1.1.1 主要范例(1)《都市排水工程筹划范例》(GB50318-2000),国度质量技能监视局、建立部(2)《室外排水设计范例》(GB50014-2006),国度计委、建立部(3)《泵站设计范例》(GB/T50265-97),国度质量技能监视局、建立部1.1.2 主要尺度(1)《污水综合排放尺度》(GB8978-1996)(2)《污水排入都市下水道水质尺度》(CJ3082-1999)1.1.3 参考书籍(1)《水泵机水泵站》(第四版)(1998年)中国修建产业出书社姜乃昌主编(2)《给水排水设计手册(1、5)》(第二版)(2000年) 中国修建产业出书社(3)《给水排水工程快速设计手册(2、5)》(第一版)(1996年) 中国修建产业出书社(4)《全国通用给水排水尺度图集(S1、S2)》(1996年) 中国修建尺度设计研究所(5)《水产业工程设计手册水产业工程设备》(第一版)(2000年)聂梅生主编(6)《排水工程》(上册,第四版)(1999年) 中国修建产业出书社孙慧修主编1.2 都市表面原始资料(1) 都市(包罗产业区)总平面图一张,比例为1:10000,等高线间距1m。
排水雨水管网设计计算说明书精编W O R D版 IBM system office room 【A0816H-A0912AAAHH-GX8Q8-GNTHHJ8】仲恺农业工程学院实践教学给水排水管网工程综合设计——排水管网计算书(2013—2014 学年第二学期)班级给排1x1姓名 xxx学号 201210524125设计时间 ~ 2014.7.3指导老师 xxxxxxxxxxxxxxx成绩城市建设学院目录1 设计原始资料 (1)1.1 城镇概况 (1)1.2 气候情况 (1)1.3 排水情况 (1)2 排水管段设计流量计算 (1)2.1 污水管道的布置 (1)2.2 居民生活污水计算 (2)2.3 街坊面积总面积计算 (2)2.4集中用户污水计算 (4)2.5面积比流量计算 (4)2.6 污水干管设计流量 (5)2.7污水管网主干管水力计算 (6)3 管道总平面图及纵剖面计算成果图绘制 (8)4 污水设计总结 (8)5 雨水管段设计流量计算 (9)5.1 主要设计参数 (9)5.2 各设计管段的设计流量 (9)5.3 计算步骤 (10)5.4 雨水管网主干管水力计算 (10)5.5 雨水设计总结 (11)1 设计原始资料1.1 城镇概况A 城市位于我国华南地区,该城市是广东省辖县级市,自然资源丰富,交通便利。
市区地势平坦,主要建在平原上,城市中间以铁路为界,分为两个生活区:Ⅰ区和Ⅱ区。
均有给水排水设备,自来水普及率100%。
1.2 气候情况① 市内多年来的极端高温38.7℃,每年6~8月份的气温最高。
而到了冬季(12~2月)温度较低,多年来的极端低温为0℃。
② 年平均相对湿度为65%,春季湿度大,约为65~90%;③ 雨季集中在4~9月份,这段时间的降雨量占全年降雨量的80%以上,4~9月份为受热带气旋影响的主要时段,降雨量大,多出现暴雨,年平均降雨量为1930mm ,多集中在6-9月,占全年降雨量的70%。
仲恺农业工程学院实践教学给水排水管网工程综合设计——排水管网计算书(2016—2017 学年第一学期)班级给排142姓名林宇锋学号201420524224设计时间2016.12.14 ~ 2016.12.22指导老师孙洪伟、刘嵩成绩城市建设学院2016年12月目录1 设计原始资料 (1)2 排水管段设计流量计算 (5)2.1 污水管道定线原则和影响因素 (5)2.2 污水管道的布置 (5)2.3 街区编号及面积计算 (6)2.4 设计流量计算 (7)2.4.1 居民生活污水设计流量的确定 (7)2.4.2 工业企业生活污水及淋浴污水的设计流量 (8)2.4.3 工业废水设计流量 (8)2.4.4 公共建筑集中流量 (9)2.4.5 地下水渗入量 (9)2.4.6 设计总流量 (9)2.5面积比流量计算 (9)2.6 污水干管设计流量 (9)2.7污水管网主干管水力计算 (11)3 管道总平面图及纵剖面计算成果图绘制 (13)4 污水设计总结 (13)5 雨水管段设计流量计算 (14)5.1 主要设计参数 (14)5.2 各设计管段的设计流量 (14)5.3 计算步骤 (15)5.4 雨水管网主干管水力计算 (15)5.5 雨水设计总结 (17)1设计原始资料一、课程设计目的和要求:本设计是围绕必修课程《给水排水管网系统》开展的课程设计,课程设计是教学的重要组成部分,是将城市给水排水管道工程的理论与工程设计相联系的重要环节,其目的在于:1.训练学生设计与制图的基本技能;2.复习和理解城市给水排水管道工程课程所讲授的内容;3.培养学生动手能力和训练严格的科学态度和工作作风。
最终达到提高学生综合运用理论知识独立进行分析和解决实际工程技术问题的能力的目标。
二、课程设计题目:华南地区A城市给水排水管网工程设计三、课程设计任务1、城镇概况(1)根据某城镇的规划设计图(1∶10000)及相应的城市人口、水文、气象及地质资料,对地形平面图、街道现状、建筑设施、水厂位置等有关资料进行分析研究,计算城镇用水量和排水量;(2)确定供水范围以及主要供水方向,对输水管及城市供水管网的干管进行布置,并进行管网的设计计算;(2)确定排水体制,对污水管渠和雨水管渠系统进行设计计算;(3)绘制城镇的给水排水管道平面布置图;(4)绘制城镇的排水主干道的纵剖面图。
给排水管网系统课程设计雨水管网系统设计计算说明书姓名:学号:指导老师:排水管网课程设计任务书一、设计目的通过运用课堂所学知识,完成某城镇排水管网的初步设计,以达到巩固基本理论,提高设计与绘图能力,熟悉查阅和使用技术资料,了解设计的方法与步骤,进一步使理论与实践相结合等教学要求。
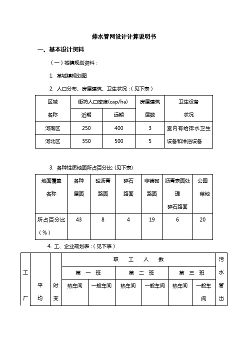
二、设计要求按完全分流制设计,达到初步设计程度,设计成果应为:1.污水和雨水排水系统的总平面布置图各一张2.污水总干管纵剖面图一张、某一雨水干管纵剖面图一张3.设计计算与说明书三、基本设计资料(一)城镇规划资料:1.某城镇规划图2.人口分布、房屋建筑、卫生状况:(见下表)3.各种性质地面所占百分比: (见下表)4. 工、企业规划表:(见下表)5. 工业企业的污水经局部处理后允许排入城镇下水道。
(二)气象资料:1.土壤冰冻深度0.1m 左右;2.年平均降雨量1400mm ;3.暴雨公式:nb t p C A q )()lg 1(167++=,其中A=20 , C=0.7 , b=19 , n=0.86 (三)水文及水文地质资料:1. 河流水位:Max:101m , Min:95m , Average:97m .2. 地下水位:离地面7-8m.3. 地质:砂质粘土.(四)电力供应:有三相电源可供选择,电力供应正常。
(五)污水不用作农田灌溉。
(六)、设计参考资料1. 《给水排水管网系统》教材2. 《给水排水设计手册》第1、5册3.《室外排水设计规范》GB50014-2006雨水管网设计计算径流系数的确定降落到地面上的雨水,在沿地面流行的过程中,形成地面径流,地面径流的流量称为雨水地面径流量。
因此将雨水管道系统汇水面积上的地面雨水径流与总降水量的比值称为径流系数,用符号ψ表示,即:目前再设计计算中径流系数根据地面覆盖情况按经验来定,《室外排水设计规范》中有关径流系数的规定见下表。
由于在同一个汇水面积上,兼有多种地面覆盖的情况,根据本设计中各中地面的覆盖情况,用加权平均的方法可以求出整个城镇的平均地表径流系数,该城镇的各种地面的覆盖率等具体数据见下表雨强度随着重现度p值的不同而不同,p值越大,暴雨强度越大,p值越小,暴雨强度越小。
目录第一部分项目概况 (3)第一章总则 (4)1.1规划背景 (4)1.2规划依据 (4)1.3规划范围 (4)1.4规划内容 (4)1.5规划期限 (4)1.6规划人口 (4)1.7规划指导思想 (5)第二章城市概况 (5)2.1城市地理位置 (5)2.2地形地貌 (5)2.3工程地质 (5)2.4气象 (5)2.5水资源 (5)2.6 规划城区总体布局.................... 错误!未定义书签。
2.7中心区内部交通系统.................. 错误!未定义书签。
第二部分污水工程规划 (8)第三章污水工程现状及污水量预测....... 错误!未定义书签。
3.1醴陵市城区污水工程现状.............. 错误!未定义书签。
3.2污水工程现状分析评价................ 错误!未定义书签。
3.3污水量预测错误!未定义书签。
第四章污水工程规划 (9)4.1污水工程规划原则 (9)4.2排水体制选择 (9)4.3污水排放标准........................ 错误!未定义书签。
4.4醴陵市城区排水区域划分 (9)4.5污水处理厂选址及工艺................ 错误!未定义书签。
4.6污水管网计算方法和参数确定 (9)4.7污水管网布置规划 (9)11.3 建议 .............................. 错误!未定义书签。
附表1、污水管网流量计算表2、污水管网水力计算表3、雨水管网水力计算表4、污水工程投资估算表5、雨水工程投资估算表第一部分项目概况第一章总则1.1规划背景近年来随着醴陵市城市化进程的加快,区域经济一体化的发展,城市建设、环境保护等诸多方面相对于原各项规划的整体背景发生了较大的变化。
就排水工程专项而言,随着科技的进步、环保观念的更新、新技术的普及应用等,无论从设计理念、施工工艺、运行方式、养护手段、维修技术等方面均有不同程度的进步与提高。
一.工程概况1.1 设计资料海南某镇位于万宁市的南部,东、北部与万城为界,西部与XX 镇接壤,南部与南海毗连。
该镇区地形比较平坦,基本上是北高南低。
规划镇区中心现状为低洼水体、林地和沙地等,低洼水体通过现状排水渠道自北向南排至老爷海,排水渠道常水位标高为3.2米。
在地块的东南角设有污水处理站,处理站污水引入管底标高为3.60米。
规划区内暂无工业用地,主要以居住区和公共建筑为主,用水定额按综合给水额取定;该地区人口密度为800人/ha ,暴雨强度公式62.09t lg 4.011894q )()(++=P ,径流系数φ取0.6,重现期P 取1年。
二.排水体制选择及其分析2.1 排水体制生活污水,工业废水和雨水可以采用一套管渠系统或是两套或两套以上的、各自独立的管渠系统来排除,这种不同的排除方式所形成的排水系统,成为排水系统的体制,简称排水体制,又称排水制度。
排水系统主要有合流制和分流制两种。
2.2排水系统体制的分类: 2.2.1 合流制合流制排水系统是将生活污水、工业废水和雨水混合在同一套管渠系统内排除的系统,有直排式和截留式两种排除形式。
1、直排式合流制排水系统早期的合流制排水系统是将排除的混合污水不经处理和利用,以最短距离、在最短时间内就近直接排入水体,虽投资较低,但对水体环境污染严重,一般不宜采用。
2、截留式合流制排水系统在原有的基础上,沿水体岸边增建一条截流干管,并在干管末端设置污水厂。
同时,在截留干管与原干管相交处设置溢流井。
晴天和初雨时,污水排入污水厂,经处理后排放,随着雨水径流量的增加,部分混合污水回京溢流井直接溢入水体,对水体污染较直排式小。
2.2.2 分流制将生活污水、工业废水和雨水用两个或两个以上排水管渠排除。
其中排除生活污水,工业废水的系统称为污水排水系统;排除雨水的系统称为雨水排水系统。
按排除雨水的方式不同又可分为完全分流制、不完全分流制、半分流制。
1、完全分流制既有污水排水系统,又有雨水排水系统。
排水管网设计计算说明书一、基本设计资料(一)城镇规划资料: 1. 某城镇规划图5. 工业企业的污水经局部处理后允许排入城镇下水道。
(二)气象资料:1.土壤冰冻深度0.1m 左右;2.年平均降雨量1400mm ;3.暴雨公式:nb t p C A q )()lg 1(167++=,其中A=20 , C=0.7 , b=19 , n=0.86 (三)水文及水文地质资料:1. 河流水位:Max:101m , Min:95m , Average:97m .2. 地下水位:离地面7-8m.3. 地质:砂质粘土.(四)电力供应:有三相电源可供选择,电力供应正常。
(五)污水不用作农田灌溉。
二、污水部分设计说明2.1 概况本设计为中小城市的排水管网设计,分为河南区和河北区,地势为两边高,中间低,即河流为地势最低点。
城市人口主要集中在河北区。
该城市处于扩建状态,须结合远近期规划进行管网布置。
2.2污水管网布置形式本设计的污水管铺设采用截留式,污水干管尽量沿着坡度大的方向布置,且布置在街道的一侧;污水主干管沿河流布置,将各个干管的污水截留送至污水厂。
截流式的管道布置系统简单经济,有利于污水和雨水的迅速排放,同时可以减轻水体污染。
污水厂的水经处理后排入水体。
三、污水管段设计计算3.1生活污水量计算 面积:(工厂不计算在内)河南区:21 1.74 1.27 1.90 4.659.56i A A hm =∑=+++=河北区:22133i A A hm =∑= 人口数:河南区:9.564003824⨯=人河北区:133********⨯=人查综合生活用水量定额可知,本城市处于二区,其综合生活用水量定额为 110-180 L/(人·d ),取其平均生活用水量定额为150 L/(人·d )。
该城市的给水排水条件较好,可取排放系数为0.85,则综合生活污水量定额为150×0.85=127.5L/(人·d ),生活污水比流量在河南区与河北区分别为:22127.5400/()0.590/()86400q L s hm L s hm ⨯=∙=∙南22127.5500/()0.739/()86400q L s hm L s hm ⨯=∙=∙北3.2排水区域的面积及流量12 5.66 4.18 26 3.8 2.81 40 3.48 2.57 13 1.74 1.03 27 1.34 0.99 14 1.27 0.75 28 2.59 1.91工业企业集中流量计算 工厂1: 生活污水(由基本资料中的表可知第一班各类用水人数都比其他两班大,选用第一班)444441435300 2.525400 3.06010040110()() 4.58/36003600360083600ai ai h ai bi bi ai q N K q N Q L sT ⨯⨯+⨯⨯⨯+⨯=∑+=+=⨯工业生产污水一般情况下,工业废水量的日变化不大,其日变化系数可取为1,所以工厂的总变化系数为1.3。
仲恺农业工程学院实践教学给水排水管网工程综合设计——排水管网计算书(2013—2014 学年第二学期)班级给排1x1姓名xxx学号设计时间~指导老师xxxxxxxxxxxxxxx成绩城市建设学院.目录1 设计原始资料城镇概况城市位于我国华南地区,该城市是广东省辖县级市,自然资源丰富,交通便利。
A区。
区和Ⅱ市区地势平坦,主要建在平原上,城市中间以铁路为界,分为两个生活区:Ⅰ100%。
均有给水排水设备,自来水普及率气候情况月)2(12~每年6~8月份的气温最高。
而到了冬季①市内多年来的极端高温℃,℃。
温度较低,多年来的极端低温为0 ;~90% 年平均相对湿度为65%,春季湿度大,约为65 ②月份~980%以上,4这段时间的降雨量占全年降雨量的③雨季集中在4~9月份,,多为受热带气旋影响的主要时段,降雨量大,多出现暴雨,年平均降雨量为1930mm 。
6-9月,占全年降雨量的70%集中在排水情况Lcap?d)。
生活污水排水量(210 城市用水按19万人口设计,居民最高日用水量按按给水的90%计算。
街坊污水排入区域排水管网,区域排水管网再将接入城市的排水管道系统,最后到污水处理厂进行处理。
2 排水管段设计流量计算污水管道的布置地形坡度地势由西南方向东北方逐渐降低,但总体变化趋势不大。
河流流向该城市沿市区南部有一条由北至南流向的河流,综合地势原因,污水厂设在地势较低处。
.污水管道布置图居民生活污水计算则居民生活污水量取居民平均日生活用水定额为,210查居民生活用水定额表,dcap?L定额为210?90%?189Lcap?d街坊面积总面积计算根据城市人口为14万,根据草图对街坊区进行编号,得到各街坊面积和总面积,计算见下页表街区编号 1 2 3 4 5 6 7 8 9街区面积(ha)23 21 15 16 17 街区编号 18 19 20 22CAD面积街区面积(ha)37 35 34 29 36 30 31 32 33 街区编号CAD面积街区面积(ha) 51 街区编号47 49 48 43 44 45 46 50CAD面积街区面积(ha)65 63 61 街区编号 62 57 58 59 64 60CAD面积(ha) 街区面积79 75 街区编号77 71 72 76 73 74 78面积CAD街区面积(ha)93 街区编号 91 85 90 86 87 92 88 89CAD面积(ha) 街区面积107 99 100 106 101 102 105 街区编号103 104 面积CAD(ha) 街区面积119 115 116 118 街区编号 117 174 112 113 114面积CAD街区面积 (ha)133 131 132 125 126 127 128 街区编号129 130 面积CAD(ha) 街区面积147146145144143142141140139街区编号.CAD面积街区面积(ha)161 154 158 159 155 157 街区编号 160 153 156CAD面积街区面积(ha)177 街区编号176 168 172 169 173 167 171 175街区面积(ha)街区编号 183 184 185 186 187 188 189 190 191CAD面积街区面积(ha)205 199 200 203 204 街区编号 197 198 201 202面积CAD街区面积(ha)219 213 214 212 216 217 218 215 211 街区编号CAD面积街区面积(ha)170 108 109 12 13 街区编号110 10 11 14CAD面积街区面积(ha)123 120 街区编号 24 25 27 121 122 28 26CAD面积(ha) 街区面积137 136 135 39 40 41 42 134 街区编号38面积CAD 街区面积(ha)151 56 街区编号 148 52 53 54 55 149 150CAD面积(ha) 街区面积165 164 163 68 69 70 街区编号162 66 67面积CAD街区面积(ha)181 179 178 180 80 81 82 83 84 街区编号面积CAD (ha) 街区面积195 街区编号94 95 193 192 194 97 96 98面积CAD街区面积(ha)223 街区编号207 206 221 220 210 208 209 222CAD面积街区面积 (ha)138 街区编号225 226 124 228 227 111 230 229面积CAD (ha) 街区面积224196182166152街区编号.CAD面积街区面积(ha)集中用户污水计算(L/s)集中用水量集中用水户名称工厂火车站合计面积比流量计算由表1得街区总面积为居住区人口密度为:190000÷= (cap/ha)则每ha街区面积的生活污水平均流量(比流量)为:污水干管设计流量主干线节点编号:1—2—3—4—5—6—7—8—9-4-9具体节点编号情况见附图q(即从管段沿线街坊流来的污水量每一设计管段的污水设计流量可能包括本段流量居民qq)和集中流量(即和旁侧管断流来的污水量)、转输流量(即从上游管段居旁侧上游管本段qq)和从公共建筑物流来的污水量管段集上游集中本段设计管段的设计流量计算见下表集中流量居民生活污水量设计流生活污管段本段流量合计平量转输总变化转输流量水设计本段编号均流量(L/s)比流量街坊面流量 (L/s) 系数(L/s)(L/s)(L/s) 街坊编号流量(L/s) ha)) (ha) 积(L/(s·(L/s)12 11 7 9 10 6 1 23 4 5———2 1~12、17、~20 ———1 21~21 —————— 2———— 2~3 ——~22 —— 3 2、、— 23~23 ——、、1314 3———、19、18~24.33~4 ——————————— 4~5 —~25 —、—— 4、5 26~26 —、16—、155~27 ——— 520、21、5~6 ——————————6~7 ——~28——、6、7 — 7~29—、22、23 —— 7————— 7~8 ————~9 ——— 8~30—、8、9 —— 9~31—、 25 24、—— 9~9—————— 10~10——————11~32—11 10、、—— 11~33—、27 26、——11~11—————— 12~12—————— 13~13—————— 14~14—————— 15~15————— 16~16—————17~17—————18~18 —————19污水管网主干管水力计算污水管道按非满流设计:①最小管径与最小坡度mm,相应的最小坡度为;200街道污水管最小管径为mm,相应的最小坡度为;街道污水管最小管径为400 ②最大流速与最小流速m/s; 10金属管最大流速为m/s; 5非金属管的最大流速为s。
5 雨水管网设计说明5.1 雨水量计算(1)暴雨强度公式我国常用的暴雨强度公式为:()()nb t Pc A q ++=lg 11671……………………(式5—1)式中 q —— 设计暴雨强度(L/s ·ha ) P —— 设计重现期(a ) t —— 降雨历时(min )A1、c 、b 、n —— 地方参数,根据统计方法计算确定。
根据所处地区分别选用不同的暴雨强度公式,经过查表的本设计地区杭州的暴雨强度公式为:()()686.0403.6lg 736.71200.1770++=t P q ………………………………(式5—2)重现期:一般地区重现期为0.5~3年,重要地区3~5年,本设计地区取值为1年 降雨历时:21mt t t +=………………………………………………………(式5—3).(min)602iiv L t ∑=…………………………………………………(式5—4) 式中 t —— 设计降雨历时(min )t1 —— 地面集水时间(min ),取5~15min ,本设计地区取值为15 min t2 —— 管渠内雨水流行时间(min )m —— 折减系数,暗管取2,明渠取1.2,本设计都为暗管,即取值为2 L —— 设计断面上游各管道的长度(m ) V —— 上游各管道中的设计流速(m/s )(2)径流系数ψ计算通常根据排水流域内各类地面的面积数或所占比例,采用加权平均法计算出该排水流域的平均径流系数。
也可根据规划的地区类别,采用区域综合径流系数,av ψ=0.515(3)实际地面径流量即雨水管渠设计流量Q 计算按推理公式:qFQ ψ=………………………………………………(式5—5) 式中 Q ——计算汇水面积的设计最大径流量,亦即要排除的雨水设计流量(L/S )q ——雨峰时段内的平均设计暴雨强度[(L/S) /2hm ]ψ——径流系数F ——计算汇水面积(2hm )把(式5-2)、(式5-3)和av ψ=0.515代入(式5-5)得 ∑∈+++=ik k i i F t Q 515.0)403.6215()1lg 736.71(200.1770686.02…………………………………(式5—6)式中Q i ——管段的设计流量(L/s ) t2i ——管段i 的计算流经时间(min ) Fk ——管段i 上游各集水面积(2hm )5.2 雨水管网定线(分散排放和集中排放相结合)(1)充分利用地形,就近排入水体。
排水管网设计说明书计算书1总论 (1)1.1 设计依据 (1)1.2 都市概况原始资料 (1)1.3 设计原则 (3)1.4 设计范畴和任务 (3)2方案选择和确定 (4)2.1 排水体制的确定 (4)2.2 工业废水与都市排水系统的关系选择 (5)2.3 污水处理方式的选择 (5)3污水管网工程设计 (8)3.1 污水管网定线 (8)3.2 污水设计流量 (10)3.3 污水管道的水力运算 (13)3.4 污水管道水力运算成果 (19)3.5 污水管网工程量统计 (20)4雨水管网工程设计 (21)4.1 雨水管网定线 (21)4.2 雨水设计流量 (22)4.3 雨水管道的水力运算 (24)4.4 雨水管道水力运算成果 (26)4.5 雨水管道工程量统计 (27)5结论 (28)附:一张A3总平面布置图 (29)二排水管网设计运算书 (30)1污水管道设计运算 (30)1.1 污水设计流量公式 (30)1.2 运算举例 (32)1.3 街区编号及面积运算 (32)1.4 居住区生活污水设计流量运算 (33)1.5 工业污水设计流量和工业企业生活污水及淋浴污水设计流量运算 (34)1.6 污水管道水力运算 (35)1.7 污水厂规模的确定 (43)2 雨水管水力运算 (44)2.1 暴雨强度公式 (44)2.2 雨水管渠设计重现期 (44)2.3 雨水管渠的降雨历时 (44)2.4 径流系数 (45)2.5 雨水管道一样规定 (46)2.6 划分设计管段和汇水面积、汇水面积编号 (46)2.7 雨水管道设计流量和水力运算 (47)三个人体会 (50)四参考书籍 (52)一排水管网设计说明书1总论1.1 设计依据1.1.1 要紧规范(1)《都市排水工程规划规范》(GB50318-2000),国家质量技术监督局、建设部(2)《室外排水设计规范》(GB50014-2006),国家计委、建设部(3)《泵站设计规范》(GB/T50265-97),国家质量技术监督局、建设部1.1.2 要紧标准(1)《污水综合排放标准》(GB8978-1996)(2)《污水排入都市下水道水质标准》(CJ3082-1999)1.1.3 参考书籍(1)《水泵机水泵站》(第四版)(1998年)中国建筑工业出版社姜乃昌主编(2)《给水排水设计手册(1、5)》(第二版)(2000年) 中国建筑工业出版社(3)《给水排水工程快速设计手册(2、5)》(第一版)(1996年) 中国建筑工业出版社(4)《全国通用给水排水标准图集(S1、S2)》(1996年) 中国建筑标准设计研究所(5)《水工业工程设计手册水工业工程设备》(第一版)(2000年)聂梅生主编(6)《排水工程》(上册,第四版)(1999年) 中国建筑工业出版社孙慧修主编1.2 都市概况原始资料(1) 都市(包括工业区)总平面图一张,比例为1:10000,等高线间距1m。
排水雨水管网设计计算说明书HUA system office room 【HUA16H-TTMS2A-HUAS8Q8-HUAH1688】仲恺农业工程学院实践教学给水排水管网工程综合设计——排水管网计算书(2013—2014 学年第二学期)班级给排1x1姓名 xxx学号 201210524125设计时间 ~ 2014.7.3指导老师 xxxxxxxxxxxxxxx成绩城市建设学院目录1 设计原始资料 (1)1.1 城镇概况 (1)1.2 气候情况 (1)1.3 排水情况 (1)2 排水管段设计流量计算 (1)2.1 污水管道的布置 (1)2.2 居民生活污水计算 (2)2.3 街坊面积总面积计算 (2)2.4集中用户污水计算 (4)2.5面积比流量计算 (4)2.6 污水干管设计流量 (5)2.7污水管网主干管水力计算 (6)3 管道总平面图及纵剖面计算成果图绘制 (8)4 污水设计总结 (8)5 雨水管段设计流量计算 (9)5.1 主要设计参数 (9)5.2 各设计管段的设计流量 (9)5.3 计算步骤 (10)5.4 雨水管网主干管水力计算 (10)5.5 雨水设计总结 (11)1 设计原始资料1.1 城镇概况A 城市位于我国华南地区,该城市是广东省辖县级市,自然资源丰富,交通便利。
市区地势平坦,主要建在平原上,城市中间以铁路为界,分为两个生活区:Ⅰ区和Ⅱ区。
均有给水排水设备,自来水普及率100%。
1.2 气候情况① 市内多年来的极端高温38.7℃,每年6~8月份的气温最高。
而到了冬季(12~2月)温度较低,多年来的极端低温为0℃。
② 年平均相对湿度为65%,春季湿度大,约为65~90%;③ 雨季集中在4~9月份,这段时间的降雨量占全年降雨量的80%以上,4~9月份为受热带气旋影响的主要时段,降雨量大,多出现暴雨,年平均降雨量为1930mm ,多集中在6-9月,占全年降雨量的70%。
1.3 排水情况城市用水按19万人口设计,居民最高日用水量按210 (d cap L )。
生活污水排水量按给水的90%计算。
街坊污水排入区域排水管网,区域排水管网再将接入城市的排水管道系统,最后到污水处理厂进行处理。
2 排水管段设计流量计算2.1 污水管道的布置2.1.1 地形坡度地势由西南方向东北方逐渐降低,但总体变化趋势不大。
2.1.2 河流流向该城市沿市区南部有一条由北至南流向的河流,综合地势原因,污水厂设在地势较低处。
2.1.3 污水管道布置图2.2 居民生活污水计算查居民生活用水定额表,取居民平均日生活用水定额为210d L ⋅,则居民生活污水量定额为d cap L ⋅=⨯189%902102.3 街坊面积总面积计算根据城市人口为14万,根据草图对街坊区进行编号,得到各街坊面积和总面积,计算见下页表街区编号 1 2 3 4 5 6 7 8 9CAD 面积224.831152.0400.30575.93599.321106.7844.15947.49703.78街区面积(ha) 2.25 11.52 4.00 5.76 5.99 11.07 8.44 9.47 7.04 街区编号151617181920212223CAD面积385.988301.272728.498811.047495.618836.755622.3051634.491667.36街区面积(ha) 3.86 3.01 7.28 8.11 4.96 8.37 6.22 16.34 16.67 街区编号293031323334353637CAD面积707.396492.764870.113705.4331040.03593.512768.463314.043521.482街区面积(ha)7.07 4.93 8.70 7.05 10.40 5.94 7.68 3.14 5.21 街区编号434445464748495051CAD面积723.86235.62118.16275.0578.748900.73428.281191.5387.46街区面积(ha)7.24 2.36 1.18 2.75 0.79 9.01 4.28 11.92 3.87 街区编号575859606162636465CAD面积420.484459.847349.793426.871676.966390.8152143.791580.751713.07街区面积(ha) 4.20 4.60 3.50 4.27 6.77 3.91 21.44 15.81 17.13 街区编号717273747576777879CAD面积433.158112.321336.593481.347161.12522.472604.91659.681209.31街区面积(ha) 4.33 1.12 3.37 4.81 1.61 25.22 26.05 16.60 12.09 街区编号858687888990919293CAD面积528.16616.95426.14156.70215.812200.71880.4642.33899.07街区面积(ha) 5.28 6.17 4.26 1.57 2.16 22.01 18.80 6.42 8.99 街区编号99100101102103104105106107CAD面积308.009177.244193.354241.925162.345299.252392.535388.48998.2949街区面积(ha) 3.08 1.77 1.93 2.42 1.62 2.99 3.93 3.88 0.98 街区编号112113114115116117118174119CAD面积273.194479.131650.67586.389826.2731238.533043.98919.529471.343街区面积(ha) 2.73 4.79 16.51 5.86 8.26 12.39 30.44 9.20 4.71 街区编号125126127128129130131132133 CAD面积2202.95543.9918.00666.08847.06295.001025.1788.71150.28街区面积(ha)22.03 55.44 9.18 6.66 8.47 2.95 10.25 7.89 1.50 街区编号139140141142143144145146147CAD面积168.4011709.43900.665256.548505.042255.898605.1485.136277.119街区面积(ha) 1.68 17.09 9.01 2.57 5.05 2.56 6.05 4.85 2.77 街区编号153154155156157158159160161CAD面积365.767372.396924.534352.437311.792894.101828.286859.7611114.73街区面积(ha) 3.66 3.72 9.25 3.52 3.12 8.94 8.28 8.60 11.15 街区编号167168169171172173175176177 CAD面积1070.4413.67863.27985.15580.491280.4971.20867.44568.85街区面积(ha)10.70 4.14 8.63 9.85 5.80 12.80 9.71 8.67 5.69 街区编号183184185186187188189190191CAD面积655.205623.877557.075166.576523.683589.779459.697320.005370.506街区面积(ha) 6.55 6.24 5.57 1.67 5.24 5.90 4.60 3.20 3.71 街区编号197198199200201202203204205CAD面积447.007656.694425.857166.6411038.521079.95853.413396.658421.653街区面积(ha) 4.47 6.57 4.26 1.67 10.39 10.80 8.53 3.97 4.22 街区编号211212213214215216217218219CAD面积421.22558.85396.5811.70482.43860.89515.12268.90307.68街区面积(ha) 4.21 5.59 3.97 8.12 4.82 8.61 5.15 2.69 3.08 街区编号1011121314108109110170CAD面积711.028858.794367.807381.582218.749143.751233.984391.562826.068街区面积(ha)7.11 8.59 3.68 3.82 2.19 1.44 2.34 3.92 8.26 街区编号2425262728120121122123CAD面积1603.21533.51727.832273.02319.765212.29471.909198.676665.418街区面积(ha)16.03 15.34 17.28 22.73 3.20 2.12 4.72 1.99 6.65 街区编号3839404142134135136137 CAD面积441.77549.80455.04727.95753.71296.82149.94339.60261.10街区面积(ha) 4.42 5.50 4.55 7.28 7.54 2.97 1.50 3.40 2.61 街区编号5253545556148149150151CAD面积270.157450.499349.222426.321641.0971124.01253.898868.992824.763街区面积(ha) 2.70 4.50 3.49 4.26 6.41 11.24 2.54 8.69 8.25 街区编号6667686970162163164165CAD面积919.52885.5705108.912544.655165.366696.2791090.74331.649859.761街区面积(ha)9.20 0.86 1.09 5.45 1.65 6.96 10.91 3.32 8.60 街区编号8081828384178179180181 CAD面积841.15636.85227.99237.4214.652451.8982.553684.70745.42街区面积(ha)8.41 6.37 2.28 2.37 0.15 4.52 0.83 6.85 7.45 街区编号9495969798192193194195CAD面积951.086291.122829.8241546.02139.896525.228322.39474.509765.307街区面积(ha)9.51 2.91 8.30 15.46 1.40 5.25 3.22 4.75 7.65 街区编号206207208209210220221222223CAD面积351.06557.4982722.199836.089743.258428.508669.35359.6398599.378街区面积(ha) 3.51 0.57 7.22 8.36 7.43 4.29 6.69 0.60 5.99 街区编号225226227228229230111124138CAD面积284.29468.50542.18402.02873.72296.5578.73245.36184.09街区面积(ha) 2.84 4.69 5.42 4.02 8.74 2.97 5.79 2.45 1.84 街区编号152166182196224CAD面积738.3811356.27720.895696.765664.149街区面积(ha)7.38 13.56 7.21 6.97 6.642.4集中用户污水计算集中用水户名称集中用水量(L/s)工厂48.35火车站 3.01合计51.362.5面积比流量计算由表1得街区总面积为1564.05ha居住区人口密度为:190000÷1564.05=121.48 (cap/ha)则每ha街区面积的生活污水平均流量(比流量)为:2.6 污水干管设计流量主干线节点编号:1—2—3—4—5—6—7—8—9-10-11-12-13-14-15-16-17-18-19具体节点编号情况见附图每一设计管段的污水设计流量可能包括本段流量(即从管段沿线街坊流来的污水量q居民本段)、转输流量(即从上游管段q上游管和旁侧管断流来的污水量q居旁侧)和集中流量(即从公共建筑物流来的污水量管段q集中本段和q集上游)设计管段的设计流量计算见下表管段编号居民生活污水量集中流量设计流量(L/s)本段流量转输流量(L/s)合计平均流量(L/s)总变化系数生活污水设计流量(L/s)本段(L/s)转输(L/s)街坊编号街坊面积(ha)比流量(L/(s·ha))流量(L/s)1 2 3 4 5 6 7 8.0 9 10 11 12 1~212、173.68、7.280.266 2.92 — 2.92 2.4 7.01 ——7.0120~211 2.25 0.266 0.60 —0.60 2.9 1.71 —— 1.7121~2————0.60 0.60 2.9 1.71 —— 1.712~3———— 3.52 3.52 2.4 8.28 ——8.28 22~232、311.52、4.000.266 4.13 — 4.13 2.3 9.54 ——9.5423~313、143.82、2.190.266 1.60 4.13 5.73 2.2 12.77 ——12.7724~318、198.11、4.960.266 3.48— 3.48 2.4 8.19 ——8.193~4————12.73 12.73 2.0 25.97 ——25.974~5————12.73 12.73 2.0 25.97 ——25.97 25~264、55.76、5.990.266 3.13 — 3.13 2.4 7.45 ——7.4526~515、163.86、3.010.266 1.82 3.13 4.95 2.3 11.21 ——11.2127~520、218.37、6.220.266 3.88— 3.88 2.3 9.02 ——9.025~————21.56 21.56 1.9 41.52 ——41.5266~7————21.56 21.56 1.9 41.52 ——41.52 28~76、711.07、8.440.266 5.19 — 5.19 2.3 11.69 ——11.6929~722、2316.34、16.670.266 8.78 —8.78 2.1 18.67 ——18.677~8————35.53 35.53 1.8 64.77 ——64.778~9————35.53 35.53 1.8 64.77 ——64.77 30~98、99.47、7.040.266 4.39 — 4.39 2.3 10.08 ——10.0831~924、2516.03、15.340.266 8.34 —8.34 2.1 17.84 ——17.849~10————48.26 48.26 1.8 85.06 ——85.0610~11————48.26 48.26 1.8 85.06 ——85.06 32~1110、117.11、8.590.266 4.18 — 4.18 2.3 9.63 ——9.6333~1126、2717.28、22.730.266 10.64 —10.64 2.1 22.15 ——22.1511~12————63.0863.08 1.7107.93——107.93~13————63.0863.08 1.7107.93——107.9313~14————63.0863.08 1.7107.93——107.9314~15————163.51163.511.5252.0——252.015~16————199.93199.931.5301.39— 3.01304.416~17————310.98310.981.4446.57— 3.01449.5817~18————364.60364.61.4514.45— 3.01517.46~19————419.51419.511.4582.7—51.36634.062.7污水管网主干管水力计算污水管道按非满流设计:①最小管径与最小坡度街道污水管最小管径为200mm,相应的最小坡度为0.004;街道污水管最小管径为400mm,相应的最小坡度为0.0015;②最大流速与最小流速金属管最大流速为10m/s;非金属管的最大流速为5m/s;在设计充满度下的最小流速为0.6m/s。