基坑支护计算书
- 格式:doc
- 大小:2.15 MB
- 文档页数:27
深基坑支护设计 1设计单位:X X X 设计院设计人:X X X设计时间:2020-03-11 20:13:21---------------------------------------------------------------------- [ 支护方案 ]---------------------------------------------------------------------- 排桩支护---------------------------------------------------------------------- [ 基本信息 ]---------------------------------------------------------------------- [ 超载信息 ]---------------------------------------------------------------------- [ 附加水平力信息 ]---------------------------------------------------------------------- [ 土层信息 ]---------------------------------------------------------------------- [ 土层参数 ]---------------------------------------------------------------------- [ 支锚信息 ]---------------------------------------------------------------------- [ 土压力模型及系数调整 ]---------------------------------------------------------------------- 弹性法土压力模型: 经典法土压力模型:---------------------------------------------------------------------- [ 工况信息 ]-------------------------------------------------------------------------------------------------------------------------------------------- [ 设计参数 ]-------------------------------------------------------------------------------------------------------------------------------------------- [ 设计结果 ]-------------------------------------------------------------------------------------------------------------------------------------------- [ 结构计算 ]---------------------------------------------------------------------- 各工况:内力位移包络图:地表沉降图:---------------------------------------------------------------------- [ 截面计算 ]----------------------------------------------------------------------[ 截面验算 ]基坑内侧抗弯验算(不考虑轴力)σnei = Mn / Wx= 158.062/(1350.000*10-6)= 117.083(MPa) < f = 215.000(MPa) 满足基坑外侧抗弯验算(不考虑轴力)σwai = Mw / Wx= 156.663/(1350.000*10-6)= 116.047(MPa) < f = 215.000(MPa) 满足式中:σwai———基坑外侧最大弯矩处的正应力(Mpa);σnei———基坑内侧最大弯矩处的正应力(Mpa);Mw ———基坑外侧最大弯矩设计值(kN.m);Mn ———基坑内侧最大弯矩设计值(kN.m);Wx ———钢材对x轴的净截面模量(m3);f ———钢材的抗弯强度设计值(Mpa);---------------------------------------------------------------------- [ 整体稳定验算 ]----------------------------------------------------------------------计算方法:瑞典条分法应力状态:有效应力法条分法中的土条宽度: 0.40m滑裂面数据圆弧半径(m) R = 15.133圆心坐标X(m) X = -0.409圆心坐标Y(m) Y = 6.911整体稳定安全系数 K s = 1.316 > 1.25, 满足规范要求。
钢板桩基坑支护计算书一、结构计算依据1、国家现行的建筑结构设计规范、规程行业标准以及广东省建筑行业强制性标准规范、规程。
2、提供的地质勘察报告。
3、工程性质为管线构筑物,管道埋深4.8~4.7米。
4、本工程设计,抗震设防烈度为六度。
5、管顶地面荷载取值为:城-A级。
6、本工程地下水位最小埋深为2.0m。
7、本工程基坑计算采用理正深基坑支护结构计算软件。
(1)内支撑计算内支撑采用25H 型钢 A=92.18cm 2i x =10.8cm i y =6.29cm Ix=10800cm 4Iy=3650cm4Wx=864cm 3][126.11529.6725][13.678.10725λλλλ===<===y y x i l i l x查得464.0768.0==y x ϕϕ内支撑N=468.80kN ,考虑自重作用,M x =8.04N ·m MPa f A N fy y 215][6.1091018.92464.01080.46823=<=⨯⨯⨯=⋅=ϕMPa f Wx Mx A N fx x 215][05.58107.1361004.810117768.01080.4684623=<=⨯⨯+⨯⨯⨯=+⋅=ϕ(2)围檩计算取第二道围檩计算,按2跨连续梁计算,采用30H 型钢A=94.5cm 2 i x =13.1cm i y =7.49cm Ix=20500cm 4 Iy=6750cm 4 Wx=1370cm 3[ 计算结果 ]挡土侧支座负弯距为:M max =0.85×243.3kN ·m=206.8kN ·m ,跨中弯矩为M max =183.4kN ·m 支座处: MPa cmmkN Wx M 9.15013708.206max 13=⋅==σ,考虑钢板桩结构自身的抗弯作用,可满足安全要求。
跨中:][87.13313704.183max 23σσ<=⋅==MPa cmm kN Wx M支护结构受力计算5.3米深支护计算---------------------------------------------------------------------- [ 支护方案 ]---------------------------------------------------------------------- 排桩支护[ 基本信息 ]---------------------------------------------------------------------- [ 超载信息 ]---------------------------------------------------------------------- [ 附加水平力信息 ]---------------------------------------------------------------------- [ 土层信息 ]---------------------------------------------------------------------- [ 土层参数 ]---------------------------------------------------------------------- [ 支锚信息 ]---------------------------------------------------------------------- [ 土压力模型及系数调整 ]----------------------------------------------------------------------弹性法土压力模型: 经典法土压力模型:---------------------------------------------------------------------- [ 工况信息 ]-------------------------------------------------------------------------------------------------------------------------------------------- [ 设计结果 ]-------------------------------------------------------------------------------------------------------------------------------------------- [ 结构计算 ]---------------------------------------------------------------------- 各工况:内力位移包络图:地表沉降图:---------------------------------------------------------------------- [ 截面计算 ]----------------------------------------------------------------------[ 截面验算 ]基坑内侧抗弯验算(不考虑轴力)σnei = Mn / Wx= 134.931/(2200.000*10-6)= 61.332(MPa) < f = 215.000(MPa) 满足基坑外侧抗弯验算(不考虑轴力)σwai = Mw / Wx= 115.502/(2200.000*10-6)= 52.501(MPa) < f = 215.000(MPa) 满足式中:σwai———基坑外侧最大弯矩处的正应力(Mpa);σnei———基坑内侧最大弯矩处的正应力(Mpa);Mw ———基坑外侧最大弯矩设计值(kN.m);Mn ———基坑内侧最大弯矩设计值(kN.m);Wx ———钢材对x轴的净截面模量(m3);f ———钢材的抗弯强度设计值(Mpa);---------------------------------------------------------------------- [ 整体稳定验算 ]----------------------------------------------------------------------计算方法:瑞典条分法应力状态:有效应力法条分法中的土条宽度: 0.40m滑裂面数据整体稳定安全系数 K s = 1.180圆弧半径(m) R = 12.220圆心坐标X(m) X = -3.876圆心坐标Y(m) Y = 2.422---------------------------------------------------------------------- [ 抗倾覆稳定性验算 ]---------------------------------------------------------------------- 抗倾覆安全系数:M p ——被动土压力及支点力对桩底的抗倾覆弯矩, 对于内支撑支点力由内支撑抗压力 决定;对于锚杆或锚索,支点力为锚杆或锚索的锚固力和抗拉力的较小值。
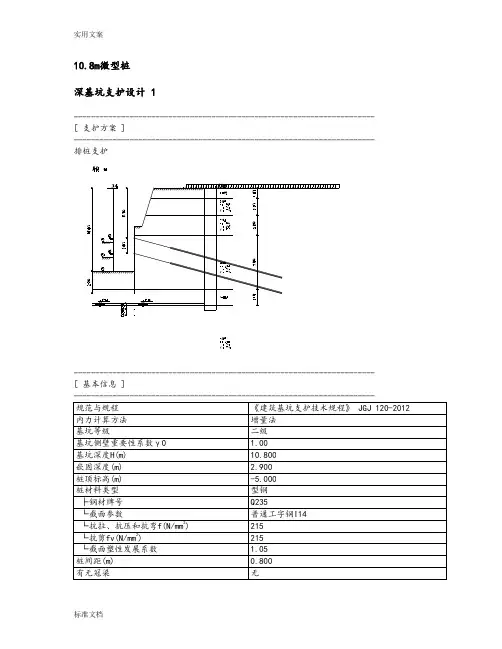
10.8m微型桩深基坑支护设计 1---------------------------------------------------------------------- [ 支护方案 ]---------------------------------------------------------------------- 排桩支护---------------------------------------------------------------------- [ 基本信息 ]---------------------------------------------------------------------- [ 放坡信息 ]---------------------------------------------------------------------- [ 超载信息 ]---------------------------------------------------------------------- [ 附加水平力信息 ]---------------------------------------------------------------------- [ 土层信息 ]---------------------------------------------------------------------- [ 土层参数 ]---------------------------------------------------------------------- [ 支锚信息 ]---------------------------------------------------------------------- [ 土压力模型及系数调整 ]---------------------------------------------------------------------- 弹性法土压力模型: 经典法土压力模型:---------------------------------------------------------------------- [ 工况信息 ]-------------------------------------------------------------------------------------------------------------------------------------------- [ 设计结果 ]-------------------------------------------------------------------------------------------------------------------------------------------- [ 结构计算 ]---------------------------------------------------------------------- 各工况:内力位移包络图:地表沉降图:---------------------------------------------------------------------- [ 截面计算 ]----------------------------------------------------------------------[ 截面验算 ]基坑内侧抗弯验算(不考虑轴力)σnei = M/(γ* W)= 21.154/(1.050*0.102*10-3)= 198102.875(kPa)= 198.103(MPa) < f = 215.000(MPa) 满足基坑外侧抗弯验算(不考虑轴力)σwai = M/(γ* W)= 19.445/(1.050*0.102*10-3)= 182094.147(kPa)= 182.094(MPa) < f = 215.000(MPa) 满足抗剪验算τ = V * Sx / (I * tw )= 76.474*0.000*10-3/(712.000*10-8*0.550*10-2)= 0.000(kPa)= 0.000(MPa) < fv = 215.000(MPa) 满足---------------------------------------------------------------------- [ 锚杆计算 ]----------------------------------------------------------------------[ 锚杆自由段长度计算简图 ]---------------------------------------------------------------------- [ 整体稳定验算 ]----------------------------------------------------------------------计算方法:瑞典条分法应力状态:总应力法条分法中的土条宽度: 0.40m滑裂面数据整体稳定安全系数 K s = 1.551圆弧半径(m) R = 13.454圆心坐标X(m) X = -0.200圆心坐标Y(m) Y = 9.050----------------------------------------------------------------------[ 抗倾覆稳定性验算 ]----------------------------------------------------------------------抗倾覆安全系数:p, 对于内支撑支点力由内支撑抗压力决定;对于锚杆或锚索,支点力为锚杆或锚索的锚固力和抗拉力的较小值。
目录............................................ 错误!未定义书签。
第一部分基坑支护设计方案说明 . (4)1 工程概况 (4)1。
1 一般概况.................................. 错误!未定义书签。
1.2 项目概况 (4)1.3 环境概况 (4)1。
4 基坑安全等级 (4)2 地质资料 (5)2.1 地形地貌 (5)2.2 工程地质 (5)2.3 水文概况 (5)2。
4 不良地质条件 (5)2.5 地质参数 (5)3 支护方案设计 (6)3。
1设计使用规范 (6)3.2设计资料依据 (6)3.3 支护方案 (6)4 基坑支护结构设计计算 (6)4。
1 计算方法 (7)4.2 计算条件 (7)4。
3 计算结果 (7)5 支护结构施工技术要求 (7)5。
1 施工流程 (7)5。
2 水泥土搅拌桩施工技术要求 (8)5.3 喷射混凝土施工技术要求 (7)5.4 土方开挖技术要求 (9)5。
5 基坑降排水 (10)6 其它注意事项 (10)7 监测要求及内容 (11)7.1 监测技术要求 (11)7.2 监测内容 (11)7.3监测要求 (12)8 质量检测 (12)9 应急措施 (12)9.1支护结构体系方面的应急处理措施 (12)9.2地下水方面的应急处理措施 (13)9。
3环境保护方面的应急处理措施 (13)9。
4应急资源 (13)10 备注 (14)第二部分基坑支护设计计算书 (15)1.AB段剖面计算 (15)2。
BC段剖面计算 (17)3。
CD段剖面计算 (19)4.DE段剖面计算 (21)5.EA段剖面计算 (23)第一部分基坑支护设计方案说明1 工程概况1.2 项目概况⑴主体建筑总用地面积约11654。
00m2左右,总建筑面积约54193.66m2左右,拟建建筑物共有5栋,地上6~34层,地下一层,结构形式为钢筋混凝土框架结构.⑵基坑规模基坑大致呈矩形。
基坑支护计算书四川省建筑设计院2005年4月基坑支护计算书总工程师:审定:审核:编制:四川省建筑设计院2005年4月目录一、基坑支护计算说明二、挡土桩(墙)支撑规范计算公式三、内力计算书(M法)四、锚杆计算书五、基坑支护连梁(腰梁)计算书一、基坑支护计算说明1、基坑开挖深度±0.00下23.8m,地下水位坑外16.0m,坑内23.8m。
2、根据场地勘察报告,选取每一面边坡中部钻孔为计算标准地层,地基土物理力学指标按表1取值:表 13、支护设计计算时采用中国建筑科学设计研究院PKPM软件计算后综合取值。
锚杆长度以四个点(边坡中点钻孔)计算后取平均值。
锚杆材质为地质钻杆,抗拉强度为540MPa,截面积为723mm2。
腰梁计算及降水设计计算时采用理正软件计算后综合取值。
4、基坑四周均布荷载q=10KN/m2(离坑边大于1.50米),基坑安全等级为一级,侧壁重要系数γ0=1.10。
5、护壁桩嵌固深度系数按0.12计算(根据《建筑基坑支护技术规范》(JGJ120-99)附录四取δ=0,φk=40取值),嵌固深度h b=3.0m。
二、挡土桩(墙)支撑规范计算公式(一)第n层土底面对板桩墙的压力计算第n层土底面对板桩墙的主动压力为:第n层土底面对板桩墙的被动压力为:土名重度γ(kN/m3)饱和重度γ(kN/m3)粘聚力标准值C k(kPa)内摩擦角标准值φk(度)岩土体与锚固体的极限摩阻力标准值q skKPa 杂填土17.0 0 17 20素填土18.0 18 20 20粉质粘土19.5 22 20 45粉土19.5 12 18 45中砂19.5 0 32 35中砂(卵石层中)20.0 0 35 50稍密卵石21.0 21.5 0 40 200中密卵石22.0 22.5 10 42 250密实卵石23.0 23.5 15 45 300强风化泥岩22.0 22.3 45 30 100中等风化泥岩23.5 23.6 800 40 250其中:E an——第n层土底面对板桩墙的主动压力;E pn——第n层土底面对板桩墙的被动压力;q n ——地面附加荷载传递到第n层土底面的垂直荷载(kN/m2);i——i层土的天然重力密度(kN/m3);h i ——i层土的厚度(m);n——n层土调整后的内摩擦角(°);C n ——n层土调整后的内聚力(kN/m2)。
基坑⽀护设计计算书桩锚设计计算书⼀、计算原理1.1 ⼟压⼒计算⼟压⼒采⽤库仑理论计算1.1.1 主动⼟压⼒系数()2sin sin cos cos++=φδφδφa K1.1.2 被动⼟压⼒系数()2sin sin cos cos+-=φδφδφpK1.1.3 主动⼟压⼒强度a a ajk K ChK e 2-=γ1.1.4 被动⼟压⼒强度p pp j k K ChKe 2+=γ1.2 桩锚设计计算1.2.1单排锚杆嵌固深度按照下式设计计算:02.1)(011≥-++∑∑ai a d T c pj p E h h h T E h γ式中,h p 为合⼒∑E pj 作⽤点⾄桩底的距离,∑E pj 为桩底以上基坑内侧各⼟层⽔平抗⼒标准值的合⼒之和,T c1为锚杆拉⼒,h T1为锚杆⾄基坑底⾯距离,h d 为桩⾝嵌固深度,γ0为基坑侧壁重要性系数,h a 为合⼒∑E ai 作⽤点⾄桩底的距离,∑E ai 为桩底以上基坑外侧各⼟层⽔平荷载标准值的合⼒之和。
1.2.2 多排锚杆采⽤分段等值梁法设计计算,对每⼀段开挖,将该段状上的上部⽀点和插⼊段弯矩零点之间的桩作为简⽀梁进⾏计算,上⼀段梁中计算出的⽀点反⼒假定不变,作为外⼒来计算下⼀段梁中的⽀点反⼒,该设计⽅法考虑了实际施⼯情况。
1.3 配筋计算公式为:钢筋笼配筋采⽤圆形截⾯常规配筋,并根据桩体实际受⼒情况,适当减少受压⾯的配筋数。
sy cm cm s y A f A f A f A f 32/2sin 25.1++=ππαα()tsy cm s r f Arf KSM A παπαπππαsin sinsin 323+-=α225.1-=t式中,K 为配筋安全系数,S 为桩距,M 为最⼤弯矩,r 为桩半径,f cm 和fy 分别为混凝⼟和钢筋的抗弯强度,As 为配筋⾯积,A 为桩截⾯⾯积,α对应于受压区混凝⼟截⾯⾯积的圆⼼⾓与2π的⽐值,⽤叠代法计算As 。
安康市张岭廉租房六、七号楼边坡工程支护设计计算书设计:魏小勇审核:张海峰审定:张忠永西北综合勘察设计研究院二○一二年四月1目录一、边坡整体稳定性计算简图 (2)二、17米长抗滑动桩计算 (2)三、21米抗滑动桩验算 (8)四、抗滑桩桩顶冠梁计算书 (15)五、BC段弹性地基梁计算书 (20)六、AB段已有抗滑桩验算 (24)七、埋入式锚固梁计算书 (33)1一、边坡整体稳定性计算简图二、17米长抗滑动桩计算------------------------------------------------------------------------ 原始条件:2墙身尺寸:桩总长: 17.000(m)嵌入深度: 6.000(m)截面形状: 方桩桩宽: 1.600(m)桩高: 2.200(m)桩间距: 4.400(m)嵌入段土层数: 1桩底支承条件: 铰接计算方法: M法土层序号土层厚(m) 重度(kN/m3) 内摩擦角(度) 土摩阻力(kPa) M(MN/m4) 被动土压力调整系数1 50.000 21.000 40.00 180.00 25000.000 1.000初始弹性系数A: 50.000(MN/m3)初始弹性系数A1: 30.000(MN/m3)桩前滑动土层厚: 11.000(m)锚杆(索)参数:锚杆道数: 1锚杆号锚杆类型竖向间距水平刚度入射角锚固体水平预加筋浆强度( m ) ( MN/m ) ( 度 ) 直径(mm) 力(kN) fb(kPa)1 锚索 0.100 8.810 30.00 150 400.00 2100.00物理参数:桩混凝土强度等级: C30桩纵筋合力点到外皮距离: 35(mm)桩纵筋级别: HRB400桩箍筋级别: HPB235桩箍筋间距: 200(mm)挡土墙类型: 一般挡土墙墙后填土内摩擦角: 23.000(度)墙背与墙后填土摩擦角: 18.000(度)墙后填土容重: 19.200(kN/m3)横坡角以上填土的土摩阻力(kPa): 35.00横坡角以下填土的土摩阻力(kPa): 40.00坡线与滑坡推力:坡面线段数: 1折线序号水平投影长(m) 竖向投影长(m)1 0.000 0.000地面横坡角度: 0.000(度)墙顶标高: 0.000(m)参数名称参数值推力分布类型梯形梯形荷载(q1/q2) 0.510桩后剩余下滑力水平分力 1180.000(kN/m)桩后剩余抗滑力水平分力 0.000(kN/m)采用土压力计算时考虑了桩前覆土产生的被动土压力3覆土重度(kN/m3): 19.000覆土内摩擦角(度): 18.000覆土粘聚力(kPa): 10.000覆土被动土压力调整系数: 1.000钢筋混凝土配筋计算依据:《混凝土结构设计规范GB 50010--2002》注意:内力计算时,滑坡推力、库仑土压力分项(安全)系数 = 1.000=====================================================================第 1 种情况: 滑坡推力作用情况[桩身所受推力计算]假定荷载梯形分布桩后: 上部=318.834(kN/m) 下部=625.166(kN/m)桩前: 上部=0.000(kN/m) 下部=0.000(kN/m)桩前分布长度=11.000(m)(一) 桩身内力计算计算方法: m 法背侧——为挡土侧;面侧——为非挡土侧。
基坑支护设计计算书设计方法原理及分析软件介绍基坑开挖深度为6m,采用板桩作围护结构,桩长为12m,桩顶标高为-1m。
采用《同济启明星2006版》进行结构计算。
5.1 明开挖,6m坑深支护结构计算(1)工程概况基坑开挖深度为6m,采用板桩作围护结构,桩长为12m,桩顶标高为-1m。
q=0(1b 素填土)1.3hw=1(4 粘土)D=7H=6(6b 淤泥质粘土)(6c 粉质粘土)板桩共设1道支撑,见下表。
2中心标高(m) 刚度(MN/m) 预加轴力(kN/m)-1.3 30基坑附近有附加荷载如下表和下图所示。
h 1x 1s 45(2)地质条件场地地质条件和计算参数见表1。
地下水位标高为-1m。
渗透压缩层厚重度43) k(kN/m) c(kPa) m(kN/m土层 ,(:) 系数模量 max3(m) (kN/m) (m/d) (MPa)1.3 19 9.28 14.88 1500 1b 素填土2.7 18.4 12 17 3500 4 粘土7.5 17.8 5 10 1000 6b 淤泥质粘土3.5 18.9 15.5 13 3000 6c 粉质粘土2 19.7 18.5 14.5 5000 7 粉质粘土8 粉质粘土 13 20.4 19 18 7000(3)工况支撑刚度预加轴力工况编号工况类型深度(m) 支撑编号 2(MN/m) (kN/m)1 1.5 开挖2 1.3 30 1 加撑3 6 开挖4 2.5 1000 换撑5 1 拆撑工况简图如下:1.31.52.56工况 1工况 2工况 3工况 4工况 5(4)计算Y整体稳定验算O(1b 素填土)X(4 粘土)76(6b 淤泥质粘土)(6c 粉质粘土)(7 粉质粘土)(8 粉质粘土)安全系数 K=1.56 ,圆心 O( 1.19 , 1.45 ) 墙底抗隆起验算(1b 素填土)1(4 粘土)76(6b 淤泥质粘土)(6c 粉质粘土)(7 粉质粘土)(8 粉质粘土)Prandtl: K=2.83Terzaghi: K=3.23(1b 素填土)1.3m1(4 粘土)76(6b 淤泥质粘土)(6c 粉质粘土)(7 粉质粘土)(8 粉质粘土)坑底抗隆起验算 K=1.81抗倾覆验算(水土合算)(1b 素填土)1.3O1(4 粘土)76(6b 淤泥质粘土) 9924.610.8 914.3(6c 粉质粘土)(7 粉质粘土)Kc=1.22抗管涌验算: 159#按砂土,安全系数K=2.25按粘土,安全系数K=3.054包络图 (水土合算, 矩形荷载)500-502001000-100-200100500-50-100000 110.2kN/m222444666888101010121212141414深度(m)深度(m)深度(m)水平位移(mm)弯矩(kN*m)剪力(kN) Max: 42.8-8.3 ~ 183.2-46.6 ~ 66.2(5)工字钢强度验算: 159#基本信息计算目标:截面验算截面受力状态:绕X轴单向受弯材料名称:Q2352 材料抗拉强度(N/mm):215.02 材料抗剪强度(N/mm):125.0弯矩Mx(kN-m):229.000 截面信息截面类型:工字钢(GB706-88):xh=I40b(型号)截面抵抗矩33 Wx(cm): 1140.000 Wx(cm): 1140.000 1233 Wy(cm): 96.200 Wy(cm): 96.200 12截面塑性发展系数γx: 1.05 γx: 1.05 12γy: 1.20 γy: 1.20 12截面半面积矩33 S(cm): 678.600 S(cm): 92.704 xy13S(cm):84.891 y2 截面剪切面积22 A(cm): 94.110 A(cm): 94.110 xy截面惯性矩44 I(cm): 22800.000 I(cm): 692.000 xy截面附加参数参数名参数值x: I40b(型号) h分析结果2 最大正应力σ:191.312(N/mm)2 |σ= 191.3|?f = 215.0(N/mm) |f / σ|=1.124满足水平支撑系统验算:水平支撑系统位移图(单位:mm)水平支撑系统弯矩图(单位:kN.M)水平支撑系统剪力图(单位:kN)水平支撑系统轴力图(单位:kN) (6)钢腰梁强度验算:基本信息计算目标:截面验算截面受力状态:绕X轴单向受弯材料名称:Q2352 材料抗拉强度(N/mm):215.02 材料抗剪强度(N/mm):125.0弯矩Mx(kN-m):115.700 截面信息截面类型:工字钢组合Π形截面(GB706-88):xh=I40b(型号) 截面抵抗矩33 W(cm): 2280.000 W(cm): 2280.000 x1x233 W(cm): 2389.732 W(cm): 2389.732 y1y2截面塑性发展系数γ: 1.05 γ: 1.05 x1x2γ: 1.00 γ: 1.00 y1y2截面半面积矩33 S(cm): 1357.200 S(cm): 1646.925 xy截面剪切面积22 A(cm): 188.220 A(cm): 188.220 xy截面惯性矩44 I(cm): 45600.001 I(cm): 59026.381 xy截面附加参数参数名参数值x: I40b(型号) hw: 350(mm)分析结果2最大正应力σ:48.329(N/mm)2 |σ= 48.3|?f = 215.0(N/mm) |f / σ|=4.449满足(7)钢对撑强度及稳定性验算:基本输入数据构件材料特性材料名称:Q235构件截面的最大厚度:8.00(mm)2 设计强度:215.00(N/mm)2 屈服强度:235.00(N/mm)截面特性截面名称:无缝钢管:d=133(mm)无缝钢管外直径[2t?d]:133 (mm)无缝钢管壁厚[0,t?d/2]:8 (mm)缀件类型:构件高度:4.000(m)容许强度安全系数:1.00容许稳定性安全系数:1.00荷载信息轴向恒载设计值: 447.800(kN)连接信息连接方式:普通连接截面是否被削弱:否端部约束信息X-Z平面内顶部约束类型:简支X-Z平面内底部约束类型:简支X-Z平面内计算长度系数:1.00Y-Z平面内顶部约束类型:简支Y-Z平面内底部约束类型:简支Y-Z平面内计算长度系数:1.00 中间结果截面几何特性2 面积:31.42(cm)4 惯性矩I:616.11(cm) x3 抵抗矩W:92.65(cm) x回转半径i:4.43(cm) x4 惯性矩I:616.11(cm) y3 抵抗矩W:92.65(cm) y回转半径i:4.43(cm) y塑性发展系数γ1:1.15x塑性发展系数γ1:1.15y塑性发展系数γ2:1.15x塑性发展系数γ2:1.15y材料特性2 抗拉强度:215.00(N/mm)2 抗压强度:215.00(N/mm)2 抗弯强度:215.00(N/mm)2 抗剪强度:125.00(N/mm)2 屈服强度:235.00(N/mm)3 密度:785.00(kg/m)稳定信息绕X轴弯曲:长细比:λ=90.32 x轴心受压构件截面分类(按受压特性): a类轴心受压整体稳定系数: φ=0.711 x最小稳定性安全系数: 1.07最大稳定性安全系数: 1.07最小稳定性安全系数对应的截面到构件顶端的距离:0.000(m)最大稳定性安全系数对应的截面到构件顶端的距离:0.000(m)绕X轴最不利位置稳定应力按《钢结构规范》公式(5.1.2-1) N4478002,,200.3857N/mmA0.711,3142 x绕Y轴弯曲:长细比:λ=90.32 y轴心受压构件截面分类(按受压特性): a类轴心受压整体稳定系数: φ=0.711 y最小稳定性安全系数: 1.07最大稳定性安全系数: 1.07最小稳定性安全系数对应的截面到构件顶端的距离:0.000(m)最大稳定性安全系数对应的截面到构件顶端的距离:0.000(m)绕X轴最不利位置稳定应力按《钢结构规范》公式(5.1.2-1) N4478002,,200.3857N/mmA0.711,3142 y强度信息最大强度安全系数: 1.51最小强度安全系数: 1.51最大强度安全系数对应的截面到构件顶端的距离: 0.000(m)最小强度安全系数对应的截面到构件顶端的距离: 0.000(m)计算荷载: 447.80kN受力状态:轴压最不利位置强度应力按《钢结构规范》公式(5.1.1-1)分析结果构件安全状态: 稳定满足要求,强度满足要求。
钢板桩基坑支护计算书一、结构计算依据1、国家现行的建筑结构设计规范、规程行业标准以及广东省建筑行业强制性标准规范、规程。
2、提供的地质勘察报告。
3、工程性质为管线构筑物,管道埋深4.8~4.7米。
4、本工程设计,抗震设防烈度为六度。
5、管顶地面荷载取值为:城-A级。
6、本工程地下水位最小埋深为2.0m。
7、本工程基坑计算采用理正深基坑支护结构计算软件。
(1)内支撑计算内支撑采用25H 型钢 A=92.18cm 2i x =10.8cm i y =6.29cm Ix=10800cm 4Iy=3650cm4Wx=864cm 3][126.11529.6725][13.678.10725λλλλ===<===y y x i l i l x查得464.0768.0==y x ϕϕ内支撑N=468.80kN ,考虑自重作用,M x =8.04N ·m MPa f A N fy y 215][6.1091018.92464.01080.46823=<=⨯⨯⨯=⋅=ϕ MPa f Wx Mx A N fx x 215][05.58107.1361004.810117768.01080.4684623=<=⨯⨯+⨯⨯⨯=+⋅=ϕ(2)围檩计算取第二道围檩计算,按2跨连续梁计算,采用30H 型钢A=94.5cm 2 i x =13.1cm i y =7.49cm Ix=20500cm 4 Iy=6750cm 4 Wx=1370cm 3[ 计算结果 ]挡土侧支座负弯距为:M max =0.85×243.3kN ·m=206.8kN ·m ,跨中弯矩为M max =183.4kN ·m 支座处: MPa cmmkN Wx M 9.15013708.206max 13=⋅==σ,考虑钢板桩结构自身的抗弯作用,可满足安全要求。
跨中:][87.13313704.183max 23σσ<=⋅==MPa cmm kN Wx M支护结构受力计算5.3米深支护计算---------------------------------------------------------------------- [ 支护方案 ]---------------------------------------------------------------------- 排桩支护[ 基本信息 ]---------------------------------------------------------------------- [ 超载信息 ]---------------------------------------------------------------------- [ 附加水平力信息 ]---------------------------------------------------------------------- [ 土层信息 ]---------------------------------------------------------------------- [ 土层参数 ]---------------------------------------------------------------------- [ 支锚信息 ]---------------------------------------------------------------------- [ 土压力模型及系数调整 ]----------------------------------------------------------------------弹性法土压力模型: 经典法土压力模型:---------------------------------------------------------------------- [ 工况信息 ]-------------------------------------------------------------------------------------------------------------------------------------------- [ 设计结果 ]-------------------------------------------------------------------------------------------------------------------------------------------- [ 结构计算 ]---------------------------------------------------------------------- 各工况:内力位移包络图:地表沉降图:---------------------------------------------------------------------- [ 截面计算 ]----------------------------------------------------------------------[ 截面验算 ]基坑内侧抗弯验算(不考虑轴力)σnei = Mn / Wx= 134.931/(2200.000*10-6)= 61.332(MPa) < f = 215.000(MPa) 满足基坑外侧抗弯验算(不考虑轴力)σwai = Mw / Wx= 115.502/(2200.000*10-6)= 52.501(MPa) < f = 215.000(MPa) 满足式中:σwai———基坑外侧最大弯矩处的正应力(Mpa);σnei———基坑内侧最大弯矩处的正应力(Mpa);Mw ———基坑外侧最大弯矩设计值(kN.m);Mn ———基坑内侧最大弯矩设计值(kN.m);Wx ———钢材对x轴的净截面模量(m3);f ———钢材的抗弯强度设计值(Mpa);---------------------------------------------------------------------- [ 整体稳定验算 ]----------------------------------------------------------------------计算方法:瑞典条分法应力状态:有效应力法条分法中的土条宽度: 0.40m滑裂面数据整体稳定安全系数 K s = 1.180圆弧半径(m) R = 12.220圆心坐标X(m) X = -3.876圆心坐标Y(m) Y = 2.422---------------------------------------------------------------------- [ 抗倾覆稳定性验算 ]---------------------------------------------------------------------- 抗倾覆安全系数:M p ——被动土压力及支点力对桩底的抗倾覆弯矩, 对于内支撑支点力由内支撑抗压力 决定;对于锚杆或锚索,支点力为锚杆或锚索的锚固力和抗拉力的较小值。
土钉墙基坑支护结构设计计算书1、AH段支护结构计算[ 设计简图][ 基本参数]所依据的规程或方法:《建筑基坑支护技术规程》JGJ 120-99基坑深度: 6.700(m)基坑内地下水深度:10.000(m)基坑外地下水深度: 1.000(m)基坑侧壁重要性系数: 1.000土钉荷载分项系数: 1.350土钉抗拉抗力分项系数: 1.300整体滑动分项系数: 1.300[ 坡线参数]坡线段数1序号水平投影(m) 竖向投影(m) 倾角(°)1 2.233 6.700 71.6[ 土层参数]土层层数4序号土类型土层厚容重饱和容重粘聚力内摩擦角钉土摩阻力锚杆土摩阻力水土(m) (kN/m^3) (kN/m^3) (kPa) (度) (kPa) (kPa)1 杂填土 3.000 19.7 19.7 20.0 14.0 18.0 18.0 合算2 粉质粘土 6.200 19.8 19.8 60.0 18.8 40.0 40.0 合算3 强风化岩 2.300 20.5 20.5 20.0 28.0 65.0 65.0 分算4 中风化岩 5.100 25.7 25.7 180.0 28.0 80.0 80.0 合算[ 超载参数]超载数1序号超载类型超载值(kN/m) 作用深度(m) 作用宽度(m) 距坑边线距离(m) 形式长度(m)1 满布均布35.000[ 土钉参数]土钉道数5序号水平间距(m) 垂直间距(m) 入射角度(度) 钻孔直径(mm)1 1.500 1.000 20.0 1102 1.500 1.200 15.0 1103 1.500 1.200 15.0 1104 1.500 1.200 15.0 1105 1.500 1.200 15.0 110[ 坑内土不加固]施工过程中局部抗拉满足系数: 1.000施工过程中内部稳定满足系数: 1.000[ 内部稳定设计条件]考虑地下水作用的计算方法:总应力法土钉拉力在滑面上产生的阻力的折减系数:0.500圆弧滑动坡底截止深度(m):0.000(m)圆弧滑动坡底滑面步长(m): 1.000(m)[ 设计结果][ 局部抗拉设计结果]工况开挖深度破裂角土钉号设计长度最大长度(工况) 拉力标准值拉力设计值(m) (度) (m) (m) Tjk(kN) Tj(kN)1 1.500 42.8 02 2.700 42.8 1 6.328 6.328( 2) 22.8 28.43 3.900 43.3 1 2.626 6.328( 2) 3.9 4.82 4.562 4.562( 3) 20.5 25.74 5.100 43.8 1 3.245 6.328( 2) 3.8 4.82 4.842 4.842( 4) 20.3 25.43 1.578 1.578( 4) 5.1 6.45 6.300 44.0 1 3.865 6.328( 2) 3.8 4.82 5.126 5.126( 5) 20.2 25.33 2.245 2.245( 5) 5.1 6.44 0.966 0.966( 5) 0.0 0.06 6.700 44.1 1 4.071 6.328( 2) 3.8 4.72 5.222 5.222( 6) 20.2 25.33 2.466 2.466( 6) 5.1 6.34 1.189 1.189( 6) 0.0 0.05 0.510 0.510( 6) 0.0 0.0[ 内部稳定设计结果]工况号安全系数圆心坐标x(m) 圆心坐标y(m) 半径(m) 土钉号土钉长度1 1.569 0.333 9.150 4.1912 1.512 -1.180 9.810 6.3301 7.3283 1.538 -1.509 9.443 6.3641 7.3282 5.2224 1.681 -7.678 14.651 15.4191 7.3282 5.2223 2.4665 1.591 -7.729 13.895 15.6181 7.3282 5.2223 2.4664 1.1896 1.554 -8.255 15.631 17.6771 7.3282 5.2223 2.4664 1.1895 0.510根据构造要求,实际取得土钉长度分别为8.0m 6.0m 4.0m 4.0m 4.0m。
96#墩围檩、支撑计算96#墩桩基施工平台标高23.75m,施工水位19.5m,承台顶标高11.71m,承台底标高5.21m,封底混凝土厚度1.0m,基坑底标高4.21m,混凝土封底前基坑深度15.29m,封底后基坑深度14.29m。
96#墩承台尺22.9×29.2m,基坑采用长24.0mCO型钢管桩支护,围堰桩内侧净尺寸25.06×31.32m。
长边内支撑间距3.82+6.083+3.582+3.72+3.442+6.083+3.82=30.55m,短边内支撑间距3.825+6.59+3.442+6.59+3.825=24.273m。
H588×300×12×20mm 型钢,单根H588型钢的截面面积2310576.18mm A ⨯=、mm N g /102.14583-⨯=、43105.1132838mm I x ⨯=、331019.3853mm W x ⨯=、331045.2154mm S x ⨯=、mm d 12=。
H700×300×13×24mm 型钢,单根H700型钢的截面面积2310876.22mm A ⨯=、mm N g /107.17953-⨯=、43109.1946069mm I x ⨯=、331019.5560mm W x ⨯=、331039.3124mm S x ⨯=、mm d 13=。
一、围伶计算 1、第一、二道围伶(1) 横桥向,混凝土封底后第二道围伶计算根据基坑支护计算书,96#墩在混凝土封底后,第二道支撑土反力设计值mKN F/7.2124/76.618375.12=⨯=。
最大弯矩:m KN M .4.554max =,在支点3、6处。
最大剪力:KN Q 9.638m ax =,在支点3、6处。
支座反力:KN N N 2.21581==、KN N N 5.11662.5293.63772=+==、KNN N 2.11713.5329.63863=+==;KN N N 9.7776.3953.38254=+==抗弯强度:MPa MPa WM 20594.71)1019.38532(104.55436≤=⨯⨯⨯==σ,满足。
土钉施工规范工程浅基坑安全专项施工方案编制人: 职务:校对人:职务:审核人:职务:审批人:职务:公司编制时间:年月日第一节、编制依据------------------------------------------------------------------------------------------------ - 2 - 第二节、工程概况------------------------------------------------------------------------------------------------ - 3 - 第三节、施工总体布署 ----------------------------------------------------------------------------------------- - 4 - 第四节、基坑支护工程 ----------------------------------------------------------------------------------------- - 9 - 第五节、土方挖运工程 ---------------------------------------------------------------------------------------- - 11 - 第六节、质量保证措施 ---------------------------------------------------------------------------------------- - 13 - 第七节、安全生产与文明施工 ------------------------------------------------------------------------------ - 18 - 第八节、雨期施工措施 ---------------------------------------------------------------------------------------- - 20 - 第九节、土钉墙支护计算书---------------------------------------------------------------------------------- - 21 -第一节、编制依据一、《岩土工程勘察报告》(XX地质工程勘察院)二、相关工程图纸(XX规划设计院察院)三、基坑设计方案(XX地质工程勘)四、选用规范1、该工程的《岩土工程勘察报告》及部分设计图纸2、《建筑基坑支护技术规程》(JGJ 120-99) 中国建筑工业出版社出版、3、《建筑地基与基础设计规范》(GB 50007-2002)4、《混凝土结构设计规范》(GB 50010-2002)5、《建筑施工计算手册》江正荣编著中国建筑工业出版社、6、《实用土木工程手册》第三版杨文渊编著人民教同出版社、7、《地基与基础》第三版中国建筑工业出版社、8、《土力学》等相关文献进行编制第二节、工程概况土钉施工规范工程;工程建设地点:;属于框架结构;地上0 层;地下0层;建筑高度:0m;标准层层高:0m ;总建筑面积:0平方米;总工期:0天。
目录基坑支护稳定性验算书 (2)1、放坡土体稳定性验算 (2)2、钢板桩支护稳定性验算 (6)基坑支护稳定性验算书1、放坡土体稳定性验算本计算参照《建筑施工计算手册》(江正荣著)、《实用土木工程手册》第三版(杨文渊著)、《地基与基础》第三版、《土力学》等相关文献进行编制。
本计算采用瑞典条分法进行分析计算,假定滑动面为圆柱面及滑动土体为不变形刚体,还假定不考虑土条两侧上的作用力。
一、参数信息:条分方法:瑞典条分法;考虑地下水位影响;基坑外侧水位到坑顶的距离(m):5.000;基坑内侧水位到坑顶的距离(m):5.000;放坡参数:序号放坡高度(m) 放坡宽度(m) 平台宽度(m) 条分块数1 0.50 0.50 0.80 0.002 4.50 7.00 2.00 0.00荷载参数:序号类型面荷载q(kPa) 基坑边线距离b0(m) 宽度b1(m)1 局布 10.00 2.00 2.00土层参数:序号土名称土厚度(m) 坑壁土的重度γ(kN/m3) 坑壁土的内摩擦角φ(°) 内聚力C(kPa) 饱容重(kN/m3)1 填土 1.62 17.00 14.00 8.00 22.002 淤泥质二 3.41 16.25 11.50 11.00 22.00二、计算原理:根据土坡极限平衡稳定进行计算。
自然界匀质土坡失去稳定,滑动面呈曲面,通常滑动面接近圆弧,可将滑裂面近似成圆弧计算。
将土坡的土体沿竖直方向分成若干个土条,从土条中任意取出第i条,不考虑其侧面上的作用力时,该土条上存在着:1、土条自重,2、作用于土条弧面上的法向反力,3、作用于土条圆弧面上的切向阻力。
将抗剪强度引起的极限抗滑力矩和滑动力矩的比值作为安全系数,考虑安全储备的大小,按照《规范》要求,安全系数要满足>=1.3的要求。
将抗剪强度引起的极限抗滑力矩和滑动力矩的比值作为安全系数,考虑安全储备的大小,按照《规范》要求,安全系数要满足>=1.3的要求。
吉林市中心医院深基坑支护设计 1-1剖面支护方案:排桩+锚索基本信息土层参数支锚信息土压力模型经典法土压力模型:工况信息结构计算各工况:内力位移包络图:地表沉降图:冠梁选筋结果截面计算:截面参数内力取值锚杆计算:锚杆参数锚杆自由段长度计算简图整体稳定验算计算方法:瑞典条分法应力状态:总应力法条分法中的土条宽度: 0.50m滑裂面数据整体稳定安全系数 K s = 1.578圆弧半径(m) R = 10.595圆心坐标X(m) X = -3.545圆心坐标Y(m) Y = 5.750抗倾覆稳定性验算抗倾覆安全系数:M p——被动土压力及支点力对桩底的抗倾覆弯矩, 对于内支撑支点力由内支撑抗压力决定;对于锚杆或锚索,支点力为锚杆或锚索的锚固力和抗拉力的较小值。
M a——主动土压力对桩底的倾覆弯矩。
注意:锚固力计算依据锚杆实际锚固长度计算。
工况1:注意:锚固力计算依据锚杆实际锚固长度计算。
序号支锚类型材料抗力(kN/m) 锚固力(kN/m)1 锚索 0.000 0.0002 锚索 0.000 0.0003 锚索 0.000 0.0004 锚索 0.000 0.000K s = 24.127 >= 1.200, 满足规范要求。
工况2:注意:锚固力计算依据锚杆实际锚固长度计算。
序号支锚类型材料抗力(kN/m) 锚固力(kN/m)1 锚索 144.667 75.2672 锚索 0.000 0.0003 锚索 0.000 0.0004 锚索 0.000 0.000K s = 24.909 >= 1.200, 满足规范要求。
工况3:注意:锚固力计算依据锚杆实际锚固长度计算。
序号支锚类型材料抗力(kN/m) 锚固力(kN/m)1 锚索 144.667 75.2672 锚索 0.000 0.0003 锚索 0.000 0.0004 锚索 0.000 0.000K s = 5.683 >= 1.200, 满足规范要求。
同济启明星深基坑支挡结构设计计算软件FRWS 8.2工程名称:1-1一、工程概况基坑设计深度15.8m, 基坑安全等级为一级。
1.土层参数(26#)续表地下水位埋深:9.5m。
2.荷载工作荷载邻近荷载3.放坡4.挡土墙挡墙类型: 灌注桩;嵌入深度: 5.2m;混凝土等级: C30;桩径: 0.8m;桩间距: 1.6m;截水帷幕嵌入深度: 4.75m截水帷幕桩径: 0.85m截水帷幕搭接长度: 0.25m截水帷幕排数: 15.支撑和锚杆2018设0806.工况工况示意图工况信息表二、计算依据采用《北京市建筑基坑支护技术规程DB11/489-2016》进行设计计算。
并且1.整体稳定验算采用总应力法三、变形内力1.各工况变形内力7.开挖到15.8m 2.变形内力包络图四、整体稳定验算圆心(-6.32,-9.5),半径13.53m,滑动力51.4kN/m,抗滑力43.8kN/m圆心(-2.75,0),半径25.33m,滑动力1285.4kN/m,抗滑力7244.1kN/m圆心(-3.01,0),半径25.3m,滑动力2313.3kN/m,抗滑力6437.3kN/m圆心(-3.29,0),半径25.54m,滑动力3045kN/m,抗滑力5997.4kN/m圆心(-3.42,0),半径26.02m,滑动力3550.6kN/m,抗滑力5884.3kN/m 五、配筋M=1.25×1.1×Mk, V=1.25×1.1×Vk。
1.灌注桩0~19m六、锚杆承载力验算Rk/Nk应达到: 1.8;七、地表沉降计算方法: 同济抛物线模式1.各工况地表沉降7.开挖到15.8m八、渗透稳定性验算1.流土稳定性验算′应达到1.6同济启明星深基坑支挡结构设计计算软件FRWS 8.2工程名称:1a-1a一、工程概况基坑设计深度19.25m, 基坑安全等级为一级。
1.土层参数(26#)续表地下水位埋深:9.5m。
碧荷居项目住宅楼基坑支护工程设计方案计算书一、工程概况拟建碧荷居项目住宅楼地块位于广州市南沙区珠电路以北。
该场地拟建高层住宅,楼高17层,地下室一层,基础采用管桩基础。
本次设计基坑周长约512m,开挖深度约4.20~5.50m(考虑承台500mm厚,垫层100mm厚)。
建筑±0.00相当于绝对标高8.80m。
本次基坑设计侧壁安全等级为二级;基坑支护结构使用年限自支护结构完工之日起计为1年。
二、环境条件1、东侧:地下室外墙边线距用地红线最近处约10.5m,距周边5~10建筑物(管桩基础)最近处约19m,紧贴用地红线外有一埋深1.5m[400污水管;2、南侧:地下室外墙边线距用地红线最近处约10.3m,用地红线外为珠电路,距用地红线约15.8m有一埋深1.5m[400污水管;3、西南角:地下室外墙边线距用地红线最近处约6.3m,距6层建筑物(管桩基础)最近处约14.5m,用地红线外约5.6m有一埋深1.5m[400污水管;4、西侧:地下室外墙边线距用地红线最近处约5.2m,距周边5~6层建筑物(无地下室,管桩基础)最近处约31.7m,三倍坑深范围内无地下管线分布;5、北侧:地下室外墙边线距用地红线最近处约10.5m,距周边5~6层建筑物(管桩基础)最近处约19.9m,用地红线外约2m有一埋深1.5m[400污水管。
6、场地周边红线外均为现有水泥路。
三、地质水文条件(一)地形地貌场地交通便利,南面为珠电路,北面50米处为人工剥蚀地貌单元,场地出露地表多为花岗岩风化残积土。
(二)地层岩性特征钻探揭露表明,勘察区范围地基岩土层主要有如下几层:第四系人工填土层、第四系冲洪积层,第四系残积层,下石炭系大塘阶石蹬子组地层等。
以下为各岩层的分布及其工程地质特征描述:人工填土层<1>:黄褐色、灰褐色,组成物主要为人工堆填的残积粘性土和少量碎石块,欠压实。
第四系海陆交互相沉积层淤泥质土、淤泥<2>:灰黑色,饱和,流塑状,由粘粒、有机质组成,局部含少量贝壳和粉细砂,具高压缩性,具腥臭味,为松散状淤泥质细砂。
基坑工程计算书1 工程概况该基坑设计总深3.75m ,按一级基坑 、选用《国家行业标准—建筑基坑支护技术规程(JGJ120-2012)》进行设计计算。
1.1 土层参数地下水位埋深:2.00m 。
1.2 基坑周边荷载地面超载:0.0kPa 邻近荷载:邻近荷载的作用方式: 一。
2 开挖与支护设计基坑支护方案如图:基坑工程基坑支护方案图2.1 挡墙设计·挡墙类型:长12m*宽0.4m拉森钢板桩;·嵌入深度:8.050m;·露出长度:0.200m;·型钢型号:Q390bz-400×170;2.2 支撑(锚)结构设计本方案设置1道支撑(锚),各层数据如下:第1道支撑(锚)为平面内支撑,距墙顶深度0.500m,工作面超过深度1.500m,预加轴力0.00kN/m。
该道平面内支撑具体数据如下:·支撑材料:钢支撑;·支撑长度:30.000m;·支撑间距:5.000m;·与围檩之间的夹角:90.000°;·不动点调整系数:0.500;·型钢型号:@609*14;·根数:1;·松弛系数:1.000。
计算点位置系数:0.000。
2.3 工况顺序该基坑的施工工况顺序如下图所示:3 计算原理描述3.1 围护墙主动侧土压力计算3.1.1 朗肯主动土压力深度 z 处第i层土的主动土压力强度的标准值e ak,i按下列公式计算:采用水土合算或计算点在水位以上时:(小于0取0)采用水土分算且计算点在水位以下时:(小于0取0)对于矩形土压力模式,自重部分须扣除坑内土的自重(对水位以下的分算土层,扣除有效自重;坑内水位取坑底位置,天然水位在坑底以下就取天然水位)。
式中:γj─第j层土的天然重度;γw─水的重度,取10kN/m3;Δh j─第j层土的厚度;h wa,i─地下水位;c i、c i'─第i层土的内聚力、有效内聚力;φi、φi'─第i层土的内摩擦角、有效内摩擦角;q─超载。
eme建筑工程基坑支护技术审查送审资料清单受理编号:项目名称广州地铁五号线小北站基坑类别一级基坑规模开挖深度(m)27.4、19.431.511、31.48、15.19、14.14基坑支护总造价(万元)2816.8万元周长(m)150.6、99.07、28、28、79.498、107.201建设单位广州地下铁道总公司联系人:电话:设计单位中铁隧道勘测设计院有限公司资质等级甲级勘察单位文件资料明细序号文件名称数量备注1委托函2设计单位资质复印件103勘察单位资质复印件4工程地质勘察报告5工程用地红线图6工程总平面图7管线图10周遍无管线者除外,甲方另出书面证明(加盖单位公章)8基坑支护设计方案计算说明书109基坑支护设计方案图纸1010基坑支护设计方案相关资料11地下室底板平面图12地下室剖面图13基础平面图14其他相关图纸1015基坑支护设计方案电子文件1光(软)盘,须注明项目名称、编制单位(设计院)及日期16基坑支护工程概算全部资料提交日期资料签收资料提交人签名签收日期基坑支护计算书一、东端基坑1、计算说明1)本计算是使用理正深基坑计算软件(5.05版)计算所得;2)本计算书是采用最不利的钻孔M E Z3-X B-05号钻孔的地质资料计算所得。
计算工况如下:计算工况2、计算原始数据[基本信息]----------------------------------------------------------------------内力计算方法增量法规范与规程《建筑基坑支护技术规程》J G J120-99基坑等级一级 基坑侧壁重要性系数γ0 1.10 基坑深度H (m ) 27.200 嵌固深度(m ) 5.500 桩顶标高(m ) -0.500 桩直径(m ) 1.200 桩间距(m )1.350 混凝土强度等级 C 30 有无冠梁有 ├冠梁宽度(m ) 1.200 ├冠梁高度(m )0.800 └水平侧向刚度(M N /m ) 10.000 放坡级数 1 超载个数 1----------------------------------------------------------------------[ 放坡信息 ]---------------------------------------------------------------------- 坡号 台宽(m ) 坡高(m ) 坡度系数 1 0.0000.5001.000----------------------------------------------------------------------[ 超载信息 ]----------------------------------------------------------------------超载 类型 超载值作用深度作用宽度 距坑边距 形式长度序号 (k P a ,k N /m )(m ) (m ) (m ) (m ) 120.000 -------------------------------------------------------------------------------------[ 土层信息 ]----------------------------------------------------------------------土层数17坑内加固土否 内侧水位深度(m ) 28.000 外侧水位深度(m )2.500弹性法计算方法 m 法----------------------------------------------------------------------[ 土层参数 ]----------------------------------------------------------------------层号 土类名称 层厚 重度 浮重度 粘聚力 内摩擦角 (m ) (k N /m 3) (k N /m 3) (k P a ) (度) 1 杂填土 2.50 19.0 9.0 25.50 20.80 2 粘性土 1.80 19.3 9.3 21.00 10.20 3 强风化岩 1.30 24.5 14.5 300.00 25.00 4 红粘土 1.70 19.6 9.6 29.80 18.60 5 强风化岩 4.50 24.5 14.5 300.00 25.00 6 中风化岩 1.60 24.6 14.6 1000.00 30.00 7 微风化岩 4.60 25.4 15.4 2000.00 40.00 8 中风化岩 1.60 24.6 14.6 1000.00 30.00 9 微风化岩 0.60 25.4 15.4 2000.00 40.00 10 中风化岩 0.50 24.6 14.6 1000.00 30.00 11 微风化岩 1.50 25.4 15.4 2000.00 40.00 12 中风化岩 0.40 24.0 14.0 1000.00 30.00 13 红粘土 9.50 19.6 9.6 30.70 26.90 14 中风化岩 0.60 24.6 14.6 --- --- 15 微风化岩 3.30 25.4 15.4 --- --- 16 中风化岩 0.80 24.6 14.6 --- --- 17 微风化岩 2.9625.415.4------层号 与锚固体摩 粘聚力内摩擦角 水土计算m 值 抗剪强度擦阻力(k P a ) 水下(k P a ) 水下(度) (M N /m 4) (k P a ) 1 10.0 25.50 20.80 合算 9.12 --- 2 25.0 21.00 10.20 合算 3.16 --- 3 200.0 300.00 25.00 合算 40.00 --- 4 45.0 29.80 18.60 合算 8.04 --- 5 200.0 300.0025.00合算40.00---6250.01000.0030.00合算115.00---7500.02000.0040.00合算228.00---8350.01000.0030.00合算115.00---9500.02000.0040.00合算228.00---10350.01000.0030.00合算115.00---11500.02000.0040.00合算228.00---12350.01000.0030.00合算115.00---1380.030.7026.90合算14.85---14350.01000.0030.00合算115.00---15500.02000.0040.00合算228.00---16350.01000.0030.00合算115.00---17500.02000.0040.00合算228.00-------------------------------------------------------------------------[支锚信息]----------------------------------------------------------------------支锚道数5支锚支锚类型水平间距竖向间距入射角总长锚固段道号(m)(m)(°)(m)长度(m)1内撑 3.500 2.700---------2内撑 3.500 6.000---------3内撑 3.500 6.000---------4内撑 3.500 4.400---------5内撑 3.500 4.000---------支锚预加力支锚刚度锚固体工况抗拉力道号(k N)(M N/m)直径(m m)号(k N)1200.00150.00---2~---2200.00150.00---4~19---3400.00150.00---6~17---41000.00150.00---8~15---51000.00150.00---10~14-------------------------------------------------------------------------[土压力模型及系数调整]----------------------------------------------------------------------弹性法土压力模型:经典法土压力模型:层号土类名称水土水压力主动土压力被动土压力被动土压力调整系数调整系数调整系数最大值(k P a)1杂填土合算 1.000 1.000 1.00010000.0002粘性土合算 1.000 1.000 1.00010000.0003强风化岩合算 1.000 1.000 1.00010000.0004红粘土合算 1.000 1.000 1.00010000.0005强风化岩合算 1.000 1.000 1.00010000.0006中风化岩合算 1.000 1.000 1.00010000.0007微风化岩合算 1.000 1.000 1.00010000.0008中风化岩合算 1.000 1.000 1.00010000.0009微风化岩合算 1.000 1.000 1.00010000.00010中风化岩合算 1.000 1.000 1.00010000.00011微风化岩合算 1.000 1.000 1.00010000.00012中风化岩合算 1.000 1.000 1.00010000.00013红粘土合算 1.000 1.000 1.00010000.00014中风化岩合算 1.000 1.000 1.00010000.00015微风化岩合算 1.000 1.000 1.00010000.00016中风化岩合算 1.000 1.000 1.00010000.00017微风化岩合算 1.000 1.000 1.00010000.0003、计算过程内力位移包络图:4、计算结果[冠梁选筋结果]----------------------------------------------------------------------钢筋级别选筋A s1H R B3352D16A s2H R B3352D16A s3H P B235d8@200----------------------------------------------------------------------[截面计算]----------------------------------------------------------------------[截面参数]桩是否均匀配筋是混凝土保护层厚度(m m)70桩的纵筋级别H R B335桩的螺旋箍筋级别H R B335桩的螺旋箍筋间距(m m)150弯矩折减系数0.85剪力折减系数 1.00荷载分项系数 1.25配筋分段数一段各分段长度(m)32.20[内力取值]段内力类型弹性法经典法内力内力号计算值计算值设计值实用值1基坑内侧最大弯矩(k N.m)1972.851214.512305.762305.76基坑外侧最大弯矩(k N.m)739.581232.28864.39864.39最大剪力(k N)1258.63656.061730.611730.61段选筋类型级别钢筋实配[计算]面积号实配值(m m2或m m2/m)1纵筋H R B33535D2517181[16950]箍筋H R B335D14@1502053[1988]加强箍筋H R B335D14@2000154----------------------------------------------------------------------[整体稳定验算]----------------------------------------------------------------------计算方法:瑞典条分法应力状态:总应力法条分法中的土条宽度:0.40m滑裂面数据整体稳定安全系数K s= 5.772圆弧半径(m)R=37.331圆心坐标X(m)X= 1.158圆心坐标Y(m)Y=31.831----------------------------------------------------------------------[抗倾覆稳定性验算]----------------------------------------------------------------------抗倾覆安全系数:= K s M p M aM p———被动土压力及锚杆力对桩底的弯矩,其中锚杆力由等值梁法求得;M a———主动土压力对桩底的弯矩;K s=1.25> 1.200,满足规范要求![抗隆起验算]----------------------------------------------------------------------P r a n d t l(普朗德尔)公式(K s>= 1.1~1.2),注:安全系数取自《建筑基坑工程技术规范》Y B9258-97(冶金部):= K s+D N q c N c+()+H D q=N q()tan()+45o22e tan()=N c()-N q11tan()==N q()tan()+4538.86722e3.142tan()38.86754.957=N c()-54.9571=1tan()38.86766.949=K s+⨯⨯11.600 5.50054.957⨯1886.68666.949+⨯22.358()+26.700 5.50029.463K s=173.232>= 1.1,满足规范要求。