2016基坑支护设计计算书模板 (1)
- 格式:doc
- 大小:160.72 KB
- 文档页数:12
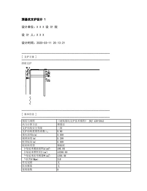
深基坑支护设计 1设计单位:X X X 设计院设计人:X X X设计时间:2020-03-11 20:13:21---------------------------------------------------------------------- [ 支护方案 ]---------------------------------------------------------------------- 排桩支护---------------------------------------------------------------------- [ 基本信息 ]---------------------------------------------------------------------- [ 超载信息 ]---------------------------------------------------------------------- [ 附加水平力信息 ]---------------------------------------------------------------------- [ 土层信息 ]---------------------------------------------------------------------- [ 土层参数 ]---------------------------------------------------------------------- [ 支锚信息 ]---------------------------------------------------------------------- [ 土压力模型及系数调整 ]---------------------------------------------------------------------- 弹性法土压力模型: 经典法土压力模型:---------------------------------------------------------------------- [ 工况信息 ]-------------------------------------------------------------------------------------------------------------------------------------------- [ 设计参数 ]-------------------------------------------------------------------------------------------------------------------------------------------- [ 设计结果 ]-------------------------------------------------------------------------------------------------------------------------------------------- [ 结构计算 ]---------------------------------------------------------------------- 各工况:内力位移包络图:地表沉降图:---------------------------------------------------------------------- [ 截面计算 ]----------------------------------------------------------------------[ 截面验算 ]基坑内侧抗弯验算(不考虑轴力)σnei = Mn / Wx= 158.062/(1350.000*10-6)= 117.083(MPa) < f = 215.000(MPa) 满足基坑外侧抗弯验算(不考虑轴力)σwai = Mw / Wx= 156.663/(1350.000*10-6)= 116.047(MPa) < f = 215.000(MPa) 满足式中:σwai———基坑外侧最大弯矩处的正应力(Mpa);σnei———基坑内侧最大弯矩处的正应力(Mpa);Mw ———基坑外侧最大弯矩设计值(kN.m);Mn ———基坑内侧最大弯矩设计值(kN.m);Wx ———钢材对x轴的净截面模量(m3);f ———钢材的抗弯强度设计值(Mpa);---------------------------------------------------------------------- [ 整体稳定验算 ]----------------------------------------------------------------------计算方法:瑞典条分法应力状态:有效应力法条分法中的土条宽度: 0.40m滑裂面数据圆弧半径(m) R = 15.133圆心坐标X(m) X = -0.409圆心坐标Y(m) Y = 6.911整体稳定安全系数 K s = 1.316 > 1.25, 满足规范要求。
目录............................................ 错误!未定义书签。
第一部分基坑支护设计方案说明 . (4)1 工程概况 (4)1。
1 一般概况.................................. 错误!未定义书签。
1.2 项目概况 (4)1.3 环境概况 (4)1。
4 基坑安全等级 (4)2 地质资料 (5)2.1 地形地貌 (5)2.2 工程地质 (5)2.3 水文概况 (5)2。
4 不良地质条件 (5)2.5 地质参数 (5)3 支护方案设计 (6)3。
1设计使用规范 (6)3.2设计资料依据 (6)3.3 支护方案 (6)4 基坑支护结构设计计算 (6)4。
1 计算方法 (7)4.2 计算条件 (7)4。
3 计算结果 (7)5 支护结构施工技术要求 (7)5。
1 施工流程 (7)5。
2 水泥土搅拌桩施工技术要求 (8)5.3 喷射混凝土施工技术要求 (7)5.4 土方开挖技术要求 (9)5。
5 基坑降排水 (10)6 其它注意事项 (10)7 监测要求及内容 (11)7.1 监测技术要求 (11)7.2 监测内容 (11)7.3监测要求 (12)8 质量检测 (12)9 应急措施 (12)9.1支护结构体系方面的应急处理措施 (12)9.2地下水方面的应急处理措施 (13)9。
3环境保护方面的应急处理措施 (13)9。
4应急资源 (13)10 备注 (14)第二部分基坑支护设计计算书 (15)1.AB段剖面计算 (15)2。
BC段剖面计算 (17)3。
CD段剖面计算 (19)4.DE段剖面计算 (21)5.EA段剖面计算 (23)第一部分基坑支护设计方案说明1 工程概况1.2 项目概况⑴主体建筑总用地面积约11654。
00m2左右,总建筑面积约54193.66m2左右,拟建建筑物共有5栋,地上6~34层,地下一层,结构形式为钢筋混凝土框架结构.⑵基坑规模基坑大致呈矩形。
新世纪·星城F地块基坑支护方案基坑支护工程计算书韶关地质工程勘察院二零一二年五月一、计算参数选择(1)本基坑挡土安全等级按三级考虑,基坑侧壁重要性系数γ取0.9;(2)地面超载:3、基坑顶使用荷载为坑顶15KPa。
(3)地下水位:基坑外侧取开挖面以下1.0m;基坑内侧取坑底以下1.0m;(4)计算软件采用理正深基坑计算软件(版本号:FSPW6.01);(5)土层参数选取(采用勘察报告参数值并结合当地工程经验选取)各土层参数选取值---------------------------------------------------------------------- 验算项目: 1-1剖面---------------------------------------------------------------------- [ 验算简图 ] ----------------------------------------------------------------------[ 验算条件 ]----------------------------------------------------------------------[ 基本参数 ]所依据的规程或方法:《建筑基坑支护技术规程》JGJ 120-99基坑深度: 5.250(m)基坑内地下水深度: 6.000(m)基坑外地下水深度: 1.000(m)基坑侧壁重要性系数: 0.900土钉荷载分项系数: 1.250土钉抗拉抗力分项系数: 1.300整体滑动分项系数: 1.300[ 坡线参数 ]坡线段数 1序号水平投影(m) 竖向投影(m) 倾角(°)1 2.015 5.250 69.0[ 土层参数 ]土层层数 2序号土类型土层厚容重饱和容重粘聚力内摩擦角钉土摩阻力锚杆土摩阻力水土 (m) (kN/m^3) (kN/m^3) (kPa) (度) (kPa) (kPa)1 素填土 5.800 17.5 17.5 10.0 10.0 25.0 25.0 合算2 粘性土 8.400 18.0 18.0 22.0 20.0 50.0 50.0 合算[ 超载参数 ]超载数 1序号超载类型超载值(kN/m) 作用深度(m) 作用宽度(m) 距坑边线距离(m) 形式长度(m)1 局部均布 15.000 0.000 10.000 0.185 条形[ 土钉参数 ]土钉道数 3序号水平间距(m) 垂直间距(m) 入射角度(度) 钻孔直径(mm) 长度(m) 配筋1 1.400 1.000 15.0 110 8.000 1D222 1.400 1.400 15.0 110 10.000 1D223 1.400 1.400 15.0 110 12.000 1D22[ 花管参数 ]基坑内侧花管排数 0基坑内侧花管排数 0[ 锚杆参数 ]锚杆道数 0[ 坑内土不加固 ][ 内部稳定验算条件 ]考虑地下水作用的计算方法:总应力法土钉拉力在滑面上产生的阻力的折减系数: 0.500*******************************************************************[ 验算结果 ]*******************************************************************[ 局部抗拉验算结果 ]工况开挖深度破裂角土钉号土钉长度受拉荷载标准值抗拔承载力设计值抗拉承载力设计值满足系数 (m) (度) (m) Tjk(kN) Tuj(kN) Tuj(kN) 抗拔抗拉1 1.300 39.5 02 2.600 39.5 1 8.000 23.3 46.3 114.0 1.767 4.3543 3.900 39.5 1 8.000 7.2 40.7 114.0 5.022 14.0782 10.000 29.0 60.0 114.0 1.8393.4964 5.250 39.5 1 8.000 7.2 34.9 114.0 4.304 14.0782 10.000 29.0 54.2 114.0 1.661 3.4963 12.000 88.1 101.9 114.0 1.028 1.150[ 内部稳定验算结果 ]工况号安全系数圆心坐标x(m) 圆心坐标y(m) 半径(m)1 1.479 0.881 7.115 3.2282 1.495 -0.757 7.728 5.3803 1.388 -2.368 8.312 7.5374 1.332 -3.293 8.142 8.783[ 外部稳定计算参数 ]所依据的规程:《建筑地基基础设计规范》GB50007-2002土钉墙计算宽度: 20.000(m)墙后地面的倾角: 0.0(度)墙背倾角: 60.0(度)土与墙背的摩擦角: 10.0(度)土与墙底的摩擦系数: 0.300墙趾距坡脚的距离: 0.000(m)墙底地基承载力: 250.0(kPa)抗水平滑动安全系数: 1.300抗倾覆安全系数: 1.600[ 外部稳定计算结果 ]重力: 842.5(kN)重心坐标: ( 9.718, 2.910)超载: 150.0(kN)超载作用点x坐标: 7.200(m)土压力: 55.9(kN)土压力作用点y坐标: 1.785(m)基底平均压力设计值 50.1(kPa) < 250.0基底边缘最大压力设计值 62.1(kPa) < 1.2*250.0抗滑安全系数: 2.317 > 1.300抗倾覆安全系数: 48.701 > 1.600---------------------------------------------------------------------- [ 支护方案 ]2-2剖面---------------------------------------------------------------------- 天然放坡支护---------------------------------------------------------------------- [ 基本信息 ]---------------------------------------------------------------------- [ 放坡信息 ]---------------------------------------------------------------------- [ 超载信息 ]---------------------------------------------------------------------- [ 土层信息 ]---------------------------------------------------------------------- [ 土层参数 ]-------------------------------------------------------------------------------------------------------------------------------------------- [ 设计结果 ]-------------------------------------------------------------------------------------------------------------------------------------------- [ 整体稳定验算 ]----------------------------------------------------------------------天然放坡计算条件: 计算方法:瑞典条分法 应力状态:总应力法基坑底面以下的截止计算深度: 0.00m 基坑底面以下滑裂面搜索步长: 5.00m 条分法中的土条宽度: 0.40m---------------------------------------------------------------------- [ 支护方案 ]3-3剖面---------------------------------------------------------------------- 天然放坡支护---------------------------------------------------------------------- [ 基本信息 ]---------------------------------------------------------------------- [ 放坡信息 ]---------------------------------------------------------------------- [ 超载信息 ]---------------------------------------------------------------------- [ 土层信息 ]----------------------------------------------------------------------[ 土层参数 ]---------------------------------------------------------------------- [ 设计结果 ]-------------------------------------------------------------------------------------------------------------------------------------------- [ 整体稳定验算 ]----------------------------------------------------------------------天然放坡计算条件: 计算方法:瑞典条分法 应力状态:总应力法基坑底面以下的截止计算深度: 0.00m 基坑底面以下滑裂面搜索步长: 5.00m 条分法中的土条宽度: 0.40m---------------------------------------------------------------------- [ 支护方案 ]4-4剖面---------------------------------------------------------------------- 天然放坡支护---------------------------------------------------------------------- [ 基本信息 ]---------------------------------------------------------------------- [ 放坡信息 ]---------------------------------------------------------------------- [ 超载信息 ]---------------------------------------------------------------------- [ 土层信息 ]---------------------------------------------------------------------- [ 土层参数 ]-------------------------------------------------------------------------------------------------------------------------------------------- [ 设计结果 ]-------------------------------------------------------------------------------------------------------------------------------------------- [ 整体稳定验算 ]----------------------------------------------------------------------天然放坡计算条件: 计算方法:瑞典条分法 应力状态:总应力法基坑底面以下的截止计算深度: 0.00m 基坑底面以下滑裂面搜索步长: 5.00m 条分法中的土条宽度: 0.40m---------------------------------------------------------------------- [ 支护方案 ]出土口---------------------------------------------------------------------- 天然放坡支护---------------------------------------------------------------------- [ 基本信息 ]---------------------------------------------------------------------- [ 放坡信息 ]---------------------------------------------------------------------- [ 超载信息 ]---------------------------------------------------------------------- [ 土层信息 ]---------------------------------------------------------------------- [ 土层参数 ]---------------------------------------------------------------------- [ 设计结果 ]-------------------------------------------------------------------------------------------------------------------------------------------- [ 整体稳定验算 ]----------------------------------------------------------------------天然放坡计算条件: 计算方法:瑞典条分法 应力状态:总应力法基坑底面以下的截止计算深度: 0.00m 基坑底面以下滑裂面搜索步长: 5.00m 条分法中的土条宽度: 0.40m。
基坑⽀护设计计算书桩锚设计计算书⼀、计算原理1.1 ⼟压⼒计算⼟压⼒采⽤库仑理论计算1.1.1 主动⼟压⼒系数()2sin sin cos cos++=φδφδφa K1.1.2 被动⼟压⼒系数()2sin sin cos cos+-=φδφδφpK1.1.3 主动⼟压⼒强度a a ajk K ChK e 2-=γ1.1.4 被动⼟压⼒强度p pp j k K ChKe 2+=γ1.2 桩锚设计计算1.2.1单排锚杆嵌固深度按照下式设计计算:02.1)(011≥-++∑∑ai a d T c pj p E h h h T E h γ式中,h p 为合⼒∑E pj 作⽤点⾄桩底的距离,∑E pj 为桩底以上基坑内侧各⼟层⽔平抗⼒标准值的合⼒之和,T c1为锚杆拉⼒,h T1为锚杆⾄基坑底⾯距离,h d 为桩⾝嵌固深度,γ0为基坑侧壁重要性系数,h a 为合⼒∑E ai 作⽤点⾄桩底的距离,∑E ai 为桩底以上基坑外侧各⼟层⽔平荷载标准值的合⼒之和。
1.2.2 多排锚杆采⽤分段等值梁法设计计算,对每⼀段开挖,将该段状上的上部⽀点和插⼊段弯矩零点之间的桩作为简⽀梁进⾏计算,上⼀段梁中计算出的⽀点反⼒假定不变,作为外⼒来计算下⼀段梁中的⽀点反⼒,该设计⽅法考虑了实际施⼯情况。
1.3 配筋计算公式为:钢筋笼配筋采⽤圆形截⾯常规配筋,并根据桩体实际受⼒情况,适当减少受压⾯的配筋数。
sy cm cm s y A f A f A f A f 32/2sin 25.1++=ππαα()tsy cm s r f Arf KSM A παπαπππαsin sinsin 323+-=α225.1-=t式中,K 为配筋安全系数,S 为桩距,M 为最⼤弯矩,r 为桩半径,f cm 和fy 分别为混凝⼟和钢筋的抗弯强度,As 为配筋⾯积,A 为桩截⾯⾯积,α对应于受压区混凝⼟截⾯⾯积的圆⼼⾓与2π的⽐值,⽤叠代法计算As 。
第一章基坑边坡计算一、工程概况(一)土质分布情况①1杂填土(Q4ml):由粉质粘土混较多的碎砖、碎石子等建筑垃圾及生活垃圾组成。
层厚0.50~4.80米。
①2素填土(Q4ml):主要由软~可塑状粉质粘土夹少量小碎石子、碎砖组成。
层厚0.40~2.90米。
①3淤泥质填土(Q4ml):。
主要为原场地塘沟底部的淤泥,后经翻填。
分布无规律,局部分布。
层厚0.80~2.30米。
②1粉质粘土(Q4al):可塑,局部偏软塑,中压缩性,切面稍有光泽,干强度中等,韧性中等,土质不均匀,该层分布不均,局部缺失。
层顶标高5.00~13.85米,层厚0.50~8.20米。
②2粉土夹粉砂(Q4al):中压缩性,干强度及韧性低。
夹薄层粉砂,具水平状沉积层理,单层厚1.0~5.0cm,局部富集。
该层分布不均匀,局部缺失。
层顶标高1.30~10.93米,层厚0.80~4.50米。
②3含淤泥质粉质粘土(Q4al):软~流塑,高压缩性,干强度、韧性中等偏低。
局部夹少量薄层状粉土及粉砂,层顶标高1.87~10.03米,层厚1.00~13.50米。
②4粉质粘土(Q4al):饱和,可塑,局部软塑,中压缩性,层顶标高-8.30~7.27米,层厚1.10~14.60米。
③1粉质粘土(Q3al):可~硬塑,中压缩性。
干强度高,韧性高。
含少量铁质浸染斑点及较多的铁锰质结核。
该层顶标高-11.83~13.23米,层厚1.40~14.00米。
③2粉质粘土(Q3al)可塑,局部软塑,中压缩性。
该层顶标高-18.83~6.83米,层厚2.20~23.70米。
④粉质粘土混砂砾石(Q3al):可塑,局部软塑,中偏低压缩性,干强度中等,韧性中等。
该层顶标高-26.73~-10.64米,层厚0.50~6.50米。
(二)支护方案的选择根据本工程现场实际情况,基坑各部位确定采取如下支护措施1、3#楼与4#楼地下室相邻处,地下室间距4.8m,基坑底高差5.0m,土质分布为○21、○22、○31土层,采取土钉墙支护的方式。
基坑工程课程设计计算书
基坑工程课程设计计算书
1.设计要求:
根据给定的基坑工程设计任务,完成基坑工程的计算书。
计算书应包含以下内容:
- 基坑的开挖计算
- 基坑支护结构的设计计算
- 地下水的渗流计算
- 基坑工程的监测计算
2.基坑开挖计算:
- 根据基坑设计要求,计算基坑的开挖深度、开挖体积、开挖面积等参数。
- 根据土壤力学和岩土力学原理,计算和分析不同土壤类型的开挖深度限制和开挖工况。
3.基坑支护结构的设计计算:
- 根据基坑深度和周围土层力学参数,设计合理的基坑支护结构。
- 计算支撑结构的荷载和变形情况,确定支撑结构的类型和尺寸。
4.地下水渗流计算:
- 根据基坑周围的地下水情况,进行水位计算和渗流计算。
- 分析渗流路径、水压力等参数,确定地下水对基坑支护结构的影响。
5.基坑工程监测计算:
- 根据监测点的位置和要求,计算监测点的变形和应力等参数。
- 分析监测数据,评估基坑工程的安全状况。
以上是基坑工程课程设计计算书的基本要求和内容。
具体的计算方法和公式需要根据具体的设计任务和土层情况确定。
设计计算书应简明扼要、准确合理,结合实际情况进行相应的分析和评估。
基坑支护设计计算书设计方法原理及分析软件介绍基坑开挖深度为6m,采用板桩作围护结构,桩长为12m,桩顶标高为-1m。
采用《同济启明星2006版》进行结构计算。
5.1 明开挖,6m坑深支护结构计算(1)工程概况基坑开挖深度为6m,采用板桩作围护结构,桩长为12m,桩顶标高为-1m。
q=0(1b 素填土)1.3hw=1(4 粘土)D=7H=6(6b 淤泥质粘土)(6c 粉质粘土)板桩共设1道支撑,见下表。
2中心标高(m) 刚度(MN/m) 预加轴力(kN/m)-1.3 30基坑附近有附加荷载如下表和下图所示。
h 1x 1s 45(2)地质条件场地地质条件和计算参数见表1。
地下水位标高为-1m。
渗透压缩层厚重度43) k(kN/m) c(kPa) m(kN/m土层 ,(:) 系数模量 max3(m) (kN/m) (m/d) (MPa)1.3 19 9.28 14.88 1500 1b 素填土2.7 18.4 12 17 3500 4 粘土7.5 17.8 5 10 1000 6b 淤泥质粘土3.5 18.9 15.5 13 3000 6c 粉质粘土2 19.7 18.5 14.5 5000 7 粉质粘土8 粉质粘土 13 20.4 19 18 7000(3)工况支撑刚度预加轴力工况编号工况类型深度(m) 支撑编号 2(MN/m) (kN/m)1 1.5 开挖2 1.3 30 1 加撑3 6 开挖4 2.5 1000 换撑5 1 拆撑工况简图如下:1.31.52.56工况 1工况 2工况 3工况 4工况 5(4)计算Y整体稳定验算O(1b 素填土)X(4 粘土)76(6b 淤泥质粘土)(6c 粉质粘土)(7 粉质粘土)(8 粉质粘土)安全系数 K=1.56 ,圆心 O( 1.19 , 1.45 ) 墙底抗隆起验算(1b 素填土)1(4 粘土)76(6b 淤泥质粘土)(6c 粉质粘土)(7 粉质粘土)(8 粉质粘土)Prandtl: K=2.83Terzaghi: K=3.23(1b 素填土)1.3m1(4 粘土)76(6b 淤泥质粘土)(6c 粉质粘土)(7 粉质粘土)(8 粉质粘土)坑底抗隆起验算 K=1.81抗倾覆验算(水土合算)(1b 素填土)1.3O1(4 粘土)76(6b 淤泥质粘土) 9924.610.8 914.3(6c 粉质粘土)(7 粉质粘土)Kc=1.22抗管涌验算: 159#按砂土,安全系数K=2.25按粘土,安全系数K=3.054包络图 (水土合算, 矩形荷载)500-502001000-100-200100500-50-100000 110.2kN/m222444666888101010121212141414深度(m)深度(m)深度(m)水平位移(mm)弯矩(kN*m)剪力(kN) Max: 42.8-8.3 ~ 183.2-46.6 ~ 66.2(5)工字钢强度验算: 159#基本信息计算目标:截面验算截面受力状态:绕X轴单向受弯材料名称:Q2352 材料抗拉强度(N/mm):215.02 材料抗剪强度(N/mm):125.0弯矩Mx(kN-m):229.000 截面信息截面类型:工字钢(GB706-88):xh=I40b(型号)截面抵抗矩33 Wx(cm): 1140.000 Wx(cm): 1140.000 1233 Wy(cm): 96.200 Wy(cm): 96.200 12截面塑性发展系数γx: 1.05 γx: 1.05 12γy: 1.20 γy: 1.20 12截面半面积矩33 S(cm): 678.600 S(cm): 92.704 xy13S(cm):84.891 y2 截面剪切面积22 A(cm): 94.110 A(cm): 94.110 xy截面惯性矩44 I(cm): 22800.000 I(cm): 692.000 xy截面附加参数参数名参数值x: I40b(型号) h分析结果2 最大正应力σ:191.312(N/mm)2 |σ= 191.3|?f = 215.0(N/mm) |f / σ|=1.124满足水平支撑系统验算:水平支撑系统位移图(单位:mm)水平支撑系统弯矩图(单位:kN.M)水平支撑系统剪力图(单位:kN)水平支撑系统轴力图(单位:kN) (6)钢腰梁强度验算:基本信息计算目标:截面验算截面受力状态:绕X轴单向受弯材料名称:Q2352 材料抗拉强度(N/mm):215.02 材料抗剪强度(N/mm):125.0弯矩Mx(kN-m):115.700 截面信息截面类型:工字钢组合Π形截面(GB706-88):xh=I40b(型号) 截面抵抗矩33 W(cm): 2280.000 W(cm): 2280.000 x1x233 W(cm): 2389.732 W(cm): 2389.732 y1y2截面塑性发展系数γ: 1.05 γ: 1.05 x1x2γ: 1.00 γ: 1.00 y1y2截面半面积矩33 S(cm): 1357.200 S(cm): 1646.925 xy截面剪切面积22 A(cm): 188.220 A(cm): 188.220 xy截面惯性矩44 I(cm): 45600.001 I(cm): 59026.381 xy截面附加参数参数名参数值x: I40b(型号) hw: 350(mm)分析结果2最大正应力σ:48.329(N/mm)2 |σ= 48.3|?f = 215.0(N/mm) |f / σ|=4.449满足(7)钢对撑强度及稳定性验算:基本输入数据构件材料特性材料名称:Q235构件截面的最大厚度:8.00(mm)2 设计强度:215.00(N/mm)2 屈服强度:235.00(N/mm)截面特性截面名称:无缝钢管:d=133(mm)无缝钢管外直径[2t?d]:133 (mm)无缝钢管壁厚[0,t?d/2]:8 (mm)缀件类型:构件高度:4.000(m)容许强度安全系数:1.00容许稳定性安全系数:1.00荷载信息轴向恒载设计值: 447.800(kN)连接信息连接方式:普通连接截面是否被削弱:否端部约束信息X-Z平面内顶部约束类型:简支X-Z平面内底部约束类型:简支X-Z平面内计算长度系数:1.00Y-Z平面内顶部约束类型:简支Y-Z平面内底部约束类型:简支Y-Z平面内计算长度系数:1.00 中间结果截面几何特性2 面积:31.42(cm)4 惯性矩I:616.11(cm) x3 抵抗矩W:92.65(cm) x回转半径i:4.43(cm) x4 惯性矩I:616.11(cm) y3 抵抗矩W:92.65(cm) y回转半径i:4.43(cm) y塑性发展系数γ1:1.15x塑性发展系数γ1:1.15y塑性发展系数γ2:1.15x塑性发展系数γ2:1.15y材料特性2 抗拉强度:215.00(N/mm)2 抗压强度:215.00(N/mm)2 抗弯强度:215.00(N/mm)2 抗剪强度:125.00(N/mm)2 屈服强度:235.00(N/mm)3 密度:785.00(kg/m)稳定信息绕X轴弯曲:长细比:λ=90.32 x轴心受压构件截面分类(按受压特性): a类轴心受压整体稳定系数: φ=0.711 x最小稳定性安全系数: 1.07最大稳定性安全系数: 1.07最小稳定性安全系数对应的截面到构件顶端的距离:0.000(m)最大稳定性安全系数对应的截面到构件顶端的距离:0.000(m)绕X轴最不利位置稳定应力按《钢结构规范》公式(5.1.2-1) N4478002,,200.3857N/mmA0.711,3142 x绕Y轴弯曲:长细比:λ=90.32 y轴心受压构件截面分类(按受压特性): a类轴心受压整体稳定系数: φ=0.711 y最小稳定性安全系数: 1.07最大稳定性安全系数: 1.07最小稳定性安全系数对应的截面到构件顶端的距离:0.000(m)最大稳定性安全系数对应的截面到构件顶端的距离:0.000(m)绕X轴最不利位置稳定应力按《钢结构规范》公式(5.1.2-1) N4478002,,200.3857N/mmA0.711,3142 y强度信息最大强度安全系数: 1.51最小强度安全系数: 1.51最大强度安全系数对应的截面到构件顶端的距离: 0.000(m)最小强度安全系数对应的截面到构件顶端的距离: 0.000(m)计算荷载: 447.80kN受力状态:轴压最不利位置强度应力按《钢结构规范》公式(5.1.1-1)分析结果构件安全状态: 稳定满足要求,强度满足要求。
雨花国际商务中心(一期)A5地块基坑支护计算书河北建设集团有限公司2013·09——---—--—-——-———-—--——-—-------——-———--———-—----—-—-———-—-----——--——-—[ 支护方案 ] 1—1剖面-————-—————-——-—---------—--——--—-—-——-—--———---—-——-—----————————-—-—排桩支护—---———-———-—----——-—-——-—-——-——-—----——-——-—————————-———---——-----—-—[基本信息]--—-—-—-—-————-—----—----—-—-——-————--—--—--—-——----—-—--—--——----—-—————--------—--——-—-—---—-—--—----———--—-———-—--——-----——[ 超载信息 ]—-—-————-—-—-—-----——----—-—-—---—-——----———-—-——-—-———-——--——--—--—--—-----—----——-—-——---—---—--——---——----—-—--———--—-——--——-—-——---—-—-—[附加水平力信息]-———----—--——----—-—-——---—-———----——-——--—----—----—--———--———-—----————--——---—-——----———--——-————--——--—---—————-———-----——-—[土层信息]----—--—-————-——-----—-—-—-—---—-———---——--——-———---—----—-——----————-—-———--—--—----——------————-——--————--———-——-——-—-——--——-[ 土层参数]—————-—-—-——-----—---———-———--—---——---—----——-——-—-—---—--—-----—-—---—--——-—--———--—---—-—---——————-—————-—-—--—--——-—---——[支锚信息]-——-——-———--—---—-——-———-—--—-——--—----—-——-—-——--——------—-———-—————————--—-—--—-——--—--——-—-—-—-————-——-—----—---——--—————[ 土压力模型及系数调整 ]-——-————--—-----—--———-—-——————-—--———--————--—------——-——-——-————-—-—弹性法土压力模型: 经典法土压力模型:—---————-———-——————-—-—-—-—-—----—-—---——----———-—--—-——————---—----—-[ 工况信息 ]--———-——-------—--——-———-——-———--——-—————-——---—---——----—-———-——---——-——-—--——--——-——-—---—-—--—-————-—————-———----———————-—--—--—----—-—-—[设计结果 ]—-—--——-—--—---—----—-—-—---—-—-—————----——-——---——————-----——---—----—--—————-———-—-——---———-—-—-—-—--——-—-—---—-—--—-——-———---—--———---———[结构计算]——--——-—-——---———--———---—--—--————-—-——-——---——--——-—--———-——-———————各工况:内力位移包络图:地表沉降图:——-——---—---——--—--—--———-———-—-—---———--—-——------—---——-—————---———-[ 冠梁选筋结果 ]—----------—-—-----———--——-—-—--—-—---————-—-—-----———-—-———----———-—-——-——--—--———-——-—-——----—-—--——--———-——-——-——--—---———----—-————-———-[环梁选筋结果 ]-—————————---—-—-————--—-——--———————-———--————----————-—----——————-—-———-----——-———------————-—-———-——————-—-—-----------—--——————--————---—[ 截面计算 ]--———--——-————-——-—----——-—————---—-——----————-----——--————-—-——-—-—--—----———----——---—-———-—----——-----—-———-----——-—--—-—-—--—-—---—----—[ 锚杆计算]--—---—----————-———--—---——---—-—-—-———-——-——-——-———--———--—-—-—--—---[锚杆自由段长度计算简图 ]--————————---—---———------——--————-——-—-—-—-——-———---———-—---——-—-———- [ 整体稳定验算 ]-———--———---—---———---—-—————---—-----—---————---—--—--—---—-——--——-—-计算方法:瑞典条分法 应力状态:总应力法条分法中的土条宽度: 0。
一、工程概况本工程位于XX市XX区,项目总投资XX亿元。
基坑开挖深度约6.5米,周边环境复杂,地下管线密集。
为保障基坑施工安全和周边环境稳定,特制定本专项方案。
二、支护结构设计1. 支护形式:采用钢筋混凝土排桩支护,桩径800mm,桩间距1.5m,桩长根据地质情况确定。
2. 钢筋混凝土排桩设计:(1)桩身混凝土强度等级C30;(2)桩身配筋:主筋直径φ25,箍筋直径φ12,间距150mm;(3)桩顶设置钢筋混凝土冠梁,尺寸为1200mm×1200mm,配筋同桩身。
3. 防水措施:在桩身混凝土中掺入防水剂,确保桩身防水性能。
三、施工方案1. 施工顺序:先进行桩基施工,再进行冠梁施工,最后进行土方开挖。
2. 桩基施工:(1)桩基施工采用旋挖钻机进行钻孔,钻孔深度根据地质情况确定;(2)成孔后,清孔,清孔标准为孔底沉渣厚度≤50mm;(3)下钢筋笼,钢筋笼制作应符合设计要求;(4)浇筑混凝土,混凝土强度达到设计要求后方可进行下一道工序。
3. 冠梁施工:(1)冠梁混凝土强度等级C30;(2)冠梁配筋:主筋直径φ25,箍筋直径φ12,间距150mm;(3)冠梁施工完成后,进行养护。
4. 土方开挖:(1)采用挖掘机进行土方开挖,分层开挖,每层厚度不超过2.0m;(2)开挖过程中,应确保支护结构稳定,避免因开挖不当导致支护结构破坏;(3)开挖过程中,应及时进行排水,防止基坑积水。
四、计算书1. 桩基承载力计算:(1)桩基轴向承载力计算公式:Qa = qSap + qaAp(2)桩基侧阻力计算公式:Qs = 0.6qL + 0.4qLγH(3)桩基抗拔力计算公式:Qb = qaApγH2. 冠梁弯矩计算:(1)冠梁弯矩计算公式:M = (F1L1 + F2L2)/2(2)F1为桩顶水平力,F2为桩侧水平力,L1为桩顶至冠梁长度,L2为冠梁长度。
3. 冠梁剪力计算:(1)冠梁剪力计算公式:V = (F1 + F2)γH/2五、安全措施1. 施工过程中,加强监测,确保支护结构稳定;2. 加强施工人员安全培训,提高安全意识;3. 严格执行施工方案,确保施工质量;4. 加强现场文明施工,减少对周边环境的影响。
96#墩围檩、支撑计算96#墩桩基施工平台标高23.75m,施工水位19.5m,承台顶标高11.71m,承台底标高5.21m,封底混凝土厚度1.0m,基坑底标高4.21m,混凝土封底前基坑深度15.29m,封底后基坑深度14.29m。
96#墩承台尺22.9×29.2m,基坑采用长24.0mCO型钢管桩支护,围堰桩内侧净尺寸25.06×31.32m。
长边内支撑间距3.82+6.083+3.582+3.72+3.442+6.083+3.82=30.55m,短边内支撑间距3.825+6.59+3.442+6.59+3.825=24.273m。
H588×300×12×20mm 型钢,单根H588型钢的截面面积2310576.18mm A ⨯=、mm N g /102.14583-⨯=、43105.1132838mm I x ⨯=、331019.3853mm W x ⨯=、331045.2154mm S x ⨯=、mm d 12=。
H700×300×13×24mm 型钢,单根H700型钢的截面面积2310876.22mm A ⨯=、mm N g /107.17953-⨯=、43109.1946069mm I x ⨯=、331019.5560mm W x ⨯=、331039.3124mm S x ⨯=、mm d 13=。
一、围伶计算 1、第一、二道围伶(1) 横桥向,混凝土封底后第二道围伶计算根据基坑支护计算书,96#墩在混凝土封底后,第二道支撑土反力设计值mKN F/7.2124/76.618375.12=⨯=。
最大弯矩:m KN M .4.554max =,在支点3、6处。
最大剪力:KN Q 9.638m ax =,在支点3、6处。
支座反力:KN N N 2.21581==、KN N N 5.11662.5293.63772=+==、KNN N 2.11713.5329.63863=+==;KN N N 9.7776.3953.38254=+==抗弯强度:MPa MPa WM 20594.71)1019.38532(104.55436≤=⨯⨯⨯==σ,满足。
基坑工程计算书(复核\15米)1.内力计算主动土压力系数:Ka=tan 2(45°-ϕi/2) 被动土压力系数:Kp=tan 2(45°+ϕi/2)计算时,不考虑支护桩体与土体的摩擦作用,且不对主、被动土压力系数进行调整,仅作为安全储备处理。
计算所得土压力系数表如表2-1所示:表1-1主动土压力计算:由于分层土体前三层性能相差不大,ϕ、C 值取各层土的,按其厚度加权平均。
1) 现分三层土○1、○2、○3计算 ○1号土层为原土层1、2、3层土;1 1.30.8 1.711.511 1.511.60.8 1.7 1.5ϕ⨯+⨯+⨯==++ 130.88 1.711 1.58.13()0.8 1.7 1.5c kPa ⨯+⨯+⨯==++ ○2土层为原4号层土019.1ϕ=,241.3()c kPa =○3土层为原5号层土028ϕ=,25()c kPa =02111.6tan (45)0.6652ka =-= 020219.1tan (45)0.5072ka =-=02328tan (45)0.3612ka =-= 020111.6tan (45) 1.502kp =+=02219.1tan (45) 1.972kp =+= 020328tan (45) 2.782kp =+=○1号土层顶部1200.66528.130.04()a k e kPa =⨯-⨯=○1号土层底部()11180.8 1.7 1.520247.92()a d e ka c kPa =⨯+++-=⎡⎤⎣⎦○2土层顶部()22180.8 1.7 1.520212.17()a e ka c kPa =⨯+++-=-⎡⎤⎣⎦○2土层水位处()221842019227.1()a s e ka c kPa =⨯++⨯-=○2土层底部()()()222184201922 6.46 6.467.1 1.9729.07()a d w e ka c ka kPa γ=⨯++⨯----⎡⎤⎣⎦=+=○3土层顶部()3318420192190.420.40.40.36146.12()a e ka c kPa =⨯++⨯+⨯-⨯⨯=○3土层基坑底部()3318420192190.4 1.6518248.43()a j e ka c kPa =⨯++⨯+⨯+⨯-=被动土压力计算基坑顶部22516.67()p e c kPa ==⨯=支护桩底部32 6.9518 2.7825364.65()pd p e h kp c kPa γ=+=⨯⨯+⨯='3218 2.26 2.7825129.76()pd p e h kp c kPa γ=+=⨯⨯+⨯=设定弯矩零点以上各土层压力合力及作用点距离的计算18.31ha m = 214117.643ha m=⨯+= 32 1.26 4.31 5.153ha m =⨯+= 41 1.1415 6.4 4.69 4.293ha m =⨯+--= 51 1.65 2.26 3.0852ha m=⨯+= 61 1.65 2.26 2.813ha m =⨯+= 71 2.26 1.132ha m=⨯=814.69 2.3452ha m=⨯= 12 2.26 1.513hp m =⨯= 21 2.26 1.132hp m =⨯= 32 4.69 3.133hp m=⨯=414.69 2.342hp m=⨯= 10.0440.16(/)a E kN m =⨯= 2447.92/295.84(/)a E kN m =⨯= 3 1.2612.17/27.67(/)a E kN m =-⨯=- 4 1.148.92/2 5.08(/)a E kN m =⨯= 5 1.6546.1276.1(/)a E kN m =⨯= 6 1.65 2.31/2 1.91(/)a E kN m =⨯= 748.43 2.26/254.73(/)a E kN m =⨯= 848.43 4.69/2113.57(/)a E kN m =⨯=()1129.7616.67 2.26/2127.79(/)p E kN m =-⨯= 216.67 2.2637.67(/)p E kN m =⨯=()3 4.69364.65129.76550.82(/)2p E kN m =-⨯=4129.76 4.69608.57(/)p E kN m =⨯=本工程设计按施工顺序开挖时:1) 第一层支护开挖至第二层支护标高时: 通过计算得右图按11a k p ke e =计算基坑底面以下支护结构设定弯矩零点位置至坑底面的距离0.65c h m=111a ac p pcc T ch E h E T h h -=+∑∑解得:146.13/c T kN m=所以设计值:'111.25 1.2546.13/57.7/c c T T kN m kN m==⨯=2) 开挖至设计基坑标高时:按11a k p ke e =计算基坑底面以下支护结构设定弯矩零点位置至坑底面的距离1.60c h m=112a ac p pcc T ch E h E T h h -=+∑∑解得:2104.54/c T kN m=所以设计值:'221.25 1.25104.54/130.68/c c T T kN m kN m==⨯=2、整体稳定验算整体稳定采用瑞典分条法计算:1)按比例绘出该支护结构截面图,如图所示,垂直界面方向取1m 计算。
泰康之家·苏州吴园项目(31703地块(DK20140047))一期基坑支护设计(施工图)综合类甲级证书编号:B1320450002016年3月14日工程名称:泰康之家·苏州吴园项目(31703地块(DK20140047))一期基坑支护设计建筑场所:苏州工业园区阳澄环路与水泽路交叉口东侧建设单位:泰康之家(苏州)投资有限公司建筑结构设计单位:同济大学建筑设计研究院(集团)有限公司勘察单位:上海岩土工程勘察设计研究院有限公司基坑支护设计单位:江苏苏州地质工程勘察院项目负责人:张贺涛设计:闫怀瑞审核:李学东审定:李国平总工:顾凤祥院长:王彬目录§1 工程概况 (1)§1。
1 一般概况 (1)§1。
2结构基坑概况 (1)§1。
3 周边环境概况 (1)§1.4 工程地质概况 (2)§1。
5 基坑侧壁安全等级 (3)§2 支护结构设计方案分析 (3)§2。
1设计依据 (3)§2。
2 设计方案分析 (4)§3 支护结构设计型式 (5)§4 基坑降水 (5)§4。
1基坑降水分析 (5)§4.2降水方案 (5)§4.3集水明排措施 (5)§4。
4止水帷幕措施 (5)§5施工准备 (5)§6 支护结构施工要求 (5)§6.1放坡施工要求 (5)§6.2土钉墙及挂网喷射混凝土施工要求 (6)§6.3钻孔土钉注浆施工要求 (6)§6.4竖向钢管注浆施工要求 (6)§6.5 钻孔灌注桩施工要求 (6)§6。
6 斜锚桩的施工 (7)§6.6。
1斜锚桩施工工艺 (7)§6。
6.2斜锚桩的质量控制要点及相应技术质量保证措施 (7)§6.6。
3施工中易出现的问题及其处理措施 (8)§6。
兰州市庙滩子地区整体改造工程4#地块项目基坑支护工程施工设计一、工程概况本场地位于兰州市城关区庙滩子,东临九州大道,西接白塔山山麓,场地原为自然居民区。
4#地块项目包括两栋高层住宅楼及部分地下车库。
其中1#楼地上层数为29层,地下层数为两层,框剪结构, 2#楼地上层数为34层,地下层数为2层,框剪结构,2#楼后侧分布有住宅小区,开挖深度范围为10.00-11.00m。
本基坑场地由原有旧建筑物拆迁而成,周边环境单一,根据建设方提供资料,场地周围无地下管线。
二、工程地质概况(一)地形地貌拟建场地地貌单元划分为黄河北岸Ⅱ级阶向Ⅲ级阶地和山麓过渡地带,场地地面高程介于1548.80-1552.80m,场地内地形较平坦。
(二)地层结构根据钻孔揭露,勘探深度范围内地层主要为第四系冲洪积物及新近系含砾砂岩层。
自上而下依次分为6个主层。
其岩性特征分述如下:①填土(Q4ml):第四系人工堆积物,层顶标高为1549.00-1553.79m,层厚0.5-2.3m,杂色,结构杂乱,主要由碎砖、混凝土块等建筑垃圾组成,含量为75%左右,含有20%的粉土,另含有少量生活垃圾,稍湿,松散。
该层在场地内均有分布。
②粉土(Q4 al+pl):第四系冲洪积物,层顶标高为1548.50-1552.29m, 层厚11.0-25.1m。
黄褐色,土质较均匀,摇震反应迅速,干强度低,韧性低,无光泽,局部夹有薄层粘土或透镜状砾石层,稍湿,稍密。
该层在场地内均有分布。
③粗砂(Q4al+pl):第四系冲洪积物,层顶标高为1529.90-1539.36m, 层厚0.4-0.8m。
青灰色,砂质较纯,粒径大于0.5mm的颗粒质量占总质量的55-60%左右,矿物成分主要为石英、长石,另含少量云母,粘粒含量5%左右,稍湿,稍密。
在场地内呈透镜状分布。
④中砂(Q4 al+pl):第四系冲洪积物,层顶标高为1525.10-1540.30m, 层厚0.5-0.6m。
吉林市中心医院深基坑支护设计 1-1剖面支护方案:排桩+锚索基本信息土层参数支锚信息土压力模型经典法土压力模型:工况信息结构计算各工况:内力位移包络图:地表沉降图:冠梁选筋结果截面计算:截面参数内力取值锚杆计算:锚杆参数锚杆自由段长度计算简图整体稳定验算计算方法:瑞典条分法应力状态:总应力法条分法中的土条宽度: 0.50m滑裂面数据整体稳定安全系数 K s = 1.578圆弧半径(m) R = 10.595圆心坐标X(m) X = -3.545圆心坐标Y(m) Y = 5.750抗倾覆稳定性验算抗倾覆安全系数:M p——被动土压力及支点力对桩底的抗倾覆弯矩, 对于内支撑支点力由内支撑抗压力决定;对于锚杆或锚索,支点力为锚杆或锚索的锚固力和抗拉力的较小值。
M a——主动土压力对桩底的倾覆弯矩。
注意:锚固力计算依据锚杆实际锚固长度计算。
工况1:注意:锚固力计算依据锚杆实际锚固长度计算。
序号支锚类型材料抗力(kN/m) 锚固力(kN/m)1 锚索 0.000 0.0002 锚索 0.000 0.0003 锚索 0.000 0.0004 锚索 0.000 0.000K s = 24.127 >= 1.200, 满足规范要求。
工况2:注意:锚固力计算依据锚杆实际锚固长度计算。
序号支锚类型材料抗力(kN/m) 锚固力(kN/m)1 锚索 144.667 75.2672 锚索 0.000 0.0003 锚索 0.000 0.0004 锚索 0.000 0.000K s = 24.909 >= 1.200, 满足规范要求。
工况3:注意:锚固力计算依据锚杆实际锚固长度计算。
序号支锚类型材料抗力(kN/m) 锚固力(kN/m)1 锚索 144.667 75.2672 锚索 0.000 0.0003 锚索 0.000 0.0004 锚索 0.000 0.000K s = 5.683 >= 1.200, 满足规范要求。
同济启明星深基坑支挡结构设计计算软件FRWS 8.2工程名称:1-1一、工程概况基坑设计深度15.8m, 基坑安全等级为一级。
1.土层参数(26#)续表地下水位埋深:9.5m。
2.荷载工作荷载邻近荷载3.放坡4.挡土墙挡墙类型: 灌注桩;嵌入深度: 5.2m;混凝土等级: C30;桩径: 0.8m;桩间距: 1.6m;截水帷幕嵌入深度: 4.75m截水帷幕桩径: 0.85m截水帷幕搭接长度: 0.25m截水帷幕排数: 15.支撑和锚杆2018设0806.工况工况示意图工况信息表二、计算依据采用《北京市建筑基坑支护技术规程DB11/489-2016》进行设计计算。
并且1.整体稳定验算采用总应力法三、变形内力1.各工况变形内力7.开挖到15.8m 2.变形内力包络图四、整体稳定验算圆心(-6.32,-9.5),半径13.53m,滑动力51.4kN/m,抗滑力43.8kN/m圆心(-2.75,0),半径25.33m,滑动力1285.4kN/m,抗滑力7244.1kN/m圆心(-3.01,0),半径25.3m,滑动力2313.3kN/m,抗滑力6437.3kN/m圆心(-3.29,0),半径25.54m,滑动力3045kN/m,抗滑力5997.4kN/m圆心(-3.42,0),半径26.02m,滑动力3550.6kN/m,抗滑力5884.3kN/m 五、配筋M=1.25×1.1×Mk, V=1.25×1.1×Vk。
1.灌注桩0~19m六、锚杆承载力验算Rk/Nk应达到: 1.8;七、地表沉降计算方法: 同济抛物线模式1.各工况地表沉降7.开挖到15.8m八、渗透稳定性验算1.流土稳定性验算′应达到1.6同济启明星深基坑支挡结构设计计算软件FRWS 8.2工程名称:1a-1a一、工程概况基坑设计深度19.25m, 基坑安全等级为一级。
1.土层参数(26#)续表地下水位埋深:9.5m。
第一章基坑边坡计算一、工程概况(一)土质分布情况①1杂填土(Q4ml):由粉质粘土混较多的碎砖、碎石子等建筑垃圾及生活垃圾组成.层厚0.50~4。
80米。
①2素填土(Q4ml):主要由软~可塑状粉质粘土夹少量小碎石子、碎砖组成。
层厚0.40~2.90米.①3淤泥质填土(Q4ml):。
主要为原场地塘沟底部的淤泥,后经翻填。
分布无规律,局部分布。
层厚0.80~2.30米。
②1粉质粘土(Q4al):可塑,局部偏软塑,中压缩性,切面稍有光泽,干强度中等,韧性中等,土质不均匀,该层分布不均,局部缺失。
层顶标高5.00~13.85米,层厚0.50~8。
20米。
②2粉土夹粉砂(Q4al):中压缩性,干强度及韧性低。
夹薄层粉砂,具水平状沉积层理,单层厚1.0~5。
0cm,局部富集.该层分布不均匀,局部缺失.层顶标高1.30~10.93米,层厚0。
80~4。
50米.②3含淤泥质粉质粘土(Q4al):软~流塑,高压缩性,干强度、韧性中等偏低。
局部夹少量薄层状粉土及粉砂,层顶标高1.87~10.03米,层厚1。
00~13.50米。
②4粉质粘土(Q4al):饱和,可塑,局部软塑,中压缩性,层顶标高—8.30~7.27米,层厚1。
10~14。
60米。
③1粉质粘土(Q3al):可~硬塑,中压缩性。
干强度高,韧性高。
含少量铁质浸染斑点及较多的铁锰质结核。
该层顶标高-11.83~13。
23米,层厚1.40~14.00米。
③2粉质粘土(Q3al)可塑,局部软塑,中压缩性。
该层顶标高-18.83~6.83米,层厚2。
20~23。
70米。
④粉质粘土混砂砾石(Q3al):可塑,局部软塑,中偏低压缩性,干强度中等,韧性中等.该层顶标高-26.73~—10。
64米,层厚0.50~6.50米。
(二)支护方案的选择根据本工程现场实际情况,基坑各部位确定采取如下支护措施1、3#楼与4#楼地下室相邻处,地下室间距4。
8m,基坑底高差5.0m,土质分布为错误!1、错误!2、错误!1土层,采取土钉墙支护的方式。
基坑工程计算书1 工程概况该基坑设计总深3.75m ,按一级基坑 、选用《国家行业标准—建筑基坑支护技术规程(JGJ120-2012)》进行设计计算。
1.1 土层参数地下水位埋深:2.00m 。
1.2 基坑周边荷载地面超载:0.0kPa 邻近荷载:邻近荷载的作用方式: 一。
2 开挖与支护设计基坑支护方案如图:基坑工程基坑支护方案图2.1 挡墙设计·挡墙类型:长12m*宽0.4m拉森钢板桩;·嵌入深度:8.050m;·露出长度:0.200m;·型钢型号:Q390bz-400×170;2.2 支撑(锚)结构设计本方案设置1道支撑(锚),各层数据如下:第1道支撑(锚)为平面内支撑,距墙顶深度0.500m,工作面超过深度1.500m,预加轴力0.00kN/m。
该道平面内支撑具体数据如下:·支撑材料:钢支撑;·支撑长度:30.000m;·支撑间距:5.000m;·与围檩之间的夹角:90.000°;·不动点调整系数:0.500;·型钢型号:@609*14;·根数:1;·松弛系数:1.000。
计算点位置系数:0.000。
2.3 工况顺序该基坑的施工工况顺序如下图所示:3 计算原理描述3.1 围护墙主动侧土压力计算3.1.1 朗肯主动土压力深度 z 处第i层土的主动土压力强度的标准值e ak,i按下列公式计算:采用水土合算或计算点在水位以上时:(小于0取0)采用水土分算且计算点在水位以下时:(小于0取0)对于矩形土压力模式,自重部分须扣除坑内土的自重(对水位以下的分算土层,扣除有效自重;坑内水位取坑底位置,天然水位在坑底以下就取天然水位)。
式中:γj─第j层土的天然重度;γw─水的重度,取10kN/m3;Δh j─第j层土的厚度;h wa,i─地下水位;c i、c i'─第i层土的内聚力、有效内聚力;φi、φi'─第i层土的内摩擦角、有效内摩擦角;q─超载。
第一章工程概要1.1 工程概况工程概况,附上基坑周边环境平面图1.2场区工程地质条件附上典型的地质剖面图1.3 水文地质条件1.4 主要设计内容分析评价了场地的岩土工程条件。
根据场地的工程地质条件、水文地质条件,充分考虑到周边地层条件,选择技术上可行,经济上合理,并且具有整体性好、水平位移小,同时便于基坑开挖及后续施工的可靠支护措施,通过分析论证选择合适的基坑支护方案。
对基坑支护结构进行了具体设计计算,其中包括土压力计算、钻孔灌注桩的设计计算及锚杆的设计计算、稳定性验算(根据具体选择的支护方式,按照规范的要求进行设计,计算,和验算)。
当不能满足稳定性要求的时候,需要重新设计计算或者做必要的处理,直至达到稳定性的安全要求。
选择经济、实效、合理的基坑降水与止水方案。
基坑支护工程的施工组织设计与工程监测设计。
1.5 设计依据(1)甲方提供资料,岩土工程勘察报告(列出详细的清单)(2)现行规范、标准、图集等(按照规定的格式列出详细的清单,必须是现行规范)第二章基坑支护方案设计2.1 设计原则(摘自规范)2.1.1 基坑支护结构应采用以分项系数表示的极限状态设计表达式进行设计2.1.2 基坑支护结构极限状态可分为下列两类:a. 承载能力极限状态:对应于支护结构达到最大承载能力或土体失稳、过大变形导致支护结构或基坑周边环境破坏;b.正常使用极限状态:对应于支护结构的变形已妨碍地下结构施工或影响基坑周边环境的正常使用功能。
2.1.3 基坑支护结构设计应根据表3选用相应的侧壁安全等级及重要性系数。
表2.1 基坑侧壁安全等级及重要性系数2.1.4 支护结构设计应考虑其结构水平变形、地下水的变化对周边环境的水平与竖向变形的影响,对于安全等级为一级和对周边环境变形有限定要求的二级建筑基坑侧壁,应根据周边环境的重要性、对变形的适应能力及土的性质等因素确定支护结构的水平变形限值。
2.1.5 当场地内有地下水时,应根据场地及周边区域的工程地质条件、水文地质条件、周边环境情况和支护结构与基础型式等因素,确定地下水控制方法。
当场地周围有地表水汇流、排泻或地下水管渗漏时,应对基坑采取保护措施。
2.1.6 根据承载能力极限状态和正常使用极限状态的设计要求,基坑支护应按下列规定进行计算和验算:1 基坑支护结构均应进行承载能力极限状态的计算,计算内容应包括:1)根据基坑支护形式及其受力特点进行土体稳定性计算;2)基坑支护结构的受压、受弯、受剪承载力计算;3)当有锚杆或支撑时,应对其进行承载力计算和稳定性验算。
2 对于安全等级为一级及对支护结构变形有限定的二级建筑基坑侧壁,尚应对基坑周边环境及支护结构变形进行验算。
3 地下水控制计算和验算:1)抗渗透稳定性验算;2)基坑底突涌稳定性验算;3)根据支护结构设计要求进行地下水位控制计算。
2.1.7 基坑支护设计内容应包括对支护结构计算和验算、质量检测及施工监控的要求。
2.1.8 当有条件时,基坑应采用局部或全部放坡开挖,放坡坡度应满足其稳定性要求。
2.2 支护结构选型2.2.1支护结构可根据基坑周边环境、开挖深度、工程地质与水文地质、施工作业设备和施工季节等条件选用排桩、地下连续墙、水泥土墙、逆作拱墙、土钉墙、原状土放坡或采用上述型式的组合。
2.2.2 支护结构选型应考虑结构的空间效应和受力特点,采用有利支护结构材料受力性状的型式。
2.2.3 软土场地可采用深层搅拌、注浆、间隔或全部加固等方法对局部或整个基坑底土进行加固,或采用降水措施提高基坑内侧被动抗力。
2.3 基坑支护方案选择与分析基坑围护结构型式有很多种,其适用范围也各不相同,根据上述设计原则,结合本基坑工程实际情况有以下几种可以采取的支护型式:(1)悬臂式围护结构悬臂式围护结构依靠足够的入土深度和结构的抗弯能力来维持整体稳定和结构安全。
悬臂结构所受土压力分布是开挖深度的一次函数,其剪力是深度的二次函数,弯矩是深度的三次函数,水平位移是深度的五次函数。
悬臂式结构对开挖深度很敏感,容易产生较大变形,对相临的建筑物产生不良的影响。
悬臂式围护结构适用于土质较好、开挖深度较浅的基坑工程。
(2)水泥土重力式围护结构水泥土与其包围的天然土形成重力式挡墙支挡周围土体,保持基坑边坡稳定,深层搅拌水泥土桩重力式围护结构,常用于软粘土地区开挖深度约在6.0m以内的基坑工程,水泥土的抗拉强度低,水泥土重力式围护结构适用于较浅的基坑工程。
(3)拉锚式围护结构拉锚式围护结构由围护结构体系和锚固体系两部分组成,围护结构体系常采用钢筋混凝土排桩墙和地下连续墙两种。
锚固体系可分为锚杆式和地面拉锚式两种。
地面拉锚式需要有足够的场地设置锚桩,或其他锚固物;锚杆式需要地基土能提供锚杆较大的锚固力。
锚杆式适用于砂土地基,或粘土地基。
由于软粘土地基不能提供锚杆较大的锚固力,所以很少使用。
(4)土钉墙围护结构土钉墙围护结构的机理可理解为通过在基坑边坡中设置土钉,形成加筋土重力式挡墙,起到挡土作用。
土钉墙围护适用于地下水位以上或者人工降水后的粘性土、粉土、杂填土及非松散砂土、卵石土等;不适用于淤泥质及未经降水处理地下水以下的土层地基中基坑围护。
土钉墙围护基坑深度一般不超过18m,使用期限不超过18月。
(5)内撑式围护结构内撑式围护由围护体系和内撑体系两部分组成,围护结构体系常采用钢筋混凝土桩排桩墙和地下连续墙型式。
内撑体系可采用水平支撑和斜支撑。
当基坑开挖平面面积很大而开挖深度不太大时,宜采用单层支撑。
内撑常采用钢筋混凝土支撑和钢管(或型钢)支撑两种。
内撑式围护结构适用范围广,可适用于各种土层和基坑深度。
你选择了什么样的支护方式(最少两套方案),此处附上支护方式的平面布置图。
并作介绍例如:(根据本项目施工要求,基坑开挖深度、周边环境、形状及土质的具体情况,对本工程基坑围护结构具体分析如下:AB段及AH段剖面:该段基坑开挖8.3m,地质条件较差,软弱土层厚。
顶部2m范围内1:1放坡,底部钻孔灌注桩Φ800@1000,桩长27.7m。
高层+2.2m设一道预应力锚杆。
坑内4排水泥搅拌桩暗墩,搭接100,长6m。
BC段段剖面:该段基坑开挖7.3m,地质条件较差,软弱土层厚。
顶部1m范围内1:1放坡,底部钻孔灌注桩Φ800@1000,桩长27.7m。
高层+2.2m设一道预应力锚杆。
坑内4排水泥搅拌桩暗墩,搭接100,长6m。
CD段剖面:该段基坑开挖7.3m,开挖范围内地质条件较差。
顶部1m范围内1:1放坡,底部钻孔灌注桩Φ800@1000,桩长18.7m。
高层+2.2m设一道预应力锚杆。
坑内4排水泥搅拌桩暗墩,搭接100,长6m。
DE段剖面:该段基坑开挖8.3m,开挖范围内地质条件较差。
顶部2m范围内1:1放坡,底部钻孔灌注桩Φ800@1000,桩长21.7m。
高层+2.2m设一道预应力锚杆。
坑内4排水泥搅拌桩暗墩,搭接100,长6m。
EF段剖面:该段基坑开挖8.3m,地质条件较差,顶部杂填土层厚。
顶部2m范围内1:1放坡,底部钻孔灌注桩Φ800@1000,桩长21.7m。
高层+3.6m和+0.6m各设一道预应力锚杆。
坑内4排水泥搅拌桩暗墩,搭接100,长6m。
杂填土层压密注浆加固。
FGH段剖面:该段基坑开挖8.3m,地质条件较差,软弱土层厚。
顶部2m范围内1:1放坡,底部钻孔灌注桩Φ800@1000,桩长27.7m。
高层+3.6m和+0.6m各设一道预应力锚杆。
坑内4排水泥搅拌桩暗墩,搭接100,长6m。
综合以上分析,本基坑主要采用排桩联合锚杆围护结构体系,能够做到有效、合理、可靠的保证周边已建建筑物、道路、管线以及基坑开挖施工的安全,且能够满足施工操作的空间要求。
)选择的依据是什么,原因分析,例如(围护结构选型一般根据拟建场地基坑深度、地层物理力学性质及基坑围护施工的实践经验综合确定。
另外,本项目基坑开挖面积大,施工周期长,必将导致基坑暴露时间长,基坑围护结构方案选型必须综合考虑上述因素。
鉴于上述因素,本工程主体围护结构主要采用支护方案为顶部局部按1:1放坡,底部排桩+锚杆+坑内暗墩支护,其中东侧路段采用采用两层锚杆加强。
)第三章基坑支护设计计算(基坑支护设计的内容包括土压力计算,嵌固深度的计算、最大弯矩的确定,桩身钢筋配置,锚杆设计,内支撑设计,土钉墙设计(根据各自的基坑实际情况选用事宜的支护方式)等等,然后根据所配置的支护参数,进行基坑整体稳定性验算、锚杆整体稳定验算、倾覆稳定性验算和基坑底承载力验算。
当验算后的支护参数不符合要求时,应重新设置支护参数,直至安全、可靠为止。
)3.1 单元设计计算(此部分需要手算两个典型断面,然后打字到电脑)选择典型的断面,画出剖面图(给出两个典型的断面)(例如某剖面如下,仅采用排桩支护,设计断面图如下,堆载取20kPa3.2 水平荷载的计算(根据所选择的剖面就算水平荷载)按照超载作用下水土压力计算的方法,根据朗肯土压力计算理论计算土的侧向压力,计算时不考虑支护桩与土体的摩擦作用。
地下水以上的土体不考虑水的作用,地下水以下的土层根据土层的性质差异需考虑地下水的作用。
土层水平荷载计算依据《建筑基坑支护技术规程》JGJ 120-2012(摘自规范)1.计算依据和计算公式主动土压力系数: )245(tan 2i ai K ϕ-= 被动土压力系数: )245(tan 2ipi K ϕ+=(1)支护结构水平荷载标准值ajk e 按下列规定计算:1)对于碎石土及砂土:当计算点深度位于地下水位以上时:ai ik ai ajk ajk K C K e 2-=σ当计算点深度位于地下水位以下时:w ai wa wa j wa j ai ik ai ajk ajk K h m h z K C K e γησ])()[(2---+-=式中 ai K ——第i 层土的主动土压力系数;ajk σ——作用于深度j z 处的竖向应力标准值;ik c ——三轴实验确定的第i 层土固结不排水(快)剪粘聚力标准值;j z ——计算点深度;j m ——计算参数,当h z j <时,取j z ,当h z j ≥时,取h ;wa h ——基坑外侧水位深度;wa η——计算系数,当h h wa ≤时,取1,当h h wa >时,取零;w γ ——水的重度。
2)对于粉土及粘性土:ai ik ai ajk ajk K C K e 2-=σ(2) 基坑外侧竖向应力标准值ajk σ按下列规定计算:ok rk ajk σσσ+=(3)计算点深度j z 处自重应力竖向应力rk σ计算点位于基坑开挖面以上时:j mj rk z γσ=式中mj γ——深度j z 以上土的加权平均天然重度。
计算点位于基坑开挖面以下时:h mh rk γσ=式中mh γ——开挖面以上土的加权平均天然重度。