昌河铃木北斗星实用手册完整版
- 格式:docx
- 大小:100.51 KB
- 文档页数:34
昌河铃木北斗星实用手册Company number:【WTUT-WT88Y-W8BBGB-BWYTT-19998】1、请说出北斗星汽车星级状态划分的标准。
答:北斗星每种车型中有四种星级状态。
即2S、3S、4S、5S,其中2S为基本状态,其他状态车分别在前一星级状态的基础上加装动力转向、ABS、安全气囊。
2、铃木K系列发动机的优点有哪些答:铃木K系列发动机采用领先世界的双顶置凸轮轴16气门型发动;采用超轻量化铝合金材料;电脑闭环多点燃油喷射技术,油耗低、马力大、升功率高、动力澎湃;其升发动机动力相当于普通的升发动机。
3、什么叫磨合其强制保养用户应注意什么答:汽车从出售给用户之日起(以用户购车发标日期为准),累计行驶2000-2500公里时,必须就近到昌河汽车特约维修站进行磨合期强制保养。
保养项目按磨合期强制保养内容进行。
用户应注意:初驶200-2500公里磨合期内没有到昌河汽车特约服务站进行强保的,按自动放弃质量保证服务处理;强保后在强保打印单上签名;在磨合期内汽车的行驶速度和装载重量不能超过说明书上的规定。
4、汽车强保后,每行驶多少公里必须进行定期维护用户应注意什么答:汽车强保后,每行驶5000公里必须进行定期维护。
用户应注意:不按规定到昌河汽车特约服务站进行定期检查维护的,视为自动放弃后续质量保证服务。
5、用户上牌过程中,可选择**不同类别的汽车保险,其中必须**的是什么险答:第三者责任险。
6、昌河北斗星有什么优点答:(1)以日本铃木Wagon R+为原形;(2)外观时尚、活泼、大气;(3)“四轮四角”与“高顶”的独特设计;(4)发动机仓与乘员仓相对对立,隔音效果好;(5)我功能座椅创造多功能空间;(6)一车多用,满足不同驾乘人员的需要;(7)节能、环保等。
7、汽车行驶在每小时多少公里时油耗最低答:80-90公里/小时。
8、如何识别是否K10A原装进口发动机现在究竟有无原装进口K系列的变速箱是否进口答:打开发动机盖,上有“SUZUKI”铃木标记,另外,发动机高压线在气门室罩中间。
铃木北斗星e遥控钥匙使用说明铃木北斗星e遥控钥匙使用说明一、简介铃木北斗星e是一款小型电动汽车,配备了遥控钥匙。
这款遥控钥匙可以用来锁定和解锁车辆,以及启动和关闭车辆的电源。
本文将详细介绍如何正确使用铃木北斗星e的遥控钥匙。
二、外观和按键功能1. 外观:铃木北斗星e的遥控钥匙采用了紧凑的设计,便于携带。
它由塑料外壳制成,具有耐用性和防水性能。
2. 按键功能:- 锁定按钮:按下此按钮可以锁定车辆,同时触发防盗系统。
- 解锁按钮:按下此按钮可以解锁车辆,并且取消防盗系统。
- 启动按钮:按下此按钮可以启动或关闭车辆的电源。
三、使用步骤1. 锁定车辆:步骤:1) 确保您与车辆保持一定距离,并且没有任何干扰物。
2) 按下遥控钥匙上的锁定按钮,听到“嘟嘟”声表示已成功锁定车辆。
注意事项:- 如果长时间按下锁定按钮,遥控钥匙会发出连续的“嘟嘟”声,表示电池电量不足,请及时更换电池。
2. 解锁车辆:步骤:1) 确保您与车辆保持一定距离,并且没有任何干扰物。
2) 按下遥控钥匙上的解锁按钮,听到“哔哔”声表示已成功解锁车辆。
注意事项:- 如果长时间按下解锁按钮,遥控钥匙会发出连续的“哔哔”声,表示电池电量不足,请及时更换电池。
3. 启动和关闭车辆的电源:步骤:1) 确保您已成功解锁车辆。
2) 将遥控钥匙插入车辆中心控制台上的启动开关中。
3) 轻轻转动启动开关,听到引擎启动后松开手指即可。
如果需要关闭电源,再次转动启动开关即可。
四、注意事项1. 避免将遥控钥匙暴露在高温、潮湿或受到强烈磁场的环境中,以免影响其正常工作。
2. 定期检查遥控钥匙的电池电量,及时更换电池以确保其正常使用。
3. 如果遥控钥匙丢失或损坏,请立即联系铃木北斗星e授权服务中心进行处理。
五、总结铃木北斗星e的遥控钥匙是一款方便实用的设备,可以轻松锁定和解锁车辆,以及启动和关闭车辆的电源。
正确使用遥控钥匙可以提高车辆的安全性和便利性。
在使用过程中,请注意保护好遥控钥匙,定期检查电池电量,并及时更换电池。
2013北斗星维修手册一、简介本维修手册专为2013款北斗星汽车提供全面的维修和保养指南。
本手册详细介绍了车辆各部件的功能、工作原理、以及维护和修理的方法,旨在帮助车主和维修人员更好地理解并操作这款车辆。
二、车辆各部件介绍1. 发动机:负责提供车辆运行所需的动力,包括缸体、曲轴、活塞等关键部件。
2. 底盘:支撑和承载车辆整体结构,包括传动系统、悬挂系统、刹车系统等。
3. 电气系统:管理车辆的电源和电路,包括电池、发电机、起动机、各种传感器和开关等。
4. 油液:为车辆提供润滑和冷却,包括机油、变速箱油、刹车油等。
5. 空调及制冷系统:控制车内温度和空气质量,包括压缩机、冷凝器、蒸发器等部件。
三、发动机维修保养1. 定期更换机油和机油滤清器,按照厂家推荐的规格和周期进行。
2. 检查冷却液的水平和浓度,确保发动机的正常散热。
3. 定期检查火花塞和点火线圈的工作状态。
4. 根据需要进行发动机内部的清洗。
四、底盘维修保养1. 定期检查轮胎气压和磨损情况,确保行驶安全。
2. 定期更换刹车片和刹车油,确保刹车性能良好。
3. 检查悬挂系统和传动系统的工作状态,确保车辆行驶平稳。
4. 定期进行底盘的清洁和防锈处理。
五、电气系统维修保养1. 定期检查电池电解液的水平和浓度,必要时进行充电或更换。
2. 检查灯光、转向灯、雨刮器等电器设备是否正常工作。
3. 检查传感器和执行器的功能是否正常。
4. 定期进行电气系统的线路检查,预防短路或断路问题的发生。
六、油液更换及检查1. 定期更换机油,按照保养周期进行。
2. 定期检查变速箱油、刹车油等油液的水平,确保油液充足且无杂质。
3. 油液更换时应选择厂家推荐的规格和品牌。
4. 检查油液的质量,如发现油液变质或污染严重,应立即更换。
七、空调及制冷系统维修保养1. 定期清洁空调滤芯,保持空气流通。
2. 检查制冷剂的压力和水平,必要时进行补充或更换。
3. 检查冷凝器和蒸发器的工作状况,确保制冷效果良好。
第0A章概述目录如何使用本手册................................................................................................................................................ 0A- 2注意事项.............................................................................................................................................................. 0A- 3装备辅助约束安全气囊系统的车辆........................................................................................................... 0A- 3 诊断......................................................................................................................................................... 0A- 3维修与保养............................................................................................................................................. 0A- 4一般注意事项............................................................................................................................................... 0A- 6催化转换器注意事项................................................................................................................................... 0A- 8电路维修注意事项....................................................................................................................................... 0A- 9线路断路和接触不良................................................................................................................................... 0A-10识别信息.............................................................................................................................................................. 0A-11车辆识别号................................................................................................................................................... 0A-11发动机识别号............................................................................................................................................... 0A-12变速器识别号............................................................................................................................................... 0A-12警告、小心和信息标牌.................................................................................................................................. 0A-13车辆举升位置..................................................................................................................................................... 0A-14当使用板式千斤顶时................................................................................................................................... 0A-14本手册中可能用到的缩略语......................................................................................................................... 0A-15紧固件标准信息................................................................................................................................................ 0A-16公制紧固件度量标准................................................................................................................................... 0A-16 公制紧固件强度标识................................................................................................................................... 0A-16 公制紧固件标准拧紧扭矩........................................................................................................................... 0A-17如何使用本手册1)在本手册总目录上有全部的目录表,利用它可以很容易找到你所需要的信息。
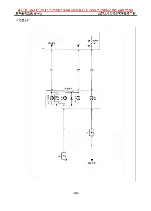
第8章 车身电气系统注意: 当正文中出现“如果配备”,则该车辆可能或者没有配备那个装置,这取决于车型或规定的标准。
目录 组合仪表及传感器 ......................................... 8- 2 组合仪表电路 ............................................ 8- 2 故障诊断 .................................................... 8- 3 车速里程表和传感器 .................................. 8- 4 燃油表和油量计组件 ................................ 8- 5 发动机冷却液温度表和传感器组件 ........ 8- 6 油压灯 ........................................................ 8- 7 制动警告灯 ................................................ 8- 8 点火开关钥匙遗忘警告 蜂鸣器(如配备) .................................... 8- 9 灯未关的蜂鸣器 ........................................ 8-10 组合开关 ........................................................ 8-11 照明系统 ........................................................ 8-12 前大灯 ........................................................ 8-12 前大灯光束调整系统(如配备) ............ 8-15 转向信号和危险警告灯 ............................ 8-16 位灯和牌照灯 ............................................ 8-17 倒车灯 ........................................................ 8-17 制动灯 ........................................................ 8-17 后雾灯 ........................................................ 8-18 点烟器 ............................................................. 8-18 后车窗除霜器 ............................................... 8-19 风窗刮水器 .................................................... 8-21 前刮水器和洗涤器 .................................... 8-21 后刮水器和洗涤器 .................................... 8-25 电动车窗控制系统(如配备) ................ 8-27 电动门锁控制系统(如配备) ................ 8-28 无钥匙进入系统(如配备) .................... 8-31 接地点 ................... 参见8A章(整车电气系统) 电路图 ................... 参见8A章(整车电气系统) 警告: 适用于装有辅助约束(安全气囊)系统的车辆 l 对安全气囊系统的部件或线路进行检修及对其外围部件或线路进行维修操作,应由昌铃公司授权的经销商或维修网点负责。
前言■欢迎您选购使用北斗星牌系列汽车!■为使您正确使用和保养北斗星系列汽车,我们为您编制了本手册。
本手册应该视为车辆的一部分,其中涉及到车辆使用中的安全、操作以及维护方面的重要内容,所以请您务必仔细阅读。
当您的汽车转让时,请将本手册和车辆一并转让给下一个用户。
■产品的设计、生产状态会随时间的推移不断改进,而用户手册难以随时修订改印。
因此,您在使用过程中如遇有与本书不一致的地方,整车状态以实际装车为准,其有关使用说明可向经销商咨询。
■本手册中采用了“警告”、“小心”、“注意”等字样对于不同的内容进行了提示,分别代表如下:“警告”——表示应避免的会危及车辆或(和)人身安全的事项;“小心”——表示应避免的会损坏车辆机件的事项;“注意”——表示为使检修方便而必须遵守的事项。
■感谢您选购使用本车,欢迎您提出宝贵的意见或建议。
目录一、概述二、车辆的识别标记三、车辆的主要技术规格四、驾驶前须知五、控制开关、机构、设备六、驾驶要领七、保养与检查八、车辆与维护九、故障及应急措施一.概述■本手册适用车型:具有结构紧凑、机动灵活、安全舒适、经济实用等特点,并符合各项国家法规。
■本车为您提供了宽敞的乘坐空间和物品存放区。
无论您是携家旅游,还是出门购物,本车都是您最满意的选择。
同时,该车较短的车身长度,为您在拥挤的城市中行车提供极大的机动性。
■短头结构的车身,既增加您的视野又符合国家现行碰撞法规,可让您安心驾驶。
车上配备的安全带、选装的前排双安全气囊和ABS防抱死制动系统都为您的乘车安全提供最大保护。
■优良的发动机管理系统对发动机的工作进行精确控制,不仅使汽车的排放污染物数量大大地降低,而且使汽车具有良好的起动性能、驾驶性能、加速性能、燃油经济性,让您充分享受驾驶乐趣并提高工作效率。
先进的前后悬挂系统,同时也提供了舒适的减振效果。
■本车配备了暖风系统、空调(冷气)系统,无论是在烈日炎炎的夏季还是在严寒的冬季,它都可为您提供满意的环境舒适度。
北斗星点火时间和按键的设置与使用流程下载温馨提示:该文档是我店铺精心编制而成,希望大家下载以后,能够帮助大家解决实际的问题。
文档下载后可定制随意修改,请根据实际需要进行相应的调整和使用,谢谢!并且,本店铺为大家提供各种各样类型的实用资料,如教育随笔、日记赏析、句子摘抄、古诗大全、经典美文、话题作文、工作总结、词语解析、文案摘录、其他资料等等,如想了解不同资料格式和写法,敬请关注!Download tips: This document is carefully compiled by theeditor.I hope that after you download them,they can help yousolve practical problems. The document can be customized andmodified after downloading,please adjust and use it according toactual needs, thank you!In addition, our shop provides you with various types ofpractical materials,such as educational essays, diaryappreciation,sentence excerpts,ancient poems,classic articles,topic composition,work summary,word parsing,copy excerpts,other materials and so on,want to know different data formats andwriting methods,please pay attention!北斗星汽车点火时间与仪表时间设置全指南在驾驶北斗星汽车时,准确的点火时间和仪表时间对于行车安全和舒适性至关重要。
STAFF GUIDE (内部资料列入归还)山东北斗置业集团有限公司二零一零年七月董事长致辞亲爱的各位员工:大家好!首先欢迎您加盟山东北斗臵业集团,成为北斗大家庭的一员。
山东北斗臵业集团自1989年成立至今,二十年来,由小到大,由弱到强,已经逐渐发展成今天在省内外广泛享有声誉的企业集团,在房地产、市政等方面都取得了令人瞩目的成就。
公司的辉煌靠的是一代又一代人的艰辛努力,靠的是源源不断的新鲜血液的注入!今天您的到来,使公司又增添了新的生机和活力,公司将因您的加盟而集聚更旺人气,公司的新发展也将因您的加盟而呈现更强劲的发展势头!多年来,公司一贯坚持以市场为导向,以打造精品为目标,以社会责任为己任,以“人才”为命脉,注重把吸纳高素质人才和培养一流员工队伍作为公司蓬勃发展的源动力,努力在把企业建造成“教育和培养人才的大学校,员工施展才华的大舞台,关爱员工的大家庭”的文化建设目标上下功夫,从而实现了员工与企业共赢、共荣、共成长的目的。
今天,公司的发展进入了一个崭新的发展阶段,我们面临着机遇与挑战并存。
我由衷地希望每一个北斗人,都能以公司文化为纽带,发展北斗人精神,传承北斗人作风,自觉践行核心价值观,以高度的使命感,超强的执行力,尽职尽责,快乐奉献,勇于担责,相互关爱,协调一致地为构建北斗大厦添砖加瓦!请相信,公司将会竭诚为每一位员工提供更为广阔的发展空间,助您成长,帮您成才,使您人尽其才,才有所用,用有所报,使您的每一份付出都得到最为丰厚的回报,让您的人生在北斗升华!诚挚祝愿大家在北斗工作愉快,前程似锦!今天您以北斗为荣,明天北斗以您为荣!董事长目录前言.............................................. 错误!未定义书签。
一、公司概况.. (2)(一)公司简介 (2)(二)公司文化 (3)公司发展的总方针 (3)公司文化建设的目标 (3)公司价值观念 (3)公司文化警示语 (3)决策层自律准则 (4)管理层自律准则 (4)执行层的自律准则 (4)公司管理理念 (4)北斗的由来、寓意 (4)公司标志及含义 (5)北斗之歌 (6)(三)原组织机构图 (7)(四)部门职责 (8)二、员工规范 (10)(一)行为准则 (10)(二)仪容仪表 (10)(三)员工礼仪规范 (10)(四)保密制度 (12)三、规章制度 (13)(一)人员管理程序 (13)人员需求 (13)人员招聘 (13)员工报到及上岗 (14)员工录用 (14)员工转正 (15)员工岗位异动 (16)员工离职 (16)(二)人员培训 (18)新员工入职培训 (18)老员工工作技能培训 (18)(三)员工待遇 (18)工资 (18)福利 (18)奖金 (18)(四)绩效管理规定 (19)(五)劳动合同管理规定 (27)(六)社会保险管理规定 (29)(七)考勤管理规定 (31)(八)奖惩制度管理规定 (33)(九)出差管理规定 (36)(十)借款、报销管理规定 (36)(十一)通讯费管理制度 (37)四、行政规章制度 (37)(一)办公管理 (37)证章的使用 (37)办公用品的领用 (37)(二)车辆使用 (38)公务车辆使用管理办法 (38)五、附则 (40)前言“手上之册,信手可阅,入门成主,理当知根悉底”。
昌河铃木北斗星实用手册Document serial number【NL89WT-NY98YT-NC8CB-NNUUT-NUT108】1、请说出北斗星汽车星级状态划分的标准。
答:北斗星每种车型中有四种星级状态。
即2S、3S、4S、5S,其中2S为基本状态,其他状态车分别在前一星级状态的基础上加装动力转向、ABS、安全气囊。
2、铃木K系列发动机的优点有哪些?答:铃木K系列发动机采用领先世界的双顶置凸轮轴16气门型发动;采用超轻量化铝合金材料;电脑闭环多点燃油喷射技术,油耗低、马力大、升功率高、动力澎湃;其1.4升发动机动力相当于普通的1.6升发动机。
3、什么叫磨合其强制保养用户应注意什么答:汽车从出售给用户之日起(以用户购车发标日期为准),累计行驶2000-2500公里时,必须就近到昌河汽车特约维修站进行磨合期强制保养。
保养项目按磨合期强制保养内容进行。
用户应注意:初驶200-2500公里磨合期内没有到昌河汽车特约服务站进行强保的,按自动放弃质量保证服务处理;强保后在强保打印单上签名;在磨合期内汽车的行驶速度和装载重量不能超过说明书上的规定。
4、汽车强保后,每行驶多少公里必须进行定期维护用户应注意什么答:汽车强保后,每行驶5000公里必须进行定期维护。
用户应注意:不按规定到昌河汽车特约服务站进行定期检查维护的,视为自动放弃后续质量保证服务。
5、用户上牌过程中,可选择**不同类别的汽车保险,其中必须**的是什么险?答:第三者责任险。
6、昌河北斗星有什么优点?答:(1)以日本铃木Wagon R+为原形;(2)外观时尚、活泼、大气;(3)“四轮四角”与“高顶”的独特设计;(4)发动机仓与乘员仓相对对立,隔音效果好;(5)我功能座椅创造多功能空间;(6)一车多用,满足不同驾乘人员的需要;(7)节能、环保等。
7、汽车行驶在每小时多少公里时油耗最低?答:80-90公里/小时。
8、如何识别是否K10A原装进口发动机现在究竟有无原装进口K系列的变速箱是否进口答:打开发动机盖,上有“SUZUKI”铃木标记,另外,发动机高压线在气门室罩中间。
现在所有K系列发动机(含变速箱)总成均为日本原装进口。
9、我的北斗星50000多公里了;偶然会断油发动不了请问这是什么毛病。
答:检查燃油系统的压力是否在正常范围之内;电喷喷嘴是否堵塞;尤其是燃油泵过滤垫是否脏污,燃油滤清器是否该更换。
10、北斗星CH6350A的减震器为什吗这麽硬,有什麽好办法解决?答:因为北斗星车的轮胎是扁平胎。
请各位**的车主按规定气压(2.0)给轮胎充气。
气压过高会导致减震偏硬。
11、发动机温度过高答:发动机温度过高有很多原因,如:节温阀打不开、汽缸垫有问题、水箱漏水、水泵渗漏等等。
12、根据说明书国产发动机在3500rpm时可发出最大扭距,那是不是说明开车时应该在3000转以上升挡比较好(象富康一样),我就是这样做的,但一直不知是否正确,如果不对对发动机有没有什么影响正确的操作应该怎样答:您的做法完全正确,希望保持。
其实,小排量的发动机都应该如此才对。
这样,能保持发动机处于良好的工作状态。
13、我的**买了一年了,从21500公里保养后开始出现五档在75~80公里时速时感觉有明显的抖动(油门踏板和档把都会有抖动),加速或减速减档后就会消失,做过动平衡,修车师傅说是共振,可我觉的会不会有别的问题,请速回复,急!答:确实存在共振问题。
如果发动机没有其他现象出现,应该没事。
必要时请到服务站进行检查,确定是否有其他产品出现问题而导致这一现象出现。
14、怎样识别K10A为什么不回答我什么是F10A,与K10A的区别是什么说实话,我很怀疑厂家用F10A欺骗消费者说是K10A,首先你们的技术参数中没有F10A这一型号,另外,***机很粗糙,不象进口机。
我想买金星系列,但是,我怕这一系列不仅仅有K10A,还有假冒的!请用事实或数据回答我的困惑,我只想买真正的进口机,宁愿多花钱。
第一批的进口车厂里还有吗答:确实,北斗星车的发动机确实没有F10A这个说法。
F10A是铃木公司的型号,也是我们公司内部的叫法。
他就是现在的东安发动机DA465Q-2D。
而K10A发动机我公司从铃木公司进口的原装发动机。
两种发动机的技术含量相差很大。
现在市场上还没有能假冒K10A发动机的水平。
所以希望您能放心**。
15、请问珍珠白是否是金属漆?答:是!16、我是5月15日买的3星北斗星,提车时发现5挡特紧,现在已经3千多公里了,还是挂挡摘挡都很费劲,不知是不是同步器有问题?答:估计是同步器的问题。
17、一些CH6321EI用户,反映:电喷故障指示灯在汽车运行过程中一直亮,服务站检查后并无车身故障,检测仪显示为代号000,说明为:故障码错误,清除后约一分钟又亮,这是怎么一回事?答:更换组合仪表总成可以排除故障。
18、怎样确定发动机为日本原装,还有变速箱等?答:K系列发动机为铝制缸体、DOHC16气门、日本日立(HITACHI)电喷技术。
到现在为止,国内技术还不能生产,全部为日本原装整机进口。
19、现在的k系列发动机真的是原装的吗铃木的商标是铸造的还是贴上去的怎样才能让消费者放心是原装的答:是原装的,铃木的商标是铸造的,K系列发动机是铝发动机,表面光滑,排量1升,输出功率达到65马力,相当于1.6升发动机的功率,请内行人一看,就知是原装的。
20、我是2003年3月买的北斗星,现在车有如下问题:1.爬坡没有劲,四挡减三挡,三挡减二挡,速度上不来。
2.开了空调,情况更糟,加速的时候,有时候有凿车冲的现象。
3.有时怠速等灯时,一挡起步给油上不来,停顿2…3钞速度突然冲上来,赶忙换二挡给油上不来,停顿1…2有动力。
请教了……答:可能油路有堵塞,导致燃油系统压力不足,引起车辆发梗。
请检查确定油压是否正常。
另外,对电喷喷嘴进行清洗很有必要。
可能是加的燃油杂质较多,引起的堵塞。
所以,记住,最好加93号汽油。
21、我有一辆银**北斗星,行使了8000公里,没别的什么问题,就是水箱非常容易升温,试想在大街上泊车开盖加水降温是一件多么难堪的事情!在维修站换了一个节温器没有解决问题,听老师傅话把车内防冻液换成自来水也不行!总不至于把节温器拿掉吧?答:发生此问题有以下几方面的因素:节温器不能正常打开;汽缸垫有问题;水泵出现问题。
如果取下节温器还解决不了的话,请检查后面两个部件。
22、每天早晨启动车后发动机仓内都会有几声“嗒嗒”声,有时多(七八声)有时少(两三声),已经有了几个月了,现在的里程是32700,请问是何故障,如何处理,对车有没有影响?答:这是发动机舱内的钣金件热胀冷缩导致的现象。
对车辆没有影响。
23、今天早上我的**打不燃火了,一看电瓶只有一点电了,后来找朋友的车拖燃的,可是回来翻**的说明书的时候看见上面写的禁止以推或拖的方式启动发动机否则会使排气系统的三元催化装置失效,不知道我的车三元催化遭没有,请XD告知啊!答:尽量不要使用这种方法。
只有万不得已时才能使用。
确定三元催化是否损坏,可以在启动后,听三元催化是否发出破碎的声音即可。
24、我想买北斗星但是:我在北方游漫长严寒的冬季常常零下20-30度,我又没有车库,爱车怎样过冬啊我好担心车车能不能顺利过冬怎样安全过冬答:正常情况下,北斗星车的电喷系统要在低于零下40度的环境下进行低温试验,所以车辆可以安全过冬。
但要注意:1、发动机的冷却液、风档玻璃清洗液一定要在冬季来临前换成防冻液;2、发动机机油、齿轮油也要同时换成冬季专用的型号。
3、发动机启动后,等发动机怠速转速降到1000转左右在起步,能有效延长发动机寿命。
25、我于上月**了K10A发动机的金星,目前行驶不到1000公里。
现有几个问题想请教:一、新车提回来时,发动机声音几乎听不到,可现在起步从30公里/小时起,总有一种“呜-”的声音,像吹海螺那种声音,而且随着车速加快,声音越来越尖锐,到6、70公里/小时,声音已非常尖锐,由于还在磨合期,我没开过更高速度,不知会有怎样的声音;二、有时出现倒档挂不进,有齿轮响,可抬一下离合器就能挂进去;三、新车时开空调起步、加速顺利,现在起步、加速吃力,要踩相对更大的油门。
我的使用条件:油:93号;道路:基本是市内短途。
答:1.产生这种声音的原因有很多,如:前驱动轴万向节缺油、前轮轴承进水、轮胎不平等。
请到服务站进行检查,确认是否是上述原因导致。
2.加速费劲,请检查火花塞是否漏气。
必要时进行更换。
3.最好使用97号汽油。
4.变速器问题,请在保养时检查润滑油是否太脏。
必要时进行清洗再换润滑油。
26、我的车(6350A)经常在匀速行使(80—100km/h)一段时间后停车怠速时发动机转速总要在1200~1400r/s停留几秒钟后再降到正常怠速,(停车前没有空挡滑行),请问是何故障,是否会增加油耗?答:怠速不稳肯定会导致油耗增加。
所以,请检查节气门阀体是否脏污,必要时清洗。
另外,对电喷系统进行自学习也很有必要。
请到服务站进行检查。
27、"请问:**的碳罐是否属于保修范围?我的碳罐漏油。
成都的4S说:需要换碳罐。
碳罐属于塑料制品,不属于保修范围,并收了我65元维修费(包括换部件)。
更换碳罐后,油耗由7.2降至5.7。
我认为:碳罐的外壳的确是塑料制品,碳罐有问题并不是外壳损坏了,而是其内部有问题(漏油),应该属于保修范围。
保修手册中的“塑料制品”,实际上是指“内、外”均为塑料的零部件,如:前后保险杠,后视镜外壳、仪表盘的固定架等等。
他们与碳罐有明显区别。
答:可以索赔。
28、请问二保最好用什么牌子的机油、齿轮油?能否在二保时用“一路行”的齿轮油处理剂、引擎内部清洗剂、抗磨修复剂。
答:尽量不用添加剂。
最好换用国内知名品牌的高级润滑油。
如:统一、长城等品牌的合成机油和齿轮油。
不要盲目崇拜国外品牌。
价格高,但不一定比国内品牌的油品质量高。
具体可以根据自己的经济实力来选择。
29、2003年5月买的***6350A系,在强保后正常行使要自然熄火,多次出现,特别是下坡和不踩油门自然减速、有时会在踩离合换档时踩下离合就熄了,但均能在次打燃。
答:检查一下节气门阀体、怠速电磁阀是否脏污,必要时进行清洗。
然后让电喷系统重新自学习一次。
如果还有问题,请服务站与昌铃公司售后服务处联系。
30、在强保后,刹车油壶在渗油,要更换吗为什么不在三包内现在有6903km了。
答:如果刹车油不减少,就没有问题。
可能是加多了。
检查以下,刹车油是否在规定的刻度线内。
多出的刹车油应该放掉。
31、请问7110仪表盘上的((P))符号代表的是什么?答:表示手刹车杆已经拉起,车辆处于手制动状态。
32、我早上起动车,必须打火三四次才能打着火,请问这是为什么?答:多次才能启动的故障有很多原因。