有机认证GB19630考试真题含答案注释
- 格式:docx
- 大小:69.66 KB
- 文档页数:22
有机检查员考试题1、有机农业的核心是什么?A.环境保护B.食品安全C.可持续性D.提升产量正确答案:C.可持续性。
有机农业的核心是实现农业的可持续发展,通过采用有机方式进行种植、养殖,注重生态平衡和环境保护,同时强调农产品品质和安全。
因此,选项C“可持续性”是最佳选择。
2、下列哪一项是有机农业中禁止使用的?A.化学肥料B.合成农药C.转基因种子D.有机肥料正确答案:B.合成农药。
有机农业中禁止使用合成农药,因为它们对环境和人体健康有害。
相反,有机农业提倡使用有机肥料和生物防治方法来控制病虫害。
3、有机农业的目的是什么?A.提高农产品的产量和经济效益B.保护和改善环境,保持生态平衡C.提供更安全、更健康的食品供给人类D.以上都是正确答案:D.以上都是。
有机农业的目的是多方面的,包括提高农产品的产量和经济效益、保护和改善环境、保持生态平衡以及提供更安全、更健康的食品供给人类。
因此,选项D“以上都是”是最佳选择。
二、判断题1、有机农业不使用任何化学物质。
()A.对B.错正确答案:B.错。
有机农业不使用合成化学物质,但并不意味着不使用任何化学物质。
例如,有机农业中可以使用一些天然的化学物质,如醋、蜂蜡等,来进行植物保护和土壤改良。
2、有机农业是一种只环境保护的农业方式。
()A.对B.错正确答案:B.错。
有机农业不仅仅环境保护,还注重食品安全、提高农产品品质和经济效益等多方面的问题。
3、有机农业不能使用转基因种子。
()A.对B.错正确答案:B.错。
有机农业并不禁止使用转基因种子,但需要确保这些种子是经过有机认证的,并且不会对环境和人类健康造成负面影响。
1、在以下哪个情况下,最有可能发生爆炸?A.在密闭的容器中储存大量易燃液体。
B.在通风不良的矿井中长时间使用柴油发动机。
C.在干燥的木材加工车间使用高速切割机。
D.在加油站使用手机。
2、当进行防爆检查时,以下哪个因素对爆炸的威力和范围影响最大?A.爆炸物的数量。
加工部分∙GB/T19630-2019有机产品生产、加工、标识与管理体系要求标准理解与实施本章节合格分数:15分1. 管理手册至少应包括以下内容:()(1分)[多选题]1. 有机产品生产、加工、经营者的管理方针和目标2. 管理组织机构图及其相关岗位的责任和权限3. 有机标识的管理4. 内部检查2. 有机产品生产、加工、经营者应具备与其规模和技术相适应的资源。
()(1分)[判断题]1. 正确2. 错误3. 有机配料百分比计算不正确的是()。
(1分)[多选题]1. 计算结果向下取整数2. 计算结果四舍五入3. 计算结果向上取整4. 计算时包括水和食盐4. 不直接零售的加工原料,可以不加施有机产品认证标志。
()(1分)[判断题]1. 正确2. 错误5. 内部检查员的职责是:()(1分)[多选题]1. 按照GB/T 19630对本企业的管理体系进行检查,并对违反该标准的内容提出修改意见2. 按照GB/T 19630的要求,对本企业生产、加工过程实施内部检查,并形成记录3. 配合认证机构的检查和认证4. 农事记录的填写6. 以下哪项不是有机产品销售者在销售过程中应采取的措施:()(1分)[单选题]1. 不应销售常规产品。
3. 有机产品避免与本标准禁止使用的物质接触。
4. 建立有机产品的购买、运输、储存、出入库和销售等记录。
7. 应按比例绘制生产单元或加工、经营等场所的位置图,以下哪一项是必须在图中标明的()。
1. 种植的作物名称2. 相邻土地及边界土地的利用情况3. 每个地块的面积4. 基地负责人8. 有机配料百分比计算正确的是()。
(1分)[单选题]1. 计算结果向下取整数2. 计算结果四舍五入3. 计算结果向上取整4. 计算时包括水和食盐9. 无平行生产的有机水果生产者的种植操作规程中至少应包括()(1分)[多选题]1. 水果种植操作规程2. 防止有机产品与常规产品混杂所采取的措施3. 水果收获操作规程4. 水果加工操作规程10. 食品加工企业应编制的操作规程至少应包括()(1分)[多选题]1. 食品加工操作规程2. 加工厂卫生管理与有害生物控制规程3. 加工产品的运输、储藏等各道工序的操作规程4. 防止有机产品受禁用物质污染所采取的预防措施11. 管理体系的文件应包括:()(1分)[多选题]1. 生产单元或加工、经营等场所的位置图2. 管理手册3. 操作规程4. 系统记录12. 仅在产品或者其最小销售包装上印刷中国有机产品认证标志的产品可以不使用有机码。
CCAA有机检查员注册考试真题2018一.单选1.畜禽养殖中不应使用以下哪一种非治疗性手术。
(这些都不允许使用a)断尾(除羔羊外);b)断喙、断趾;c)烙翅;d)仔猪断牙;e)其他没有明确允许采取的非治疗性手术。
)2.所有引入的水生生物至少应在后(三分之二)的养殖期内采用有机方式养殖。
3.水产养殖,可人为延长光照时间,但每日的光照时间不应超过(16)小时。
4.蜜蜂养殖至少应经过(12)个月的转换期5.在蜂群由于气候条件或其他特殊情况缺少蜂蜜面临饥饿时,可以进行蜂蜜的人工饲喂,但只可在最后一次(15天)之间进行。
6.新开垦的、撂荒36个月以上的或有充分证据证明36个月以上未使用本标准禁用物质的地块,也应经过至少(12)个月的转换期7.(冬季休耕)的地区可不进行轮作。
8.植物生产中,土壤环境质量符合(土壤环境质量符合GB 15618中的二级)标准。
9.下列物质中,哪些是有机植物生产中允许使用的土壤陪肥和改良物质?10.野生植物采集区应是在采集之前的(36)个月内没有受到任何禁用物质污染的地区。
二.多选三.简答1.检查员在企业现场检查时都有哪些活动?检查过程至少应包括以下内容:(1)对生产、加工过程和场所的检查,如生产单元有非有机生产或加工时也应对其非有机部分进行检查。
(2)对生产、加工管理人员、内部检查员、操作者进行访谈。
(3)对GB/T 19630.4所规定的管理体系文件与记录进行审核。
(4)对认证产品的产量与销售量进行汇总和核算。
(5)对产品和认证标志追溯体系、包装标识情况进行评价和验证。
(6)对内部检查和持续改进进行评估。
(7)对产地和生产加工环境质量状况进行确认,评估对有机生产、加工的潜在污染风险。
(8)采集必要的样品。
(9)对上一年度提出的不符合项采取的纠正和纠正措施进行验证(适用时)。
检查组在结束检查前,应对检查情况进行总结,向受检查方和认证委托人确认检查发现的不符合项。
2.乳牛疾病预防应依据哪些原则,如果你是该企业的负责人,该怎样来实施?疾病预防应依据以下原则进行:a)根据地区特点选择适应性强、抗性强的品种;b)提供优质饲料、适当的营养及合适的运动等饲养管理方法,增强畜禽的非特异性免疫力;c)加强设施和环境卫生管理,并保持适宜的畜禽饲养密度。
XXX有限公司有机管理手册依据GB/T19630-2019《有机产品》国家标准编制:日期:年月日审核:日期:年月日批准:日期:年月日2020年03月01日发布2020年03月01日实施XXX有限公司目录0.1 发布令0.2 有机方针、目标0.3 任命书0.4 公司简介0.5 范围0.6 引用文件0.7 定义0.8 有机生产和经营的主要目标和实施计划1.0 第一部分生产2.0 第二部分加工3.0 第三部分标识与销售4.0 第四部分管理体系4.1 一般要求4.2 文件控制4.3 记录控制4.4 资源管理4.5 内部检查4.6 追踪体系4.7 持续改进注:资源管理部分包括人员职责、组织机构图、采购要求和职能分配表附件:有机种植基地平面图/ 加工场所平面图发布令本公司依据GB/T19630-2019《有机产品》国家标准并结合公司的实际经营情况编制了01版《有机管理手册》,现予以批准发布实施。
本手册是本公司有机管理法规性文件,是指导本公司持续建立并保持有机管理体系的纲领和行为准则,本公司全体员工必须遵照执行。
为实现对外承诺制定了本公司的有机方针和目标,现一同予以颁布和实施。
总经理:2020年3月1日有机产品质量方针遵守有机法规强化生产管理倡导健康理念保证食品安全争创有机名牌实现持续发展有机产品质量目标1 产品一次交验合格率达到95%以上;2 追求顾客满意程度达到90%以上;3 保证质量安全,顾客投诉率为零;4 产品种植和加工过程100%符合有机标准的各项要求。
总经理:2020年3月1日任命书为保障有机管理体系的持续有效运行,特任命同志为有机管理小组组长,并赋予其如下职责:1 负责有机管理体系的建立和维护;2 向最高管理者报告有机管理的业绩和任何改进的方案;3 在整个组织内促进满足有机产品认证的意识的形成;4 确保加贴有机产品标志的产品符合认证标准的要求;5 建立文件化的程序,确保有机产品认证标志的妥善保管和使用;6 建立文件化的程序,确保不满足要求的产品不使用有机产品标志;7 就有机产品的相关事宜对外联络。
一、单项选择题(60道)1、植物生产的土壤环境质量应符合( A )中的二级标准要求。
A、GB 15618B、GB 5084C、GB 3095D、GB 50492、有机生产中,以下哪些物质可以用于植物生产的病虫害防治:( D )A、乙醇B、石蜡油C、氢氧化钙D、以上都可以3、人粪尿可以施用于下列哪种植物:( D )A、叶菜类植物B、块茎类植物C、块根类植物D、以上都不可以4、对于芽苗菜的生产,哪一项不是必须的:( D )A、应使用有机生产的种子B、应采取预防措施防止病虫害,可使用蒸汽和附录A表A.3列出的清洁剂和消毒剂对培养容器和生产场地进行清洁和消毒C、生产用水水质应符合GB 5749D、需经过至少24个月的转换期5、草场和多年生饲料作物的转换期至少为有机饲料( B )A、播种前24个月B、收获前24个月C、播种前36个月D、收获前36个月6、GB19630.1-2011中关于轮作的规定,以下描述正确的是:( A )A、一年种植多季水稻的地区可以采取两种作物轮作B、一年生植物应进行两种以上作物轮作C、南方地区,虽冬季休耕也要进行至少二种作物轮作D、以上全对7、可以施用于有机生产的矿物肥料有( A )A、天然磷矿粉B、天然氯化钾C、盐酸处理过的磷矿石D、天然矿物氮肥8、如牧场和草场仅供非草食动物使用,且有充分证据证明12个月以上未使用禁用物质,则转换期可缩短到( B )A、12个月B、6个月C、3个月D、4个月9、有机养殖中,常规种母牛、马、驼每年引入的数量不应超过同种成年有机母畜总量的( A )A、10%B、20%C、40%D、50%10、有机猪的养殖中,由于有机饲料短缺,需要饲喂一定量的常规饲料,但饲喂量不得超过猪全年饲料消费量的(以干物质计)( B )A、10%B、15%C、25%D、60%11、以下哪种物质可以作为有机肉牛养殖的饲料或饲料添加剂( B )A、鱼粉B、乙醇或醋提取的饲料C、加工过的动物粪便D、化学合成的维生素B12、下列哪个关于畜禽引入的说法是正确的:( C )A、引入的畜禽只要不超过所要求比例,可以不必经过转换期B、引入的犊牛不一定需要经过初乳喂养C、不超过2日龄的肉用鸡D、以上说法都对13、猪的哺乳期应为( B )A、6周B、40天C、6个月D、45天14、开放水域采捕区的野生固着生物的转换期为( C )A、6个月B、24个月C、满足一定条件时可直接认证为有机产品。
有机产品认证检查员模拟试卷一(题库)[问答题]1.有机食品如何理解?参考答案:有机食品是(江南博哥)指按照这种方式生产和加工的;产品符合国际或国家有机食品要求和标准:并通过国家有机食品认证机构认证的一切农副产品及其加工品,包括粮食、菌类、蔬菜、水果、瓜果,干果,奶制品、禽畜产品、蜂蜜、水产品、调料等。
指在动植物生产过程中不使用化学合成、化肥、生产调节剂、饲料添加剂等物质,以及基因工程生物及其产物,而是遵循自然规律和生态学原理,采取系列可持续发展的农业技术,协调种植业和养殖业的平衡,维持农业生态系统持续稳定的一种农业生产方式。
传统农业(traditionalagriculture)指沿用长期积累的农业生产经验,主要以人、畜力进行耕作,采用农业、人工措施或传统农药进行病虫草害防治为主要技术特征的农业生产模式。
[问答题]2.请简述有机农业病虫草害防治原则参考答案:病虫草害防治的基本原则应从农业生态系统出发,综合运用务种防治措施,创造不利于病虫草害草生和有利于各类天故繁衔衍的环境条件,保持农业生态系统的平衡和生物多样化,减少各类病虫草害所造成的损失。
应优先采用农业措施,通过选用抗病抗虫品种、非化学药剂种子处理、培育壮苗、加强栽培管理、中耕除草、耕翻晒垡、清洁田园、轮作倒茬、间作套种等一系列措施起到防治病虫草害的作用。
还应尽量利用灯光、色彩诱杀害虫,机械捕捉害虫,机械或人工除草等措施,防治病虫草害。
[问答题]3.检查员在检查一个有机梨园时,发现部分梨树的行间套种了大豆和油菜,陪同人员解释说,因为那片梨树栽植的比较晚,树还小,为增加收入,就套种了一些作物,套种的作物虽然没有申请有机认证,但也不使用化肥和化学农药,企业这种做法是否符合GB/T19630相关的要求?参考答案:不确定,进一步检查:1)套种的作物是否是转基因的2)套种作物种子是否经过禁用物质处理过3)套种作物的种植规程,投入物的使用是否满足有机标准的要求4)是否制定了转换计划5)套种作物的管理、收获等活动是否会对有机产品造成污染[问答题]4.在有机认证申请时,要求认证委托人提交的文件中包括有机产品生产、加工规划,请简述机产品生产、加工规划应包括哪些内容。
有机产品认证检查员考前点题卷一(题库)[单选题]1.在开放性水域采摘区,水体未受到禁用物质的影响(江南博哥)且生态系统稳定可持续采摘,以下哪种产品可以直接认证为有机产品?()。
A.生蚝B.扇贝C.海带D.带鱼参考答案:C[单选题]2.一年生植物应进行()种以上作物轮作,一年种植多季水稻的地区可以采取()种作物轮作,东北地区冬季休耕的地区可不进行轮作。
A.两、三B.两、两C.三、两D.四、三参考答案:C[单选题]3.人粪尿可以施用于下列哪种植物:()。
A.叶菜类植物B.块茎类植物C.块根类植物D.以上都不可以参考答案:D[单选题]4.现场检查活动应包括:()。
A.所有生产、加工场所的实地检查B.员工及农户访谈C.对质量管理体系与生产加工过程记录的审核D.以上都是参考答案:D[单选题]5.获证组织因产地(基地)环境质量不符合认证要求而被认证机构撤销认证证书的,()年内不得重新进行有机产品认证申报。
A.一B.五C.三D.二参考答案:A[单选题]6.猪的哺乳期应为()。
A.6周B.40天C.6个月D.45天参考答案:B[单选题]7.在转换期间,生产者()。
A.应开始减少化学农药,化肥的适用,逐步过度到完全符合有机生产要求B.在遇到重大病虫害时,可以使用少量低毒农药,转换期结束就彻底不能再用C.应全程完全符合有机生产要求D.以上都不是参考答案:C[单选题]8.食品添加剂的品种、使用范围、用量标准由()确定和修订。
A.国务院卫生行政部门B.国务院质量监督部门C.国家食品药品监督管理部门D.国务院农业部门参考答案:A[单选题]9.gb/t19630的加工部分规定了加工用水应符合()要求。
A.gb2721B.gb5749C.gb4287D.gb14881参考答案:B[单选题]10.证明其产地的环境质量状况符合GB/T19630《有机产品》规定的土壤和水的检测报告委托方应为()A.生产者B.当地政府C.认证委托人D.有资质的检测机构参考答案:C[单选题]11.应保证草食动物每天都能得到满足其基础营养需要的粗饲料。
第一天一、判断题(Ture or False)1、不直接零售的有机加工原料,可以不加施有机认证标志。
(J )Organic processing raw materials which are not retail directly, may be not affixedOrganic Product Certification Mark of China.2、同一认证的品种在证书有效期内如有多个生产季,每个生产季均需进行现场检查。
(J )The variety of the same certification during the validity period of the certificate need to carry out on-site inspection every production season, if there are Multiple productionseason.3、检查活动应涉及生产单元的全部生产活动范围。
(J )Inspection should include all range of production activities of production unit.4、如生产单元存在非有机生产或加工时,也应对其非有机部分进行检查。
(J )If production unit have non-organic production or processing, it should be inspected to non-organic part.5、认证的产品中不得检出有机生产中禁用物质残留。
(J )Any level of prohibited substances in organic production shall not be detected in certified products.6、检查组应制定检查计划,并在现场检查前得到认证委托人的确认,且将计划上传至国家认监委指定的信息系统。
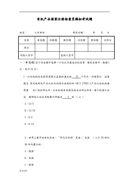
有机产品国家注册检查员模拟考试题一、单选题(在下列各题中选择一个你认为最适合的答案,填到空格中。
每题1分,共计25分)1、认证机构应在获得国家认监委批准后的12 个月内,向国家认监委提交其实施有机产品认证活动符合本规则和GB/T 27065《产品认证机构通用要求》的证明文件。
认证机构在未提交相关证明文件前,每个批准认证范围颁发认证证书数量不得超过 5 张。
( a )A、12/5B、12/10C、6/5D、6/102、世界上最早的有机农场-“罗代尔农场”是由(美国)人于20世纪40年代建立的。
A、德国B、美国C、英国D、荷兰3、以下哪个是转换期的概念( b )A、转换期的开始时间从提交认证申请之日算起。
B、从按照本标准(GB/T 19630)开始管理至生产单元和产品获得有机认证之间的时段。
C、一年生作物的转换期一般不少于24个月转换期,多年生作物的转换期一般不少于36个月。
D、提交认证申请之日算起至生产单元和产品获得有机认证之间的时段。
4、有机加工食品中有机原料的比例应占( c )A 75%以上B 85%以上C 95%以上D 100%5、对于芽苗菜的生产,以下哪一项不是必须的( c )A、应使用有机生产的种子生产芽苗菜。
B、应采取预防措施防止病虫害,可使用蒸汽和附录A表A.3列出的清洁剂和消毒剂对培养容器和生产场地进行清洁和消毒。
C、必须经过至少12个月的转换期。
D、生产用水水质应符合GB 5749。
6、应保证草食动物每天都能得到满足其基础营养需要的粗饲料。
在其日粮中,粗饲料、鲜草、青干草、或者青贮饲料所占的比例不能低于60 %(以干物质计)。
对于泌乳期前3个月的乳用畜,此比例可降低为50 %(以干物质计)。
()A、60,50B、50, 60C、50,50D、60,607、应主要通过蜂箱卫生和管理来保证蜂群健康和生存条件,以预防寄生螨及其他有害生物的发生。
以下哪些措施不可以使用(d)A、选择适合当地条件的健壮蜂群,淘汰脆弱蜂群;B、采取适当措施培育和筛选抗病和抗寄生虫的蜂王;C、定期更换巢脾;D、在流蜜期之前30d内使用植物或植物源制剂进行治疗。
2023年1月份《有机产品认证基础》试题[单选题]1.依据《食品安全国家标准食品生产通用卫生规范(GB14881-2013)规定,仓库出货顺序应遵循()原则,必要时应根据不同食品原料的特性确定出货顺序。
A.(江南博哥)先进先出B.先进后出C.紧急情况可随意出货D.后进先出正确答案:A参考解析:考察GB14881《食品安全国家标准食品生产通用卫生规范》“7.2食品原料”原文:仓库出货顺序应遵循先进先出的原则,必要时应根据不同食品原料的特性确定出货顺序。
[单选题]2.根据GB/T19630-2019,有机生产、加工、经营者应建立和保持有效的产品召回制度,其中不包括()。
A.产品召回的条件B.召回产品的处理和采取的纠正措施C.产品召回的演练D.启动召回的人员正确答案:D参考解析:有机生产、加工、经营者应建立和保持有效的产品召回制度,包括产品召回的条件、召回产品的处理、采取的纠正措施、产品召回的演练等,并保留产品召回过程中的全部记录,包括召回、通知、补救、原因、处理等。
[单选题]3.根据《中华人民共和国农产品质量安全法》,农产品质量安全标准是()。
A.行业管理标准B.技术规程C.强制性技术规范D.国家一般性标准正确答案:C参考解析:《中华人民共和国农产品质量安全法》第十一条国家建立健全农产品质量安全标准体系。
农产品质量安全标准是强制性的技术规范。
[单选题]4.根据GB2762-2017《食品安全国家标准食品中污染物限量》,在制品有限量指标要求的情况下,其干制品中污染物限量以相应新鲜食品中污染物限量结合其()折算。
A.质量B.稀释倍数C.脱水率或浓缩率D.体积正确答案:C参考解析:GB2762-2017《食品安全国家标准食品中污染物限量》的应用原则中要求,限量指标对制品有要求的情况下,其中干制品中污染物限量以相应新鲜食品中污染物限量结合其脱水率或浓缩率折算。
[单选题]5.当贮藏有机食品的仓库发生严重虫害侵袭,危及储藏产品的品质时,可以采取以下()熏蒸剂进行熏蒸。
有机产品国家注册检查员模拟考试题姓名:工作单位:考试日期:年月日一、单选题(在下列各题中选择一个你认为最适合的答案,填到空格中。
每题1分,共计25分)1、认证机构应在获得国家认监委批准后的 12 个月内,向国家认监委提交其实施有机产品认证活动符合本规则和GB/T 27065《产品认证机构通用要求》的证明文件。
认证机构在未提交相关证明文件前,每个批准认证范围颁发认证证书数量不得超过 5 张。
( a )A、12/5B、12/10C、6/5D、6/102、世界上最早的有机农场-“罗代尔农场”是由(美国)人于20世纪40年代建立的。
A、德国B、美国C、英国D、荷兰3、以下哪个是转换期的概念( b )A、转换期的开始时间从提交认证申请之日算起。
B、从按照本标准(GB/T 19630)开始管理至生产单元和产品获得有机认证之间的时段。
C、一年生作物的转换期一般不少于24个月转换期,多年生作物的转换期一般不少于36个月。
D、提交认证申请之日算起至生产单元和产品获得有机认证之间的时段。
4、有机加工食品中有机原料的比例应占( c )A 75%以上B 85%以上C 95%以上D 100%5、对于芽苗菜的生产,以下哪一项不是必须的( c )A、应使用有机生产的种子生产芽苗菜。
B、应采取预防措施防止病虫害,可使用蒸汽和附录A表A.3列出的清洁剂和消毒剂对培养容器和生产场地进行清洁和消毒。
C、必须经过至少12个月的转换期。
D、生产用水水质应符合GB 5749。
6、应保证草食动物每天都能得到满足其基础营养需要的粗饲料。
在其日粮中,粗饲料、鲜草、青干草、或者青贮饲料所占的比例不能低于 60 %(以干物质计)。
对于泌乳期前3个月的乳用畜,此比例可降低为 50 %(以干物质计)。
()A、60,50B、50, 60C、50,50D、60,607、应主要通过蜂箱卫生和管理来保证蜂群健康和生存条件,以预防寄生螨及其他有害生物的发生。
以下哪些措施不可以使用( d )A、选择适合当地条件的健壮蜂群,淘汰脆弱蜂群;B、采取适当措施培育和筛选抗病和抗寄生虫的蜂王;C、定期更换巢脾;D、在流蜜期之前30d内使用植物或植物源制剂进行治疗。
第一天一、判断题(Ture or False)1、不直接零售的有机加工原料,可以不加施有机认证标志。
(√)Organic processing raw materials which are not retail directly, may be not affixed Organic Product Certification Mark of China.2、同一认证的品种在证书有效期内如有多个生产季,每个生产季均需进行现场检查。
(√)The variety of the same certification during the validity period of the certificate need to carry out on-site inspection every production season, if there are Multiple production season.3、检查活动应涉及生产单元的全部生产活动范围。
(√)Inspection should include all range of production activities of production unit.4、如生产单元存在非有机生产或加工时,也应对其非有机部分进行检查。
(√)If production unit have non-organic production or processing, it should be inspected to non-organic part.5、认证的产品中不得检出有机生产中禁用物质残留。
(√)Any level of prohibited substances in organic production shall not be detected in certified products.6、检查组应制定检查计划,并在现场检查前得到认证委托人的确认,且将计划上传至国家认监委指定的信息系统。
实用标准ICS 65.020.01B04中华人民共和国国家标准GB/T 19630.1—2005有机产品第1部分:生产Organic ProductsPart 1:Production2005-01-19发布2005-04-01实施中华人民共和国国家质量监督检验检疫总局发布中国国家标准化管理委员会前言GB/T19630《有机产品》分为四个部分:——第1部分:生产——第2部分:加工——第3部分:标识与销售——第4部分:管理体系本部分为GB/T19630《有机产品》的第1部分。
本部分的附录A、附录B、附录C为规范性附录,附录D为资料性附录。
本部分由国家认证认可监督委员会提出。
本部分起草单位:中国农业大学,南京国环有机产品认证中心、中国合格评定国家认可中心。
本部分主要起草人:杜相革、周泽江、汪云岗、王茂华、陈云华、徐娜。
有机产品第1部分: 生产1 范围GB/T 19630的本部分规定了农作物、食用菌、野生植物、畜禽、水产、蜜蜂及其未加工产品的有机生产通用规范和要求。
本部分适用于有机生产的全过程,主要包括:作物种植、食用菌栽培、野生植物采集、畜禽养殖、水产养殖、蜜蜂养殖及其产品的运输、贮藏和包装。
2 规范性引用文件下列文件中的条款通过GB/T 19630的本部分的引用而成为本部分的条款。
凡是注日期的引用文件,其随后所有的修改单(不包括勘误的内容)或修订版均不适用于本部分,然而,鼓励根据本部分达成协议的各方研究是否可使用这些文件的最新版本。
凡是不注日期的引用文件,其最新版本适用于本部分。
GB3095-1996 环境空气质量标准GB5084 农田灌溉水环境质量标准GB5749 生活饮用水卫生标准GB9137 保护农作物的大气污染物最高允许浓度GB11607 渔业水质标准GB15618-1995 土壤环境质量标准GB18596 畜禽养殖业污染物排放标准3 术语和定义下列术语和定义适用于GB/T 19630的本部分。
有机产品认证检查员考前点题卷二(题库)[单选题]1.gb/t19630的1部分,规定了()产品的(江南博哥)有机生产通用规范和要求。
A.植物生产、野生采集、食用菌栽培B.植物、动物、微生物C.植物、动物、水产D.植物、动物、蜜蜂及蜂产品参考答案:B[单选题]2.有机蜜蜂养殖中,以下哪种做法是允许的?()。
A.从正在进行孵化的中蜂巢脾中摇取蜂蜜B.收获未成熟蜜C.通过加热使蜂房脱盖D.使用电镀的金属容器盛装蜂蜜参考答案:A[单选题]3.有机产品生产、加工、经营管理手册中不包括()。
A.有机标识的管理B.内部检查C.客户投诉的处理D.标签及生产批号的的管理规程参考答案:D[单选题]4.以下表述正确的是()。
A.因生产季等原因,初次现场检查不能覆盖所有申请认证产品的,应当在下次检查时重点关注B.多个农户负责生产(如农业合作社或公司+农户)的组织检查农户数量的2/3C.多个农户负责生产(如农业合作社或公司+农户)的组织应检查农户数量的平方根D.需在非生产、加工场所进行二次分装/分割的,也应对二次分装/分割的场所进行现场检查,以保证认证产品的完整性参考答案:D[单选题]5.有机水产养殖中每日最长光照时间不应超过()。
A.8小时B.12小时C.16小时D.18小时参考答案:C[单选题]6.新开垦的,撂荒36个月以上的或有充分证据证明36个月以上未使用本标准禁用物质的地块,也应经过()。
的转换期。
A.12个月C.36个月D.以上都不是参考答案:A[单选题]7.有机水产养殖场的水质应符合()的要求。
A.gb5749B.gb11607C.gb5084D.以上都不对参考答案:B[单选题]8.关于野生植物采集的说法中,以下描述正确的是()。
A.野生植物采集区应是在采集之前从来没有受到任何禁用物质污染的地区B.野生植物采集区无须保持缓冲带C.采集活动不应对环境产生不利影响或对动植物物种造成威胁,采集量不应超过生态系统可持续生产的产量D.申请野生采集认证的产品可以无须进行检测参考答案:C[单选题]9.国家对食品生产经营是许可制度,从事食品生产应当依法取得食品()。
有机产品国家注册检查员模拟考试题一、单选题(在下列各题中选择一个你认为最适合的答案,填到空格中。
每题1分,共计25分)1、认证机构应在获得国家认监委批准后的12 个月内,向国家认监委提交其实施有机产品认证活动符合本规则和GB/T 27065《产品认证机构通用要求》的证明文件。
认证机构在未提交相关证明文件前,每个批准认证范围颁发认证证书数量不得超过 5 张。
( a )A、12/5B、12/10C、6/5D、6/102、世界上最早的有机农场-“罗代尔农场”是由(美国)人于20世纪40年代建立的。
A、德国B、美国C、英国D、荷兰3、以下哪个是转换期的概念( b )A、转换期的开始时间从提交认证申请之日算起。
B、从按照本标准(GB/T 19630)开始管理至生产单元和产品获得有机认证之间的时段。
C、一年生作物的转换期一般不少于24个月转换期,多年生作物的转换期一般不少于36个月。
D、提交认证申请之日算起至生产单元和产品获得有机认证之间的时段。
4、有机加工食品中有机原料的比例应占( c )A 75%以上B 85%以上C 95%以上D 100%5、对于芽苗菜的生产,以下哪一项不是必须的( c )A、应使用有机生产的种子生产芽苗菜。
B、应采取预防措施防止病虫害,可使用蒸汽和附录A表A.3列出的清洁剂和消毒剂对培养容器和生产场地进行清洁和消毒。
C、必须经过至少12个月的转换期。
D、生产用水水质应符合GB 5749。
6、应保证草食动物每天都能得到满足其基础营养需要的粗饲料。
在其日粮中,粗饲料、鲜草、青干草、或者青贮饲料所占的比例不能低于60 %(以干物质计)。
对于泌乳期前3个月的乳用畜,此比例可降低为50 %(以干物质计)。
()A、60,50B、50, 60C、50,50D、60,607、应主要通过蜂箱卫生和管理来保证蜂群健康和生存条件,以预防寄生螨及其他有害生物的发生。
以下哪些措施不可以使用(d)A、选择适合当地条件的健壮蜂群,淘汰脆弱蜂群;B、采取适当措施培育和筛选抗病和抗寄生虫的蜂王;C、定期更换巢脾;D、在流蜜期之前30d内使用植物或植物源制剂进行治疗。
有机产品国家注册检查员模拟考试题一、单选题(在下列各题中选择一个你认为最适合的答案,填到空格中。
每题1分,共计25分)1、认证机构应在获得国家认监委批准后的12 个月内,向国家认监委提交其实施有机产品认证活动符合本规则和GB/T 27065《产品认证机构通用要求》的证明文件。
认证机构在未提交相关证明文件前,每个批准认证范围颁发认证证书数量不得超过 5 张。
( a )A、12/5B、12/10C、6/5D、6/102、世界上最早的有机农场-“罗代尔农场”是由(美国)人于20世纪40年代建立的。
A、德国B、美国C、英国D、荷兰3、以下哪个是转换期的概念( b )A、转换期的开始时间从提交认证申请之日算起。
B、从按照本标准(GB/T 19630)开始管理至生产单元和产品获得有机认证之间的时段。
C、一年生作物的转换期一般不少于24个月转换期,多年生作物的转换期一般不少于36个月。
D、提交认证申请之日算起至生产单元和产品获得有机认证之间的时段。
4、有机加工食品中有机原料的比例应占( c )A 75%以上B 85%以上C 95%以上D 100%5、对于芽苗菜的生产,以下哪一项不是必须的( c )A、应使用有机生产的种子生产芽苗菜。
B、应采取预防措施防止病虫害,可使用蒸汽和附录A表A.3列出的清洁剂和消毒剂对培养容器和生产场地进行清洁和消毒。
C、必须经过至少12个月的转换期。
D、生产用水水质应符合GB 5749。
6、应保证草食动物每天都能得到满足其基础营养需要的粗饲料。
在其日粮中,粗饲料、鲜草、青干草、或者青贮饲料所占的比例不能低于60 %(以干物质计)。
对于泌乳期前3个月的乳用畜,此比例可降低为50 %(以干物质计)。
()A、60,50B、50, 60C、50,50D、60,607、应主要通过蜂箱卫生和管理来保证蜂群健康和生存条件,以预防寄生螨及其他有害生物的发生。
以下哪些措施不可以使用(d)A、选择适合当地条件的健壮蜂群,淘汰脆弱蜂群;B、采取适当措施培育和筛选抗病和抗寄生虫的蜂王;C、定期更换巢脾;D、在流蜜期之前30d内使用植物或植物源制剂进行治疗。
有机产品国家注册检查员模拟考试题一、单选题(在下列各题中选择一个你认为最适合的答案,填到空格中。
每题1分,共计25分)1、认证机构应在获得国家认监委批准后的12 个月内,向国家认监委提交其实施有机产品认证活动符合本规则和GB/T 27065《产品认证机构通用要求》的证明文件。
认证机构在未提交相关证明文件前,每个批准认证范围颁发认证证书数量不得超过 5 张。
( a )A、12/5B、12/10C、6/5D、6/102、世界上最早的有机农场-“罗代尔农场”是由(美国)人于20世纪40年代建立的。
A、德国B、美国C、英国D、荷兰3、以下哪个是转换期的概念( b )A、转换期的开始时间从提交认证申请之日算起。
B、从按照本标准(GB/T 19630)开始管理至生产单元和产品获得有机认证之间的时段。
C、一年生作物的转换期一般不少于24个月转换期,多年生作物的转换期一般不少于36个月。
D、提交认证申请之日算起至生产单元和产品获得有机认证之间的时段。
4、有机加工食品中有机原料的比例应占( c )A 75%以上B 85%以上C 95%以上D 100%5、对于芽苗菜的生产,以下哪一项不是必须的( c )A、应使用有机生产的种子生产芽苗菜。
B、应采取预防措施防止病虫害,可使用蒸汽和附录A表A.3列出的清洁剂和消毒剂对培养容器和生产场地进行清洁和消毒。
C、必须经过至少12个月的转换期。
D、生产用水水质应符合GB 5749。
6、应保证草食动物每天都能得到满足其基础营养需要的粗饲料。
在其日粮中,粗饲料、鲜草、青干草、或者青贮饲料所占的比例不能低于60 %(以干物质计)。
对于泌乳期前3个月的乳用畜,此比例可降低为50 %(以干物质计)。
()A、60,50B、50, 60C、50,50D、60,607、应主要通过蜂箱卫生和管理来保证蜂群健康和生存条件,以预防寄生螨及其他有害生物的发生。
以下哪些措施不可以使用(d)A、选择适合当地条件的健壮蜂群,淘汰脆弱蜂群;B、采取适当措施培育和筛选抗病和抗寄生虫的蜂王;C、定期更换巢脾;D、在流蜜期之前30d内使用植物或植物源制剂进行治疗。
8、对同一认证委托人的同一生产单元不能连续 3 年以上(含3 年)委派同一检查员实施检查。
()A、3,3B、4,4C、5,5D、2,29 、以下关于管理体系文件评审的说法哪一项是正确的( b )A、文件评审只能在现场检查前实施;B、管理体系文件评审的目的是确定其适宜性、充分性及与认证要求的符合性;C、文件评审可以不必保持记录;D、文件评审必须由检查组长实施。
10、不能在认证证书有效期内进行现场检查,又无正当理由在( 3 )个月延长期内实施再认证的生产单元需重新进行转换认证。
A、3B、6C、2D、111、针对标识为“有机”的产品,下面描述不正确的是( d )A、加施中国有机产品认证标志;B、加施认证标志及其唯一编号;C、认证机构名称或者其标识。
D、证书标号12、GB/T 19630.4针对产品召回制度的描述,不准确的是( d )A、包括产品召回的条件;B、召回产品的处理和采取的纠正措施;C、产品召回应演练;D、产品召回过程中的全部记录。
13、以下那条不是认证机构人员必须具备的条件(d )A、应当具备必要的个人素质;B、具有相关专业教育和工作经历;C、接受过有机产品生产、加工、经营、食品安全及认证技术等方面的培训,具备相应的知识和技能;D、取得中国认证认可协会的执业注册资质。
14、一年生植物应进行(c )种以上作物轮作,一年种植多季水稻的地区可以采取两种作物轮作,东北地区冬季休耕的地区可不进行轮作。
A、两B、一C、三D、四15、以下哪项是有机产品生产、加工、经营操作规程中应该包含的内容( a )A、加工厂卫生管理与有害生物控制规程;B、记录管理规程;C、内部检查规程;D、文件管理规程。
16、认证监管部门对认证机构检查方案、计划有异议的,应至少在现场检查前( c )天提出。
A、3B、5C、2D、117、认证机构应委托(具备法定资质)的检测机构对样品进行检测。
A、具备法定资质;B、具备检测能力;C、经过CNAS认可D、本地18、有机产品生产、加工、经营者应建立并保持记录,记录至少应保持(5年)A、2年;B、3年;C、5年;D、8年。
19、关于野生植物采集的说法中,以下哪个是正确的(c)A、野生植物采集区应是在采集之前从未没有受到任何禁用物质污染的地区。
B、野生植物采集区无须保持缓冲带。
C、采集活动不应对环境产生不利影响或对动植物物种造成威胁,采集量不应超过生态系统可持续生产的产量。
D、申请野生采集认证的产品可以无须进行检测20、作为有机产品储存、运输的包装上无需标注下列哪条信息(d )A、生产者联系方式;B、产品名称;C、产品批号;D、有机字样。
21、对于蜂王和蜂群的饲养,以下哪种措施是正确的( b )A、为了替换蜂王而杀死老龄蜂王,可以剪翅。
B、鼓励交叉繁育不同种类的蜂群;C、对蜂王人工授精;D、在秋天捕杀蜂群。
22、以下哪些物质是标准中规定可以作为有机加工产品加工过程允许使用的消毒剂( b )。
A、次氯酸钙、二氧化氯、次氯酸钠、硫磺B、乙醇、次氯酸钙、次氯酸钠、二氧化氯和过氧化氢C、乙醇、过氧乙酸D、甲醛、碘伏23、不能在认证证书有效期内进行现场检查,又无正当理由在(3 )个月延长期内实施再认证的生产单元需重新进行转换认证。
A、3B、6C、2D、124、生产一种有机果汁蜂蜜饮品,生产者将7%有机浓缩果汁加入13%有机蜂蜜、1%常规白糖和79%的水,并按照工艺流程加工成产品,那么,根据标准规定,该产品可以被标注为( d )。
A、“有机配料生产”的有机果汁蜂蜜饮品;B、有机果汁蜂蜜饮品;C、果汁蜂蜜饮品,同时将获得认证的有机配料标识为“有机”;D、以上标识都不对。
25、获证组织因产地(基地)环境质量不符合认证要求而被认证机构撤销认证证书的,(五)年内不得重新进行有机产品认证申报。
A、一B、五C、三D、二二、判断题(每题1分,共10分)你认为正确的请在括号中划“√”,错误的划“×”(×)1、委派的检查员无需征得申请人同意,并且申请人也可以选择或推荐检查员,( x )2、平行生产是指在同一地块中,同时生产相同或难以区分的有机、有机转换或常规产品的情况。
同一生产单元(√)3、野生采集、食用菌栽培(土培和覆土栽培除外)、芽苗菜生产可以免除转换期。
( x )4、可引入常规种母畜,牛、马、驼每年引入的数量不应超过同种成年有机母畜总量的20%,猪、羊每年引入的数量不应超过同种成年有机母畜总量的10%。
猪羊为20% 牛马驼为10%(√)5、在同一生产单元内,一年生植物不应存在平行生产。
(√)6、有机产品认证检查仅靠一次现场检查是不够充分的,认证机构应根据申请认证产品种类和风险、生产企业管理体系的稳定性、当地诚信水平总体情况等,合理确定现场检查频次。
(√)7、由常规生产向有机生产发展需要经过转换,经过转换期后收获的植物产品或经过转换期后的动物产品才可作为有机产品销售。
生产者在转换期间应完全符合有机生产要求。
( x)8、有机水产养殖中不可使用二氧化氯对养殖水体和池塘底泥消毒。
(√)9、有机转换产品可以使用标志。
(√)10、有机加工产品生产过程中,当有机配料无法满足需求时,允许使用非人工合成的常规配料,但不得超过所有配料总量的5%。
三、多项选择题(每题2分,共20分)。
1、关于有机转换计划,以下哪些是正确的(bc )A、有机转换计划无须获得认证机构批准;B、在开始实施转换计划后每年须经认证机构核实、确认C、未按转换计划完成转换的生产单元不能获得认证。
D、有机转换计划的周期必须是5年。
2、有机产品现场检查报告应包括如下内容:(abcd)A、检查组通过风险评估对认证委托人的生产、加工活动与认证要求符合性的判断B、对其管理体系运行有效性的评价;C、对检查过程中收集的信息以及对符合与不符合认证要求的说明;D、对其产品质量安全状况的判定等内容。
3、以下哪些是认证机构应公开的信息(ad )A、批准、注销、变更、暂停、恢复和撤销认证证书的规定与程序;B、检查员的信息;C、所有工作人员的信息,如姓名、联系方式、岗位等;D、获证组织正确宣传的要求。
4、有机饲料加工过程中对于维生素的使用,以下描述正确的是( bd )A、微量使用的维生素,可以无条件使用;B、来源于天然生长的饲料原料的维生素;C、在饲喂单胃动物时可使用与天然维生素一样的合成维生素;D、若反刍动物无法获得天然来源的维生素,允许使用与天然维生素一样的合成的维生素A、D和E。
5、有机产品认证实施规则适用于(abcd)A、认证机构B、监管部门C、消费者D、认可机构6、植物繁殖材料包括以下(abdc)A、葡萄枝;B、苹果树苗;C、水稻秧;D、小麦种子。
7、认证决定应考虑的因素包括(acd )A、产品生产、加工特点,企业管理体系稳定性;B、认证委托人的利益;C、当地农兽药管理和社会整体诚信水平;D、产品和基地环境检测结果。
8、在生产过程中,可采用以下方法替代轮作( abcd)A、与抗病植株的嫁接栽培;B、夏季和冬季耕翻晒垡;C、通过施用可生物降解的植物覆盖物(如作物秸秆和干草)来使土壤再生;D、部分或全部更换温室土壤,但被替换的土壤应再用于其他的植物生产活动。
9、以下关于中国有机产品认证标志的描述,错误的是( bd )A、标识为“有机”的产品应在获证产品所有销售包装上加施中国有机产品认证标志及其唯一编号、认证机构名称或者其标识;B、中国有机产品认证标志只允许采取粘贴方式直接加施在产品或产品的最小包装上;C、对于散装或裸装产品,以及鲜活动物产品,应在销售专区的适当位置展示中国有机产品认证标志、认证证书复印件。
不直接零售的加工原料,可以不加施。
D、印制的中国有机产品认证标志应当清楚、明显。
10、现场检查应考虑以下因素:(abcd)A、组织内部控制体系的有效性;B、组织内农户间生产体系和种植、养殖品种的相似程度;C、有机与非有机产品间的价格差异;D、往年检查中发现的不符合项。
四、问答题(每题5分,共15分)1、有机农业的基本原则是什么?有机农业是以下列原则为基础的:健康原则、生态原则、公平原则、关爱原则。
健康原则:有机农业应将土壤、植物、动物、人类和整个地球的健康作为一个不可分割的整体而加以维持和加强。
生态原则:有机农业应以生态系统和生态循环为基础,与之合作,与之协调,并帮助其维持生存。
公平原则:有机农业以共享环境和生存机遇的公平为基础。
关爱原则:应以一种有预见性的和负责任的态度来管理有机农业,以保护当前人类和子孙后代的健康和福利,同时保护环境2、有机产品的基本特征是什么?答:1、营养丰富 2、原汁原味3、保护自然资源4、有利于可持续发展3、现场检查某水果种植基地时,发现基地内果树下有白色颗粒状物质,作为检查员,你会如何做?答:拍照、收集、取样、记录,询问相关负责人出现该情况的原因,检查生产管理、采购记录。