水轮发电机运行规程(参考Word)
- 格式:doc
- 大小:128.00 KB
- 文档页数:37
--水轮机运行规程水轮机运行规程1.主题内容与适用范围1.1本规程规定了公司水轮机的运行操作,水轮机安全运行条件、故障及事故处理等有关事项。
1.2本规程适用于公司运行人员和生产管理人员对水轮机的运行管理,也可供有关检修人员参考。
2.引用标准及参考文献2.1 DL/T710-2014 《水轮机运行规程》2.2重庆水轮机厂灯泡贯流式水轮机(GZ990-WP-420)产品技术说明书2.3重庆水轮机厂灯泡贯流式水轮机(GZ990-WP-420)维护使用说明书2.4武汉海特发电设备有限公司水轮发电机组技术说明书3.水轮机结构说明3.1本公司水轮机是灯泡贯流转桨式水轮机,装置形式为卧轴灯泡式,其中:#1、2机由武汉海特发电设备有限责任公司制造,转轮型号GZ850-WP-420;#3机由重庆水轮机厂制造,转轮型号GZ990-WP-420;#4 机重庆水轮机厂制造,转轮型号GZ(K242)-WP-420;3.2 水轮机由下述主要部件组成:转动部分、导水机构、埋入部分、主轴密封、受油器、回复机构及油管路布置、水导轴承、接力器、离心开关、漏油装置等。
3.3 机组的转动部分由两个导轴承支承,发电机转子与水轮机转轮悬挂在导轴承的两端,为双支点双悬臂结构。
3.4 导水机构为圆锥形,16个导叶轴线均匀的布置在与机组轴线呈60°角的圆锥面上,四台机组均不设固定导叶。
3.5 导叶在整个开度范围内其水力矩具有自关闭趋势,#3、#4机控制环上连接有6t 重锤,#1、2机控制环上连接有8吨重锤。
在调速器主配压阀出现故障时(事故配压阀动作),在导叶自关闭力矩与重锤作用下可自动关闭导叶,以防机组飞逸。
3.6 #1、2机在相间的8个导叶摇臂上装有拉断销装置,#3、4机装设剪断销装置。
当导水机构关闭中导叶间夹有异物时,剪(拉)断销将被剪(拉)断,以保护导水机构其它传动部件的安全。
3.7 桨叶接力器装设在转轮体下游侧泄水锥内,采用活塞缸往复运动、活塞固定不动的结构形式。
水轮发电机运行规程1.引言水轮发电机是一种利用水能转化为电能的设备,它的运行规程对于保障发电机的正常运行和安全是至关重要的。
本文档旨在规范水轮发电机的运行,保证发电机的稳定性和可靠性。
2.设备准备在水轮发电机运行之前,需对设备进行必要的准备工作。
2.1 设备检查在每次发电机运行之前,必须进行设备检查,确保各部件完好无损,并且各连接部位紧固可靠。
特别要注意检查以下部位: - 水轮机和转轮:检查叶片的完整性和叶片与转轮的连接情况; - 电机:检查电机的绝缘情况和电机是否正常运转; - 电缆:检查电缆的绝缘情况和接线是否松动; - 控制系统:检查控制系统的各个部件是否正常工作。
2.2 水源准备确保水源充足并符合要求,需要检查以下内容: - 水源水量:确保水量足够满足发电机的需要; - 水质:确保水质符合发电机的要求,避免污水和悬浮物对发电机的损坏; - 水源温度:确保水源的温度适宜,避免过高的温度对发电机的损坏。
3. 发电机启动在確保設備準備完備后,可根据以下步骤启动发电机:3.1 打开电源先将电源开关打开,确保电源供应正常。
3.2 启动电机激活电机,确保电机的启动运行正常。
3.3 监测系统启动控制系统,监测发电机运行的各项状态参数,确保发电机处于正常工作状态。
3.4 逐步加速逐步增加发电机的转速,确保转速与负载的匹配。
4. 发电机运行发电机处于运行状态时,需要注意以下事项:4.1 监测电压和电流定期监测发电机的电压和电流,确保其符合预设工作参数。
4.2 温度监控定期监测发电机各部件的温度,特别是电机和轴承等重要部件,确保其温度在正常范围内。
4.3 润滑和冷却确保发电机的润滑和冷却系统正常运转,保证设备的正常使用寿命。
4.4 定期维护定期对发电机进行维护,包括清洗、紧固螺栓、更换磨损部件等,确保设备的长期稳定运行。
5. 发电机停止当需要停止发电机时,需按以下步骤进行:5.1 逐步减速逐步减小发电机的转速,确保发电机平稳停止。
#3水轮发电机组运行规程编写:詹振霞、江向东修订:江向东审核:罗君雄刘建峰审定:黄辉娇批准:杨炳良二00六年十二月十三日目录1 主题内容和适用范围………………………………………………………………………………()2 引用标准……………………………………………………………………………………………()3 总则…………………………………………………………………………………………………()4 机组运行操作………………………………………………………………………………………()5 机组运行检查项目…………………………………………………………………………………()6 机组故障及事故处理………………………………………………………………………………()7 发电机保护装置……………………………………………………………………………………()8 励磁系统……………………………………………………………………………………………()9 厂用电系统……………………………………………………………………………………………()10 辅助设备……………………………………………………………………………………………()附录A 发电机主要技术参数…………………………………………………………………………()附录B 励磁系统主要技术参数………………………………………………………………………()附录C 水轮机主要技术参数…………………………………………………………………………()附录D 液压工作蝶阀主要技术参数…………………………………………………………………()附录E 电动检修蝶阀主要技术参数…………………………………………………………………()附录F 辅助设备主要技术参数………………………………………………………………………()附录G 发电机保护装置液晶显示说明………………………………………………………………()附录H 发电机保护压板定义…………………………………………………………………………()附录I 油、水、气系统阀门编号……………………………………………………………………()1 主题内容和适用范围1.1 本规程规定了池潭水电厂#3水轮发电机组的运行规定、操作、检查、故障及事故处理等内容。
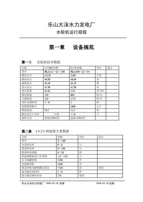
乐山大沫水力发电厂水轮机运行规程第一章设备规范第一条水轮机技术数据第二条1#2#调速器主要数据第三条3#机调速器主要数据第四条1#2#机调速器飞摆电动机,变速及开度限制机构伺服电动机主要数据第五条3#机调速器飞摆电动机,变速及开度限制机构伺服电动机主要数据。
第六条1#2#机T-100型,油压设备技术参数第七条3#机YT-1800型油压设备技术参数第八条压力油泵安全阀动作排油值第九条油压装置参数定植表第十条1#2#机轴承温度故障性能表(瓦温)1#2#机轴承温度事故性能表(瓦温)第十一条第十二条3#机轴承温度故障性能表(瓦温)第十三条3#机轴承温度事故性能表(瓦温)41QP切换片(压板)不能随便切除,切除需值长同意第十四条1#2#机轴承油位过高故障性能表第十五条1#2#机轴承油位过低故障性能表注:FZJ-湿簧式浮子继电器第十六条3#机轴承油位过高故障性能表第十七条1#2#机轴承油位过低故障性能表注:WX-湿簧式浮子继电器第十八条1#2#机轴承及空气冷却器冷却水中断故障性能表第十九条3#机轴承及主轴密封水中断,故障性能表第二十条机组在运行中各部冷却水压暂现规定值如下:1、总却水压不得低于4KG/CM22、推力油槽水压不得低于2~3KG/CM23、空气冷却器水压不得低于2~3KG/CM24、下导油槽水压不得低于2~3KG/CM25、水导油槽水压不得低于2~3KG/CM26、主轴密封油槽水压不得低于2~3KG/CM2第二十一条发电机的灭火水压经常保持在2.5~3 KG/CM2第二十二条机组制动气压经常保持在5-7 KG/CM2机组制动时,制动时间2分钟。
第二十三条发电机顶转子必须由三人进行,一人操作,一人监视压力,一人在水车室监视水轮机主轴上升值,主轴上升值不得超过10MM,1#2#机顶转子时油压不得超过10.6MPQ(兆帕),保持时间2-3分钟。
第二十四条发电机定子线圈允许温升70℃,最高温度不得大于105℃,定子铁芯温度最高温度不得大于105℃,发电机转子线圈允许温升90℃,最高不得大于130℃。
水轮发电机运行规程前言原电力工业部首次颁发的《发电机运行规程》,为发电厂编制现场运行规程提供了依据,规定了发电机统一的运行标准,对保证发电机安全经济运行,起到了积极的作用。
1982年,原水利电力部根据电力工业发展的需要和实践经验的总结,对原规程作了修订,修订后的规程自1982年6月颁发以来已近20年。
在此期间,大容量、高电压、国外制造的发电机相继投入运行,发电机的结构、材料、技术性能、自动化程度、辅助设备及安全监测装置配置等都随着科技进步发生了很大变化,原规程的部分条文已不适应设备现状;随着运行管理经验的积累和管理方法的改进,以及现代化管理手段的不断采用,运行单位对发电机运行管理的水平有了很大提高,仍沿用原规程规定的管理程序、方法已不能适应保证发电机安全经济运行的需要。
这本《发电机运行规程》适用于汽轮发电机和水轮发电机,是二者通用的技术标准,有关汽轮发电机和水轮发电机的特殊规定在规程中虽作了注明,但合并在一起重点不够突出,使用不够方便,也不能对各自的特点进行必要的、详细的规定,随着水力发电厂装机容量比重不断增大,有必要对水轮发电机单独编制运行规程。
基于上述情况,为适应生产的发展和电力工业的科技进步及与国际接轨的需要,原电力工业部科技司技综[1994]42号文《关于下达1994年制定、修订电力行业标准(第一批)的通知》下达了由原东北电力集团公司修订原水利电力部颁发的《发电机运行规程》、重新编制《水轮发电机运行规程》的任务。
《水轮发电机运行规程》编制工作自1995年末开始,在原东北电力集团公司组织领导下,由丰满发电厂负责规程的修订编写。
在规程修订过程中,对原规程条文作了细致地分析研究,查阅了有关发电机设计、制造、技术条件、使用要求、技术标准等文献资料,结合当前水轮发电机制造、运行的具体情况和今后技术的发展,提出了原规程保留、删除、改动、补充、完善的内容。
在此基础上对部分水电厂进行了调研和征求意见后,提出了规程初草,并形成送审稿。
中国水电顾问集团正安开发有限公司企业标准第一章.水轮发电机运行规程2014-04-01 发布 2014-04-01 实施中国水电顾问集团正安开发有限公司发布第1章.水轮发电机运行规程1 适用范围本《规程》规定了沙阡水电站水轮发电机的运行、维护标准。
本《规程》适用于沙阡水电站水轮发电机的运行、维护管理。
2 规范性引用文件下列文件对于本《规程》的应用是必不可少的,凡是注日期的引用文件,仅注日期的版本适用于本《规程》。
凡是不注日期的引用文件,其最新版本(包括所有的修改单)适用于本《规程》。
GB7894—2001 水轮发电机基本技术条件GB8564—2003 水轮发电机组安装技术规程DL/T596—1996 电力设备预防性试验规程DL/T751—2001 水轮发电机运行规程DL/T817—2002 立式水轮发电机检修技术规程中华人民共和国 GB 26860-2011《电力安全工作规程(发电厂和变电站电气部分)》3 术语和定义下列术语适用于本《规程》3.1 水轮发电机水轮发电机是指以水轮机为原动机将水能转化为交流电能的三相同步发电机,以下简称发电机。
3.2 空转发电机已达到额定转速,但未起励。
3.3 空载发电机已达到额定转速,起励到额定电压,但未并列。
3.4 可调出力机组实际可能达到的发电能力。
3.5 旋转备用指运行正常的发电机组维持额定转速,随时可以并网,或已并网但仅带一部分负荷,随时可以加出力至额定容量的发电机组。
3.6 零起升压发电机由零起逐步升高电压至预定值或额定电压。
3.7 进相运行发电机定子电流相位超前其电压相位运行,发电机吸收系统无功。
3.8 滞相运行发电机既向系统输送有功功率又输送无功功率,功率因素为正,这种运行状态称为迟相运行。
3.9 甩负荷带负荷运行的发电机所带负荷突然大幅度降至某一值。
3.10 发电机灭磁发电机灭磁是将发电机励磁电源切除,再通过一定的方式来消除残余的磁场从而达到消除发电机电压的目的,以下简称灭磁。
某电厂水轮机运行规程一、引言本文档旨在规范某电厂水轮机的运行工作,确保设备安全运行,提高发电效率,延长设备使用寿命。
二、适用范围本规程适用于某电厂内所有水轮机的运行工作,包括设备操作、维护和检修等工作。
三、责任和义务1. 设备操作员设备操作员应熟悉水轮机的工作原理和操作流程,严格按照规程进行操作,并负责设备日常检查及故障排除工作。
2. 维护人员维护人员应定期检查设备的润滑、冷却、清洁等工作,及时发现并处理设备的异常情况。
3. 运行主管运行主管负责安排设备的开停机工作,监督设备的运行情况,及时采取措施处理设备故障。
4. 质量检验员质量检验员负责对设备进行定期检验和测试,确保设备达到相关技术标准和要求。
四、安全操作规程1. 设备开机操作•确保设备周边区域安全,无杂物和人员阻挡。
•检查设备润滑系统,确保润滑油充足。
•检查设备冷却系统,确保冷却水流通畅。
•启动设备前,进行设备自检,确保各项指标正常。
•开启设备供电,将设备逐步加速到正常运行速度。
2. 设备运行中的注意事项•注意设备运行指示及参数,及时发现并处理运行异常情况。
•定期检查设备润滑、冷却、清洁等工作,确保设备正常运行。
•遵守设备运行手册,在规定的范围内调整设备参数。
•严禁擅自停止设备或调整设备参数,如需进行必要操作,需事先报备。
3. 设备停机操作•在停机前,先将设备减速至低速运行。
•关停设备供电,断开设备电源。
•检查设备周边区域安全,确保无杂物和人员危险。
•检查设备冷却及润滑系统,确保无异常。
•记录设备停机时间及原因。
五、设备维护规程1. 润滑系统维护•定期检查设备润滑系统油位及油质。
•按照使用手册规定的周期更换润滑油。
•定期清洁润滑系统,确保无杂质及堵塞。
2. 冷却系统维护•定期检查设备冷却系统水位及水质。
•清洗冷却水管道,防止积垢及堵塞。
•更换冷却水的周期按照使用手册规定进行。
3. 定期检修•按照使用手册规定的周期,进行定期检修工作。
•检查设备各部件的磨损情况,更换损坏部件。
中华人民共和国电力行业标准DL/T 751—2019水轮发电机运行规程Code for hydraulic turbine generator2019—02—12 发布2019—07—01实施中华人民共和国国家经济贸易委员会发布前言原电力工业部首次颁发的《发电机运行规程》,为发电厂编制现场运行规程提供了依据,规定了发电机统一的运行标准,对保证发电机安全经济运行,起到了积极的作用。
1982年,原水利电力部根据电力工业发展的需要和实践经验的总结,对原规程作了修订,修订后的规程自1982年6月颁发以来已近20年。
在此期间,大容量、高电压、国外制造的发电机相继投入运行,发电机的结构、材料、技术性能、自动化程度、辅助设备及安全监测装置配置等都随着科技进步发生了很大变化,原规程的部分条文已不适应设备现状;随着运行管理经验的积累和管理方法的改进,以及现代化管理手段的不断采用,运行单位对发电机运行管理的水平有了很大提高,仍沿用原规程规定的管理程序、方法已不能适应保证发电机安全经济运行的需要。
这本《发电机运行规程》适用于汽轮发电机和水轮发电机,是二者通用的技术标准,有关汽轮发电机和水轮发电机的特殊规定在规程中虽作了注明,但合并在一起重点不够突出,使用不够方便,也不能对各自的特点进行必要的、详细的规定,随着水力发电厂装机容量比重不断增大,有必要对水轮发电机单独编制运行规程。
基于上述情况,为适应生产的发展和电力工业的科技进步及与国际接轨的需要,原电力工业部科技司技综[1994]42号文《关于下达1994年制定、修订电力行业标准(第一批)的通知》下达了由原东北电力集团公司修订原水利电力部颁发的《发电机运行规程》、重新编制《水轮发电机运行规程》的任务。
《水轮发电机运行规程》编制工作自1995年末开始,在原东北电力集团公司组织领导下,由丰满发电厂负责规程的修订编写。
在规程修订过程中,对原规程条文作了细致地分析研究,查阅了有关发电机设计、制造、技术条件、使用要求、技术标准等文献资料,结合当前水轮发电机制造、运行的具体情况和今后技术的发展,提出了原规程保留、删除、改动、补充、完善的内容。
第一篇总则1.1编制说明:1.1.1本规程根据电力工作技术管理法规、各种典型规程以及各类反事故措施等技术文件修订,是确保安全运行的主要措施。
各级生产管理人员、运行人员以及检修人员均应认真执行。
1.1.2运行规程应对厂内主要运行设备的正常运行方式、技术要求、一般运行操作、运行维护注意事项、设备异常运行及典型的事故处理做出明确的规定。
1.1.3运行设备的技术文件、停役管理、技术更新、缺陷处理等按有关运行管理制度规定执行。
1.2一次设备通则1.2.1刘村坝水电站电气设备由下列电压等级组成:10KV、6.3kV、0.4kV。
1.2.2刘村坝水电站以下一次设备由宁国市供电公司调度所调度:10KV刘村坝114线路属宁调管辖并操作管理;高压主变及两侧开关、1号发电机组、2号发电机组、3号发电机组均属宁调许可,力源公司操作管理。
上述设备应取得设备调度单位许可方可进行停复役操作。
1.2.3一次设备的装设,应保证在正常运行或短路、过电压时的稳定要求,并不致危及人身及设备的安全。
1.2.4同一电气连接部分,相序排列应一致,并有明显的色标:A相为黄色,B相为绿色,C相为红色。
1.2.5 0.4kV及以上的屋内外配电装置的各间隔距离不应小于下表的规定:屋内设备最小安全净距(单位:mm)屋外设备最小安全净距离(单位:mm)1.2.6 6kV及以上的配电装置停役检修,必须按“安规”要求:切除检修设备的操作、动力电源1.2.7所有高压配电装置外壳均应接地,其接地电阻要求:全厂总接地网小于10Ω。
1.2.8电气设备一般检查要求1.2.8.1真空开关设备:分、合闸指示正确,并符合当时运行工况;真空灭弧室无异常声响和其它异常情况。
1.2.8.2瓷制设备无裂纹及放电痕迹。
1.2.8.3设备外壳接地良好。
1.2.8.4开关、闸刀、母线引出线的连接处,无变色、变形、异声、发热或发热引起的热气流现象。
1.2.8.5带电设备无异常振动、摆动、放电。
第一篇总则1.1编制说明:1。
1。
1本规程根据电力工作技术管理法规、各种典型规程以及各类反事故措施等技术文件修订,是确保安全运行的主要措施。
各级生产管理人员、运行人员以及检修人员均应认真执行.1。
1。
2运行规程应对厂内主要运行设备的正常运行方式、技术要求、一般运行操作、运行维护注意事项、设备异常运行及典型的事故处理做出明确的规定。
1。
1。
3运行设备的技术文件、停役管理、技术更新、缺陷处理等按有关运行管理制度规定执行.1。
2一次设备通则1.2。
1刘村坝水电站电气设备由下列电压等级组成: 10KV、6。
3kV、0.4kV。
1。
2。
2刘村坝水电站以下一次设备由宁国市供电公司调度所调度:10KV刘村坝114线路属宁调管辖并操作管理;高压主变及两侧开关、1号发电机组、2号发电机组、3号发电机组均属宁调许可,力源公司操作管理。
上述设备应取得设备调度单位许可方可进行停复役操作。
1。
2.3一次设备的装设,应保证在正常运行或短路、过电压时的稳定要求,并不致危及人身及设备的安全。
1.2.4同一电气连接部分,相序排列应一致,并有明显的色标:A相为黄色,B相为绿色,C相为红色。
1.2。
5 0.4kV及以上的屋内外配电装置的各间隔距离不应小于下表的规定:屋内设备最小安全净距(单位:mm)屋外设备最小安全净距离(单位:mm)1。
2.6 6kV及以上的配电装置停役检修,必须按“安规"要求:切除检修设备的操作、动力电源1。
2.7所有高压配电装置外壳均应接地,其接地电阻要求:全厂总接地网小于10Ω。
1.2.8电气设备一般检查要求1。
2。
8.1真空开关设备:分、合闸指示正确,并符合当时运行工况;真空灭弧室无异常声响和其它异常情况。
1.2.8.2瓷制设备无裂纹及放电痕迹。
1。
2。
8.3设备外壳接地良好。
1。
2.8.4开关、闸刀、母线引出线的连接处,无变色、变形、异声、发热或发热引起的热气流现象。
1.2.8.5带电设备无异常振动、摆动、放电。
DLT 751-2001 水轮发电机运行规程备案号:8387—2001中华人民共和国电力行业标准DL/T 751—2001水轮发电机运行规程Code for hydraulic turbine generator2001—02—12 公布2001—07—01实施中华人民共和国国家经济贸易委员会发布前言原电力工业部首次颁发的《发电机运行规程》,为发电厂编制现场运行规程提供了依据,规定了发电机统一的运行标准,对保证发电机安全经济运行,起到了主动的作用。
1982年,原水利电力部按照电力工业进展的需要和实践体会的总结,对原规程作了修订,修订后的规程自1982年6月颁发以来已近20年。
在此期间,大容量、高电压、国外制造的发电机相继投入运行,发电机的结构、材料、技术性能、自动化程度、辅助设备及安全监测装置配置等都随着科技进步发生了专门大变化,原规程的部分条文已不适应当设备现状;随着运行治理体会的积存和治理方法的改进,以及现代化治理手段的持续采纳,运行单位对发电机运行治理的水平有了专门大提升,仍沿用原规程规定的治理程序、方法已不能适应保证发电机安全经济运行的需要。
这本《发电机运行规程》适用于汽轮发电机和水轮发电机,是二者通用的技术标准,有关汽轮发电机和水轮发电机的专门规定在规程中虽作了注明,但合并在一起重点不够突出,使用不够方便,也不能对各自的特点进行必要的、详细的规定,随着水力发电厂装机容量比重持续增大,有必要对水轮发电机单独编制运行规程。
基于上述情形,为适应生产的进展和电力工业的科技进步及与国际接轨的需要,原电力工业部科技司技综[1994]42号文《关于下达1994年制定、修订电力行业标准(第一批)的通知》下达了由原东北电力集团公司修订原水利电力部颁发的《发电机运行规程》、重新编制《水轮发电机运行规程》的任务。
《水轮发电机运行规程》编制工作自1995年末开始,在原东北电力集团公司组织领导下,由丰满发电厂负责规程的修订编写。
发电机运行操作规程范文1. 安全准备1.1 检查发电机运行环境是否符合要求,确保无可燃物和易燃材料存在;1.2 检查发电机周围是否有足够的通风设施,确保排气顺畅;1.3 检查发电机运行区域是否干燥,避免水分进入设备;1.4 检查发电机是否正常接地,确保操作人员安全。
2. 发电机检查和准备2.1 检查发电机的冷却系统,确保冷却液充足,防止过热;2.2 检查发电机的燃油系统,确保燃油充足,并清除杂质;2.3 检查发电机的电池状态,确保电量充足,维持启动所需能量;2.4 检查发电机的线路连接,确保无短路和断路情况。
3. 发电机启动3.1 打开燃油阀门,并调整至正常工作范围;3.2 打开电池开关,启动发电机;3.3 观察发电机运行状态,确认运行平稳和正常输出功率;3.4 检查发电机的电压和频率输出,确保符合要求。
4. 发电机运行4.1 监测发电机的温度和压力,确保在正常工作范围内;4.2 定期检查发电机的机油和滤芯,更换或清洁;4.3 定期检查发电机的火花塞,并清除积碳;4.4 定期检查发电机的电线、插座和连接器,确保无损坏或松动;4.5 定期检查发电机的风扇和风道,清洁堵塞物。
5. 关闭发电机5.1 将负载逐渐减少,直至无负载;5.2 检查发电机的输出电压和频率,确保无异常;5.3 关闭燃油阀门,停止燃油供应;5.4 关闭发电机的电池开关,停止发电机运行;5.5 断开发电机与电源的连接。
6. 发电机故障处理6.1 发现故障时,立即停止发电机运行;6.2 确定故障原因,并采取相应措施进行修理;6.3 若无法修复,联系专业维修人员进行处理。
7. 定期维护7.1 按照制造商规定,定期更换发电机的机油、滤芯和火花塞;7.2 清洁发电机的外壳,保持发电机干净;7.3 定期检查发电机的电线、插座和连接器,确保无损坏;7.4 检查发电机的部件和紧固件,确保无松动。
8. 紧急情况处理8.1 发生火灾时,立即停止发电机运行,并采取灭火措施;8.2 发生漏电时,立即切断电源,确保操作人员安全;8.3 发生其他紧急情况时,按照应急预案进行处理。
水轮发电机组运行操作规程第七篇水轮发电机组运行操作规程第一章发电机的起动、并列和解列1.1 发电机起动前的检查和准备工作1.1.1 检修后的发电机在起动前,应收回在发电机及其附属设备上工作的全部工作票,并索取相关的试验数据,拆除全部安全措施,恢复常设遮栏,悬挂警告标示牌。
1.1.2 详细检查发电机各部分及其周围的清洁卫生情况,检查发电机的出口母线和中性点联线、断路器、灭磁开关、互感器、励磁装置、仪表、信号器具、二次回路应完好正常。
1.1.3 大修后的发电机应检查各部连接完好,并用白布带检查发电机间隙一周。
1.1.4 检查滑环及电刷应清洁完好,无接地现象,电刷均匀在刷握内并保持0.1-0.2mm的间隙,使电刷在刷架上能自由移动。
电刷整个表面应在滑环或整环流子上,并保持刷架与整流子和滑环表面的距离2~3mm,电刷弹簧的压力应均匀(一般在200克/cm2左右)。
1.1.5 检修后起动或停机时间较长,在起动前均应测量发电机定子绝缘和全部励磁回路(包括发电机转子回路在内)的绝缘电阻值。
1.1.6 检修停机超过720小时以上的发电机在起动前,除完成上述准备工作外,还应进行下列试验:1.1.6.1发电机出口油开关和灭磁开关的跳合闸试验;1.1.6.2发电机出口油开关与灭磁开关的联动试验;1.1.7 检查发电机灭火装置完好,消防水压不低于0.2 Mpa/cm2(因消防水压无监视表,要求稳压水池处于工作状态)。
1.1.8 发电机在起动前应检查所有保护全部投入(采用自同期并列时失磁保护应拆除,即切除10XB联片)。
1.1.9如果在全厂停机检修后起动第一台机组,还需进行下列检查:1.1.9.1检查直流系统投入运行(包括操作电源、合闸电源),蓄电池处于浮充状态。
1.1.9.2检查220V、48V直流系统均无接地现象。
1.1.9.3给上发电机保护盘上1RD±、41RD±、61RD±等熔断器(1RD±发电机保护,41RD ±水车自动化、61RD±励磁操作电源);1.1.9.4给上发电机保护盘上转子接地保护联片31XB;1.1.9.5检查测控单元电源、接线,所有保护全部投入;1.1.9.6检查上位监控计算机电源、接线正常,系统启动运行正常;1.1.9.7检查机组现场控制站(LCU)给上电源正常,各项指示正常,上位机和下位机通信正常,机组机旁盘给上电源,运行正常;1.1.9.8微机监控系统上位机经试验其报警及音响信号正常;1.1.9.9发电机及其附属(如滑环、碳刷及励磁系统)接线应完好;1.1.9.10厂用电系统处于正常运行状态。
第一章设备基本参数第一节水轮机基本参数第二节发电机基本参数第三节温度限额第四节冷却水第五节顶转子时间规定第六节顶转子要求第七节转速限额第二章总则第1条水轮发电机组是全厂最重要的机电设备,为确保机组的安全经济运行和人身安全,运行和有关人员必须严格遵守本规程。
发现有人违反本规程,运行人员有权加以制止。
第2条机组开机、停机、蝶阀开启与关闭操作,必须经值长许可。
第3条蜗壳充水前,机组必须处于下列状态:1、蜗壳、尾水管进人孔关闭;2、蜗壳排水阀关闭;3、调速系统正常、油压正常;4、导叶全关、接力器锁锭投入。
第4条事故停机后,必须查明事故原因,消除故障,并手动复归事故停机回路,否则不允许开机,必须开机应经生产厂长批准。
第5条机组主要保护和自动装置必须投入,整定值不得任意变动,必须解除或变更定值时,须经生产厂长批准。
第6条调速器接力器排油或关闭调速器总供油阀1136的时间超过4小时,恢复前需做接力器全行程试验,试验应严格按典型操作票进行。
第7条机组因故发生低转速加闸或惰性停机,开机前需顶转子一次。
第8条在机组操作或试验过程中,如发生异常情况,应立即停止操作或试验,并及时向值长汇报。
第9条机组转动部分或蜗壳、尾水管内有人工作,应做好防蝶阀开启及导叶动作的防转动安全措施。
第10条操作、巡回检查、定期工作、事故处理等工作完毕后必须向发令人汇报。
第11条油、水、气系统检修后,应做相应的充油、充水、充气试验,检查油、水、气系统完好。
第12条机组发生严重冲击或全甩负荷等异常工况时,应检查发电机有无异常,并测量一次水导摆度。
第13条水轮机一般应调整到最佳工作状况运行,避免在振动区运行,以免发生严重汽蚀和振动。
第14条当机组发生高转速加闸停机后,应对风闸、制动块进行全面检查。
第15条机组不允许在额定转速50%以下长时间运行。
第16条调速器遇下列情况之一者应切“手动控制”运行:1、自动控制回路发生故障时;2、测频电压互感器及回路发生故障时;3、试验工作需要时。
水轮机运营规程1 范围本规程规定了水轮机设备重要技术参数、基本技术规定、运营方式、设备运营操作、设备运营的监视及巡回检查与操作、设备故障及事故解决等内容。
本规程合用于大唐岩滩水力发电厂。
2 规范性引用文献下列文献中的条款通过本规程的引用而成为本规程的条款。
凡是注日期的引用文献,其随后所有的修改单(不涉及勘误的内容)或修订版均不合用于本规程,然而,鼓励研究使用这些文献的最新版本。
凡是不注日期的引用文献,其最新版本合用于本规程。
DL/T 710—1999 水轮机运营规程3 技术规范及词汇定义3.1 调速器状态界定3.1.1 开限机构“液压”控制状态开限机构油路控制小阀门全关,锁销拨往“自动/液压手动”侧,手轮往上旋至顶端;3.1.2 开限机构“手轮”控制状态手轮往下旋,锁销拨往“纯手动”侧,将手轮锁定,开限机构油路控制小阀门全开;3.1.3 调速器“自动”状态“自动/手动”电磁阀在“自动”位置,电液伺服阀油环喷平顺;调速器面板上“自动”灯亮;开限机构在“液压”控制状态;3.1.4 调速器“液压手动”状态“自动/手动”电磁阀在“手动”位置,电液伺服阀无环喷;调速器面板上“手动”灯亮;开限机构在“液压”控制状态;托起装置在“托起”位置;3.1.5 调速器“纯手动”状态“自动/手动”电磁阀在“手动”位置,电液伺服阀无环喷;调速器面板上“手动”灯亮;开限机构在“手轮”控制状态;托起装置在“托起”位置。
4 水轮机及其附属设备重要技术参数4.1 水轮机重要技术参数见表1。
表1 水轮机重要参数——机800——转轮直径(单位:cm) a——改善机型 L——立轴式4.2 油槽油面整定值见表2。
表2 油槽油面整定值导轴承油槽油位报警值设定原则:1)假如运营时油位减少,报警上限=充油油位+0.03m,报警下限=运营油位-0.03m;2)假如运营时油位上升,报警上限=运营油位+0.03m,报警下限=充油油位-0.03m。
4.3 微机调速器重要参数见表3。
第一章设备基本参数第一节水轮机基本参数第二节发电机基本参数第三节温度限额第四节冷却水第五节顶转子时间规定第六节顶转子要求第七节转速限额第二章总则第1条水轮发电机组是全厂最重要的机电设备,为确保机组的全安经济运行和人身安全,运行和有关人员必须严格遵守本规程。
发现有人违反本规程,运行人员有权加以制止。
第2条机组开机、停机、蝶阀开启与关闭操作,必须经值长许可第3条蜗壳充水前,机组必须处于下列状态:1、蜗壳、尾水管进人孔关闭;2、蜗壳排水阀关闭;3、调速系统正常、油压正常;4、导叶全关、接力器锁锭投入。
第4 条事故停机后,必须查明事故原因,消除故障,并手动复归事故停机回路,否则不允许开机,必须开机应经生产厂长批准。
第5条机组主要保护和自动装置必须投入,整定值不得任意变动,必须解除或变更定值时,须经生产厂长批准。
第6 条调速器接力器排油或关闭调速器总供阀油1136的时间超过4 小时,恢复前需做接力器全行程试验,试验应严格按典型操作票进行。
第7 条机组因故发生低转速加闸或惰性停机,开机前需顶转子一次。
第8 条在机组操作或试验过程中,如发生异常情况,应立即停止操作或试验,并及时向值长汇报。
第9 条机组转动部分或蜗壳、尾水管内有人工作,应做好防蝶阀开启及导叶动作的防转动安全措施。
第10 条须操作、巡回检查、定期工作、事故处理等工作完毕后必向发令人汇报。
第11 条油、水、气系统检修后,应做相应的充油、充水、充气试验,检查油、水、气系统完好。
第12 条机组发生严重冲击或全甩负荷等异常工况时,应检查发电机有无异常,并测量一次水导摆度。
第13条水轮机一般应调整到最佳工作状况运行,避免在振动区运行,以免发生严重汽蚀和振动。
条当机组发生高转速加闸停机后,应对风闸、制动块进第14行全面检查。
第15条机组不允许在额定转速50%以下长时间运行。
第16 条调速器遇下列情况之一者应切“手动控制”运行:1、自动控制回路发生故障时;2、测频电压互感器及回路发生故障时;3、试验工作需要时第17 条设备经过检修后,值班人员应进行全面检查,并会同检修人员进行必要的启动操作试验,同时要求检修人员要作书面记录,口头交待。
总则第条水轮发电机组是全厂最重要的机电设备,为确保机组的安全1经济运行和人身安全,运行和有关人员必须严格遵守本规程。
发现有人违反本规程,运行人员有权加以制止。
第条机组开机、停机、蝶阀开启与关闭操作,必须经值长许可。
2第条蜗壳充水前,机组必须处于下列状态:3、蜗壳、尾水管进人孔关闭;1、蜗壳排水阀关闭;2、调速系统正常、油压正常;3、导叶全关、接力器锁锭投入。
4第条事故停机后,必须查明事故原因,消除故障,并手动复归事4故停机回路,否则不允许开机,必须开机应经生产厂长批准。
第,条意变动值置动装必须投入,整定不得任主机组要保护和自5必须解除或变更定值时,须经生产厂长批准。
第条调速器接力器排油或关闭速器总供油阀的时间超过小411366时,恢复前需做接力器全行程试验,试验应严格按典型操作票进行。
加组第条机因故发生低转速闸或惰性停机,一次顶前需转子开机7第条在机组操作或试验过程中,如发生异常情况,应立即停止操8作或试验,并及时向值长汇报。
第条蝶阀开应水动机组转部分或蜗壳、尾管内有人工作,做好防9启及导叶动作的防转动安全措施。
条操作、巡向第须完理事故处等工作毕后必、工定回检查、期作10发令人汇报。
条第气、充油的相应后检系、、油水气统修,做应充、水充试11验,检查油、水、气系统完好。
条严生组机发况工常异等荷负全或击冲重甩时发查检应,第电12机有无异常,并测量一次水导摆度。
第条水轮机一般应调整到最佳工作状况运行,避免在振动区运13行,以免发生严重汽蚀和振动。
全块进行第条闸机当组发生高转速加闸停机后,应对风、制动14面检查。
第条机组不允许在额定转速以下长时间运行。
50%15第条调速器遇下列情况之一者应切“动控制”运行:手16、自动控制回路发生故障时;1;障时发生故压互感器及回路电、测频2、试验工作需要时。
3第条设备经过检修后,值班人员应进行全面检查,并会同检修17人员进行必要的启动操作试验,同时要求检修人员要作书面记录,口头交待。
第一章设备基本参数第一节水轮机基本参数第二节发电机基本参数第三节温度限额第四节冷却水第五节顶转子时间规定第六节顶转子要求第七节转速限额第二章总则第1条水轮发电机组是全厂最重要的机电设备,为确保机组的安全经济运行和人身安全,运行和有关人员必须严格遵守本规程。
发现有人违反本规程,运行人员有权加以制止。
第2条机组开机、停机、蝶阀开启与关闭操作,必须经值长许可。
第3条蜗壳充水前,机组必须处于下列状态:1、蜗壳、尾水管进人孔关闭;2、蜗壳排水阀关闭;3、调速系统正常、油压正常;4、导叶全关、接力器锁锭投入。
第4条事故停机后,必须查明事故原因,消除故障,并手动复归事故停机回路,否则不允许开机,必须开机应经生产厂长批准。
第5条机组主要保护和自动装置必须投入,整定值不得任意变动,必须解除或变更定值时,须经生产厂长批准。
第6条调速器接力器排油或关闭调速器总供油阀1136的时间超过4小时,恢复前需做接力器全行程试验,试验应严格按典型操作票进行。
第7条机组因故发生低转速加闸或惰性停机,开机前需顶转子一次。
第8条在机组操作或试验过程中,如发生异常情况,应立即停止操作或试验,并及时向值长汇报。
第9条机组转动部分或蜗壳、尾水管内有人工作,应做好防蝶阀开启及导叶动作的防转动安全措施。
第10条操作、巡回检查、定期工作、事故处理等工作完毕后必须向发令人汇报。
第11条油、水、气系统检修后,应做相应的充油、充水、充气试验,检查油、水、气系统完好。
第12条机组发生严重冲击或全甩负荷等异常工况时,应检查发电机有无异常,并测量一次水导摆度。
第13条水轮机一般应调整到最佳工作状况运行,避免在振动区运行,以免发生严重汽蚀和振动。
第14条当机组发生高转速加闸停机后,应对风闸、制动块进行全面检查。
第15条机组不允许在额定转速50%以下长时间运行。
第16条调速器遇下列情况之一者应切“手动控制”运行:1、自动控制回路发生故障时;2、测频电压互感器及回路发生故障时;3、试验工作需要时。
第17条设备经过检修后,值班人员应进行全面检查,并会同检修人员进行必要的启动操作试验,同时要求检修人员要作书面记录,口头交待。
第18条上游水位发生较大变化时,值班人员应及时调整机组各部水压,使其在正常压力范围内。
第三章机组运行第一节备用机组第19条备用机组条件:1、蝶阀全开,蝶阀控制回路正常;2、制动系统正常、风闸全部落下、复归指示灯亮,气压在0.65~0.8Mpa范围内;3、调速器系统正常;4、各油槽油位、油质合格;5、保护及自动装置投入;6、各动力电源及交、直流操作电源投入;7、机组油、水、气系统处于备用状态;8、导叶全关;9、导叶接力器锁锭投入。
第20条开机条件:1、机组无事故;2、蝶阀全开;3、风闸全部落下;4、机组断路器未合闸;5、调速器系统正常;6、制动气压正常;7、空气围带未投入;8、机组技术供水系统正常。
第21 条机组开机准备灯灭,未查明原因前,禁止开机。
第22条未经值长同意,不得在备用机组上进行影响其备用的工作。
第23条备用、检修机组应与运行机组一样巡视检查。
第二节开、停机第24条机组在下列情况下严禁启动:1、蝶阀或尾水门未全开;2、主要的水力机械保护装置之一失灵,未经生产厂长同意者;3、各部轴承油位、油质不合格或技术供水系统不能正常供水;4、制动风压低于0.65MPa或制动装置因故退出运行,且短时不能恢复;5、调速器油压装置不能维持正常油压,调速系统工作失灵;6、空气围带未复归;7、油温低于5℃;8、事故停机后,未查明原因;9、开机条件不具备。
第25条机组自动开机,遇自动装置动作不良,应查明原因后再行启动,如时间不允许则可手动开机。
第26条机组自动停机,遇自动装置动作不良,可手动停机,停机后需查明原因,通知维护人员处理。
第27条机组遇下列情况之一,需改手动加闸:1、测频电压互感器或其二次回路故障;2、转速继电器校验后的第一次停机;3、制动电磁阀故障;4、试验工作需要时。
第28条机组各种故障、事故信号未做记录前,不能任意复归。
第29条开、停机后应对主要设备进行一次检查。
第30条手动开机过程中,空转时间尽量缩短,增减负荷时应快速通过机组振动区。
第31条机组新投产或检修后,机组第一次开停机,运行人员应对各轴承温度变化进行密切监视。
第三节机组运行中的注意事项第32条机组正常运行操作应以中控室“上位机”控制为主,“现地或手动”控制为辅。
第33条运行或备用中的机组,机旁LCU可直接由“远方”切“现地”或由“现地”切“远方”控制。
第34条系统发生振荡时或做甩负荷试验时,调速器禁止切换至“手动控制”。
第35条在同样的运行工况下,机组轴承温度升高2℃~3℃时应检查油、水系统工作情况,测量机组摆度,查明原因,及时处理。
第36条正常运行中,机组轴承油面升高,应查明油温有否升高,冷却水量和压力是否正常,联系化验,判明油中是否进水,并报告生产厂长。
第37条当检修需要开启滤水器排污阀排污时,应监视滤水器的排污情况。
第38条机组运行中有下列情况之一者应立即停机检查:1、轴承温度突然上升或油位不正常升高或降低,经处理无效的。
2、冷却水中断且短时间内不能恢复。
3、摆度或振动异常增加,或有撞击声及其它不正常的噪音危及机组安全运行时。
4、机组出现不明原因的气味。
第39条机组不得任意超额定负荷运行,超负荷运行应经生产厂长批准,并在批准的负荷范围内运行。
第40条机组超负荷运行时应加强对机组轴承温度、定子温度加强机动性检查,注意定子电流、转子电流不得超过规定值。
第41条机组产生飞逸后,不论飞逸时间长短,均应停机检查。
第42条机组正常运行中,调速器电气柜交直流电源不得同时停电。
第43条机组正常运行中,不能将相邻的两个空气冷却器同时停水。
第44条巡视检查:运行人员除按规定时间检查设备外,当设备运行方式变化时,应加强巡视检查,如发现异常及时报告值长并通知维护人员处理。
第四节运行中检查第45条调速器油压装置:1、油压指示正常;2、压油泵、电动机起动及运行过程无异音、间隔时间不过短;3、油位计、各管路、阀门无渗油、漏气现象,各阀门位置正确;4、压油泵控制回路切换开关位置正确、继电器接点无抖动;5、回油箱油位正常。
第46条机旁屏和制动系统:1、制动系统在自动位置,无漏气现象,气压正常,阀门位置正确;2、温度指示正常;3、检查有无事故、故障信号,有事故、故障的及时复归,盘面上的切换开关位置正确;4、各电源开关、熔丝正常;第47条发电机及上风洞:1、发电机、上机架等的摆度、振动在正常范围内;2、上风洞内无异味、异音、各导线接头无发热;3、空冷器无漏水,结露不大,温度均匀;4、推力油槽油面合格,油色正常,无漏油及甩油;5、发电机引线不发热,螺丝不松动;6、滑环表面不发黑、碳刷不过热,不发卡、无跳动、无碳粉堆积和油污,火花不大。
7、推力轴承冷却水管冷却水排水畅通,定子盖板上无积水。
第48条水机室及下风洞:1、水轮机振动、摆度在正常范围内;2、水导转动油盆甩油正常;3、导叶拐臂、连杆间无杂物,顶盖自然补气阀不漏水;4、导叶轴套不漏水,轴销无上移现象;5、管路无漏油、漏水;6、接力器无漏油、无抽动,锁锭完好位置正确,电磁阀完好;7、剪断销无剪断、无上移、引线无伤损;8、水机室无异味、无异音;9、下风洞无异味、无异音;10、下导轴承油面、油色正常;11、下风洞管道无漏油、漏气、漏水、制动器闸板落下,阀门位置正确。
第49条技术供水:1、各水压表指示正常,示流器指示正确;2、各管路阀门位置正确,无漏水;3、电动阀接线完整,动作时无跳动,无渗漏;4、自动滤水器工作正常,无故障。
第50条水轮机层及蝶阀坑:1、各水压表指示正常,示流器指示正确;2、各管路阀门位置正确,无漏油、漏气、漏水;3、顶转子油箱油位正常,阀门位置正确。
4、蝶阀控制回路各元件正常;5、蝶阀位置正确,锁锭位置正确;6、漏油箱油位正常,控制开关正确,回路正常;7、地面无严重积水;8、蜗壳进人孔无异常振动和噪音;9、尾水管进人孔无漏水、无异常振动和噪音。
第五节巡视检查第51条机组运行时,每隔1小时进行一次巡视检查。
第52条机组在试运行阶段,应加大巡视检查的范围和加密检查次数。
第53条遇机组事故或系统事故严重冲击,应进行一次有关设备的巡视检查。
第54条机组运行工况改变,应对有关设备作巡视检查。
第55条机组带有缺陷运行时,应加强巡回检查,监视设备运行情况。
第56条机组检修复役后第一次投入运行应进行一次全面性的巡视检查。
第57条机组超负荷运行时,应加强巡视检查。
第58条汛期内,应对有关设备作特别巡视检查。
第59条厂用电倒换、消失后,应对有关设备作一次巡视检查。
第六节机组正常开、停机操作第60条自动开机:1、接值长令:开X号机。
2、开机前检查:(1)检查机组控制方式为“远方”。
(2)检查调速系统工作正常,导叶全关。
调速器在“自动”控制运行位置,各显示指示正确。
(3)检查励磁系统工作正常,并在“自动”投入(恒压)。
(4)检查机组准同期装置在“自动”方式。
(5)检查碟阀油压装置工作正常,蝶阀在全开位置,全开指示灯亮。
(6)检查制动系统工作正常,制动闸全部落下,复位指示灯亮。
(7)检查水机室无杂物,各部无漏水,剪断销未剪断,空气围带无压。
(8)检查技术供水系统正常。
(9)检查机组各轴承油位、油色正常。
(10)检查机组无故障。
(11)各自动化元件工作正常。
(12)开机准备灯亮。
2、上位机发开机令。
3、监视开机流程执行情况。
4、监视机组转速上升正常。
5、监视机组起励建压正常。
6、检查机组并网正常。
7、上位机按调令设定无功、有功,机组带上预定负荷。
8、全面检查机组运行正常。
9、汇报值长。
第61条手动开机:1、接值长令:开X号机。
2、开机前检查:(1)检查机组控制方式为“就地”。
(2)检查调速系统工作正常,导叶全关。
调速器在“手动控制”运行位置,各显示指示正确。
(3)检查励磁系统工作正常,并在“自动”投入(恒压)。
(4)检查机组准同期装置在“手动”方式。
(5)检查碟阀油压装置工作正常,蝶阀在全开位置,全开指示灯亮。
(6)检查制动系统工作正常,制动闸全部落下,复位指示灯亮。
(7)检查水机室无杂物,各部无漏水,剪断销未剪断,空气围带无压。
(8)检查技术供水系统正常。
(9)检查机组各轴承油位、油色正常。
(10)检查机组无故障。
(11)各自动化元件工作正常。
(12)开机准备灯亮。
3、手动开启机组冷却水电动阀1206(2206),检查机组各冷却水压力正常。
4、手动退出接力器锁锭,检查锁锭退出灯亮。
5、按下调速器手动控制按钮。
6、手动将导叶开至12%-15%,观察机组转速上升正常并调整至额定。
7、如灭磁开关在分位,则手动按下灭磁开关合闸按钮合上灭磁开关,灭磁开关合闸指示灯亮。