动销10大要点说明
- 格式:doc
- 大小:120.50 KB
- 文档页数:19
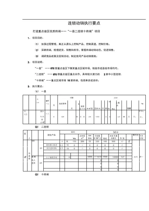
连锁动销执行要点打造重点省区优质终端一一“一县二连锁十终端”项目1、项目目的:(1)加强过程管理,真正从源头上控制产品,控制渠道,控制价格;(2)深耕终端,梳理进货、销售和库存,掌握终端动销动态,促进销售;(3)调研竞品政策及促销活动,制定我司产品动销措施;2、项目说明:“一县” 一一OTC部重点省区下辖某重点区域市场,地级市或县级市场均可;“二连锁” 一一OTC部重点省区重点合作,具有较大潜力的2家中小型连锁;“十终端”一一重点区域市场10家终端,包括单店或诊所;3、执行要点:(1)一县(2)二连锁(3)十终端(4)填写要求①由OTC部和市场部共同确定“一线二连锁十终端”填报对象;②“一县二连锁十终端”内容由OTC部长本人或授权直接终端负责人填写,OTC部长对数据真实性有效性负总责,市场部将结合市场情况不定期抽查;③每月15日、28日两次集中填报,当天17点前上报至市场部,不得延迟;(如填报日为周日,可顺延一天上报)④本表填报纳入省区绩效考核体系,各省区必须规范填报,按时提交;打造优质连锁一一“宜草堂巡店样板”示范项目1、项目目的:(1)提升巡店效率,维护日常客情关系,持续提高销量;(2)加强过程管理,发现终端可能问题,及时跟进措施;(3)竞品市场调查,制定有效促销方案,跟进产品动销;2、项目说明“宜草堂巡店样板”示范项目是在原宜草堂连锁日常巡店工作基础上,复制到全国重点省区优质连锁,最终目标是在巩固客情基础上加强动销,提升产品覆盖率和市场占有率;3、执行要点(1)巡店报表2C1T 年1LRSJE吕苗-可豁库舌曙CT D 荽=£/1^545852575 H匹订年门月1!日号桶朗岭店西瞇区&裘胡d^/OTl7^710012 4杯创遊国跌*耐扯誕」月计划|YTl严品冒称10 11月聖进10. 11月第住敌星SM至点店兵淮护(左东信弓牌壬釦E室]苫屁転反践可題-殳鬧咖応芫吕i&怎(忻理.J5T策}盘垂輯决间哥或古持<00一址主冷」Itrtft 惟恢心昂神网垦:妙」JL窗?」不了*・仏対榭W使用-匸耳便:1障善嗨整嗟木刍』牯fij:箱店©曲鮮■坟訓的疏骨反賓:£,译用于廿手h支*霑巒區汽铺,境歼魁零亘炜吊*耳方留再世Q00器甲刘锻號哇01i□010堆虹直禦竊验1C57戒业亮圖*电團戶15&11a1供卡丹■■卜儿握热栓三粒/绡米關劉E a00xnptm«.c-a 存,东愼至雅何懿:立是屮,檢值伽国|二晋蜜心产品坯m韭不*"指前:总33.勾ii 产品寒整n谖為闵通1 is*信产品仟筲,姑咼桂虫吉巧需垂的江殊、JS弘魁手曹咎E方洁幷枪i-0s 說甲*朮醛呻a0Q兰丰忙眛折诸戶004匕札:血汕门v r W aK^—c e\o(2)周计划总结—Lx XV(3)月计划与总结①对合作客户大于20家规模的连锁,必须填报巡店报表;②巡店报表:巡店日期、门店名称、门店负责人、我司产品陈列情况(提供照片)、合作产品进销存明细、店员支持及客户反馈、竞品信息,以上情况必须真实有效;③周计划与总结:跟进本周任务完成情况及差额,门店拜访发现问题及解决措施,我司产品店员主推情况,促销活动情况,下周计划。
动销的规律朱志明铺货讲究策略,动销讲究规律,同样的战术方法,让不同的人在不同的节点采取不同的节奏运用,得到的结果可能大相径庭。
对于一个区域市场的操盘者,必须深谙新品动销的规律,以及规律中的逻辑关系,才能确保新品上市后的成功动销。
深度把握动销三率三度背后的奥妙,产品动销才能精准高效,避免弯路。
动销=铺货率*推荐率*拜访率*活化度*促销度*客情度一、铺货率铺货讲究铺货率,即匹配产品销售的终端数量多少,让匹配产品销售的终端基本能够销售本产品。
铺货率是打造产品的销售势能。
即通过铺货率打造产品市场氛围,增加产品与消费者的见面机会。
营销的根本目的是为了造势,势大则事半功倍。
动销需要势能,终端铺货率高低,决定产品在市场上的能见度,决定产品在市场势能强弱关系。
二、推荐率推荐率,即销售终端的推荐质量。
推荐率是打造产品的动能。
即通过对领袖型终端的建设,充分发挥其新品推荐的积极性,形成示范效应,树立产品消费影响力以及其他跟随型终端的信心,达到以点带面拉动其他终端销售。
“领袖终端”就是指那些新品推荐能力强、规模较大、经营时间较长、对其他终端、以及消费者有影响力的终端。
所以,若想新品快速动销,在追求铺货率同时,更要追求推荐率,把那些既能“引导”消费,又能够在初期“把握”价格的领袖终端找出来,聚焦资源,重点进攻,依靠这些领袖型终端的推荐快速形成产品动销。
只有势能与动能高效结合,才能形成产品动销的完美组合。
新品是因为有人愿意卖才可能畅销,解决愿意的问题,即解决终端推力问题。
终端愿意“费力”推新产品的理由很简单:更好的客情与更高的利润。
板感觉被重视并无后顾之忧。
一个新产品基本上要保证终端利润是畅销竞品利润的1.5倍,才能充分刺激终端主推的积极性。
终端利润多寡一定不能直接体现在产品价格上,否则就是低价销售,而是体现在渠道促销活动方式与合形方式。
三、拜访率拜访率不仅仅是在拜访频率,更重要是拜访的质量与效果。
只讲数量没有质量,是没有生产力的工作,是在制造成本,而非创造价值。
动销:产品是如何畅销起来的前言产品畅销的秘密余晓雷一、抓对5个营销原点问题,畅销才有可能所有的老板,都有一个头疼的问题:最近产品不动销!老板反复沙盘推演:我这个宝贝产品是举全企业之力精心研发多年的产品,质量一流,价格也很合理;包装是请专业公司设计的,印刷很精美;广告是4A公司策划的,代言人请的还是大牌明星;媒介计划也经过专家用大量的图表、数据分析过,已经精确到每花一分钱,有多少收视率了;试销、试用反馈的意见很好,经销商很有信心,销售团队的绩效考核设计也不错。
可是,产品摆上货架了,一周、一个月、三个月过去了,要说纹丝不动,倒也不是,但就是没有像流水线一样,流动得很快、很顺畅,一句话:不畅销!于是,老板去请教营销专家,专家说:“找准需求!”可是,北京雾霾够大,清肺的需求够大了吧,那个啥啥清肺饮料也并没有畅销起来啊。
反过来,你看看女人那一柜子的衣服,哪件是因为有明确需求而买下来的?不能说专家找准需求的建议不对,而是要明白,除了需求,消费者在购买一件东西的时候,头脑中一闪而过哪些问题?这些问题,在购买决策时的顺序是怎样的?哪个问题最有决定性作用?多年的营销实践告诉我们,只有找准了这些问题,并且采取真正的营销措施,产品才能畅销起来!这样的问题,我们称之为营销原点问题。
这一点,我们要感谢史蒂夫·乔布斯。
苹果手机的畅销让我从杰克·特劳特、阿尔·里斯、迈克尔·波特的理论研究中摆脱出来,从书本和坐而论道的这个派、那个派中解脱出来,转而从营销实战中,直指人心,破解每一个产品畅销的真正原因,即消费者购买决策时,心智中一闪而过的5个营销原点问题:“认知、需求、品类、品牌、价格”。
可以这么说,抓不住这5个原点问题,你的一切营销动作都是在迷雾中前行。
无论你的动作是大张旗鼓地冲锋,还是谨小慎微地爬行,你的资源一定会在模糊甚至错误的战略方向指引下,被浪费得干干净净,——我敢打赌!不客气地说,95%的企业正处于这样的爬行状态,那剩下5%快速成长的企业又是怎样的?他们就是苹果、特斯拉这样的成功企业。
动销10大要点第一节动销模式全国化品牌需要实现全国化销售,全国化销售需要具备清晰可复制的动销模式,动销模式是驱动企业实现全国化的核心与前提。
动销模式的核心由以下五个内容组成:一、销量在哪里产生?具体说,在哪些渠道、哪些终端类型里产生?在这些渠道、终端类型的要采取哪些方法让渠道成员愿意铺货、愿意进货、能够上架、有好的陈列位置?具体步骤是什么?渠道价值链如何设置?是否比竞争对手有更大利润?二、如何促进销量的持续增长?尝试购买、重复购买、习惯购买的购买三段论是如何一气呵成的?两次关键性的“销量拐点”在哪里?是由哪些手段构成的?三、完成上述市场动销的费效比是多少?3-6个月甚至12个月的销量与资源配置预算是否清晰?能否实现最低销量保障?控制的措施(及应变措施)是什么?四、采用何种渠道模式?是直分销?直销拉动、分销跟进?大经销商制?还是一步到位的深度分销?确定的渠道模式是否能够适应大部分市场环境,即能够执行?五、厂商关系及市场与销售职能如何分解?怎么实现铺货?怎么拿到终端订单?怎么对终端进行循环拜访及理货等服务?怎么对市场运作的进度、真实性进行管控?厂商协作的游戏规则是否形成共识(最好有书面签字确认的市场执行计划)?我们以食品饮料的地级市场为例,说明动销模式的一种组合形态。
中国地级市场,即非省会以外的地级行政区市区。
其中,东部发达省区有77个地级市,中西部有209个地级市,辐射324个县级市、县城。
这些地级市、县市的人口占全国人口的35%,创造的GDP近50%,是中国产业工人的聚集区域,属于非常典型的大众化产品消费市场。
中国任何一个食品饮料品牌如果能深度覆盖三四级市场的70%,年销量将可以轻松迈过10、20亿元的规模门槛。
三四级市场的动销模式有什么特点?这些城市的销量靠什么驱动?根据博纳睿成的咨询经验及研究,三四级市场的动销模式可以总结为“两段五连环”:两段指渠道渠道与消费者驱动两段,五连环指消费者快速启动的“市场围攻五连环”战法。
明星产品动销八法
1、业务洽谈的重点不在“谈”,而在制造良好的业务洽谈氛围和给予客户完全信任的感觉;
2、重要业务洽谈的时间需提前预约,正式的时间和正式的场合可以自然凸显此次业务洽谈的重要性;
3、可以用征求意见或请教或咨询的方式作为业务洽谈的开始,想办法打开客户的话匣子,为业务洽谈制造轻松愉快的气氛;
4、学会倾听,尊重客户的谈话,在倾听的过程中分析客户的心理,随时记录客户谈话的要点,此时要体现你谦虚和非常重视客户谈话的形象;
5、需要在客户面前陈述自己的观点时,最好用征求意见的方式,用如“对不起,我能不能谈点看法”或“我的看法对吗?”之类的礼貌用语;
6、业务洽谈要想取得圆满成功,不二的法则只有一条,那就是你必须站在客户利益或客户需要的角度去为客户想办法;当公司利益和客户利益发生冲突时你必须非常公正、非常讲原则,最好采用分析问题的方式,不断给客户善意的提问和不断进行科学合理的解释。
记住,此时在客户面前,你需要充当顾问的角色,让客户感觉你是专家,而且是一位真正能为他服务的专家;
7、业务洽谈如果需要给客户讲大道理,你最好采用典型案例或讲故事的办法,让客户非常轻松和发自内心接受你的观点,切忌讲大话和套话;
8、如果此次业务洽谈没有取得预想的成功,千万不能在客户面前表现出急躁和不耐烦,要非常友好的提出一个问题,为下一次进一步洽谈打下基础;。
10个高效的成交话术技巧分享在商业谈判和销售领域,成交是每个从业者都追求的目标。
如何运用合适的话术技巧,能够高效地促成交易,是每个销售人员都需要掌握的重要能力。
下面将介绍10个高效的成交话术技巧,希望能对销售人员的工作有所帮助。
1. 创造紧迫感人们往往在紧迫感的驱使下做出决策。
在谈判中,你可以使用一些词语来唤起对方的紧迫感,如“现在”、“立即”、“最后机会”等。
通过创造紧迫感,你能够更好地推动对方做出决策,提高成交率。
2. 引导对方选择当面临多种选择时,往往会感到迷茫。
你可以通过引导对方选择来推动成交。
给予对方两个以上的选择,并重点强调其中一个是最佳选项,这样可以有效地引导对方做出决策,并促成交易。
3. 运用积极的措辞在谈判中使用积极的措辞,能够给人带来一种积极的心理暗示,增加对你的信任感。
例如,将“问题”转化为“机会”,将“风险”转化为“挑战”,这样能够更好地激发对方的兴趣和积极性。
4. 倾听并回应有效的沟通需要倾听和回应的双向交流。
在谈判过程中,除了表达自己的观点和要求,还要尊重并倾听对方的意见和需求。
通过积极地回应对方的问题和疑虑,你能够建立良好的信任关系,更好地推动成交。
5. 强调价值谈判的关键在于把握双方的需求和利益点。
通过强调你的产品或服务的价值,展示给对方你能为其带来的好处和回报,能够更有效地吸引对方的兴趣,增加成交的可能性。
6. 处理异议在谈判中,对方可能会提出一些异议或疑虑。
你需要耐心聆听并回应对方的问题,同时提供有力的解释和证据来消除他们的疑虑。
通过针对性的回答,你能够增加对方的信心,促进成交的达成。
7. 制造共鸣与对方建立良好的关系和共鸣是成交的关键。
通过找到双方的共同点和利益,你能够更好地与对方建立联系,增加对方的信任和认同感。
这样,对方更倾向于与你合作,提高了成交的可能性。
8. 提供案例和证据在谈判过程中,提供案例和证据来支持你的观点和主张是十分重要的。
通过真实的案例和有力的证据,你可以增加对方对你产品或服务的信心,并使他们更倾向于与你成交。
新品上市快速解决动销问题的八个手段快销品行业创新速度快、门槛低、复制强、以量取胜的特点,造就了每年一批批新产品粉墨登场,成功的很少,多数战死沙场,有的是做了先驱,有的是为别人做了嫁衣等等。
新产品上市,抛开产品策划不谈,关键是要解决动销问题,产品动销不了,销费者不买帐,再有实力的经销商也撑不下去。
特别是在各大型零售集团划地为王的年代,销售网络不给你那么多反应时间,在短期内必须有业绩,否则会被清场扫地。
笔者以多年从事快销品行业的经验,为众友揭开解决动销问题的神秘面纱。
解决动销的误区误区一:以求快而透支产品本身的附加值产品策划阶段一般都要附于产品一定的附加值,品牌越大,附加值越高。
如果产品新上市阶段,为了求量而严重透支产品的附加值,一味地打价格战,只能说得尝失,不战自败。
笔者亲历一家做高端XX品牌,目标是做行业中品牌,此行业发展一直比较滞后,目前还没有诞生全国性品牌,市场空间巨大。
但市场开发前期,公司没有实力,不想大量投入资源,渠道进得少,又没有一点广告效应,产品动销困难,更加致命的是产品保质期短,在最短时间内处理产品成为全公司上下的一件大事。
没有办法,只能在已进卖场贱卖,甚至比同行业竞品都低。
高端产品成了名副其实的低端品牌。
产品导入前期,产品贱买我们可以原谅,但可怕的目前渠道进的多了,产品也有了一定的知名度了,产品还是走低价位策略,严重透支产品附加值,那么,产品高端性真想变为山寨货?误区二:不聚焦资源,到处撒网有多少钱,办多少事,切记贪多,这是经销之道。
大到厂家,小到经销商,新产品上市初期,一定要集中自已的资源,在一个点上寻求突破,逐点渗透。
如果真有水平,能玩得转共振营销,一点突破,多点共振,达到四两拔千斤的效果,那更好。
依公司现有资源优势,如在现代渠道有得天独厚的优势,那就集中资源做透卖场,其它资源不做注流。
误区三:认清卖场的臭嘴脸,慎重进店卖场特有的独立市场单位的垄断优势,在谈判桌上占绝对优势,要求供应商必须要听话,而且运营费用很高,如进店费用、条码费、周年庆等各种花样的费用罗列一车,运营过程中,少不了客情费和暗回扣等,让供应商头疼死,更要命的是要完在保低任务,不管用什么办法,否则撤柜。
门店动销十大法则生动法则:“门店生动化,销量发发发!”这是我年轻的时代,在可口可乐上班天天早晨都要喊的口号,当年的可口可乐在中国攻城掠池,的确在打造门店上给国产的品牌做出了很好的示范,用精美、时尚、洋气的门店物料营造了门店的生动化氛围,夺走了消费者的眼球更夺走了消费者的心。
现在门店还是可以继续沿用这一招,但是别忘了现在是移动互联时代,电商领域所谓旗舰店的装修上也要秉持这一原则,不要让消费者一眼就看出你是个“杂牌”。
跟随法则:小品牌就是要在门店上“傍大款”将高毛产品放在名牌产品的边上,放在促销产品的边上,或许这样做会被名牌厂家的理货员挪开,但是门店就是阵地,你争我夺,我们要学习志愿军的“上甘岭”精神,守住阵地。
气势法则:利用节假日人气旺在门店造势,促销、推头、售点包装、售点广播等方面形成整合,强迫消费者对品牌的认知继而产生购买。
有个成语叫“势如破竹”,产品卖不动往往是没有品牌势能,造势是提升品牌影响力的最好手段。
佳配法则门店为了管理的方便,往往按照品类分区域陈列,这样便可以方便消费者购买更重要的是方便售点的管理,但是有些产品则可以进行多区域展示,比如在保健品货架旁边的我们可以做一个套装放在礼品区域陈列。
沃尔玛数据研究发现:啤酒边上卖尿布销量不错。
这些都属于佳配法则。
诉求法则产品要有好的诉求点,看一眼就能记住,如产品诉求:“怕上火喝XXX”,促销诉求:“满一百赠现金券”等等。
我们在做门店促销、展示的时候,诉求一定要简单明了,有杀伤力,不要过于含糊,琳琅满目的商品,眼花缭乱的品牌,只有诉求有杀伤力方能搞定消费者。
利益法则消费者不一定都是要买便宜货,否则我们就不是世界奢侈品的消费大国,否则我们就无法解释苹果牌手机被炒断货的现象。
但是消费者都爱“占便宜”因此,产品不能在门店上静止不动,像个麻木的泥胎。
要常常要给消费者一些“意外”惊喜,让消费者“占点便宜”。
在关注消费者的同时也不要忘了时常给售点的人员一些小恩小惠:产品内部价、促销小礼品。
关于动销,你不可不知的3大误区和4大策略文 | 盛初赵大庆当前经济持续萎靡,酒水消费频次在不断递减,从2015年酒企年报来看,止跌增长的酒企屈指可数。
为什么这些酒企会有增长,而大部分的酒企出现大幅度的下滑呢?动销率才是销量增长或是下跌的区别关键点,通常酒企销量提升一般采用扩品、扩店、扩区的操作模式,在白酒黄金期这条路是行得通的,但是对于现有形态的变革,单一的促销策略驱动不足以支撑整个产品或是市场的销量提升,一招制敌的策略已经不复存在,组合式动销策略才是制胜关键。
一、动销的三大误区1.以促销来换动销:误将动销与促销划等号,一提到动销缓慢,就是考虑是不是资源投入不够,是不是促销力度小的原因,那怎么办呢,加大力度投入吧,只能这样了,而用这种观念来指导动销的结局常常出现促销综合症,大促大笑,小促小销,不促不销;2. 一招式吃遍天下:很多酒企都会犯这样的错误,都想着找到一个捷径,出一套促销方案,马上就能解决市场的动销问题,而当下还有什么一招吃遍天下的策略吗?答案是没有,动销是组合式的、是系统性的;3. 解决当下只看眼前:头痛医头、脚痛医脚,简单的以为动销只是阶段性的市场启动,而忽视了动销的连续性,动销绝非一朝一夕而是要长期持续、狠抓不懈的一项重要工作。
什么是动销,动销就是拉动销售,在营销的渠道终端,通过一系列的营销组合手段,提高单店或是单点的销售业绩。
解决动销的关键是有人愿意喝,有人愿意卖;终端有推力、消费者有拉力,推拉结合才是解决动销的王道。
我们一般一想到动销,第一感觉就是渠道如何动销,但是真正的动销是全方位的,绝不是简单的一个策略或是一个促销,动销的对象是关键,组织不执行、经销商不配合、终端不推荐、消费者不理睬,再好的动销策略也是无效的,什么是有效的动销策略,只有对的、最适合的才是最好的。
1、经销商动销经销商的动销基于多元化的,经销商的需求决定了产品的动销,产品、利益、策略、人员等等,经销商面临的问题也与企业相似,也需要考虑如何生存,如何发展,现在的经销商对于品牌、利润已经不再像白酒畅销期这样的追求了,经销商缺失的是策略,是如何掌控渠道、如何留住人员、如何活下去,经销商绝非怕市场产品动销缓慢,而怕厂家一动不动。
动销启动会三点一、客户需求产品动销是根本需求洞察就好比你被困于沙漠,奄奄一息,非常急切想要喝水,而施救者却端来一盘馒头,告诉你,这是天底下最好吃的馒头,你赶紧尝尝吧,你可以想象一下你当时的心情...产品上市第一步首先要弄清楚“谁是产品的客户”,这也是企业经营的首要问题,客户是把产品变成商品的决定性力量。
企业把产品卖给代理商,代理商把产品再转卖给批发商、终端商,代理商、批发商、终端商统称为渠道商,渠道商是不能被当成客户的。
渠道商只是客户的代表,产品要满足的是客户的需求,而不是渠道商的需求。
什么是客户需求?需求=需+求。
“需”即客户的痛点,“求”即客户期望企业提供的产品、服务或解决方案。
显然,要想洞察客户的需求,必须先清楚客户的痛点在哪里。
痛在前,求在后;没有痛,何来求?这就好比医生看病,医生先要诊断病根,然后才能对症下药;病根是需,药是求,药到病除就是满足客户需求。
客户需求等同于消费者买点,消费者买点对应到企业当中就是“产品卖点”。
只有真正洞察客户需求,才有机会用产品来填补。
因此,产品卖点是基于详实的市场调研,更多的数据输入和数据分析得来的。
这个环节不能头脑发热,不能拍脑袋、不能闭门造车,需要走出去、深进去,需要动手、动嘴、动耳、动脑,需要揣摩、提炼、锻造。
产品卖点的策划和提炼常见的误区有三:(1)你的“为客户想”的产品卖点实际上是自己的一厢情愿,并非客户的真正所想。
就比如你到商场购物,推销员不先探索你的选购意向,上来就自顾自的推销自己的产品。
在这种情况下,他们就不是站在顾客角度与顾客一起选购产品,而是站在销售者的角度向顾客展现、推销产品。
我们可能不会怀疑这些产品的价值,但不同顾客的需求也是不同的,只有商品的价值与顾客的需求相匹配时,产品才能真正的满足顾客的需求,否则只能令顾客反感。
(2)产品卖点一个就够。
一些企业在策划产品时,提炼了很多卖点,恨不得自己的产品是大力丸,包治百病。
恰恰相反,在产品卖点策划和提炼这件事上,少即是多;好卖点,一个就够了。
关于商品的动销率公式商品动销率计算公式为:商品动销率=动销品种数÷ 门店经营总品种数*100% 。
种类动销品种数:门店中所有商品种类中有销售的商品种类总数。
这个比率是评价门店各种类商品销售情况的指标在实际操作中,需要了解某一单品的动销情况,一般会使用以下计算公式:商品动销率=商品累计销售数量÷商品期末库存数量此处的累计销售可以按会计年度或者商品的销售年度来累计。
此处可以通过对动销率进行分析比较,对于低动销率的商品予以关注。
理解(1)动销率越高不一定越好(2)动销率等于100%也不一定就是正常,动销率小于100%也不一定就是滞销商品惹得祸。
(3)实际工作中不能仅仅被百分比所迷惑,只看数据的表面,不透过表面找到问题的实质。
考核第一种情况:动销率超过100%(1)说明的情况:动销率超过100%说明了在某个时段该分类的销售品种数高于目前现有库存的品种数,说明了该分类出现了品种数的流失现象。
(2)产生的原因:A、商品的缺货;B、商品的停进停销C、虚拟库存(3)解决办法:A门店应加强商品缺货的控管。
商品的缺货控管的重点必须定期与不定期分析数据以及按照相关流程进行现场检查监督相结合,绝对不能出现凭经验进行商品的进销存控制。
B平时的经营管理中要重视各方面的数据分析,绝对不要根据经验进行经营管理,不同商品其适销程度与地域、季节、价格、陈列位置有很大的关系。
甲门店不好销售的商品不等乙B门店或者丙门店不好销售,甲门店现在不好销售的商品并不代表永远不好销售,我们首先应该找到销售不佳的原因(销售不佳的原因有很多:促销不力、陈列不佳、价格偏高、品牌吸引力差、同质商品太多);再进行该品的淘汰或者退货。
第二种情况:动销率低于100%(1)说明的情况:从数据的表面上看,该类商品存在滞销,至少在查询的会计期间存在一定比例的滞销。
(2)产生的原因:A、品种过多,特别是同质同类品种过多。
B、进货品种的结构有问题。
C、该类商品的淘汰力度不够或者淘汰与购进不成比例。
市场动销基本思路和要求梅知梅惑品牌的招商工作取得了初步成效,目前除有针对性地继续招商外,工作重心逐步转向市场动销,为了切实抓好动销,提高工作效率,规范动销行为,特提出以下基本思路和要求:1、锁定目标消费群。
由于各城市大小、消费水平、经济状况不同,因此,各城市应针对自身的特点,对我们的目标消费群如政府官员、企业家、社会名流等,建立目标消费群数据库。
(具体内容包括姓名、性别、工作单位、职务、联系电话、年龄、爱好、社会活动范围、消费习惯等指标。
)2、经过一段时间的调查了解和实际摸底,要求锁定能培养成为消费领袖的消费者,通过这部分人的引导和口碑宣传,将起到很大的倡导和影响作用,因此我司要求一般城市不低于10人,大型城市(如北京、上海、广州、深圳)不少于30人,并对这部分人建立专门的消费档案。
3、针对目标消费群,锁定终端企业(酒店、商超、宾馆),建立终端资料数据库(具体内容如:法人、注册资金、地址、联系电话、联系人、经营面积、年/月销售额、酒类年/月销售额、当地业内排名等)。
4、在我们的目标消费终端企业中,经过一段时间调查摸底,锁定其能培养成为旗舰店的终端企业,并建立数据库。
酒店在一般城市不低于5家,大型城市不低于10家;商超在一般城市不低于2家,大型城市不低于5家,商超含专卖店。
5、市场动销期间,各市场必须严格执行公司的投入比例政策,公司要求动销过程中地方不做大量电视广告投入,原则上电视广告投入不超过总市场投入30%中的10个点;加强报纸、杂志的投入,报纸投入可达到总投入30%中的5个点。
①软文炒作要求以A品牌市场为由头突出神秘高贵、超高端白酒的第一品牌;②经销商的实力③以散文的形式表现A品牌品质个性的高雅;④消费者对A 品牌的反响,有意识的制造新闻事件等,要有悬念;⑤炒作A品牌的文化使者,突出气质、形象、内涵,把A品牌拟人化,把美女、美酒、音乐结合起来宣传。
6、终端展示及户外宣传:原则上不作大型户外,重点强调高级公寓、甲级写字楼的各种电梯广告和别墅区的主题广告,主题为体现生命、自然、环保等;大型百货商场男人专卖区电梯口的灯箱广告;每个领袖酒店设置“A品牌”包间。
手把手教你做一套门店动销方案手把手教你做一套门店动销方案"痛点即是机会点'!解决了企业面临的痛点,就迎得了进展与壮大的契机!对于婴童品牌商与渠道商(孕婴童门店与配送商)而言,面临的一个比较大的痛点是:"成熟的品牌/通路产品'畅销、推介简单,但是盈利性差;新品、新品牌利润高,但是推广难、动销慢!一个新品牌如何快速打开市场,完成品牌招商;一个新产品进入门店,如何快速实现产品的动销?新品牌、新产品面世,如何制定一套有效的品牌/产品推广动作、步骤,这是方向与路线问题,方向对了、路线对了就不会消失太大偏差。
今日我们一起来探讨如何制定一套有效的新品动销方案!动作一,孰能生巧。
新品上市首先要解决的是"业务人员、渠道商、门店店员对产品的熟识与认知'的问题。
这里举一个大家都能够理解与生疏的例子:在婴童门店,有一些通路产品利润很低,但是却销售的很好,而一些直营品牌,利润高,但是销量很低;许多人认为通路产品卖的好是由于品牌知名度高,一些直营品牌销售的不好,是由于知名度不够。
而事实是这样吗?答案是否定的!假如真的是这样,那就不会消失区域性品牌,就不会消失行业黑马,品牌的销售量就成了完全由"广告投入打算'。
相反,产品销售的好坏,产品在市场的品牌度大小是由品牌商与渠道商的推介力度与推介方法共同作用与打算的;许多品牌快速崛起、许多门店将一些小品牌推介成区域影响力品牌就是这个缘由。
所以品牌与产品的壮大"推介'是关键,而推介的核心在于对品牌/产品的熟知与把控。
那么,如何让我们的人员快速了解我们的产品呢?笔者在很多的新品上市推介与门店店员培训的的过程形成了一套自己的动作步骤。
步骤一,一张图解读一个品牌,三句话阐述一个产品的卖点。
例如,我们要可以通过一张图表(最好是业务人员自己绘制的思维导图),将一个品牌的优势、品牌策略、销售政策、推广方式等描述出来;能够关心我们的促销员、门店的店员共同挖掘出真正触动消费者心智的标准话术,而且最核心的就是要能够用三两句话将产品的核心卖点与优势(包括与主竞品的区隔)叙述清晰!步骤二,供应工具,强化记忆。
动销10大要点第一节动销模式全国化品牌需要实现全国化销售,全国化销售需要具备清晰可复制的动销模式,动销模式是驱动企业实现全国化的核心与前提。
动销模式的核心由以下五个容组成:一、销量在哪里产生?具体说,在哪些渠道、哪些终端类型里产生?在这些渠道、终端类型的要采取哪些方法让渠道成员愿意铺货、愿意进货、能够上架、有好的列位置?具体步骤是什么?渠道价值链如何设置?是否比竞争对手有更大利润?二、如何促进销量的持续增长?尝试购买、重复购买、习惯购买的购买三段论是如何一气呵成的?两次关键性的“销量拐点”在哪里?是由哪些手段构成的?三、完成上述市场动销的费效比是多少?3-6个月甚至12个月的销量与资源配置预算是否清晰?能否实现最低销量保障?控制的措施(及应变措施)是什么?四、采用何种渠道模式?是直分销?直销拉动、分销跟进?大经销商制?还是一步到位的深度分销?确定的渠道模式是否能够适应大部分市场环境,即能够执行?五、厂商关系及市场与销售职能如何分解?怎么实现铺货?怎么拿到终端订单?怎么对终端进行循环拜访及理货等服务?怎么对市场运作的进度、真实性进行管控?厂商协作的游戏规则是否形成共识(最好有书面签字确认的市场执行计划)?我们以食品饮料的地级市场为例,说明动销模式的一种组合形态。
中国地级市场,即非省会以外的地级行政区市区。
其中,东部发达省区有77个地级市,中西部有209个地级市,辐射324个县级市、县城。
这些地级市、县市的人口占全国人口的35%,创造的GDP近50%,是中国产业工人的聚集区域,属于非常典型的大众化产品消费市场。
中国任何一个食品饮料品牌如果能深度覆盖三四级市场的70%,年销量将可以轻松迈过10、20亿元的规模门槛。
三四级市场的动销模式有什么特点?这些城市的销量靠什么驱动?根据博纳睿成的咨询经验及研究,三四级市场的动销模式可以总结为“两段五连环”:两段指渠道渠道与消费者驱动两段,五连环指消费者快速启动的“市场围攻五连环”战法。
进入三四级市场,首先是要获得渠道成员的接受及配合,及经销商、分销商、零售终端对产品的接受。
获得渠道成员接受的核心是两个:渠道价值链设计、市场动销方法即消费者启动方法。
至于产品是否有代言人,并不是必须的,核心是产品本身的战略设计,及产品驱动力的设计,此处不具体展开。
排除产品的品质、包装、代言人等问题,即使是一个貌不惊人的产品,只要企业形成成熟的市场启动模式,并能够协调厂商资源强化执行力,产品进入三四级市场也没有障碍。
三四级市场食品饮料动销模式的一般特点,我们总结为“市场围攻五连环”,即通过五大渠道、传播要素的“地面化”整合推广,快速形成知名度并拉动销量。
第一步是终端生动化及传播造势:这个环节的重点是要做到“一夜成名”,首战要猛,要在极短时间里,让新品在城区家喻户晓;如果能制造持续性的话题传播,则更佳。
第二步是地方超市或街边店外店招及POP的生动化,这个战法借鉴学习当年丝宝的做法即可。
第三步社区消费者活动,如制定一个在30天里,将居住人口密集的社区全覆盖的社区活动,采用大力度的买赠礼品促销、免费品尝、派送小礼品等活动。
第四步核心卖场突破,即选择1、2个当地人气最旺的大卖场,做15天的超级推头促销,或者在资源允许的情况下,对超市实施多点列,烘托强大品牌的气势。
第五步开发二级分销商(即批零商),并对二级分销商首批进货派人进行终端铺货主销,以加快分销商的二次进货。
上述五步的具体终端数量、投入方式、促销成本、人员配备、销售目标等都要进行精确的计划,五步连环,地级经销商的首单进货将会很快就铺货完成,需要二次补货,这就可以进入第二轮的销售促进。
五个环节的操作顺序,由于各地情况及执行力的原因,不会完全一样,但抓住五个环节,并尽量让五个环节的宣传、促销、销售能够互相衔接,甚至波浪冲击,在30天完成第一轮动销周期是不困难的。
第二次、第三次的销售周期,不仅需要市场服务与维护,而且决定于地区消费者对产品的满意度与重购意向,也就是说,企业在进行实际的二段五连环攻击前,应该让产品进行地区消费者品尝或试销测试,看看地区消费者对产品的口感、价格等有何意见,这种前置的试销或消费者产品满意度测试,将可以大大降低产品全线铺开后的麻烦。
动销模式是区域外招商成功,进而能够快速全国化的核心与前提。
要想实现产品的快速全国化、大围区域复制,必须先将动销模式研究清楚。
第二节分销模式每个行业在特定的时期都会出现一种“流行”的渠道模式,这种渠道模式可以为企业提供该行业或企业特定时期行之有效的渠道驱动力,如影响较大的渠道模式市场扁平化、深度分销、终端直营、连锁加盟等。
值得关注的是,渠道模式的在规律比行业差异性要强得多,也就是说,渠道模式具有跨行业差异的普遍规律性。
这种规律性体现在以下方面:首先,不同渠道模式类型的本质是厂商资源配置的博弈,同时也是管理资源对渠道“运作价值链”的动作分解与配置组合。
过去30年渠道模式的变迁主流是厂家主导渠道的各种尝试,如饮料、食品企业渠道模式从最早的大经销商制(客户打包操作)转变到配送商制(厂家操作、客户配合),反映的是厂家势力对渠道的渗透与掌控。
其次,渠道模式的选择(有效性)受到终端细分程度及消费者行为的作用。
比如啤酒在基地市场采用的“垂直整合分销模式”,以雪花啤酒为代表。
这种模式的从组织特征上看是一种“大规模复合直控渠道运营系统”(简称“直控渠道模式”):即经销商、分销商、配送商、直营多种渠道方式共存,每种方式采取的是分产品类型、分区域、分终端的因地制宜方式。
这种方式由于啤酒终端形态的复杂性,而成为啤酒品牌厂商必然选择。
啤酒的大客户模式在形式上也是一种厂商协助的深度分销体制,即围绕一个超级经销商,对其渠道覆盖能力实施指导、监控、服务,但与雪花的渠道模式相比,大客户制的实际可操作性、管理成本、渠道利益分配等,确实是不能与啤酒营销环境相匹配的“问题”模式。
第三,渠道模式涉及到资本、渠道价值链(利益分配)、渠道管理等诸多环节。
比如连锁加盟模式虽然是一种降低厂家资本投入、快速建立品牌影响、做大销量的渠道模式,但资本市场对于连锁加盟并不完全认同。
因为加盟模式意味着渠道利润被加盟商拿走过多,而且由于加盟商的不稳定性,增加了厂家未来业绩波动的风险。
如餐饮里的小肥羊,由于其品牌依赖加盟模式建立,加盟店数量超过直营店数量,造成品牌收益较低。
上市后,希望用资本收编加盟店,遭到大多数加盟店抵制,营业收入产生波动。
后来的餐饮企业,无论是快餐如真功夫,还是中餐如俏江南,都采用了直营模式。
渠道模式不仅与渠道利益分配、管理有关,也会与资本市场有关,资本对于可持续盈利的渠道模式,要求更加挑剔。
渠道模式涉及企业的资源配置、销量驱动力及持续盈利能力,是企业最重要的战略决策之一。
即使同一个行业、规模类似的企业,如果选择的渠道模式不能与行业及市场环境相匹配,就一定会被竞争对手超越。
过去30年里,把握渠道驱动力而成功的中国企业,具有强大市场“杀伤力”的渠道模式经历了五大类型的演变:第一种类型:以厂家与经销商的战略协作为主的渠道模式。
这个渠道模式的特点是企业将渠道的重心放在调整与经销商的关系上,对经销商的市场运作以指导、监控为主一般不对经销商的下线分销商、终端直接干预或控制,厂家一般派驻区域市场的人员较少,以管理型区域经理或办事处为主。
表现形式有三种,一种是区域经销商体制:包括全国总代模式,手机行业的渠道模式,如天音控股;省级经销商(省代)模式,保健品行业较为普遍;城市为单位的经销商(地代)模式,以饮料、食品类行业居多。
宝洁的“经销商就是办事处”体制,曾经是这一渠道模式的最突出代表。
但近几年,、、等地宝洁经销商频频发生主动放弃宝洁产品经销权的事件,这是由于宝洁不合理的渠道价值链设置不能满足经销商的要求:早期经销商抱着学习宝洁先进理念与管理技术,及借助宝洁经销商的品牌效应获得外部效益(代理其他优秀品牌、对终端话语权等),但是对现在的经销商来说,现实的盈利水平已经比遥远的品牌效益要实在的多。
康师傅方便面等产品,在很多地区甚至到了没有经销商愿意经销的程度。
第二种是厂商共建区域合资销售公司,以格力为代表,但格力合资公司并非格力的主流渠道形式,实际上,、等地格力合资销售公司屡次发生总经理反水、股东争端与重组等冲突。
这说明,在中国不健全的市场与法律环境里,即使用共同投资的形式也难以将厂商利益绑在一条绳子上。
与格力的股权合资不同,娃哈哈的联销体则是中国式强势厂商“绑架”经销商的成功尝试:每年年初的订货保证金彻底将渠道商绑到了娃哈哈的战车上。
第三种是连锁加盟,餐饮、饰品、服装等以终端店面为主要销售渠道的企业较多采用。
目前连锁加盟模式正在向食品行业渗透,休闲食品(炒货、蜜饯、肉制品)、散装产品(卤味)、水果、农产品(蜂蜜、大枣等)等有所涉猎,但是对于包装食品为主的企业来说,还没有找到有竞争力的品牌专卖店的动销模式(吸引顾客进店),汇源专卖店连锁计划、蒙牛牛奶零售店连锁计划都无疾而终。
第二种类型:厂家主导的渠道扁平化模式。
这个模式的特点就是厂家或者直接将大经销商改为按小行政区设置的分销商,即深度分销模式;或者是将大经销商转变为服务分销商及终端的物流配送商。
无论哪种形式,采用这个模式的厂家都要派驻大量的销售人员(称为协销员、业代等)。
这个由百事可乐、可口可乐、箭牌等率先使用,被乐百氏、康师傅、统一、今麦郎、金丝猴等学习,最终在王老吉(加多宝)身上,将深度协销的几乎所有技术集大成地得以应用,成就了单品年销售额愈100亿元的销售奇迹。
厂家主导的渠道扁平化模式,确实是制胜中国庞大的五层级市场的法宝。
但是渠道扁平化模式的人海战术,随着中国劳动力价格上升、劳保制度完善,渠道扁平化带来的销量增长率一旦放缓,企业的人力资源成本就大幅上升。
2010年初,王老吉由于2009年销量下滑,开始以“暂时停职”的形式变相裁员,引发员工的抗议与社会关注。
第三种类型:厂家直控终端模式。
这个模式就是厂家不找中间渠道商,而是直接与终端零售商建立采购关系或者自建终端,在食品界有两个企业分别是这两种终端直控模式的成功代表,一个是徐福记,一个是来伊份。
徐福记是最早开始直接经营大卖场散装专柜的食品企业,当国的食品企业还在为怎样与家乐福、沃尔玛等强势零售商纠结(进卖场是找死,不进卖场是等死)的时候,以及本土食品经销商只愿意在春节前的3个月才买专柜位置的时候,徐福记已经将占据大卖场散货区专柜面积最大的“散装柜策略”,作为企业战略去执行,并为了满足年度常销产品需要,规划了散货专柜的四季产品结构。
五年后,糖果、果冻、糕饼、休闲食品的本土企业才逐步发现并认识到其中奥妙。
茶叶里的天福茗茶,也是采用了这种在大卖场外面开店中店的渠道模式,成为茶行业的一个依靠渠道崛起的茶品牌。