(完整版)传感器课程设计_称重传感器应用电路设计
- 格式:doc
- 大小:206.15 KB
- 文档页数:18
《传感器技术》课程设计课题:设计一种电子秤班级学生姓名学号指导教师XX学院XX年X月X日数字电子秤设计1.系统方案设计1.1 概述本课程设计的电子秤以单片机为主要部件,利用全桥测量原理,通过对电路输出电压和标准重量的线性关系,建立具体的数学模型,将电压量纲(V)改为重量纲(g)即成为一台原始电子秤(量程0~1.999kg)。
其中测量电路中最主要的元器件就是电阻应变式传感器。
电阻应变式传感器是传感器中应用最多的一种,本设计采用全桥测量电路,使系统产生的误差更小,输出的数据更精确。
而三运放大电路的作用就是把传感器输出的微弱的模拟信号进行一定倍数的放大,以满足A/D转换器对输入信号电平的要求。
双积分型A/D转换器ICL7107的作用是把模拟信号转变成数字信号,进行模数转换,然后把数字信号输送到显示电路中去,最后由显示电路显示出测量结果。
1.2 系统方案框图电路方框图如下:图1.电路方框图2.工作原理2.1 检测原理本设计由以下四部分组成:电阻应变传感器、信号放大系统、模数转换系统、显示器。
其原理图如下所示。
测量过程是把被测物体的重量通过传感器将重量信号转化为电压信号输出,放大系统把来自传感且微弱信号放大,放大后的电压信号经过模数转换把模拟量转换成数字量,数字量通过数字显示器显示重量。
传感器的测量电路我们选用全桥测量电路,应变电阻作为桥臂电阻接在电桥电路中。
无压力时,电桥平衡,输出电压为零;有压力时,电桥的桥臂电阻值发生变化,电桥失去平衡,有相应电压输出。
三运放大电路是把传感器的微弱信号放大,以满足模数转换的要求,为保证测量的准确,放大器应该尽量做到高阻输入低阻输出,因此一般选用运算系统组成放大电路。
2.2 传感器的选择2.2.1 电阻应变式传感器的组成以及原理电阻应变式传感器是将被测量的力,通过它产生的金属弹性变形转换成电阻变化的元件。
由电阻应变片和测量线路两部分组成。
常用的电阻应变片有两种:电阻丝应变片和半导体应变片,本设计中采用的是电阻丝应变片,为获得高电阻值,电阻丝排成网状,并贴在绝缘的基片上,电阻丝两端引出导线,线栅上面粘有覆盖层,起保护作用。
电子秤电路课程设计一、课程目标知识目标:1. 让学生掌握电子秤电路的基本组成和工作原理;2. 了解电子秤传感器的工作方式及其在电路中的作用;3. 掌握电子秤显示和控制模块的功能及相互关系。
技能目标:1. 培养学生能够正确组装和调试电子秤电路的能力;2. 培养学生运用基本电子元件和电路知识解决实际问题的能力;3. 提高学生分析电路图、进行电路设计和改进的能力。
情感态度价值观目标:1. 培养学生对电子技术的兴趣和爱好,激发他们探索科学技术的热情;2. 培养学生严谨、细致的学习态度,养成良好的实验操作习惯;3. 增强学生的团队协作意识,培养他们合作解决问题的能力。
课程性质:本课程为实践性较强的电子技术课程,注重理论联系实际,强调学生的动手操作能力。
学生特点:学生具备一定的物理和数学基础,对电子技术有一定了解,喜欢动手实践,但可能对电子秤电路的细节掌握不足。
教学要求:教师应结合学生特点,采用启发式教学,引导学生主动探究,注重实践操作,确保学生能够达到课程目标。
同时,关注学生的个体差异,提供个性化指导,使他们在课程中学有所得。
通过课程学习,使学生能够将所学知识应用于实际电子秤电路的设计和制作中,提高他们的综合能力。
二、教学内容本课程依据课程目标,结合教材内容,制定以下教学大纲:1. 电子秤电路概述- 介绍电子秤的基本组成和分类;- 简述电子秤的工作原理。
2. 电子秤传感器- 传感器原理及在电子秤中的应用;- 不同类型传感器的优缺点对比。
3. 电子秤显示和控制模块- 显示模块的原理及种类;- 控制模块的功能及实现方式。
4. 电子秤电路分析与设计- 分析典型电子秤电路图;- 电路元件的选型和参数计算。
5. 电子秤电路制作与调试- 电路制作过程中的注意事项;- 调试方法及常见问题解决。
6. 电路改进与创新- 电子秤电路的优化方案;- 创新设计电子秤电路的思路。
教学内容安排与进度:1-2课时:电子秤概述及传感器原理;3-4课时:显示和控制模块;5-6课时:电路分析与设计;7-8课时:电路制作与调试;9-10课时:电路改进与创新。
电子秤电路设计电子秤是现代社会中广泛应用的一种衡量物品重量的设备,它具有高精度、稳定性强、易于读数等优点。
电子秤的核心部件是压电式传感器,传感器通过受力形变产生电信号,再经过信号处理器处理并转化为显示重量的数字。
因此,电子秤电路设计中压电式传感器与信号处理器是核心考虑因素。
一、压电式传感器的电路设计压电式传感器是通过物理变化产生电压信号,进而检测物体重量的设备。
根据工作原理,压电式传感器可分为电荷式和压力式两种。
电荷式传感器通过物理变化产生电荷,进而产生电压信号。
压力式传感器则是通过物理体积变化,产生电信号。
以下仅讨论压力式传感器的电路设计。
1.电路原理压力传感器主要由桥式电路、信号放大电路和滤波电路三部分组成。
(1)桥式电路:桥式电路分为有源桥式电路和无源桥式电路。
目前多采用无源桥式电路,因为它不需要外部电源,便于实现多点测量等多台组合共同测量。
(2)信号放大电路:传感器产生的电信号相当小,需通过信号放大器放大后才能有效的进行传输和处理。
(3)滤波电路:滤波器用于去除杂波、信号噪声等,保证电路稳定性和准确性。
常用的滤波器有低通滤波器和带通滤波器等。
2.电路参数(1)灵敏度:传感器允许工作范围内,重量变化所引起的电路输出变化量,常用的单位是mv/kg,kg/mv。
(2)非线性度:指传感器输出与实际值之间的误差,一般用±%来表示。
(3)零点漂移:指在重量不变的情况下,电路输出随时间漂移的程度,常用的单位是mV/h或%FS/h。
(4)灵敏度温漂:指在温度变化的情况下,灵敏度相对变化的情况,常用的单位是%RS/℃。
二、信号处理器的电路设计信号处理器是将传感器输出的电信号传输和处理的部分,主要问题是如何提高信号精度和稳定性。
1.放大电路设计放大电路是放大传感器输出信号的重要组成部分,合理的设计可以使信号精度和信噪比大大提高。
在放大电路中,需要考虑的几个问题:(1)增益大小:增益大小是决定信号放大倍数的关键因素,合理选择增益大小可以使信号精确到小数点后几位。
电子秤电路设计课程设计一、教学目标本课程旨在让学生了解和掌握电子秤电路设计的基本原理和方法,通过学习使学生能够运用电子秤电路知识解决实际问题。
具体的教学目标如下:1.知识目标:(1)了解电子秤的原理和结构;(2)掌握电子秤电路的基本组成部分及工作原理;(3)熟悉常用电子秤电路的设计方法。
2.技能目标:(1)能够分析电子秤电路图,理解各个部分的功能;(2)能够运用所学知识设计简单的电子秤电路;(3)具备调试和优化电子秤电路的能力。
3.情感态度价值观目标:(1)培养学生对科学探究的兴趣和热情;(2)培养学生团队协作、积极进取的精神;(3)培养学生关注社会热点,将所学知识应用于实际生活的意识。
二、教学内容本课程的教学内容主要包括以下几个部分:1.电子秤概述:介绍电子秤的定义、分类和应用领域;2.电子秤电路原理:讲解电子秤电路的基本原理和组成部分,如传感器、放大器、滤波器等;3.电子秤电路设计:介绍电子秤电路的设计方法,包括硬件选型、电路图绘制等;4.电子秤电路调试与优化:讲解如何对电子秤电路进行调试和优化,以提高其性能和稳定性;5.实例分析:分析实际应用中的电子秤电路,让学生更好地理解所学知识。
三、教学方法为了提高教学效果,本课程将采用多种教学方法相结合的方式进行教学:1.讲授法:教师讲解电子秤电路的基本原理、设计方法和注意事项;2.讨论法:学生分组讨论电子秤电路设计中的问题,培养学生的团队协作能力;3.案例分析法:分析实际应用中的电子秤电路,让学生更好地理解所学知识;4.实验法:学生动手搭建和调试电子秤电路,提高学生的实践操作能力。
四、教学资源为了支持本课程的教学,我们将准备以下教学资源:1.教材:选用《电子秤电路设计》教材,为学生提供系统性的理论知识;2.参考书:提供电子秤电路设计相关的参考书籍,丰富学生的知识储备;3.多媒体资料:制作课件、视频等多媒体资料,帮助学生更好地理解电子秤电路的设计过程;4.实验设备:准备电子秤电路实验套件,让学生能够动手实践,提高实际操作能力。
传感器课程设计报告---数显电子秤摘要本实验采用称重传感器(Scale Sensor)以及其他电学元件,经过程序控制,建立数显电子秤系统。
实验主要完成以下工作: 建立系统原理模型,确定系统工作实际要求,设计系统结构;确定芯片及元件;编写程序,完成计量显示功能;实现自动量程运算功能;实现外设接口总线功能,完成计量控制;测试并调试系统。
实验在51单片机应用基础上,运用C语言和Assembly语言,结合多特性器件的结构特点,实现文字、按键、秤台的控制功能,实现了从量程设定到精确测量、计算的全功能数显电子秤系统。
关键词:称重传感器、51单片机、C语言、Assembly1、系统原理本项目属于单片机控制技术在电子秤系统中的应用。
根据需要,本系统由单片机51原件,LCD显示屏,称重传感器及按键,等成分组成。
该系统采用无极性常量电流技术,穿过称重传感器的电阻,当物品放在传感器上时,常量电流会变化,而51 单片机通过AD转换,将这种变化转化为数字量,将该电压输入51单片机,得到实时重量指示。
单片机利用程序,还可以完成计量的功能,以及校准的功能,以及精确的数显计量结果。
2、工作要求根据系统原理,本实验的工作要求有:(1) 确定系统电路结构,并进行原理设计;(2)为实现测量功能,确定称重传感器,设计确定AD转换电路,与AD转换模块实现量程设定;(3)编程51单片机实现从空载重量测量,量程设定,重量计量,及数显等功能;(4)完成系统的调整与调试等工作。
3、系统仿真分析本文采用keil仿真器,仿真数显电子秤系统。
采用51芯片,将称重传感器、LCD显示屏等外设连接在51单片机上,在keil软件中,建立对应文件,完成数显电子秤程序的编写、修改、运行。
仿真中根据程序,绘制数显电子秤系统工作流程图,结合系统原理,完成系统中称重传感器、51单片机、LCD等设备及功能模块之间控制同步操作,即从空载重量测量,量程设定,重量计量,及数显等功能,最后经过合理的设计,得到精确的数显结果。
课程设计报告设计题目基于霍尔式传感器的电子秤指导老师摘要科学技术的发展对称重技术提出了更高的要求,尤其是微处理技术和传感技术的巨大进步,大大加速了这个进程。
目前,电子秤在商业销售中的使用已相当普遍,但在市场上仍广泛使用的电子秤有很大局限性。
这些电子秤体积大、成本高,又不便随身携带,而目前市场上流行的便携秤又大都采用杆式秤或以弹簧压缩、拉伸变形来实现计量的弹簧秤等,其计量误差大,又容易损坏。
杆式秤和弹簧秤等计量器械将逐渐被淘汰。
因此,一种能够在未来更方便、更准确的普及型电子秤的发展受到人们的重视,设计一种重量轻、计量准确、读数直观的民用电子秤迫在眉睫。
本设计过程充分利用传感器的有关知识,利用霍尔传感器设计的简单电子秤很大程度上满足了此应用需求,并从简单电子秤的基本构造进一步了解大型电子秤的构造原理。
关键词:CSY传感器实验仪;电子秤;霍尔式传感器;差动放大器目录第一章绪论 (1)1.1 电子秤概述 (1)1.1.1 电子秤的发展 (1)1.2 电子秤的组成 (2)1.2.1 电子秤的基本结构 (2)1.2.2 电子秤的基本工作原理 (2)第二章电子秤设计的目的意义及设计任务与要求 (4)2.1 电子秤设计目的 (4)2.2 此课程在教学计划中的地位和作用 (4)2.3 电子秤设计任务与要求 (4)2.3.1 设计任务 (4)2.3.2 设计要求 (4)第三章电子秤总体设计方案 (5)3.1 电子秤设计思想 (5)3.2各电路单元或部件选择 (6)3.2.1 直流稳压电源的选择 (6)3.2.2 电桥平衡网络的选择 (6)3.2.3 称重传感器的选择 (6)3.2.4 差动放大器的选择 (9)3.2.5 F/V表的选择 (9)3.3 最终方案的确定 (10)第四章硬件设计 (11)4.1 硬件设计概要 (11)4.1.1 硬件电路设计原理说明及电路图 (11)4.1.2 硬件电路设计的步骤 (12)4.2 所用到的单元或部件及其各自说明 (13)4.2.1 单元或部件列表 (13)4.2.2 直流稳压电源简介 (13)4.2.3 电桥平衡网络简介 (14)4.2.4 霍尔式传感器简介 (14)4.2.4.1 霍尔传感器概述 (14)4.2.4.2 霍尔传感器工作原理 (14)4.2.4.3 霍尔传感器型号分类 (16)4.2.4.4 霍尔传感器的主要特性参数 (17)4.2.4.5 霍尔传感器电磁特性 (18)4.2.4.6 霍尔传感器的基本驱动电路 (19)4.2.5 差动放大器简介 (19)4.2.6 F/V表功能简介 (19)第五章系统调试与使用 (20)5.1 系统调试 (20)5.2 使用说明 (21)第六章收获、体会 (21)参考文献.......................................... 错误!未定义书签。
东北石油大学课程设计2012年6 月25任务书课程传感器课程设计题目电容式重量传感器应用电路设计专业测控技术与仪器姓名学号主要内容:电容式重量传感器:设计的传感器根据受压不同,输出信号不同。
本设计要求完成重量传感器的设计,采用电容式设计电路。
电容式称重传感器的原理:电容式称重传感器是把被称物体重量转换为电容容量变化的一种传感器。
通常为差动变间距电容式称重传感器,采用调频电路,实际上就是一个具有可变参数的电容器。
基本要求:1、按照技术要求,设想不同的设计方案并进行比较。
2、利用电容的特性设计出一种称重的应用电路。
3、说明所用传感器的基本工作原理、画出应用电路电路图。
主要参考资料:[1]黄贤武.传感器原理与应用[M].北京:高等教育出版社,2004.38-50.[2]李刚,林凌.现代测控电路[M].北京:高等教育出版社,2004.50-62.[3]孟立凡,郑宾.传感器原理与技术[M].北京:国防工业出版社,2005.68-83.[4] 沙占友.集成传感器应用[M].北京:中国电力出版社,2005.125-144.完成期限2012.6.25—2012.6.29指导教师专业负责人2012年6 月25 日摘要电容式传感器是将被测量的变化转换为电容量变化的一种装置,它本身就是一种可变电容器,由于这种传感器具有结构简单,适应性强,体积小,动态响应好,灵敏度高,分辨率高,能实现非接触测量等特点,因而被广泛应用于位移、加速度、振动、压力、压差、液位、检测领域。
此文就以电容式重量传感器来研究。
本文介绍了电容式重量传感器的结构,以及其测量电路,分析电容称重传感器的特性和相关参数选取,通过一系列的资料查询所得结果表明该电容式重量传感器具有很好的稳定性、重复性和无滞后性,具有一定的实用价值。
关键词:电容式传感器;称重;差动;放大;目录一、设计要求及用途 (1)二、方案设计 (1)方案一:电阻应变式称重传感器 (1)方案二:电感式称重传感器 (2)方案三:电容式重量传感器 (2)三、电容式传感器工作原理 (2)四、电路的工作原理 (3)五、单元电路设计、参数计算和器件选择 (3)1、单元电路设计 (3)2、器件选择 (4)3、元器件清单 (5)六、总结 (6)电容式重量传感器设计一、设计要求及用途设计的电容式重量传感器电路,当被称重物差动改变电容的间距而使电容发生变化时,振荡器的振荡频率发生相应变化,在鉴频器上变换为振幅的变化,经放大转换成一个直流的高电平信号输出,在称重仪表显示。
传感与检测课程设计智能家居监控系统设计设计目的:随着智能分析技术、网络技术的迅速发展以及人民生活水平的提高,人们开始更加注重家居环境的安全,伴随着人们需求的提高,基于智能化的实时监控系统应运面生。
目前,视频监控系统经历了模拟监控、数字监控和网络监控3个阶段。
虽然视频监控系统在20世纪90年代末就在中国市场兴起,有很多公司推出了自己的智能家居系统,但是现在仍未得到普及,而且目前智能家居的国际标准尚未成热,因此智能家居监控系统存在广阔的发展空间。
本次课题研究智能家居监控系统设计的四个部分,实现家居温度,煤气泄漏,外人闯入,火灾烟雾的检测!设计要求:1 用Protel画出设计原理图。
2 采用Protuse进行仿真,完成系统电路图的部分和全部仿真,在设计说明书中体现仿真结果。
3写设计说明书。
总体设计方案:本系统采用四个模块单独实现,设计简单,可靠!各个模块的设计一室内环境温度的检测由于考虑到家居室内的环境比较良好,且不需要相当精确的检测,于是采用集成温度传感器来检测室内温度硬件该系统由集成温度传感器DS18B20 发光二极管(灯光报警) led显示单片机组成工作环境在lcd上显示温度值当室内温度低于某个数值或者高于某个数值是,发光二极管将发出报警信息检测电路该系统用集成温度传感器DS18B20检测环境温度。
DS18B20是典型的单总线数字式温度传感器,工作电压为3~5v,测量结果以9~12位数字量方式串行传送,在使用中不需要任何外围元件。
DS18B20的工作原理在该检测系统中,单片机AT89S51作为主机,DS18B20作为从机,由于DS18B20采用的是主从结构,只有主机呼叫从机,从机才能应答。
因此,访问器件时必须严格遵循单总线命令序列,以及初始化,ROM,命令功能的命令。
单总线器件采用严格的通讯协议来保证数据的完整性。
通讯协议包括:复位脉冲,应答脉冲,写0,写1,读0,读1,所有这些信号都是以先低位,后高位的方式发送的。
太原理工大学课程设计任务书模拟电子技术课程设计说明一、 课程设计题目:称重传感器二、 设计要求某系列称重传感器需要外配放大器,将其输出的电压信号转换成AD 转换器所需要的电压,AD 转换器的满范围输入电压为1V~4V 。
该系列称重传感器主要技术指标如下: 标准满量程负载 50Kg 灵敏度 2mV/V 标准输出电阻 350Ω 供桥电源电压 10V三、 参考电路四、 工作原理该电路由三部分构成:基本电压源电路、测量电桥电路、放大电路。
本实验中,需基本电R3压源电路、放大电路以及偏移电路。
1、基准电压源:为测量电桥提供一定精度要求的10V 基准电压,采用5V 稳压管与同相比例运算电路结合实现。
2、放大电路:放大电路用于测温桥输出的微小电压变化(△V )放大,使其满足性能要求。
放大电路采用两个同相电压跟随器(作为输入缓冲器)与两级放大器组成,其中第一级放大器为差放放大器,第二级放大器为可以方便调节的反相比例运算电路。
3、偏移电路:本例中,还需对放大后的信号进行偏移处理,将放大信号接入差分比例运算电路。
五、 参数计算1、基准电源电路 (1)1J R .2J R .F R 的计算基准源输出电压为10V ,稳压管电压为5V ,取稳压管的稳定电流为10mA 。
根据基准源电路有=01V 10V ,=Z V 5V .Z J J V R R V )1(1201+= 所以121J J R R += 2 得到12J J R R =1选1J R =1K Ω,可得RJ2=1K Ω。
由于JF JFZI R V V =-01 若取JF I =10mA,则有 得到RJF=500Ω。
(2)3J R 电阻和4J R 的计算:由稳压管开始启动的条件:Z D S J J J V V V R R R +≥+434取Vs=11.5V ,则4J R =1K Ω,得到3J R =1K Ω 2、放大电路的计算(1)将输入电压放大为0-3V因为满量程灵敏度,就是在5KN 时,每1V 供桥电压的灵敏度为2mV/V ,所以满量程时放大电路输入电压:Vi=10*2=20mV假设Vi1=20mV ,Vi2=0V 时,输出电压为'0V =3V ,对于放大器有1)21(12340Vi R RR R V Y Y Y Y +=一般希望34Y Y R R 和12Y Y R R 有相同的数量级。
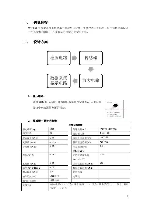
一、 实现目标WTP616平行梁式称重传感器主要适用口袋秤,手掌秤等电子称重。
采用该传感器设计一个在量程范围内,且能够显示重量的小型电子称。
二、 设计方案1. 稳压电路:采用7805稳压芯片,使激励电源电压稳定在5V ,防止电源波动带来的测量方面的误差。
主要技术参数额定载荷(Kg) 500g绝缘电阻(MΩ) >=2000(100VDC ) 精度等级 C3 激励电压(V) 5~10(DC ) 综合误差(%F.S) 0.05 温度补偿范围(℃) -10~+40 灵敏度(mV/V) 0.7±0.1 使用温度范围(℃) -20~+55 非线性(%F.S)0.05零点温度影响(%F.S/10℃) 0.2滞后(%F.S)0.05 灵敏度温度影响(%F.S/10℃) 0.15重复性(%F.S) 0.05 安全过载范围(%F.S) 150 蠕变(%F.S/30min) 0.05 极限过载范围(%F.S) 零点输出(%F.S) ±1 防护等级 输入阻抗(Ω) 1000±50 电缆线 输出阻抗(Ω) 1000±50接线方法输入(电源) + : 红色;输入(电源) - : 黑色;输出(信号) + : 绿色;输出(信号) - :白色稳压电路传感器放大电路数据采集显示电路3.放大电路:由于传感器的输出电阻很大,这就要求放大器有更大的输入电阻。
从而不吸收传感器的输出电流。
采用仪表放大器,它具有高共模抑制比、高输入阻抗、低噪声、低线性误差、低失调漂移增益设置灵活和使用方便等特点。
4.数据采集显示电路:采用ATmega16单片机,该单片机内部集成有一个10位逐次比较(successive approximation)ADC电路。
将放大后的模拟电压量转化为数字量并显示。
三、各部分电路图1.稳压电路图:直流输入时,该电路的输出稳定在5V。
输出经过一阶RC低通滤波,保证输出电压的稳定性。
《传感器技术与应用》电子称设计电子秤设计一、设计要求利用STC89C51系列单片机、应变式传感器、模数转换器、LM4229液晶显示器,设计数字电子称。
该数字电子称具有如下功能:(1)自动监测物体质量,经过AD转换后,在LM4229显示器中显示当前物体的质量,质量显示值保留到小数点后两位。
(2)可以通过键盘设计物体单价。
(3)质量超限报警。
当质量超过设定的上下限,系统进行声音报警和显示报警。
二、系统设计图1 设计框图本次设计主要为一款多功能的电子秤。
由恒流源,传感器,放大电路,模数转换器,单片机,液晶显示屏以及按键等部分组成。
其中,传感器模拟称重系统,采集由于物品重量引起的电压变化,由于该部分得到的电压较小,所以将得到的重量信号送入放大电路进行放大。
再由LTC1297对信号进行模数转换,将转换后的数字信号送入单片机。
由事先设定的程序对单片机进行控制,使其计算出重量数值,最后在液晶显示屏上显示物品的重量、单价以及总价,完成称重系统的全过程。
这里设置矩阵键盘接入单片机,实现用户对电子秤的单价等的设置。
并且能够实现超重报警。
本设计拟拓展一个保存物品信息的部分,即提前设定好几个常卖物品的单价等信息,专门用对应的按键进行控制,按下相应按键,就自动显示对应物品的信息。
三、设计原理1、恒流源电路图2这部分主要通过以上电路将电源调节成恒流源稳定供电,恒流源是一种宽频谱,高精度交流稳流电源,具有响应速度快,恒流精度高、能长期稳定工作,适合各种性质负载(阻性、感性、容性)等优点。
调节滑动变阻器可以看出,电流表的值维持不变,则达到了恒流效果,本电路直接连接桥臂电路,对整个设计进行稳定供电,具有重要作用,同样也是是电子秤设计的基础部分。
2、全桥电路传感器图3本设计采用一个全桥电路作为传感器,由四个应变电阻构成,且四个电阻值R 与△R 分别相等,具体实验中采用电阻与滑动变阻器控制桥臂电阻,相对的两条桥臂变化相同,相邻的桥臂变化相反,可以模拟出最大输出与最小输出的状态,由此传感器称重的工作。
测控技术与仪器专业《传感器技术》课程设计任务书课题:电阻应变式电子秤班级学生姓名学号指导教师目录1.1 概述1.2 系统方案框图2.1 检测原理2.2 传感器选择2.3 测量电路介绍2.4 误差分析与修正(1)系统误差(2)随机误差3.1 软件设计方法3.2 测试系统流程图3.3 系统软件附录:1、参考资料 2、元器件表基于电阻式应变片式传感器的电子秤设计电子秤作为现代生活中不可或缺的一部分,在各行各业显现出其测量准确,测量速度快,易于实时测量和监控的巨大优点,并开始逐渐取代传统型的机械杠杆测量秤,成为测量领域的主流产品。
本文设计的电子秤以单片机为核心控制部件,用C 语言作为编程语言来进行软件设计,以全桥压力传感器作为压力感受部件,制作出一套测量范围在0~1.999kg ,最小分度值为0.001kg 的电子秤。
压力传感器输出的电量是模拟量,数值比较小达不到A/D 转换接收的电压范围。
所以送A/D 转换之前要对其进行前端放大、整形滤波等处理。
然后,A/D 转换的结果才能送单片机进行数据处理并显示。
其数据显示部分采用LCD 显示,成本低且能很好地实现所要求的功能。
本高精度电子秤系统可分为单片机控制电路、A/D 转换电路、复位电路、传感器、时钟电路、LCD 显示、滤波电路等几部分,其系统组成如图1所示。
图1 系统组成框图电子秤的测量过程是把重量这种非电参数转换电参数即电压,并通过信号调节电路进行放大,把微弱的电压信号,mV 级的转换成V 级的电压信号,再通过A/D 转换器将电信号转换成数字信号送给单片机处理,单片机实现软件清零,软件调整,软件控制等功能,对A/D 转换器发送的信息进行处理,送入LCD 显示电路,由显示电路输出测量结果。
整个系统实现了用单片机来控制输出,在线性度的确定过程中,需要对程序进行反复的修改,最终实现设计的要求。
2.工作原理电阻式应变片传感器是通过电阻的应变效应进行测量。
系统通过传感器将压力这种物理量转化为电信号,即传感器内部的电阻应变片感应到压力后,电阻发生微小变化,通过全桥测量电路将电阻的微小变化转化成电压的微小变化,ADC0832将信号调整到A/D 能采集的范围,然后由A/D 进行采集转换,接着把采集到的8位高低电平通过DOUT 送到单片机进行处理,单片机处理后,把数字信号输送到显示电路中,由显示电路输出测量结果。
《传感器技术》课程设计课题:设计一种电子秤班级学生姓名学号指导教师XX学院XX年X月X日数字电子秤设计1.系统方案设计1.1 概述本课程设计的电子秤以单片机为主要部件,利用全桥测量原理,通过对电路输出电压和标准重量的线性关系,建立具体的数学模型,将电压量纲(V)改为重量纲(g)即成为一台原始电子秤(量程0~1.999kg)。
其中测量电路中最主要的元器件就是电阻应变式传感器。
电阻应变式传感器是传感器中应用最多的一种,本设计采用全桥测量电路,使系统产生的误差更小,输出的数据更精确。
而三运放大电路的作用就是把传感器输出的微弱的模拟信号进行一定倍数的放大,以满足A/D转换器对输入信号电平的要求。
双积分型A/D转换器ICL7107的作用是把模拟信号转变成数字信号,进行模数转换,然后把数字信号输送到显示电路中去,最后由显示电路显示出测量结果。
1.2 系统方案框图电路方框图如下:图1.电路方框图2.工作原理2.1 检测原理本设计由以下四部分组成:电阻应变传感器、信号放大系统、模数转换系统、显示器。
其原理图如下所示。
测量过程是把被测物体的重量通过传感器将重量信号转化为电压信号输出,放大系统把来自传感且微弱信号放大,放大后的电压信号经过模数转换把模拟量转换成数字量,数字量通过数字显示器显示重量。
传感器的测量电路我们选用全桥测量电路,应变电阻作为桥臂电阻接在电桥电路中。
无压力时,电桥平衡,输出电压为零;有压力时,电桥的桥臂电阻值发生变化,电桥失去平衡,有相应电压输出。
三运放大电路是把传感器的微弱信号放大,以满足模数转换的要求,为保证测量的准确,放大器应该尽量做到高阻输入低阻输出,因此一般选用运算系统组成放大电路。
2.2 传感器的选择2.2.1 电阻应变式传感器的组成以及原理电阻应变式传感器是将被测量的力,通过它产生的金属弹性变形转换成电阻变化的元件。
由电阻应变片和测量线路两部分组成。
常用的电阻应变片有两种:电阻丝应变片和半导体应变片,本设计中采用的是电阻丝应变片,为获得高电阻值,电阻丝排成网状,并贴在绝缘的基片上,电阻丝两端引出导线,线栅上面粘有覆盖层,起保护作用。
CU系列称重传感器放大电路设计一.课程设计摘要CU系列称重传感器应用了电桥电路、放大电路、平移电路和A/D转换器,具有较高的灵敏度和应用性。
本文对这种传感器的部分电路进行研究演示出仿真图。
称重传感器是压力测量传感器,它常用于静态测量和动态测量,压缩形式,具有较好的精度。
它的机械部分是由一整块的金属部分组成,所以这个基本的测量元件和它的外壳部分没有焊接过程,从而使尺寸更小,并且加强了保护等级,这种点部测量的结构,具有8个压力测量,减少因负载的不完善的应用带来的误差。
正文中首先简单描述称重传感器工作原理,且附以系统硬件设计框图,并介绍了各部分的功能及工作过程, 并具体描述了软件调试。
其次阐述了程序的流程和实现过程。
关键词:电桥三运放放大器平移电路二.设计题目及技术指标:CU系列称重传感器如右图所示,常用于压缩形式应用中静态测量和动态测量。
现该传感器需要外配放大器,将其输出的电压信号转换成AD转换器所需要的电压,AD转换器的满范围输入电压为0.5~3V。
CU系列称重传感器的技术指标如下:标准输出电阻425欧姆;标准电源电压 6V。
1、平移电路设计平移电路的公式为:运算放大器的传递函数是一条直线方程: y=±mx ±b其电路结构取决于m 和b 的符号,不同的m 和b 的符号,可以形成4个方程,因此可以由4种不同结构的运放电路实现。
V OUT =mV IN +b V OUT =mV IN -b V OUT =-mV IN +b V OUT =-mV IN -b对于每个方程,若要解出m 和b ,需要两个数据点,就是两组V IN 和V OUT, 就可以联立求解上述方程。
所选可能:V OUT =mV IN +b这种情况的电路如图2所示。
电路中的两个0.01µF 的电容是去耦电容,因为参考电压来自电源,通常参考电压是要放大的。
由图,使用叠加原理和如下方程:对比方程 V OUT =mV IN +b ,可以得到下图: 再根据m n 的值,确定电路中的电阻和V REF 的值,其中:))((212G G F R R R R R R m ++=))((211GG F REF R R R R R R V b ++=2.仪表放大器基本工作原理运算放大器工作原理图:运算放大器可以实现前一级电桥输出的微小信号使得信号可以被电表测的。
《检测技术与仪表》课程设计报告题目:《称重传感器原理、结构线路及其应用》一、课程设计内容摘要称重传感器———称重系统的心脏。
随着技术的进步,由称重传感器制作的电子衡器已广泛地应用到各行各业,实现了对物料的快速、准确的称量,特别是随着微处理机的出现,工业生产过程自动化程度化的不断提高,称重传感器已成为过程控制中的一种必需的装置,从以前不能称重的大型罐、料斗等重量计测以及吊车秤、汽车秤等计测控制,到混合分配多种原料的配料系统、生产工艺中的自动检测和粉粒体进料量控制等,都应用了称重传感器,目前,称重传感器几乎运用到了所有的称重领域。
但其结构原理等对大多数自动化专业的初学者来说相对比较陌生,课程设计中,我们选用CXF01轮辐式传感器,针对称重传感器的工作原理、组成结构、测量电路原理图、特性及相关影响因素做进一步的学习,了解。
二、正文第一节、称重传感器原理:称重传感器是一种将质量信号转变为可测量的电信号输出的装置。
第二节、CXF01轮辐式称重传感器的结构原理图:检测电路原理:检测电路的功能是把电阻应变片的电阻变化转变为电压输出。
因为惠斯登电桥具有很多优点,如可以抑制温度变化的影响,可以抑制侧向力干扰,可以比较方便的解决称重传感器的补偿问题等,所以惠斯登电桥在称重传感器中得到了广泛的应用。
因为全桥式等臂电桥的灵敏度最高,各臂参数一致,各种干扰的影响容易相互抵销,所以称重传感器均采用全桥式等臂电桥。
其实称重传感器原理上就是压力传感器,形状不一样而已,通常有很多种方法传感的,但我见到,用得比较多,比如地磅用的那些,一般为电涡流式。
也就是说,他有一个电涡流触发绕组,然后还有一个传感器感应电涡流强度。
由于这个传感器整体是金属封装,电涡流在其内部,受到压后形变,涡流就发生变化,放大后就可以读到数据了。
然后,封装这个东西的材料,通常选用刚性材料,总之,就是一般的金属,比如钢,但肯定不会用很软的东西的。
至少电涡流方式传感的压力传感器,是不会用软金属制造的。
课 程 设 计2013年4月 5课 程 传感器课程设计题 目 电容式重量传感器设计 院 系 电气信息工程学院 专业班级 学生姓名 学生学号 指导教师任务书课程传感器课程设计题目电容式重量传感器应用电路设计专业测控技术与仪器姓名学号主要内容:电容式重量传感器:设计的传感器根据受压不同,输出信号不同。
本设计要求完成重量传感器的设计,采用电容式设计电路。
电容式称重传感器的原理:电容式称重传感器是把被称物体重量转换为电容容量变化的一种传感器。
通常为差动变间距电容式称重传感器,采用调频电路,实际上就是一个具有可变参数的电容器。
基本要求:1、按照技术要求,设想不同的设计方案并进行比较。
2、利用电容的特性设计出一种称重的应用电路。
3、说明所用传感器的基本工作原理、画出应用电路电路图。
完成期限指导教师专业负责人目录一、设计要求及用途 (1)二、方案设计 (1)方案一:电阻应变式称重传感器 (1)方案二:电感式称重传感器 (2)方案三:电容式重量传感器 (2)三、电容式传感器工作原理 (3)四、电路的工作原理 (3)五、单元电路设计、参数计算和器件选择 (3)1、单元电路设计 (4)2、器件选择 (5)3、元器件清单 (5)六、总结 (6)电容式重量传感器设计一、设计要求及用途设计的电容式重量传感器电路,当被称重物差动改变电容的间距而使电容发生变化时,振荡器的振荡频率发生相应变化,在鉴频器上变换为振幅的变化,经放大转换成一个直流的高电平信号输出,在称重仪表显示。
要求设计的传感器具有结构简单,能实现非接触测量,适应性强,体积小,灵敏度高,分辨率高等特点。
重量传感器主要应用在各种电子衡器、工业控制领域、在线控制、安全过载报警、材料试验机等领域。
如电子汽车衡、电子台秤、电子叉车、动态轴重秤、电子吊钩秤、电子计价秤、电子钢材秤、电子轨道衡、料斗秤、配料秤、罐装秤等。
二、方案设计目前称重传感器的敏感元件的类型主要有应变片、电容、电感等。
称重式传感器课程设计一、课程目标知识目标:1. 学生能理解称重式传感器的工作原理及其在工程测量中的应用。
2. 学生能够掌握称重式传感器的结构组成、功能特点及其数学模型。
3. 学生能够描述称重式传感器在测量精度、误差分析方面的基本知识。
技能目标:1. 学生能够正确操作称重式传感器,进行简单的称重实验,并记录数据。
2. 学生通过实际操作,学会对传感器数据进行初步处理和分析,提高实验报告撰写能力。
3. 学生能够运用所学知识解决实际称重问题,培养解决实际问题的能力。
情感态度价值观目标:1. 培养学生对传感器技术及物理测量的兴趣,激发学生探索科学技术的热情。
2. 培养学生严谨的科学态度和团队协作精神,提高学生的实验操作规范意识。
3. 通过课程学习,使学生认识到科技发展对生活的影响,增强学生的社会责任感和创新精神。
二、教学内容本课程依据课程目标,结合教材第十一章“传感器及其应用”相关内容,组织以下教学大纲:1. 引言:介绍传感器的基本概念,引出称重式传感器的重要性和应用领域。
- 传感器定义及分类- 称重式传感器在生活中的应用实例2. 称重式传感器工作原理及结构:- 弹性元件的应力与应变关系- 传感器敏感元件的转换原理- 称重式传感器的结构组成及功能3. 称重式传感器数学模型:- 传感器输出特性- 传感器数学模型建立- 传感器灵敏度、分辨率等参数介绍4. 称重式传感器的性能指标与误差分析:- 测量误差的概念及分类- 影响传感器精度的因素- 提高测量精度的方法5. 实践操作:- 称重式传感器操作演示- 学生分组进行简单的称重实验- 数据记录与分析6. 应用案例分析:- 介绍称重式传感器在工程测量中的应用案例- 分析案例中的实际问题及其解决方案7. 总结与拓展:- 回顾课程重点内容- 引导学生思考传感器技术的未来发展教学内容按照以上大纲进行安排和进度控制,保证学生能够系统、全面地掌握称重式传感器相关知识。
三、教学方法本课程采用多样化的教学方法,结合课本内容,旨在激发学生的学习兴趣,提高学生的主动参与度,具体包括以下几种:1. 讲授法:教师通过生动的语言、形象的表达,向学生讲解称重式传感器的基本概念、工作原理、数学模型等理论知识,为学生奠定扎实的理论基础。
东北石油大学课程设计2012年6 月25任务书课程传感器课程设计题目称重传感器应用电路设计专业测控技术与仪器姓名黄俊学号0906********主要内容:使用称重传感器,设计一台电子称电路,可称重5千克,精度10克。
设计开始先查阅相关资料,如元器件资料、方案选择等,可以使用单片机方案,也可以使用模拟电路方案,设计显示电路时显示**.**千克,并有相应的手动校正电路。
基本要求:1.设计以测量显示部分电路为主;2.要绘制原理框图;3.绘制原理电路;4.要有必要的计算及元件选择说明;5.提供元件清单;6.如果采用单片机,必需绘制软件流程图主要参考资料:[1]黄贤武,郑筱霞.传感器原理与应用[M].电子科技大学出版社,2004[2] 王琦.电阻应变式称重传感器的设计[J].木材加工机械.2005(3)[3] 缪少勇.浅谈称重传感器工作原理及故障排除[J].科学之友.2010(14)[4] 施昌彦.称重传感器计量规程[J].试验技术与试验机.1987(4)[5]张国维.测控电路[M].机械工业出版社,2007完成期限2012.6.25—2012.6.29指导教师专业负责人2012年6 月25 日摘要在我们生活中经常都需要测量物体的重量,于是就用到秤,但是随着社会的进步、科学的发展,我们对其要求操作方便、易于识别。
随着计量技术和电子技术的发展传统纯机械结构的杆秤、台秤、磅秤等称量装置逐步被淘汰,电子称量装置电子秤、电子天平等以其准确、快速、方便、显示直观等诸多优点而受到人们的青睐。
电阻应变式传感器具有测量范围广、精度高、误差小和线性度好等优点,且能在恶劣环境下工作,在力、压力和重量测试中有非常广泛的应用,力传感器具有结构简单、体积小、重量轻、使用寿命长等优异的特点。
所以电阻应变式力传感器制作的数显电子秤具有准确度高易于制作,简单实用、成本低廉、体积小巧、携带方便等特点。
关键词:称重传感器、电阻应变计、精度、显示目录一、设计要求 (1)二、方案设计 (1)1、方案说明 (1)2、方案论证 (2)三、传感器工作原理 (2)四、电路的工作原理 (4)五、单元电路设计、参数计算和器件选择 (6)1、测量电路 (6)2、差动放大电路 (7)3、A/D转换 (8)4、显示电路设计 (9)5、系统需要的元器件清单 (10)六、总结 (11)称重传感器应用电路设计一 、设计要求使用称重传感器,设计一台电子称电路,可称重5千克,精度10克。
设计开始先查阅相关资料,如元器件资料、方案选择等,可以使用单片机方案,也可以使用模拟电路方案,设计显示电路时显示**.**千克,并有相应的手动校正电路。
二、方案设计1、方案说明在设计系统时,针对各个电路模块实现的功能来设计电子秤的方案有以下两种:方案一 模拟电路方案首先利用由电阻应变式传感器组成的测量电路测出物质的重量信号。
其次,由差动放大器电路把传感器输出的微弱信号进行一定倍数的放大,然后送A/D 转换电路中。
然后再由A/D 转换电路把接收到的模拟信号转换成数字信号,传送到显示电路。
最后由显示电路显示数据,系统设计总体方案框图如图1所示。
图1模拟电路总体系统框图方案二 单片机方案按照本设计功能的要求,系统由5个部分组成:控制器部分、信号采集部分、报警部分、数据显示部分、和电路电源部分,系统设计总体方案框图如图2所示。
图2 单片机总体系统框图信号采集部分是利用称重传感器检测压力信号,得到微弱的电信号(本设计为电压信号),而后经处理电路(如滤波电路,差动放大电路,)处理后,送A/D 转换器,将模拟量转化为数字量输出。
控制器部分接受来自A/D转换器输出的数字信号,经过复杂的运算,将数字信号转换为物体的实际重量信号,并将其存储到存储单元中。
控制器还可以通过对扩展I/O的控制,对键盘进行扫描,而后通过键盘散转程序,对整个系统进行控制。
数据显示部分根据需要实现显示功能。
电路电源部分主要是为电路提供稳定方便的电源,将工频电压直接转换成所需的±5伏电压。
报警部分只要是在超重时对使用者发出警告声。
2、方案论证鉴于本电子秤的设计并不太复杂,通过方案比较,由于方案一采用器件较少,成本较低,电路实现简单,且方案一完全能实现所需功能,所以在具体设计时,采用了第一种设计方案。
首先利用由电阻应变式传感器组成的测量电路测出物质的重量信号,该重量信号通过差动输入和调理放大电路后,以模拟信号的方式传送到A/D转换器。
其次,由A/D转换电路把模拟信号转换成数字信号送给数码管,最后由显示电路显示数据。
三、传感器工作原理传感器实际上是一种将质量信号转变为可测量的电信号输出的装置。
用传感器首先要考虑传感器所处的实际工作环境,这点对正确使用传感器至关重要,它关系到传感器能否正常工作以及它的安全和使用寿命,乃至整个衡器的可靠性和安全性。
因此传感器外围电路的抗干扰能力是数据采集部分电路设计的关键环节。
称重传感器主要由弹性体、电阻应变片电缆线等组成,内部线路采用惠更斯电桥,当弹性体承受载荷产生变形时,输出信号电压可由式(1)给出:(1) 电阻应变式称重传感器是基于这样一个原理:弹性体(弹性元件,敏感梁)在外力作用下产生弹性变形,使粘贴在他表面的电阻应变片(转换元件)也随同产生变形,电阻应变片变形后,它的阻值将发生变化(增大或减小),再经相0应的测量电路把这一电阻变化转换为电信号(电压或电流),从而完成了将外力变换为电信号的过程。
由此可见,电阻应变片、弹性体和检测电路是电阻应变式称重传感器中不可缺少的几个主要部分。
下面就这三方面简要论述。
(一)电阻应变片电阻应变片是把一根电阻丝机械的分布在一块有机材料制成的基底上,即成为一片应变片。
他的一个重要参数是灵敏系数K 。
我们来介绍一下它的意义。
设有一个金属电阻丝,其长度为L ,横截面是半径为r 的圆形,其面积记作S ,其电阻率记作ρ,这种材料的泊松系数是μ。
当这根电阻丝未受外力作用时,它的电阻值为R :R = ρL/S (Ω) (2) 当他的两端受F 力作用时,将会伸长,也就是说产生变形。
设其伸长ΔL ,其横截面积则缩小,即它的截面圆半径减少Δr 。
此外,还可用实验证明,此金属电阻丝在变形后,电阻率也会有所改变,记作Δρ。
对式(2)求全微分,即求出电阻丝伸长后,他的电阻值改变了多少。
我们有:ΔR = ΔρL/S + ΔLρ/S –ΔSρL/S2 (3)用式(2)去除式(3)得到ΔR/R = Δρ/ρ + ΔL/L – ΔS/S (4)另外,我们知道导线的横截面积S = πr2,则 Δs = 2πr*Δr ,所以ΔS/S = 2Δr/r (5) 从材料力学我们知道Δr/r = -μΔL/L (6) 其中,负号表示伸长时,半径方向是缩小的。
μ是表示材料横向效应泊松系数。
把式(5)式(6)代入式(4),有E R R R R R R R R R R R R Uo )()(244332211424∆+∆+∆+∆•+•=ΔR/R = Δρ/ρ + ΔL/L + 2μΔL/L=(1 + 2μ(Δρ/ρ)/(ΔL/L))*ΔL/L= K *ΔL/L (7)其中K = 1 + 2μ +(Δρ/ρ)/(ΔL/L)(8)式(7)说明了电阻应变片的电阻变化率(电阻相对变化)和电阻丝伸长率(长度相对变化)之间的关系。
需要说明的是:灵敏度系数K值的大小是由制作金属电阻丝材料的性质决定的一个常数,它和应变片的形状、尺寸大小无关,不同的材料的K值一般在1.7—3.6之间;其次K值是一个无因次量,即它没有量纲。
在材料力学中ΔL/L称作为应变,记作ε,用它来表示弹性往往显得太大,很不方便。
常常把它的百万分之一作为单位,记作με。
这样,式(7)常写作:ΔR/R = Kε (9)(二) 弹性体弹性体是一个有特殊形状的结构件。
它的功能有两个,首先是它承受称重传感器所受的外力,对外力产生反作用力,达到相对静平衡;其次,它要产生一个高品质的应变场(区),使粘贴在此区的电阻应变片比较理想的完成应变电信号的转换任务。
(三)检测电路检测电路的功能是把电阻应变片的电阻变化转变为电压输出。
因为惠斯登电桥具有很多优点,如可以抑制温度变化的影响,可以抑制侧向力干扰,可以比较方便的解决称重传感器的补偿问题等,所以惠斯登电桥在称重传感器中得到了广泛的应用。
因为全桥式等臂电桥的灵敏度最高,各臂参数一致,各种干扰的影响容易相互抵销,所以称重传感器均采用全桥式等臂电桥。
四、电路的工作原理电子秤完整电路图如下图3所示,其电路构成主要有测量电路,差动放大电路,A/D转换,显示电路。
其中测量电路中最主要的元器件就是电阻应变式传感器。
电阻应变式传感器是传感器中应用最多的一种,广泛应用于电子秤以及各种新型结构的测量装置。
而差动放大电路的作用就是把传感器输出的微弱的模拟信号进行一定倍数的放大,以满足A/D转换器对输入信号电平的要求。
A/D转换的作用是把模拟信号转变成数字信号,进行模数转换,然后把数字信号输送到显示电路中去,最后由显示电路显示出测量结果。
图3 电子秤完整电路图当电桥平衡时,R1=R2=R3=R4=R,此时电桥的输出V0=0,当四桥臂的应变片受力变化后,输出变为:V0=kεE从传感器测量电路出来的模拟信号很微弱,必须通过放大器电路对其进行一定倍数的放大,才能满足A/D转换器对输入信号电平的要求。
我们选择两个运放组成的差动输入模块,该电路具有共模抑制比高和调节方便的特点,从差动放大电路输出地信号送调理滤波电路进一步放大和调理,可以将微弱的压力信号放大到满足A/D转换的要求。
采用5kg量程的传感器,在空载时,可设定调理放大电路输出模拟量为0V,若压力为5kg,输出模拟量为200mV,则平均每1g对应1LSB变化量,对应电压变化值为0.4mV。
五、单元电路设计、参数计算和器件选择1、测量电路电阻应变片可直接粘贴在被测量的受力构件上,测量应力、应变。
然而要测量其他被测量(如力、压力、加速度等),就要先将这些被测量转换成应变,然后再用应变片进行测量,比直接测量多了一个转换过程,完成这种转换的原件弹性敏感原件。
由弹性敏感元件和应变片,以及一些附件(补偿元件,壳体等)便组成各种电阻应变式传感器。
电阻应变片的电阻变化范围为0.0005—0.1欧姆。
所以测量电路应当能精确测量出很小的电阻变化,在电阻应变传感器中常用的是桥式测量电路。
桥式测量电路有四个电阻,电桥的一个对角线接入工作电压E,另一个对角线为输出电压Uo。
其特点是:当四个桥臂电阻达到相应的关系时,电桥输出为零,否则就有电压输出,可利用灵敏检流计来测量,所以电桥能够精确地测量微小的电阻变化。
测量电桥如图4。
图4 传感器的测量电路它由箔式电阻应变片电阻R1、R2、R3、R4组成测量电桥,R1、R2、R3、R4 为特性相同的应变片,且有R1=R2=R3=R4=R,测量电桥的电源由稳压电源E供给。