项目施工升降机自检报告
- 格式:doc
- 大小:133.50 KB
- 文档页数:6
施工升降机自检报告
设备名称:
注册代码:
安装单位:
检验日期:
填写说明
1、本报告书适用于施工升降机验收检验和定期检验。
2、本报告书应用钢笔、签字笔填写,字迹应清晰、工整。
3、本报告书不得随意更改,如需更改,应采用杠改的方法,
不得涂改,擦改。
更改人应在杠改处签字或盖章。
4、“检验结果”栏的填写:
4.1、有测试数据要求的项目,应填写测试数据。
4.2、无测试要求的,可以用符号“√”表示符合检验内
容要求;用符号“╳”表示不符合检验内容要求;用
“/”表示无此项,有需要说明的项目,可以用简单
的文字说明现场检验状况。
5、本报告书一式二份,由安装(或修理、改造)单位和使用单位分别保存。
6、本报告书无检验、审核的人员签字和安装(或修理、改造)单位公章无效。
7、“序号”中带“☆”为验收检验的项目,不属于定期检验
项目。
施工升降机自检报告。
施工升降机安装验收表自检报告背景施工升降机在施工中扮演着重要的角色。
为了确保使用的安全和效果,需要进行安装验收。
本文档记录了施工升降机安装验收表的自检报告,以提高施工安全性和工作效率。
安装验收表安装验收表是记录施工升降机安装信息的文档。
它包含了以下信息:•施工升降机的型号、参数和技术要求•安装的位置和条件•安装的日期•施工升降机的组装过程•施工升降机的试运行结果•施工升降机的使用注意事项和安全措施•施工升降机的维护和保养要求自检报告为保证安全和质量,施工升降机安装验收表需要进行自检。
自检过程可以包含以下内容:1. 施工升降机型号和参数检查安装的施工升降机型号和参数是否与安装验收表中所列一致。
如果存在不一致,需要进行更正和补充。
2. 安装位置和条件检查安装位置和条件是否符合安装验收表中的要求。
主要包括建筑结构的承重能力和固定设备的程度等。
3. 安装日期检查安装日期是否符合要求,并核实相关证明文件,如安装合同、验收记录等。
4. 组装过程检查施工升降机的组装过程是否符合安装验收表和安装要求。
主要包括零部件安装的精度、连接件门数和紧固度、液压系统连接的正确性等。
5. 试运行结果执行试运行,检查试运行结果是否符合施工升降机的使用要求。
包括无异响、液压系统能否正常工作、机械部件的使用是否畅通等。
6. 使用注意事项和安全措施核查施工升降机使用注意事项和安全措施是否明确。
主要包括平衡阀、过载阀、限位开关、限高开关等的作用和使用方法。
7. 维护和保养要求检查安装验收表中的维护和保养要求是否明确,并根据需要提出建议和补充。
结论施工升降机安装验收表的自检报告是确保施工升降机安装质量和安全的必要措施。
执行自检报告将有助于提高施工效率和安全性。
建议在施工升降机的使用期间定期进行自检,以确保其始终处于最佳工作状态。
施工升降机自检报告
(注:本文所提供的关于行业或项目或个人的一些自检报告等内容;仅供参考,不作具体使用)
自检负责人:单位公章:
下列资料:
1、《建筑施工起重机械设备安全备案手册》;
2、开工审批表;
3、安装起重机械设备的施工合同正本;
4、《起重设备安装工程专业资质》(正副本)、《营业执照》、(副本),外埠进连安装单位还需要持当地出具的外出施工证明。
5、经审批的施工方案和安全防护措施;
6、安装单位、使用单位特种作业人员的操作证;
7、地耐力实验报告、隐蔽记录。
施工升降机基本情况
(注:本文所提供的关于行业或项目或个人的一些自检报告等内容;仅供参考,不作具体使用)
防坠安全器生产制造及检测情况
注:起重机械申请登记应提供以下资料:
(一)、起重机械登记编号申请表;□
(注:本文所提供的关于行业或项目或个人的一些自检报告等内容;仅供参考,不作具体使用)
(二)、起重机械产权单位法人营业执照复印件;□
(三)、起重机械购置合同、发票及证明产权的资料复印件;□
(四)、产品合格证、起重机械产品安全技术监督检验合格证、使用说明书及其他随机资料复印件;□
(五)、特种设备整机型式试验报告及制动器、防坠器型式试验报告复印件;□(六)、起重机械生产企业的《特种设备制造许可证》复印件;□
(七)、已使用的起重机械需提供具备资质的监督检验机构出具的两年内最近一次检测合格的报告复印件;□
(八)、进口的起重机械应当通过“商检”复印件。
□
(注:本文所提供的关于行业或项目或个人的一些自检报告等内容;仅供参考,不作具体使用)。
建筑升降设备安装自检报告概要:本报告旨在记录建筑升降设备的安装自检情况。
自检是确保设备安装质量和安全性的关键步骤,以预防事故和确保用户健康和安全。
本报告将详细描述各项自检内容和结果,以便确保设备符合相关标准和规范。
1. 设备信息:- 设备名称:- 设备型号:- 安装地点:- 设备安装日期:- 设备负责人:2. 安装自检:在设备安装过程中,进行了以下自检步骤和评估,以确保设备符合相关要求和标准:- 材料检查:确认所使用的材料是否符合建筑升降设备安装的要求和规定。
- 设备验收:对安装的设备进行全面的验收,确保设备品质和性能符合要求。
- 电气安全:检测设备的电气部分,包括接地、绝缘和电气连接的安全性。
- 结构完整性:评估设备的整体结构和强度,确保其能够安全地承受预期的负荷。
- 安全控制:验证设备的安全控制系统和应急停止装置的有效性。
- 运行测试:测试设备的正常运行和控制功能,确保其安装正确且无故障。
- 文档记录:记录安装过程和自检结果,并将其归档以备将来参考。
3. 自检结果:在进行以上自检步骤后,以下是我们对建筑升降设备的自检结果总结:- 材料检查:所有使用的材料均符合要求和规定。
- 设备验收:设备的品质和性能符合要求。
- 电气安全:设备的电气部分通过所有安全检测。
- 结构完整性:设备的结构和强度满足安全标准。
- 安全控制:设备的安全控制系统和应急停止装置有效。
- 运行测试:设备运行正常,控制功能正常且无故障。
结论:通过以上自检步骤和评估,建筑升降设备的安装质量和安全性已经得到了验证。
我们相信这些措施将确保设备在正常使用中不会出现故障且符合相关标准和规范。
如有需要,我们将继续进行定期检查和维护,以确保设备的可靠性和安全性。
备注:请注意,本报告仅适用于刚刚完成的安装自检,并不包括日常维护和检查的内容。
施工升降设备检查情况汇报根据施工现场安全管理的要求,我们对施工升降设备进行了定期的检查和情况汇报。
以下是我们对施工升降设备检查情况的详细汇报:一、设备基本情况。
我们所使用的施工升降设备包括升降机、施工升降台等,这些设备是用于工地施工人员的垂直运输,保障施工工作的进行。
目前,我们共有5台升降机和3台施工升降台,全部设备均为新购设备,使用时间不长,设备结构完好,外观无损坏。
二、设备日常检查情况。
我们对施工升降设备进行了日常的检查和维护,每天开工前,专门负责设备管理的工作人员会对设备进行全面的检查,包括电气系统、液压系统、安全防护装置等,确保设备的正常运行。
同时,我们还对设备进行了定期的保养和维修,保证设备的安全性和稳定性。
三、设备安全管理情况。
在施工现场,我们严格执行设备使用规定,设备操作人员必须持有相关证书,并经过专业培训,确保操作规范、安全。
同时,我们加强了对设备使用过程中的安全监管,设备操作人员必须佩戴安全带,严禁超载、超速等行为,确保施工升降设备的安全使用。
四、设备使用效果。
通过对施工升降设备的检查和汇报,我们发现设备的使用效果良好,能够满足施工需要,提高了工作效率,保障了施工人员的安全。
设备的稳定性和安全性得到了有效的保障,为施工工作提供了有力的支持。
五、设备管理改进建议。
在对施工升降设备的检查和汇报中,我们也发现了一些问题,比如设备的维护和保养工作还需要进一步加强,设备使用过程中的安全管理还存在一些不足。
因此,我们提出了以下改进建议:1.加强设备的定期维护和保养工作,确保设备的正常运行和安全使用。
2.加强设备操作人员的安全培训和管理,提高操作人员的安全意识和操作技能。
3.建立健全设备管理制度,明确设备的管理责任和管理流程,确保设备的安全使用。
以上就是我们对施工升降设备检查情况的汇报,我们将严格执行设备管理要求,不断完善设备管理制度,确保施工升降设备的安全使用,为施工工作提供有力的支持。
**三期一标施工升降机自查自纠报告项目部于20**年10月15日会同监理单位、组成立安全检查小组,对**三期一标施工升降机进行全面的安全自查自纠检查。
一、组织构架首先建立自查自纠小组,小组人员名单如下:组长:** **副组长:**、**成员:***二、检查依据1、《中华人民共和国安全生产法》(中华人民共和国主席令第70号)2、《建筑起重机械安全监督管理规定》(建设部令第166号)3、《关于印发《建筑施工特种作业人员管理规定》的通知》(建质[2008]75号)4、《特种作业人员安全技术培训考核管理规定》(国家安全生产监督管理总局令第30号)5、《关于印发《建筑施工企业安全生产管理机构设置及专职安全生产管理人员配备办法》的通知》(建质[2008]91号)6、《关于印发《危险性较大的分部分项工程安全管理办法》的通知》(建质[2009]87号)7、相关部门的文件及规定。
二、重点自查自纠内容:1、检查项目所使用的施工升降机均已办理了产权备案和使用登记手续,结果如下;1#施工升降机安装1-13轴至1-17轴交1-Q,规格型号:SC200/200TD,出厂编号:11058849;产权备案号:粤AE-S00450;检验报告编号:G20**(73)067742000088,报告日期:20**-4-21;使用登记号:粤TT-01-**05-3231;2#施工升降机安装3-16轴至3-20轴交3-R,规格型号:SC200/200TD,出厂编号:11069275;产权备案号:粤AE-S00468;检验报告编号:G20**(73)0678442000089,报告日期:20**-4-21;使用登记号:粤TT-02-**05-3230;3#施工升降机安装4-1轴至4-5轴交4-L,规格型号:SC200/200TD,出厂编号:11058844;产权备案号:粤AE-S0****;检验报告编号:G20**(73)0679442000090,报告日期:20**-4-21;使用登记号:粤TT-00-**05-3229;4#施工升降机安装6-1~6-6交6-R轴,规格型号:SC200/200TD,出厂编号:11089769;产权备案号:粤AE-S00545;检验报告编号:ST-ZS20**-0130,报告日期:20**-6-27;使用登记号:粤TT-02-**07-3578;5#施工升降机安装11-S交11-11至11-**,规格型号:SC200/200,出厂编号:**031974;产权备案号:粤AE-S01937;检验报告编号:ST-ZS20**-0099,报告日期:20**-5-28;使用登记号:粤TT-00-**07-3482;6#施工升降机安装19-A交19-**至19-**,规格型号:SC200/200,出厂编号:**032172;产权备案号:粤AE-S01938;检验报告编号:ST-ZS20**-0100,报告日期:20**-5-28;使用登记号:粤TT-00-**07-3481;7#施工升降机安装20-N交20-1至20-5,规格型号:SC200/200,出厂编号:801731;产权备案号:粤EB-S01001;检验报告编号:ST-ZS20**-0109,报告日期:20**-6-27;使用登记号:粤TT-01-**08-3663;8#施工升降机安装21-15~21-19交21-A,规格型号:SC200/200,出厂编号:13030517;产权备案号:粤EB-S01087;检验报告编号:ST-ZS20**-0110,报告日期:20**-6-27;使用登记号:粤TT-01-**08-3664;9#施工升降机安装22-15~22-19交22-A,规格型号:SC200/200,出厂编号:11079592;产权备案号:粤AE-S00520;检验报告编号:G20**(73)**694420002**,报告日期:20**-7-**;使用登记号:粤TT-02-**08-3662;2、持证上岗情况:三期一标共9台施工升降机,均持证上岗,施工升降机起重司机19人(后附持证照片),证件均未过期,且齐全有效(后附特种作业人员登记表);3、设备管理人员:宋先俊为机械设备管理员,后附相关证书。
升降机自检报告1. 引言升降机是一种常用的垂直运输设备,用于在建筑工地、商业楼宇等场所进行货物和人员的运输。
为了确保升降机的安全运行和使用,每台升降机都需要进行定期的自检。
本报告旨在总结升降机的自检结果,并提供一些维护建议。
2. 自检项目升降机的自检包括以下几个主要项目:2.1 电气系统•检查电气系统的接地是否正常•检查电气线路和开关是否正常工作•检查电气设备是否存在损坏或磨损2.2 机械部件•检查升降机的钢丝绳是否完好•检查制动器和传动系统的工作是否正常•检查升降机的楼层显示和急停按钮是否灵敏2.3 安全防护装置•检查升降机的门、围栏等安全防护装置是否完好•检查限位开关和挡板是否正常工作•检查安全绳和缓冲器的使用情况2.4 液压系统•检查液压系统的油液是否充足•检查液压缸和阀门是否正常工作•检查液压系统的管道是否有泄漏现象3. 自检结果根据对升降机的自检,以下是本次自检结果总结:1.电气系统:所有接地正常,电气线路和开关运作正常,未发现设备损坏或磨损。
2.机械部件:钢丝绳没有断裂或磨损迹象,制动器和传动系统工作正常,楼层显示和急停按钮灵敏度合格。
3.安全防护装置:门、围栏完好无损,限位开关和挡板工作正常,安全绳和缓冲器正常使用。
4.液压系统:液压油液充足,液压缸和阀门工作正常,没有液压管道泄漏。
根据以上自检结果,本台升降机可以正常使用。
4. 维护建议虽然本次自检结果良好,但仍有必要进行定期的维护和保养,以确保升降机的长期稳定运行。
以下是一些维护建议:1.定期更换电气设备的磨损零件,确保电气系统的正常运行。
2.每隔一段时间对钢丝绳进行检查,发现断裂或磨损及时更换。
3.定期检查制动器和传动系统,调整工作状态以确保安全运行。
4.每季度检查安全防护装置的完整性,及时修复或更换损坏的部件。
5.定期更换液压油液,并检查液压系统的工作状态。
5. 结论本次升降机自检结果良好,各项自检项目全部符合要求。
然而,维护和保养仍为确保升降机安全运行的关键。
施工升降机安全检查
施工升降机安全检查报告
时间:XX年XX月XX日
地点:施工现场
检查人员:XXX
一、检查目的:
本次检查旨在确保施工升降机的安全性能符合相关标准,避免发生事故和人员伤亡。
二、检查项目及结果:
1. 机械部分:
1.1 检查升降机主要部件是否完好无损。
结果:主要部件完好无损。
1.2 检查升降机传动装置是否正常运作。
结果:传动装置正常运作。
1.3 检查升降机的制动系统是否灵敏可靠。
结果:制动系统灵敏可靠。
2. 电气部分:
2.1 检查升降机电气系统是否正常工作。
结果:电气系统正常工作。
2.2 检查升降机电源及电缆是否接地良好。
结果:电源及电缆接地良好。
2.3 检查升降机安全门是否完好并能正常关闭。
结果:安全门完好并能正常关闭。
3. 安全装置:
3.1 检查升降机安全锁是否正常运作。
结果:安全锁正常运作。
3.2 检查升降机防倾倒装置是否灵敏可靠。
结果:防倾倒装置灵敏可靠。
3.3 检查升降机限位装置是否准确可靠。
结果:限位装置准确可靠。
三、存在的问题及处理措施:
根据检查结果,施工升降机工作正常,未发现安全隐患。
四、下一步措施:
对施工升降机进行定期保养和维修,确保其继续保持良好的工
作状态,避免出现故障或事故。
五、检查人员签名:
六、日期:
注:本检查报告仅针对特定施工升降机进行检查,不适用于其他设备。
施工升降机自检报告报装编号:_________________________________________ 工程名称:_________________________________________ 使用单位:_________________________________________ 安装单位:__________________ 技术负责人:__________ 检验日期:_________________________________________注意事项及填写说明1、本检验记录适用于施工升降机安装单位组织的企业自检记录。
2、本检验记录应用钢笔或圆珠笔填写,字迹应工整;填写数据准确,内容齐全。
3、在“实测”栏中对“检验内容和要求”栏中的项目进行检验判别:对于符合要求或有效的在“实测”栏相对应的方框内划“×”,需要简述的在该栏空隙处简述:对于项目内部分条款为无此项的在“实测”栏与该条款相对应的方框内划“/”,项目内全部条款为无此项的在“实测”栏内划“/”。
4、对于需要填写数据的项目必须如实填写数据。
5、检验记录中注有“*”的项目为重要项,其它为一般项。
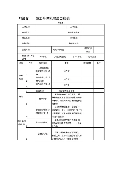
检测人工地负责人:年月日年月日序号检查项目检验结果结论1 金属结构、焊接2 基础沉降、积水3 安装垂直度4 防护围栏5 吊笼、安全门、安全防坠器6 传动系统、齿条、齿轮7 制动8 导向与缓冲装置9 安全装置、安全开关10 电器、重量限制器11 加固附着注:检验合格“”不合格“”第3页共8页第4页共8页第5页共8页第6页共8页第7页共8页第8页共8页友情提示:范文可能无法思考和涵盖全面,供参考!最好找专业人士起草或审核后使用,感谢您的下载!。
施工升降机定期检验自检报告
1. 项目信息
- 项目名称:[填写项目名称]
- 施工升降机型号:[填写升降机型号]
- 安装位置:[填写安装位置]
- 检验日期:[填写检验日期]
2. 自检信息
2.1 外观检查
- 检查升降机外观是否完好无损
- 检查绳/链条是否有断裂或明显磨损
- 检查电缆是否破损或接触不良
- 检查各个控制器是否正常工作
2.2 安全装置检查
- 检查限位开关是否正常工作
- 检查紧急停止按钮是否正常工作
- 检查安全门/护栏是否完好并能够正常关闭和锁上
- 检查超载保护装置是否有效
2.3 运行检查
- 检查升降机的上升、下降和停止功能是否正常
- 检查平稳性,检查升降机在运行过程中是否有明显的晃动或噪音
- 检查速度是否在规定范围内
- 检查升降机的紧急停止功能是否正常
2.4 控制系统检查
- 检查升降机的控制系统是否正常工作
- 检查按钮和控制器是否呈现明显磨损或损坏
- 检查控制面板是否操作灵活、准确
3. 检验结果
- 经自检,施工升降机在外观、安全装置、运行和控制系统方面均正常工作。
- 无需进一步的维修和调整。
4. 自检人员和日期
- 自检人员:[填写自检人员]
- 自检日期:[填写自检日期]
以上为施工升降机定期检验自检报告,供参考。
如有问题或需要进一步的检查,请及时联系相关部门或负责人进行处理。
施工升降机安装检验评定报告1. 背景本文档对某项目中使用的施工升降机进行了安装检验评定,以保障施工工作的顺利进行和人员安全。
2. 检验目的本次施工升降机安装检验评定的目的是:•检查施工升降机的基础、设备安装是否符合规范和设计要求;•检测施工升降机的功能是否正常;•检查施工升降机的制动系统是否可靠;•评定施工升降机的安全可靠性和合格性。
3. 检验内容本次安装检验评定主要对施工升降机以下部分进行检查:•升降机基础施工;•升降机结构安装;•升降机驱动设备、限位装置、制动系统等设备安装;•升降机预警、保护装置等安全保障措施;•升降机整机运转试验。
4. 检验方法本次安装检验评定采用以下方法:•安装现场实地检查、记录;•升降机运转试验;•隐蔽工程复查。
5. 检验结果5.1 升降机基础施工升降机基础施工符合设计要求,基础深度、强度、平整度均符合要求;基础表面平整度±2mm,水平度±1‰。
通过实地检查、复查,确认基础施工符合要求。
5.2 升降机结构安装升降机结构安装符合规范和设计要求。
升降机结构的承载部分均采用Q345B合金,焊缝均经过X射线检验,完全符合相关要求。
通过实地检查、复查,确认升降机结构安装符合要求。
5.3 升降机驱动设备、限位装置、制动系统等设备安装升降机驱动设备、限位装置、制动系统等设备安装符合规范、国家标准及设计要求。
驱动设备采用交流变频电动机驱动,限位装置采用光电开关,制动系统采用防飞轮机构,符合相关要求。
通过实地检查、试验检验,确认上述设备安装符合要求,各项指标均在规范范围内。
5.4 升降机预警、保护装置等安全保障措施升降机预警、保护装置等安全保障措施符合规范、国家标准及设计要求。
前、后门设置监视器,操作台面积符合要求,配备应急快停按钮,安全门现场检验符合要求。
通过实地检查、复查确认升降机预警、保护装置等安全保障措施符合要求。
5.5 升降机整机运转试验升降机整机运转试验符合规范、标准及设计要求。
施工升降机自检报告报告编号:XXXXX-YYMMDD报告日期:20YY年MM月DD日检查单位:XXX施工工程有限公司被检单位:ABC建设有限公司一、检查目的及背景本次自检旨在核实施工升降机的安全性能,确保其能够正常运行并符合相关安全规范。
本次自检由我公司派遣专业技术人员进行。
二、自检范围本次自检涵盖了施工升降机主要的安全设备和零部件,包括但不限于以下内容:1.安全钢丝绳及其附件的检查;2.传动系统的检查;3.紧急制动装置的检查;4.限位开关的检查;5.控制系统的检查;6.安全警示装置的检查。
三、自检结果经过对施工升降机各项设备的仔细检查,检查人员发现以下问题及处理措施:1.安全钢丝绳及其附件的检查a)安全钢丝绳出现部分锈蚀和断裂,需要更换新的安全钢丝绳。
b)钢丝绳连接件松动,需要进行重新紧固。
处理措施:更换新的安全钢丝绳,并对钢丝绳连接件进行重新紧固。
2.传动系统的检查a)传动系统中的齿轮磨损较为严重,需更换新的齿轮。
b)传动皮带松动,需要重新调整紧固。
处理措施:更换新的齿轮,并对传动皮带进行重新调整紧固。
3.紧急制动装置的检查紧急制动装置正常工作,无异常情况。
4.限位开关的检查限位开关存在失效情况,无法正常检测到升降机位置。
处理措施:更换新的限位开关,确保其能够正常检测到升降机位置。
5.控制系统的检查控制系统存在故障,无法正常进行远程控制和监控。
处理措施:进行控制系统的维修,确保其能够正常进行远程控制和监控。
6.安全警示装置的检查安全警示灯和报警器正常工作,无异常情况。
四、自检结论经过对施工升降机各项设备的仔细检查和问题处理,自检结果如下:1.安全钢丝绳和附件已更换,确保升降机的安全性能。
2.传动系统的齿轮和皮带已更换并重新调整紧固。
3.紧急制动装置正常工作,无异常情况。
4.限位开关已更换,可以正常检测升降机位置。
5.控制系统经过维修,恢复了远程控制和监控功能。
6.安全警示装置正常工作,无异常情况。
编号:
起重机械施工自行检验报告
(施工升降机)
填写说明
1、本报告是依据TSG Q7016-2008《起重机械安装改造重大维修监督检验规则》和施工单位单位起重机械质量管理体系文件要求,对起重机械进行施工的自行检验报告。
2、报告应当由计算机打印输出,或者用钢笔、签字笔填写,字迹要工整,涂改无效。
3
安全技术规填写。
4、检验信息、设备参数封页、工程概况栏目应严格依据依照实际情况完整、详细选取、填写。
5、“施工开始日期”应填写办理完告知手续在监检机构报检后的设备安装开始日期(不含基础、道轨安装);“施工结束日期”应填写设备安装完成日期;“检验日期”应填写检验工作完成日期。
6、检验项目“检验结果”栏的填写:
a、要求测试数据的项目,应在栏填写实际测量后经过处理的数据;
b、未要求测试数据的项目,用“符合”表示符合检验容要求;用“不符合”表示不符合检验容要求;
c、设备不存在的检验项目或未经检验的项目,用“无此项”表示。
7、检验项目“检验结论”栏的填写:
a、相应“检验结果”栏为符合时,填写“合格”;
b、相应“检验结果”栏为不符合时,填写“不合格”;
c、相应“检验结果”栏为“无此项”时,填写“无此项”。
8、“备注”栏的填写检验人员认为应记载的事项。
9、本报告必须有检验、审核、批准人员、监检人员的签字和施工、使用单位的签章,否则无效。
10、本报告的填写还应同时符合施工单位质量管理体系相关作业指导书有关填写规定。
11. 本报告一式三份,由检验机构、使用单位、施工单位分别保存。
施工升降机施工自行检验记录附页。