施工升降机自检记录no:
- 格式:doc
- 大小:128.00 KB
- 文档页数:10
施工升降机日常运行检查记录为确保施工升降机的安全运行,提高工作效率,必须进行日常运行检查。
以下是施工升降机日常运行检查记录的内容,详细描述了每一个检查项目的要求和操作方法。
1.检查电源系统-检查电源连接是否牢固,电线是否有断裂和损坏。
-检查电源插头的接触是否良好,是否有锈蚀。
-检查电源线的接地是否正常。
2.检查控制系统-检查控制箱内的电线是否有松动和脱落。
-检查各个控制按钮是否有反应,是否灵敏。
-检查遥控器的电池是否充足。
3.检查升降装置-检查升降装置的钢丝绳是否有断裂和磨损。
-检查升降装置的导向轨和滑轮是否有松动和缺损。
-检查升降装置的制动器是否正常工作。
4.检查安全限位装置-检查上限位开关和下限位开关是否正常工作,是否能够准确停止升降机。
-检查安全绳是否有松动和磨损,是否能够及时起到保护作用。
5.检查防护装置-检查安全门和防护栏杆是否完好,是否能够防止人员从升降机上掉落。
-检查防护网是否稳固,是否能够防止物品从升降机上掉落。
6.检查紧急停机装置-检查紧急停机按钮是否能够立即停止升降机的运行。
-检查紧急停机装置的指示灯是否正常亮起。
7.检查照明设备-检查升降机内部和外部的照明设备是否正常工作。
-检查照明灯泡是否需更换,是否安装牢固。
8.检查仪表和报警器-检查仪表和报警器的指示是否正常,是否有异常报警。
-检查仪表和报警器的按钮是否灵敏,是否能够正常操作。
以上是施工升降机日常运行检查记录的内容,每种检查项目都是为了确保施工升降机的安全运行。
在进行检查时,应按照检查要求进行操作,并将检查结果记录在检查记录表上,以备后期参考和分析。
同时,如果发现任何异常情况,应立即停止使用升降机,并通知相关人员进行维修和处理。
只有通过日常的检查和保养,才能确保施工升降机的安全稳定运行,为工作人员提供良好的工作环境。
施工升降机安全检查记录表施工升降机是现代建筑施工最常用设备之一,为了确保施工升降机的安全运行,必须定期进行安全检查,记录检查结果,并做出相应的处理。
下面是一份施工升降机安全检查记录表,以供参考。
施工升降机安全检查记录表检查项目:施工升降机检查单位:检查日期:检查结果:序号检查项目检查内容检查结果备注1 车体和箱壳 1.外观有无损坏 2.车体和箱壳是否有变形、开裂、漏油、漏水等现象。
√2 电气系统 1.有无松动的电缆、水印、硬伤等现象。
2.遥控箱、开关等控制设备是否安装牢固。
√3 限位装置 1.到达限位后是否自动停止。
2.防止超重运行的限重保护装置是否工作。
√4 防坠落装置 1.导轨、脚手架等防止坠落的装置是否牢固。
2.防止坠落装置是否准确工作。
√5 制动装置 1.刹车装置是否松动、老化。
2.制动效果是否准确。
√6 安全门和扶手 1.有无损坏、变形现象。
2.维修通道旁边是否设置扶手。
√7 调度器和悬空装置 1.有无松动、老化等现象。
2.悬空时是否先给车体上锁。
√8 火灾安全 1.灭火器、消防栓是否齐全,并能够正常使用。
2.喷淋系统是否正常。
√9 工地安全 1.施工升降机周围是否有障碍物。
2.是否设置警示标志等安全提示。
√10 操作员 1.操作员是否熟悉操作规程。
2.是否经过培训和鉴定。
√检查结论:经检查,施工升降机安全装置设备齐全,防坠落、限位、制动等安全装置均能准确工作,车体和箱壳完好,操作员经过鉴定具有操作资质。
但如有发现问题,请立即停用并报告相关人员处理。
处理结果:如有问题,需要立即停用并通知相关部门进行处理。
同时,需要制定具体的处理方案,并严格按照规定进行维修、更换等工作。
更新施工升降机安全检查记录表,并保留至少三年备查。
施工升降机定期自检表含续表前言施工升降机作为一种高空作业设备,其安全性非常重要。
为了更好地保障施工升降机的正常运行和工作人员的安全,每个使用单位都必须定期进行自检和维护。
本文将介绍施工升降机定期自检表,供使用单位参考。
自检周期根据国家标准《施工升降机工程质量验收规范》(GB/T 10054-2005)的规定,施工升降机的自检周期一般为以下三个周期:•日常自检:每个工作日开机前进行,重点检查轮胎、蓄电池、液压管路等部位是否正常。
•周期自检:每250个工作小时进行一次,重点检查传动装置、制动器、液压系统、安全装置等部位是否正常。
•资格检查:每一年进行一次,重点检查整机结构、电气系统、液压系统、功率源供电、安全装置等是否正常。
自检内容根据国家标准《施工升降机工程质量验收规范》(GB/T 10054-2005)的规定,施工升降机的自检内容应包括以下方面:日常自检•轮胎及轮轴:检查轮胎是否磨损、破损,轮轴是否变形、裂纹。
•液压系统:检查液压系统是否漏油、漏水,压力是否正常。
•电气系统:检查电气系统是否正常,电缆是否磨损、破损,开关、断路器是否正常。
•蓄电池:检查蓄电池是否正常,电量是否充足。
•安全装置:检查安全绳、安全装置、限位开关等是否正常。
•其他:检查润滑油是否充足,机器是否干净、整洁。
周期自检•传动装置:检查传动装置(齿轮、液压马达、链条等)是否磨损、裂纹,紧固螺钉是否松动。
•制动器:检查制动器是否正常,制动片是否磨损,制动力是否正常。
•液压系统:检查液压系统是否正常,油管是否开裂。
•安全装置:检查安全绳、安全装置、限位开关等是否正常。
•其他:检查电缆是否磨损、破损,开关、断路器是否正常。
资格检查•整机结构:检查整机结构是否存在变形、裂纹等缺陷。
•电气系统:检查电气系统是否正常,电缆是否磨损、破损,开关、断路器是否正常。
•液压系统:检查液压系统是否正常,油管是否开裂。
•功率源供电:检查电源线路、控制器、电动机等是否正常。
编号:起重机械施工自行检验报告(施工升降机)(施工单位名称)填写说明1、本报告是依据TSG Q7016-2008《起重机械安装改造重大维修监督检验规则》和施工单位单位起重机械质量管理体系文件要求,对起重机械进行施工的自行检验报告。
2、报告应当由计算机打印输出,或者用钢笔、签字笔填写,字迹要工整,涂改无效。
3、报告中带“□”技术规范填写。
4、检验信息、设备参数封页、工程概况栏目应严格依据依照实际情况完整、详细选取、填写。
5、“施工开始日期”应填写办理完告知手续在监检机构报检后的设备安装开始日期(不含基础、道轨安装);“施工结束日期”应填写设备安装完成日期;“检验日期”应填写检验工作完成日期。
6、检验项目“检验结果”栏的填写:a、要求测试数据的项目,应在栏内填写实际测量后经过处理的数据;b、未要求测试数据的项目,用“符合”表示符合检验内容要求;用“不符合”表示不符合检验内容要求;c、设备不存在的检验项目或未经检验的项目,用“无此项”表示。
7、检验项目“检验结论”栏的填写:a、相应“检验结果”栏为符合时,填写“合格”;b、相应“检验结果”栏为不符合时,填写“不合格”;c、相应“检验结果”栏为“无此项”时,填写“无此项”。
8、“备注”栏的填写检验人员认为应记载的事项。
9、本报告必须有检验、审核、批准人员、监检人员的签字和施工、使用单位的签章,否则无效。
10、本报告的填写还应同时符合施工单位质量管理体系相关作业指导书有关填写规定。
11. 本报告一式三份,由检验机构、使用单位、施工单位分别保存。
施工升降机施工自行检验报告结论页共5页第1 页。
施工升降机每日安全检查、运行记录表一、安全检查1. 检查车辆外观及结构1.车架、梯架、轮胎是否完整、无裂纹、正常工作2.主要钢构件是否有锈蚀、裂纹、破损等情况3.车窗、车门是否完好4.是否安装有手扶梯及其他必要的装置2. 检查电气系统1.电气控制器和电缆是否完好2.操作台和按钮是否灵活、有明显磨损、故障3.操作台显示屏是否正常、有无故障3. 检查升降机结构1.平台、扶手和门是否稳定、无损坏、裂纹和变形2.边缘保护和踏板是否完好,防止人员滑落和打滑3.升降机的传动机构是否运转正常、有无松动4. 检查安全保护装置1.超速保护、位置开关和紧急停车装置是否正常2.安全制动装置是否灵活、可靠,能在必要时立即刹车3.超载保护装置是否正常,能及时侦测超载状态并切断电源二、运行记录日期开始时间结束时间运行时间(小时)运行情况2022/1/1 09:00 12:00 3 正常运行2022/1/2 13:00 16:00 3 正常运行2022/1/3 09:00 12:00 3 正常运行2022/1/4 08:30 11:30 3 出现故障故障情况故障说明:升降机在运行过程中突然停止,操作台显示错误代码 E1。
解决方法:工作人员检查发现电缆死结,及时修理解决。
安全事故记录无。
三、其他事项1.制定并落实施工升降机安全管理规定,确保车辆每天经过检查和维护合格后方可投入使用;2.依据使用情况和维护记录,进行定期维护和检修;3.不得私自拆卸或改装升降机,如需保养或修整应安排专业维修人员进行;4.升降机使用过程中,严禁在操作台内饮食、抽烟及乱扔杂物;严禁随意擅自停机,如需停机应在停机平台进行,不得在半空中停留或停车时稍作休息。
以上记录由使用人员进行填写,经整理后上报施工升降机管理负责人进行审核,确保每日安全检查和运行记录准确无误,并保存一年以上。
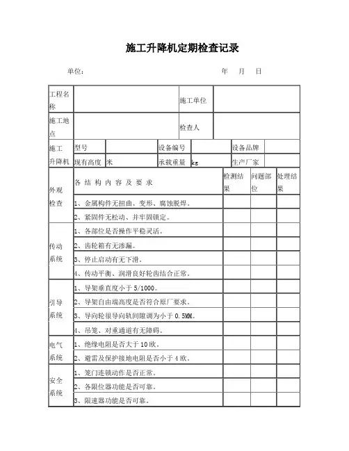
# 施工升降机定期检查记录表背景施工升降机是在建筑工地上常用的设备之一,主要用于将人员和材料从地面的区域升降到建筑物的高处,解决在建筑中的垂直运输问题。
由于施工升降机的使用频率较高,加之在建筑工地上使用较为复杂,需要进行规范和科学的维护和检查,以确保其安全运行。
定期检查记录表是对施工升降机开展规范维保管理的重要工具。
通过定期检查记录表可以定期对施工升降机进行细致的检查,发现问题及时处理,保障施工升降机的正常、安全运行。
本文档记录了施工升降机定期检查的过程和结果。
检查项目检查内容检查方法检查结果质量标志检查质量标志是否齐全、清晰√ / ×安全装置检查安全装置是否完好,例如安全杆,上、下限位开关等√ / ×紧固螺栓检查紧固螺栓是否松动√ / ×升降机的方向检查升降机的方向是否正确√ / ×固定架检查固定架是否完整,有无损伤√ / ×紧急制动器检查紧急制动器是否完好√ / ×检查结果检查内容项目 1 项目 2 项目 3 项目 4 项目 5 项目 6检查结果√ / ×√ / ×√ / ×√ / ×√ / ×√ / ×检查结论本次施工升降机的定期检查,共检查了上述6项内容,均符合要求。
其中,各项质量标志齐全、清晰,安全装置没有损坏或磨损,紧固螺栓没有出现松动现象,升降机的方向正确,固定架未出现损伤,紧急制动器完好无损。
根据检查结果,施工升降机可以继续投入使用。
此外,在检查过程中,还发现了一些细节问题,包括: 1. 升降机悬臂靠墙位置存在泥灰或砂子,应清洗干净。
2. 单元吊装闸门缺少焊接波纹垫片,应及时安装或更换。
3. 操纵台盖板缺少处理,应做好涂刷漆工作。
以上问题已经记录,负责人将安排维修人员进行处理,直至解决。
维修记录维修日期项目维修人员维修项2022年10月10日单元吊装闸门李师傅安装焊接波纹垫片2022年10月11日操纵台盖板张师傅做好涂刷漆工作2022年10月12日升降机悬臂靠墙位置王师傅清洗干净总结施工升降机是一台重要的机械设备,尤其是在建筑工地上使用频率很高,为了确保施工升降机的安全、正常运行,在日常使用中需要定期对其进行维护,定期检查记录表是一种很好的维护管理工具。
施工升降机定期检验自检报告
1. 项目信息
- 项目名称:[填写项目名称]
- 施工升降机型号:[填写升降机型号]
- 安装位置:[填写安装位置]
- 检验日期:[填写检验日期]
2. 自检信息
2.1 外观检查
- 检查升降机外观是否完好无损
- 检查绳/链条是否有断裂或明显磨损
- 检查电缆是否破损或接触不良
- 检查各个控制器是否正常工作
2.2 安全装置检查
- 检查限位开关是否正常工作
- 检查紧急停止按钮是否正常工作
- 检查安全门/护栏是否完好并能够正常关闭和锁上
- 检查超载保护装置是否有效
2.3 运行检查
- 检查升降机的上升、下降和停止功能是否正常
- 检查平稳性,检查升降机在运行过程中是否有明显的晃动或噪音
- 检查速度是否在规定范围内
- 检查升降机的紧急停止功能是否正常
2.4 控制系统检查
- 检查升降机的控制系统是否正常工作
- 检查按钮和控制器是否呈现明显磨损或损坏
- 检查控制面板是否操作灵活、准确
3. 检验结果
- 经自检,施工升降机在外观、安全装置、运行和控制系统方面均正常工作。
- 无需进一步的维修和调整。
4. 自检人员和日期
- 自检人员:[填写自检人员]
- 自检日期:[填写自检日期]
以上为施工升降机定期检验自检报告,供参考。
如有问题或需要进一步的检查,请及时联系相关部门或负责人进行处理。
施工升降机安全检查记录表检查日期:检查人员:检查对象:机械部分•☐操作按钮是否灵敏可靠,按钮是否标识正常。
•☐限位开关是否灵敏,上行、下行、绳架限位、顶升限位是否准确。
•☐所有安全钩、保险绳、垂直安全气囊是否完好。
•☐机房内是否通风、良好,空调、照明是否正常。
•☐线路、电缆、接线盒是否整齐、安装良好。
•☐操作箱、接口插座、由动机都要接地保护。
•☐检查整个机器外观,是否表面清洁光洁,配电箱门锁是否正常。
操作部分•☐操作员是否持证上岗,证件是否到期。
•☐操作员是否熟悉操作规程。
•☐操作员是否懂得机械的常识和维修保养方法。
•☐操作员是否具有应急处置技能。
现场环境•☐安装位置是否稳固,有无倾斜、松动、渗漏。
•☐现场环境是否整洁,渣土、垃圾等可燃物是否及时清除。
•☐施工现场是否围好栏杆、提供安全警示标志。
•☐升降机能否正常行驶,有无碰撞阻塞情况。
安全措施•☐操作员是否正确使用安全带。
•☐施工现场是否配备灭火器等消防设施。
•☐施工现场是否设有安全警示标志。
•☐安全带是否经常检查更换,有无年限限制。
检查结果机械部分•☐操作按钮灵敏可靠,按钮标识正常。
•☐限位开关灵敏,上下行、绳架限位、顶升限位准确。
•☐所有安全钩、保险绳、垂直安全气囊完好。
•☐机房内通风良好,空调、照明正常。
•☐线路、电缆、接线盒整齐、安装良好。
•☐操作箱、接口插座、由动机都接地保护。
•☐机器外观表面清洁光洁,配电箱门锁正常。
操作部分•☐操作员持证上岗,证件未到期。
•☐操作员熟悉操作规程。
•☐操作员懂得机械的常识和维修保养方法。
•☐操作员具有应急处置技能。
现场环境•☐安装位置稳固,无倾斜、松动、渗漏。
•☐现场环境整洁,渣土、垃圾等可燃物及时清除。
•☐施工现场围好栏杆,提供安全警示标志。
•☐升降机正常行驶,无碰撞阻塞情况。
安全措施•☐操作员正确使用安全带。
•☐施工现场配备灭火器等消防设施。
•☐施工现场设有安全警示标志。
•☐安全带经常检查更换,未超过年限。
施工升降机月检记录1. 检查项目施工升降机是一种作业高空作业的设备,使用频率较高,但经常使用的设备容易产生故障。
为了保证施工升降机的正常运行,我们必须每月对其做一次全面的检查。
1.1 升降机部件的检查升降机部件如平衡阀、滑动鞋、液压管路等易磨损部件的,要查看零部件是否有渗漏、变形、磨损及疲劳等情况。
1.2 运行检查施工升降机的运行检查主要是针对电气部分的各种控制器、开关、涡轮电机、行程开关等设备的检查。
1.3 安全检查施工升降机的使用安全至关重要,因此在每次检查中要特别注重安全方面的检查与测试。
2. 检查内容2.1 机架部分机架部分是施工升降机的主体部分,应经常清洗和检查。
检查时应查看悬臂杆、机架柱、滑轮、滑轨、斗斜杆等部位是否有严重变形与磨损。
2.2 驱动装置驱动装置包括电动机、行程开关及液压系统等。
检查时应查看是否有松散、老化、开关失灵等故障。
2.3 控制系统控制系统是最重要的一部分,尤其是电气控制系统,如遇故障易引起危险事件,因此特别重视。
主要检查电器控制线路的有关电器元件工作情况,如熔断器、继电器、断路器、接触器、计时器、电动门锁等。
2.4 液压油路系统液压系统负责施工升降机的高低升降工作,因此关注液压油路非常重要。
液压油路的检查包括液压油的密封性、油温、油量、油管、联接、缸体、泵和阀门等。
3. 检查记录为了保证施工升降机每月能够获得有效的检查,我们需要对每次检查进行记录。
包括以下信息:3.1 工地与施工升降机的基本信息记录工地的名称、施工升降机的编号、型号、批次等。
3.2 检查时间记录每次检查的日期和时间。
3.3 检查人员记录每次检查的人员的名称和联系方式,方便在下一次检查时协调时间。
3.4 检查项目记录每次检查的项目名称、检查内容、检查结果和处理情况。
3.5 备注需要对施工升降机日常使用中的问题和改进意见进行记录。
4. 检查结果处理每次检查完毕后,要根据检查结果,及时采取行动做好相关维护工作。
施工升降机自检报告报告编号:XXXXX-YYMMDD报告日期:20YY年MM月DD日检查单位:XXX施工工程有限公司被检单位:ABC建设有限公司一、检查目的及背景本次自检旨在核实施工升降机的安全性能,确保其能够正常运行并符合相关安全规范。
本次自检由我公司派遣专业技术人员进行。
二、自检范围本次自检涵盖了施工升降机主要的安全设备和零部件,包括但不限于以下内容:1.安全钢丝绳及其附件的检查;2.传动系统的检查;3.紧急制动装置的检查;4.限位开关的检查;5.控制系统的检查;6.安全警示装置的检查。
三、自检结果经过对施工升降机各项设备的仔细检查,检查人员发现以下问题及处理措施:1.安全钢丝绳及其附件的检查a)安全钢丝绳出现部分锈蚀和断裂,需要更换新的安全钢丝绳。
b)钢丝绳连接件松动,需要进行重新紧固。
处理措施:更换新的安全钢丝绳,并对钢丝绳连接件进行重新紧固。
2.传动系统的检查a)传动系统中的齿轮磨损较为严重,需更换新的齿轮。
b)传动皮带松动,需要重新调整紧固。
处理措施:更换新的齿轮,并对传动皮带进行重新调整紧固。
3.紧急制动装置的检查紧急制动装置正常工作,无异常情况。
4.限位开关的检查限位开关存在失效情况,无法正常检测到升降机位置。
处理措施:更换新的限位开关,确保其能够正常检测到升降机位置。
5.控制系统的检查控制系统存在故障,无法正常进行远程控制和监控。
处理措施:进行控制系统的维修,确保其能够正常进行远程控制和监控。
6.安全警示装置的检查安全警示灯和报警器正常工作,无异常情况。
四、自检结论经过对施工升降机各项设备的仔细检查和问题处理,自检结果如下:1.安全钢丝绳和附件已更换,确保升降机的安全性能。
2.传动系统的齿轮和皮带已更换并重新调整紧固。
3.紧急制动装置正常工作,无异常情况。
4.限位开关已更换,可以正常检测升降机位置。
5.控制系统经过维修,恢复了远程控制和监控功能。
6.安全警示装置正常工作,无异常情况。
NO:
武汉市施工升降机企业自检报告
报装编号:_________________________________________ 工程名称:_________________________________________ 使用单位:_________________________________________ 安装单位:__________________ 技术负责人:__________ 检验日期:_________________________________________
武汉市城建安全生产管理站制
注意事项及填写说明
1、本检验记录适用于施工升降机安装单位组织的企业自检记录。
2、本检验记录应用钢笔或圆珠笔填写,字迹应工整;填写数据准确,
内容齐全。
3、在“实测”栏中对“检验内容和要求”栏中的项目进行检验判
别:对于符合要求或有效的在“实测”栏相对应的方框内划
“×”,需要简述的在该栏空隙处简述:对于项目内部分条款
为无此项的在“实测”栏与该条款相对应的方框内划“/”,项
目内全部条款为无此项的在“实测”栏内划“/”。
4、对于需要填写数据的项目必须如实填写数据。
5、检验记录中注有“*”的项目为重要项,其它为一般项。
第1页共8页
检验人:审核人:
年月日年月日
第2页共8页
第3页共8页。