磨床的数控改造调试及故障报警排除
- 格式:pdf
- 大小:284.02 KB
- 文档页数:4
目前,我国数控机床从50 时代研发到现在已经有40 多年的历史,跟着电子技能、计算机技能、自动控制、精细测量等技能不断提高和前进,数控机床在机器制造业中的位置已经显现出强壮的优势。
数控机床数控外圆磨床较好地解决了形状复杂、精度要求高的零件加工问题,满足了批量大、加工精度高、产品质量稳定、生产效率高的要求。
较好地改善工人劳动条件和劳动强度。
数控外圆磨床常见的故障及扫除的办法,数控外圆磨床磨削外圆时工件外表呈现振纹片状纹、斜纹、端面外圆磨床磨削外圆时,外表呈现振纹,数控高速端面外圆磨床磨削外圆时,工件外表呈现振纹(片状纹、斜纹、螺旋纹)的问题:螺旋纹)的问题:发作问题的首要原因:(1) 钻石刀刀座固定结合面触摸不好;(2) 砂轮架主轴空隙大超差;(3) 磨削时,头架转速、砂轮修整速度的参数挑选不妥;(4) 选用的砂轮的类型与被加工工件的材质不匹配。
解决的办法:(1)从头刮研钻石刀固定座,时其结合杰出,紧固好后,用表测钻石刀头部,搬动时,应不超越0.01mm,同时要考虑钻石刀是否尖利等因素;(2)动静压砂轮架主轴的空隙(包含径向、轴向)应在规则的范围内(径向:0.027~0.03mm,轴向:0.02mm 之内) ,同时要考虑静压压力一般控制在(15kg~18kg∕c ㎡),动压压力是否建立起来,各孔的喷油。
外圆磨床的常见故障有哪些呢,以下以M131W磨床为例简单介绍几点:一、引起外圆磨床加工工件外表有波纹的原因:1、砂轮静平衡差。
2、砂轮硬度过高或砂轮粘度不均,砂轮变钝,与工件摩擦力增大,使工件周期性振荡增大。
3、砂轮主轴瓦磨损,合作空隙大主轴在旋转中有漂浮,使砂轮发作不平衡,发作振荡。
4、砂轮法兰盘锥孔与砂轮主轴锥端合作触摸不良,磨削时引起砂轮跳动。
5、砂轮架电动机振荡,传动皮带过紧、松或长短不一致发作振荡。
6、砂轮架电动机平衡差。
7、工件中心孔与*触摸不良。
8、工件顶的不合适,过紧使工件旋转不均匀,过松使系统刚性下降。
数控机床常见故障的诊断与排除本文针对数控机床伺服系统在加工中心可能出现的如五面体加工中心零点漂移等常见故障的现象进行阐述,并对其产生原因以及解决方案等加以认真分析研究。
随着科技的进步,机床由普通机床逐渐发展为数控机床。
数控机床的伺服系统在机床中起核心作用,但在实际生产中,伺服系统较容易出现故障,占整个数控机床系统的30%以上,其通常会使机床不能正常工作或停机,造成严重后果。
因此,在实际生产过程中,应加强对设备的维护保养,规范操作,确保各项安全。
通常,数控机床的故障主要包括两方面,一是当伺服系统出现故障时,系统会及时报警,在CRT显示屏上会出现诊断程序的报警信息,查阅相关手册得出,这些故障通常发生在电动机脉冲或编码器。
另一方面是操作人员不经意间的人为操作事故,如主轴刀具号地址输送错误、刀具号呼叫信号错误、输入刀具长度错误、编译程序错误等。
伺服系统在排除这两方面故障时,难度较大。
因为有些事故是由伺服系统本身产生的,而有些事故则是受机械、液压、温度等外界因素影响,外界环境也会对伺服系统产生不同程度的影响。
目前,在我厂数控机床中,操作系统通常采用日本的FANUC系统,现对实际生产中,加工中心中出现的常见故障处理进行叙述。
五面体加工中心零点漂移故障故障现象:一台五面体加工中心,近期出现加工坐标系的零点漂移,大大降低了工件的加工精度。
在工件加工时,工件的加工精度时好时坏,有些工件往往达不到其位置度公差要求。
初步认为是机床的几何精度不够造成的,但经测试,排除这一可能性。
仔细分析研究,得到可能是由于温度以及环境的变化造成的。
经统计发现,工件加工的精度较差大多发生在早八点,开机一小时后机床稳定工作。
故障分析原因:早上机床温度较低,油温也低,这就导致了机床的热膨胀不能得到完全的释放,致使工件的加工精度降低。
解决方案:对操作工人进行工作培训,着重强调机床预热对于工件加工精度以及生产效率的重要性,确保机床每天使用前有足够的预热时间。
第七章数控机床常见报警故障及维护保养第一节数控机床常见故障及处理一故障与可靠性故障:故障是指设备或系统因自身的原因而丧失规定功能的现象。
故障的形式是多种多样的,但是故障具有相同的规律即故障规律曲线。
由图可知,改曲线分为三个区域,即初期运行区Ⅰ,系统的故障呈负指数曲线函数,故障率较高,故障原因大多数是设计、制造和装配缺陷所造成的;Ⅱ区为系统的正常运行区,此时故障率趋近一条水平线,故障率低,故障原因一般是由操作和维护不良而造成的偶发故障;Ⅲ区为系统的衰老区,此时故障率最大,主要原因是年久失修及磨损过渡造成的。
若加强维护,可以延长系统的正常运行区。
二可靠性可靠性是指在规定的条件下,数控机床维持无故障工作的能力。
衡量可靠性的指标如下:1.平均无故障时间(MTBF)是指一台数控机床在使用中两次故障间隔的平均时间。
一般用总工作时间除以总故障次数来计算。
2.平均修复时间(MTTR)是指数控机床从出现故障直至正常使用所用修复时间的平均值。
3.有效度(A)是指一台可维修的数控机床,在某一段时间内,维持其性能的概率。
用平均无故障时间除以平均无故障时间与平均修复时间的和来计算。
对于普通的数控机床,要求MTBF≥1000h, A≥0.95三故障分类数控机床的常见故障按故障性质、产生原因分为一下几类。
1 系统性故障和随机性故障以故障出现的必然性和偶然性,将故障分为系统性故障和随机性故障。
系统性故障是指机床或数控系统部分在一定的条件下必然出现的故障。
随机性故障是指偶然出现的故障。
一般随机性故障往往是由于机械结构的局部松动、错位、控制系统中的元器件出现工作特性飘移,机床电气元件可靠性下降等原因造成。
这类故障在同样的条件下只偶然出现一两次,需要反复试验和综合判断才能排除。
2 有诊断显示故障和无诊断显示故障以故障出现时有无自诊断显示,将故障分为有诊断显示故障和无诊断显示故障。
目前数控机床配置的数控系统都有自诊断功能,日本FANUC 公司和德国SIEMENS公司的数控系统都具有几百条报警信号。
M7130平面磨床故障分析及排除步骤发布时间:2022-09-26T07:17:19.805Z 来源:《当代电力文化》2022年第10期作者:夏斌[导读] 通过一定的理论学习和相关的实践操作,学生学会对较复杂的机床设备电气控制线路图进行分析夏斌苏州市电子信息技师学院江苏苏州 215008摘要:通过一定的理论学习和相关的实践操作,学生学会对较复杂的机床设备电气控制线路图进行分析,可以正确使用相关的仪器、仪表对不同机床设备的控制电路及电气故障进行分析、检修、排除,本文主要分析及探讨了在教学过程中M7130平面磨床的故障分析及排故步骤。
关键词:机床故障分析排故2.排故步骤2.1 打开电源开关QS1,合上SA1,观察EL是否亮,如果不亮:1、检查T2输入100—0是否电压正常,测到电压正常为止,万用表AC(500V)档位所测回路:TC 100,0→1,0→U12,V12→U11,V11→L1,L2,故障在电压正常和电压不正常之间。
2、若T2的输入电压正常,测量T2输出回路,使用万用表AC50V档位,所测回路:T2输出:101→102—103,101,102对103测量;EL亮,下一步2.2 充退磁回路,SA2拨至吸合位置(205—208),(206—209),观察YH是否吸合,1、若YH没有吸合,先测量直流回路中的公共回路:(1)T1输入是否电压正常,AC250V,输入应有220V,电压正常,下一步(2)T2输出是否电压正常,若电压不正常,则T2坏,电压正常继续测,测量至VC输入,若VC输入电压不正常,故障回路:210→204—203(经过T2变压为26V),201,204对203测量。
(3)经过VC,交流电变为直流电,使用DC50V档位,红表棒接206,黑表棒逐点测量,故障在电压正常和电压不正常之间:205→208→YH→KA→209—206 2、把SA2拨至退磁位置(205—207),(206—208)连接;看YH是否退磁,DC 50V档位,万用表红表棒接206,黑表棒测量:205→207→R2→KA→YH→208—206 3、SA2打至退磁,SA2(3-4)闭合,或者处于吸合,KA1吸合(3-4)闭合,下一步;2.3 按SB1,看KM1是否吸合(砂轮控制): 1、KM1若没有吸合,故障回路:使用AC500V档位 1→2→3→4→5—6—0,1、2、3、4、5、号线对0号线测量;6,0号线对1号线测量;2、若KM1点动,则自锁回路故障; KM1点动,则KM1的自锁回路故障5—6之间,5对0号测量,6对1测量,电压正常,则KM1的自锁触头自身故障;5对0号测量,6对1测量,电压不正常,则5或者6号线故障。
数控磨床常见故障及解决方法文章归纳总结了数控磨床的常见故障,再结合现场跟踪试验中发生的故障,根据故障现象分析故障的产生原因,并提出解决方法。
标签:数控导轨磨床;故障现象;解决方法在经济全球化的背景下,顾客对产品性能和质量的要求不断提高,产品的结构和功能日趋复杂,因而对机械产品的精度和生产效率也提出了越来越高的要求。
特别是在汽车、船舶、航空航天、军事等领域所需要的机械工件和模具,精度要求越来越高,形状也日趋复杂。
为满足现代制造业的加工需求,数控机床不仅应运而生,并且向加工精度高、加工质量稳定、柔性好及适合于复杂产品制造方向发展。
与此同时,市场也对数控机床的可靠性、稳定性及寿命等质量指标提出了更高的要求。
因此,我国在2009年制定了数控机床可靠性评定标准:GB/T23567.1-2009。
根据该标准内容,对某机床厂生产的多台数控导轨磨床进行了2000小时的现场跟踪统计试验,下面对数控磨床的常见故障及可靠性试验中的出现的故障进行分析并提出解决方案,以供参考。
1 CNC系统故障及维修技巧随着现代数控系统的功能及技术的增强,数控系统的无故障工作时间也大大提高,但数控系统偶尔还是会出现一些故障,在数控系统中常见的故障可以分为软件故障和硬件故障两类。
软件故障是由于加工程序错误、机床数据出现问题或者一些参数没有设置好等问题引起的。
这类故障可通过报警信息的提示,对程序进行检查和分析,发现问题后修改相应的程序后即可排除故障。
硬件故障,顾名思义,就是数控机床因数控系统的硬件模块发生损坏导致机床不能正常运行。
数控系统的硬件模块包括CPU模块、存储器模块、显示模块、测量模块、PLC接口模块、电源模块、显示器等。
针对数控机床的硬件故障,只需找到有问题的模块后,对其进行修复或者更换后,故障就能排除掉。
2 伺服系统故障及维修技巧伺服系统是一种反馈控制系统,通过指令脉冲为输入给定值与输出被测量进行比较,利用比较后的偏差值对系统进行自动调节以消除偏差。
数控机床常见故障的诊断与排除数控机床在加工过程中常常会遇到各种故障,这些故障会影响加工质量和生产效率。
因此,及时准确地诊断和排除故障是数控机床的关键。
下面将结合常见的数控机床故障,介绍诊断与排除的方法。
一、机床无法开机或无法正常运行故障1.检查电源输入:检查电源线是否插好,电源是否正常供电。
2.检查断路器和保险丝:检查机床的断路器和保险丝,确保其正常工作。
3.检查电源板:检查电源板上的指示灯是否正常亮起,如发现异常则可能是电源板故障。
4.检查控制器:检查控制器连接线是否插好,如有需要则重新插拔控制器连接线。
5.检查电气元件:检查机床内部的电气元件,如接触器、继电器等是否正常工作。
二、机床加工精度降低故障1.检查刀具:检查刀具的磨损情况,如需要则更换或修复刀具。
2.检查导轨:检查导轨是否清洁,如有需要则清洗或润滑导轨。
3.检查轴承:检查轴承是否正常工作,如发现异常则可能是轴承损坏。
4.检查螺杆:检查螺杆是否正常工作,如发现异常则可能是螺杆松动或严重磨损。
5.检查编码器:检查编码器是否工作正常,如发现异常则可能是编码器损坏。
三、机床运行过程中发生振动故障1.检查紧固件:检查机床的各个紧固件是否松动,如需要则重新紧固。
2.检查传动装置:检查传动装置(如皮带、链条等)是否松动或磨损,如发现异常则需要更换或修复。
3.检查电机:检查电机是否正常工作,如发现异常则可能是电机轴承磨损或电机不平衡。
4.检查工件夹持装置:检查工件夹持装置是否正确安装,如发现异常则重新安装。
四、机床液压系统故障1.检查液压油:检查液压系统的液压油是否充足,如不足则需要添加。
2.检查滤芯:检查滤芯是否清洁,如发现污垢则需要更换滤芯。
3.检查液压泵:检查液压泵是否正常工作,如发现异常则可能是泵的密封件损坏。
4.检查液压阀:检查液压阀是否正常工作,如发现异常则可能是阀门堵塞或密封件损坏。
以上仅是数控机床常见故障的诊断与排除的方法的简要介绍,实际上每种故障都需要具体分析具体情况。
数控磨床常见故障及解决方法作者:王天翔来源:《环球市场》2017年第01期摘要:在全齐经济迅速发展的背景下,顾客对产品的性能以及质量的要求都在不断的提高,所以导致产品结构以及功能日趋复杂,所以对机械产品的精度以及生产效率由此提出了更高的要求。
尤其是在汽车、船舶、航空航天以及军事等领域所需要的机械工件与模具,精度要求更是越来越高。
为了满足现代制造业的加工的需要,数控机床不仅应运而生,而且向加工精度高以及加工质量稳定、柔性好及适合于复杂产品制造方向飞速发展着。
同时,市场也对数控机床的可靠性、稳定性及寿命等质量指标提出了较高的要求。
下面对数控磨床的常见故障及可靠性试验中的出现的故障进行分析并提出解决方案,以供参考。
关键字:数控磨床;常见故障;解决方法数控机床是集机械、电气、液压一体的设备,其机械部件是保证其可靠运行的核心,占据机床绝大部分,一旦出现故障,则会导致数控机床运行异常,影响生产,甚至发生事故。
随着数控技术的发展,数控机床的故障呈现出多样化、复杂化的发展趋势,有必要对诊断与维护相关问题进行研究和探讨。
1 数控机床维修的基本流程首先,在数控机床出现机械故障之后,必须要确定数控机床出现故障的部位,以及引起数控机床故障的原因,根据判断结果初步制定数控机床维修的方法。
其次,要根据自己通过判断获取的引起数控机床机械故障的根本原因,对数控机床进行维修,通过对数控机床机械故障的排查,不断缩小引起数控机床机械故障的范围,从而准确定位数控机床出现故障的准确位置,并制定有针对性的维修策略对数控机床故障进行维修。
最后,在完成机械故障的维修之后,需要重新启动数控机床,确保数控机床机械故障已经排除,并对数控机床的操控者进行说明,避免因为认为操作的失误,再次引起类似的机械故障。
同时,必须数控机床的维修记录进行记载作为今后的维修参考数据。
2 常见的数控机床故障2.1 主轴轴向移动大部分机床主轴的运动是加工的主运动,具有受力大,疲劳强度高等特点,所以长时间工作后会造成轴向移动,定位不准,影响加工精度,甚至造成工件损坏。
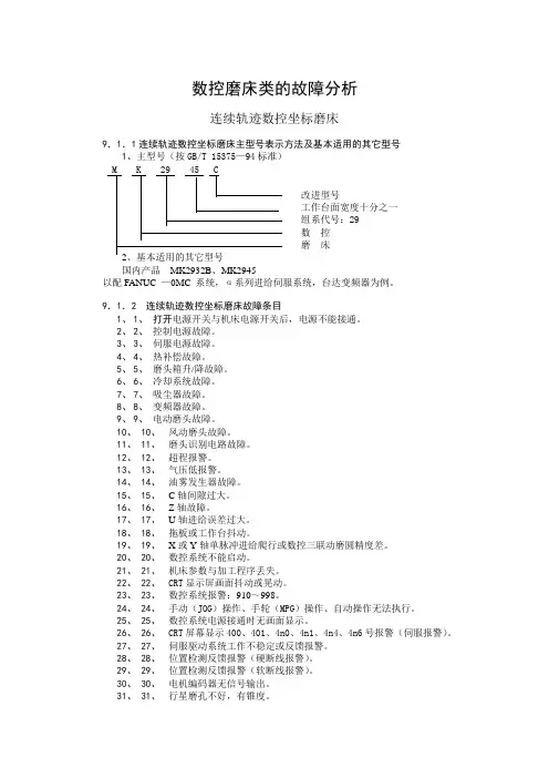
数控磨床类的故障分析连续轨迹数控坐标磨床9.1.1连续轨迹数控坐标磨床主型号表示方法及基本适用的其它型号1、主型号(按GB/T 15375—94标准)改进型号工作台面宽度十分之一组系代号:29数控磨床国内产品MK2932B、MK2945以配FANUC —0MC 系统,α系列进给伺服系统,台达变频器为例。
9.1.2 连续轨迹数控坐标磨床故障条目1、1、打开电源开关与机床电源开关后,电源不能接通。
2、2、控制电源故障。
3、3、伺服电源故障。
4、4、热补偿故障。
5、5、磨头箱升/降故障。
6、6、冷却系统故障。
7、7、吸尘器故障。
8、8、变频器故障。
9、9、电动磨头故障。
10、10、风动磨头故障。
11、11、磨头识别电路故障。
12、12、超程报警。
13、13、气压低报警。
14、14、油雾发生器故障。
15、15、C轴间隙过大。
16、16、Z轴故障。
17、17、U轴进给误差过大。
18、18、拖板或工作台抖动。
19、19、X或Y轴单脉冲进给爬行或数控三联动磨圆精度差。
20、20、数控系统不能启动。
21、21、机床参数与加工程序丢失。
22、22、CRT显示屏画面抖动或晃动。
23、23、数控系统报警:910~998。
24、24、手动(JOG)操作、手轮(MPG)操作、自动操作无法执行。
25、25、数控系统电源接通时无画面显示。
26、26、CRT屏幕显示400、401、4n0、4n1、4n4、4n6号报警(伺服报警)。
27、27、伺服驱动系统工作不稳定或反馈报警。
28、28、位置检测反馈报警(硬断线报警)。
29、29、位置检测反馈报警(软断线报警)。
30、30、电机编码器无信号输出。
31、31、行星磨孔不好,有锥度。
9.1.3 连续轨迹数控坐标磨床故障分析与排除警告:1、机床维修之前应首先阅读随机技术文件、资料,弄清原理后再进行修理。
2、故障检查与排除时,关断电源后,方可插、拔插头、连接器或拆卸电气元器件;检修操作过程中必须遵守安全操作规程。
数控机床常见故障的诊断与排除范文数控机床是一种通过预先编程的方式自动进行加工的机械设备。
在使用过程中,经常会遇到各种故障,影响机床的正常运行。
本文将针对数控机床常见的故障进行诊断与排除范文,帮助读者更好地了解和解决故障。
一、机床电源故障1. 问题现象:数控机床不能正常上电。
2. 故障原因:电源线接触不良、电源开关故障等。
3. 排除方法:(1) 检查机床电源线是否插紧,是否有松动现象。
(2) 检查机床电源开关是否正常,可用万用表测量开关上的电压。
(3) 若电源开关故障,需要更换新的电源开关。
二、机床启动故障1. 问题现象:数控机床不能正常启动。
2. 故障原因:主轴电机不启动、运动系统不正常等。
3. 排除方法:(1) 检查主轴电机供电线路是否正常,检查主轴电机是否有断路、短路等故障。
(2) 检查驱动电机的运动控制器是否故障,可使用示波器检查输出脉冲信号是否正常。
(3) 若发现问题,需要检修主轴电机或更换运动控制器。
三、伺服系统故障1. 问题现象:伺服系统运行不稳定。
2. 故障原因:伺服电机反馈信号异常、伺服控制器故障等。
3. 排除方法:(1) 检查伺服电机反馈信号线路是否正常,检查编码器是否正常工作。
(2) 检查伺服控制器参数设置是否正确,可使用示波器检查控制信号是否稳定。
(3) 若发现问题,需要修复或更换伺服电机或控制器。
四、刀具系统故障1. 问题现象:刀具不能进行换刀或更换刀具失败。
2. 故障原因:刀库卡死、刀具传感器故障等。
3. 排除方法:(1) 检查刀库传感器是否损坏,可使用万用表测量传感器开关的正常状态。
(2) 检查刀库机械结构是否有卡滞现象,需要进行清洁和润滑。
(3) 若发现问题,需要修复或更换刀库传感器或机械结构。
五、液压系统故障1. 问题现象:液压系统无法正常工作。
2. 故障原因:液压泵故障、液压阀故障等。
3. 排除方法:(1) 检查液压泵是否正常工作,可测量泵的出口压力和流量。
(2) 检查液压阀是否正常工作,可使用万用表检查阀的电气信号。
数控机床常见故障的诊断与排除范文数控机床在工业生产中扮演着重要的角色,但由于各种原因,常会出现故障现象。
正确和及时地诊断和排除数控机床的故障对于保证生产效率和质量至关重要。
本文将从机床电气系统、液压系统和机床传动系统三个方面介绍数控机床常见故障的诊断与排除方法。
一、机床电气系统故障的诊断与排除1. 确认电气设备是否正常工作:首先检查主控电源是否通电,然后检查伺服电机、电源模块和电气控制柜的指示灯是否正常亮起。
如果没有亮起,可以首先检查电源插头是否插紧,保险丝是否烧断等。
2. 检查电气接线是否正确:检查机床各个电气元件之间的接线是否正确,包括电机的接线、开关和按钮的接线等。
如果发现接线松脱或接错,应及时重新接线并固定好。
3. 检查伺服电机是否正常工作:在机床上选择一个工作轴,将伺服电机的转动方向以及电机的位置控制进行调试。
如果发现伺服电机无法正常运动或位置偏差过大,可以通过检查电机的供电电压是否稳定、编码器信号是否正常等来判断故障原因,并进行相应的维修和调整。
4. 检查PLC程序是否正常:使用编程软件连接数控机床的PLC,检查程序是否正确加载和运行。
如若发现程序错误或异常,可以通过修改程序或重新下载程序的方法进行排除。
二、液压系统故障的诊断与排除1. 检查液压系统是否漏油:检查液压系统的油箱和管路是否有泄漏现象,如果有漏油情况,可以检查液压管路是否松动、密封件是否老化破裂等,并及时更换和修理。
2. 检查液压系统的油压是否正常:通过液压系统的压力表检测液压油的压力是否在正常工作范围内。
如果压力过高或过低,可以检查液压阀门是否正常、油泵是否工作正常等。
3. 检查液压系统的油温是否过高:液压系统油温过高会影响液压系统的正常工作。
通过使用温度计检测液压油的温度是否超过规定范围,如若超过,可以检查液压油冷却装置是否正常工作、油散热器是否堵塞等。
4. 检查液压系统的操作阀门是否正常:液压系统的操作阀门控制着液压缸、驱动装置等的运动。
常见故障及其分析在现场使用中,任何一种设备都不可能是完美无缺的。
POMINI磨床虽然设计可靠,技术先进,但通过这几年的使用,总有不尽人意的地方,本文将就其常见的报警故障进行了解,提出处理意见。
四个安全装置的报警在POMINI磨床上,除了有四个红色蘑菇形的急停按钮外,还有四个安全装置;床头箱黄色安全门;床头箱后黄色固定板上两个传感器;砂轮架上对中测量尺;测量架防撞橡胶条。
这四个部分属敏感部件;是安全保护装置。
在程序运行过程中,轻轻一碰就会使程序终止运行,机床停止运转。
a.在吊装轧辊时,床头箱黄色安全门一定要打开,运行程序时再关上。
b.床头箱后黄色固定板上两个传感器是为了防止砂轮碰撞头架和轧辊的。
在磨削过程中,曾经多次出现砂轮还未按程序磨削到轧辊的端部(指靠近头架方向),磨床出现报警,砂轮头架碰触到安全装置,并自动终止磨削。
经多次复位后仍不能消除警报,经多次检查和分析后,发现有污渍沾在了传感器上,以致光线信号不能发射出去,而接收器不能接收信号,导致CNC判断为砂轮台架太接近头架,遮挡了信号,以致发生报警。
解决方法:经常注意清洁这两个传感器.因为这两个传感器是利用接收光线的强弱来判断是否靠近头架和轧辊的。
其次,吊装轧辊时注意不能碰撞到它,防止支架变形。
c.砂轮架上对中测量尺,主要是做轧辊对中时,粗调托瓦所用,它放下的位置,正好是轧辊的旋转中心线,粗调好托瓦后,测量尺要收回固定好,而且固定螺钉一定要紧固到位,使它接触到里面的位置传感器,让信号反馈到CNC。
软着陆的误报警软着陆下降到底部时,操作台上绿色信号灯应该亮起,磨床使用过程中或软着陆使用后,信号灯该亮却不亮,致使轧辊不能旋转,程序无法运行。
报警显示为:轧辊旋转,软着陆需降到底。
原因是:由于震动或其他原因,使软着陆绳悬位置感应锤不能使底部传感器得到感应,或者传输信号的插座松动,使信号不能传出。
解决方法:请用小木锤通过软着陆前盖板上端的孔,触动悬挂感应锤的细钢丝绳,稍后软着陆信号灯亮。
数控磨床类的故障分析连续轨迹数控坐标磨床9.1.1连续轨迹数控坐标磨床主型号表示方法及基本适用的其它型号1、主型号(按GB/T 15375—94标准)改进型号工作台面宽度十分之一组系代号:29数控磨床国内产品MK2932B、MK2945以配FANUC —0MC 系统,α系列进给伺服系统,台达变频器为例。
9.1.2 连续轨迹数控坐标磨床故障条目1、1、打开电源开关与机床电源开关后,电源不能接通。
2、2、控制电源故障。
3、3、伺服电源故障。
4、4、热补偿故障。
5、5、磨头箱升/降故障。
6、6、冷却系统故障。
7、7、吸尘器故障。
8、8、变频器故障。
9、9、电动磨头故障。
10、10、风动磨头故障。
11、11、磨头识别电路故障。
12、12、超程报警。
13、13、气压低报警。
14、14、油雾发生器故障。
15、15、C轴间隙过大。
16、16、Z轴故障。
17、17、U轴进给误差过大。
18、18、拖板或工作台抖动。
19、19、X或Y轴单脉冲进给爬行或数控三联动磨圆精度差。
20、20、数控系统不能启动。
21、21、机床参数与加工程序丢失。
22、22、CRT显示屏画面抖动或晃动。
23、23、数控系统报警:910~998。
24、24、手动(JOG)操作、手轮(MPG)操作、自动操作无法执行。
25、25、数控系统电源接通时无画面显示。
26、26、CRT屏幕显示400、401、4n0、4n1、4n4、4n6号报警(伺服报警)。
27、27、伺服驱动系统工作不稳定或反馈报警。
28、28、位置检测反馈报警(硬断线报警)。
29、29、位置检测反馈报警(软断线报警)。
30、30、电机编码器无信号输出。
31、31、行星磨孔不好,有锥度。
9.1.3 连续轨迹数控坐标磨床故障分析与排除警告:1、机床维修之前应首先阅读随机技术文件、资料,弄清原理后再进行修理。
2、故障检查与排除时,关断电源后,方可插、拔插头、连接器或拆卸电气元器件;检修操作过程中必须遵守安全操作规程。
排除数控机床故障的六种方法数控机床故障的六种排解方法:一、直观法:修理人员通过故障发生时的各种光、声、味等特别现象的观看,仔细察看系统的各个部分,将故障范围缩小到一个模块或一块印刷线路板。
例1 :数控机床加工过程中,突然消失停机。
打开数控柜检查发觉Y轴电机主电路保险管烧坏,经认真观看,检查与Y轴有关的部件,最终发觉Y轴电机动力线外皮被硬物划伤,损伤处遇到机床外壳上,造成短路烧断保险,更换Y轴电机动力线后,故障消退,机床恢复正常。
二、自诊断功能法:数控系统的自诊断功能,已经成为衡量数控系统性能特性的重要指标,数控系统的自诊断功能随时监视数控系统的工作状态。
一旦发生特别状况,马上在CRT上显示报警信息或用发光二极管指示故障的大致起因,这是修理中最有效的一种方法。
例2 :AX15Z数控车床,配置FANUC1 0TEF系统,故障显示:FS10TE1399BROM TEST:ENDRAM TEST:CRT的显示表明ROM测试通过,RAM测试未能通过。
RAM测试未能通过,不肯定是RAM故障,可能是RAM中参数丢失或电池接触不良一起的参数丢失,经检查故障缘由是由于更换电池后电池接触不良,所以一开机就消失上述故障现象。
三、功能程序测试法:功能程序测试法就是将数控系统的常用功能和特别功能用手工编程或自动编程的方法,编制成一个功能测试程序,送入数控系统,然后让数控系统运行这个测试程序,借以检查机床执行这些功能的精确性和牢靠性,进而推断出故障发生的可能缘由。
例4:TH63 50加工中心旋转工作台抬起后旋转不止,且无减速,无任何报警信号消失。
对这种故障,可能是由于旋转工件台的简易位控器故障造成的,为进一步证明故障部位,考虑到该加工中心的刀库的简易位控器与转台的基本一样。
于是采纳交换法进行检查,交换刀库与转台的位控器后,并按转台位控器的设定对刀库位控器进行了重新设定,交换后,刀库则消失旋转不止,而转台运行正常,证明了故障的确出在转台的位控器上。
磨床的常见故障与排除一、磨床机械部分常见故障及其排除方法1、磨床工作中产生强烈振动磨床在磨削过程中产生振动的原因如下:1)砂轮平衡不好。
2)砂轮主轴轴承间隙过大。
3)传动带松动或接头不好。
4)内圆磨削砂轮轴弯曲或安装不正确。
5)加工工件形状不对称,装夹时平衡不好。
6)磨床各部件之间连接不牢固或松动。
7)磨床安装时没有垫水平或与地脚螺栓连接不牢或松动。
8)工作环境振动的影响等。
实际工作中,应根据各种具体情况加以排除。
例如砂轮平衡不好,应将轮重新在静平衡架上再作一次平衡,直至达到要求后为止。
2、传动带打滑或工作时有不正常声响传动带打滑或工作时有不正常声响产生的原因如下:1)传动带初牵引力不够。
2)传动带与带轮之间的摩擦力不够。
3)加工工件过重或切削用量过大,磨床电动机带不动。
4)传动带压紧轮的压紧程度不够。
5)传动带因使用太久,过度伸长或沾有油污等。
要消除传动带打滑现象,可调节两带轮的中心距或加大压紧轮的压紧程(增大传动带对压紧轮包角),若调整后,传动带牵引力仍有少许不够时,可用香粉涂于传动带与带轮接触的那一面,以增大其摩擦力。
当传动带为牛皮带即带革时,不可以使用松香粉,以防止传动带折断。
3、砂轮主轴出现过热现象砂轮主轴出现过热现象的原因如下:1)砂轮主轴与轴承之间的间隙过小。
2)轴承与轴瓦间有灰尘、脏物。
3)轴承与轴瓦间摩擦表面欠光滑。
4)润滑油不足或润滑油粘度过大。
砂轮主轴出现过热时,应立即停车检查。
先检查润滑系统的工作是否能保轴承获得充分润滑,若是轴承与轴瓦间有脏物侵入,可以进行清洗。
若是轴承轴瓦间摩擦表面欠光滑,则需要刮削轴瓦工作面等。
4、磨床工作台相对于床身导轨产生偏斜这是由于床身导轨磨损严重而产生的,应当修刮磨床导轨。
5、磨床横向进给机构的进给不准确这种故障的发生,主要是横向进给丝杠与半螺母之间的间隙不准确,也可是刻度盘在手轮上有游动间隙或半螺母在砂轮架上固定不牢等原因。
可通过更磨损的半螺母或调整半螺母与丝杠的压力,消除刻度盘在手轮上的游动间隙及半螺母在砂轮架上紧固好等相应措施,横向进给不准的故障就可排除。
数控机床常见报警故障及其维护保养随着现代加工技术的不断发展,数控机床已经成为了制造业中必不可少的一部分。
然而,在数控机床的工作过程中,常会出现各种报警故障,这些故障不仅会影响机床的生产效率,还会导致机床设备损坏,严重的甚至会导致一定的人身安全问题。
因此,对于数控机床的常见报警故障及其维护保养是非常必要的。
本文将会介绍数控机床常见报警故障及其维护保养的相关知识,帮助读者更好地了解数控机床的工作流程,识别并解决常见故障。
一、数控机床常见报警故障的分类(一)伺服报警故障伺服报警故障主要包括机床伺服系统出现失误、系统电缆出现短路或断路、伺服电机故障等问题。
这些问题一般会通过报警灯、控制面板或实时监控数据提示的方式来告知操作人员。
对于伺服报警故障,我们通常需要检查控制面板的显示信息,确认报警灯是否亮起,通过判断故障代码来定位故障原因。
一般可以通过重启机床、重新设置伺服参数、更换电缆等解决。
(二)数控系统报警故障数控系统报警故障主要表现为显示屏上出现系统故障、无法启动、程序错误、存储设备故障等情况。
对于这些报警故障,我们需要确认故障代码,据此进一步检查其后台系统状况,对于一些常规的错误可以尝试重新载入程序。
如果故障情况较为复杂,则需要联系厂家或相关人员进行处理。
(三)机械传动系统故障报警机械传动系统故障报警主要表现为机床减速、怠速等原因造成的机械传动系统振动、噪音比较大;零部件的磨损及缺陷等导致的轴承胶合,轴承锈蚀、轴承碰撞等问题。
在这些情况下,我们通常需要检查机械系统的各项设备,并进行正确的维护、保养。
如果设备已经出现故障,则应及时进行修理或更换。
二、数控机床的日常维护保养对于数控机床,做好日常维护保养工作是非常重要的。
只有做到保养细致、规范才能确保机床设备的正常使用,提高生产效率。
以下是数控机床常见的日常维护保养工作:(一)清洁维护机床设备的工作过程中需要大量的切削液与废渣。
长时间的使用会导致机床上积存着很多的切屑等杂物,造成部分机器部件的不协调、堵塞等问题。
磨床在使用和维修过程中遇到的故障是多种多样的,不同的液压传动磨床由于液压系统之组合元件不同,其故障现象不同,即使是同型号磨床故障也各不相同。
系统中产生的故障,有的是某一液压元件失灵而引起;有的是液压系统中各液压元件综合性因素所造成;同时,机械、电器以及外界因素也会引起液压系统出现故障。
其中有些故障用调整方法即可解决,而有些故障则因使用年久,精度超差需经修复才能恢复其性能,也有些故障则是因为原始结构不良或因先天性潜在隐患所造成。
因此,液压系统各种故障的排除,需要具体问题具体分析,区别对待。
下面介绍在磨床修理中遇到的5种比较特殊的疑难故障,并对每种故障做了分析并详细介绍了故障排除方法。
1 卧轴矩台平面磨床磨头液动换向迟缓,有时不换向M7130型磨床磨头进给部分液压原理图如图1所示,但四川磨床厂、哈尔滨第一机床厂等制造厂的随机说明书中液压原理图上均未示出节流阀J。
而此节流阀在操纵箱实际结构中是存在的,只是隐藏于箱体内部,极不容易发现。
节流阀J在操纵箱中的安装位置如图2所示。
它的实际作用是,当先导阀受换向挡块作用或手动换向动作后,控制换向阀的压力油经先导阀进入换向阀一腔,换向阀另一腔的回油必须经节流阀J回至背压阀回油路回油,节流阀J的开口尺寸直接影响换向阀的换向时间,若堵塞则不能换向。
图2主视图为磨头操纵箱的外形图,排故时卸下堵头K,找到深孔底部缓冲节流螺钉,螺钉带有φ2 mm通孔,原制造厂曾用描图纸虚堵在φ2 mm孔中,随着机床使用时间的增长,小孔和描图纸上油污会越积越多,逐渐使φ2 mm小孔通流面积不稳定地变化,甚至时通时断,就导致上述磨头液动换向故障。
排除故障时卸下堵头K,拧出节流螺钉J,清洗疏通φ2 mm小孔即可。
2 平面磨床磨头进刀不均匀:平面磨床磨头进刀不均匀性按照出厂验收技术要求,只要不超过25%即为正常,在一般情况下排除进刀不均匀性故障并不困难,只要正确地调整进给分配阀的两面二端的节流螺钉即可,但是从我们对M7120A平面磨床大修和日常排故中遇到的不均匀故障来看,实际情况要复杂得多。