桥梁工程 初步设计
- 格式:doc
- 大小:12.50 KB
- 文档页数:2
桥梁工程方案的编制依据一、前言桥梁是连接两岸的重要交通设施,桥梁工程的设计和施工对于交通的安全和便利有着重要的影响。
编制桥梁工程方案需要充分考虑到工程的设计要求、地质地形条件、交通流量、施工技术等多方面因素,以确保桥梁工程的质量和安全。
本文将从桥梁工程方案的编制依据和流程、设计要求和施工技术等方面进行探讨,以期为桥梁工程的规划和设计提供参考。
二、桥梁工程方案的编制依据1. 设计要求在编制桥梁工程方案时,需要根据实际情况确定桥梁的主要设计要求,包括桥梁的使用年限、荷载标准、交通流量、桥梁跨度等。
在确定桥梁设计要求时,需要充分考虑到桥梁的安全性、稳定性和经济性,以确保桥梁能够满足交通运输的需求。
2. 地质地形条件在编制桥梁工程方案时,需要对桥梁所在地区的地质地形条件进行详细的调查和评估。
地质地形条件对桥梁的设计和施工具有重要影响,需要充分考虑到地质构造、地基条件、水文地质、地震烈度等因素。
只有充分了解地质地形条件,才能够有效地规划和设计桥梁工程方案。
3. 交通流量在编制桥梁工程方案时,需要对桥梁所在地区的交通流量进行详细的调查和分析。
交通流量是确定桥梁设计要求的重要指标,需要充分考虑到交通流量的峰值、车型组成、交通速度等因素。
只有充分了解交通流量,才能够有效地规划和设计桥梁工程方案。
4. 施工技术在编制桥梁工程方案时,需要根据实际情况确定桥梁的施工技术。
施工技术是桥梁工程施工的核心内容,需要充分考虑到施工方法、施工设备、施工工艺等方面的要求。
只有充分了解施工技术,才能够有效地规划和设计桥梁工程方案。
5. 相关规范和标准在编制桥梁工程方案时,需要遵循相关的规范和标准。
桥梁工程是属于特种工程的一种,其设计、施工和验收均需要遵循相关的规范和标准。
只有遵循相关规范和标准,才能够确保桥梁工程的质量和安全。
三、桥梁工程方案的编制流程1. 调研研究在开始编制桥梁工程方案之前,需要进行详细的调研研究,包括地质地形调查、交通流量调查、施工技术调查等。
.桥梁建设的具体步骤是什么?桥梁设计程序:包括:前期工作、初步设计、技术设计、施工设计。
桥梁的规划设计:包括:野外勘测与调查研究、纵断面设计、横断面设计、平面布置、桥梁的设计原则。
桥梁体系、造型与美学:桥梁的体系主要有梁式体系、拱式体系、架刚桥、组合体系;桥梁的设计一定要满足美学要求。
桥梁设计程序前期工作:?预可行性研究报告与可行性研究报告的编制;包括:工程必要性论证、工程可行性论证、经济可行性论证。
初步设计:?进一步开展水文、勘测工作;桥式方案比选;科研项目立项;施工组织设计、概算。
..技术设计:?进一少深化初步设计:充分勘探、确定细部尺寸、截面配筋、确定施工方法、调整概算。
施工设计:?编制施工图、编制工程预算。
注:中小桥可以简化程序;国外施工设计由施工承包商进行;国所有设计由设计单位进行。
前期工作工程必要性论证:?评估桥梁建设在国民经济中的作用。
工程可行性论证:?本阶段工作重点首先是选择好桥位,其次是确定桥梁的建设规模,同时还要解决好桥梁与河道、航运、城市规划以及已有设施(通称“外部条件”)的关系。
经济可行性论证:?包括造价及回报问题、资金来源及偿还问题。
工程必要性论证..桥梁是交通工程中的一必要性论证是评估桥梁建设在国民经济中的作用。
部分,交通工程有铁路、公路、城市交通之分,评估方法也有所不同。
铁路桥梁一般从属于路网规划。
后者是以沿线工农业生产的需要在近期、远期可能的运量为研究对象。
铁路桥梁一般本身不作单独的研究。
有的是则是时机问题,公路桥梁有的从属于国家规划干线,该不该修建,为此要对距准备建桥属于区域的桥梁,两者都是以车辆流量为研究对象。
流向进行调查。
地点最近及附近的渡口车辆流量,包括通过的车数、车型、进行科学在此基础上,从发展的观点以及桥梁修通以后可能引入的车流,超过一定的日流量修建桥梁得出每日车流量,作为立论的依据。
地分析,桥梁应该修在有利于解决流向最大的地才是必要的。
根据车辆流向研究,区。
海口市建设局道路桥梁工程初步设计技术审查工作规程(试行)第一条为规范道路桥梁工程初步设计技术审查,保障审查工作的科学、合理、高效,特制定本规程。
第二条本规程适用于道路、桥梁以及相配套工程的审查。
第三条提请初步设计技术审查的项目应具备的条件:(一)项目建议书已经编制完成并获批准立项;(二)项目可行性研究报告已经编制完成并获批准;(三)设计方案已经编制完成并获批准;(四)初步设计文件已经编制完成,规划已经批准。
第四条初步设计技术审查须提供的材料:(一)初步设计技术审查申请(二)立项书(三)经批准的可行性研究报告及批复文件(四)经规划批准的设计方案及批复文件;(五)初步设计文件1、经规划批准的初步设计文件及批复;2、设计说明书;3、工程概算书;4、主要工程数量、材料及设备表;5、主要技术经济指标;6、初步设计图纸;(六)工程勘察报告;(七)建设工程地震场地安全性评价(重要结构);(八)地上杆线、地下管线调查资料;(九)其它材料。
第五条初步设计文件设计深度及包含的工作内容按国家建设部建质[2004]16号《关于颁布市政公用工程设计文件编制深度规定的通知》执行。
第六条初步设计技术审查的主要内容(一)道路、桥梁结构选型;(二)道路路灯布置、选型及材料选择;(三)道路桥梁排水工程材料选择;(四)施工技术选择;(五)新建地上杆线、地下管线布置及迁移;(六)设计文件是否符合设计深度要求。
第七条初步设计技术审查工作程序:(一)建设(代建)单位向市建设局提交初步设计技术审查申请并提交相应材料;(二)市建设局根据项目特点确定评审专家组。
时限2天;(三)市建设局将审查的相关材料送评审专家审阅。
时限8天;(四)市建设局组织召开专家评审会,并邀请相关专业部门参加。
评审专家出具评审报告,相关部门意见作为评审报告附件。
时限2天;(五)市建设局根据专家评审报告及相关部门意见出具初步设计修改通知书或技术审查意见书。
时限3天;(六)需要修改的初步设计文件,由建设(代建)单位组织修改后送市建设局,市建设局根据修改通知书进行核查通过后出具技术审查意见书。
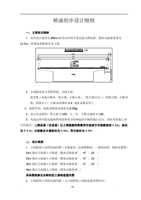
桥涵初步设计细则一、主要技术指标1、采用设计速度为80Km/h的双向四车道高速公路标准,整体式路基宽度为24.5m,桥梁标准断面详见下图:2、主线桥涵设计荷载等级:公路-I级;被交路(高速公路及一级公路:公路-I级,二级公路以及三、四级公路:公路-II级;四级以下:公路-II级乘以0.6~0.8系数采用)。
3、地震作用:地震动峰值加速度为0.05g。
4、设计洪水频率:特大桥1/300,大、中、小桥及涵洞1/100。
5、考虑远景可能实施维修罩面和部分特种超高车辆的通行安全,同时考虑施工净空的要求,上跨县道(含县道)以上等级路的桥梁净空高度尽可能提高到5.5m,标注为5.5 m;水泥路及乡道标注为5.0m,其它标注为4.5m。
二、设计深度1、主线桥梁上部构造通用图(含数量表、标准横断面、一般构造图、钢束布置图)20m预应力混凝土小箱梁(整体式路基0°、15°、30°)25m预应力混凝土小箱梁(整体式路基0°、15°、30°)30m预应力混凝土小箱梁(整体式路基0°、15°、30°)40m预应力混凝土小箱梁(整体式路基0°)具体图纸参见各跨径的上部构造通用图2、主线桥梁下部构造通用图(与主线桥梁上部构造通用图对应)预应力混凝土分体小箱梁(含20、25、30m、40m跨径桥台一般构造图、桥墩一般构造图)具体图纸参见下部构造通用图3、涵洞通用图ф1.5m钢筋混凝土圆管涵(0°~45°、5°一级)2.0、4.0、6.0m钢筋混凝土盖板涵(0°~45°、5°一级)2.0、4.0、6.0m钢筋混凝土箱涵(0°~45°、5°一级)具体图纸参见涵洞通用图(总体组未出,待定)4、普通大桥、匝道桥设计内容包括(按图纸出版顺序排列):A)全桥工程数量表B)桥位平面图C)桥位工程地质纵断面图(地勘单位统一设计,地质情况特殊或复杂的特大桥还需提供工程地质平面图)D)桥梁方案比较表(一般桥梁无,有比较方案的桥梁需增加,具体样式如下图)E)桥型布置图(中桥及中桥以上桥梁均绘制平纵数据表)F)上部构造横断面图(主要针对装配式结构变宽主线桥和互通匝道桥的断面,标准宽度桥梁中不再出版)G)施工工序图(针对大跨变截面箱梁等特殊结构)H)特殊结构一般构造图I)特殊结构钢束布置图J)桥台一般构造图(主要是互通匝道桥台、主线变宽桥台或U台;U台要求有各部分构造的混凝土数量及填挖数量)K)桥墩一般构造图(主要是过渡墩、互通匝道桥墩、特殊结构的桥墩;预制结构的非特殊桥墩由下构通用图统一出版,具体桥中不再出版)5、比较方案(特殊结构大桥及特大桥均应绘制比较方案),应同时包括上述除《桥梁方案比较表》外所有图纸;6、涵洞、通道只出数量表;小桥、天桥只出典型样式图和数量表。
桥梁设计方案1. 简介桥梁是一项关键性的基础设施项目,它不仅能够满足人们出行需求,还能够推动区域经济发展。
因此,桥梁设计方案的优劣直接影响到生活和经济发展。
本文将介绍桥梁设计方案的一些基本要素,包括设计目的、设计原则、设计流程、材料选择、施工经验等,以期对有需要的读者提供参考和帮助。
2. 设计目的桥梁的设计目的主要是为了满足人们的出行需求,包括公路、铁路、行人通道等。
此外,桥梁还要能够承受自身重量、交通荷载、风荷载、地震荷载等各种力的作用,并保证桥梁结构安全、经济、美观。
另外,桥梁设计方案还应根据具体的地理、气候、交通等情况,考虑挑选合适的桥梁类型和材料,以最大化满足设计目的和需求。
3. 设计原则桥梁设计的原则是保证结构的安全、经济、美观,其中又以安全性最为重要。
设计时需注意以下几点:3.1 结构合理性桥梁设计的结构要符合技术规范和强度要求,确保桥梁在服役期内不发生结构破坏和危险事故。
在结构设计过程中,应合理选取材料、截面尺寸、桥墩高度等,确保结构强度和刚度的平衡。
3.2 经济性桥梁设计要在结构安全的条件下尽可能简便、经济、高效。
在结构设计时,应评估桥梁的总体投资、施工周期、维护保养费用等,尽量减少不必要的设计和施工成本。
3.3 美观性桥梁的美观性也是设计要考虑的因素之一。
设计师应根据桥梁的形式、位置、环境等因素,选择合适的桥梁类型和外观。
在保证结构安全和经济的同时,还应考虑桥梁的建筑艺术价值,使桥梁成为城市建筑景观的一部分。
4. 设计流程桥梁设计流程是一个复杂的系统性工程,它包括桥梁设计需求分析、方案设计、初步设计、施工图设计等阶段。
以下是一般桥梁设计流程的步骤:4.1 设计需求分析在了解工程范围和固定参数的基础上,对桥梁的实际需求进行详细的分析,并确定建造此桥的优点及不足。
4.2 方案设计在分析需求基础上,设计师应在多种桥梁类型中寻找最适合的设计方案,同时与客户沟通协商,确定中期设计方案和返工方案。
道桥设计流程道桥设计流程:①项目立项与前期研究:- 收集项目背景资料,明确设计任务书,包括桥梁或道路的功能定位、交通量预测、投资估算等。
- 进行初步的地质勘查和环境评估,确定设计的基本条件。
②方案设计与比选:- 根据项目需求,提出多个设计方案,包括不同类型的桥梁结构或道路布局。
- 通过技术经济比较,选择最优设计方案,并进行初步的平面、立面和剖面设计。
③初步设计:- 开展详细的技术设计,包括结构计算、材料选用、施工方法等。
- 编制初步设计文件,如设计说明书、图纸、工程量清单和概算。
④地质详勘与专项设计:- 进行详细的地质勘查,为桥梁基础设计提供准确的地质参数。
- 开展专项设计,如桥梁抗震设计、航道通航设计、环境保护设计等。
⑤施工图设计:- 根据初步设计和专项设计成果,完成全套施工图纸的绘制。
- 编制详细的施工组织设计,包括施工进度计划、质量控制措施等。
⑥审查与优化:- 将设计文件提交给相关审批部门,进行专家评审和技术审查。
- 根据审查意见,对设计进行必要的修改和优化。
⑦施工配合与现场指导:- 在施工阶段,设计团队需驻场配合,解决施工中出现的技术问题。
- 提供现场指导,确保施工质量和安全,必要时进行设计变更。
⑧竣工验收与交付:- 参与工程的竣工验收,检查是否符合设计要求和国家标准。
- 提交完整的设计资料,包括竣工图、设计总结等,完成设计交付。
⑨后期服务与评估:- 工程投入使用后,提供必要的后期服务,如技术咨询、维修指导等。
- 对工程进行后评估,总结设计经验,为未来项目提供参考。
桥梁工程课程设计计算书一、课程目标知识目标:1. 掌握桥梁工程的基本概念、分类及结构组成;2. 了解桥梁设计的基本原则和步骤,理解桥梁设计计算书的相关内容;3. 掌握桥梁工程中涉及的主要力学原理和计算方法;4. 能够结合实际案例,分析桥梁工程中的常见问题及其解决方案。
技能目标:1. 学会运用桥梁设计软件进行简单桥梁的设计与计算;2. 能够根据实际工程需求,编制桥梁工程计算书,并进行合理分析;3. 培养学生的团队协作能力和沟通表达能力,提高解决实际工程问题的能力。
情感态度价值观目标:1. 培养学生对桥梁工程的兴趣,激发学生探索桥梁科技的热情;2. 增强学生的社会责任感和职业道德,培养严谨、认真、负责的学习态度;3. 引导学生关注桥梁工程在我国社会经济发展中的重要地位,树立正确的价值观。
课程性质:本课程为桥梁工程专业课程,旨在让学生通过学习桥梁工程的设计与计算,掌握桥梁设计的基本原理和方法,培养实际工程能力。
学生特点:学生已具备一定的力学基础和桥梁工程知识,具有一定的自主学习能力和团队合作意识。
教学要求:结合实际工程案例,注重理论与实践相结合,提高学生的动手操作能力和解决实际问题的能力。
通过本课程的学习,使学生能够达到上述课程目标,为将来的职业发展打下坚实基础。
二、教学内容1. 桥梁工程概述- 桥梁的分类与结构组成- 桥梁工程的发展历程与现状2. 桥梁设计原则与步骤- 设计原则:安全、适用、经济、美观- 设计步骤:初步设计、施工图设计、施工组织设计3. 桥梁设计计算书编制- 计算书的基本内容与格式- 计算书编制的注意事项4. 桥梁力学原理与计算方法- 静力分析:弯矩、剪力、轴力计算- 稳定分析:屈曲、侧倾稳定性计算- 动力分析:自振特性、地震响应分析5. 桥梁设计软件应用- 常用桥梁设计软件介绍- 软件操作与实例分析6. 桥梁工程案例分析- 国内典型桥梁工程案例介绍- 案例分析与讨论教学内容安排与进度:第一周:桥梁工程概述第二周:桥梁设计原则与步骤第三周:桥梁设计计算书编制第四周:桥梁力学原理与计算方法(一)第五周:桥梁力学原理与计算方法(二)第六周:桥梁设计软件应用第七周:桥梁工程案例分析教材章节关联:《桥梁工程》第一章:桥梁工程概述《桥梁工程》第二章:桥梁设计原则与步骤《桥梁工程》第三章:桥梁设计计算书编制《桥梁工程》第四章:桥梁力学原理与计算方法《桥梁工程》第五章:桥梁设计软件应用《桥梁工程》第六章:桥梁工程案例分析三、教学方法1. 讲授法:- 对于桥梁工程的基本概念、原理和计算方法等理论知识,采用讲授法进行教学,使学生在短时间内掌握课程核心内容;- 讲授过程中注重启发式教学,引导学生思考问题,提高课堂互动效果。
1. 基本组成:上部结构、支座、下部结构、附属设施上部结构:主要承重结构支座:传力装置,并且要保证上部结构按设计要求能产生一定的变位桥台:支承上部结构、传递荷载至基础,并与路堤相衔接,抵御路堤土压力桥墩:支承上部结构、并传递荷载至基础基础:奠基部分,承担了从桥墩和桥台传来的全部荷载桥梁五大部件:桥跨结构、支座系统、桥墩、桥台、墩台基附属设施附属设施包括:桥面铺装、排水设施、伸缩缝、灯光照明、栏杆(防撞护栏)、桥头搭板锥形护坡、人行道(pavement)及缘石2. 与桥梁布置有关的名词术语:净跨径、总跨径、计算跨、标准跨径、桥梁全长、桥下净空及桥面净空、桥梁建筑高度及容许建筑高度低水位(low water lever) :枯水季节的最低水位。
高水位(high water lever) :洪峰季节河流中的最高水位。
设计水位(designed water lever): 桥梁设计中按规定的设计洪水频率计算所得的高水位。
计算水位(calculated water lever): 设计洪水位+壅水+倍浪高得到的水位。
通航水位(navigable water lever): 在各级航道中能保持船舶正常航行时的水位。
1.2 桥梁的分类按受力体系分:由梁、拱、索三大基本体系及其相互组合而成的桥型:◆梁式桥◆拱式桥◆刚架桥◆索承桥(包括斜拉桥和悬索桥)◆组合体系桥(1)梁式桥受力特点:在竖向荷载作用下,桥墩和桥台处无水平反力,梁以受弯为主。
③梁式桥用材:抗弯、抗拉能力强的材料(钢、配筋混凝土、钢一混凝土组合结构等)(2)拱桥受力特点:在竖向荷载作用下,桥墩和桥台将承受水平推力,承重结构(拱圈或拱肋)以受压为主。
用材:抗压能力强的圬工材料(如砖、石、混凝土)和钢筋混凝土、钢等来建造。
(3)刚架桥:梁柱共同工作,桥下净空易保证,对跨线桥非常有利。
梁(或板)与立柱(或竖墙)整体结合在一起的刚架结构,梁和柱的连结处具有很大的刚性,以承担负弯矩的作用。
第1篇一、项目背景随着我国经济的快速发展,城市化进程不断加快,基础设施建设需求日益增长。
为满足人民群众对美好生活的向往,提高城市品质,本项目应运而生。
本项目位于我国某城市,旨在打造一个集居住、商业、休闲、教育等功能于一体的综合性社区。
本项目总投资约XX亿元,占地面积约XX公顷,总建筑面积约XX万平方米。
二、设计原则1. 绿色环保:遵循可持续发展原则,注重生态环境保护,提高资源利用率。
2. 人性化设计:充分考虑居民需求,以人为本,打造舒适、便捷、安全的生活环境。
3. 经济合理:在满足功能需求的前提下,合理控制成本,提高投资效益。
4. 规划合理:合理布局各类功能区,确保交通便利、环境优美。
5. 技术先进:采用先进的设计理念和技术,提高工程质量和使用寿命。
三、总体布局1. 功能分区:本项目分为居住区、商业区、休闲区、教育区四大功能区域。
(1)居住区:位于项目北侧,占地面积约XX公顷,建筑面积约XX万平方米。
主要建设多层住宅、小高层住宅、别墅等。
(2)商业区:位于项目东侧,占地面积约XX公顷,建筑面积约XX万平方米。
主要建设购物中心、超市、餐饮、娱乐等设施。
(3)休闲区:位于项目南侧,占地面积约XX公顷,建筑面积约XX万平方米。
主要建设公园、广场、运动场等。
(4)教育区:位于项目西侧,占地面积约XX公顷,建筑面积约XX万平方米。
主要建设幼儿园、小学、中学等教育设施。
2. 交通组织:本项目采用“环形+放射”的交通组织方式,确保交通便利。
(1)环形道路:设置环形主路,连接各功能区,方便居民出行。
(2)放射道路:设置放射道路,连接环形主路和周边道路,提高道路通行能力。
3. 景观设计:以绿色景观为主题,打造生态宜居的社区环境。
(1)绿化带:在住宅区、商业区、休闲区设置绿化带,提高绿化覆盖率。
(2)公园:在休闲区建设公园,为居民提供休闲娱乐场所。
(3)广场:在居住区、商业区设置广场,方便居民活动。
四、建筑设计1. 住宅设计:采用现代简约风格,注重舒适性和实用性。
桥梁施工图设计说明桥梁施工图设计说明一、设计依据本次桥梁施工图设计依据以下文件和规范:1、国家桥梁设计规范《公路桥涵设计通用规范》(JTGD60-2013)。
2、国家桥梁设计规范《公路桥涵地基与基础设计规范》(JTGT60-2013)。
3、国家桥梁设计规范《公路桥梁钢结构设计规范》(JTGT64-2013)。
4、工程地质勘察报告。
5、相关桥梁施工图纸及技术要求。
二、设计参数1、桥梁跨度:本次设计的桥梁跨度为100米。
2、桥面宽度:桥面宽度为12米。
3、桥面铺装:桥面铺装采用8厘米厚的沥青混凝土。
4、桥梁结构:桥梁结构采用钢结构,包括主梁、桥面板、栏杆等部件。
5、桥墩基础:桥墩基础采用桩基础,桩径为1.2米,桩长根据地质勘察报告确定。
三、施工要求1、施工前必须认真阅读设计图纸和技术要求,理解设计意图。
2、施工过程中必须严格按照施工图纸进行施工,如有疑问应及时与设计单位联系。
3、桥墩基础的施工应按照地质勘察报告进行,确保桩基础的质量和稳定性。
4、桥面铺装施工时应确保沥青混凝土的厚度和平整度,避免出现坑洼和裂缝等现象。
5、桥梁结构的焊接应由专业焊接人员按照焊接规范进行焊接,确保焊接质量和桥梁结构的安全性。
四、其他说明1、本次设计的桥梁施工图仅为初步设计,具体施工细节应以实际施工情况为准,设计单位和施工单位应密切配合,确保施工质量。
2、如有未尽事宜,应由设计单位和施工单位协商解决。
3、本设计图的使用权归设计单位所有,未经许可不得复制或传播。
以上为本次桥梁施工图设计的主要内容和要求,希望对施工单位的施工有所帮助。
施工图设计说明施工图设计说明施工图设计是建筑工程设计的重要环节,是将概念设计转化为具体实施蓝图的过程。
施工图设计说明则是针对施工图设计的相关解释和阐述,旨在让施工方、监理方等相关人员明确设计意图、施工要求及注意事项等。
以下是施工图设计说明的主要内容:一、设计依据和设计要求1、设计依据:包括相关规范、标准图集、施工图纸等,说明本设计是符合相关法规和标准的。
第二节桥梁设计程序及设计方案比选一、桥梁设计程序我国桥梁的设计程序一般采用两阶段设计,即初步设计和施工图设计。
对于技术简单、方案明确的小桥可采用一阶段设计,即一阶段施工图设计。
以扩大的初步设计来包含两阶段设计的主要内容。
对于技术复杂、而又缺乏经验的建设项目或特大桥、互通式立体交叉、隧道等,必要时采用三阶段设计,即初步设计、技术设计和施工图设计。
两阶段设计时桥梁设计的第一阶段是编制设计文件。
在这一阶段设计中,主要是选择桥位,拟定桥梁结构形式和初步尺寸,进行方案比较,编制最佳方案的材料用量和造价,然后报请上级单位审批。
在初步设计的技术文件中,应提供必要的文字说明、图表资料、设计和施工方案、工程数量、主要建筑材料指标以及设计概算。
这些资料作为控制建设项目投资和以后编制施工预算的依据。
桥梁设计的第二阶段是编制施工图。
主要是根据已批准的初步设计中所规定的修建原则、技术方案、总投资额等进一步进行具体的技术设计。
在施工图设计中应提出必要的说明和适应施工需要的图表,并编制施工组织设计文件和施工预算。
在施王图的设计中,必须对桥梁各部分构件进行强度、刚度和稳定性等方面的必要计算,并绘出详细的结构构造图纸。
三阶段设计时,技术设计应根据批准的初步设计和补充初测资料(或定测资料)编制;施工图设计应根据批准的技术设计和定测(或补充定测)资料编制。
采用三阶段设计的,初步设计编制设计概算;技术设计编制修正概算;施工图设计编制施工图概算。
一座桥梁的规划设计所涉及的因素很多,特别是对于工程比较复杂的大、中桥梁,是一个综合性的系统工程。
设计合理与否,将直接影响到区域的政治、经济、文化以及人民的生活,因此必须建立一套严格的管理体制和有序的工作程序。
在我过,基本建设程序分为前期工作和正式设计两个大步骤,他们的关系如图1-2-1所示。
图1-2-1基本建设程序前者又分为:工程预可行性研究(简称“预可”)阶段和过程可行性研究(简称“工可”)阶段。
桥梁工程课程设计任务书(2010版)一、设计题目桥梁初步设计及连续(刚构)梁桥结构设计二、设计内容和成果1.桥梁初步设计(每个方案必须包含两端的桥台)(1)桥型比较方案图(3种方案, 梁、拱、斜拉、悬索4种桥型均可)(2)桥型方案设计图(3种方案均绘制, 详绘立面、平面、横断面, 应体现上部结构和墩台主要尺寸)(3)编写桥型方案比选说明(1000以上, 编制办法详见指南)2.连续(刚构)梁桥结构设计(1)三跨连续梁桥或连续刚构桥的尺寸拟定(主跨径(m)80+2×组号)(2) 拟定相应的施工方法(3)有限元结构计算(4)预应力筋及主要普筋构造图(5)桥梁施工方法设计3.提交设计成果(1)初步设计说明书(与结构计算书装订成册)(2)桥型方案图(3幅, A3打印, 可加长)(3)结构详细计算书(附主要内力、应力、变形图)(4)连续梁桥施工图(结构构造、尺寸、预应力筋及主要普筋构造图)(5)对所完成设计的总结和体会(6)介绍小组成员主要完成工作三、设计标准每个同学的设计标准都不一样, 具体要求参见附表1。
四、设计净空及纵坡规定桥梁净空系指桥上净空和桥下净空, 桥上净空系指车道数、道路等级、车道宽、人行道宽度等规定。
桥下净空系指通航河流航道等级和堤顶4m高×7m宽的行车净空。
具体要求参见附表1。
五、桥址处河床断面图、桥位(包括桥头引道)平面图、桥位处的水文气象资料、桥位工程地质勘测报告及桥位地质纵剖面图六、设计主要内容和时间安排上述几个方面的内容, 都应在开始设计时, 仔细阅读逐个领会。
课程设计总计时间为8周, 具体时间安排可大致如下:初步设计绘制初步设计图 1-3 周结构设计熟悉计算软件, 计算及确定细部结构尺寸, 上下部结构配筋计算 4-7 周绘制施工图编写课程设计说明、文件装订 8 周七、课程设计答辩设计完成后1周即行答辩。
附表1 桥梁课程设计技术标准参考书目:[1] 中华人民共和国交通部行业标准, 公路桥涵通用设计规范(JTG D60-2004), 北京: 人民交通出版社, 2004[2] 中华人民共和国交通部行业标准, 公路钢筋混凝土及预应力混凝土桥涵设计规范(JTG D62-2004), 北京: 人民交通出版社, 2004[3] 中华人民共和国交通部行业标准, 公路桥涵地基与基础设计规范(JTG D63-2007), 北京:人民交通出版社, 2007.[4] 桥梁工程课程设计指南(2010 版)[5] 桥梁工程姚玲森主编第2 版北京:人民交通出版社, 2008.[6] 桥梁工程邵旭东主编第2 版北京:人民交通出版社, 2007.[7.桥梁工.范立.主编.上(下).第..北..人民交通出版社.1987.[8] 桥梁建筑美学盛洪飞编著第2 版北京: 人民交通出版社, 2009.[9] 桥梁美学和丕壮主编北京: 人民交通出版社, 1999.[10] 桥梁方案比选周念先著上海: 同济大学出版社, 1997.[11] 公路桥涵设计手册梁桥和拱桥分册北京: 人民交通出版社,1996.[12] 钢管混凝土拱桥陈宝春主编第2 版北京: 人民交通出版社, 2006.[13] 斜拉桥设计刘士林主编北京: 人民交通出版社, 2006.[14] 现代悬索桥严国敏主编北京: 人民交通出版社, 2002.[15] 公路桥梁墩台设计与施工马尔立编著北京: 人民交通出版社, 1998.[16] 基础工程凌志平,易经武编著北京: 人民交通出版社, 2000.[17.现代预应力混凝土公路桥梁上部结.(美)利.等.同济大学桥梁教研.译.设计原理与施工方法北..人民交通出版社.1982.[18] 预应力混凝土桥梁结构宋玉普编著北京: 机械工业出版社, 2007.[19] 预应力混凝土连续梁桥设计徐岳,王亚君,万振江编著北京: 人民交通出版社, 2000.[20] 预应力混凝土连续梁桥范立础主编北京: 人民交通出版社, 1988.[21] 预应力混凝土桥梁分段施工和设计(美) 波尔多尼, (法) 米勒尔著; 万国朝, 黄邦本译北京: 人民交通出版社, 1986.[22] 预应力技术及材料设备朱新实, 刘效尧主编第2 版北京: 人民交通出版社, 2005.[23] 桥梁设计与计算邵旭东, 程翔云, 李立峰编著北京: 人民交通出版社, 2007.[24] 桥梁设计工程师手册上海市政工程设计研究总院主编北京:人民交通出版社,2007.[25] 中文期刊网(CNKI)(丰富的中文期刊资源)。
X.x、景观桥梁工程
1、景观桥梁设计原则
根据项目总体规划方案确定桥梁具体位置,结合项目风格、理念确定桥梁设计方案,做到“桥景合一、一桥一景”。
2、景观桥梁总体布置情况
本项目共布设木栈道桥两处,桥梁3座。
其中木栈道桥全长148.5米,景观桥设计为1孔13米预应力混凝土空心板桥,人行桥(一)设计为1孔10.3米钢筋混凝土板拱桥,人行桥(二)设计为1孔20米预应力混凝土空心板桥。
3、具体桥梁设计方案
3.1、木栈道桥
设计荷载等级为人行道荷载,上部栏杆、人行道板及龙骨采用防腐木,下部采用砼立柱、筏板基础。
3.2、景观桥
设计为1孔13米预应力混凝土空心板桥,荷载等级为城-B级,上部采用预应力空心板,下部采用U型台扩大基础础,栏杆采用石材栏杆。
3.3、人行桥(一)
设计为1孔10.3米钢筋混凝土板拱桥,荷载等级为城-B级,上部采用钢筋混凝土现浇板拱,下部采用浆砌片石扩大基础,桥面设人行道,栏杆采用石材栏杆。
3.4、人行桥(二)
设计为1孔20米预应力混凝土空心板桥,荷载等级为城-B级,上部采用预应力空心板,下部采用U型台扩大基础础,栏杆采用石材栏杆。