新华能箱变装配工艺守则
- 格式:docx
- 大小:23.57 KB
- 文档页数:10
变压器、箱式变电所安装施工工艺标准1.适用范围本工艺标准适用于一般工业与民用建筑电气安装工程10KV及以下中小型室内变压器及箱式变电所安装。
2.施工准备2.1 原材料半成品的要求2.1.1 查验合格证和随带技术文件,变压器应有出厂试验记录。
2.1.2 变压器应有铭牌,铭牌上应注明制造厂名,额定容量,一、二次额定电压,电流电阻抗电压(%)及接线组别等技术数据。
附件齐全,绝缘件无缺损、裂纹,充油部分不渗漏,充气高压设备气压指示正常,涂层完整。
2.1.3 干式变压器的局放试验PC值及噪声测试Db(A)值应符合设计及标准要求。
2.1.4 带有防护罩的干式变压器,防护罩与变压器的间距应符合标准的规定。
2.1.5 型钢:各种规格型钢应符合设计要求,并无明显锈蚀。
2.1.6 螺栓:除地脚螺栓及防震装置螺栓外,均采用镀锌螺栓,并配相应的平垫圈和弹簧垫。
2.1.7 其它材料:蛇皮管,耐油塑料管,电焊条,防锈漆,调合漆及变压器油,均应符合设计要求,并有产品合格证。
2.2主要机具2.2.1 搬运吊装机具:汽车吊、汽车、卷扬机、吊链、三步搭、道木、钢丝绳、带子绳、滚杠。
2.2.2 安装机具:台砂轮、电焊机、气焊工具、电锤、台虎钳、活扳子、锤子、套丝扳、滤油机、行灯变压器、电工用梯、手电钻。
2.2.3 测试器具:钢卷尺,钢板尺,水平尺,线坠,摇表,万用表,钳形电流表,温度计,电桥及试验仪器。
2.3 作业条件2.3.1 施工图及技术资料齐全无误。
2.3.2 土建工程基本施工完毕,标高、尺寸、结构及预埋件焊件强度均符合设计要求。
2.3.3 变压器轨道安装完毕,并符合设计要求(注:此项工作应由土建做,安装单位配合)。
2.3.4 墙面、屋顶喷浆完毕,屋顶无漏水,门窗及玻璃安装完好。
2.3.5 室内地面工程结束,场地清理干净,道路畅通。
2.3.6 安装干式变压器室内应无灰尘,相对湿度宜保持在70%以下。
2.3.7 变压器、箱式变电所的基础验收合格,且对埋入基础的电气导管、电缆导管的变压器进、出线预留孔及相关预埋件进行检查符合要求。
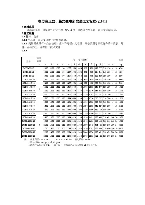
电力变压器、箱式变电所安装工艺标准(Ⅵ101)1适用范围本标准适用于建筑电气安装工程10kV及以下室内电力变压器、箱式变电所安装。
2施工准备2.1材料、设备2.1.1变压器、箱式变电所上应装有铭牌。
2.1.2变压器应具有产品合格证、生产许可证;其容量、规格及型号必须符合设计要求。
附件、备件齐全,并有出厂技术文件。
2.1.32联结组别:D,yn11或Y,yn03箔式产品标示参数k1,(第一行);绕线式产品标示参数k2(第二行)。
零序电流低压侧高压侧2.1.4注:1额定高压:10(10.5,11,6,6.3,6.6)kV;额定低压:0.4kV2联结组别:D,yn11或Y,yn03强迫风冷系统(风机)尺寸不超过尺寸(a×b)范围。
4箔式产品标示参数k1,(第一行);绕线式产品标示参数k2(第二行)。
2.1.5除地脚螺栓及防震装置螺栓外,均应采用镀锌螺栓,并配相应的平垫和弹簧垫。
2.2机具设备2.2.1手动工具:台钻、台虎钳、活扳手、榔头、套丝板。
2.2.2电动工具:卷扬机、砂轮机、电气焊机具、电锤、。
2.2.3测试器具:钢卷尺、钢板尺、水平尺、线坠、力矩扳手、兆欧表、万用表。
2.2.4其他工具:钢丝绳、大绳、滚杠、倒链、千斤顶。
2.3作业条件2.3.1结构工程施工完毕,预埋件及焊件位置、标高尺寸应符合设计要求。
2.3.2屋顶、楼板不得渗漏,室内外地面平整,墙面、顶棚喷浆完毕,门窗及玻璃安装完好。
2.3.3变压器基础及轨道施工完毕,轨道尺寸符合设计要求。
2.3.4场地清理干净,运输道路畅通。
变压器室内保持洁净、干燥。
2.4技术准备施工图纸和技术资料齐全。
施工方案编制完毕并经审批。
施工前应组织参施人员熟悉图纸、方案,并进行安全、技术交底。
3操作工艺3.1工艺流程3.2操作方法基础制作.1预埋件安装:一般工程中,预埋件由土建施工单位负责安装。
在土建单位进行变电所内结构施工前,设备安装单位应派施工技术人员与土建单位配合,确保变电所内的预埋件位置准确、合理。
变压器、箱式变电所安装作业工艺流程1 适用范围适用于一般工业与民用建筑电气安装工程10kV及以下中小型室内变压器2并有出厂合格证及技术文件。
2.2.3干变式变压器的局放试验PC值及噪声测试器dB(A)值应符合设计及标准要求。
2.2.4带有防护罩的干变式变压器,防护罩与变压器的距离应符合标准精心整理的规定。
2.2.5查验箱式变电所合格证和随带技术文件,箱式变电所应有出厂试验记录。
2.2.6外观检查。
有铭牌,箱门内侧应有主回路线路图、控制线路图、23.1.2操作工艺(1)设备点件检查1)设备点件检查应由安装单位、供货单位会同建设单位代表共同进行,并做好记录。
2123)变压器搬运时,应注意保护瓷瓶,最好用木箱或纸箱将高低压瓷瓶罩住,使其不受损伤。
4)变压器搬动过程中,不应有冲击或严重振动情况,利用机械牵引时,牵精心整理引的着力点应在变压器重心以下,以防倾斜,运输倾斜角不得超过15度,防止内部结构变形。
5)用千斤顶顶升大型变压器时,应将千斤顶放置在油箱专门部位。
6)大型变压器在搬运或装卸前,应核对高低压侧方向,以免安装时调换发225mm345的油位、上层油温、瓦斯继电器等。
6)装有滚油轮的变压器,滚轮应有转动灵活,在变压器就位后,应将滚轮用能拆卸的制动装置加以固定。
精心整理7)变压器的安装应采取抗震措施。
(4)附件安装1)气体继电器安装①气体继电器安装前应经检验鉴定。
℃~120方隔离器具中装入适量变压油,起滤尘作用。
3)温度计的安装①套管温度计安装,应直接安装在变压器上盖的预留孔内,并在孔内加入适精心整理当变压器油。
刻度方向应便于检查。
②电接点温度计安装前应进行校验,油浸变压器一次元件应安装在变压器顶盖上的温度计套筒内,并加适当变压器油;二次仪表挂在变压器一侧的预留板上。
干式变压器一次元件应按厂家说明书位置安装,二次仪表安装在便于观测有足够的压力(一般为8~10kg)。
⑤有载调压切换装置转动到极限位置时,应装有机械联锁与带有限位开关的电气联锁。
变压器装配工安全操作规程一、总则为确保变压器装配工的人身安全和设备安全,根据国家相关法律法规和标准要求,制定本安全操作规程。
二、工作前的准备1. 装配工必须参加安全培训并取得合格证书,方能上岗工作。
2. 检查装配工所需的个人防护装备是否符合要求,包括头盔、安全带、防护眼镜、防护手套和防尘口罩。
3. 查看工作现场是否存在安全隐患,有无明火、易燃物品和危险化学品等情况。
4. 确认工作所需的工具和设备是否完好,无损坏和缺陷。
三、安全操作规程1. 操作时着装整齐,不得穿宽松衣物或饰品,以免被机器设备卷入或绊倒。
2. 在操作前,必须检查机器设备的开关和保护装置是否正常,如有异常情况必须及时上报维修人员。
3. 操作人员必须严格按照安全操作流程进行作业,不得违规操作或擅自改变工作步骤。
4. 在操作过程中,必须保持机器设备的稳定,防止意外倾斜或倒塌。
5. 变压器装配过程中,应遵循先装配大件、后装配小件的原则,确保安全和顺序。
6. 在使用吊装设备时,必须确保吊装绳索牢固可靠,吊装链条无损坏、扭曲和锈蚀。
7. 在搬运过程中,应注意轻拿轻放,避免剧烈碰撞和挤压变压器。
8. 操作人员必须配戴个人防护装备,并确保其正确使用和佩戴。
9. 在操作过程中,应避免站在变压器装配物品下方或侧方,以防止意外受伤。
10. 在安装电缆时,必须确保电源已切断,并使用绝缘工具和设备进行作业。
四、应急预案1. 发生火灾时,需立即切断电源,并使用灭火器或灭火器逃生。
2. 发现设备故障或异常时,应立即停止工作并上报维修人员。
3. 发生人员伤害事故时,应立即停止工作,进行紧急救援,并及时报警求助。
4. 发生危险化学品泄漏时,应立即向上级汇报并采取必要的措施进行封堵和清理。
五、工作后的整理和复查1. 完成工作后,必须清理好工作现场,恢复原样。
2. 检查工具和设备是否放置妥善,无残缺和杂物。
3. 检查安全设施和保护装置是否完好,可以正常使用。
4. 及时上报工作完成情况,并进行相关工作记录和归档。
三、箱式变电站安装工艺一、一般要求1.箱式变电所应符合下列规定:1)查验合格证和随带技术文件,有出厂试验记录;2)外观检查:有铭牌,附件齐全,绝缘件无缺损、裂纹,充油部分不渗漏,充气高压设备气压指示正常,涂层完整。
2.箱式变电所安装应按以下程序进行:1)箱式变电所的基础验收合格,且对埋入基础的线、缆导管和进、出线预留孔及相关预埋件进行检查,才能安装箱式变。
2)箱式变及接地装置交接试验合格,才能通电。
3.在验收时应提交下列资料和文件:1)产品合格证。
2)产品出厂技术文件,包括出厂试验报告单、安装使用说明书。
3)设备、材料进货检查记录。
4)交接试验报告单。
5)安装自互检记录。
6)设计变更洽商记录7)试运行记录。
二、施工流程及说明1.施工流程基础型钢敷设一接地网敷设一箱变搬运一箱变安装一线缆端接。
2.流程说明1)基础型钢敷设(1)电缆室内壁及基础平台用1: 25混凝土砂浆抹面,厚度为20mm表面需平整。
(2)基础型钢应严格按图纸和规范要求敷设,并作防腐处理。
(3)设备安装用的紧固件应全部采用镀锌制品(除地脚螺栓外)(4)设备基础型钢安装其允许偏差见表8.2-5表8.2-5基础型钢安装允许偏差(5)基础型钢安装后,其顶部宜高出抹平地面10mm基础型钢应有不少于2处的可靠接地。
(6)箱变底座与基础之间要用水泥砂浆抹封,以免雨水进入箱变;电缆进箱变后,电缆与穿管间的缝隙需密封防水;箱变底面需向外围略倾斜,避免积水。
(7)进出线电缆管的数量及管径,可根据用户的实际情况和进出线位置来确定,管排间距不小于30mm2)接地网敷设接地装置应符合DL/T 621-1997《交流电气装置的接地》的要求。
3)箱变搬运箱变上有6个吊耳,吊装箱变时,要同时使用箱体上的四个全重吊耳, 钢丝绳与铅垂线之间的夹角不得大于30度。
4)箱变安装(1)转运到位后,要求对箱变所有连接螺栓进行全面紧固;在安装过程中,应覆盖塑料膜,防止异物和灰尘进入箱变。
变压器成品装配工艺流程及注意事项下载提示:该文档是本店铺精心编制而成的,希望大家下载后,能够帮助大家解决实际问题。
文档下载后可定制修改,请根据实际需要进行调整和使用,谢谢!本店铺为大家提供各种类型的实用资料,如教育随笔、日记赏析、句子摘抄、古诗大全、经典美文、话题作文、工作总结、词语解析、文案摘录、其他资料等等,想了解不同资料格式和写法,敬请关注!Download tips: This document is carefully compiled by this editor. I hope that after you download it, it can help you solve practical problems. The document can be customized and modified after downloading, please adjust and use it according to actual needs, thank you! In addition, this shop provides you with various types of practical materials, such as educational essays, diary appreciation, sentence excerpts, ancient poems, classic articles, topic composition, work summary, word parsing, copy excerpts, other materials and so on, want to know different data formats and writing methods, please pay attention!一、准备工作。
1.1 确认变压器型号和规格,以便选择相应的零部件。
箱变低压柜工艺1、适用范围本工艺适用于箱变内低压柜的安装、配线及一次母线制作。
2、安装部分2.1 自检柜体部件应齐全,有无掉漆、变形现象,面板开孔符合图纸要求。
门开启大于90。
、门的安装铰链不得与柜体摩擦、碰撞,门缝上下、左右应均匀一致,不能有错位现象。
2.2 所用元件的规格参数必须符合图纸要求,并具有真实的合格证、说明书。
元器件外观不能有损坏现象。
2.3 安装所需的零部件、各类安装板、垫块等结构件都必须符合图纸要求。
表面被复应完整。
2.4 框架式断路器出线端子(ME、DW15、CW1等)与底板距离不得小于350mm;塑壳断路器出线端子(DZ20、CM等)与底板距离不得小于250mm。
柜底电缆孔要与断路器出线端子相对应。
并安装出线电缆固定支架。
2.5 所有安装件、结构件、元器件要安装牢固、端正。
同一回路的原器件要对应安装。
2.6 元器件的标识、标签要准确粘贴,不可错位,要横平竖直成线。
字迹要清楚、端正。
2.7 测量、经常操作及维护的元器件要靠前安装。
2.8 各类刀开关安装位置要适当。
将“刀”调整到位。
不能出现手柄反弹现象。
2.9 两带电导体之间电气间隙和爬电距离不得小于20mm。
2.10 用于导电的紧固件或零部件要选用导电性能好的材料。
2.11 靠近操作电气元件的导体,要进行绝缘隔离处理。
2.12 安装过程中要保持柜内外清洁、卫生,不能有磕碰划伤现象。
2.13 安装完毕后,将合格证说明书统一装好存放。
2.14 其它安装紧固件参照低压产品工艺执行。
3、配线部分3.1 多股聚氯乙烯绝缘导线的冷压按线和单股硬导线直接联接方法要严格按照低压产品配线工艺进行。
3.2 过门线采用软线连接。
其它地方采用硬线连接。
3.3 与母排相连的电压线(二次)按相序分颜色(A、B、C,黄、绿、红)连接。
N选用兰色,PE选用黄绿双色线,其它二次线选用黑色。
3.4 计量电度表电压线选用2.5平方单股导线,电流线选用4平方单股导线。
变压器装配工工艺纪律
1 装配人员必须熟悉图纸,工艺条件和技术标准,严格按“三按”规定操作。
2 按图纸备好所有零部件,并检查各部件质量符合技术要求。
3 线圈套装时不得损坏线圈绝缘,配制撑条、撑板或围绝缘时,不许有任何划痕、划伤、更不允许有漏铜等现象。
4 焊接点要做到无尖角、毛刺、光滑饱满,绝缘层禁用两层以上纸包扎。
5 变压器装配时,要保持所有部件的清洁,除用规定的红兰笔做标记外,不准用其它笔在绝缘件上涂写,不允许污染器身,并防止异物落入器身内和下节油箱中。
6 进行器身装配时,所有小型手动工具带入作业场地时,应事先登记,集中存放,以避免遗落在产品中。
所有在器身整理时要装配的绝缘件必须随器身一起干燥处理,不允许使用未经干燥处理的绝缘件。
7 变压器器身整理时必须上紧所有紧固件,垫块上下对齐,引线排列整齐。
保证绝缘距离,线圈要均匀对称压紧。
在产品上不允许有任何金属及非金属异物,并在产品上不能有手印和脚印等。
8 套管安装前检查其是否有破损,并擦拭干净。
在预装时,保证引线的绝缘锥度进入套管根部的均压球内,并做记录。
变压器装配工操作规程规定1.前言为确保变压器装配质量,保证变压器正常运行,制定此操作规程。
2.适用范围本规程适用于变压器装配工在变压器装配过程中的操作。
3.岗位职责1.变压器装配工应按照工艺要求、操作规范进行作业。
2.变压器装配工需要与其他工种紧密配合协作,共同保证变压器装配质量。
4.操作要求1.变压器装配前,应确认变压器资料、工具、量具和零配件等是否齐全。
2.安装零部件时应注意零部件的型号和规格,必须使用规定型号、规格的零部件,不得随意更改或使用不规定的零部件。
3.变压器装配工应认真阅读装配图、装配工艺等文件,明确流程和注意事项,保证装配过程符合标准和工艺要求。
4.在装配过程中,如遇到问题与质量问题应及时向组长汇报。
不得隐瞒或擅自拆修。
5.变压器装配结束后,应对已安装的零部件进行检查确认,确认符合规范和工艺要求。
同时,清理现场,保持环境整洁。
6.变压器装配结束后,按照质保要求和质检要求进行维修和检测。
5.安全操作规程1.变压器装配前,应了解现场的安全措施和危险源,并着装符合要求(穿戴合适安全鞋、工作服、手套等)。
2.在进行装配操作时,应注意精神状态,保持专注。
不得穿短袖、裙装等不合适的服装。
3.发现影响操作安全环境的隐患时,应立即汇报,待隐患消除后再进行作业。
4.在装配过程中要注意力度和速度,操作注意文明礼貌、文明安全,根据需要采取相应的通讯和提示方式。
5.在操作过程中,不得随手扔弃工具、零部件等杂物。
不得在操作区域内抽烟或者进行其他不安全的行为。
6.检查要求1.检查变压器外表是否完整,无碰撞痕迹与变形。
2.检查各接线地箍是否牢固,铜排是否损坏或变形。
3.检查漏水存在情况和油位是否符合要求。
7.文档记录1.变压器装配工艺规程。
2.变压器装配记录单。
3.变压器检验记录单。
8.责任与追究若造成变压器因装配质量问题无法运行或者影响设备寿命,由变压器装配工承担相应的责任,并按照公司规定进行追究。
以上操作规程是变压器装配工的标准操作流程和要求,旨在规范操作过程,提高装配质量和效率。
箱式变压器的施工安装规范第一篇:箱式变压器的施工安装规范箱式变压器的施工安装规范箱式变压器的施工安装规范1、施工应具备的条件(1)图纸会审和根据厂家资料编制详细的作业指导书并审批完。
(2)安装箱式变压器有关的建筑工程质量,符合国家现行的建筑工程施工及验收。
(3)预埋件及电缆预埋管等位置符合设计要求,预埋件牢固。
2、施工准备2.1 变压器基础检查(1)会同业主及监理对变压器基础的建筑施工质量进行检查,并填写记录单,由各方签字确认,对发现的问题及时上报,及时处理。
(2)认真核对变压器基础横、纵轴线尺寸及预埋管位置,并与图纸所给尺寸核对,无误后方可进行下一步工作。
2.2 变压器开箱检查(1)变压器到货后开箱检查时,应会同业主、监理及厂家的有关人员一同检查。
(2)在卸车前测量和记录冲击记录器的冲击值,这个数值应小于3G。
(3)检查变压器外观无损伤,漆面完好,并记录。
(4)检查变压器内部各器件无移位、污染等情况。
3、变压器安装就位(1)将变压器槽钢基础安装在预埋件上,注意找平、找正,槽钢基础与埋件焊接牢固,焊接部位打掉药皮后涂刷防腐油漆。
(2)在风机吊装完后,吊装变压器直接就位于基础上,利用千斤顶进行找平、找正。
(3)按厂家规定的固定方式(螺接或焊接)进行变压器与基础之间的连接。
(4)若为分体到货,在变压器安装找正后,进行外壳的安装。
(5)悬挂标志牌,清扫变压器箱体内部。
(6)在下一道工序前要作好成品保护工作。
4、箱变至风机之间电缆线路风力发电机至箱变之间电缆线路采用地埋式电缆沟敷设,每台风机至箱变之间敷设1 根YJY23-(3×240),0.6/1kV和1 根YJY23-(4×240),0.6/1kV型交联聚乙烯绝缘铠装电力电缆。
电缆头接地:40mm2铜胶线1500m(包括电缆中间接头)。
工程量清单如下:(1)YJY23-3×240 26/35kV 240mm2电缆 16km;(2)YJY23-3×95 26/35kV 95mm2电缆 14km;(3)YJY23-3×50 26/35kV 50mm2电缆 5km;(4)35kV电缆终端3套(YJY23-3×240 26/35kV);(5)35kV电缆终端 58套(YJY23-3×50 26/35kV);(6)35kV电缆中间接头(根据电缆供货长度确定数量);(7)YJY23-(3×240),0.6/1kV 2100m;(8)YJY23-(4×240),0.6/1kV 2100m;1kV 电缆鼻子232套。
变压器装配工安全操作规程范本第一章总则为了保障变压器装配工作的安全和顺利进行,制定本安全操作规程。
本规程适用于所有参与变压器装配工作的工作人员,包括装配工、电工、机械工及其他相关岗位人员。
第二章作业前的准备工作1.装配工作必须由经过培训和持有相关岗位资格证书的工作人员执行。
2.装配工作之前,应对工作区域进行安全检查,确保没有明显的危险因素。
3.检查和确认使用的工具设备的完好状况,破损或损坏的工具设备严禁使用。
4.检查和确认所使用的安全防护装备(如眼镜、手套、安全鞋等)是否齐全,并正常佩戴。
5.装配工作之前,应对变压器的工作区域进行标识和隔离,禁止无关人员接近作业区域。
第三章安全操作要求1.严格按照图纸和作业指导书的要求进行装配,不得私自改变或省略工序。
2.在操作过程中,应保持良好的工作状态和注意力,避免分散注意力而引发事故。
3.对于有隐患的工序和设备,必须提前做好相应的安全防护措施,确保操作人员的安全。
4.操作人员必须严格遵守技术规范和操作规程,禁止违反规范进行操作。
5.在装配过程中,禁止吸烟、携带易燃、易爆物品进入作业区域。
6.装配工作中需要使用吊车等大型机械设备的,必须由经过培训并持有相应操作证书的人员操作,同时应有专人指挥和协助。
7.对于安装需要进行高空作业的情况,必须使用安全绳、安全带等安全设备,并配备专人监护。
第四章紧急情况处理1.在装配过程中,如遇有事故、设备损坏或其他影响装配工作安全的突发情况,应立即停止操作,并向上级报告。
2.对于人员受伤、电器设备着火等紧急情况,应立即采取相应的紧急措施,如报警、断电、灭火等。
3.在紧急情况处理过程中,必须确保人员的安全,优先疏散人员,然后才能进行相应的救援和处理工作。
4.紧急情况处理结束后,应对事故原因进行调查分析,并及时采取措施避免类似事故再次发生。
第五章危险品管理1.对于涉及到危险品的装配工作,必须遵守相关安全管理规定,正确使用和储存危险品。
变压器装配工安全操作规程一、工作前准备1. 检查装配工具和设备的完好性和可靠性,并确保其合适性;2. 确保工作区域的整洁和安全,清除障碍物和杂物;3. 穿戴个人防护装备,包括安全帽、安全鞋、防护眼镜等;4. 检查变压器的各项参数和技术要求,了解工作流程和安全注意事项。
二、安全操作规程1. 在操作过程中保持专注,不得分散注意力,严禁私自聊天或走神;2. 每次操作前,必须认真阅读和理解操作手册,并按照手册的要求进行操作;3. 确保操作区域没有火源和易燃易爆物品;4. 严禁酒后操作,身体状况不佳时应禁止操作;5. 操作过程中要保持稳定的站立姿势,禁止跳跃或站立在不稳定的平台上;6. 禁止将变压器零件扔掷或摔落,应轻拿轻放,避免碰撞和损坏;7. 禁止随意更改或调整变压器的电气连线,必须按照规范的操作程序进行;8. 操作过程中严禁在变压器上悬挂或倚靠,以免发生危险;9. 在高处作业时,必须使用安全绳系好,并按照规定的操作程序进行;10. 严禁将手指或其他物体伸入变压器内部,以免触电或受伤;11. 禁止将变压器各部件错放或混淆,必须按照规范的组装程序进行;12. 操作过程中要随时注意周围环境和其他工人的安全,互相提醒和协作;13. 严禁在变压器上吃饭或吸烟,保持工作区域的整洁和卫生;14. 操作结束后,对工作区域进行清理,将工具和设备归位并妥善保管。
三、事故应急处理1. 发生事故时,首先要确保自己的安全,立即停止操作,并向上级报告;2. 采取适当的救护措施,如止血、包扎等,对伤者进行紧急救治;3. 在确保事故现场安全后,进行事故原因的调查和分析,提出改进措施;4. 将事故发生的情况及时向相关负责人汇报,并配合进行事故调查。
四、责任与纪律1. 对于不遵守安全操作规程的行为,将按照公司规定进行纪律处分;2. 所有工人都有义务对自己的行为负责,并对他人的安全负起相应的责任;3. 提倡团队协作和互相监督,及时纠正他人的不安全行为;4. 管理人员要严格履行职责,确保工人遵守安全操作规程;5. 每月进行安全教育和培训,提醒工人注意安全操作。
电力变压器箱式变电所安装工艺标准第一章引言1.1项目背景1.2标准目的1.3适用范围1.4基本概念和定义第二章设备安装前的准备工作2.1设备安装前的准备2.2施工组织与协调2.3装卸设备的保护和搬运第三章设备安装及检验3.1设备就位和定位3.2设备固定与支撑3.3设备安装的垂直度、水平度和中心轴线控制3.4填缝与接口的加工和安装3.5铁心地脚螺栓和连接板安装3.6变压器油箱安装3.7低压开关柜和控制柜安装3.8标志、标牌和铭牌的设置3.9设备室内布线3.10设备的专项检验与试验第四章电气接线工作4.1设备接线前的准备工作4.2变压器主接线端子的连接和检查4.3变压器的中性点接地4.4低压开关设备的接线工作4.5地线和接地装置的接线第五章保护装置和电气设备调试5.1保护装置的安装和接线5.2保护装置和设备的功能调试第六章绝缘测试和防雷装置安装6.1绝缘测试6.2防雷装置的安装第七章交接工作和试运行7.1施工交接和资料移交7.2试运行和调试工作7.3性能检查和试验第八章验收与记录8.1性能测试8.2验收标准及测试准则8.3记录和档案管理第九章安全与质量控制9.1安全控制9.2质量控制9.3施工中的安全和质量事故处理第十章附则10.1术语和缩写10.2引用文件10.3附录以上是一个电力变压器、箱式变电所安装工艺标准的大致框架,根据实际情况和要求可以更加详细地补充每一章节的具体内容。
这份标准旨在规范电力变压器和箱式变电所的安装过程,确保设备的稳定运行和安全性能。
通过合理的安装工艺和标准,可以提高设备的使用寿命和效率,并降低维护和运营成本。
同时,对设备的质量和性能进行严格的验收和记录,确保设备符合相关规范与标准,提供良好的工作环境和电力供应。
变压器装配工安全操作规程模版第一章总则第一条为了保障变压器装配工作的安全和有效实施,制定本规程。
本规程适用于所有从事变压器装配工作的工人和管理人员。
第二条变压器装配工是指在装配线上进行各种变压器组装和调试工作的工人。
第三条变压器装配工必须熟悉本规程内容,并且按照规程执行。
第四条变压器装配工作必须严格按照工艺要求和相关标准进行操作,确保装配质量和安全。
第五条变压器装配工必须穿戴足够的劳动防护用品,包括工作服、安全鞋、安全帽等。
不得混穿衣物和饰品。
第六条变压器装配工必须经过专业培训并持有相应的证书。
第七条变压器装配工必须严禁酒后上岗,不得吸烟和使用违禁药物。
第八条变压器装配工在工作中必须保持机器和设备的完好,如有发现问题,应及时报修。
第九条变压器装配工必须严格按照装配计划组织工作,不得擅自调整工艺和流程。
第十条变压器装配工必须配合安全检查和培训,积极参与安全管理活动。
第二章装配准备第十一条变压器装配工进入装配区域前必须检查个人装备是否完好,并穿戴齐全。
第十二条变压器装配工进入装配区域前必须检查工作场所的安全状况,如有问题应及时报告。
第十三条变压器装配工在装配前必须了解变压器的结构和工艺要求,确保装配正确无误。
第十四条变压器装配工在装配前必须检查所用工具和设备是否正常运行,如有问题应及时更换或修理。
第十五条变压器装配工在装配前必须检查所用材料和部件是否符合要求,如有问题应及时更换或申请返修。
第十六条变压器装配工在装配前必须对装配区域进行清理和维护,确保工作环境的整洁和安全。
第三章装配操作第十七条变压器装配工在装配过程中必须严格按照装配计划和工艺要求进行操作,不得随意调整和更改。
第十八条变压器装配工在装配过程中必须注意安全,如有发现安全隐患应及时采取措施消除。
第十九条变压器装配工必须熟悉各种装配工艺和操作方法,如遇故障应及时排除。
第二十条变压器装配工在装配过程中必须正确使用工具和设备,确保操作安全和装配质量。
变压器装配工安全操作规程范文第一章总则一、为落实企业安全生产方针,确保变压器装配工的人身安全和设备安全,制定本规程。
二、本规程适用于变压器装配工以及相关人员,在变压器装配工作中必须遵守本规程。
三、严格遵守本规程,严格执行各项安全操作规程,加强安全意识,提高工作人员安全素质。
第二章安全知识一、变压器装配工必须具备相应的安全生产知识和技能,确保安全操作。
二、变压器装配工必须熟悉并掌握变压器装配工艺流程,了解变压器装配工作的风险点。
三、变压器装配工必须熟悉各种紧急情况的应急措施,能够迅速响应和处置。
第三章安全操作要求一、穿戴个人防护装备,包括安全鞋、安全帽、防护眼镜等,并保持干净整洁。
二、工作前必须检查设备是否完好,工具是否齐全,确保设备无异常情况和故障。
三、操作前必须检查工作区域是否清洁整洁,有无杂物,防止发生滑倒、绊倒等意外。
四、操作工必须经过正规的技术培训,具备一定的技术能力和经验,不得擅自操作未掌握的设备。
五、操作时要认真阅读操作手册,按照正确的操作步骤进行操作,不得急躁、马虎。
六、操作过程中要集中注意力,注意周围环境和设备的运行状态,防止发生事故。
七、搬运重物时要注意正确的姿势,避免扭伤、拉伤等意外。
八、使用电气设备时必须先检查电源是否正常,不得私拉乱接电线。
九、使用手持工具时必须保持刀刃的锋利,使用前要检查工具是否完好,以免发生事故。
十、发现设备故障或异常情况时,必须立即停止操作,及时向上级报告并请专业人员维修。
十一、操作结束后要将设备关停,清理工作区域,保持工作环境整洁。
第四章紧急情况应急措施一、发生火灾时,立即使用灭火器进行灭火,如灭火器无法控制火势,应立即转移,远离火源。
二、发生电触电事故时,应先切断电源,迅速脱离电源,进行心肺复苏等急救措施。
三、发生设备故障或异常情况时,应立即停止操作,保持现场安全,并及时向上级报告。
四、发生人员伤害事故时,应及时拨打急救电话,保持现场安全,并进行相应的急救措施。
6、钢丝钳
7、铁榔头
8、木榔头
9、角尺
10、锯弓
11、紧固件(螺钉、螺母、弹簧垫圈、平垫圈等)
12、锉
13、二次接线工具
14、水平尺
15、铲车或叉车
16、吊车或行车
三、工艺准备
1、仔细阅读待装设备的主接线图或布置图,读懂技术要求,注意事项等
内容。
吊钩挂在变压器箱盖上的器身吊板上,吊索长短适当,不得碰伤其
它零部件,吊绳与垂线夹角不得大于30度。
2.变压器应平稳安装在箱变变压器室内的基础槽钢上,并进行焊接或螺
栓连接固定。
带油振的变压器安装时,应使顶盖沿气体继电器方向有
1%~1.5%的升高坡度,变压器安装好后距四周空间距离≥200mm,变压
器外壳主接地必须和箱变接地系统连接,其接地电阻<100mΩ(毫
欧)。
3.变压器安装后,其铭牌安装应正对变压器室门,铭牌应铆接在铭牌支
架上,铭牌安装横平竖直,铭牌支架应用螺栓连接在变压器顶盖上,
不允许采用焊接方式。
4.变压器上高压侧和低压侧母线制作,应满足绝缘和爬电距离要求,详
见新华能《母排加工和安装工艺守则》。
(二)箱变内照明及温控回路工艺要求
1、变压器安装好后,进行箱变内照明及温控回路布线,箱变内所有二
次布线均应穿管敷设,根据元件器的安装位置和箱变二次布线卡钩
位置,确定二次线走向位置,将火线(红色)、零线(蓝色)等二
次线穿入PVC2.0塑料管中,固定好塑料管卡及线管。
做到线管布置
横平竖直,固定牢固。
2、根据变压器容量大小,确定排风机个数,变压器容量≤630KVA,采
1、待箱变内部变压器、屏柜安装、母排制作、二次布线等项、检查无误
后,进行箱变盖顶,外协非金属结构箱变,按外协厂家提供的安装要
求进行安装,盖顶。
2、箱变及箱变顶盖、吊装、转运,执行新华能《行车安全操作规程》,
起吊前将磁木粘贴在顶盖各起吊位置,用专用合成纤维起吊布带和专
用吊竿起吊,起吊前调整顶盖水平度,使之保持四平八稳,上下平
行,然后进行上下前后运动。
3、顶盖吊至箱变壳体上方时,首先进行四角定位,保持箱变壳体连接螺
孔与顶盖螺母孔中心对直,然后轻轻放下,用螺栓联接固定,并接好
风机线。
4、根据箱变操作走廊大小,制作并铺设绝缘胶垫,安装高压、低压进出
线过线电缆绝缘胶圈。
5、箱变应有完整的接地系统,变压器,高压柜,低压柜,箱变外壳应用
≥30x3mm铜母排,采用M12铜螺栓与主接地连接。
接地电阻<100
6、毫欧。
六、自检:箱变装配完成后,安装人员应进行自检和互检。
1、检查刀开关开合是否能准确到位。
刀开关手柄在刀开关正常开合状态
下是否与标示相符。