AT12L无线门铃芯片
- 格式:pdf
- 大小:253.51 KB
- 文档页数:6
无线音乐遥控门铃的制作制作无线音乐遥控门铃的过程非常简单,您只需要一些基础的电子元件和工具就可以了。
下面是一个制作无线音乐遥控门铃的简单教程。
材料准备:1.一个遥控器模块(如HT12E和HT12D)2.一个继电器模块3.一个扬声器或喇叭4.一个电池盒5.电池6.一根电线7.一块面包板8.一些杜邦线和焊锡步骤:第1步:连接遥控器模块首先,将遥控器模块(HT12E)的引脚连接到面包板上。
连接模块上的VCC引脚到电池盒的正极,GND引脚到电池盒的负极。
然后,将DATA 引脚连接到面包板上一个任意的数字引脚。
第2步:连接继电器模块将继电器的接线端子连接到面包板上。
将继电器的公共(COM)端子连接到电池盒的正极,将继电器的常开(NO)端子连接到扬声器或喇叭的一个引脚上。
第3步:连接扬声器将扬声器的另一个引脚连接到电池盒的负极。
第4步:连接遥控器模块和继电器模块使用一根电线连接遥控器模块的VCC和继电器模块的VCC引脚,将两者连接到电池盒的正极。
第5步:连接遥控器模块和继电器模块使用一根电线连接遥控器模块的GND和继电器模块的GND引脚,将两者连接到电池盒的负极。
第6步:连接遥控器模块和继电器模块使用一根电线连接遥控器模块的DATA引脚和继电器模块的控制(CONTROL)引脚。
第7步:完成连接检查所有的线连接是否牢固,并确保没有短路。
接下来,将电池放入电池盒中。
第8步:测试使用遥控器按下按钮,听到扬声器响起。
这意味着您的无线音乐遥控门铃已经制作成功了。
总结:这是一个非常简单的制作无线音乐遥控门铃的教程。
您只需要一些基础的电子元件和工具即可完成。
通过上述步骤,您可以制作出一个自己的门铃,并使用遥控器来控制。
这在生活中非常方便实用,尤其对于想要增加门铃功能的用户来说是一个非常有趣的项目。
无线电基础无线电基本元件第一节电阻器电阻,英文名resistance,通常缩写为R,它是导体的一种基本性质,与导体的尺寸、材料、温度有关。
欧姆定律说,I=UR,那么R=UI,电阻的基本单位是欧姆,用希腊字母“Ω”表示,有这样的定义:导体上加上一伏特电压时,产生一安培电流所对应的阻值。
电阻的主要职能就是阻碍电流流过。
事实上,“电阻”说的是一种性质,而通常在电子产品中所指的电阻,是指电阻器这样一种元件。
师傅对徒弟说:“找一个100欧的电阻来!”,指的就是一个“电阻值”为100欧姆的电阻器,欧姆常简称为欧。
表示电阻阻值的常用单位还有千欧(kΩ),兆欧(MΩ)。
一、电阻器的种类电阻器的种类有很多,通常分为三大类:固定电阻,可变电阻,特种电阻。
在电子产品中,以固定电阻应用最多。
而固定电阻以其制造材料又可分为好多类,但常用、常见的有RT型碳膜电阻、RJ型金属膜电阻、RX型线绕电阻,还有近年来开始广泛应用的片状电阻。
型号命名很有规律,R代表电阻,T-碳膜,J-金属,X-线绕,是拼音的第一个字母。
在国产老式的电子产品中,常可以看到外表涂覆绿漆的电阻,那就是RT型的。
而红颜色的电阻,是RJ型的。
一般老式电子产品中,以绿色的电阻居多。
为什么呢?这涉及到产品成本的问题,因为金属膜电阻虽然精度高、温度特性好,但制造成本也高,而碳膜电阻特别价廉,而且能满足民用产品要求。
电阻器当然也有功率之分。
常见的是18瓦的“色环碳膜电阻”,它是电子产品和电子制作中用的最多的。
当然在一些微型产品中,会用到116瓦的电阻,它的个头小多了。
再者就是微型片状电阻,它是贴片元件家族的一员,以前多见于进口微型产品中,现在电子爱好者也可以买到了(做无线窃听器?)二、电阻器的标识这些直接标注的电阻,在新买来的时候,很容易识别规格。
可是在装配电子产品的时候,必须考虑到为以后检修的方便,把标注面朝向易于看到的地方。
所以在弯脚的时候,要特别注意。
在手工装配时,多这一道工序,不是什么大问题,但是自动生产线上的机器没有那么聪明。
无线编码遥控门铃电路原理与制作,22622272 无线编码遥控门铃电路原理与制作,2262/22722.遥控编码门铃接收电路上图为编码遥控门铃发射机电路原理图,它由发射电路和开关调制编码电路两部分组成。
发射电路由振荡回路L1、C1和振荡三极管VT1等组成。
振荡器采用电感三点式振荡电路,振荡线圈L1为印制电路板上的U型敷铜条,调谐电容器C1并联在U型敷铜条两端,L1抽头通过高频阻流圈L2和按钮开关S与电源GB正极相连,在高频振荡器等效电路中相当于接地;振荡线圈一端与VTI集电极相连,另一端通过电容器C2正反馈到VT1基极,组成电感三点式振荡电路。
振荡器反馈大小由C2、C3及振荡管VTI极间电容分压决定。
振荡频率主要由L1电感量、C2、C3电容量大小来决定,改变C1可以调整振荡频率。
L1采用敷铜条结构不会变形,增加振荡频率的稳定性,还兼有发射天线的作用。
R1为VT1上偏置电阻器,当编码集成电路IC1的编码输出端Dout为高电平时,超高频振荡器振荡,低电平时则停止振荡,进行开关调制。
调制编码电路由编码集成电路IC1等组成,通常产品出厂时,地址编码设定端、控制数据编码设定踹都处于悬空状态,成为12位地址0数据编码。
使用中要预置编码信号,在印制电路板上一般都预留地址编码区,由三排焊盘孔组成,采用焊锡搭焊的方式来选择悬空、接电源正极或接地三种状态。
同一套收、发系统地址码必须一致,不同的设备必须是设置不同的地址码,以防止系统相互之间干扰。
此外,编解码集成电路振荡电阻器必须配套,当编码PT2262振荡电阻器R2选用1.2MΩ时,解码PT2272振荡电阻器为220kΩ;如R2为4.7MΩ时,解码振荡电阻器对应为820kΩ。
如果编解码集成电路振荡电阻器不配套,将使遥控器灵敏度大大降低,甚至失去控制作用。
编码集成电路编码启动踹接地(处于低电平)时,编码器才输出编码信号,接下电源(发射)开关S,就会发射出遥控信号。
电阻器R3和发光二极管VD组成指示灯电路,指示遥控器工作状态。
感应门铃原理
感应门铃是一种智能化的门铃设备,它通过感应器来检测人体
或物体的接近,从而触发门铃响起。
它的原理是基于红外线或微波
等技术,能够实现对门外环境的监测和检测,是现代家居安全系统
中不可或缺的一部分。
感应门铃的原理主要包括感应器、控制电路和声音输出装置。
当有人或物体靠近感应器时,感应器会接收到相应的信号,并将信
号传输给控制电路。
控制电路接收到信号后,会触发声音输出装置,发出门铃声音,提醒主人有人来访。
感应门铃的感应器通常采用红外线或微波技术。
红外线感应器
是利用人体或物体发出的红外线来进行感应,当有人或物体进入感
应范围时,红外线感应器就会发出信号。
而微波感应器则是利用微
波的反射原理,当有人或物体进入感应范围时,微波感应器会发射
微波并接收反射回来的信号,从而实现感应功能。
控制电路是感应门铃的核心部件,它起着传递信号、控制门铃
响起的作用。
一般来说,控制电路会对感应器接收到的信号进行处理,判断是否触发门铃响起的条件。
同时,控制电路还可以设置灵
敏度、延迟等参数,以满足不同环境下的使用需求。
声音输出装置是感应门铃的最终执行部件,它通常采用扬声器来发出门铃声音。
当控制电路触发门铃响起的条件时,声音输出装置就会工作,发出清脆的门铃声音,提醒主人有人来访。
感应门铃的原理简单清晰,通过感应器、控制电路和声音输出装置的协同作用,实现了对门外环境的监测和检测,并能及时提醒主人有人来访。
感应门铃的智能化设计,使其在现代家居安全系统中发挥着重要作用,为人们的生活带来了便利和安全保障。
AT11VAT11V学习码门铃芯片描述:目前市场上的门铃大多采用2262编码加2272解码的方案,此方案存在编码量少极易重码,体积大,要手动跳线不易生产等缺点。
为改善以上缺点超通和龙公司专门开发出AT11V学习码门铃芯片,此芯片方案适用于无线遥控门铃产品。
特点:编码芯片采用MT361/TDH1100学习码芯片,特点如下:外部元器件少工作电压:1.8~13.5V(采用《TDH1100应用电路》的接法可以直接用12V电池供电)100万组编码自动延时发射功能(可选)解码芯片采用AT11V芯片,特点如下:标准可学习存储4个遥控器容错能力强自动波特率调整可控制高频接收模块间歇供电,大大降低接收模块功耗可支持两通道输出典型应用无线遥控门铃脚位图:AT11VMT361/MT361/TDH1100TDH1100管脚说明:AT11V 管脚说明:TDH1100极限参数:名称管脚说明VDD1电源正NC 2空脚NC3空脚DEC14功能检测脚1DOUT 5数据输出LED 6LED指示灯输出DEC27功能检测脚2VSS8电源负名称管脚说明VDD 1电源正SCL/STUDY 2外接存储器时钟/学习按键脚SDA 3外接存储器数据脚RFIN 4高频信号输入脚OUT15音频信号1输出脚OUT26音频信号2输出脚(此功能可选)RFPOWER 7高频电源控制脚VSS8电源负符号参数参数范围单位Vcc 电源电压-0.3~13.5V VI 输入电压-0.3~Vcc +0.3V VO 输出电压-0.3~Vcc +0.3V Tst 存储温度-40~125℃Top 工作温度-20~70℃Pdis最大功耗150mWAT11VMT361/MT361/TDH1100TDH1100电气参数:AT11V 极限参数:AT11V 电气参数:符号参数测试条件最小值典型值最大值单位Vcc 电源电压 1.80-12.00V Isb静态电流VCC=12V振荡器停振K0,K1开路1uAIop 工作电流VCC=5V OSC =80KHZ 0.51mA Ioh 输出驱动电流VCC=5V,Voh=2.5V -3mA Iol输出陷电流VCC=5V,Voh=2.5V3mA符号参数参数范围单位Vcc 电源电压-0.3~6.0V VI 输入电压-0.3~Vcc +0.3V VO 输出电压-0.3~Vcc +0.3V Tst 存储温度-40~125℃Top 工作温度0~70℃Pdis最大功耗150mW符号参数测试条件最小值典型值最大值单位Vcc 电源电压 2.0- 5.5V Icc平均工作电流VCC=4.5V0.12mAAT11VAT11V 学习码门铃芯片方案与2262/2272门铃方案对比表:序号比对项目AT11V 学习码2262/2272固定码1编码地址1048576组6561组2发射芯片编码方式出厂时已自动设定好要手动跳线3对码方式学习型,只要发射机与接收机无线对码即可使用接收端要手动跳线,且要与发射机跳线一致才可使用,不易生产且容易出错4如要新增遥控器直接无线对码,无需拆开遥控器和接收机手动跳线对码,要拆开遥控器和接收机5高频接收模块电源可以控制高频接收模块间歇供电,大大降低接收模块功耗不可控制高频接收模块电源6发射与接收振荡电阻匹配接收机采用自动波特率调整接收,接收机无需外接振荡电阻,更不需要与发射机匹配接收机的振荡电阻与发射机的振荡电阻要按要求配对才能使用7封装脚数发射芯片:8脚接收芯片:8脚发射芯片:18脚或20脚接收芯片:18脚或20脚封装信息1封装标识信息8引脚SOIC(150mil)示例AT11V 2封装详细信息。
无线门铃原理
无线门铃是一种利用无线电技术实现远程门铃功能的设备。
它由发射器和接收器组成。
发射器是安装在门口的装置,它通常由按钮或传感器触发。
当访客按下按钮或门口传感器触发时,发射器会发送一个无线信号。
接收器是安装在屋内的装置,它通过接收发射器发送的信号来触发门铃声音。
接收器一般具有扬声器或者震动装置,用于发出声音或震动提醒门铃的触发。
无线门铃的原理基于无线电通信技术。
发射器和接收器都配备了无线电发射和接收模块,通过无线电信号的传输来实现远程门铃功能。
在工作原理上,发射器和接收器之间建立了一个无线链接。
当发射器触发时,它会将一个特定的编码信号发送出去。
接收器在接收到这个特定编码信号时,会触发门铃声音。
无线门铃的无线链接通常采用射频(Radio Frequency,RF)技术,例如使用433MHz、315MHz或者其他频段。
发射器和接收器之间的通信距离取决于设备的设计和无线电信号传输所需的功率。
总的来说,无线门铃利用无线电通信技术实现远程门铃功能,其中发射器通过发送无线信号,接收器通过接收并识别这个信
号来触发门铃声音。
这种无线门铃的设计和原理为人们提供了便利和安全。
Detex Corporation, 302 Detex Drive, New Braunfels, Texas 78130-3045830-629-2900 / 800-729-3839 / Fax 800-653-3839 / Text photos only: 830-481-6433 / INTERNET: 104889 March 18, 2020 CFor device installation videos,scan code below orgo to /videosPage 2 3 4 4-5 5 6 6-7 7-8 8Table of Contents Parts breakdown view & part numbers.........................................................Hardware list, Device preparation.................................................................Switch selector positions, Door mounting procedure....................................Wall mounting procedure, Multi-door & SK procedure..................................Device installation (finish)..............................................................................Key Stop installation, Optional accessories..................................................Special notes & definitions, Magnet handing & re-handing, operations........Change door prop timiing..............................................................................Operations continued, Troubleshooting.........................................................Dwg #: 105830INSTALLATION INSTRUCTIONS FOR THE EAX-300 DOOR PROP / DOOR CHIME (EAX-300 / 300W / 300SK)The Detex EAX-300 is designed for applications that require a door prop alarm device on secured doors. The alarm,with approximately 100dB, will sound when someone attempts to keep the door open beyond the selected time.The EAX-300, with it's smaller size makes it the choice for quick and easy installations on emergency exit and restricted doors.For WARRANTY information,scan code below orgo to /warranty Should you have any Question/Problem with your Detex device please call Detex Technical Support from the job site at 1-800-729-3839 and choose option 2 on our menu. Please do not return the product to the distributor.Your particular part or configuration may not be shown:Contact Detex technical support at 800-729-3839 (option 2)Order Part #DescriptionItem 23PARTS BREAKDOWN1102606100783Cylinder Nut Battery Retainer 105428-2Cover, black 102655Cam Assembly Kit 4102627-158-32 Truss Head Screw PP-5572Cover Lock, Nut & 2 Keys MS-1039SMag Switch (surface mount) (see STEP 8)PP-55679 Volt Battery 105828-1S & R Circuit Board Kit, Standard PP-5374-46#4 x 3 /4" Screw, PPH 102715Backplate 102665Magnet Kit 102607Magnet Locator 5(sold separately)786910121311105837-1S & R Circuit Board Kit, Weatherized 102633Hardware Kit (includes keystop parts)(not shown)14EAX-300SK installation only105428-1Cover, gray2: Remove cam assembly from cover3: Install mortise cylinder (sold separately) with cylinder nut providedwith key removedSet OKC camDP(OFF)5: Set slide selector switch functions (See Table A on page 4)4: Re-install cam assembly6: Connect 9-volt battery and install as shown(Default settings shown)Optional collar can be ordered from Detex (p/n: ECL-1595)If 7-pin cylinder is used -OBSERVESTATUS INDICATOR(OFF)STEP 1: REMOVE COVER FROM BACK-PLATE(If Key Stop is required, see OPTIONAL KEY STOP page 6)ABAR DPP/N: 1009801/4-20 x 1" PPH MACHINE SCREW P/N: 103276-63#14 x 1" PPH TYPE AB, SELF-DRILLING THREAD FORMINGP/N: PP-5183-29#6 x 1-1/4" PPH, TYPE AB THREAD FORMING (SMS)P/N: PP-5360-1086-32 x 1/2" PPH TYPE C THREAD FORMING (ROLLING)HARDWARE LISTP/N: 102642-31/4" x 1-3/16" ANCHORP/N & DESCRIPTION#7 (.201")7/32" or 3/16"(OPTIONAL)#32 (.116")1/4"DRILL SIZE #35 (7/64")SYMBOLSTEP 7B: For Wall Mounting (SK) -Backplate MountingSTEP 7: For Door Mounting - Door Prep & Backplate / Magnet MountingSTEP 8: NOT FOR USE ON EAX-300WMulti-door & SK function wiring connection (if required).8a: Remove boardRecommended hole size:Diagram shown typical for two door magnetic switches:MS-1039S & MS-1059S wire in series.MS-2049 (Red wire not used)Weatherized not available for SK installationsClosed contact when door is closedNOTES:1. If wire runs longer than 10 feet, must use twisted pair.2. 1/16" slotted jeweler screwdriver required.Screw wires to (P1) terminal block(18ga Max wire dia) (not available on weatherized)8b: Drill hole8c: Reassembly8d: SK Wire connectionsApplying a small amount of lube to threads will aid when removing the cover in the future.See instruction 103137 for magneticSTEP 9: INSTALL DEVICETurn key CW to lock cover CAUTION:Do not over tightenSPECIAL NOTES and DEFINITIONS:1. The door needs to be closed to test the unit.2. When operating the ON/OFF switch, there is a slight delay.3. The key is inserted and removed only in the vertical position (home position).4. Key function: counter clockwise (CCW) = Armed; clockwise (CW) = Disarmed.5. The door prop function is selectable by setting SWITCH A to the OFF position. For door chime function, set SWITCH A to the ON position.MAGNET HANDING / RE-HANDING PROCEDURE: Magnet handing is where the devicedetermines if the left, right or an external reed switch will be used to indicate if the door is opened or closed.When the battery is initially installed, the device simultaneously flashes the LEDs and chirps the siren a total of five times indicating the memory is cleared.This indicates that the device is in the magnet handing process but not yet selected: Step 1: Turn the key CW to the 'OFF' position.Step 2: If re-handing is necessary, remove the unit from the door and momentarily short the REHANDING (or Test) jumper contacts. The device simultaneously flashes the LEDs and chirps the siren a total of five times.Step 3: With the door open, install the device on the door.Step 4: Turn the key CCW to the 'ON' position. The red LED blinks twice.Step 5: Close the door or bring the external magnet into position with the external door switch.The siren chirps and the LED flashes on the selected side of the device (red LED flashes for the left side or external; green LED flashes for right side).The device will now operate normally, and the selected reed switch side is stored in memory so changing thebattery does not require re-handing.Cylinder Nut Tool P/N: 103779Inswing Door Kit P/N: 102644REHANDING (or Test) jumpercontacts.Optional AccessoriesDOOR PROP OPERATIONS: The door prop function is selected by setting SWITCH A to the 'OFF'position. To arm the system, close the door and turn the key CCW to the 'ON'position. The red LED will flash twice indicating that the device is now armed. If the door is opened,the device will begin a timing countdown according to the selected amount of time (15 seconds default).If the Status Indicator (switch B) is 'ON', the red LED will blink every second during the countdown. If the door is not closed before the door prop time runs out, the alarm sounds and the red LED flashes. Closing the door will silence the alarm and rearm the unit. To change the door prop timing, see the section Changing Door Prop Timing .DOOR CHIME OPERATIONS:The door chime function is selected by setting SWITCH A to the 'ON' position.To arm the system, close the door and turn the key CCW to the 'ON' position. The red LED will flash twice indicating that the device is now armed. If the door is opened, the device sounds a series of siren chirps lastingfive seconds. No other action is taken until the door is closed and the unit rearms.DISARMING: To turn off the alarm or disarm the system, turn the key CW to the 2 o'clock position.TROUBLESHOOTING: If the unit does not arm, the magnet may need to be re-aligned or shimmed closer tothe EAX-300. If the unit fails to operate correctly, restart the device by removing the battery for approximately five seconds.LOW BATTERY ALERT: Simultaneous siren chirps and red LED flashes occur at 45 second intervals when battery reaches approximately 7 volts. Cut the LV Opt jumper if low battery alert is not desired.STATUS INDICATOR: With the Status indicator (SWITCH B) 'ON': red LED flashes every six seconds when armed; green LED flashes every six seconds when disarmed.LV Opt jumper OKC switch Switch lever represents key in 'OFF'positionSwitch lever represents key in 'ON'positionCHANGING DOOR PROP TIMING: Note: *Device must be magnet handed. *LED indications will flash a total of 3 times before the timing is changed.Step 1: Turn the key CW to the 'OFF' position, remove the unit from the door and disconnect the battery.Step 2: Turn the key CCW to the 'ON' position.Step 3: While holding the OKC lever in the closed position (by rotating lever to the left stop), reconnect the battery.The device will chirp the siren once and the LEDs will flash the currently selected door prop time (See Table B). Release the OKC switch lever and turn the key to the 'OFF' position.PROBLEMDevice is not powering up.Device not arming.Chirp every 45 secondsExternal magnet not working.No connector for external magnet.DOOR PROPPROBLEMAfter arming and door is opened, the device chirps 4 times then shuts off. DOOR CHIMEPROBLEMAfter arming and door is opened, the device blinks red.TROUBLESHOOTINGPROBABLE CAUSE1) Battery not properly installed.1) Magnet not aligned correctly.2) Battery is dead.3) Cylinder had wrong cam installed.4) Cylinder microswitch lever broken.5) Cylinder installed incorrectly.Low batteryDevice is not set for external magnet.Weatherized device.PROBABLE CAUSEThe device is setup as Door Chime.PROBABLE CAUSEThe device is setup as Door PropACTION1) Remove battery and firmly reinstall.1) Use magnet locator to install magnet.See magnet handing.2) Replace battery.3) Requires standard Yale cam.4) Microswitch needs to be replaced.Remove PCB and return to Detex Repair.5) Check cylinder installation. Make surekey is turned counter-clockwise all theway to ON.Install new battery.Cut JP1 jumper. With battery connected,short "Test mode" pins, listen for 5 chirps.See RE-HANDING section.Weatherized device can not be used withexternal contact.ACTIONReset device, slide Switch A to the OFFposition.ACTIONReset device, slide Switch A to the ONposition.Step 4: Close then release the OKC switch lever to cycle to the next highest door prop time. Table B lists the available door prop times and their corresponding LED indications. For example, to indicate the default 15 second door prop time, the red LED would flash once, followed by 5 green LED flashes. To indicate 2 minutes, the red and green LEDswould flash simultaneously two times. Once thedesired timing is selected, wait approximately15 seconds for the unit to flash the selection threetimes. The timing has successfully been changedupon hearing the siren chirp four times. This newtiming selection is retained in memory evenwith battery removal.Step 5: Reinstall the device on the door.Technical Support 1-800-729-3839。
PT2262简介PT2262是一种用于无线遥控系统的编码解码芯片。
它广泛应用于车库门遥控器、无线门铃、无线安全系统等领域。
PT2262可以将一个特定的输入信号编码成一个无线遥控信号,并通过无线传输进行远程控制。
编码原理PT2262的编码原理是使用一种特定的编码算法,将输入信号转换成一系列特定的脉冲序列。
这些脉冲序列会通过无线信号传输给解码器进行解码,从而实现远程控制的功能。
编码过程包括以下几个步骤:1.输入信号采样:输入信号可以是开关、按键等,PT2262通过采样将输入信号转换为数字信号。
2.编码器:PT2262使用编码器将数字信号编码为一个固定长度的脉冲序列。
编码器内部包含一个计数器,根据输入信号的状态进行计数,当计数到达一定阈值时,编码器会输出一个脉冲信号。
3.脉冲宽度编码:PT2262使用脉冲宽度编码技术,通过改变脉冲的宽度来实现不同的编码。
当输入信号为高电平时,编码器输出的脉冲宽度较长;当输入信号为低电平时,编码器输出的脉冲宽度较短。
4.数据输出:编码器将编码后的脉冲序列发送给遥控器的调制器,由调制器将其转换成无线信号进行传输。
解码原理PT2262的解码原理是使用一种特定的解码算法,将接收到的无线信号转换为数字信号进行解码。
解码过程包括以下几个步骤:1.信号接收:遥控器的接收器接收到无线信号后,将其转换为电压信号。
2.调解制:PT2262的解码器接收到电压信号后,通过调解制将电压信号转换为数字信号。
调解制是PT2262的内部电路,根据电压信号的变化进行调解。
3.解码器:解码器接收到调解制输出的数字信号后,通过解码算法将其解码为相应的功能信号。
4.输出信号:解码器将解码后的信号输出给要控制的设备,实现远程控制的功能。
应用领域PT2262广泛应用于无线遥控系统领域,包括但不限于以下几个方面:1.车库门遥控器:PT2262可以将车库门的开关信号编码成无线遥控信号,通过无线方式进行车库门的开关控制。
无线门铃原理无线门铃是一种方便实用的家居设备,它通过无线信号传输,能够实现室内外的门铃响应。
无线门铃由发射器和接收器两部分组成,发射器一般安装在门外,接收器则安装在室内。
当有人按下门铃按钮时,发射器会发送无线信号给接收器,触发接收器发出声音或者光亮提示,提醒室内有人来访。
那么,无线门铃是如何实现这一功能的呢?下面我们就来详细介绍一下无线门铃的原理。
首先,无线门铃的发射器内部包含一个按钮开关和一个无线发射模块。
当有人按下按钮时,按钮开关闭合,触发无线发射模块开始工作。
无线发射模块会将电信号转换为无线射频信号,并通过天线发送出去。
这个过程类似于我们使用手机发送短信或者打电话,只不过无线门铃使用的是无线射频信号。
接收器的工作原理与发射器相反。
接收器内部包含一个无线接收模块和一个声音或者光亮提示装置。
当发射器发送的无线信号被接收到时,无线接收模块会将无线信号转换为电信号,并传递给声音或者光亮提示装置,触发提示装置发出声音或者光亮信号,提醒室内有人来访。
无线门铃的原理其实就是利用无线信号的传输,实现室内外的门铃响应。
无线门铃的发射器和接收器之间通过无线信号进行通讯,从而实现了门铃的功能。
这种无线传输方式不需要布线,安装方便,使用灵活,成为了现代家居中常见的一种设备。
除了基本的门铃功能,一些无线门铃还具有扩展功能,比如可视对讲、远程开锁等。
这些功能的实现原理也是基于无线通讯技术,通过视频传输或者远程控制信号的传输,实现了更多的便利功能。
总的来说,无线门铃的原理就是利用无线信号的传输,实现室内外的门铃响应。
无线门铃的发射器和接收器之间通过无线信号进行通讯,从而实现了门铃的功能。
无线门铃的发射器内部包含一个按钮开关和一个无线发射模块,而接收器内部包含一个无线接收模块和一个声音或者光亮提示装置。
这种无线传输方式不需要布线,安装方便,使用灵活,成为了现代家居中常见的一种设备。
通过本文的介绍,相信大家对无线门铃的原理有了更加清晰的认识,希望能对大家的生活和工作有所帮助。
无线门铃芯片无线门铃芯片是门铃系统中的一个关键组成部分,它是一种能够接收无线信号并产生声音或光亮的微型芯片。
它的主要功能是接收来自门铃按钮发出的信号,并将信号转换为声音或光亮的方式提醒用户有人按门铃。
无线门铃芯片由多个功能单元组成,包括接收单元、信号处理单元、声音或光亮输出单元。
接收单元接收来自门铃按钮的无线信号,然后将信号传输到信号处理单元。
信号处理单元将接收到的信号进行处理和分析,判断是否为门铃信号,并将处理后的信号传递给声音或光亮输出单元。
声音或光亮输出单元根据信号的处理结果发出相应的声音或亮光。
无线门铃芯片采用射频技术进行无线信号传输,通常使用2.4GHz无线频段。
它采用低功耗设计,能够在待机状态下长时间工作。
它还具有较长的接收距离和稳定的信号传输能力,可以保证按钮信号的可靠接收。
无线门铃芯片的应用非常广泛,在家庭、办公室、商店等场所都可以看到它的身影。
在家庭中,无线门铃芯片能够取代传统有线门铃系统,消除了线路布置的麻烦,使用更加方便。
在办公室和商店中,无线门铃芯片可以提供实时的来访提示,方便用户及时处理。
除了基本的门铃功能,一些高档的无线门铃芯片还具有其他附加功能,例如多种声音选择、音量调节、光亮调节等。
用户可以根据自己的需求选择不同的配置,使门铃系统更加满足个性化需求。
无线门铃芯片的研发和生产有一定的挑战。
首先,它需要具备良好的抗干扰能力,能够在复杂的无线环境中正常工作。
其次,它需要具备低功耗设计,以保证长时间待机和工作。
另外,无线门铃芯片还需要在成本和性能之间找到平衡,以满足市场需求。
总的来说,无线门铃芯片是门铃系统中不可或缺的一个组成部分,它通过接收来自门铃按钮的无线信号,并将信号转换为声音或光亮的方式提醒用户有人按门铃。
它具有接收距离远、稳定信号传输、低功耗等优点,应用范围广泛。
未来随着科技的发展,无线门铃芯片有望进一步提升性能,为用户提供更好的门铃体验。
别墅型WiFi远程可视门铃快速安装指南尊敬的用户,欢迎您选用本产品,在使用本品之前,请务必详细阅读操作指南,并保存此操作指南以备后续参考说明:产品图片具体以实物为准,我们将根据产品功能的增加或升级,定期更新本说明书,更新内容将在本说明的新版本中印刷,恕不另行通知。
产品介绍采用Ti/Hisilicon方案,H264压缩格式,高清(130万)、标清D1、流畅(VGA)可选支持Onvif协议,能对别主流厂家NVR采用军工级3.6mm,130度广角进口镜头,带五颗LED智能夜视灯多录像模式可选,报警录像、定时录像、手动录像支持802.11b/g/n协议,标配WiFi功能,独创空中发包专利技术设置WiFi学习型433频率无线报警器接入,可推送报警信息到邮箱、手机,并可一键布防/撤防支持远程遥控开启智能锁(选配)集成智能门铃按键,夜间按键灯自动开启(门铃需联网)内置ECM麦克风与高频扬声器,采用3D降噪与回音消除技术,保证双向语音对讲纯真效果自带TF卡插口,最大支持64G/TF卡不间断录像,并可远程通过手机高清流畅回放一台设备最多可与8部手机/PAD/智能终端视频对讲可分别设置管理者与访问者密码,用户安全更有保障1包装清单打开产品包装后,请确认可视门铃是否完好(以下简称“设备”),同时检查列表中物品是否齐全,如发现有缺失,请及时与销售商取得联系。
附:出厂默认配置POE电源适配器。
如需AC100-220V供电,另购电源适配器。
您可以通过工程具体布线施工情况选择合适的供电方式。
供电描述说明AC220V供电门铃可无线连接家庭路由器,当路由器信号较弱无法覆盖到安装地点时请选择POE有线供电,或者选购居得安大功率路由器(可覆盖空旷800米周边范围)DC12V供电门铃可无线连接家庭路由器POE供电(推荐)POE供电方式是通过一条网线同时解决门铃供电和数据传输的一种低成本施工方式。
(需选用8芯线,4芯进行数据传输,4芯用于供电)3软件安装1、若您使用手机客户端手机/apad/ipad用户可扫描包装盒二维码下载。
无线可视对讲门铃使用手册7寸无线可视对讲门铃是一款2.4G无线的具有门铃、拍照、对讲、监视、开锁为一体的高科技家居智能产品。
特别是其独有的人体感应功能,任何进入其探测范围的来访者,它都会自动显示于室内机中并拍照保存,即使你不在家,你仍能知道谁曾拜访过你,本智能门铃帮助我们提高居家安全。
本产品安装方便,使用起来更加简单。
室外机与室内机装上电池开机直接使用,是一款专为别墅用户设计,可支持一台室外机与三个室内机配套使用,空旷距离可达600米。
本产品采用最新的节能技术与2100mA超大电池,省电与超长待机并配备7寸TFT彩屏,其稳定的性能和时尚的外观设计是您高品质的智能生活的第一选择。
请注意:本款产品外机必须扣进防雨罩中才能呼叫,外机防雨罩中带有一个磁铁,跟室外机之前有一个磁场感应!听到报警声音可以按内机通话键两次,消除报警声!引言感谢您选择本公司的无线可视对讲门铃。
请仔细阅读本说明书,充分了解它的用法,功能完善,操作简单。
本公司保留修改本手册的权利,恕不另行通知。
安全警告及注意事项1.警告●不要将本产品放置不平或不稳定的台面,以防止坠落造成的故障或损坏。
●本产品只可使用本公司指定的电池和充电器。
使用其他产品可能会导致电池漏电,过热,爆裂和火灾。
●不要猛烈撞击,震动或摔扔本无线可视对讲门铃,以免引起产品故障和火灾。
●不要把电池,充电器或无线可视门铃在微波炉或高压设备旁,否则,可能会造成电路短路或者火灾。
●不要使用在易燃易爆气体的地方使用本产品,否则,大量的灰尘,会造成产品无法使用。
2. 本产品操作注意事项●不要用力按压液晶屏或敲打液晶屏,否则,将造成LCD面板断裂和损坏从而导致结晶液体渗漏。
如果结晶的液体进入您的眼睛,请立即用水冲洗你的眼睛(一定不要用手揉眼睛),并立即去看医生。
●不要拆除或改造本产品,否则,会造成本产品的损坏及电气故障。
●不要用针,钢笔/铅笔笔尖和其他铦物体按下按键,否则,将造成产品按键的损坏。
楼宇对讲门铃的电路原理与故障维修文件编码(GHTU-UITID-GGBKT-POIU-WUUI-8968)楼宇对讲门铃的电路原理与故障维修目前很多的高层住宅都使用了对讲门铃了,在频繁使用中,门铃会出现一些小毛病,本文从对讲门铃的基本原理入手,介绍其常见故障的检修方法。
工作原理楼宇对讲门铃系统采用较多的分立元件,电路比较复杂,但如果有了原理图,维修操作就容易了。
图1所示的是主电路,图2所示的是户外按键与照明电路,图3所示的是室内话机部分。
由电路图可以看出,变压器产生的低压经桥式整流、电容滤波、三端稳压块7812产生的+12V由插座V1引入,直接供给继电器K,另一路经VD3隔离,产生Vcc供给其他电路。
当户外有人按下S1时(按S1--S10按键都一样,本文以S1为例),插座V6的1脚信号经S1、话机开关SA的2、3脚、扬声器LB到地,形成电流通路,相当于把R17下端接地,故VT5的基极为低电平,VT5饱和,音乐IC的2脚有触发高电平,故3脚有音乐信号输出,经IC1(LM386)放大后,由IC1的5脚输出,经V6的1脚、S1、话机开关SA的2、3脚送到扬声器LB,发出声音。
由于话机开关SA的特殊结构,该音频信号还可耦合至话机开关SA的4脚,再经插座V3的2脚耦合至IC2(TDA2822M)的7脚,放大后由1脚输出,使按门铃者可以听到从LB1发出的声音。
当屋内主人听到LB发出的声音后,摘下话机,屋内与楼外的两人就可以通话。
MIC1拾取的声音信号送入IC2的6脚,放大后由3脚输出,再经插座V3的1脚、话机上的电容C3、话机开关SA的1、3脚,耦合到扬声器LB,主人可听到对方的说话声。
Vcc经主电路的R5降压后,再经插座V3的2脚给室内话机的MIC2和VT1供电。
主人的说话信号经MIC2拾取、VT1放大后,又经话机开关SA的4、6脚、插座V3的2脚送至IC2的7脚,放大后由1脚输出,推动扬声器LB1发声,从而实现两人的通话。
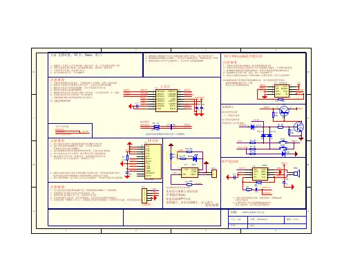
AT12L
AT12L学习码门铃芯片
描述:
目前市场上的门铃大多采用2262编码加2272解码的方案,此方案存在编码量少极易重码,体积大,要手动跳线不易生产等缺点。
为改善以上缺点超通和龙公司专门开发出MC908学习码门铃芯片,此芯片方案适用于无线遥控门铃产品。
特点:
编码芯片采用MT361/TDH1100学习码芯片,特点如下:
外部元器件少
工作电压:1.8~12.0V(采用《TDH1100应用电路》的接法可以直接用12V电池供电)
100万组编码
自动延时发射功能(可选)
解码芯片采用AT12L芯片,特点如下:
标准可学习存储4个遥控器
容错能力强
自动波特率调整
可控制高频接收模块间歇供电,大大降低接收模块功耗
可支持两通道输出
典型应用
无线遥控门铃
脚位图:
AT12L
MT361/MT361/TDH1100
TDH1100管脚说明:AT12L 管脚说明:
MT361/MT361/TDH1100
TDH1100极限参数:名
称管
脚
说明
VDD
1电源正NC 2空脚NC
3空脚DEC14功能检测脚1DOUT 5数据输出LED 6LED指示灯输出DEC27功能检测脚2VSS
8
电源负
名称管
脚
说
明
VDD 1电源正
SCL/STUDY 2外接存储器时钟/学习按键脚SDA 3外接存储器数据脚RFIN 4高频信号输入脚OUT15音频信号1输出脚
OUT26音频信号2输出脚(此功能可选)RFPOWER 7高频电源控制脚VSS
8
电源负
符号
参数
参数范围
单位
Vcc 电源电压-0.3~13.5V VI 输入电压-0.3~Vcc +0.3V VO 输出电压-0.3~Vcc +0.3V Tst 存储温度-40~125℃Top 工作温度-20~70℃Pdis
最大功耗
150
mW
AT12L
MT361/MT361/TDH1100
TDH1100电气参数:AT12L 极限参数:
AT12L 电气参数:
符号
参数
测试条件
最小值典型值最大值单位
Vcc 电源电压 2.0
-12.00V Isb
静态电流
VCC=12V
振荡器停振K0,K1开路1
uA
Iop 工作电流VCC=5V OSC =80KHZ 0.5
1mA Ioh 输出驱动电流VCC=5V,Voh=2.5V -3mA Iol
输出陷电流
VCC=5V,Voh=2.5V
3
mA
符号
参数
参数范围
单位
Vcc 电源电压-0.3~6.0V VI 输入电压-0.3~Vcc +0.3V VO 输出电压-0.3~Vcc +0.3V Tst 存储温度-40~125℃Top 工作温度0~70℃Pdis
最大功耗
150
mW
符号
参数
测试条件
最小值典型值最大值单位
Vcc 电源电压 2.0
- 5.5V Icc
平均工作电流
VCC=4.5V
0.12
mA
AT12L
AT12L 学习码门铃方案与2262/2272门铃方案对比表:序号
比对项目
AT12L 学习码
2262/2272固定码
1编码地址1048576组6561组2
发射芯片编码方式
出厂时已自动设定好
要手动跳线
3对码方式
学习型,只要发射机与接收
机无线对码即可使用
接收端要手动跳线,且要与发
射机跳线一致才可使用,不易
生产且容易出错
4如要新增遥控器
直接无线对码,无需拆开遥控器和接收机手动跳线对码,要拆开遥控器
和接收机
5
高频接收模块
电源
可以控制高频接收模块间歇供电,大大降低接收模块功
耗
不可控制高频接收模块电源
6
发射与接收振荡电
阻匹配
接收机采用自动波特率调整接收,接收机无需外接振荡电阻,更不需要与发射机匹
配
接收机的振荡电阻与发射机的振荡电阻要按要求配对才
能使用
7封装脚数
发射芯片:8脚接收芯片:8脚发射芯片:18脚或20脚接收芯片:18脚或20脚
1封装标识信息
8引脚SOIC(150mil)示例
AT12L 2封装详细信息。