垃圾渗滤液处理站自动化电控系统知识
- 格式:docx
- 大小:359.26 KB
- 文档页数:4
精品整理
垃圾焚烧电厂渗滤液处理技术
一、技术概述
采用“预处理+高效厌氧反应器+A/O+UF外置管式超滤系统+化学软化+TUF+RO+DTRO”的组合工艺,处理后出水达到《城市污水再生利用工业用水水质》(GB19923-2005)所要求的敞开式循环冷却水系统补充水标准。
二、技术优势
1、厌氧系统采用高效厌氧反应罐(IOC),对COD的去除率高可以达到90%以上,而且解决了传统UASB反应池的布水不均、调试周期长、排泥不畅、结垢堵塞、清理检修费用高等一系列的实际运行中的问题。
2、该套系统的深度处理工艺为“化学软化+TUF+RO反渗透系统”,清水回收率可到达70%,产水的水质较传统工艺“UF+NF+RO”有大幅度的提高,氯离子和电导均较低,且浓缩液的水质较以前有很大的提高,浓水的硬度较低,为浓水处置和处理提供了较好的基础。
浓水处置工艺采用DTRO处理工艺,可使总的清水回收率达到85%。
浓水的硬度较低,可以用于石灰浆制备,对旋转雾化盘影响较小。
3、污泥脱水系统采用旋转挤压过滤脱水机,噪音小、无臭味并且节能降耗,脱水后的污泥采用干污泥输送泵,通过管道输送到给料炉排,全过程密闭输送无臭味,同时也避免了脱水后的污泥积聚在垃圾仓内,回流到渗滤液处理站。
三、适用范围
主要适用于生活垃圾焚烧电厂渗滤液处理、填埋场渗滤液处理。
垃圾焚烧厂渗滤液无害化处理系统工艺讲解随着城市化的加速发展,垃圾产生量也大量增加。
为了有效处理垃圾,现代城市通常会建设垃圾焚烧厂,将垃圾进行焚烧处理。
但是,焚烧垃圾产生的渗滤液是一种有害废水,需要经过无害化处理才能排放。
本文将详细介绍垃圾焚烧厂渗滤液无害化处理系统工艺。
概述垃圾焚烧厂渗滤液无害化处理系统工艺是一种将焚烧垃圾产生的渗滤液经过分离、中和、氧化等工艺进行处理,最终达到无害化排放的过程。
处理流程1. 预处理渗滤液在进入处理系统之前,需要进行预处理。
这一步通常包括粗筛、细筛和沉淀等工艺。
首先,经过粗筛,将液体中的大颗粒物和异物去除,然后进行细筛,将直径小于2毫米的固体颗粒过滤掉。
最后,将液体通过沉淀,加速异物的沉淀形成淤泥。
2. 生物处理处理过后的渗滤液进入生物反应器中,通过微生物对残留有机物进行降解分解,将其转化为无机物和二氧化碳等物质。
在这一步中需要注意,反应器中的微生物需要保持在一定的温度、酸碱度和氧气供应等条件下,才能保证反应效果。
3. 中和处理处理过后的渗滤液中通常含有一定的酸碱度,需要进行中和处理。
中和处理通常通过加入氢氧化钠等中和剂来控制液体的pH值。
4. 氧化处理在进行完中和处理之后,渗滤液需要进行氧化处理。
氧化过程中,可使用含有氯的氧化剂,如氯酸钠等,对液体中的残留有机物进行氧化,加速其降解作用。
氧化过程中需要注意控制加入氧化剂的量和速度,避免过量引起液体的过度氧化。
5. 筛分处理过的渗滤液需要经过细筛分离处理,将固体颗粒和其他杂质从液体中过滤出来。
同时,也可加入一定量的消泡剂,去除液体中的气泡。
6. 浓缩脱水通过以上步骤处理过的渗滤液中,仍然含有大量的水分和废水,需要进行浓缩脱水。
脱水过程中使用离心机等设备将液体中的水分和废水分离出来,形成浓缩后的液体。
7. 焚烧最后,将浓缩后的液体进行高温焚烧,将其中的污染物燃烧掉,排放出水蒸气和二氧化碳等成分。
总结垃圾焚烧厂渗滤液无害化处理系统工艺是一个包括筛分、生物处理、中和处理、氧化处理、浓缩脱水和高温焚烧等多个步骤的复杂过程。
渗滤液处理控制系统智能化技术和应用摘要:在系统的工艺控制方面,要求系统具有较高的自动化控制水平,可以实现远程中央监控;同时自控设计要充分考虑日常运行管理和维护的需要,尽量减少管理的难度;关键词:自控、远程、大数据、工艺流程、电器、自动化、节能引言:渗沥液处理装置自动控制系统将充分利用现代计算机控制技术,采用上位机+ PLC控制方式,在中央控制室设置操作员站,控制室不再设常规仪表控制。
自动控制系统将覆盖全套渗沥液处理装置,包括预处理、调节池及污水提升、厌氧处理系统、两级A/O、超滤、纳滤、污泥提升系统、沼气收集系统、臭气收集系统、各类储罐(箱)、各类水泵、阀、就地一次仪表、就地控制箱、配电系统、PLC控制系统等。
根据工艺流程及构筑物的地理分布,依据“实用、可靠、经济、先进”的原则,采用“集中管理、分散控制”实施现场的监测、过程控制和计算机管理一体化的系统。
控制系统上位机采用台湾研化智能科技股份有限公司的工业控制计算机产品,在中控室内设操作员站两台;PLC采用Siemens高性能的S7-300系列。
正文:中节能(临沂)环保能源有限公司生活垃圾焚烧厂渗沥液系统增容提标项目,增加前处理能力700m3/d(UASB部分),两级硝化反硝化部分900m3/d;范围包括设备供货和技术服务(包括配合工艺设计、电控仪控设计、装置设备、电气仪表、安装。
该项目处理原水包括生活垃圾焚烧厂渗滤液及污泥处理系统压滤液,处理出水水质要求达到《生活垃圾填埋场污染控制标准》(GB16889-2008)表二标准要求;要求主体工艺采用“UASB+(两级A/O+外置式超滤膜)+NF”。
渗滤液处理主流程说明:污水首先进入到预处理工段的一体化旋转格栅井对水中大的悬浮物进行截留,去除污水中的大悬浮物以防止后段设备污堵。
格栅过滤后的污水自流进入到渗滤液调节池。
调节池内设置潜水搅拌机进行水力搅拌,减少悬浮物的沉积;同时在调节池内底板设置一定的坡度,并在最低点设计排泥井,可定期对调节池进行排泥。
污水处理厂自动化控制系统要点一、引言污水处理厂自动化控制系统是现代化污水处理厂的核心设备之一,它能够实现对污水处理过程的智能化管理和控制。
本文将详细介绍污水处理厂自动化控制系统的要点,包括系统组成、功能特点、设计原则以及应用案例等内容。
二、系统组成1. 传感器:污水处理过程中,需要监测各种参数,如水位、温度、浊度等。
传感器可以将这些参数转化为电信号,并传输给控制器进行处理。
2. 控制器:控制器是污水处理厂自动化控制系统的核心部件,它负责接收传感器的信号,并根据预设的控制策略,控制执行器的动作。
3. 执行器:根据控制器的指令,执行器可以实现对阀门、泵等设备的控制,从而调节污水处理过程中的流量、压力等参数。
4. 人机界面:为了方便操作和监控,污水处理厂自动化控制系统通常配备了人机界面,用户可以通过该界面进行参数设置、故障诊断等操作。
三、功能特点1. 实时监测:污水处理厂自动化控制系统能够实时监测污水处理过程中的各种参数,及时掌握处理效果,并对异常情况进行预警。
2. 自动调节:根据预设的控制策略,自动化控制系统能够调节处理过程中的各种参数,确保污水处理效果达到标准要求。
3. 数据记录与分析:自动化控制系统能够记录处理过程中的各种数据,并进行分析,为后续的优化提供依据。
4. 远程监控:通过互联网等技术手段,污水处理厂自动化控制系统可以实现远程监控,方便管理人员随时了解处理情况。
四、设计原则1. 可靠性:自动化控制系统是污水处理厂的重要设备,设计时应考虑系统的可靠性,确保其长时间稳定运行。
2. 灵活性:污水处理厂的工艺参数可能会发生变化,自动化控制系统应具备一定的灵活性,能够根据实际情况进行调整。
3. 可扩展性:随着污水处理厂的规模扩大,自动化控制系统应具备一定的可扩展性,能够满足未来的发展需求。
4. 安全性:自动化控制系统应考虑安全因素,避免系统被非法入侵或发生故障导致事故。
五、应用案例某市污水处理厂引入了自动化控制系统,取得了显著的成效。
自动化仪表在垃圾填埋场渗滤液处理系统中的应用摘要:目前,国家对城市生活垃圾的卫生填埋处理十分重视,而卫生填埋中的所产生的渗滤液的处理十分关键,污水处理站自控系统可采用由工业计算机(IPC) 可编程序逻辑控制器(PLC) 自动化仪表组成的多级分布式计算机测控管理系统。
关键词:渗滤液处理系统检测仪表监控系统目前,国家对城市生活垃圾的卫生填埋处理十分重视,而卫生填埋中的所产生的渗滤液的处理十分关键,污水处理站自控系统可采用由工业计算机(IPC) 可编程序逻辑控制器(PLC) 自动化仪表组成的多级分布式计算机测控管理系统。
渗滤液净化过程分为许多步,包括:粗筛、细筛、沉沙、预净化,化学处理、净化池、淤泥处理处理过程紧密的关联性使得优化控制更多地依赖连续控制和不受地域时间限制的数据交换一自动化仪表在渗滤液处理系统中的重要地位在现代化的污水处理厂中,每一个生产过程总是与相应的仪表及自控技术有关。
仪表能连续检测各工艺参数,根据这些参数的数据进行手动或自动控制,从而协调系统各组成部分之间、各水处理工艺之间的关系,以便使各种设备与设施得到更充分、合理的使用。
同时,由于检测仪表测定的数值与设定值可连续进行比较,发生偏差时,立即进行调整,从而保证水处理质量。
根据仪表检测的参数,能进一步自动调节和控制药剂投加量,保证设备机组的合理运行,使管理更加科学化,达到经济运行的目的。
由于仪表具有连续检测、越限报警的功能,便于及时处理事故。
仪表还是实现计算机控制的前提条件。
所以在先进的水处理系统中,自动化仪表具有非常重要的作用。
二渗滤液处理系统常用仪表的分类处理工程所用仪表大致可分为两大类:一类属于监测生产过程物理参数的仪表,如检测温度、压力、液位、流量等。
这类仪表采用国产表,其性能和质量基本能满足要求。
另一类属于检测水质的分析仪表,如检测水的浊度、pH值、COD值、BOD值等。
这些专用仪表在我国发展比较晚,因此,通常选用国外先进产品,从长远观点看是比较经济、可靠的。
垃圾渗滤液处理系统安全操作手册1. 引言本手册旨在为垃圾渗滤液处理系统的操作人员提供准确、清晰的操作指南,以确保系统运行安全,防止事故和环境污染的发生。
2. 系统概述垃圾渗滤液处理系统是用于处理垃圾渗滤液的设备,主要包括滤液收集池、过滤设备、处理装置和排放管道等组成部分。
3. 安全操作指南3.1 操作前准备- 在操作系统之前,确保已经熟悉系统的结构、工作原理和操作流程,并接受相关的安全培训。
- 检查系统设备的状态,包括管道连接、阀门关闭情况、设备运行正常等。
- 确保操作人员穿戴好个人防护装备,包括防护服、手套、眼镜等。
3.2 系统操作- 按照系统操作流程依次操作,遵循相关的操作规程和安全要求。
- 在操作过程中,注意观察系统运行状态,及时排除设备故障和异常情况。
- 操作过程中禁止随意更改操作参数和操作流程,除非经过相关安全部门批准。
3.3 系统维护- 定期对系统进行检查和维护,包括清理污垢、更换滤材、检修设备等。
- 在维护过程中,务必切断电源,防止发生电击和其他意外事故。
- 在维护完毕后,及时清理场地,保持设备和周围环境的清洁。
4. 事故应急处理- 在系统运行过程中,如发生事故或异常情况,应立即停止操作,切断电源,并及时向相关部门报告。
- 在紧急情况下,按照事故应急预案进行处理,并采取措施保护自身和周围环境的安全。
5. 安全注意事项- 禁止擅自开启或关闭系统的关键设备,如阀门、泵等。
- 严禁将系统用于不符合其设计用途的操作,以免引发安全问题和事故。
- 操作人员必须具备一定的工作经验和相关知识,且经过正规培训才能进行操作。
- 在操作过程中,如发现异常情况或不安全因素,应立即停止操作并上报相关部门。
6. 系统维修与更新- 系统运行一段时间后,应定期进行设备维修和性能评估,确保系统的稳定运行。
- 如需对系统进行更新或改造,必须经过相关安全部门的审批,并按照相关规定进行操作。
结论本操作手册详细介绍了垃圾渗滤液处理系统的安全操作指南,包括操作前准备、系统操作、维护与更新等方面的内容。
—132—工装设计引言:垃圾渗滤液作为一种成分复杂的重要污染源之一,在实际展开处理工作的过程中有着较高的电气系统要求,但从目前来看,部分垃圾渗滤液处理厂在供配电系统设计方面仍存在部分不利因素,制约着供配电系统的高质量运行,基于此,有必要对其展开更加深层次的探索。
1工程案例我国某地区为了能够同城市发展进程相适应,高效缓解当前普遍所面临的城市垃圾问题,决定开展对于垃圾渗滤液处理厂的建设,并选用“混凝沉淀+二级A/O+MBR 膜生物处理+纳滤+反渗透”工艺开展对于垃圾渗滤液的处理工作。
其中在MBR 膜生物反应器系统中则涉及到外置式管式超滤膜、一级反硝化/硝化以及二级反硝化/硝化的应用,在膜深度处理方面则使用了反渗透系统的工艺。
其日处理能力可达到100m3/d ,经过处理之后的垃圾渗滤液能够满足相关标准中的排放要求。
该垃圾渗滤液处理厂中涉及到较多的垃圾渗滤液处理设施,最主要包括电源与配电系统、照明设施以及防雷接地等等,笔者将在下文中展开更加详细的探讨。
2供电设计方案2.1电源结合垃圾渗滤液处理的相关工艺要求、规范标准以及其本身的特点,当前我国绝大多数的垃圾渗滤液处理厂的用电负荷等级都是二级,并采用三班制展开持续运行。
因为大多会使用生物处理的手段应用于垃圾渗滤液的处理上,以达到有效降解污染物的效果,所以若是出现供电电源停电的问题,便会导致大量细菌死亡。
现如今,我国整体都有着相对较高的渗滤液出水指标,所以当前大部分的渗滤液处理设备都会使用反渗透、纳滤以及超滤等膜处理方式,一旦停电,便会导致难以第一时间清洗膜处理设备,进而增加设备损坏的几率,所以要保障好垃圾渗滤液处理厂在供电电源方面的稳定性以及安全性。
在垃圾渗滤液处理厂中需要存在两路电源以保证供电,当前最常见以及最可靠的方式便是引来两路市政电源,由于当前大部分垃圾渗滤液处理厂外部只提供一路10kV 电源,所以为了能够充分同用电要求相适应,可以进行一台柴油发电机组的设置,使其能够在市政停电的条件下,为垃圾渗滤液处理厂的全厂二级负荷用电设备提供稳定电源,进而保障其同连续运行的要求相符合。
垃圾渗滤液一体化设备技术指标一、概述垃圾渗滤液一体化设备是指将垃圾渗滤液处理和综合利用设备集成在一起,通过一系列工艺和技术手段,将垃圾渗滤液高效处理,实现资源化和减量化,达到环保和节能的目的。
该设备适用于城市垃圾填埋场、生活垃圾焚烧发电厂、医疗废物处理厂等场所。
二、技术指标1.处理能力:垃圾渗滤液一体化设备的处理能力是衡量设备性能的重要指标之一。
设备应具备较大的处理能力,以满足不同规模填埋场或焚烧发电厂的要求。
一般来说,设备的处理能力应当符合国家相关标准,并且可以根据实际需求进行调整。
2.处理效率:设备的处理效率是指单位时间内处理垃圾渗滤液的能力。
高效的设备应当具有快速、稳定的处理能力,能够有效减少处理时间和提高工作效率,同时降低原材料和能源的消耗。
3.处理质量:设备的处理质量是指其对垃圾渗滤液进行处理后所得到的水质和废渣质量。
处理后的水质应当符合国家相关标准,废渣应当符合环保要求,可以进行资源化利用或安全处置。
4.能耗指标:设备的能耗指标是衡量其节能性能的重要指标。
高效节能的设备应当具有低能耗、高效率的特点,能够最大限度地减少能源的消耗,降低运行成本。
5.设备稳定性:设备的稳定性是指其在长时间运行过程中保持稳定的工作状态,不易出现故障。
高稳定性的设备能够降低维护和维修成本,提高设备的可靠性和持续运行能力。
6.自动化程度:设备的自动化程度是指其自动控制和监测功能的程度。
高度自动化的设备能够实现对处理过程的自动监控和调节,减少人工干预,降低人工成本,提高设备的智能化水平。
7.环保性能:设备的环保性能是指其对环境的影响程度。
高环保性能的设备应当具有低排放、零废水、废气或废渣无害化处理等特点,符合国家环保要求。
8.技术创新:设备的技术创新是指其采用的新技术、新工艺、新材料等方面的创新。
高技术创新的设备能够不断改进和提升其性能,提高竞争力和市场占有率。
9.综合指标:综合指标是综合考虑以上各项指标得出的评价标准。
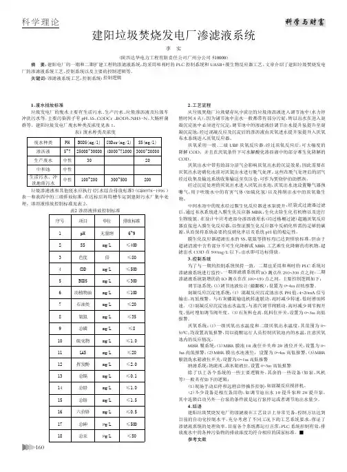
科学与财富1、废水排放标准垃圾发电厂的废水主要有生活污水、生产污水、垃圾渗沥液及垃圾车冲洗污水等,主要污染因子有pH 、SS 、CODCr 、BOD5、NH3-N 、大肠杆菌群等。
建阳垃圾发电厂废水种类及浓度见表1。
表1废水种类及浓度垃圾渗滤液和其他废水应执行《污水综合排放标准》(GB8978-1996)表一和表四中的三级排放标准,在达标后再用槽车运到建阳污水厂集中处理。
渗沥液排放控制标准见表2。
表2渗沥液排放控制标准2、工艺流程从垃圾焚烧厂垃圾储存坑中流出的垃圾渗沥液进入调节池中(水力停留时间8天),因为调节池中出水一般都带有部分污泥,所以出水在进入混凝沉淀池中必须进行沉淀,调节池中的渗滤液经调节出水提升泵提升至混凝沉淀池,经过混凝反应及沉淀后的渗沥液由厌氧进水提升泵提升入厌氧布水系统进入厌氧反应器。
厌氧采用一级、二级UBF 厌氧反应器,经过厌氧反应后,可大幅度的降解COD ,并且在厌氧条件下可水解酸化渗沥液中的部分难生化降解的COD 。
厌氧出水中带有的部分沼气会影响厌氧出水的沉淀效果,因此需要在厌氧出水进硝化池前对厌氧出水进行脱气处理。
这些在脱气处理后的沼气经过收集及输送系统收集输送至负压仓,可作为焚烧炉的助燃剂。
经过沉淀处理的厌氧出水进入厌氧出水池,厌氧出水池设置曝气器预曝气,用于吹脱水中的有害气体(如硫化氢)以及抑制出水中的厌氧微生物。
中间水池中的废水经过膜生化反应器进水泵提升,经袋式过滤器过滤后,通过布水系统进入膜生化反应器MBR ,生化去除生化有机物以及进行生物脱氮。
在设计中应考虑部分渗沥液原水(经过格栅过滤)超越厌氧反应器直接进入膜生化反应器,以保证膜生化反应器中反硝化所需的足够的碳源,从而保持系统必要的反硝化率以及系统pH 值的稳定性。
膜生化反应器超滤出水的SS 、氨氮等指标均已达到排放标准,但由于超滤清液中含有部分不可生化降解或MBR 工艺难生化降解的有机物,超滤出水COD 在500mg/L 以下,出水即可达标排放。
垃圾渗滤液基础知识一、垃圾渗滤液的产生、特点及危害随着城市水平的不断提高,我国城市垃圾产量也急剧增大,卫生填埋仍将是我国当前主要的垃圾处理方式之一。
垃圾在堆放和填埋过程中由于压实、发酵等物理、生物、化学作用,同时在降水和其他外部来水的渗流作用下产生的含有机或无机成份的液体,即垃圾渗滤液。
1.垃圾渗滤液的主要来源(1)降水的渗入,包括降雨和降雪,它是渗滤液产生的主要来源;(2)外部地表水的流入,包括地表径流和地表灌溉;(3)地下水的渗入,当垃圾场内渗滤水位低于场外地下水位,没有设置防渗系统时,地下水就有可能渗入填埋场内;(4)垃圾本身含有的水分,这包括垃圾本身携带的水分以及大气和雨水中的吸附量;(5)垃圾在降解过程中产生的水分,垃圾中的有机组分在垃圾填埋场内分解时会产生水分。
2.垃圾渗滤液的特点垃圾渗滤液的水质变化受垃圾组分、垃圾含水率、垃圾填埋场温度、填埋龄、填埋工艺、降水量等多种因素影响,水质成分复杂,处理难度大。
一般所具有如下特点:(1)有机物浓度高,COD和BOD浓度最高值可达数千至几万mg/L:(2)金属含量高,盐分大;(3)受降水和地表径流的影响,水量水质变化大;(4)水质变化大,同一填埋场渗滤液垃圾渗滤液水处理效果的成分和性质随填埋场使用期的延长而不断变化,可生化性越来越差,氨氮含量越来越高;(5)地理区域性影响垃圾渗滤液组分、水质特点,不同地理区域、垃圾成分所产生的渗滤液性质各不相同;(6)氨氮含量高(可达几千mg/L),变化范围大;(7)营养因素比例失调,由于氨氮含量高,C/N的比值常出现失调,且P缺/TP>300,与微生物生长所需的碳磷比(100:1)相比甚远;乏,一般BOD5(8)渗滤液在生化处理时会产生大量泡沫,不利于系统正常运行。
由于渗滤液中含有较多的难降解物质,一般在生化处理后,COD浓度仍在较高范围内。
3.垃圾渗滤液的主要危害(1)垃圾渗滤液的氨氮/COD含量高,致使地表水体富营养化,水质恶化;(2)垃圾渗滤液含有大量的致病菌,危害极大;(3)垃圾渗滤液有机污染物多,高达七十多种,其中致癌物、辅致癌物5种被列于我国环境优先控制污染物“黑名单”;(4)垃圾渗滤液中含有十余种金属离子,这些金属离子会对生物处理过程产生严重抑制作用;(5)垃圾渗滤液中难以生物降解的腐殖酸类污染物质,导致水体发黑发臭,且腐殖酸与卤元素的结合(尤其是氯离子),将生成一些致癌、致突变的物质,危害人类健康。
渗滤液处理系统操作第一节预处理及提升系统预处理系统由调节池、初沉池、中间池组成,垃圾渗滤液通过垃圾电厂内的提升泵输送至渗滤液处理站,水量处于正常流量时,渗沥液经机械格栅拦污后进入调节池,当渗滤液站非正常运行情况下,通过阀门调节,渗滤液直接进入调蓄罐,以防止水量过大增加后续处理负荷,通过调蓄罐调量后,均匀流量的渗滤液进入初沉池后进入中间池。
1.调节池1.1.由于渗滤液来水呈峰、谷不均匀状态,调节池以缓解水质、水量不均匀有可能给后续处理系统带来的冲击负荷。
调节池内设置双曲面搅拌器以防止固体物质沉淀,调节池设计停留时间为三天,经均质均量后渗滤液由泵提升至混凝反应沉淀池,进行初步沉淀,沉淀后进入中间池。
1.2.超声波液位计常开;设有高低液位点,联动调节池提升泵;1.3.PH仪控制原水进入调节池后酸碱的投加量,同时控制后续工艺所需要的PH参数;1.4.开启渗滤液坑提升泵将渗滤液打入后续工艺,调节池的进水电动门一开一闭,当进水的调节池液位升至高液位时,超声波液位计联动开启提升泵,同时关闭调节池的进水电动门(手动阀门需手动关闭);当调节池液位低至低液位点时,超声波液位计联动关闭提升泵,同时打开进水阀门(手动阀待提升泵停止后手动开启);1.5.随时观察进水流量计的流量,如发现流量下降及时检查,保证渗滤液坑提升泵运行正常,如发现异常即时按规程进行检查、检修等处理。
2.中间池渗滤液进入中间加温池后,与初沉池回流的渗滤液混合,通过混合降低污染物的浓度,减少后期处理的负荷,同时起到反硝化的作用,中间池中设加热蒸汽管道,热源为垃圾电厂蒸汽,提高渗滤液水温,保障后续进入厌氧处理。
厌氧系统设计采用中温厌氧,正常运行温度35C°左右。
第二节生化系统1.主要工序介绍1.1.UASB厌氧反应器厌氧生物反应系统UASB在中温(35℃±1℃)条件下,利用厌氧生物的新陈代谢作用,将渗滤液中的液化固态有机物经水解酸化,产氢产酸、产甲烷最终分解代谢为:甲烷、水、二氧化碳、硫化氢等气体。
垃圾焚烧厂渗滤液无害化处理系统工艺讲解垃圾焚烧厂渗滤液是垃圾焚烧过程中生成的污水,其含有较高浓度的有机物和重金属,难以直接排放,需要进行处理。
目前,垃圾焚烧厂渗滤液的处理技术已经比较成熟,其中无害化处理系统工艺是一种常用的方法。
无害化处理系统工艺是一种对垃圾焚烧厂渗滤液进行处理,使之达到无害化排放要求的技术。
其主要流程包括预处理、生物处理、沉淀过滤、反渗透、消毒等几个环节。
首先是预处理环节。
该环节主要是对垃圾焚烧厂渗滤液进行预处理,去除大颗粒杂质,并进行空气增氧处理,使之更好地进入后续生物处理环节。
预处理完毕后,将水体送入生物反应器。
生物反应器是无害化处理系统的核心环节。
其主要功能是利用微生物对污水中的有机物进行降解,同时还能去除部分重金属离子。
生物反应器采用生物膜法,具有容积小、降解能力强、运行成本低等优点。
生物反应器处理完毕后,垃圾焚烧厂渗滤液会进入沉淀过滤环节。
该环节主要是对水体进行一次深度过滤,除去细小的悬浮颗粒、悬浮物等。
通过沉淀过滤环节后,底部会产生一层泥污物,需要进行后续处理。
接下来是反渗透环节。
反渗透是目前垃圾焚烧厂渗滤液处理技术的一种高级处理方式,该工艺技术能够彻底去除水中的难降解有机物、重金属离子和盐类等物质。
而且还可以将水中溶解的固体杂质去除,减少水体中的溶解物质含量。
最后是消毒环节。
将处理完的水体进行消毒,杀灭其中的细菌和病毒,并加入适量的消毒剂以维持水体的清洁度,使之符合排放要求。
以上就是关于垃圾焚烧厂渗滤液无害化处理系统工艺的讲解。
无害化处理系统工艺通过多个环节的处理,使得垃圾焚烧厂渗滤液的有机物、重金属等物质得到有效去除,从而达到水体的无害化处理要求。
垃圾渗滤液处理站自动化电控系统知识
2020年5月26日
现在垃圾渗滤液处理站运行过程中对自动控制要求越来越高,自动控制系统已成为处理站的重要组成部分,对稳定运行、降低运行成本、提高劳动生产率有着重要的作用。
渗滤液处理工艺复杂、处理单元多、技术难度大,致使渗滤液处理过程中控制难度很大。
依据大量的渗滤液处理控制方面的设计、安装、调试、运行经验,介绍渗滤液处理流程中的控制系统。
常用的电气图有:系统图、框图、电路图、位置图和接线图等,通常系统图用于描述系统或成套装置,框图用于描述分系统或设备。
根据圾渗滤液的特点、相关规范及工艺要求,全站设置统一的中央控制室。
渗滤液站存在许多专用设备.例如:脱水机、膜系统、沼气火炬等,其自带控制系统,并将控制信号传人全场中央控制室。
垃圾渗滤液处理站采用干线式集中供电,将用电设备的控制回路或馈电回路合理布置于低压开关柜中高压隔离柜、变压器及低压馈电柜统一布置在独立的配电间,这样既可以防止周围环境对柜体及元器件的破坏.也便于检修维护。
渗滤液处理站电力系统根据用电负荷而定,通常超过600kV.A的渗滤液站会设置一套独立的隔离柜和变压器,采用高压(l0kV)进线并进行降压(0.4kV)供电使用。
如果项目规模小,用电负荷小于600kV.A的一般采用400V双路供电,不再配备高压柜及变压器。
垃圾渗滤液处理站的设备采用三班制连续运行,考虑到大多数渗滤液处理站电源只提供一路10kV电源的实际情况,为保证生产安全,需设置一路保安电源(由主厂房提供)满足其必须连续运行设备的要求,如臭气风机、沼气火炬等。
用电设备控制回路—般采用接触器加继电器方式.纯馈电保护回路采用塑壳断路器方式,并根据层级及设备类型配备不同的脱扣类型,一般
可根据用电设备数量多少来决定开关柜数量,馈电柜可采用抽屉柜或固定分隔式开关柜。
0.4kV低压系统接地形式采用TN-S系统。