常用外窗热工性能参数(参考)
- 格式:xls
- 大小:16.50 KB
- 文档页数:1
玻璃应用中的光学热工参数玻璃表面辐射率玻璃表面辐射率:也称为E值。
它是指为玻璃表面单位面积辐射的热量同单位面积黑体在相同温度、相同条件下辐射热量之比,数据范围为0~1,辐射率越低,玻璃吸收热量的能力越低,反射热量能力越强。
可见光反射比主要用于限制玻璃幕墙的反射“光污染”现象。
《玻璃幕墙光学性能》标准中做了如下限定:“玻璃幕墙应采用反射比不大于0.30的幕墙玻璃”,“主干道、立交桥、高架路两侧建筑物高20m以下部分,其余路段高10m以下部分如使用玻璃幕墙,应采用反射比不大于0.16的玻璃”。
太阳光直接透射比是指在太阳光谱(300nm~2500nm)范围内,直接透过玻璃的太阳能强度对入射太阳能强度的比值。
它包括了紫外、可见和近红外能量的透射程度,但不包括玻璃吸收直接入射的太阳光能量后向外界的二次传递的能量部分。
太阳光直接反射比是指在太阳光谱(300nm~2500nm)范围内,玻璃反射的太阳能强度对入射太阳能强度的比值。
在实际使用中,此项指标控制的是玻璃幕墙所形成的反射“热污染”,因为太阳光中的可见光和近红外光都能形成热量,尤其是在外形具有凹面结构的玻璃幕墙止,会形成一个“太阳灶”的效果,将热量汇集于一小块区域,该区域及附近的环境就会受到严重的加热影响。
紫外线透射比是指在紫外线光谱(280nm~380nm)范围内,透过玻璃的紫外线光强度对入射光强度的百分比。
由于太阳光中的紫外线对皮肤和家具油漆表面有损害,所以在设计大面积窗户和采光顶时,对此指标要予以限制,普通6mm白玻的紫外线透过率在60%多,降低紫外线透过率的最好办法是用PVB胶片做夹胶玻璃,用两片3mm白玻中间加上PVB胶片能够把Tuv降低到5%。
太阳能总透射比也称为太阳得热系数,是通过门窗或幕墙构件成为室内得热量的太阳辐射与投射到门窗或幕墙构件上的太阳辐射的比值。
这一指标是建筑节能计算中的重要参考因素,直接影响着室内的采暖能耗和制冷能耗。
但是人们在选购玻璃时习惯上使用遮阳系数数据来体现太阳光总透射比的高低。
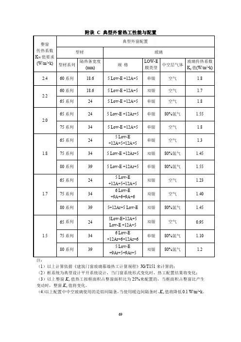
附录A 典型窗传热系数参考表A.0.1整樘窗的传热系数计算方法应符合现行行业标准《建筑门窗玻璃幕墙热工计算规程》JGJ/T 151的规定,并应符合下式规定:(A.0.1)式中:U t ——整樘窗的传热系数[W/(m 2·K)];注:此处U t 等同于K (外窗传热系数)。
A g ——窗玻璃(或者其它镶嵌板)的面积(m 2);A f ——窗框面积(m 2);A t ——窗面积(m 2);l ψ——玻璃区域(或者其它镶嵌板区域)的边缘长度(m )U g ——窗玻璃(或者其它镶嵌板)的传热系数[(W/(m 2·K)];U f ——窗框的传热系数[(W/(m 2·K)];(——窗框和窗玻璃(或者其它镶嵌板区域)之间的线传热系数[(W/(m ·K)]。
A.0.2在没有精确计算和检测的情况下,表A.2数值可作为玻璃传热系数的近似值。
表A.2常用中空玻璃传热系数表序号产品结构可见光透射比中国JGJ151标准光热比LSGUg (W/(m2·K)太阳能总透射比g 空气85%氩气16L(单银)2#+12A+60.65 1.76 1.520.50 1.0926+12A+6L(单银)3#0.65 1.76 1.520.60 1.0836L(双银)2#+12A+60.55 1.67 1.420.34 1.6546+12A+6L(双银)3#0.55 1.66 1.420.49 1.1356L(三银)2#+12A+60.51 1.61 1.360.26 1.9666+12A+6L(三银)3#0.51 1.61 1.360.43 1.1976L(单银)2#+9A+6+9A+60.58 1.46 1.250.45 1.3186+9A+6+9A+6L(单银)5#0.58 1.44 1.220.54 1.0896L(双银)2#+9A+6+9A+60.50 1.42 1.180.31 1.59106+9A+6+9A+6L(双银)5#0.50 1.39 1.160.46 1.08116L(三银)2#+9A+6+9A+60.46 1.39 1.150.24 1.94126+9A+6+9A+6L(三银)5#0.46 1.36 1.120.41 1.12136L(单银)2#+12A+6+12A+60.58 1.30 1.130.45 1.31146+12A+6+12A+6L(单银)5#0.58 1.27 1.090.54 1.07156L(双银)2#+12A+6+12A+60.50 1.25 1.070.31 1.61166+12A+6+12A+6L(双银)5#0.50 1.21 1.020.46 1.08176L(三银)2#+12A+6+12A+60.461.221.030.231.99ψg g f f t tA U A U l U A ψ∑+∑+∑=186+12A+6L+12A+6L(三银)5#0.46 1.180.980.42 1.11 196L(单银)2#+9A+6L(单银)4#+9A+60.48 1.190.960.38 1.27 206+9A+6L(单银)3#+9A+6L(单银)5#0.48 1.190.960.48 1.00 216L(双银)2#+9A+6L(双银)4#+9A+60.34 1.120.890.25 1.39 226+9A+6L(双银)3#+9A+6L(双银)5#0.34 1.120.890.370.94 236L(三银)2#+9A+6L(三银)4#+9A+60.30 1.090.840.19 1.59 246+9A+6L(三银)3#+9A+6L(三银)5#0.30 1.080.840.320.94 256L(单银)2#+12A+6L(单银)4#+12A+60.48 1.010.820.37 1.27 266+12A+6L(单银)3#+12A+6L(单银)5#0.48 1.010.820.480.99 276L(双银)2#+12A+6L(双银)4#+12A+60.340.940.740.24 1.41 286+12A+6L(双银)3#+12A+6L(双银)5#0.340.930.740.370.93 296L(三银)2#+12A+6L(三银)4#+12A+60.300.890.700.18 1.63 306+12A+6L(三银)3#+12A+6L(三银)5#0.300.890.700.320.93备注:#表示涂层面。
常用建筑节能构造及热工参数
(主要满足温和地区及夏热冬暖、夏热冬冷地区标准)一、屋面
注:表中的屋面构造基本不按上人屋面计算。
二、外墙
注:1.外墙平均传热系数根据砌块面积与梁柱面积的比例以及梁柱断面尺寸的不同而略有不同。
2.烧结页岩实心块、炉渣砖砌块的导热系数(0.818w/m.k)与混凝土空心砌块(0.64~0.758w/m.k)近似。
3. 胶粉聚苯颗粒保温砂浆导热系数(0.06w/m.k)膨胀玻化微珠保温砂浆导热系数(0.07w/m.k))近似。
二、外窗
四、底部接触室外空气的架空或外挑楼板
五、地下室外墙及地面。
外窗热工参数选用及计算在公共建筑节能设计中的应用与探讨2.2.中海企业发展集团南京公司3. 3.中海企业发展集团南京公司摘要:随着2022年4月1日实施的《建筑节能与可再生能源利用通用规范》GB55015-2021,公共建筑节能率从原(甲类)65%提升到72%。
针对夏热冬冷地区,外窗热工系数要求提高,加之绿建星级标准的提升,窗型材很难直接在现有的规范、图集中找到满足要求的类型。
这就需要通过计算得出外窗热工参数。
关键词:标准提升;外窗热工计算。
新国标《建筑节能与可再生能源利用通用规范》GB55015-2021在2022年4月1日正式实施。
相对于旧版《公共建筑节能设计标准》GB50189-2015,节能率提升到72%。
夏热冬冷地区在屋面、外墙、挑空楼板等处的传热系数提升较小。
主要提升的是外窗的热工,包括外窗传热系数和太阳得热系数。
除此之外,在满足规范标准的前提下,根据《绿色建筑评价标准》GB/T50378-2019的要求,不同的绿建星级等级,需要提升对应的建筑外围护结构热工性能。
在实际的项目工作中,因为公共建筑相对于居住建筑,在外立面造型设计上更加追求立面效果,比如经常会使用大面积的玻璃幕墙。
这就使得公共建筑单一立面的窗墙比会非常大。
相应的外窗的热工标准就提升较高。
绿建二星标准下,还需要外窗的热工性能再提升10%。
当外窗的传热系数限值达到K≤2.0时,对于铝合金型材外窗,很难直接在相应的规范图集中选到依据,比如《全国民用建筑工程设计技术措施—节能专篇》中传热系数最小的隔热金属型材多腔密封6中透光Low-E+12氩气+6透明的传热系数K=2.1,无法满足设计要求。
这就需要通过对窗框、玻璃的选用参数进行计算,作为满足要求的依据。
以实际的工程项目为例。
2022年9月图审并通过的,南京地区的尤家凹九年一贯制学校项目。
此教学楼从平面到立面都较为复杂。
单一立面划分较多。
最不利单一立面的窗墙比达到0.48和0.75(报告厅),对应的传热系数限值为K≤2.0(二星)、K≤1.8(二星)。
居住建筑常用外窗热工性能参数
J.0.1 外窗玻璃的光学性能参数和热工性能参数应以检测值为准,在设计阶段无检测值时可参考表J.0.1选用。
表J.0.1 典型玻璃的光学和热工性能参数
J.0.2 常用外窗的热工性能参数可参考表J.0.2选用。
表J.0.2 常用外窗热工性能参数
注:1 以上仅是部分玻璃与不同型材的组合数据。
2 表中热工参数为各种窗型中较有代表性的数值,不同厂家、玻璃种类以及型材系列品种都可能有较大浮动,具体数值应以法定检测机构的实际检测值为准。
3 窗本体的遮阳系数SC 可近似地取为窗玻璃的遮蔽系数乘以窗玻璃面积除以整窗面积,即A A S SC g e / 。
窗户作为建筑外围护结构的开口部位,不但要满足人们采光、日照、通风、视野等基本要求,还要具有优良的保温、隔热、隔声性能,才能为人们提供舒适、宁静的室内环境,才能满足人们节约能源、保护环境,改善热舒适条件,提高生活水平,实现社会可持续发展的要求。
我国建筑能耗(包括建造能耗和使用能耗)约占全国能源消耗总量的1/4,建筑使用能耗占建筑能耗1/2以上,而采暖、空调能耗又占建筑使用能耗1/2左右。
建筑节能的重点就是采暖和降温能耗[1]。
窗户是薄壁的轻质构件,是建筑保温、隔热、隔声的薄弱环节。
普通单层玻璃窗的能量损失约占建筑物冬季保温或夏季降温能耗的一半以上,其隔声量25dB左右,只有厚重外墙隔声量的一半。
因此,窗户是改善室内热、声环境和建筑节能的重中之重。
我国地域广阔,从北方严寒的东三省到南国炎热的海南岛,从干燥的西北内陆到潮湿的东南沿海,气候环境差别巨大。
只有根据各地建筑气候特点与设计要求,才能正确进行建筑外窗的选择和节能工作的开展。
2 夏热冬暖地区建筑气候特点与基本要求夏热冬暖地区,即通常所谓华南地区,是《民用建筑热工设计规范》GB 50176—93(以下简称《热工规范》)规定的热工设计分区之一,属于我国《建筑气候区划标准》GB 50178—93规定的第IV建筑气候区。
该地区位于我国南部,包括海南、台湾全境;福建南部;广东、广西大部以及云南西南部和元江河谷地区,北回归线横贯其北部,属地理学中南亚热带至热带气候。
该区长夏无冬,温高湿重,气温年较差和日较差均小,由于有海陆风的调节,居民已习惯该地气候,不感到闷热。
该区最冷月(1月)平均气温高于10℃,最热月(7月)平均气温25~29℃,极端最高气温一般低于40℃,年日平均气温≥25℃的日数为100~200d,年平均相对湿度为80%。
该地区雨量充沛,是我国降水最多的地区,多热带风暴和台风袭击,易有大风暴雨天气;太阳高度角大,日照较少,太阳辐射强烈。
对夏热冬暖地区建筑的基本要求是:建筑物必须充分满足夏季防热、通风、防雨要求,冬季可不考虑防寒、保温。
建筑玻璃常用的光学热工性能指标早期人们对玻璃的要求仅是透光、平整和外观质量好。
随着能源及环境政策的不断深入落实,节能建筑、绿色建筑、环境友好性建筑等概念日益得到了人们的认可,并迅速发展起来。
这些类型的建筑都对玻璃提出了越来越多的光学热工性能指标要求,由此也诞生了更多的新型玻璃品种。
在实际选购玻璃时,一方面建筑设计师会提出多项指标要求企业加工玻璃产品,另一方面企业也会尽可能全面地标示出自己产品的光学热工性能供客户选择。
准确地了解和分析这些特性参数,才能选择到适合的玻璃产品,从而使建筑物符合标准规定的性能要求。
但由于光学热工性能指标专业性较强,普及应用时间较短,容易出现理解不清和表达错误。
因此,本文将有关建筑玻璃常用的光学热工性能指标进行列举和解释,供生产和应用中相关技术人员准确理解及使用。
玻璃表面辐射率:也称为E值。
从Low-E玻璃开始这一词汇就频繁地被使用,是判断是否为Low-E玻璃的标准,也是表征节能特性的重要指标,直接影响着玻璃传热系数的大小。
定义为玻璃表面单位面积辐射的热量同单位面积黑体在相同温度,相同条件下辐射热量之比,数据范围为0-1。
辐射率越低,玻璃吸收热量的能力越低,反射热量能力越强。
耀华在线Low-E玻璃的辐射率低于0.2,能良好地反射80%以上的远红外热量,具有优良的节能性能;而普通玻璃的辐射率为0.84,仅能反射11%左右的热量。
玻璃的辐射率使用红外光谱仪测定后经计算得出,国内依据的标准是GB/T2680,国际标准是ISO10292。
可见光反射比Lightreflectance:可简写为Rvis,主要用于限制玻璃幕墙的反射“光污染”现象。
在《玻璃幕墙光学性能》标准中做了如下限定:“玻璃幕墙应采用反射比不大于0.30的幕墙玻璃”,“主干道、立交桥、高架路两侧建筑物高20m 以下部分,其余路段高10m以下部分如使用玻璃幕墙,应采用反射比不大于0.16的玻璃”。
可见光透射比Lighttransmittance:简写为Tvis,是最早被普及使用的玻璃光学性能参数。
建设部备案号:JXXXXX-2015海南省工程建设地方标准DBDBJ 46—02—2015 海南省建筑外门窗抗风压、水密、气密、热工性能控制指标Code for wind pressure resistance,water tightness,air tightness and thermal performance of doors and windowsin Hainan(送审稿)2 ——发布 2 ——实施海南省住房和城乡建设厅发布海南省工程建设地方标准海南省建筑外门窗抗风压、水密、气密、热工性能控制指标Code for wind pressure resistance,water tightness,air tightness and thermal performance of doors and windowsin HainanDBJ 46—02—2015主编单位:海南省建设标准定额站批准部门:海南省住房和城乡建设厅施行日期:2 0 年月日2015 海口海南省住房和城乡建设厅文件琼住建定【】号关于印发《海南省建筑外门窗抗风压、水密、气密、热工性能控制指标》的通知各市、县、自治县、建设局、建设单位、建筑施工、监理企业:为了提高我省建筑外门窗的质量,保障建筑室内舒适安全,我厅委托省建设标准定额站组织有关人员重新修订了原DBJ 02—2006 (海南省建筑外门窗抗风压、水密、气密性能控制指标)标准,现批准为海南省工程建设地方标准,编号为DBJ 46—02—2015 ,自本文发布之日起实施。
原标准DBJ 02—2006同时废止。
海南省住房和城乡建设厅2015年月日前言本标准是在海南省地方标准《海南省建筑外门窗抗风压、水密、气密三项物理性能控制指标》(DBJ 02—2006)的基础上,依据最新颁布的相关国家标准和行业标准,结合我省建筑设计和建设的实际需要,并广泛征求意见以后修订的。
本标准主要修订内容:1.按《建筑结构荷载规范》GB 50009—2012标准重新修订了抗风压性能控制指标。
公共建筑节能设计专篇(建筑专业)C-1 甲类1. 设计建筑基本信息1.1 项目概况1. 项目名称:2. 总建筑面积:m2;3. 建筑层数:地上层,地下层。
1.2 该工程项目为,属于甲类公共建筑。
1.3 项目所在市县:1.4 建筑热工设计分区:严寒A、B区□、严寒C区□、寒冷地区□。
1.5 采用软件:软件版本:1.6 建筑体形系数:建筑体积V o= m3,建筑外表面积Fo= m2,建筑体形系数S=Fo/V o= ,限值为(此项必须满足)。
1.7 建筑各单一立面外窗(包括透光幕墙)窗墙面积比:南向、北向、东向、西向;1.8 屋顶透光部分面积占屋顶总面积的比例%;限值20%;□满足,□不满足。
2. 建筑节能设计依据的标准2.1《公共建筑节能设计标准》GB50189-20152.2《公共建筑节能设计标准实施细则》XJJ2.3《民用建筑热工设计规范》GB50176-932.4《建筑外门窗气密、水密、抗风压性能分级及检测方法》GB/T7106-20082.5《建筑外门窗保温性能分级及检测方法》GB/T8484-20082.6《建筑幕墙》GB/T21086-20072.7《外墙外保温工程技术规程》JGJ144-20042.8《建筑节能工程施工质量验收规范》GB50411-2007注:设计和施工过程中,当依据的规范、标准有修钉或有新的版本时,应按新版规范、标准对本细则的相关内容进行复核后采用。
3. 建筑围护结构保温措施、传热系数(热阻)设计值和限值见下表:建筑围护结构保温措施、传热系数(热阻)设计值和限值表注:1、规定性指标全部达标后可不再进行权衡判断,直接判定为节能建筑设计。
2、单项判定或选择中,符合打“√”,不符合打“×”,不存在该项打“—”。
3、应说明外窗(包括透光幕墙)及屋顶透光部分的选型,主要包括:窗框材料、外窗(包括透光幕墙)类型、中空玻璃间隙厚度(mm),间隙间气体种类及选用的标准图集等。
建筑门窗热工性能计算书-泗泾颐景园铝合金门窗工程参考资料:《民用建筑节能设计标准(采暖居住建筑部分)》JGJ26-95《夏热冬冷地区居住建筑节能设计标准》JGJ134-2001《民用建筑热工设计规范》GB50176-93《公共建筑节能设计标准》GB50189-2005《公共建筑节能设计标准》DBJ 01-621-2005《居住建筑节能设计标准》DBJ 01-602-2004《BKCADPM集成系统(BKCADPM2006版)》一、基本计算参数:本计算为门窗的热工性能计算。
1.门窗计算单元的有关参数总宽: W=1800mm总高: H=1800mm门窗的总面积: A t=W×H=3.24 m2门窗玻璃总面积: A g=2.61 m2门窗框总面积: A f=0.63 m2玻璃区域周长: lψ= 13 m二、门窗的传热系数计算:1.门窗框的传热系数U f框的传热系数U f:可以通过输入数据,用二维有限单元法进行数字计算,得到窗框的传热系数。
在没有详细的计算结果可以应用时,可以应用按以下方法得到窗框的传热系数。
本系统中给出的所有的数值全部是窗垂直安装的情况。
传热系数的数值包括了外框面积的影响。
计算传热系数的数值时取内表面换热系数h in =8.0 W/m 2·K 和外表面换热系数h out =23 W/m 2·K 。
(1) 塑料窗框:表E.0.2-1 带有金属钢衬的塑料窗框的传热系数(2) 木窗框木窗框的U f 值是在水气含量在12%的情况下获得,窗框厚度d f 的定义见图E.0.2-2。
U f的数值可以从图E.0.2-1中选取。
图E.0.2-1:木窗框以及金属-木窗框的热传递与窗框厚度d f 的关系窗框材料 窗框种类U f (W/m 2·K) 聚胺脂 带有金属加强筋净厚度≥5mm2.8 PVC 腔体截面 从室内到室外为两腔结构 2.2 从室内到室外为三腔结构2.0图E.0.2-2:不同窗户系统窗框厚度d f的定义(3) 金属窗框:框的传热系数U f的数值可以通过下列程序获得:a)对没有热断桥的金属框,使用U f0 =5.9 W/(m2·K);b)对具有断桥的金属框,U f0的数值从图E.0.2-3中粗线中选取;图E.0.2-3 带热断桥的金属窗框的传热系数值金属窗框R f 的热阻通过下式获得: 17.01-=f f U R (E.0.2-1) 金属窗框U f 的传热系数公式为: ed e e f f id i i f f A h A R A h A U ,,,,1++=(E.0.2-2)图E.0.2-4 截面类型1(采用导热系数低于0.3W/m.K 的隔热条)式中:A d.i, A d,e, A f,i, A f,e——窗各部件面积,m2;其定义如图E.0.2-5所示。
附录A 能耗指标计算方法A.0.1能耗指标计算的方法和基本参数设置应符合下列规定:1 气象数据依据《建筑节能气象参数标准》JGJ/T 346的规定计算;2 能耗计算宜在建筑设计要求及围护结构热工及外窗(门)性能达到本导则正文要求的基础上,对建筑全年供冷、供暖累计负荷进行模拟计算;3 建筑套内使用面积等于建筑套内设置供暖或空调设施的各功能空间的使用面积之和,包括卧室、起居室(厅)、餐厅、厨房、卫生间、过厅、过道、贮藏室、壁柜、设供暖或空调设施的阳台等使用面积的总和。
跃层住宅中的套内楼梯应按其自然层数的使用面积总和计入套内使用面积;4 坡屋顶内设置供暖或空调设施的空间应列入套内使用面积中。
坡屋顶内屋面板下表面与楼板地面的净高低于1.2m的空间不计算套内使用面积;净高在1.2~2.1m的空间应按1/2计算套内使用面积;净高超过2.1m的空间应全部计入套内使用面积;5 套内烟囱、通风道、管井等均不计入套内使用面积;466 空调设备制热能效比(COP)取2.8、制冷能效比(EER)取3.5。
供暖空调系统及输配系统的能耗应考虑部分负荷的影响;7 供暖年耗热量和供冷年耗冷量应包括围护结构的热损失和处理新风的热(或冷)需求;处理新风的热(冷)需求应扣除从排风中回收的热量(或冷量);8当室外温度≤26℃且相对湿度≤60%时,利用自然通风,不计算供冷需求。
A.0.2 计算设计建筑能耗指标应符合下列规定:1 建筑的形状、大小、朝向、内部的空间划分和使用功能、建筑构造尺寸、建筑围护结构传热系数、做法、遮阳系数、窗墙面积比、开窗面积应与建筑设计文件一致;2 建筑功能区除设计文件明确为非空调区外,均应按设置供暖和空气调节计算;居住建筑全年采暖及制冷期内空调日运行时间为24小时;3 房间人员密度及房间人员、设备、照明内热设置、电器设备功率密度及家电使用率等时间按表A.0.2设置,照明开关时间为6小时/天(17:00-22:00),设备使用率50%。