常用材料热工性能取值
- 格式:doc
- 大小:180.00 KB
- 文档页数:13
SICHUAN OUO TECHNOLOGYCO.,LTD.BIAOZHUN SHEJI四川四美科技有限公司标准设计OUO硅铝空心微珠建筑保温砂浆构造(新疆维吾尔自治区)oo八批准部门:主编单位:四川四美科技有限公司 协编单位:批准文号: 统一编号: 图集号: 实行日期:二00八年12月20日目录 .................................................. ..1 编制说明(一〜^一)....................................................... 2〜10编制依据 .............................................. ..2 使用范围 .............................................. ..2 编制内容 .............................................. ..2 维护结构热工性能选用表说明 ............................. ..2 墙体系统基本构造 ...................................... ..2 墙体系统基本构造示意图 ................................. ..3 材料的基本性能指标要求OUO 硅铝空心微珠筑温构造主编单位负责人: 主编单位技术负责人: 技术审定人: 设计负责人:庞小辉常用材料热工计算参数表 .................... 11 新疆维吾尔自治区主要城镇采暖居住建筑围护 结构传热系数限值表 (12)OU (硅铝空心微珠保温砂浆最小厚度居住建筑选用表 ........................... 13〜15OUO®铝空心微珠保温砂浆最小厚度公共建筑选用表 ............................... 15〜18..4 〜10编制说明一、编制依据《民用建筑热工设计规范》GB50176-93《公共建筑节能设计标准》GB50189-2005《建筑工程施工质量验收统一标准》GB50300-2001; 《建筑装饰装修工程质量验收规范》GB50210-2001《建筑节能工程施工质量验收规范》GB50411-2007;《外墙外保温工程技术规范》JGJ144-2004《外墙饰面砖工程施工及验收规范》JGJ126-2000;《建筑保温砂浆》GB/T20473-2006;《膨胀玻化微珠》JC/T1042-2007;《建筑结构荷载规范》GB5009-2001;《建筑抗震设计规范》GB50011-2001;《民用建筑节能设计标准(米暖居住建筑部分)》JGJ26-95; 《民用建筑节能设计标准(采暖居住建筑部分)新疆维吾尔自治区实施细则》XJJ001-1999;《公共建筑节能设计标准新疆维吾尔自治区实施细则》XJJ034-2006;《既有居住建筑节能改造技术规程》JGJ129-2000;《米暖居住建筑节能检验标准》JGJ132-2001二、使用范围本图集是以四川四美科技有限公司生产的OUO硅铝空心微珠保温砂浆,分别配以成套供应的耐碱玻璃纤维网格布、抗裂砂浆、专用辅助材料及饰面材料而编制的外墙外保温构造图集。
各种材料热工性能材料的热工性能是指材料在热传导、热膨胀、热稳定性等方面的性能表现。
不同材料在热工性能方面表现出各自的特点,下面将就几种常见材料的热工性能进行详细介绍。
1.金属材料:金属材料具有良好的热导性能,故多用于导热器件的制作。
不同金属材料的热导率有所差异,铜和铝是常见的热导率较高的材料,分别为401W/m·K和237W/m·K。
在应用中,我们可以选择合适的金属材料来满足热导需求。
此外,金属材料的热膨胀系数也较大,当材料受热膨胀时,容易导致构件的变形或者热应力的产生,因此在设计中需要考虑好热膨胀问题。
2.陶瓷材料:陶瓷材料的热导率通常较低,因此在绝热材料的制作中经常使用陶瓷材料。
陶瓷材料具有良好的耐高温性能,能够在高温下保持较好的稳定性。
此外,陶瓷材料的热膨胀系数也较低,对温度的变化不敏感,因此适用于高温环境下的应用。
3.聚合物材料:聚合物材料具有较低的热导率,因此常用于绝热材料。
聚合物材料的热膨胀系数较高,当受热时容易产生较大的变形,因此在设计中需要考虑好热膨胀问题。
另外,聚合物材料的热稳定性较差,容易受到热分解或者熔化的影响,因此在高温环境下的应用受到一定的限制。
4.玻璃材料:玻璃材料具有较低的热导率,常用于绝热材料和隔热材料。
玻璃的热膨胀系数较低,对温度的变化不敏感。
玻璃具有较好的耐高温性能,可以在高温下保持结构的稳定性。
此外,玻璃具有较高的热稳定性,不易受到热分解或者熔化的影响。
以上是几种常见材料的热工性能的介绍,不同材料在热工性能方面表现出各自的特点,我们可以根据具体的应用需求选择合适的材料。
在工程设计中,需要充分考虑材料的热导性能、热膨胀系数和热稳定性等因素,以确保材料能够在特定的温度条件下正常工作,并且能够与其他材料进行良好的配合。
史上最全的建筑节能常用材料热工性能指标参数介绍还记得本公众号曾经发布过各类“史上最全”系列的科普吗?今天将为大家分享的是在我们做建筑节能设计和选材时经常遇到的问题,就是如何界定这些材料的热工性能参数。
这个表格里共展示了材料的名称、容重、导热系数、蓄热系数、热工计算时的修正系数等指标。
材料的名称是必须有的,部分材料还界定了相应的规格,例如尺寸规格,型号规格等。
容重是指单位容积内物体的重量,常用于工程上指一立方的重量,如单位体积土体的重量。
一般,轻质保温材料相对重质保温材料容重较低,保温性能越好。
但是,对于同一种有机发泡材料来讲,以EPS板为例,容重越大,密度越大,导热系数越低,保温性能越好。
对于同一种无机发泡材料来讲,以发泡混凝土为例,容重越大,导热系数越大,保温性能越差。
对于不同材料来讲,用泡沫混凝土和发泡聚氨酯来对比,前者容重大,导热系数大,保温性能差。
导热系数是指在稳定传热条件下,1m厚的材料,两侧表面的温差为1度(K,℃),在1秒钟内(1S),通过1平方米面积传递的热量,单位为瓦/米·度(W/(m·K),此处为K可用℃代替)。
导热系数越低,保温性能越好。
当某一足够厚度单一材料层一侧受到谐波热作用时,表面温度将按同一周期波动。
蓄热系数即通过表面的热流波幅与表面温度波幅的比值。
是材料在周期性热作用下得出的一个热物理量。
对于一个有一定厚度的均质材料层来说,如果一次的空气温度作周期性波动,那么,材料层表面的温度和热流也要随着作同样周期的波动,此时,用表面上的热流波幅与表面波幅之比表示材料蓄热能力的大小,称为材料的蓄热系数。
为什么有导热系数和蓄热系数的修正系数呢?而且不同材料用在不同部位的修正系数还不一样呢?这主要是因为导热系数和蓄热系数都是在实验室的理想状态下测算出来的,与建筑物所处的实际状态有很大的差异,温湿度环境都不一样,而材料在实际工况下会因吸水等原因,致使导热系数、蓄热系数都有变动。
国内门窗热工计算边界条件取值
参照JGJ/T 151-2008中规定
1 冬季标准计算条件应为:
室内空气温度Tin=20℃
室外空气温度Tout=-20℃
室内对流换热系数hc,in=3.6 W/(m2.K)
室外对流换热系数hc,out =16 W/(m2.K)
室内平均辐射温度Trm,in=Tin
室外平均辐射温度Trm,out=Tout
太阳辐射照度Is=300 W/m2
2夏季标准计算条件应为:
室内空气温度T in=25℃
室外空气温度T out=30℃
室内对流换热系数h c,in=2.5 W/(m2.K)
室外对流换热系数h c,out =16 W/(m2.K)
室内平均辐射温度T rm,in=Tin
室外平均辐射温度T rm=T out
太阳辐射照度I s=500 W/m2
传热系数计算应采用冬季标准计算条件,并取I s= 0 W/m2。
计算门窗的传热系数时,门窗边框的室外对流换热系数h c,out应取8 W/(m2.K),边框附近玻璃边缘(65mm内)的室外对流换热系数h c,out应取12 W/(m2.K)。
附件:
湖南省建筑节能常用材料热物理性能参数取值表(试行)
七、松散材料
说明:
1、本参数取值表主要参考了以下标准规范:《湖南省公共建筑节能设计标准》DBJ43/003-2010、《湖南省居住建筑节能设计标准》DBJ43/001-2004、《民用建筑热工设计规范》GB50176-93、《外墙外保温工程技术规程》JGJ144-2004、《外墙内保温工程技术规程》JGJ/T261-2011、《轻骨料混凝土多孔砖建筑技术规程》DBJ43/T003-2009、《蒸压加气混凝土砌块建筑技术规程》DBJ43/T001-201
2、《陶粒混凝土小型空心砌块与陶粒混凝土砖建筑技术规程》DBJ43/T001-2009、《无机轻集料砂浆保温系统技术规程》JGJ/253-2011、《屋面工程技术规范》GB50345-2012、《倒置式屋面工程技术规程》
JGJ230-2010、《屋面保温隔热用泡沫混凝土》JC/T2125-2012、《泡沫混凝土》JG/T266-2011等。
2、表中未注明修正系数的,按《民用建筑热工设计规范》GB50176-93附录四附表4.2确定。
九、外窗(包括透明幕墙和透明外门)
外窗(包括透明幕墙和透明外门)的热物理性能参数包括传热系数和遮阳系数两项,应按照《湖南省公共建筑节能设计标准》(DBJ 43/003-2010)附录D常用外窗及幕墙热工性能参数取值。
这里要注意《公共建筑节能设计标准》和《居住建筑节能设计标准》中遮阳系数的计算方法是不同的,对于居住建筑,其外窗遮阳系数的取值为:
居建遮阳系数取值=公建遮阳系数取值×窗框遮挡系数
窗框遮挡系数,金属窗取0.8,塑钢、木窗取0.7。
附录围护结构保温材料选用与热工性能指标附录A 屋面保温材料选用与热工性能参数表材料名称表观密度或干密度(kg/m3)体积吸水率(v/v,%)导热系数标准值λ[W/(m·K)]修正系数а导热系数计算值λc [W/(m·K)]真空保温板≤450 ≤硬泡聚氨酯〔PU〕≥35 ≤挤塑聚苯板〔XPS〕≥32 ≤模塑聚苯板〔EPS〕≥20 ≤泡沫玻璃板≥150 ≤发泡水泥板≤250 ≤表正置式平屋面的保温材料、厚度与热工性能构造示意图构造层次导热系数[W/m·K] 1〕细石钢筋混凝土 40mm λ2〕隔离层+防水层—3〕水泥砂浆找平层 20mm λ4〕保温层〔d厚〕〔见下表〕〔见表A.0.1〕5〕水泥砂浆找平层 20mm λ6〕轻骨料混凝土找坡层最薄处30mm λ7〕钢筋混凝土屋面板 120mmλ保温材料 设计厚度〔mm 〕传热系数 [W/(m 2·K)]传热系数规定限值真空保温板 13 K ≤0.8 [W/(m 2·K)]硬泡聚氨酯〔PU 〕 25 挤塑聚苯板〔XPS 〕 35模塑聚苯板〔EPS 〕50 泡沫玻璃板 70 发泡水泥板 75构造做法见正置式坡屋面的保温材料、厚度与热工性能构造示意图构造层次导热系数[W/m ·K] 1〕瓦、挂瓦条、顺水条 — 2〕细石钢筋混凝土 40mm λ 3〕隔离层+防水层— 4〕水泥砂浆找平层 20mm λ 5〕保温层〔d 厚〕〔见下表〕 〔见表A.0.1〕6〕水泥砂浆找平层 20mm λ 7〕钢筋混凝土屋面板 120mmλ保温材料 设计厚度〔mm 〕传热系数 [W/(m 2·K)]传热系数规定限值真空保温板 13K ≤0.8 [W/(m 2·K)]硬泡聚氨酯〔PU 〕30挤塑聚苯板〔XPS〕35模塑聚苯板〔EPS〕55泡沫玻璃板75发泡水泥板80构造做法见《坡屋面建筑构造(一)》09J202-1中页K4倒置式平屋面的保温材料、厚度与热工性能构造示意图构造层次导热系数[W/m·K] 1〕细石钢筋混凝土 40mm λ2〕保温层〔d厚〕〔见下表〕〔见表A.0.1〕3〕隔离层+防水层—4〕水泥砂浆找平层 20mm λ5〕轻骨料混凝土找坡层最薄处30mm λ6〕钢筋混凝土屋面板 120mm λ保温材料计算厚度〔mm〕设计厚度〔mm〕传热系数 [W/(m2·K)] 传热系数规定限值硬泡聚氨酯〔PU〕25 35K≤0.8 [W/(m2·K)] 挤塑聚苯板〔XPS〕34 45泡沫玻璃板70 90构造做法见注:倒置式屋面保温层的设计厚度按计算厚度增加25%;倒置式坡屋面的保温材料、厚度与热工性能构造示意图构造层次导热系数[W/m·K] 1〕瓦、挂瓦条、顺水条—2〕细石钢筋混凝土 40mm λ3〕保温层〔d厚〕〔见下表〕〔见表A.0.1〕4〕隔离层+防水层—5〕水泥砂浆找平层 20mm λ6〕钢筋混凝土屋面板 120mm λ保温材料计算厚度〔mm〕设计厚度〔mm〕传热系数 [W/(m2·K)] 传热系数规定限值硬泡聚氨酯〔PU〕28 35K≤0.8 [W/(m2·K)] 挤塑聚苯板〔XPS〕36 45泡沫玻璃板74 95构造做法见《坡屋面建筑构造(一)》09J202-1中页K4注:倒置式屋面保温层的设计厚度应按计算厚度增加25%;倒置式屋面采用B1级保温材料时,应按住宅单元设置防火隔断墙,防火隔断墙为厚度不小于100 mm 的不燃烧体,应从屋面板砌至高出屋面完成面不小于250mm;防火隔断墙可利用住宅单元分隔墙延伸至屋面以上,高度不小于250mm;防火隔断墙之间的屋顶面积不应大于300㎡,当屋面面积大于300㎡时,应增设一道防火隔断墙;防火隔断墙的泛水构造应符合屋面防水技术规X要求。
附件2常用建筑材料热物理性能计算参数取值
膨胀聚苯板(EPS板)0.038~0.041 挤塑聚苯板(XPS板)0.028~0.03 岩棉板0.041~0.045
胶粉聚苯颗粒保温浆料0.057~0.06 聚氨酯发泡材料0.025~0.028
珍珠岩等浆料0.07~0.09
附件3常用建筑材料热物理性能计算参数取值《全国民用建筑工程设计技术措施/暖通空调.动力》(2009年版)
实例1 华铜搬迁小区住宅建筑围护结构热工性能判定
表3.1-2 建筑物屋面传热系数
实例2 大连鲁能(厂家提供)优山美地北区1#地住宅项目住宅结构做法
1.31 住宅屋面结构做法
1.32住宅外墙结构做法
实例3 春柳公园A区住宅项目住宅结构做法
表3-9 分隔采暖与非采暖空间的隔墙传热系数
实例1 华铜搬迁小区公建围护结构热工性能判定
表3.8-2 公建屋面传热系数
实例2 大连鲁能(厂家提供)优山美地北区1#地住宅项目公建结构做法
1.36 公建底层地面结构做法
1.37公建屋面结构做法
1.38公建外墙结构做法
实例3 春柳公园A区住宅项目公建结构做法
建筑保温材料的热工设计计算应当采用计算值,因此在节能设计时,我们需要考虑保温材料在不同情况下的修正系数,保温材料的计算修正系数,可参照现行的国家《民用建筑热工设计规范》(GB50176)或者上海市工程建设规范《住宅建筑围护结构节能应用技术规程》(DG/TJ08)的规定。
在此我们把常用保温材料的修正系数取值归纳如下:。
常用保温材料的导热系数与蓄热系数计算取值表什么样的保温材料耐高温绝热保温性能好1,绝热保温材料概述根据设备及管道保温技术通则,绝热材料是指在平均温度等于或小于623K(350摄氏度)时,热导率小于0.14W/(m*K)的材料。
绝热材料通常具有质轻、疏松、多孔、导热系数小的特点。
一般用来防止热力设备及管道热量散失,或者在冷冻(也称普冷)和低温(也称深冷)下使用,因而在我国绝热材料又称为保温或保冷材料。
同时,由于绝热材料的多孔或纤维状结构具有良好的吸声功能,因而也被广泛应用于建筑行业。
1.1分类方法绝热材料种类繁多,一般可按材质、使用温度、形态和结构来分类。
按材质可分为有机绝热材料、无机绝热材料和金属绝热材料三类。
热力设备及管道用的保温材料多为无机绝热材料。
这类材料具有不腐烂、不燃烧、耐高温等特点。
例如:石棉、硅藻土、珍珠岩、玻璃纤维、泡沫玻璃混凝土、硅酸钙等。
普冷下的保冷材料多用有机绝热材料,这类材料具有极小的导热系数、耐低温、易燃等特点。
例如:聚苯乙烯泡沫塑料、聚氯乙烯泡沫塑料、氨酯泡沫塑料、软木等。
按形态又可分为多孔状绝热泪盈眶材料、纤维状绝热泪盈眶材料、粉末状绝热和层状绝热材料四种。
多孔状绝热材料又叫泡沫绝热材料,具有质量轻、绝热性能好、弹性好、尺寸稳定、耐稳性差等特点。
主要有泡沫塑料、泡沫玻璃、泡沫橡胶、硅酸钙、轻质耐火材料等。
纤维状绝热材料可按材质分为有机纤维、无机纤维、金属纤维和复合纤维等。
在工业上用作绝热泪盈眶材料的主要是无机纤维,目前用得最广的纤维是石棉、岩棉、玻璃棉、硅酸铝陶瓷纤维、晶质氧化铝纤维等。
粉末状绝热材料主要有硅藻土、膨胀珍珠岩及其制品。
这些材料的原料来源丰富,价格便宜,是建筑和热工设备上应用较广的高效绝热材料。
1.2性能指标和一般选用原则(1)导热系数:作为绝热泪盈眶材料,导热系数应越小越好,一般应选用导热系数小于0.14W/m*K,作为保冷的绝热材料,对导热系数的要求更高。
附件:
省建筑节能常用材料热物理性能参数取值表(试行)
说明:
1、本参数取值表主要参考了以下标准规:《省公共建筑节能设计标准》DBJ43/003-2010、《省居住建筑节能设计标准》DBJ43/001-2004、《民用建筑热工设计规》GB50176-93、《外墙外保温工程技术规程》JGJ144-2004、《外墙保温工程技术规程》JGJ/T261-2011、《轻骨料混凝土多孔砖建筑技术规程》DBJ43/T003-2009、《蒸压加气混凝土砌块建筑技术规程》DBJ43/T001-201
2、《陶粒混凝土小型空心砌块与陶粒混凝土砖建筑技术规程》DBJ43/T001-2009、《无机轻集料砂浆保温系统技术规程》JGJ/253-2011、《屋面工程技术规》GB50345-2012、《倒置式屋面工程技术规程》JGJ230-2010、《屋面保温隔热用泡沫混凝土》JC/T2125-2012、《泡沫混凝土》JG/T266-2011等。
2、表中未注明修正系数的,按《民用建筑热工设计规》GB50176-93附录四附表4.2确定。
九、外窗(包括透明幕墙和透明外门)
外窗(包括透明幕墙和透明外门)的热物理性能参数包括传热系数和遮阳系数两项,应按照《省公共建筑节能设计标准》(DBJ 43/003-2010)附录D常用外窗及幕墙热工性能参数取值。
这里要注意《公共建筑节能设计标准》和《居住建筑节能设计标准》中遮阳系数的计算方法是不同的,对于居住建筑,其外窗遮阳系数的取值为:
居建遮阳系数取值=公建遮阳系数取值×窗框遮挡系数
窗框遮挡系数,金属窗取0.8,塑钢、木窗取0.7。
PBECA节能软件热工设计规范更新使用说明——产品设计研发部《民用建筑热工设计规范》GB50176-2016于2017年4月1日开始执行,其中,第4.2.11、6.1.1、6.2.1、7.1.2 条为强制性条文,必须严格执行。
原《民用建筑热工设计规范》GB50176-93 同时废止。
目前节能软件PBECA针对于新热工规范,也同时做了更新,提供给广大设计师使用,并且按照最新计算法方法,判定计算是否满足要求。
本次主要更新的内容包含:1)结露计算分析:包含外墙热桥二维结露计算、以及地面、地下室外墙及外窗部分的一维结露计算分析;2)内表面最高温度计算:本次新热工规范内表面最高温度计算方法做了较大改动,采用一维非稳态计算,分析出空调房间及非空调房间逐时温度变化趋势,并进行判定;3)防潮计算:根据新热工规范的计算方法,分析主要围护结构的保温材料因内部冷凝而增加的重量湿度允许增量;4)外墙平均传热系数计算:更新外墙K值计算方法采用二维传热,同时一维加权平均计算方法也同时保留,设计师可以根据当地施工图审查要求选择对应的计算方法,以满足施工图审查的需要;5)围护结构材料数据更新:按照新版民用热工规范,更新了不同气候地区的围护结构材料数据库;6)新热工规范气象数据参数及其他计算参数更新等。
一、结露计算分析1.1 外墙热桥二维结露分析软件操作步骤:围护节能——二维节点软件根据《民用建筑热工设计规范》GB50176-2016和绿色建筑标准要求,增加二维结露计算模块,用户可以在软件中选择保温的不同结构构造,分析冬季室内热桥部位的内表面温度,判定其节点是否会产生结露。
目前软件按照《严寒和寒冷地区居住建筑节能设计标准》《黑龙江居住建筑节能设计标准》、《山东省居住建筑节能设计标准》《外墙内保温建筑构造》等构造图集,在软件当中内置了70余种节点构造供用户选择,包含外保温、内保温、夹心保温等构造做法,准确分析节点的温度场分布和线传热系数计算。
建筑材料性能计算参数引言建筑材料在建筑行业中起着至关重要的作用。
为了评估和比较不同建筑材料的性能,需要进行一系列的计算和参数分析。
本文将介绍建筑材料性能计算参数的基本概念和常用方法。
建筑材料性能计算参数的定义建筑材料性能计算参数是指用于评估建筑材料性能的数值指标。
这些参数通常与建筑材料的物理、力学、热学和化学性质有关,包括但不限于强度、刚度、导热性、吸水性和阻燃性等。
常用建筑材料性能计算参数以下是一些常用的建筑材料性能计算参数。
•抗拉强度:材料在拉伸加载下的最大承载能力。
•抗压强度:材料在压缩加载下的最大承载能力。
•抗弯强度:材料在弯曲加载下的最大承载能力。
•剪切强度:材料在剪切加载下的最大承载能力。
刚度参数•弹性模量:材料在弹性变形范围内的应力与应变之比。
•剪切模量:材料在剪切载荷下的应力与剪切应变之比。
•泊松比:材料横向收缩与纵向变形之比。
热学参数•导热系数:材料单位厚度下单位温度梯度的导热量。
•蓄热系数:材料单位体积下储存的热量。
•吸水率:材料吸收水分的能力。
•饱和吸水率:材料达到最大吸水量的能力。
阻燃性参数•燃烧性能等级:材料的阻燃性能等级。
建筑材料性能计算参数的确定方法建筑材料性能的计算参数通常通过实验室测试和理论计算来确定。
实验室测试实验室测试是衡量建筑材料性能的一种常用方法。
通过对材料的抗拉、抗压、抗弯等特性进行实验,可以获得相关的性能参数。
理论计算理论计算是一种基于材料的物理和力学性质以及相应的方程模型进行建筑材料性能计算的方法。
通过数学模型的推导和计算,可以得到建筑材料的性能参数。
总结建筑材料的性能计算参数是评估建筑材料性能的重要指标。
在选用建筑材料时需要考虑这些参数,并根据实际需求进行选择。
本文介绍了一些常用的建筑材料性能计算参数,以及确定这些参数的方法。
实验室测试和理论计算是确定建筑材料性能参数的两种主要方法。
通过对建筑材料性能参数的评估和比较,可以选择出适合特定建筑需求的建筑材料。
常用保温材料的导热系数与蓄热系数计算取值表什么样的保温材料耐高温绝热保温性能好1,绝热保温材料概述根据设备及管道保温技术通则,绝热材料是指在平均温度等于或小于623K(350摄氏度)时,热导率小于0.14W/(m*K)的材料。
绝热材料通常具有质轻、疏松、多孔、导热系数小的特点。
一般用来防止热力设备及管道热量散失,或者在冷冻(也称普冷)和低温(也称深冷)下使用,因而在我国绝热材料又称为保温或保冷材料。
同时,由于绝热材料的多孔或纤维状结构具有良好的吸声功能,因而也被广泛应用于建筑行业。
1.1分类方法绝热材料种类繁多,一般可按材质、使用温度、形态和结构来分类。
按材质可分为有机绝热材料、无机绝热材料和金属绝热材料三类。
热力设备及管道用的保温材料多为无机绝热材料。
这类材料具有不腐烂、不燃烧、耐高温等特点。
例如:石棉、硅藻土、珍珠岩、玻璃纤维、泡沫玻璃混凝土、硅酸钙等。
普冷下的保冷材料多用有机绝热材料,这类材料具有极小的导热系数、耐低温、易燃等特点。
例如:聚苯乙烯泡沫塑料、聚氯乙烯泡沫塑料、氨酯泡沫塑料、软木等。
按形态又可分为多孔状绝热泪盈眶材料、纤维状绝热泪盈眶材料、粉末状绝热和层状绝热材料四种。
多孔状绝热材料又叫泡沫绝热材料,具有质量轻、绝热性能好、弹性好、尺寸稳定、耐稳性差等特点。
主要有泡沫塑料、泡沫玻璃、泡沫橡胶、硅酸钙、轻质耐火材料等。
纤维状绝热材料可按材质分为有机纤维、无机纤维、金属纤维和复合纤维等。
在工业上用作绝热泪盈眶材料的主要是无机纤维,目前用得最广的纤维是石棉、岩棉、玻璃棉、硅酸铝陶瓷纤维、晶质氧化铝纤维等。
粉末状绝热材料主要有硅藻土、膨胀珍珠岩及其制品。
这些材料的原料来源丰富,价格便宜,是建筑和热工设备上应用较广的高效绝热材料。
1.2性能指标和一般选用原则(1)导热系数:作为绝热泪盈眶材料,导热系数应越小越好,一般应选用导热系数小于0.14W/m*K,作为保冷的绝热材料,对导热系数的要求更高。
常用建筑材料的热工指标1.砖:砖是建筑中常用的墙体材料,其导热系数通常在0.5-1.0W/(m·K)之间。
砖的吸热性能较强,并能长时间保持热量,被广泛应用于保温和节能的需求。
2.水泥:水泥是建筑中常用的混凝土材料,其导热系数通常在1.0-1.5W/(m·K)之间。
水泥的吸热能力较差,但具有较好的保温性能。
3.木材:木材是建筑中常用的结构材料,其导热系数较低,通常在0.12-0.25W/(m·K)之间。
木材具有良好的吸热性能和保温性能,被广泛应用于建筑、装饰和家具制造等领域。
4.聚苯乙烯(EPS):EPS是一种常用的保温材料,其导热系数通常在0.03-0.04W/(m·K)之间。
EPS具有良好的保温性能和吸热性能,被广泛应用于外墙保温、屋顶保温和地板保温等。
5.玻璃纤维:玻璃纤维是一种常用的隔热材料,其导热系数通常在0.03-0.05W/(m·K)之间。
玻璃纤维具有较好的保温性能和吸热性能,广泛应用于隔热、隔音和防火等领域。
6.聚氨酯:聚氨酯是一种常用的保温材料,其导热系数通常在0.02-0.04W/(m·K)之间。
聚氨酯具有良好的保温性能和吸热性能,被广泛应用于屋顶保温、墙体保温和地板保温等。
7.锂云母:锂云母是一种具有良好的隔热性能的材料,其导热系数较低,通常在0.03-0.08W/(m·K)之间。
锂云母具有良好的保温性能和吸热性能,广泛应用于建筑隔热和高温隔热等领域。
8.聚乙烯薄膜:聚乙烯薄膜是一种常用的建筑水蒸气隔离材料,其导热系数较低,通常在0.04-0.06W/(m·K)之间。
聚乙烯薄膜具有较好的防潮和防水性能,并能起到有效的保温效果。
总之,常用建筑材料的热工指标在导热性能、吸热性能和保温性能等方面有所差异。
根据建筑需求和环境条件的不同,选择适合的材料可以提高建筑的热工性能,实现节能和保温的目标。
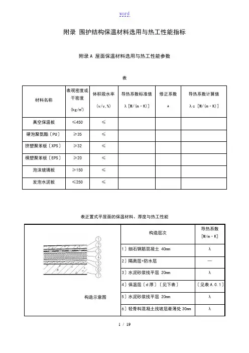
附录围护结构保温材料选用及热工性能指标附录A 屋面保温材料选用及热工性能参数A.0.1屋面保温材料主要性能指标应符合表A.0.1的要求表A.0.1屋面保温材料的主要性能指标A.0.2正置式屋面的保温材料、厚度及热工性能按表A.0.2-1、表A.0.2-2确定构造示意图12345671A.0.2-2正置式坡屋面的保温材料、厚度及热工性能构造示意图1 2 3 4 5 6 7A.0.3倒置式屋面的保温材料、厚度及热工性能按表A.0.3-1、表A.0.3-2确定A.0.3-1倒置式平屋面的保温材料、厚度及热工性能构造示意图1 2 3 4 5 6注:倒置式屋面保温层的设计厚度按计算厚度增加25%;A.0.3-2倒置式坡屋面的保温材料、厚度及热工性能构造示意图123456A.0.4倒置式屋面采用B1级保温材料时,应按住宅单元设置防火隔断墙,防火隔断墙为厚度不小于100 mm的不燃烧体,应从屋面板砌至高出屋面完成面不小于250mm;防火隔断墙可利用住宅单元分隔墙延伸至屋面以上,高度不小于250mm;防火隔断墙之间的屋顶面积不应大于300㎡,当屋面面积大于300㎡时,应增设一道防火隔断墙;防火隔断墙的泛水构造应符合屋面防水技术规范要求。
图A.0.4 屋面防火隔断墙示意图3附录B 外墙保温材料选用及热工性能参数B.0.1 保温材料主要性能指标应符合表B.0.1的要求表B.0.1外墙内保温材料的主要性能指标能参数取自上海市地方标准《保温装饰复合板墙体保温系统应用技术规程》DG/TJ08-2122-2013表B.0.5B.0.2全装修房外墙内保温的装饰面层由装修设计确定,内保温的构造组成应符合表B.0.2的规定,构造示意图(本图仅供示意,非节点详图)1) 2) 3 4 5构造做法见《外墙内保温工程技术规程》JGJ/T261-20112、保温材料采用硬泡聚氨酯时,应采用板材或硬泡聚氨酯龙骨固定内保温系统3、岩棉、硬泡聚氨酯龙骨固定内保温系统的基本构造详见《外墙内保温工程技术规程》JGJ/T261-2011表6.6.1,并应符合《外墙内保温工程技术规程》JGJ/T261-2011第6.6节的规定。
中国建筑科学研究院软件所节能中心
导热系数的修正系数取值问题
建筑保温材料的热工设计计算应当采用计算值,因此在节能设计时,我们需要考虑保温材料在不同情况下的修正系数,保温材料的计算修正系数,可参照现行的国家《民用建筑热工设计规范》(GB50176)或者上海市工程建设规范《住宅建筑围护结构节能应用技术规程》
注:1、坡屋面(I型)为瓦材钉挂无细石混凝土整浇层构造类型。
2、其他地区(除上海以外)或围护结构采用特殊施工工艺情况的修正系数取值请参见地方实施细则。
电话:(021)53964607 53964581 传真:53964839 Email:chec@
地址:上海市打浦路88号海丽大厦19楼。
常用材料热工性能取值
附件:
湖南省建筑节能常用材料热物理性能参数取值表(试行)
二、常用保温材料
说明:
1、本参数取值表主要参考了以下标准规范:《湖南省公共建筑节能设计标准》DBJ43/003-2010、《湖南省居住建筑节能设计标准》DBJ43/001-2004、《民用建筑热工设计规范》GB50176-93、《外墙外保温工
程技术规程》JGJ144-2004、《外墙内保温工程技术规程》JGJ/T261-2011、《轻骨料混凝土多孔砖建筑技术规程》DBJ43/T003-2009、《蒸压加气混凝土砌块建筑技术规程》DBJ43/T001-2012、《陶粒混凝土小型空心砌块与陶粒混凝土砖建筑技术规程》DBJ43/T001-2009、《无机轻集料砂浆保温系统技术规程》JGJ/253-2011、《屋面工程技术规范》GB50345-2012、《倒置式屋面工程技术规程》JGJ230-2010、《屋面保温隔热用泡沫混凝土》JC/T2125-2012、《泡沫混凝土》JG/T266-2011等。
2、表中未注明修正系数的,按《民用建筑热工设计规范》GB50176-93附录四附表4.2确定。
九、外窗(包括透明幕墙和透明外门)
外窗(包括透明幕墙和透明外门)的热物理性能参数包括传热系数和遮阳系数两项,应按照《湖南省公共建筑节能设计标准》(DBJ 43/003-2010)附录D常用外窗及幕墙热工性能参数取值。
这里要注意《公共建筑节能设计标准》和《居住建筑节能设计标准》中遮阳系数的计算方法是不同的,对于居住建筑,其外窗遮阳系数的取值为:
居建遮阳系数取值=公建遮阳系数取值×窗框遮挡系数
窗框遮挡系数,金属窗取0.8,塑钢、木窗取0.7。