普通车工评分标准(项目一)
- 格式:doc
- 大小:28.00 KB
- 文档页数:1
湖北车工考核标准最新湖北车工考核标准最新湖北车工考核标准是用于评估车工工作能力和绩效的一套评定方法。
随着汽车工业的快速发展,车工的技能和效率对于企业的生产效益和竞争力至关重要。
因此,制定科学合理的考核标准对于提高车工的工作质量和效率是非常必要的。
首先,湖北车工考核标准需要评估车工的技术能力。
技术能力是衡量车工水平高低的重要指标之一。
车工需要精通常见的车削、镗削、钻削等加工工艺,并能熟练操作各种车床设备。
此外,车工还要具备良好的工艺分析和问题解决能力,能够根据零部件的要求合理选择加工工艺,并能及时处理加工中遇到的问题。
其次,车工考核标准需要评估车工的生产效率。
生产效率是衡量车工工作绩效的关键指标。
车工需要能够在规定的时间内按照要求完成一定数量和质量的加工任务。
同时,车工还需要具备良好的逻辑思维和时间管理能力,能够根据加工任务的复杂程度和工艺要求合理安排时间,并能有效地组织工作,提高工作效率。
另外,车工考核标准还需要评估车工的质量控制能力。
质量是产品的生命,也是企业的生存之本。
车工需要能够根据图纸和工艺要求进行精确的加工,确保加工件的尺寸和表面粗糙度符合要求。
同时,车工还需要具备良好的观察和判断能力,能够及时发现和处理加工中出现的质量问题,并能采取有效措施防止类似问题的再次发生。
最后,车工考核标准还需要评估车工的团队合作意识和自我学习能力。
在现代企业中,团队合作和不断学习是车工必备的素质。
车工需要具备良好的沟通和协调能力,能够与其他工种的员工合作,共同完成加工任务。
此外,车工还需要具备自我学习的意识和能力,不断学习新的加工工艺和设备操作技术,提高自己的技能水平。
总之,湖北车工考核标准最新的一套评定方法,旨在全面评估车工的技术能力、生产效率、质量控制能力和团队合作意识。
通过科学合理的评估,可以促进车工的综合素质提升,进而提高企业的生产效益和竞争力,推动整个汽车工业的发展。
要求40分钟内完成,满分100分
1.加工过程满分30分;
要求一边用钢锯加工、一边用扁铲加工、一边用锉刀加工,有一条边未按要求加工的扣10分。
2.三条边尺寸满分30分;
三条边每条边的尺寸误差在±0.5内得满分,有一条边超差的扣10分。
3.加工表面粗糙度满分30分;
三条加工面的表面粗造度,锉刀加工面粗糙度要求达到3.2 、扁铲加工面粗糙度要求达到6.3、钢锯加工面粗糙度要求达到12.5,有一面未达到表面粗糙度扣10分。
4.工具使用满分10分;
在加工过程中能够做到正确使用工具的得满分,有一样工具受到损坏扣5分。
要求30分钟内完成,满分100分
1.有公差要求的尺寸满分20分;
即¢24±0.02、¢20±0.02,有一个未达到要求的扣10分。
2.加工的螺纹满分20分;
如果螺纹与正常M20螺母用手能正常旋入得满分,过松或过紧、扣5分,如果M20螺母用手不能旋入扣10分。
3.表面粗糙度要求满分20分;
即有表面粗糙度要求的表面,圆柱面或锥形面有一面未达到粗糙度要求的扣10分。
4.没有尺寸公差要求的尺寸能保证误差在±1内得满分20分;
即要求锥面长度20,和螺纹长度25,如有一项未误差未在±1内的扣10分。
5.要求加工倒角满分10分;
有一个倒角未加工的扣5分。
6.在加工过程中有损坏刀具的扣10分。
汽车驾驶技能操作评分标准(评分表)
1. 背景
汽车驾驶是一项需要技能和经验的活动,评估司机的驾驶技能和操作水平对确保交通安全至关重要。
为了提供客观和一致的评分依据,本评分标准被制定出来。
2. 评分标准
3. 使用说明
- 评分标准根据每个评分类别的驾驶技能和操作水平制定出来。
- 每个评分类别都有一个对应的分值范围,根据司机的实际表
现进行评分。
- 每项评分标准应该严格按照实际表现进行评判,确保评分客观准确。
- 最后通过计算各项评分的总和,得出司机的总得分。
4. 结论
本评分标准可以作为评估司机驾驶技能和操作水平的依据,促进交通安全和提高驾驶员的驾驶水平。
同时,评分标准需要得到合理使用和严格执行,以确保评分的公正性和准确性。
---
*注意:本评分标准仅供参考,实际使用时应根据具体情况进行调整和完善。
*。
汽车修理工考核办法及评分标准汽车修理工考核办法及评分标准项目一在无记号情况下更换汽油机正时齿形带(一)1.竞赛方式:以赛形式,完成2.竞赛要求:在规定时间内完成,现场清理工作。
:材料的准备是否齐全;是否正确;符合及要求(4)施工过程中是否规范(5)规定时间内完成。
二)材料准备序号名称型号及规格数量 1 桑塔纳发动机 JV汽油机 1台(2)材料准备(单工位)序号名称型号及规格数量 1 正时皮带 JV汽油机 1根 2 毛巾 1条(3)工、用具准备(单工位)序号名称型号及规格备注 1 开口扳手 1套比赛场地准备 2 梅花扳手 1套比赛场地准备 3 套筒 1套比赛场地准备 4 活动扳手 12吋比赛场地准备 5 螺丝刀+、-字比赛场地准备 6 内六扳手 6mm 比赛场地准备 7 扭力扳手 100N.m 比赛场地准备 8 火花塞套筒 1 比赛场地准备 9 弹性挡圈钳 1 比赛场地准备2、竞赛操作规定及说明1)操作程序说明:(1)准备工作;(2)拆下正时皮带;(3)校正正时,安装正时皮带,调整松紧度;(4)安装附件,校正点火正时;(5)清理场地。
2)竞赛规定说明:(1)如操作违章或未按操作程序执行操作,将停止竞赛;(2)竞赛将采取百分制。
(3)方式说明:该项目为实际操作,过程按评分标准及操作过程进行评分汽车修理工竞赛操作技能考核评分记录表考核时间:20min工位号项目名称项目一:在无记号情况下更换汽油机正时齿形带起止时间:开始时间时分秒结束时间时分秒用时分秒序号考核内容评分要素配分评分标准检测结果扣分得分备注 1 拆卸附件拆卸发电机、水泵皮带和带轮 5 操作方法正确 2 拆下正时皮带拆下正时皮带下护罩,旋松张紧轮,取下正时皮带 5 取下正时皮带外壳、旋松张紧轮拆下正时皮带更换3 安装正时皮带检查涨紧轮轴承 5 检查方法正确校正曲轴位置 20 位置正确校正分电器位置 10 位置正确检查新正时齿形带 5 检查方法正确校正凸轮轴正时齿形带轮位置并安装正时齿形带;调整并检查正时皮带松紧度 25 位置正确、松紧度正确、检查方法正确 4 安装附件检查点火正时装回正时皮带罩,安装带轮、皮带,紧固曲轴及水泵带轮并调整其松紧度. 15 操作方法正确检查点火正时 5 操作方法正确 5 清理场地清理场地,收工具 5 未收、少收工具从总分中扣3分;场地不清洁从总分中扣5分 6 安全文明操作工具使用正确、无违反安全操作规定每违反一项规定从总分中扣5分;严重违规取消考核 7 考核时限在规定时间内完成到时停止操作考核合计 100裁判员:时间:年月日项目二:起动机故障诊断与排除(一)1.竞赛方式:以赛形式,完成2.竞赛要求:在规定时间内要求选择好所需设备、材料及工具;正确使用检测设备和工具;按操作规范用蓄电池或万用表检测起动机的性能,判断故障部位,解体起动机进行检测与维修,装复后进行空转实验,要求快速而准确的完成工作。
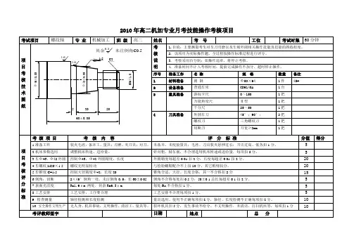
车工技能考核鉴定标准
(车削螺纹轴)
一、工件图样
二、车削步骤
1、用三爪自定心卡盘夹持坯料外圆,伸出长度不少于80mm。
外圆见光至卡盘
处,车端面见光,钻中心孔。
2、掉头夹持已车削部分外圆,找正夹牢。
车端面截总长至尺寸。
钻中心孔,车外圆成φ43,
长度10mm。
3、调头采用一夹(夹φ43外圆)一顶方法,粗车φ42长120mm,外圆留2mm精车余量。
4、粗车φ36,长度为79mm,外圆留2mm精车余量。
,长度为14mm,外圆留2mm精车余量。
5、粗车φ260
-
033
.0
6、精车φ42(保证长度达40mm,以便下道工序找正时用)至尺寸。
7、精车φ36至尺寸。
至尺寸。
8、精车M36外圆及φ260
-
.0
033
9、车槽10
φ至尺寸,倒角15°及C1成形。
26⨯
10、粗车、精车M36×2至尺寸。
11、调头垫铜皮夹φ42外圆,伸出长度40mm左右,找正夹牢。
粗车、精车 1∶10圆锥至
尺寸。
12、钻头、粗车、精车内孔φ25至尺寸。
13、孔口倒角C1成形。
三、评分标准
考评教师:和分教师:考评时间:。
煤矿(车工)操作作业实操考核评分细则(专业部分)姓名单位准考证号考核成绩考核项目考核时间标准分考核内容及要求得分扣分口头问答题30分钟10分1、切削液的主要作用是什么?答:切削液又称冷却润滑液,主要用来降低切削温度和减少摩擦。
此外,还有冲去切屑的清洗作用,从而延长刀具的使用寿命和提高表面的质量。
10分2、什么是背吃刀量、进给量和切削速度?答:工件上已加工表面与待加工表面之间的垂直距离叫背吃刀量。
工件每转一转,车刀沿进给方向移动的距离叫进给量。
切削速度是主运动的线速度10分3、偏移尾座法车圆锥面有哪些优缺点?适用在什么场合?答: 偏移尾座法车圆锥面的优点是:可以利用车床自动进给,车出的工件表面粗糙度值较小,并能车较长的圆锥。
缺点是:不能车锥度较大的工件,中心孔接触不良,精度难以控制。
适用于加工锥度较小,长度较长的工件。
10分4,车螺纹时,产生扎刀是什么原因?答:(1)车刀前角太大,中滑板丝杠间隙较大。
(2)工件刚性差,而切削用10分5、卧式车床有哪些主要部件组成的?答:卧式车床由床身、主轴箱溜板箱及滑板刀架进给箱、挂轮箱及尾座6大部分组成.10分6、怎样合理使用车刀?答(1)根据车削加工内容不同,选择合适类型的车刀.(2)根据加工材料、加工特点和加工要求,正确地选择刀具材料,合理选择车刀的几何形状和角度.(3)要合理选择切削用量.对切削速度、切削深度和进给量要根据具体情况综合考虑,全面衡量,恰当选择,不要单纯追求高速转速切削.车刀装夹时,刀杆不要从刀架伸出太长,尽可能短些.车刀刀尖应对准工件中心,刀垫要平整,要用两个紧固螺钉紧固.(4)车削过程中,若发现车刀磨损变钝,要及时刃磨或换刀,不能凑合着使用,以免造成刀刃崩刃或打刀.10分7、如何正确使用麻花钻在车床上进行钻孔?答:(1)钻头在尾座内要准确定心;(2)钻直径大的孔时,不宜一次钻出。
(3)钻深孔时,必须经常退出钻头,清理切屑;(4)对钢料钻孔,必须有充分的切削液;(5)将把孔钻透时,应慢摇进给手柄减少进给量。
普通车工技能达标考核项目一、初级任务一、锥度工件一、准备清单1、考场准备(1)CL6140普通车床(2)φ45x78mm圆柱棒料、材料45#钢(3)磨刀砂轮机。
2、考生准备工作服一套、带函数计算器、笔等。
序号名称型号数量1 90°外圆车刀自定2 切槽刀3×15自定3 外径千分尺0.01/25~50 14 游标卡尺0.02/0~200 15 百分表 16 磁性表座 17 车刀垫铁片若干8 常用工具、铜棒和铜皮自选自定9 卡盘扳手 110 刀架扳手图1三、加工步骤1、刀具安装。
2、工件装夹。
3、车削工件右边至φ42外圆,车削长度46mm。
4、车削φ34外圆,车削长度25mm。
5、车削φ30外圆,车削长度22mm。
6、车削4x2mm槽。
7、车削φ32槽。
8、掉头,装夹位置是φ42外圆。
9、车削φ34外圆,车削长度28mm。
10、车削最左边的外圆。
11、调整小托盘,车削24°锥度。
四、注意事项1、刀具的刀尖高度必须与工件的中心高度相同,否则会导致工件端面切不到的情况。
2、切槽的时候转速必须打低,进刀速度要慢,否则会导致刀具爆废。
3、粗加工的时候进给速度要尽量快,提高效率,但是精加工的时候进给速度必须慢,否则工件表面粗糙度不能保证。
4、重点保证工件的尺寸。
五、工件加工质量评分表1、普通车床技能考试总成绩表六、相关知识同轴度:同轴度:是定位公差,理论正确位置即为基准轴线.由于被测轴线对基准轴线的不同点可能在空间各个方向上出现,故其公差带为一以基准轴线为轴线的圆柱体,公差值为该圆柱体的直径,在公差值前总加注符号“φ”.同轴度公差:是用来控制理论上应同轴的被测轴线与基准轴线的不同轴程度。
同轴度误差:被测轴线相对基准轴线位置的变化量.简单理解就是:零件上要求在同一直线上的两根轴线,它们之间发生了多大程度的偏离,两轴的偏离通常是三种情况(基准轴线为理想的直线)的综合——被测轴线弯曲、被测轴线倾斜和被测轴线偏移。
车工初级考证评分标准一、理论知识考核。
1. 对车工基本知识的掌握程度(满分10分)。
考核内容,车床的结构、工作原理、操作规程等。
评分标准,能够准确描述车床的结构和工作原理,熟练掌握操作规程,得分10分;存在部分错误或不熟练,得分5-9分;基本不掌握,得分0-4分。
2. 对车工工艺的理解和掌握(满分10分)。
考核内容,车工常用工艺、车刀的选择和使用、车削工艺参数等。
评分标准,能够准确描述车工常用工艺,熟练选择和使用车刀,熟练掌握车削工艺参数,得分10分;存在部分错误或不熟练,得分5-9分;基本不掌握,得分0-4分。
二、操作技能考核。
1. 车削零件的质量和精度(满分20分)。
考核内容,车削零件的尺寸精度、表面光洁度等。
评分标准,车削零件尺寸精度和表面光洁度符合要求,得分20分;存在部分不符合要求,得分10-19分;质量较差,得分0-9分。
2. 车床操作的熟练程度(满分20分)。
考核内容,操作车床的熟练程度、操作规程的执行情况等。
评分标准,能够熟练操作车床,严格执行操作规程,得分20分;存在部分不熟练或违反规程,得分10-19分;操作不熟练,得分0-9分。
三、安全生产考核。
1. 安全操作意识和安全措施的执行情况(满分15分)。
考核内容,安全操作意识、安全防护措施的执行情况等。
评分标准,能够严格执行安全操作规程,具有良好的安全操作意识,得分15分;存在部分违反规程或安全操作意识不强,得分7-14分;安全意识较差,得分0-6分。
2. 突发情况处理能力(满分15分)。
考核内容,突发情况的处理能力和应急措施的执行情况等。
评分标准,能够迅速、有效地处理突发情况,严格执行应急措施,得分15分;存在部分不当处理或未能有效执行应急措施,得分7-14分;处理不当,得分0-6分。
综上所述,车工初级考证评分标准主要包括理论知识考核、操作技能考核和安全生产考核三个方面。
在考核过程中,考官将根据考生的表现进行评分,以此来评定考生是否达到车工初级考证的标准。
机械类—车工操作考试评分标准车工操作考试评分标准由工件质量和职业素养(现场操作规范)两部分组成,总分为工件质量分与职业素养(现场操作规范)分之和。
一、工件质量评分标准1. 工件质量分的配分公布的工件质量评分标准(评分样表)中每一项评分项目(对应试题加工表面特征类型)为一个配分值区间;考试使用的工件质量评分标准中每一项评分项目(对应试题图样标注要素)为一个确定的配分数值。
2. 工件质量分的评定考试结束后由评定人员测量工件各评分项目的实际要素,填写检测结果,根据评定标准评定该项目的得分,各项得分之和即为工件质量分。
二、职业素养(现场操作规范)评分标准在考试过程中由评定人员按现场操作规范评定,单项分值按评分标准扣完为止。
若出现否决项则职业素养(现场操作规范)评分总分按零分计。
三、考试时间及考试停止操作考试时间150分钟包括工件加工与交卷、考试结束前的工位清理、卫生工作等。
以下情况考生必须立即停止考试:1.考评人员指出考生严重违反安全操作规程。
2. 考试时间结束。
3.发生重大安全事故,终止考试。
四、考试说明1.考件材料和考试所使用的设备由考点统一准备。
2.考试所使用的工、刀、量、辅具等由考点统一准备。
3. 公布的考场准备单样表为考生考前培训参考用,正式的考场准备通知单根据考点实际情况可能略有调整,不再公布。
4.考试过程中如发生因考生操作失误引起设备损坏情况,设备维修费用由参加考试的学校和学生共同承担,社会考生则由考生本人承担。
5.考试中考生使用的劳保用品(工作服、防护眼镜、三防安全鞋)由考生自行准备。
机械类—车工准备通知单(样表)一、材料准备二、设备准备三、工、刀、量、辅具准备清单(未注计数单位按每台车床)机械类—车工现场操作规范评分表准考证号考试场次工位号机械类—车工工件质量评分表(样表)。
普通车工中级操作技能考核图纸及评分标准(呈报)考件编号: 姓名: 准考证号: 单位:(1)、本题分值:100分;(2)、考核时间:180 分钟;(3)、具体考核要求:按工件图样完成加工操作;(4)、图纸考件编号: 姓名: 准考证号: 单位:职业技能鉴定普通车工中级工实际操作试题(A)考件编号姓名准考证号单位(1)操作技能考核总成绩表(2)现场操作规范评分表(3)工序制定评分表(4)工件质量评分表轴轴2 ø021.0024- 3 每超差0.01扣1分3 ø0025.038- 3 每超差0.01扣1 分4 ø003.024- 3 每超差0.01扣1分5 ø003.042- 3 每超差0.01扣1分6 1.0012+ 2 超差无分7 01.010- 2 超差无分8 005.040- 2 超差无分9 02.0116- 1 超差无分10 ø0649.025-小径 2 每超差0.01扣1 分11 ø119.0425.029--中径 6 每超差0.01扣1 分12 ø0039.032-大径 2 超差无分13 T32×6牙形角 1 不符无分14M20×1.5-6g大径1 起差无分15M20×1.5-6g中径3 起差无分16M20×1.5-6g牙形角2 不符无分17 ø24 0.5 超差无分18 1:5 2 超差无分19 2 超差无分20 倒角3处 3 不符无分21 锐边倒棱5处3.5 不符无分22表面粗糙度Ra1.6(4处)6 降级无分23 其余Ra3.21 降级无分24 螺纹侧面(两处)6 降级无分其他25 2 超差无分26安全文明生产5违反扣总分5分/次考评员:年月日核分人:年月日(1)材料准备(2)设备准备(3)考场准备(4)考场安全普通车工中级工实际操作考试考生(场)准备单(B)。