五金加工工艺流程表
- 格式:xls
- 大小:29.00 KB
- 文档页数:2
五金加工主要的技术工艺流程及工艺介绍1. 设计与规划五金加工的第一步是进行设计与规划,包括产品设计、材料选择、工艺路线确定等。
这个阶段需要与客户进行沟通,了解其需求,并根据需求进行产品设计。
同时,还需要考虑到材料的物理特性、成本以及生产效率等因素,制定合理的工艺路线。
2. 材料准备在开始加工之前,需要对所使用的材料进行准备。
首先是选择合适的原材料,根据产品要求选择不同种类和规格的金属材料。
然后对选定的材料进行切割和整理,以便后续加工使用。
3. 加工方式选择根据产品的形状和要求,选择合适的加工方式。
常见的五金加工方式包括冲压、铸造、锻造、焊接、机械加工等。
不同的加工方式适用于不同类型和形状的产品。
3.1 冲压冲压是通过模具将金属板材或带状材料在冲床上进行一系列冲击、拉伸和弯曲等变形操作来实现加工的一种方式。
冲压加工可以高效地生产大批量、高精度的零部件,广泛应用于汽车、电子、家电等行业。
冲压工艺流程包括以下几个步骤:•材料切割:将金属板材按照尺寸要求进行切割,通常使用剪板机进行操作。
•模具设计与制造:根据产品的形状和尺寸要求,设计制造合适的冲压模具。
•冲压操作:将切割好的金属板材放置在冲床上,通过模具进行冲击、拉伸和弯曲等操作,使其变形成所需形状。
•去毛刺与清洗:对冲压后的零部件进行去毛刺处理,并进行清洗以去除表面的污垢。
•表面处理:根据产品要求,对零部件进行表面处理,如喷涂、镀铬等。
3.2 铸造铸造是将熔化的金属或合金倒入模具中,并在其凝固后获得所需形状和尺寸的工艺。
铸造加工适用于制作复杂形状或大型零件。
铸造工艺流程包括以下几个步骤:•模具设计与制造:根据产品的形状和尺寸要求,设计制造合适的铸造模具。
•材料熔化:将所选材料加热到其熔点以上,使其完全熔化为液态。
•浇注:将熔化的金属或合金倒入模具中,在其凝固后获得所需形状和尺寸的零件。
•清理与整理:对铸造后的零件进行去毛刺和修整,以获得平整的表面和精确的尺寸。
五金工艺流程五金工艺是一种通过金属材料加工制造出各种金属制品的工艺。
五金制品广泛应用于建筑、机械、汽车、家具等领域,因此五金工艺流程的质量和效率对产品质量和生产效率有着重要的影响。
下面将介绍五金工艺的流程及其关键步骤。
1. 设计阶段。
五金工艺的流程首先从产品设计阶段开始。
在这个阶段,设计师需要根据产品的功能和外观要求,绘制出产品的详细图纸。
这些图纸包括产品的尺寸、形状、结构等信息,为后续的加工和制造提供了基础。
2. 材料准备。
在确定了产品的设计图纸后,接下来就是材料的准备。
五金制品通常采用钢铁、铝合金、铜等金属材料,因此在这个阶段需要选择合适的材料,并进行切割和成型。
材料的选择和加工质量直接影响着产品的最终质量。
3. 加工制造。
加工制造是五金工艺的核心步骤,包括铸造、锻造、冲压、焊接、切割、钻孔、磨削等工艺。
在这个阶段,需要根据产品的设计图纸,采用相应的加工工艺对材料进行加工,形成产品的各个零部件。
4. 表面处理。
表面处理是五金制品的重要环节,包括喷涂、镀层、抛光等工艺。
通过表面处理,可以提高产品的耐腐蚀性能、美观度和使用寿命,使产品具有更好的外观和性能。
5. 装配。
在所有零部件加工完成后,需要进行产品的装配。
这包括将各个零部件按照设计要求进行组装,检查产品的功能和外观,确保产品的质量和性能达到要求。
6. 检测与质量控制。
在五金工艺流程的每个阶段,都需要进行产品的检测与质量控制。
通过各种检测手段,如尺寸测量、材料成分分析、力学性能测试等,确保产品的质量符合标准要求。
7. 包装与出厂。
最后一个环节是产品的包装与出厂。
在这个阶段,需要为产品选择合适的包装材料,进行包装,标识产品的相关信息,并最终将产品出厂,交付给客户。
总结。
五金工艺流程是一个复杂的制造过程,涉及到多个环节和工艺。
只有严格遵循每个环节的要求,严格控制每个工艺的质量,才能保证产品的质量和性能达到要求。
同时,不断优化工艺流程,采用先进的设备和技术,也能提高产品的生产效率和降低生产成本。
五金加工的主要技术工艺流程及介绍五金加工是制造行业中常见的一项技术,它包括了许多不同的工艺流程。
本文将介绍五金加工的主要技术工艺流程,并探讨每个工艺流程的重要性和应用领域。
一、铸造铸造是五金加工中最常用的工艺流程之一。
它是通过将熔化的金属或合金倒入预先制作好的模具中,使其凝固并形成所需的形状。
铸造工艺流程包括制模、熔炼、浇注、凝固和清理等步骤。
铸造的优点是可制造出复杂的几何形状,适用于生产大批量的零部件。
二、锻造锻造是通过将金属加热至可锻造温度后施加外力使其变形的一种工艺流程。
锻造可以分为冲压锻造、自由锻造和模压锻造等。
锻造工艺流程能够提高材料的强度和硬度,广泛应用于制造具有高强度要求的零部件,如汽车发动机曲轴、飞机零件等。
三、切削切削是将金属材料从工件上去除,形成所需形状的一种工艺流程。
常见的切削方法包括铣削、车削、钻削等。
切削工艺流程通常需要使用切削工具,如铣刀、车刀等。
切削加工具有高精度、高效率的特点,适用于制造精密零件,如机械零件、汽车零件等。
四、焊接焊接是将两个或多个金属零件通过熔化它们的接触面并填充金属材料,使它们永久连接在一起的一种工艺流程。
焊接可以分为电弧焊、气体保护焊、激光和电子束焊等多种方式。
焊接工艺流程可以用于制造大型结构、管道、容器等。
五、塑性成形塑性成形是通过将工件置于一定的应力和应变条件下,使其发生可逆形变,从而得到所需形状的一种工艺流程。
塑性成形包括冷镦、冷挤压等多种方法。
塑性成形工艺流程广泛应用于制造薄板、线材等形状复杂的零件。
总结回顾:五金加工是制造行业中常见的一项技术,它包括铸造、锻造、切削、焊接和塑性成形等多种工艺流程。
每种工艺流程都有其独特的应用领域和优势。
铸造适用于生产大批量的复杂零部件,锻造可提高材料的强度和硬度,切削加工具有高精度和高效率,焊接可将金属零件永久连接在一起,而塑性成形工艺流程适用于制造形状复杂的零件。
了解五金加工的不同技术工艺流程,有助于我们更全面、深刻地理解这一领域。
五金模具加工工艺流程
五金模具加工工艺流程可以分为以下几个步骤:设计、加工制造、组装和调试。
首先是设计阶段。
在这个阶段,根据客户的需求和产品的要求,设计师将通过CAD(计算机辅助设计)软件绘制出模具的三
维模型。
设计师会考虑到产品的形状、尺寸、材料以及生产工艺等因素,确保模具能够满足生产要求。
接下来是加工制造阶段。
在这个阶段,首先需要选择合适的材料进行加工。
常见的五金模具材料有铝合金、不锈钢和工程塑料等。
根据设计图纸,将材料进行切割、铣削、车削、钻孔等加工工艺,将模具的各个零件加工出来。
在加工过程中需要严格控制每个零件的尺寸和质量,确保模具的精度和可靠性。
然后是组装阶段。
在这个阶段,将已经加工好的各个零件进行组装,形成完整的模具。
组装时需要注意零件的位置和配合度,保证零件之间的连接紧密,并且进行必要的调整和修整。
组装好的模具需要经过严格的检测,确保模具的性能和使用效果。
最后是调试阶段。
在这个阶段,将组装好的模具安装到相应的设备上,进行试模和调试。
试模时需要调整模具的操作参数,确保产品的质量和生产效率。
调试过程中可以发现和解决一些问题,提高模具的使用效果。
总的来说,五金模具加工工艺流程包括设计、加工制造、组装和调试四个阶段。
每个阶段都有自己的要求和步骤,需要严格
控制质量和进度,确保模具的性能和使用效果。
五金模具加工是一个复杂而又关键的工艺,对于产品的质量和生产效率起着重要的影响。
五金生产流程过程及工艺下载温馨提示:该文档是我店铺精心编制而成,希望大家下载以后,能够帮助大家解决实际的问题。
文档下载后可定制随意修改,请根据实际需要进行相应的调整和使用,谢谢!并且,本店铺为大家提供各种各样类型的实用资料,如教育随笔、日记赏析、句子摘抄、古诗大全、经典美文、话题作文、工作总结、词语解析、文案摘录、其他资料等等,如想了解不同资料格式和写法,敬请关注!Download tips: This document is carefully compiled by theeditor. I hope that after you download them,they can help yousolve practical problems. The document can be customized andmodified after downloading,please adjust and use it according toactual needs, thank you!In addition, our shop provides you with various types ofpractical materials,such as educational essays, diaryappreciation,sentence excerpts,ancient poems,classic articles,topic composition,work summary,word parsing,copy excerpts,other materials and so on,want to know different data formats andwriting methods,please pay attention!五金生产是指以金属材料为主要生产对象的工艺流程,其产品广泛应用于建筑、装饰、机械、电子等多个领域。
五金电镀工艺常用表面处理工艺流程镀前处理镀铜工艺镀锌及锌合金工艺锌及锌合金后处理镀镍工艺合金电镀工艺代铬电镀工艺镀锡、银、金工艺镀铬工艺铝合金前处理工艺发黑及古铜色抛光及钝化工艺退镀工艺化学沉镍工艺无电解镍工艺无镍电镀工艺 PCB电镀工艺塑料电镀工艺汽车五金电镀工艺贵金属电镀工艺前后处理电镀工艺常用表面处理工艺流程参考(1)钢铁件电镀锌工艺流程┌—酸性镀锌除油→ 除锈→│→ 纯化→ 干燥└—碱性镀锌(2)钢铁件常温发黑工艺流程┌—浸脱水防锈油││烘干除油→除锈→常温发黑→│ 浸肥皂液──→ 浸锭子油或机油││└—浸封闭剂(3)钢铁件磷化工艺流程除油→除锈→表调→磷化→涂装│ ↑└─────┘(4)铝表面处理工艺流程┌—化学抛光┌—电解着色│││电解抛光│除油→│→ 阳极氧化→ │ → 封闭→ 干燥│ 碱蚀│││└—砂面└—化学染色(5) ABS/PC塑料电镀工艺流程除油→ 亲水→ 预粗化(PC≥50%)→ 粗化→ 中和→ 整面→ 活化→ 解胶→ 化学沉镍→→ 镀焦铜→ 镀酸铜→ 镀半亮镍→ 镀高硫镍→ 镀亮镍→ 镀封→ 镀铬(6) PCB电镀工艺流程除油→ 粗化→ 预浸→ 活化→ 解胶→ 化学沉铜→ 镀铜→ 酸性除油→ 微蚀→→ 镀低应力镍→ 镀亮镍→ 镀金→ 干燥(7)钢铁件多层电镀工艺流程除油→ 除锈→ 镀氰化铜→ 镀酸铜→ 镀半亮镍→ 镀高硫镍→ 镀亮镍→ 镍封→ 镀铬(8)钢铁件前处理(打磨件、非打磨件)工艺流程1、打磨件→ 除蜡→ 热浸除油→ 电解除油→ 酸蚀→ 非它电镀2、非打磨件→ 热浸除油→ 电解除油→ 酸蚀→ 其它电镀(9)锌合金件镀前处理工艺流程除蜡→ 热浸除油→ 电解除油→ 酸蚀→ 镀碱铜→ 镀酸铜或焦磷酸铜→ 其它电镀(10)铝及其合金镀前处理工艺流程┌—化学沉锌→ 浸酸→ 二次沉新→ 镀碱铜或镍→ 其它电镀││ ┌—喷沫─┐除蜡→热浸除油→电解除油→酸蚀除垢→│ 铝铬化→ 干燥│ │→ 烘干或粗化→ 成品│ └—喷粉─┘│└—阳极氧化→ 染色→ 封闭→ 干燥→ 成品(11)铁件镀铬工艺流程:除蜡→ 热浸除油→ 阴极→ 阳极→ 电解除油→ 弱酸浸蚀→┌—预镀碱铜→ 酸性光亮铜(选择)→ 光亮镍→ 镀铬或其它→│└—半光亮镍→ 高硫镍→ 光亮镍→ 镍封(选择)→ 镀铬(12)锌合金镀铬工艺流程除蜡→ 热浸除油→ 阴极电解除油→ 浸酸→ 碱性光亮铜→ 焦磷酸铜(选择性)→→ 酸性光亮铜(选择性)→ 光亮镍→ 镀铬(13)铝合铝合金电镀工艺流程除蜡→ 除油→ 弱腐蚀→ 除垢→ 沉锌→ 脱锌→ 沉锌→ 镀镍→ 其它电镀(14)电叻架及染色工艺流程前处理或电镀→ 纯水洗(2-3次)→预浸→ 电叻架→ 回收→ 纯水洗(2-3次)→ 烘干→ 成品。
五金加工工艺流程
五金加工是指对金属材料进行切削、钻孔、冲压、折弯、焊接等加工方法,制作出所需的零部件或成品。
五金加工工艺流程是将原材料转化为成品的一系列步骤,主要包括以下环节:
1、材料准备:根据工艺要求选择合适的材料,并按照规格要求裁切、研磨、去毛刺等预处理工作。
2、加工工艺设计:根据零部件的形状、尺寸、材料等特点,确定加工工艺路线、切削条件、夹具设计、工序数量等参数。
3、数控编程:对于数控机床加工,需要将加工工艺转化为数控程序,通过计算机软件编写加工程序。
4、机床调试:对于加工过程中所需的设备,需要对机床进行调试,保证设备的性能稳定、精度高。
5、加工过程控制:在加工过程中,需要控制加工条件、工艺参数,保证零部件的质量稳定。
6、产品检测:对于加工完毕的零部件,需要进行产品检测,检查其尺寸、形状、表面质量等指标是否符合要求。
7、组装包装:完成零部件加工后,进行组装和包装,最终形成成品。
- 1 -。
五金工艺流程表下载温馨提示:该文档是我店铺精心编制而成,希望大家下载以后,能够帮助大家解决实际的问题。
文档下载后可定制随意修改,请根据实际需要进行相应的调整和使用,谢谢!并且,本店铺为大家提供各种各样类型的实用资料,如教育随笔、日记赏析、句子摘抄、古诗大全、经典美文、话题作文、工作总结、词语解析、文案摘录、其他资料等等,如想了解不同资料格式和写法,敬请关注!Download tips: This document is carefully compiled by theeditor. I hope that after you download them,they can help yousolve practical problems. The document can be customized andmodified after downloading,please adjust and use it according toactual needs, thank you!In addition, our shop provides you with various types ofpractical materials,such as educational essays, diaryappreciation,sentence excerpts,ancient poems,classic articles,topic composition,work summary,word parsing,copy excerpts,other materials and so on,want to know different data formats andwriting methods,please pay attention!标题:五金工艺流程表详解一、引言五金工艺流程是制造五金产品的重要环节,它涉及到材料准备、加工、检验、包装等多个步骤。
五金制品生产工艺流程五金制品生产工艺流程五金制品是指用金属材料制作的各种工具和零部件,广泛应用于建筑、机械、汽车、电子等领域。
五金制品生产的工艺流程一般包括材料准备、加工制造、表面处理和质量检测等环节。
一、材料准备五金制品生产的首要环节是准备合适的金属材料。
常见的五金材料有铁、铝、钢、铜等。
材料准备包括采购、检验和储存等步骤。
首先,需要根据产品要求选购合适的金属材料,确保材料的质量和规格符合产品要求。
然后进行材料的检验,包括外观、尺寸、硬度等方面的检测,以保证材料的质量。
最后将材料储存到仓库中,做好分类和标识,方便后续的使用。
二、加工制造加工制造是五金制品生产的核心环节。
它包括金属材料的切割、成型、焊接、加工等多个步骤。
首先,根据产品的设计要求,进行金属材料的切割工作。
常用的方法有剪切、切割机、钳工等。
然后进行成型工作,根据产品的形状和结构,采用冲压、铸造、锻造等方法进行成型。
接下来是焊接工作,将不同材料的零部件进行焊接,确保其牢固性和密封性。
最后是对产品进行加工,如铣削、钻孔、螺纹加工等,以保证产品的精度和质量。
三、表面处理表面处理是五金制品生产中不可忽视的环节,它直接关系到制品的外观和使用寿命。
常见的表面处理方法有镀锌、镀铬、喷塑、喷砂等。
首先,根据产品要求进行表面清洗,去除杂质和污垢。
然后进行酸洗、除锈等处理,使表面更加洁净。
接下来进行金属镀层的处理,如镀锌、镀铬等,可以提高制品的抗腐蚀性能。
最后进行喷涂或喷砂处理,使制品表面光滑平整,提高产品的外观质量。
四、质量检测质量检测是五金制品生产的最后一道工序,它的目的是确保产品的质量和性能符合标准。
常见的质量检测方法有外观检查、尺寸测量、硬度测试等。
首先进行外观检查,检查制品的表面有无划痕、气泡、裂纹等缺陷。
接下来进行尺寸测量,测量制品的长度、宽度、高度等尺寸是否符合要求。
最后进行硬度测试,测试制品的硬度值,以确定它的强度和耐久性。
综上所述,五金制品生产的工艺流程包括材料准备、加工制造、表面处理和质量检测等环节。
五金制品精加工工艺流程嘿,朋友!咱们来聊聊五金制品精加工工艺流程这事儿。
你知道吗?五金制品就像我们生活中的小能手,无处不在。
小到一个螺丝钉,大到汽车零件,都离不开精加工这个神奇的过程。
那五金制品精加工到底是咋回事呢?就好比是给一个毛坯房进行精装修。
首先得有个“毛坯”,也就是未加工的五金原材料。
这就像是盖房子的砖头和水泥,是基础中的基础。
然后呢,就是切削加工啦。
这就好像是一位巧匠拿着锋利的刻刀,在原材料上精雕细琢。
把多余的部分去掉,让五金制品逐渐呈现出我们想要的形状。
你说这是不是很神奇?再说说磨削加工吧。
这就好比给一个粗糙的脸蛋儿做个美容,把表面打磨得光滑细腻。
让五金制品的表面变得锃亮,摸起来那叫一个舒服。
还有啊,抛光处理也是必不可少的。
这就像是给一位准备上台表演的明星化妆,让五金制品光彩夺目,吸引众人的目光。
接下来就是表面处理环节啦。
就像给人穿上漂亮的衣服,让五金制品具备防锈、防腐蚀的能力,能够长久地陪伴在我们身边。
在整个工艺流程中,每一个步骤都像是一场精彩的表演。
稍有不慎,可能就会出现瑕疵。
这就好比跳舞的时候踩错了节拍,那可就不好啦!而且,这每一个步骤都需要工人们的精心操作和耐心等待。
就像种庄稼,不能心急,得一步一步来,才能有好收成。
五金制品精加工工艺流程,可不只是简单的机械操作,那是一门艺术!需要有精准的眼光,灵活的手法,还有一颗追求完美的心。
你想想,如果每个环节都马马虎虎,那做出来的五金制品能好用吗?能耐用吗?所以啊,五金制品精加工工艺流程是个精细活儿,得用心,得认真,才能做出让人满意的好东西!这就是我对五金制品精加工工艺流程的看法,你觉得呢?。
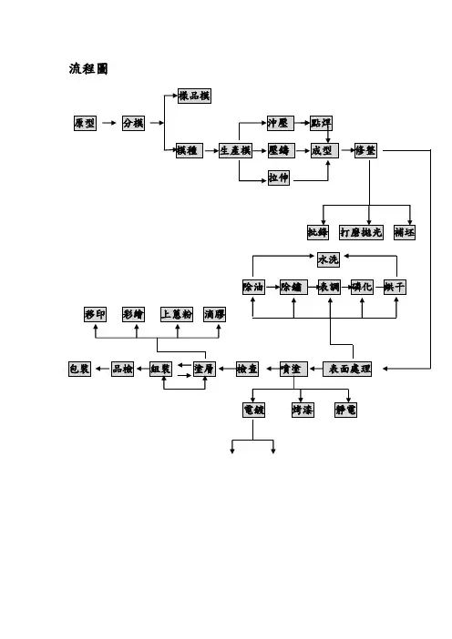
五金模具加工流程_五金模具制作工艺流程及步骤【图文】五金冲压行业的涉及的领域是非常多的,但是对于五金冲压件加工的制作过程一般企业是不会轻易透露的,五金模具的制作不是我们想象中的那么简单,我们必须一步一步的按照流程来做,所以很多朋友想要了解也无从下手,下面深圳机械展的来给大家介绍一下。
五金模具加工流程_五金模具制作工艺流程及步骤一.毛胚材料加工:1.铣六面对角尺(垂直度误差不大于0.1/300),同一付模具材料长宽尺寸一致即可,厚度留0.2mm磨量(需淬火件留0.5mm磨量);棱边倒角。
2.磨上下两平面,(需淬火工件留0.3mm)二.机加工:1.根据图纸分别钻、攻各螺钉牙孔及过孔以及穿丝孔等;2.铣各漏料孔或成形部分;3.热处理后,工件需磨上下两平面及基准边;4.车加工各回转件,公差按图要求。
☆☆所有销钉孔都不能先加工:需热处理的钻穿丝孔,其余都在装配是配钻、铰三.线割:按图纸规定的配合要求线割各个成型部分。
导柱、导套与模架紧配合;冲头与固定板过渡配合;销钉与各孔均为过渡配合。
四.装配:1.先按图装配模架,确保导柱、导套与模架垂直并运动顺畅;2.在模架上先固定凹模,按图纸给定间隙将相应厚度的铜皮均匀地放在凹模周边,再装入凸模,试冲纸片确定四周毛刺均匀后,紧固凸、凹模并配打销钉。
(如果是复合模,还需对好冲头间隙再固定凸、凹模)。
3.之后再装好卸料及顶出机构五.模具整体加工顺序:1.优先加工需要热处理的工件2.其次加工.需要线切割的工件3.然后加工模架部件即上托和底座4.再后加工其它部件。
5.装配、试模五金冲压件加工的制作过程:1、备料:我们首先要根据所在制作的产品选取五金冲压模具钢材物料等,如模柄、脱料板、下模板、上盖板及上公夹、垫板及底板等。
2、进行粗加工:我们用铣床加工平面及侧面加工,一般的加工需要用到公夹板,脱料板,下模板及垫板,底板,上盖板及顶料板等。
3、接着是细加工:细加工是在进行了粗加工后进行的,细加工即用磨床加工平面及四角打直角,细加工是指将公夹板,脱料板,下模板及垫板研磨平面再打直角,再将底板及上盖板研磨平面即可。
金属五金工艺品制作加工工艺工序详情1模具生产根据客户的原图,要求或样板,先做产品的效果图,经客户批准后,正式下单生产。
经过①数控编程②由数字化控制机器完成雕刻③热处理④线割⑤模具组装模具种类①冲压模具(冲剪模、弯曲模、拉伸模、整形模)②锻压模具(上下模、压花模)③复合模具(锻压连冲几个工序一起完成)④压铸模具(平面模、立体模、抽芯模、车牌框模)模具除其本身外,还需要模座、模架、模芯、送料装置,导到处制件顶出装置。
这些部件也叫(机械手)。
一般都是制成通用或电脑控制的。
2冲压加工冲压加工是靠压力机、油压机、锻压机和模具对板材、带材(紫铜片、黄铜片、冷扎铁片、铝片)施加外力,使之产生塑性变形或分离,从而获得所需形状和尺寸的半成品。
冲压成品是第一个工序流程,线条、字母、图案必须清楚完整,尺寸准确。
3压铸压铸是将熔融金属在高压高速下充满铸模,结晶凝固形成产品的过程。
压铸工艺是把压铸机、压铸模、锌合金三大要素有机地组合而加以综合运用的过程。
要做出合格的产品,就必须将压力、速度、温度以及时间等工艺因素得到统一的协调,加上选用优质材料和设计先进的模具。
压铸成品除了线条、字母、图案必须清楚完整,尺寸准确外,还不能有水纹。
4激光切割激光切割是利用经聚集的高功率密度激光束照射工件,使被照射的材料迅速熔化、烧蚀或达到燃点,同时借助与光束同轴的高速气流吹除熔融物质,从而实现将产品切割出来。
5批锋批锋是由于生产工艺追求产品无水纹,加大压力以及模具表面吻合等原因造成的,除批锋一般使用高速钻床装专用铣刀和使用锉刀。
除批锋后成品更加美观。
6焊接和锅针焊针和锅针都是为了佩戴徽章做的,焊针分火焊、锡焊、银焊、铜焊和胶水沾。
锅针是通过钻床模具把针锅再压铸徽章上。
7抛光抛光是利用机械、抛光轮、抛光腊的作用使产品的表面获得光亮。
针对不同材料的产品使用(打沙、软、硬、麻轮、软硬布轮)不同的抛光腊。
抛光后的产品不但有光亮,没有麻点,还应该不变形。
五金件生产工艺流程
《五金件生产工艺流程》
五金件生产工艺流程是指在生产五金件时所需要的各项工艺步骤及流程。
五金件是指具有金属材料制成的零部件,广泛应用于机械设备、建筑工程、汽车制造等领域。
下面将介绍五金件生产的一般工艺流程。
1. 材料采购
五金件生产首先需要进行材料采购。
五金件通常是由钢、铁、铜、铝等金属材料制成,因此供应商必须提供优质的原材料,以确保五金件的质量和性能。
2. 切割
在材料采购后,将金属材料进行切割,以便制成所需尺寸和形状。
切割通常包括剪切、锯割等工艺方法。
3. 成型
在切割后,需要将金属材料进行成型。
成型的工艺方法包括冲压、锻造、铸造等,以将金属材料加工成各种形状。
4. 加工
经过成型后,还需要进行一系列的加工工艺,包括钻孔、铣削、车削等,以确保五金件的精度和表面光洁度。
5. 表面处理
五金件的表面处理非常重要,包括镀锌、喷涂、阳极氧化等,
以提高五金件的防腐性能和美观度。
6. 组装
最后,根据五金件的使用要求,进行组装工艺。
这包括将各个零部件进行拼装、焊接、螺栓连接等工艺。
通过以上工艺流程,五金件生产可以得到高质量、高性能的五金件产品。
每个环节都需要严格控制,以确保产品的质量和稳定性。
五金件生产工艺流程的完善和优化对于提高五金件生产效率和产品质量至关重要。