各种标准法兰尺寸对照
- 格式:doc
- 大小:68.50 KB
- 文档页数:2
| | 各种标准法兰尺寸对照公称通径PN16(GB PN10 (GB - 84) PN6(GB - 84)外圆孔距螺栓孔数外圆孔距螺栓孔数外圆孔距螺栓孔数15 - - - - 95 65 M12 4 - - - -20 - - - - 105 75 M12 4 - - - -25 - - - - 115 85 M12 4 - - - -32 - - - - 140 100 M16 4 - - - -40 150 110 M16 4 150 110 M16 4 130 100 M12 450 165 125 M16 4 165 125 M16 4 140 110 M12 465 185 145 M16 4 185 145 M16 4 160 130 M12 480 200 160 M16 8 200 160 M16 8 190 150 M16 4100 220 180 M16 8 220 180 M16 8 210 170 M16 4 125 250 210 M16 8 250 210 M16 8 240 200 M16 8 150 285 240 M20 8 285 240 M20 8 265 225 M16 8 200 340 295 M20 12 340 295 M20 8 320 280 M16 8 250 405 355 M24 12 395 350 M20 12 375 335 M16 12 300 460 410 M24 12 445 400 M20 12 440 395 M20 12 350 520 460 M24 16 505 460 M20 16 490 445 M20 12 400 580 525 M27 16 565 515 M24 16 540 495 M20 16DIN PN10 \ JIS 10K \ANSI 150LBS 法兰尺寸对照表尺寸1/2"3/4"1"11/4"11/2"2"21/2"3"4"5"6"8"10"12"承插口径DIN2025324050637590110140160225250315 ANSI73JIS2226323848607689114140165216267318螺孔距DIN657585100110125145160180210240295350400 ANSI6070798998121140152191241298362432 JIS7075900100105120140150175210240290355400螺孔数/直径DIN4-144-188-188-2312-23 ANSI4-164-198-198-2212-2412-25 JIS4-154-198-198-2312-2312-2516-25法兰外圆直径DIN95105115140150165185200220250285340396445 ANSI8998108117127152178191229254284343406481 JIS95100125135140155175185210250280330400445船用法兰尺寸解释日期:2009-07-11船用法兰在很多地方使用。
美标、国标法兰尺寸对照表美标和国标法兰尺寸是在工业领域中常见的两种不同的标准尺寸。
美标法兰尺寸是指符合美国标准的法兰尺寸,而国标法兰尺寸是指符合中国国家标准的法兰尺寸。
两种标准尺寸在尺寸规格上有一定的差异,下面将详细介绍美标和国标法兰尺寸的对照表。
首先,我们先来了解一下美标法兰尺寸。
美标法兰尺寸一般采用英寸(inch)作为单位,常见的美标法兰尺寸有150lb、300lb、600lb、900lb、1500lb和2500lb等级。
下面是美标法兰尺寸的对照表:
接下来,我们来了解一下国标法兰尺寸。
国标法兰尺寸一般采用毫米(mm)作为单位,常见的国标法兰尺寸有PN0.6、PN1.0、PN1.6、PN2.5、PN4.0、PN6.3、
PN10.0、PN16.0、PN25.0、PN40.0、PN63.0和PN100.0等级。
下面是国标法兰尺寸的对照表:
上述对照表列举了美标和国标法兰尺寸的一些常见规格,仅供参考。
实际使用中,还需根据具体的工程要求选择合适的法兰尺寸。
总结起来,美标和国标法兰尺寸在尺寸规格上存在一定的差异,美标法兰尺寸采用英寸作为单位,国标法兰尺寸采用毫米作为单位。
根据具体的工程要求,选择合适的法兰尺寸非常重要,以确保工程的质量和安全性。
法兰标准尺寸表三、JIS 10K、16K、20K、30K、40K、63K、RF、FF 法兰尺寸表表14 JIS 10K、RF、FF mm表 15 JIS 16K、RF、FF mm表16 JIS 20K、RF、FF mm*t值中较小值为钢及可锻铸铁法兰;较大值为铸铁法兰。
表 17 JIS 30K、RF、FF mm表 18 JIS 40K、RF、FF表 19 JIS 63K、RF、FF mm四、JPI 150、300、600RF、RJ法兰尺寸表表 20 JPI 150RF mm表 21 JPI 300RF mm表 22 JPI 600RF mm表 23 JPI 150RJ mm表24 JPI 300RJ mm表 25 JPI 600RJ mm五、德国DIN标准法兰尺寸表 26 PN16(1.6MPa) mm表 27 PN40(4..0MPa) mm六、中国JB标准法兰尺寸(JB/T79.1-94)1.凸面整体铸钢管法兰表28 PN1.6MPa mm表29 PN2.5MPa mm表 30 PN4.0MPa mm注:表28~30中系列1法兰连接尺寸与国标及德国法兰标准尺寸互换;系列2尺寸与原机标准法兰尺寸互换;新产品设计应优先采用系列1尺寸。
2.凹凸面整体铸钢管法兰(JB/T79.2-94)图 2 凹凸面整体铸钢管法兰 mm 表 31 PN4.0MPa mm表 32 PN6.3MPa mm表 33 PN10.0MPa mm表 34 PN16.0MPa mm表 35 PN20.0MPa mm注:表31~35中系列1法兰连接尺寸与国标及德国法兰标准尺寸互换,系列2尺寸与原机标法兰尺寸互换;新产品设计优先采用系列1尺寸。
(JB/T79.3-94)3、榫槽面整体铸钢管法兰表 36 PN4.0MPa mm表 37 PN6.3MPa mm表38 PN10.0MPa mm注:表36~38中系列1法兰连接尺寸与国标及德国法兰标准尺寸互换;系列2尺寸与原机标法兰尺寸互换;新产品设计应优先采用系列1尺寸。
法兰盖标准尺寸表一、法兰盖概述法兰盖是一种用于封闭管路或设备的连接部件,通常与法兰配套使用。
它能够防止管路或设备内部的介质泄漏,并保证管路或设备的密封性能。
二、尺寸标准本尺寸表规定了法兰盖的尺寸标准,包括螺孔数量和间距。
这些尺寸适用于不同的管路或设备连接需求。
具体尺寸如下:1.DN15:螺孔数量2个,间距180度;2.DN20:螺孔数量2个,间距180度;3.DN25:螺孔数量2个,间距180度;4.DN32:螺孔数量3个,间距90度;5.DN40:螺孔数量3个,间距90度;6.DN50:螺孔数量4个,间距90度;7.DN65:螺孔数量4个,间距90度;8.DN80:螺孔数量4个,间距90度;9.DN100:螺孔数量4个,间距90度;10.DN125:螺孔数量4个,间距90度;11.DN150:螺孔数量4个,间距90度;12.DN200:螺孔数量4个,间距90度。
三、材质要求本尺寸表参照了12459-2005《钢制对焊无缝管件》等标准,具体材质包括碳钢、不锈钢等,以满足不同工况和使用环境的需求。
在选择材质时,应根据实际需求进行选择,并保证其符合相关标准要求。
四、表面处理法兰盖的表面处理应符合相关标准要求,如镀锌、喷塑等。
这些处理方法能够提高法兰盖的耐腐蚀性和美观度。
在表面处理过程中,应保证处理均匀、无瑕疵,以提高其使用寿命和可靠性。
五、试验方法对法兰盖进行试验是保证其质量和性能的关键环节。
本尺寸表规定了试验方法,包括压力试验和密封性能试验等。
压力试验用于检测法兰盖的耐压性能,密封性能试验用于检测法兰盖的密封性能是否符合要求。
试验过程中应严格遵守相关规定,以保证试验结果的准确性和可靠性。
六、检验标准检验是保证法兰盖质量的重要环节。
本尺寸表规定了检验标准,包括外观质量、尺寸精度和力学性能等方面的要求。
外观质量应符合相关标准要求,尺寸精度应符合设计要求,力学性能应符合相关标准要求。
检验过程中应按照相关规定进行操作,以确保检验结果的准确性和可靠性。
法兰规格尺寸表法兰是连接管道的一种重要方法,它的主要作用是连接各种管道或设备,并保证管道系统的稳定。
法兰规格尺寸是法兰连接的重要参数之一,下面将详细介绍法兰规格尺寸表。
1.法兰规格法兰规格是法兰连接时使用的规格,大致分为公称直径和公称压力两个方面。
公称直径一般表示法兰连接的管道的内径,如DN40表示管道的内径为40mm;公称压力一般表示法兰连接的管道所承受的压力等级,如PN10表示管道承受的压力为10kg/cm²。
表1:法兰公称直径公称直径(mm) 壁厚(mm) 公称直径(mm) 壁厚(mm) 公称直径(mm) 壁厚(mm)15 2.5 200 6.0 800 14.020 2.5 250 6.0 900 16.025 2.5 300 6.0 1000 18.032 3.2 350 6.0 1100 20.040 3.2 400 6.0 1200 22.050 3.2 450 6.0 1300 24.065 3.5 500 6.0 1400 26.080 4.0 600 8.0 1500 28.0100 4.0 700 10.0 1600 30.0125 5.0 750 12.0 1800 34.0150 5.0 800 12.0 2000 38.0表2:法兰公称压力公称压力(kg/cm²) 法兰等级公称压力(kg/cm²) 法兰等级0.25 1.6 10 400.6 2.5 16 641.0 4.0 20 801.6 6.4 25 101.62.法兰尺寸法兰尺寸是法兰连接时使用的尺寸,主要由内径、外径和孔距组成。
内径指法兰连接的管道的内径;外径指法兰本身的直径,也就是连接法兰的螺栓直径。
孔距指钢制法兰上螺孔中心的距离。
表3:法兰尺寸公称直径(mm) 外径(mm) 内径(mm) 孔数孔径(mm) 孔距(mm)159****146520 105 27 4 14 7525 115 34 4 14 8532 135 43 4 18 10040 145 49 4 18 11050 160 61 4 18 12565 180 78 4 18 14580 195 94 8 18 160100 215 119 8 18 180125 245 145 8 18 210150 280 172 8 23 240200 335 224 8 23 295250 390 275 12 23 350300 440 327 12 23 400350 500 377 16 25 460400 565 429 16 25 515500 670 530 20 25 620600 780 630 20 30 725700 895 720 24 30 840800 1015 820 24 34 950900 1115 920 28 34 10501000 1230 1020 28 34 11601100 1340 1120 32 34 12651200 1455 1220 32 41 13801300 1575 1320 36 41 14951400 1685 1420 36 41 16051500 1805 1520 40 41 17253.法兰连接形式法兰连接形式是法兰连接时运用的连接方式,通常分为对焊法兰和螺丝连接法兰两类。
国标标准法兰尺寸对照表一、前言法兰是管道连接的重要组成部分,国家标准规定了不同尺寸的法兰应该有的尺寸和公差范围,以确保管道连接的质量和安全性。
本文将介绍国标法兰尺寸对照表,以便读者在实际工作中能够正确选择和使用法兰。
二、法兰标准在国内,法兰依据GB/T、HG、SH、JB、JB/T等标准进行生产和质量控制。
其中,GB/T是国家标准,HG和SH是中式法兰,JB和JB/T是机械法兰。
根据标准的不同,法兰的尺寸也有所不同。
下面将分别介绍这几种法兰的尺寸对照表。
三、GB/T法兰尺寸对照表GB/T法兰分普通和减薄两种,其中减薄法兰又分为大口径和小口径两种。
下面是GB/T法兰的尺寸对照表:1.普通法兰:DN D1 D2 D3 b n d(公称直径)(法兰外径)(法兰孔径)(内径)(法兰厚度)(法兰螺孔数)(螺孔直径)15 95 65 45 14 4 1420 105 75 55 16 4 1425 115 85 65 16 4 1432 140 100 78 18 4 1840 150 110 85 18 4 1850 165 125 100 20 4 1865 185 145 120 22 4 18 80 200 160 135 22 8 18 100 220 180 155 24 8 18 125 250 210 185 26 8 18 150 285 240 210 28 8 23 200 340 295 265 30 12 23 250 405 350 320 34 12 25 300 460 400 375 36 12 25 350 520 460 435 40 16 25 400 580 515 485 42 16 30 500 715 620 590 48 20 30 600 840 725 700 56 20 36 700 910 795 810 60 24 36 800 1025 920 920 68 24 36900 1125 1015 1020 78 28 36 1000 1255 1125 1120 88 28 36 1200 1485 1340 1320 102 32 391400 1685 1560 1530 118 36 421600 1915 1760 1730 134 40 451800 2115 1970 1930 152 44 482000 2335 2180 2130 170 48 482200 2555 2390 2330 172 48 522400 2775 2600 2530 182 52 522600 2995 2810 2730 196 56 562800 3215 3020 2930 197 56 562.减薄法兰:a.大口径减薄法兰DN D1 D2 D3 b n d(公称直径) (法兰外径) (法兰孔径) (内径) (法兰厚度) (法兰螺孔数) (螺孔直径)300 400 372 345 25 20 23350 460 428 400 30 20 23400 515 482 450 32 20 25450 565 532 500 32 24 25500 620 585 550 34 24 25600 725 685 650 36 28 30700 840 800 780 40 28 30800 950 905 890 42 28 30900 1050 1005 990 46 32 301000 1170 1115 1090 5032 331200 1400 1330 1310 5636 361400 1620 1550 1530 6040 391600 1840 1770 1750 6444 421800 2060 1990 1970 6848 452000 2280 2210 2190 7252 482200 2500 2430 2410 7656 512400 2750 2630 2630 8060 54b.小口径减薄法兰DN D1 D2 D3b n d(公称直径) (法兰外径) (法兰孔径) (内径) (法兰厚度) (法兰螺孔数) (螺孔直径)15 95 65 4510 4 1420 105 75 55 10 4 1425 115 85 65 10 4 1432 140 100 78 10 4 1840 150 110 85 12 4 1850 165 125 100 144 1865 185 145 120 14 4 1880 200 160 135 16 8 18100 220 180 155 18 8 18125 250 210 185 208 18四、HG法兰尺寸对照表HG法兰是中式法兰之一,分为普通和减薄两种。
标准法兰尺寸对照表法兰是一种常见的连接元件,广泛应用于管道、阀门、泵等设备的连接中。
而不同类型的法兰尺寸也是多种多样的,为了更好地进行连接和配对,了解标准法兰尺寸对照表是非常重要的。
下面将介绍常见的标准法兰尺寸对照表,以便大家在工程设计和设备选择中能够更加方便地进行搭配和应用。
1. 美标法兰尺寸对照表。
美标法兰尺寸对照表是根据美国国家标准制定的,主要包括ANSI B16.5和ANSI B16.47两种类型。
其中,ANSI B16.5标准规定了管道法兰和法兰连接配件的尺寸和公差,而ANSI B16.47标准则规定了大口径法兰的尺寸和公差。
在实际应用中,需要根据具体情况选择合适的美标法兰尺寸,以确保连接的牢固性和密封性。
2. 欧标法兰尺寸对照表。
欧标法兰尺寸对照表是根据欧洲标准制定的,主要包括EN 1092和DIN 2501两种类型。
EN 1092标准适用于一般工业领域的法兰连接,而DIN 2501标准则适用于公称压力为PN2.5至PN40的法兰连接。
欧标法兰尺寸对照表通常以公称压力和公称直径作为分类标准,用户可以根据具体的工程需求选择合适的欧标法兰尺寸。
3. 日标法兰尺寸对照表。
日标法兰尺寸对照表是根据日本工业标准制定的,主要包括JIS B2220和JISB2291两种类型。
JIS B2220标准适用于公称压力为5K至63K的法兰连接,而JISB2291标准适用于液压系统中的法兰连接。
日标法兰尺寸对照表在日本国内得到广泛应用,也在一定程度上影响了亚洲地区的法兰标准化。
4. 中国标准法兰尺寸对照表。
中国标准法兰尺寸对照表是根据国家标准制定的,主要包括GB/T 9112和GB/T 9113两种类型。
GB/T 9112标准适用于法兰连接的公称压力为0.25MPa至4.0MPa,而GB/T 9113标准适用于法兰连接的公称压力为6.3MPa至25MPa。
中国标准法兰尺寸对照表在国内工程领域得到广泛应用,对于国内设备的选型和配对具有重要意义。
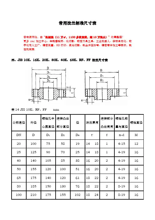
常用法兰标准尺寸表容来源网络,由“机械展(11万㎡,1100多家展商,超10万观众)”收集整理!更多cnc加工中心、车铣磨钻床、线切割、数控刀具工具、工业机器人、非标自动化、数字化无人工厂、精密测量、3D打印、激光切割、钣金冲压折弯、精密零件加工等展示,就在机械展.三、JIS 10K、16K、20K、30K、40K、63K、RF、FF 法兰尺寸表表14 JIS 10K、RF、FF mm表15 JIS 16K、RF、FF mm表16 JIS 20K、RF、FF mm*t值中较小值为钢及可锻铸铁法兰;较大值为铸铁法兰。
表17 JIS 30K、RF、FF mm表18 JIS 40K、RF、FF表19 JIS 63K、RF、FF mm四、JPI 150、300、600RF、RJ法兰尺寸表表20 JPI 150RF mm表21 JPI 300RF mm表22 JPI 600RF mm表23 JPI 150RJ mm表24 JPI 300RJ mm表25 JPI 600RJ mm五、德国DIN标准法兰尺寸表26 PN16(1.6MPa) mm表27 PN40(4..0MPa) mm六、中国JB标准法兰尺寸1.凸面整体铸钢管法兰(/T79.1-94)图1 凸面整体铸钢管法兰表28 PN1.6MPa mm表29 PN2.5MPa mm表30 PN4.0MPa mm注:表28~30中系列1法兰连接尺寸与国标及德国法兰标准尺寸互换;系列2尺寸与原机标准法兰尺寸互换;新产品设计应优先采用系列1尺寸。
2.凹凸面整体铸钢管法兰(/T79.2-94)图2 凹凸面整体铸钢管法兰mm 表31 PN4.0MPa mm表32 PN6.3MPa mm表33 PN10.0MPa mm表34 PN16.0MPa mm表35 PN20.0MPa mm注:表31~35中系列1法兰连接尺寸与国标及德国法兰标准尺寸互换,系列2尺寸与原机标法兰尺寸互换;新产品设计优先采用系列1尺寸。
法兰规格尺寸表大全法兰规格是指管道系统中用于连接或支撑管道的一种重要元件,具有固定管道及连接紧固件的作用。
按照标准规格设计,法兰可分为钢制、铸铁和塑料制法兰等多种材质。
下面是常用的法兰规格尺寸表大全,希望对大家有所帮助。
1、美标法兰美标法兰分为150#、300#、600#、900#、1500#、2500#等不同压力等级,对应的尺寸如下:压力等级尺寸150# 1/2"~24"300# 1/2"~24"600# 1/2"~24"900# 1/2"~16"1500# 1/2"~12"2500# 1/2"~12"2、日标法兰日标法兰则是按照JIS B2220-2004标准规格设计,其尺寸范围如下:公称压力 MPa 钢制法兰铸铁法兰尺寸(mm) 尺寸(mm)0.25 15~1200 15~6000.40 15~1200 15~6000.63 15~1200 15~6001.0 15~1200 15~6001.6 15~1200 15~6002.5 15~1200 15~6004.0 15~600 15~3005.0 15~450 15~3007.5 15~400 15~20010.0 15~300 15~20016.0 15~200 15~1003、德标法兰德标法兰是按照DIN PN6、PN10、PN16、PN25、PN40等不同压力等级进行分类,其尺寸如下:公称直径尺寸(mm)DN10~40 90DN50~80 110DN100~150 150DN200~300 225DN350~600 320DN700~1200 5004、欧标法兰欧标法兰则是按照EN 1092-1标准规格设计,尺寸如下:公称压力 PN2.5 PN6 PN10 PN16 PN25 PN40DN10~150 60 75 90 105 115 140DN200~300 165 185 200 220 250 320DN350~600 420 450 510 580 660 725DN700~1000 800 900 975 1075 1175 1325DN1200~2000 1600 1750 1950 2150 2325 2550 以上是常见的几种法兰规格尺寸表大全,希望对大家有所帮助。
| | 各种标准法兰尺寸对照公称通径PN16(GB 4216.4-84) PN10 (GB 4216.4 - 84) PN6(GB 4216.3 - 84) 外圆孔距螺栓孔数外圆孔距螺栓孔数外圆孔距螺栓孔数15 - - - - 95 65 M12 4 - - - - 20 - - - - 105 75 M12 4 - - - - 25 - - - - 115 85 M12 4 - - - - 32 - - - - 140 100 M16 4 - - - - 40 150 110 M16 4 150 110 M16 4 130 100 M12 4 50 165 125 M16 4 165 125 M16 4 140 110 M12 4 65 185 145 M16 4 185 145 M16 4 160 130 M12 4 80 200 160 M16 8 200 160 M16 8 190 150 M16 4 100 220 180 M16 8 220 180 M16 8 210 170 M16 4 125 250 210 M16 8 250 210 M16 8 240 200 M16 8 150 285 240 M20 8 285 240 M20 8 265 225 M16 8 200 340 295 M20 12 340 295 M20 8 320 280 M16 8 250 405 355 M24 12 395 350 M20 12 375 335 M16 12 300 460 410 M24 12 445 400 M20 12 440 395 M20 12 350 520 460 M24 16 505 460 M20 16 490 445 M20 12 400 580 525 M27 16 565 515 M24 16 540 495 M20 16DIN PN10 \ JIS 10K \ANSI 150LBS 法兰尺寸对照表尺寸1/2"3/4"1"11/4"11/2"2"21/2"3"4"5"6"8"10"12"承插口径DIN2025324050637590110140160225250315 ANSI21.326.733.442.248.360.37388.9114.3141.3168.3219.1273.1323.9 JIS2226323848607689114140165216267318螺孔距DIN657585100110125145160180210240295350400 ANSI6070798998121140152191215.9241298362432 JIS7075900100105120140150175210240290355400船用法兰尺寸解释日期:2009-07-11船用法兰在很多地方使用。
常用法兰标准尺寸表内容来源网络,由“深圳机械展(11万㎡,1100多家展商,超10万观众)”收集整理!更多cnc加工中心、车铣磨钻床、线切割、数控刀具工具、工业机器人、非标自动化、数字化无人工厂、精密测量、3D打印、激光切割、钣金冲压折弯、精密零件加工等展示,就在深圳机械展.三、JIS 10K、16K、20K、30K、40K、63K、RF、FF 法兰尺寸表表14 JIS 10K、RF、FF mm表15 JIS 16K、RF、FF mm表16 JIS 20K、RF、FF mm*t值中较小值为钢及可锻铸铁法兰;较大值为铸铁法兰。
表17 JIS 30K、RF、FF mm表18 JIS 40K、RF、FF表19 JIS 63K、RF、FF mm四、JPI 150、300、600RF、RJ法兰尺寸表表20 JPI 150RF mm表21 JPI 300RF mm表22 JPI 600RF mm表23 JPI 150RJ mm表24 JPI 300RJ mm表25 JPI 600RJ mm五、德国DIN标准法兰尺寸表26 PN16(1.6MPa) mm表27 PN40(4..0MPa) mm六、中国JB标准法兰尺寸1.凸面整体铸钢管法兰(JB/T79.1-94)图1 凸面整体铸钢管法兰表28 PN1.6MPa mm表29 PN2.5MPa mm表30 PN4.0MPa mm注:表28~30中系列1法兰连接尺寸与国标及德国法兰标准尺寸互换;系列2尺寸与原机标准法兰尺寸互换;新产品设计应优先采用系列1尺寸。
2.凹凸面整体铸钢管法兰(JB/T79.2-94)图2 凹凸面整体铸钢管法兰mm表31 PN4.0MPa mm表32 PN6.3MPa mm表33 PN10.0MPa mm表34 PN16.0MPa mm表35 PN20.0MPa mm注:表31~35中系列1法兰连接尺寸与国标及德国法兰标准尺寸互换,系列2尺寸与原机标法兰尺寸互换;新产品设计优先采用系列1尺寸。
| 来访地图| 收藏本站各种标准法兰尺寸对照
公称通径
PN16(GB 4216.4-84) PN10 (GB 4216.4 - 84) PN6(GB 4216.3 - 84) 外圆孔距螺栓孔数外圆孔距螺栓孔数外圆孔距螺栓孔数
15 - - - - 95 65 M12 4 - - - - 20 - - - - 105 75 M12 4 - - - - 25 - - - - 115 85 M12 4 - - - - 32 - - - - 140 100 M16 4 - - - - 40 150 110 M16 4 150 110 M16 4 130 100 M12 4 50 165 125 M16 4 165 125 M16 4 140 110 M12 4 65 185 145 M16 4 185 145 M16 4 160 130 M12 4 80 200 160 M16 8 200 160 M16 8 190 150 M16 4 100 220 180 M16 8 220 180 M16 8 210 170 M16 4 125 250 210 M16 8 250 210 M16 8 240 200 M16 8 150 285 240 M20 8 285 240 M20 8 265 225 M16 8 200 340 295 M20 12 340 295 M20 8 320 280 M16 8 250 405 355 M24 12 395 350 M20 12 375 335 M16 12 300 460 410 M24 12 445 400 M20 12 440 395 M20 12 350 520 460 M24 16 505 460 M20 16 490 445 M20 12 400 580 525 M27 16 565 515 M24 16 540 495 M20 16
DIN PN10 \ JIS 10K \ANSI 150LBS 法兰尺寸对照表
尺寸1/2"3/4"1"11/4"11/2"2"21/2"3"4"5"6"8"10"12"
承插口径DIN2025324050637590110140160225250315 ANSI21.326.733.442.248.360.37388.9114.3141.3168.3219.1273.1323.9 JIS2226323848607689114140165216267318
螺孔距DIN657585100110125145160180210240295350400 ANSI6070798998121140152191215.9241298362432 JIS7075900100105120140150175210240290355400
1
船用法兰尺寸解释
日期:2009-07-11
船用法兰在很多地方使用。
但是很多人并不知道法兰上的符号表示什么意义,那就解释一下:
(1)ANSIB16.5是美洲法兰体系,150LB是压力等级为150磅,WN是对焊法兰,RF是说法兰的密封面形式为突面(石化行业的人称为凸台面),18〃—48〃表示法兰的规格尺寸为18英寸~48英寸。
(2)Q235 2281 PN10 DN700 15片64.33KGS 底盘厚度:33.8的解释:
Q235 2281 是钢号,PN10是公称压力,由于没有单位,按正规解释应为公称压力为10MPa,但Q235是不允许用在公称压力为10MP a的管路上,比较实际的解释为10bar,相当于工程中我们通常说的10公斤,DN700是指法兰的规格为公称直径为DN700,15片是法兰片数量,64.33kg是指法兰的重量,S33.8是指法兰厚度为33.8mm。
(3)300LBS 高颈STD 14'' 10片86KGS是压力等级为300磅,是对焊法兰(高颈法兰)14〃是法兰规格,14片,重量为86kg。