TDC与S7400以太网通讯实验
- 格式:doc
- 大小:20.17 MB
- 文档页数:16
基于工业以太网的西门子S7-400系列PLC之间的通信连接与应用分析【摘要】随着互联网时代的到来,我国经济实力的不断提高,工业自动化的建设也在不断的兴起,人们对工业中单体设备的生产运行提出了新的要求,同时也对PLC之间的通信方式的要求越来越高,运用传统的观念已经不符合时代发展的要求,这就需要对传统观念进行不断的优化和创新,从而保证工业设备的生产运行能够符合时代发展的要求。
本文主要对西门子工业以太网的简介和通信方式进行简单的叙述,然后对应用实例进行详细的阐述。
【关键词】以太网通信;S7-400;S7-连接;柔性装配线随着新时代的不断发展,我国社会经济的不断提高,工业得到了迅速发展,在工业发展的过程中,设备自动化程度也在不断的增加,传统的生产技术已经不能够满足人们对设备生产的需求,而越来越多的通信连接方式也在PLC之间不断的涌现。
通过利用先进通信连接方式的技术手段,对传统工业自动化孤岛的现象进行打破,从而能够形成生产完整的控制系统。
在PLC之间进行通信连接的过程中,比较常用的通信方式包括了两种:太网通信方式和Profibu通信方式。
因此,设备安装太网接口的现象也在不断的增加,从而形成了一个完整以太网而控制设备运行的系统;随着计算机技术广泛应用,其中以太网是计算机技术中的包含的一种技术手段,并且有着现代先进技术手段的支持,在运用以太网的过程中,可以在一定程度上提高设备之间的通信效率,因此以太网在PLC之间已经得到了广泛应用。
1西门子工业以太网1.1西门子工业以太网简介在西门子公司发展的过程中,运用以太网形式进行设备运行控制的售后不仅具有现代先进的解决方案,并且还含有丰富的经验。
在工业对以太网通信技术进行现场验证的过程中,其中以太网技术主要包含了两种类型:100Mbit/快速和10Mbit/工业以太网,在不同传输速率的情况下,需要运用相对应的以太网技术类型。
以太网技术主要包含了三个部分:通信处理器、传输介质和网络模块。
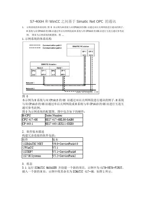
S7-400H和WinCC之间基于Simatic Net OPC 的通讯1.示例系统的体系结构图0 本示例为H系统与双CP1613的OS 站通过双以太网网段进行通讯的例子。
H系统与双CP1613的OS站通过单以太网网段或H系统与单CP1613的OS站进行互连互通可参考此例。
图0为示例系统的配置图。
图 ...1.示例系统的体系结构图 0本示例为H系统与双CP1613的OS 站通过双以太网网段进行通讯的例子。
H系统与双CP1613的OS站通过单以太网网段或H系统与单CP1613的OS站进行互连互通可参考此例。
2. 软件版本描述3. 组态3.1 运行SIMATIC MANAGER 并创建一个新的项目, 示例中为417H-NET6-FIRST。
插入一个新的H站。
示例中将其命名为SIMATIC 417-4H,如图1所示。
图 13.2 通过双击硬件或使用右键弹出菜单, 打开SIMATIC 417-4H的硬件组态(HWConfig)。
本例中的硬件组态仅供参考,用户以实际硬件组态情况为准。
对于冗余系统,应使用UR2-H机架,如图2所示。
图 23.3 组态以太子网;分配MAC地址,通常为获得更高的稳定性,建议取消TCP/IP 协议。
图3图 4图5为CP443-1 的MAC地址和IP地址的设置对话框。
通过选取图4的Interface 中的Properties 按钮。
图 5注意上图中有两条以太子网。
应把2 个CP443-1 分别分配给2条子网。
图 6请注意图6中MAC地址与第一块CP443-1的不同。
组态完毕后,可进行编译并下装到CPU中。
3.4 向项目中插入一个PC站。
图 7在本例中,PC站的名称为:MyStation。
然后,对PC站进行组态,如图7、8所示。
图 8如同在417-4H硬件组态相同,在本例中分别插入Application、CP1613、OPC Server。
图 9应分别设置CP1613的网络配置。
如图10、11所示。
1780试验室试验报告试验名称:TDC与S7400以太网通讯实验试验时间:2009年4月9试验组负责人:石国瑞试验组成员:石国瑞试验目的:TDC通过标准通讯模板(CP51M1)实现与西门子PLC系统(S7-400)的以太网通讯试验用硬件:1、TDC机架(型号:6DD1682-0CH0)2、CPU模板(型号:6DD1600-0BA1)3、CP51M1模板(型号:6DD1661-0AE1)4、PS 407 20A(型号:407-0RA02-0AA0)5、CUP 414-3 (型号:414-3XJ00-0AB0)6、CP443-1 (型号:443-1PX11-0XE0)7、电缆8、适配器试验用软件:PCS7 +SP2CFC +SP1试验方案、步骤与过程:进行S7-400侧的硬件组态,TDC侧的硬件组态。
然后通过NetPro进行网络组态,然后进行两侧的编程调用相应模块,这些模块都是基于TCP连接,在以太网通讯处理器之间发送和接收数据。
1、S7-400侧硬件组态组态步骤:A、创建新的项目,在此项目中插入S7-400站点及TDC站点B、定义以太网接口,选择以太网模板CP443-1配置S7-400以太网地址。
为PLC创建新的以太网连路,设置IP地址,子网掩码。
C、保存编译D、完成后将硬件下装到PLC,在本次实验中用的是TCPIP协议与PLC连接。
选择TCP/IP,下装硬件配置如图2,进行到图3所示状态时,将PLC钥匙开关打到RUN-P或者STOP位置。
开始下装,完成后PLC的硬件组态就成功了。
(图1)(图2)(图3)2、TDC侧硬件组态TDC侧硬件组态步骤:A、配置TDC-Station硬件。
B、配置TDC以太网接口,连接TDC以太网模板CP51M1配置以太网地址。
选择S7-400站点定义的以太网链路,IP地址,子网掩码,编译保存系统硬件C、编译保存,硬件组态完成。
不需单独下装,待程序完成后一同下装。
3、NetPro网络组态网络组态步骤:a、打开NetPro工具(图1),组态S7-400与TDC以太网网络。
S7300/400通过以太网连接Intouch 安装要求:安装Step7V5.4, intouch, I/Oserver (Siemens SIMATIC NET S7)并安装相应的授权。
所有硬件安装完成以后开始建立项目:一、打开STEP7,新建项目,添加S7400/300站,如下图:二、配置硬件,如果有硬件配置好的S7300/400站,这一步也可以不用配,从新 配置一下通信模块(CP模块)就可以,或者直接在原有的项目下添加一个PC Station, 如果原来的站通过CP模块建立过其它连接,首先要把原有的连接删了,才能从新建立,不然在保存和编辑的时候会提示错误。
因为你在建立连接的时候只和PC Station连接,如果你不删出原有连接,PC Station找不到其它站的连接,就会出现错误。
配置硬件时根据实际要求配置。
配置CP模块的IP地址证在同一个域中。
三、添加一个PC Station,从新建立输入一个PC站名。
四、配置PC Station,添加Application和IE General,配置完成后保存编辑。
新连接)后保存编辑。
PC Station的设置时应保持一致。
七、分别下载S7400/300和PC Station,在配置完成后或者在更改配置以后一定要下载,不然在后面的建立中会出现错误。
八、点击开始菜单,对“station configuration editor”进行配置。
在站配置编辑窗口中添加一个Application和IE General,更改站名,站名为最开始建立PC Station时所起的名,前后所用的站名必须一致。
站配置编辑窗口中显示的IP地址是本机的IP地址。
点击OK配置完成。
配置完成后显示的正常状态,如果不是正常状态,可以从新下载PC Station站。
九、配置IOserver,点击打开IOserver应用程序。
打开应用程序后,点击configuration配置打开对话框,,在窗口中点击添加,添加一个主题。
使用文本显示向导连接TD400C与S7项目26使用文本显示向导连接TD400C与S7-200使用向导连接TD400C与S7-200,实现数据的交换。
TD400C为S7-200 PLC专用的新一代文本显示器,能够支持所有TD200的功能,如图26-1所示。
TD400C具有极高的性价比,随机附赠通信电缆(2.5m),无需单独购买通信和电源电缆(TD的电源可以通过通信电缆从S7-200 PLC通信口取得)。
TD400C无需HMI 专用组态软件,使用STEP 7 Micro/Win V4.0 SP4以上版本中文界面的TD向导组态即可。
TD400C根据用户选择的字体和字符显示2行或4行文本。
显示屏4行显示时,每行可显示12个小的中文字符,总共可显示48个字符;或者每行显示24个小的ASCII字符,总共可显示96个字符。
显示屏也可2行显示,每行可显示8个大的中文字符,总共可显示16个字符;或者每行显示16个大的ASCII字符,总共可显示32个字符。
TD400C可以创建最多包含15个按键的自定义键盘,这些按键可以放到任何背景图片上,并且可具有不同的颜色、功能或字体。
TD400C可以显示报警,允许调整指定的程序变量,允许强制(或取消强制)输入输出点,允许为具有实时时钟的CPU设置时间和日期,查看层级用户菜单及屏幕以便与应用程序或过程进行交互,查看CPU状态等;用于和S7-200进行交互的其他功能可以改变S7-200的操作模式(运行或停止),可以将S7-200中的用户程序加载到内存盒中,可以对存储在S7-200存储区中的数据进行访问和编辑。
TD400C可以使用两种方式连接电源:如果TD400C与S7-200之间的距离小于2.5m,可以通过TD/CPU电缆,从S7-200 CPU进行供电;如果超过2.5m,则应使用外部电源(DC 24V、120 mA 的电源)供电并使用PROFIBUS组件连接网络。
TD400C与S7-200的连接有三种结构:(1)一对一连接TD 400C直接连接到S7-200,从而建立一对一网络。
说明:组态S7-200和S7-400之间通过以太网实现的S7连接,必须一方面在STEP 7 Micro/WIN中使用以太网向导配置S7- 200,另一方面在NetPro中配置S7-400。
对于两站之间的以太网通信,需要支持S7通信的通信处理器和CPU。
在该条目下,使用样例详细解释S7-200和S7-400所需的全部配置。
使用STEP 7 Micro/WIN的以太网向导组态CP243-11.打开STEP 7 Micro/WIN,然后选择“工具〉以太网向导……”,启动以太网向导。
图1:启动以太网向导2.向导程序的第一步是以太网向导的描述。
按“下一步”键,开始组态过程。
图2:以太网向导描述3.在显示的窗口中提示STEP 7 Micro/WIN项目必须编译并且该项目必须在符号寻址模式中。
按“确定”键表示确认图3:编译项目,启动符号寻址模式4.如果在S7-200站中连接了CP243-1,可以通过“读取模块”按钮自动确定CP243-1的模块位置。
按“下一步”。
图4:确定模块位置5.为CP243-1定义一个唯一的IP地址,并指定相关子网掩码。
按“下一步”确认以上设置。
图5:为CP243-1定义IP地址和子网掩码6.在本例中,需要一个S7连接以便与S7-400通信。
因此,在“为该模块组态的连接数量”中输入“1”。
按“下一步”。
图6:S7连接数量7.出现S7连接组态对话框。
可以将这个S7连接组态为客户机连接,也可以组态为服务器连接。
在本例中,使用客户机连接传输数据,也就是说,由CP243-1建立S7连接。
∙输入TSAP作为两站之间的连接标识符。
TSAPs 必须使用相应的配置工具预先定义并且通信方相互匹配(参考图17)∙输入CP443-1的IP地址。
∙为连接指定一个符号名。
按“数据传输”按钮,为这个连接定义一个新的数据传输。
图7:连接组态8.选择“从远程服务器连接读取数据”,用以从S7-400读取数据。
输入要从服务器读取的数据字节数,指定S7-400中该数据的位置。
I n t o u c h与西门子S7-200/S7-300/S7-400的以太网通讯配置无需借助西门子的Simaticnet 软件,SIDirect DAS Server 可以通过标准的以太网卡访问S7 200, S7 300,S7 400 家族PLC。
SIDirect DAServer可以通过DDE, FastDDE, SuiteLink, OPC协议连接Windows客户端软件,如Wonderware InTouch。
注意:SIDirect DAServer只支持TCP/IP通信,不支持MPI,Profibus等其他非以太网方式。
这里以Intouch2014与西门子400的以太网冗余通讯为例,所需软件如下:Intouch2014要求采用SIDirect 3.0sp1版本的驱动,Intouch10.0/10.1等采用更低版本如1.5/2.0等。
配置SIDirect DAServer 步骤如下:1、开始菜单——所有程序——Wonderware——System Management Console,双击启动System Management Console程序;2、在ArchestrA System Management Console(SMC)中找到“DAServer Manager”,依次展开Default Group——Local——ArchestrA.DASSIDirect.33、展开ArchestrA.DASSIDirect.3,并选择“Configuration”,将出现如下“Global Parameters”对话框:【参数一般默认不修改】◆Device Group Update Interval: 定义Device Group的默认更新时间间隔◆Slow Poll Interval: 定义当连接发生问题进入“Slow Poll”模式时,DAServer查询设备的时间间隔。
当通信恢复正常后,DAServer的查询间隔调整为Device Group的查询间隔。
如何实现S7-300/400,WinAC和WinCC之间的以太网通讯How to realize Industrial Ethernet communication among S7-300/400, WinAC and WinCC摘要WinAC和WinCC可以用同一块普通以太网卡和S7-300/400进行工业以太网通讯。
关键词WinAC, WinCC, 工业以太网Key Words WinAC, WinCC, Industrial Ethernet目录如何实现S7-300/400,WinAC和WinCC之间的以太网通讯 (1)1 必备条件 (4)1.1 硬件 (4)1.2 软件 (4)2 硬件组态 (4)3 网络组态和编程 (7)4 程序配置 (11)5 OS编译和组态 (15)6 运行测试 (22)如何实现S7-300/400,WinAC和WinCC之间的以太网通讯WinAC和WinCC可以用同一块普通以太网卡和S7-300/400进行工业以太网通讯。
因为WinAC是基于PC Station的,所以WinCC也需要用PC Station的形式来集成组态。
1 必备条件1.1 硬件z S7-300/400 CPU和CP343-1/CP443-1z普通以太网卡/CP1613z CP5611/CP56131.2 软件z 1.2.1 Step7 V5.3/V5.4z 1.2.2 WinAC RTX V4.1/2005z 1.2.3 SIMATIC Net 2003/2005/2006z 1.2.4 WinCC V6.0/6.2本实例中采用了Step7 V5.4 SP3.1,WinAC RTX 2005(4.2) SP1 HF3,Simatic Net 2006(V6.4)和WinCC V6.2 SP2。
2 硬件组态2.1 在SIMATIC Manager中新建一个项目,分别插入SIMATIC PC Station和SIMATIC 300 Station。
PLCSIM仿真S7-400之间的S7通讯1. 概述S7-PLCSIM V5.4 SP3与其他版本的S7-PLCSIM相比,增加了仿真CPU之间相互通信及在状态栏显示CPU所有可访问接口等功能。
本文通过模拟两个S7- 400PLC之间基于TCP/IP的S7通讯,介绍如何使用S7-PLCSIM V5.4 SP3的仿真功能。
2. 软件环境2.1 STEP7 V5.4 SP3用于编写PLC程序,此软件需要从西门子购买,本文档中所有的程序代码均使用Step7 V5.4 SP3编写。
2.2 S7-PLCSIM V5.4 SP33. 硬件组态新建一个项目在SIMATIC Manager中插入两个S7-400站,打开HW Config界面进行硬件组态,站点配置如下图:图 1 -1#站点硬件组态图1表示1#站点,包含电源和CPU 414-3PN/DP,IP地址192.168.0.1;图2-2#站点硬件组态图2表示2#站点,包括电源,CPU412-2DP以及CP443-1通讯模块,IP地址192.168.0.24. 网络组态打开Netpro可以看到如图3所示的网络结构图图3-网络结构图建立两个站点之间的S7连接,单击CPU414-3PN/DP,单击鼠标右键,选择“Insert New Connection”,如图4图4-插入新连接在“Insert New Connection”对话框选择通讯方CPU(Partner),选择连接类型S7 connection(默认选择),如图5图5-设置连接类型及通讯对象点击“OK”按钮进入“S7 connection ”属性对话框设置如图6,在连接路径“Connection Path”中可以看到通讯双方CPU及通讯接口地址。
图6-设置通讯接口点击“OK”按钮,在网络结构图下方列表中生成S7连接如图7,编译保存完成网络组态。
图7-完成配置S7连接5. STEP7编程S7-400使用标准库系统功能块中的SFB8/9/12/13/14/15,具体信息可参考《用于S7-300/400系统和标准功能的系统软件》1214574本例程在414-3PN/DP的OB1中调用SFB12,412-2DP的OB1中调用SFB13实现两个PLC之间的S7通讯,通讯长度10个字节,如图8。
第三章S7-400H系统通讯(1)3.1 S7-400H与S7-400H之间的通讯3.1.1 H系统之间的通讯链路冗余通讯增强互连系统之间可用性最简单的办法是采用冗余系统网络,当一条网络链路损坏时,系统可自动切换到另外一条网络链路。
其网络的连接可以根据需要组成如下不同的网络结构。
(1)在H系统的每个机架上分别插入1块CP443-1组成双以太网,如下图3-1所示:图3-1 H系统双以太网结构(一)(2)在H系统的每个机架上分别插入2块CP443-1组成双以太网,如图3-2所示:图3-2 H系统双以太网结构(二)(3)在H系统的每个机架上分别插入1块CP443-1组成单以太网,如图3-3所示:图3-3 H系统以太网结构(三)(4)在H系统的每个机架上分别插入1块CP443-1组成以太环网,如图3-4所示:图3-4 H系统以太网结构(四)(5)在H系统的每个机架上分别插入1块CP443-1组成以太双环网,如图3-5所示:(6)在H系统的每个机架上分别插入2块CP443-1组成双以太双环网,如图3-6所示:3.1.2 H 系统之间的通讯配置以图3-4为例,即H系统的每个机架上分别插入1块CP443-1组成以太环网,来介绍H 系统的通讯配置。
(1)运行SIMATIC Manager 来创建一个新的项目,示例中为400H-COM。
插入一个新的H 站。
示例中将其命名为417h,如图3-7所示。
(2) 通过双击硬件或使用右键弹出菜单, 打开 417h的硬件组态(HW Config),根据实际硬件进行组态。
如图3-8所示。
图3 -8 417h站的硬件组态(3)通过分别右击CP443-1和CP443-1(1)“Object properties”来建立以太网,并配置CP443-1属性,如图3-9所示:图3 -9 建立以太网并配置CP443-1属性(4)组态完毕后,可进行编译并通过MPI或以太网下装到CPU中。
(5)通过如上步骤建立第二个冗余站417h-b。
1. TDC IE communication introductionAs one part of TIA family it has powerful communication function. The system provides the MPI communication protocol, Profibus communication protocol, Ethernet communication protocol. It is easy to communicate with other simatic product, for example S7-300, S7-400, HMI and drives product.For Ethernet communication, the hardware platform is CP51M1 which supply a standard RJ45 Ethernet interface; the old interface CP5100 is discontinued as per Aug. 1 2005.For communication task, system can exchange process data with other TDC system or PLC S7 system through CP51M1 module.For communication protocol, TDC system supplies TCP/IP protocol and/or UDP protocol.For transfer modes, refresh mode, handshake mode, multiple mode and select mode are available for selection.For net speed it can work with 10Mbit and 100Mbit network, the module can automatically sense the net speed.2. TDC configuration steps2.1 Hardware configuration in SIMATIC Manager2.1.1 Create a new S7 project2.1.2 Insert a TDC station2.1.3 Select hardware configuration in SIMATIC Manager, double click to open it2.1.4 Insert the subrack, CPU, communication board CP51M1 and other module from the hardware catalogKeep the same type with which is used in the sub rack.2.1.5 Define the CPU module and communication module propertiesFor CP51M1, we need to define the module name firstlyFor Ethernet property we need to define the IP address and subnet mask2.1.6 Save and compiled the hardware configuration2.2 CFC programming2.2.1 Insert a CFC program in SIMATIC Manager, double click it to open it2.2.2 Insert the TCPIP communication block into the chart, define the connection address which is set in the hardware configuration and select the proper cycle time2.2.3 Insert the send function block CTV_P, define the connection:CTS P51M1 hardware address which is set in hardwareconfigurationAT channel name.protocol type–CP51M1 port number.partner IP address–partner port number,for example: 'TRAN.T-02004.192168000003-02002’MOD normally we select handshake modeEN set to 1 to enable the FBNBY define the telegram length in bytes2.2.4 Insert the DWR_D block to write the communication content to the communication bufferHere we can define the offset in the communication buffer by set connector1/2. The final result is the sum of offset1 and offset2.For connector SWP we set it to 1 if it communicates with a PLC.The data we try to send is set in connector X, here is 44 as an example.For receive part, we can do it in the same way.For connector AR of CRV_P, we do not need to define the partner IP address–partner port number.2.2.5 Compiled the program and download it to the memory card and restart the system3. S7-400 configuration steps3.1 S7 hardware configurationFirst insert the S7-400 station, and then open the hardware configuration to insert the modules which are available on the sub rack.For CP443-1 module we need to define the IP address and subnet mask. The IP address will be used in the CFC program.3.2 network configuration in the Netpro softwareOpen Netpro under hardware configuration menuSelect the CPU in the SIMATIC station and insert a new connection, Select unspecified station and TCP connection, press apply button.Select the ID number, record the address LADDR. Both of them will be used in the S7 program.Under address menu we need to set the local port number, partner address and port number, press OK button to confirm the setting.For other connection you need, you can do it in the same way.Then we need to save and compile the configuration.We need to download not only the hardware configuration, but also the Netpro configuration to the CPU.3.3 Programming in the S7 CPUFor the industrial Ethernet communication we use the FC5 AG_SEND, FC6 AG_RECV block.These blocks transfer and receive the data on the configured TCP connection to and from the Ethernet CP.Here we made two FC separately for send and receive function, one is FC 30 for FC5, and another is FC31 for FC6.For FC5, we need to define:ACT: set it to one to trigger FCID: connection ID number which is set in NetproLADDR: CP module start address which is set in hardware configuration, also available in Netpro. The address is in HEX mode, for example 3FF8H SEND: set the transfer data address and buffer lengthkeep the format for example P#DB31.DBX100.0 BYTE 8LEN: numbers of bytes to be send from the transport data area with this job DONE: bit signal for executed statusFor error evaluate we can check the connector Error and Status. For the status code we can get detail information in the FC5 description documentation.For FC6, we can do it in the same way.Because we use DB30 and DB31 in the program FC30 and FC 31, we must insert these two data block and download it to the CPU.4. Physical connectionTDC side: CP51M1 supply RJ45 interfaceS7 side: CP443-1 supply RJ45 interfaceBetween the double sides we need a Switch to connect.。
S7-400H系统通讯3.1 S7-400H与S7-400H之间的通讯3.1.1 H系统之间的通讯链路冗余通讯增强互连系统之间可用性最简单的办法是采用冗余系统网络,当一条网络链路损坏时,系统可自动切换到另外一条网络链路。
其网络的连接可以根据需要组成如下不同的网络结构。
(1)在H系统的每个机架上分别插入1块CP443-1组成双以太网,如下图3-1所示:图3-1 H系统双以太网结构(一)(2)在H系统的每个机架上分别插入2块CP443-1组成双以太网,如图3-2所示:图3-2 H系统双以太网结构(二)(3)在H系统的每个机架上分别插入1块CP443-1组成单以太网,如图3-3所示:图3-3 H系统以太网结构(三)(4)在H系统的每个机架上分别插入1块CP443-1组成以太环网,如图3-4所示:图3-4 H系统以太网结构(四)(5)在H系统的每个机架上分别插入1块CP443-1组成以太双环网,如图3-5所示:(6)在H系统的每个机架上分别插入2块CP443-1组成双以太双环网,如图3-6所示:3.1.2 H 系统之间的通讯配置以图3-4为例,即H系统的每个机架上分别插入1块CP443-1组成以太环网,来介绍H 系统的通讯配置。
(1)运行SIMATIC Manager 来创建一个新的项目,示例中为400H-COM。
插入一个新的H 站。
示例中将其命名为417h,如图3-7所示。
(2) 通过双击硬件或使用右键弹出菜单, 打开 417h的硬件组态(HW Config),根据实际硬件进行组态。
如图3-8所示。
图3 -8 417h站的硬件组态(3)通过分别右击CP443-1和CP443-1(1)“Object properties”来建立以太网,并配置CP443-1属性,如图3-9所示:图3 -9 建立以太网并配置CP443-1属性(4)组态完毕后,可进行编译并通过MPI或以太网下装到CPU中。
(5)通过如上步骤建立第二个冗余站417h-b。
实验9 两台S7-300之间的Ethernet通信实验指导书一、实验目的了解S7-300的Ethernet基本通信原理,掌握S7-300/400的硬件组态方法,熟练运用梯形图语言进行编程,培养对工业控制系统进行硬件设计、软件编程和现场调试的基本能力。
二、实验要求1)以实验室的S7-300为硬件设备,认识掌握Ethernet通信原理及方法;2)学习STEP7编程软件SIMATIC Manager,运用梯形图语言对S7-300 PLC进行编程。
三、实验设备1)电源、CPU、以太网通信处理模块2)网线、交换机3)SIMATIC Manager编程软件四、实验原理S7-300/400与S7-300/400的工业以太网通信可以组态成双边编程、单边编程等多种形式。
本实验以两个CPU315-2DP各连接一个CP 343-1,构建一个小型的工业以太网通信网络,实现双边编程通信。
通信协议:1)ISO传输协议:ISO传输协议支持基于ISO的发送和接收,使得设备(例如SIMATIC S5或PC)在工业以太网上的通信非常容易,该服务支持大数据量的数据传输(最大8KB)。
ISO数据接收有通信方确认,通过功能块可以看到确认信息。
2)TCP:TCP即TCP/IP中传输控制协议,提供了数据流通信,但并不将数据封装成消息块,因而用户并不接收到每一个任务的确认信号。
TCP支持面向TCP/IP的Socket。
TCP支持给予TCP/IP的发送和接收,使得设备(例如PC或非西门子设备)在工业以太网上的通信非常容易。
该协议支持大数据量的数据传输(最大8KB),数据可以通过工业以太网或TCP/IP网络(拨号网络或因特网)传输。
通过TCP,SIMA TIC S7可以通过建立TCP连接来发送/接收数据。
3)ISO-on-TCP :ISO-on-TCP提供了S5兼容通信协议,通过组态连接来传输数据和变量长度。
ISO-on-TCP符合TCP/IP,但相对于标准的TCP/IP,还附加了RFC 1006协议,RFC 1006是一个标准协议,该协议描述了如何将ISO映射到TCP上去。
SIMATIC TDC与WINCC基于S7协议的通讯SINAMICS TDC Communication with WINCC Based on S7 Protocol摘要 本文介绍TDC与WINCC基于S7协议的通讯方法。
关键词TDC,WINCC,S7协议,通讯Key Words TDC,WINCC,S7 Protocol,CommunicationIA&DT Service & Support Page 2-20目录1.CFC中编程相应的CENTRAI COUPLING BLOCK及S7 OS块 (4)2.两种通讯方式 (5)2.1基于“OCM功能+地址本”方式 (5)2.1.1 TDC内的组态 (5)2.1.2 WINCC内的组态,分两种方式: (9)2.2 基于“S7DB-P”功能块方式 (17)附录-推荐网址 (19)IA&DT Service & Support Page 3-20SIMATIC TDC与WINCC基于S7协议的通讯,在D7SYS V7.1之前只能通过“OCM功能+地址本(address book)”方式实现。
D7SYS V7.1增加了“S7DB-P”功能块,并提供了D7-SYS-OS工具,使SIMATIC TDC与WINCC基于S7协议的通讯在工程实现上有更多的选择并更加便捷。
下面对此做一总体的简要总结。
1.CFC中编程相应的CENTRAI COUPLING BLOCK及S7 OS块下面以TCP/IP COUPLING为例:图1 建立TCP/IP COUPLING BLOCKIA&DT Service & Support Page 4-20图2 S7 OS块2.两种通讯方式2.1基于“OCM功能+地址本”方式2.1.1 TDC内的组态1)通过对通讯变量选择OCM功能进行connection marking:a.在有通讯变量的功能块激活OCM功能:图3 激活OCM功能IA&DT Service & Support Page 5-20b.在打开的OCM属性对话框中选择相应的通讯变量:图4 选择相应的通讯变量2)通过编译生成地址本:a. 首先要在编译选项中激活生成地址本功能:图5 编译选项中激活生成地址本功能IA&DT Service & Support Page 6-20图6激活生成地址本功能b. 当执行CFC编译时,可从LOG文件中看到编译生成的地址本的存放位置:图7 从LOG文件中看到编译生成的地址本的存放位置IA&DT Service & Support Page 7-20图8 编译生成的地址本的存放位置c. 打开地址本即可查看到相应变量的等效地址:图9 相应变量的等效地址IA&DT Service & Support Page 8-202.1.2 WINCC内的组态,分两种方式:1)利用查看地址本获得相应变量的等效地址,在WINCC变量管理器中手动添加变量的方式:a. 在WINCC中添加S7协议集,并在TCP/IP通道添加一个新的连接,对连接属性的设定要与TDC的硬件组态相对应:图10 在WINCC中添加S7协议集b. 在建立的连接下添加新的变量,其中变量地址要与地址本中相应的地址相对应:IA&DT Service & Support Page 9-20图11添加新的变量c. 对TCP/IP通讯通道的系统参数要做相应的设定:IA&DT Service & Support Page 10-20图12 设定TCP/IP通讯通道的系统参数图13 设定TCP/IP通讯通道的系统参数IA&DT Service & Support Page 11-202)利用D7-SYS-OS工具,通过类似编译OS的方式将相应变量自动导入WINCCa. 首先,WINCC应做TIA集成组态,即:z WINCC作为PC STATION的应用组态:z NETPRO确认网络连接:图13 设定TCP/IP通讯通道的系统参数b. 其次,启动D7-SYS-OS工具进行通讯变量的自动传送:z启动D7-SYS-OS工具:图14 启动D7-SYS-OS工具IA&DT Service & Support Page 12-20z打开相应的TDC项目:图15打开相应的TDC项目z点击向导按钮,按向导依次进行下面的选择与确认:¾操作员站的选择:图16操作员站的选择IA&DT Service & Support Page 13-20¾需要通讯的TDC程序的选择:图17 需要通讯的TDC程序的选择图18 需要通讯的TDC程序的选择IA&DT Service & Support Page 14-20¾可以对基于通讯的连接进行选择与确认:图19 对基于通讯的连接进行选择与确认¾对变量传输的方式进行设定:图20设定变量传输的方式进行¾最后对变量自动传输确认与启动:IA&DT Service & Support Page 15-20图21 对变量自动传输确认与启动图22 变量自动传输启动¾如传输成功,可在WINCC变量管理器中可看到自动传输过来的变量:IA&DT Service & Support Page 16-20图23 在WINCC变量管理器中可看到自动传输过来的变量c. 最后,同上述一样,在WINCC中需对TCP/IP通道系统参数进行相应的设定。
如何实现WinCCV7和S7-400HPN的工业以太网通信如何实现WinCC V7和S7-400H PN的工业以太网通信1 简介西门子新推出了带有PROFINET 接口的S7-400H PN(CPU 41x-5H),在S7-400H PN 和WinCC之间建立以太网连接(S7容错连接)的配置过程中,较之传统的S7-400H,所需的硬件和软件都产生了变化。
简要说明如下:S7-400H PN通过PN接口连接WinCC,S7-400H PN通过CP443-1连接WinCC请参考传统配置。
硬件要求部署WinCC的OS站需要CP1623/CP1628,传统配置中的CP1613/CP1613 A2不适用。
CP1623网卡订货号:6GK1 162-3AA00CP1623 CP1628CP1623除提供和CP1613 A2相同的功能外,还包括以下功能:符合PCIe x1标准,用于PCI Express插槽内置交换机,集成2个RJ45端口(10/100/1000Mbit/s);外部供电,PC停机时交换机可用兼容所有CP1613的应用,无需更改组态CP1628除提供和CP1623相同的功能外,还包括内置防火墙,支持VPN和SNMP V3等功能。
软件要求在CP1623/CP1628和S7-400H PN之间建立S7容错连接需要S7 RedConnect V8.1.2或更高版本(授权)。
1·simatic net hardnet-ie s7-redconnect v8.1订货号6GK1 716-0HB08 -1AA0(网上大多数使用此订货号,从版本V8.1.2 开始,HARDNET-IE S7 REDCONNECT 支持基于TCP/IP 的连接)Simatic net hardnet-ie s7 v8.1订货号6GK1 716-1CB08-1AA0(这个好像不需要,可能是上面的那个包含了它,待解)以上这两个授权,有可能使用盗版授权也行,因为盗版的也是V8.1的,2·simatic net hardnet-ie s7 redconnect v8.2订货号6GK1 716-0HB08-2AA0本例中所使用的硬件和软件环境如下:(A) S7-400H PNCPU 416-5 H PN/DP (6ES7 416-5HS06-0AB0, Firmware V6.0) IM153-4 PN HF (6ES7 153-4BA00-0XB0, Firmware V4.0)SM 321/322 16DI/DO(B) WinCC ES 工程师站Field PG M3 (6ES7 715-1BB20-0AA0)//西门子笔记本编程器,自动西门子工业软件等。
S7-400PLC以太网通讯说明S7-400 PLC之间通过以太网通讯,采用ISO-on-TCP connection的通讯协议方式,标准功能为FC5,FC6。
1、在SIMATIC MANAGER中建立S7-400站1,2(或更多)。
2、进入HW Config,将S7-400 CP443-1连接到Ethernet(1)上,IP地址和MAC地址设定好。
MAC地址CP443-1模板上可查到。
见下图。
3、在NetPro网络组态中选中一个S7-400的CPU模板,下方显示connection连接设置。
双击空白表格或点菜单Insert 下的new connection,如下图,选中连接伙伴Connection Partner为S7-400-2,连接类型为ISO-on-TCP connection。
OK后弹出下图,可定义连接的ID号,LADDR地址为CP443-1模板地址。
下图为定义好的连接,同时在S7-400-2 CPU下也已连接。
对S7-400-1本地ID为1,伙伴ID 为2;对S7-400-2本地ID为2,伙伴ID为1。
若还有其它PLC,同样设置连接。
在S7-400-1中程序调用如下:CALL FC 5ACT :=TRUE //启动发送ID :=1 //ID号LADDR :=W#16#1FFB //CP443-1通讯板地址SEND :=P#DB5.DBX 0.0 BYTE 20 //发送数据区地址及长度LEN :=20 //数据长度DONE :=M1.0 //运行标志ERROR :=21.1 //故障标志STATUS :=DBW322 //状态字// L 100// T DBW 0CALL FC 6ID :=1 //ID号LADDR :=W#16#1FFB //CP443-1通讯板地址RECV :=P#DB6.DBX 30.0 BYTE 20 //接收数据区地址及长度NDR :=DBX321.2 //运行标志ERROR :=DBX321.3 //故障标志STA TUS:=DBW324 //状态字LEN :=DBW326 //数据长度// L DBD 30// L DBB 35安阳中板轧机油库液压站接线端子箱数量油箱循环冷却泵装置蓄能器活塞缸计平衡液压站: 1 1 1 1 1+1 6传动液压站: 1 1 1 1 4油膜轴承站: 1+1 1 ( 阀组) 1 4稀油润滑站: 1 13、技术规格书3.1 AGC液压系统(预留)3.2.传动液压站3.2.1 用途:粗轧机区各传动液压机构的能源供给。
TDC与S7400以太网通讯实验
1780试验室试验报告
TDC与S7400以太网通讯实验
试验名
称:
2009年4月9
试验时
间:
试验组负责
石国瑞
人:
试验组成
石国瑞
员:
试验目的:
TDC通过标准通讯模板(CP51M1)实现与西门子PLC系统(S7-400)的以太网通讯
试验用硬件:
1、TDC机架(型号:6DD1682-0CH0)
2、CPU模板(型号:6DD1600-0BA1)
3、CP51M1模板(型号:6DD1661-0AE1)
4、PS 407 20A(型号:407-0RA02-0AA0)
5、CUP 414-3 (型号:414-3XJ00-0AB0)
6、CP443-1 (型号:443-1PX11-0XE0)
7、电缆
8、适配器
试验用软件:
PCS7 6.0 +SP2
CFC 6.1 +SP1
试验方案、步骤与过程:
进行S7-400侧的硬件组态,TDC侧的硬件组态。
然后通过NetPro进行网络组态,然后进行两侧的编程调用相应模块,这些模块都是基于TCP连接,在以太网通讯处理器之间发送和接收数据。
1、S7-400侧硬件组态
组态步骤:
A、创建新的项目,在此项目中插入S7-400站
点及TDC站点
B、定义以太网接口,选择以太网模板CP443-1
配置S7-400以太网地址。
为PLC创建新的以
太网连路,设置IP地址192.168.0.1,子网掩
码255.255.255.0。
C、保存编译
D、完成后将硬件下装到PLC,在本次实验中用的是TCPIP协议与PLC连接。
选择TCP/IP,下装硬件配置如图2,进行到图3所示状态时,将PLC钥匙开关打到RUN-P
或者STOP位置。
开始下装,完成后PLC的硬件组态就成功了。
(图1)
(图2)
(图3)
2、TDC侧硬件组态
TDC侧硬件组态步骤:
A、配置TDC-Station硬件。
B、配置TDC以太网接口,连接TDC以太网
模板CP51M1配置以太网地址。
选择S7-400
站点定义的以太网链路,IP地址192.168.0.2,
子网掩码255.255.255.0,编译保存系统硬件
C、编译保存,硬件组态完成。
不需单独下装,
待程序完成后一同下装。
3、NetPro网络组态
网络组态步骤:
a、打开NetPro工具(图1),组态S7-400与
TDC以太网网络。
如图2TDC系统与PLC同时在一个以太网链路中。
图1
b、选择S7-400的CPU模板,选择Insert New Connection为S7-400与TDC建立通讯链路。
c、链路类型选择为TCP connection,S7-400的连接对象为Unspecifide,如图所示。
d、配置TCP链路属性时,需注意ID号及LADDR,它们将在以后的编程中应用到,同时需要注意Active connection establishiment 选项。
选择此选项是将S7-400作为服务的Client;反之,则作为Server。
详细设置如图,在此实验中TDC作为Client,在TDC侧的通讯功能块需要定义Address stage2。
e、根据CP51M1的配置在TCP链路中设定远程IP地址,设定TCP端口号,如图所示。
在此实验中S7-400的端口号为2000,TDC侧端口号为2002。
f、在S7-400与TDC之间建立了新的TCP链接。
如图
g、编译网络配置,并将该配置下载至S7-400CPU中,如图:
h、编译完成后点击PLC的CPU,然后将传输
端口改为TCP/IP。
下装将网络组态
到PLC。
4、S7-400侧编程
在S7-400工业以太网通讯中,将使用两个通讯功能块“FC5 AG_LSEND”和
“FC6 AG_LRECV”。
这些功能块基于
配置的TCP连接,在以太网通讯处理器
之间发送和接收数据。
如图所示在OB1
中调用该功能块。
引脚名称:
ACT 激活,设定信号来触发功能块
ID 连接的ID号,即NetPro中定义的ID 号。
LADDR 起始地址,即硬件配置中CP模
板的起始地址,同样也在NetPro
中显示,格式为16进制,在本
例中为1FFD
SEND 发送参数,设定发送数据的起始
地址和通讯缓冲区的长度,需要
使用下列各式,例如:P#M10.0
BYTE8
LEN 数据长度,定义这个发送任务的
数据长度,以字节为单位。
DONE 完成状态信息
ERROR 通讯发生故障时,管脚输出1
STATUS 在故障分析时可以检查连接引
脚ERROR的故障代码。
5、TDC侧编程
编程步骤:
a、初始化CP51M1模板,使用初始化功能块
@TCPIP初始化以太网通讯接口D1900.X01。
其中诊断维护功能块SER为TDC提供在线诊断,有些功能块的运行周期有一定的限制,如@TCPIP初始化功能块的运行周期需要在32m s≤TA≤256ms,所以需要调整该块默认所在运行周期,即定义该块的运行时间组
(RUNTIME Group)
b、使用功能块CTV_P/CRV_P与S7-400交换数据,详细编程如图所示。
在本实验中,通道名如下:
CTV_P的AT ′TR1.T-02002.192168000001-02000
CR V_P的AT ′TR2.T-02002.192168000001-02000
语法:
ChannelName.T-LcoalPortNumber.Part
nerIPadress-PartnerPortNumber
CTV引脚说明:
CTS 为通讯接口D1900C.X01;
AR 通讯地址;
MOD 通讯模式,R;
EN 模块使能。
本地系统端口号设为2002,远程系统端口号设为2000。
功能块CTV_P/CRV_P的引脚NBY侧的数据长度要与S7侧相同。
两者之间的对应关系如图,由于与S7 PLC通讯,其字节的高低位置是相反的,所以将功能块DWR 和DRD的SWP引脚置1,然后插入W _B功能块连接DRD的Y引脚,将PLC发送过来的8个字节显示出来,将程序分别下载到TDC与S7 PLC中。
c、将PLC400中的M10开始的8个字节设值
(如图1),然后在W_B快读到相应的值,通
讯建立成功。
试验结果:
已经实现S7-400与TDC的TCP/IP通讯。