机械制图公差尺寸及查表
- 格式:doc
- 大小:276.50 KB
- 文档页数:6
国家标准《公差与配合》规定了公差带由标准公差和基本偏差两个要素组成。
标准公差确定公差带的大小,而基本偏差确定公差带的位置,见下图)标准公差(IT)标准公差的数值由基本尺寸和公差等级来决定。
其中公差等级是确定尺寸精确程度的等级。
国家标准《公差与配合》规定了公差带由标准公差和基本偏差两个要素组成。
1)标准公差标准公差(IT)是国家标准规定的极限制中列出的任一公差数值。
下表列出了国家标准(GB/T 1800.3—1998)规定的机械制造行业常用尺寸(尺寸至500mm)的标准公差数值。
标准公差等级及其代号标准公差等级是指确定尺寸精确程度的等级。
为了满足机械制造中各零件尺寸不同精度的要求,国家标准在基本尺寸至500mm范围内规定了20个标准公差等级,用符号IT和数值表示:IT01、IT0、IT1、IT2~IT18。
其中,IT01精度等级最高,其余依次降低,IT18等级最低。
在基本尺寸相同的条件下,标准公差数值随公差等级的降低而依次增大,详见表1 同一公差等级(例如IT6)对所有基本尺寸的一组公差被认为具有同等精确程度。
2)基本偏差基本偏差一般是指上下两个偏差中靠近零线的那个偏差。
即当公差带位于零线上方时,基本偏差为下偏差;当公差带位于零线下方时,基本偏差为上偏差,见上图。
国家标准对孔和轴均规定了28个不同的基本偏差。
基本偏差代号用拉丁字母表示,大写字母表示孔,小写字母表示轴。
下图是孔和轴的28个基本偏差系列图。
从基本偏差系列图可知,轴的基本偏差从a到h为上偏差(es),且是负值,其绝对值依次减小;从j到2c为下偏差(ei),且是正值,其绝对值依次增大。
孔的基本偏差从A到H为下偏差(E1),且是正值,其绝对值依次减小,从J到ZC为上偏差(Es),且是负值,其绝对值依次增大;其中H和h的基本偏差为零。
JS和js对称于零线,没有基本偏差,其上,下偏差分别为+IT/2和-IT/2。
基本偏差系列图只表示了公差带的各种位置,所以只画出属于基本偏差的一端,另一端则是开口的,即公差带的另一端取决于标准公差(IT)的大小。
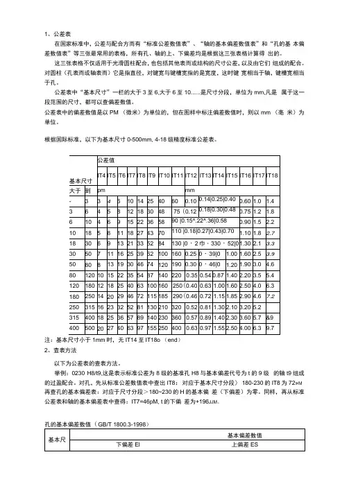
1、公差表
在国家标准中,公差与配合方面有“标准公差数值表”、“轴的基本偏差数值表”和“孔的基本偏差数值表”等三张最经常使用的表格,所有孔、轴的上、下偏差均是根据这三张表格计算得出的。
这三张表格不但适用于光滑圆柱配合,也包含其他概略或结构的尺寸公差,以及由它们组成的配合。
对圆柱(孔概略或轴概略)它是指直径,对键宽与键槽宽指的是宽度,这时键宽相当于轴,键槽宽相当于孔。
公差表中“基本尺寸”一栏的年夜于3至6,年夜于6至10……是尺寸分段,单位为mm,但凡属于这一段规模的尺寸,都可以查偏差数值。
公差表中的偏差数值是以μм(微米)为单位的,但在图样中标注偏差数值时,则以mm(毫米)为单位。
根据国际标准,以下为基本尺寸0500mm,418级精度标准公差表。
注:基本尺寸小于1mm时,无IT14至IT18。
(end)
2、查表办法
以下为公差表的查表办法。
举例:Φ230 H8/t9,这是暗示标准公差为8级的基准孔H8与基本偏差代号为t的9级的轴t9组成的过盈配合。
对孔,先从标准公差数值表中查出IT8:对应于基本尺寸分段>180~230的IT8为72μм。
再查孔的基本偏差表:对应于尺寸分段>180~230的H的基本偏差(下偏差)为零。
同样,再从标准公差表和轴的基本偏差表中查得:IT7=46μм,t的下偏差为+196μм。
孔的基本偏差数值(GB/T 1800.31998)
轴的基本偏差数值(摘自GB/T 1800.3—1998)(mm)
注:1.基本尺寸≤1mm时,基本偏差a和b均不采取。
作者:旧在几作品编号:2254487796631145587263GF24000022时间:2020.12.131、公差表在国家标准中,公差与配合方面有“标准公差数值表”、“轴的基本偏差数值表”和“孔的基本偏差数值表”等三张最常用的表格,所有孔、轴的上、下偏差均是根据这三张表格计算得出的。
这三张表格不仅适用于光滑圆柱配合,也包括其他表面或结构的尺寸公差,以及由它们组成的配合。
对圆柱(孔表面或轴表面)它是指直径,对键宽与键槽宽指的是宽度,这时键宽相当于轴,键槽宽相当于孔。
公差表中“基本尺寸”一栏的大于3至6,大于6至10……是尺寸分段,单位为mm,凡是属于这一段范围的尺寸,都可以查偏差数值。
公差表中的偏差数值是以μм(微米)为单位的,但在图样中标注偏差数值时,则以mm(毫米)为单位。
根据国际标准,以下为基本尺寸0-500mm,4-18级精度标准公差表。
2、查表方法以下为公差表的查表方法。
举例:Φ230 H8/t9,这是表示标准公差为8级的基准孔H8与基本偏差代号为t的9级的轴t9组成的过盈配合。
对孔,先从标准公差数值表中查出IT8:对应于基本尺寸分段>180~230的IT8为72μм。
再查孔的基本偏差表:对应于尺寸分段>180~230的H的基本偏差(下偏差)为零。
同样,再从标准公差表和轴的基本偏差表中查得:IT7=46μм,t 的下偏差为+196μм。
轴的基本偏差数值(摘自GB/T 1800.3—1998)(mm)注:1.基本尺寸≤1mm时,基本偏差a和b均不采用。
作者:旧在几作品编号:2254487796631145587263GF24000022时间:2020.12.13。
机械制图公差等级表引言在机械制图中,公差等级表是一种标准化的工具,用于定义和控制零件的尺寸和形状的变化。
公差等级表包含一系列公差等级,每个等级都定义了允许的尺寸和形状变化的范围。
在设计和制造过程中,选择适当的公差等级可以确保零件之间的相互兼容性,并满足设计要求。
本文将介绍机械制图中常用的公差等级表,包括其定义、分类和应用。
1. 公差等级表的定义公差等级表是一种标准文档,用于规定零件的公差范围。
它提供了一种标准化的方法来描述尺寸和形状的变化。
公差等级表通常由国际标准组织或国家标准化机构制定,以确保在不同制造环境下的一致性。
2. 公差等级表的分类公差等级表通常按照国际标准化组织(ISO)的分类进行划分。
ISO 2768制定了一系列公差等级,分别适用于直线尺寸、角度尺寸和曲面尺寸。
在ISO 2768中,公差等级分为三个级别:一般级别、中等级别和精密级别。
•一般级别(General):适用于要求一般制造精度的零件。
这些零件通常用于一般应用,并具有宽容度较大的公差范围。
•中等级别(Medium):适用于要求中等制造精度的零件。
这些零件通常用于一般机械和设备,公差范围相对较小。
•精密级别(Precision):适用于要求高精度制造的零件。
这些零件通常用于精密仪器和设备,具有较小的公差范围。
3. 公差等级表的应用公差等级表在机械制图中起着非常重要的作用,它们帮助设计师和制造商控制零件的尺寸和形状变化,并确保在装配过程中的兼容性。
通过选择适当的公差等级,设计师可以在满足功能和性能要求的同时,避免制造过程中的困难和成本增加。
公差等级表还可以帮助设计师确定零件之间的最大和最小公差,并确保在装配过程中的正确配合。
此外,公差等级表还可以用于制定检验和调整方案,以确保最终产品的质量。
4. 举例说明下面是一个简单的公差等级表示例:尺寸 (mm) 一般级别 (mm) 中等级别 (mm) 精密级别 (mm)0-10 ±0.15 ±0.1 ±0.0510-20 ±0.2 ±0.15 ±0.120-30 ±0.25 ±0.2 ±0.15大于30 ±0.3 ±0.25 ±0.2以上表格示例中,左侧的尺寸范围是指一种零件的尺寸,而表格中的一般级别、中等级别和精密级别则表示允许的公差范围。
1、公差表
在国家标准中,公差与配合方而有“标准公差数值表”、“轴的基本偏差数值表”和“孔的基本偏差数值表”等三张最常用的表格,所有孔、轴的上、下偏差均是根据这三张表格计算得出的。
这三张表格不仅适用于光滑圆柱配合,也包括其他表而或结构的尺寸公差,以及由它们组成的配合。
对圆柱(孔表而或轴表而)它是指直径,对键宽与键槽宽指的是宽度,这时键宽相当于轴,键槽宽相当于孔。
公差表中“基本尺寸”一栏的大于3至6,大于6至10......是尺寸分段,单位为mm,凡是属于这一段范围的尺寸,都可以查偏差数值。
公差表中的偏差数值是以PM (微米)为单位的,但在图样中标注偏差数值时,则以mm (亳米)为单位。
根据国际标准,以下为基本尺寸0-500mm, 4-18级精度标准公差表。
注:基本尺寸小于1mm时,无IT14至IT18o (end)
2、査表方法
以下为公差表的查表方法。
举例:0230 H8/t9,这是表示标准公差为8级的基准孔H8与基本偏差代号为t的9级的轴t9组成的过盈配合。
对孔,先从标准公差数值表中查出IT8:对应于基本尺寸分段〉180-230的IT8为72»M°再查孔的基本偏差表:对应于尺寸分段>180~230的H的基本偏差(下偏差)为零。
同样,再从标准公差表和轴的基本偏差表中查得:IT7=46pM, t的下偏差为+196JJM。
孔的基本偏差数值GB/T 1800.3-1998)
轴的基本偏差数值(摘自GB/T 1800.3-1998) (mm )
基本。
1、公差表在国家标准中,公差与配合方面有“标准公差数值表”、“轴的基本偏差数值表”和“孔的基本偏差数值表”等三张最常用的表格,所有孔、轴的上、下偏差均是根据这三张表格计算得出的。
这三张表格不仅适用于光滑圆柱配合,也包括其他表面或结构的尺寸公差,以及由它们组成的配合。
对圆柱(孔表面或轴表面)它是指直径,对键宽与键槽宽指的是宽度,这时键宽相当于轴,键槽宽相当于孔。
公差表中“基本尺寸”一栏的大于 3 至 6,大于 6 至 10是尺寸分段,单位为 mm,凡是属于这一段范围的尺寸,都可以查偏差数值。
公差表中的偏差数值是以μм(微米)为单位的,但在图样中标注偏差数值时,则以mm(毫米)为单位。
根据国际标准,以下为基本尺寸0-500mm, 4-18 级精度标准公差表。
公差值IT4 IT5 IT6 IT7 IT8 IT9 IT10 IT11 IT12 IT13 IT14 IT15 IT16 IT17 IT18 基本尺寸大于到μm mm- 3 3 4 6 10 14 25 40 603 645 8 12 18 30 48 756 10 4 6 9 15 22 36 58 9010 18 5 8 11 18 27 43 70 11018 30 6 9 13 21 33 52 84 13030 50 7 11 16 25 39 62 100 1605080 8 13 19 30 46 74 120 19080120 10 15 22 35 54 87 140 220120180 12 18 25 40 63 100 160 250180250 14 20 29 46 72 115 185 290250315 16 23 32 52 81 130 210 320315400 18 25 36 57 89 140 230 360400 500 20 27 40 63 97 155 250 400注:基本尺寸小于1mm时,无 IT14 至 IT18 。
1、公差表
在国家标准中,公差与配合方面有“标准公差数值表”、“轴的基本偏差数值表”和“孔的基本偏差数值表”等三张最常用的表格,所有孔、轴的上、下偏差均是根据这三张表格计算得出的。
这三张表格不仅适用于光滑圆柱配合,也包括其他表面或结构的尺寸公差,以及由它们组成的配合。
对圆柱(孔表面或轴表面)它是指直径,对键宽与键槽宽指的是宽度,这时键宽相当于轴,键槽宽相当于孔。
公差表中“基本尺寸”一栏的大于3至6,大于6至10……是尺寸分段,单位为mm,凡是属于这一段范围的尺寸,都可以查偏差数值。
公差表中的偏差数值是以μм(微米)为单位的,但在图样中标注偏差数值时,则以mm(毫米)为单位。
根据国际标准,以下为基本尺寸0-500mm,4-18级精度标准公差表。
注:基本尺寸小于1mm时,无IT14至IT18。
(end)
2、查表方法
以下为公差表的查表方法。
举例:Φ230 H8/t9,这是表示标准公差为8级的基准孔H8与基本偏差代号为t的9级的轴t9组成的过盈配合。
对孔,先从标准公差数值表中查出IT8:对应于基本尺寸分段>180~230的IT8为72μм。
再查孔的基本偏差表:对应于尺寸分段>180~230的H的基本偏差(下偏差)为零。
同样,再从标准公差表和轴的基本偏差表中查得:IT7=46μм,t的下偏差为+196μм。
孔的基本偏差数值(GB/T 1800.3-1998)
轴的基本偏差数值(摘自GB/T 1800.3—1998)(mm)
注:1.基本尺寸≤1mm时,基本偏差a和b均不采用。
国家标准?公差与配合?规定了公差带由标准公差和根本偏向两个要素组成。
标准公差确定公差带的大小,而根本偏向确定公差带的位置,见以下图〕标准公差〔IT〕标准公差的数值由根本尺寸和公差等级来决定。
其中公差等级是确定尺寸准确程度的等级。
国家标准?公差与配合?规定了公差带由标准公差和根本偏向两个要素组成。
1〕标准公差标准公差(IT)是国家标准规定的极限制中列出的任一公差数值。
下表列出了国家标准(GB/T 1800.3—1998)规定的机械制造行业常用尺寸(尺寸至500mm)的标准公差数值。
标准公差等级及其代号标准公差等级是指确定尺寸准确程度的等级。
为了满足机械制造中各零件尺寸不同精度的要求,国家标准在根本尺寸至500mm范围内规定了20个标准公差等级,用符号IT和数值表示:IT01、IT0、IT1、IT2~IT18。
其中,IT01精度等级最高,其余依次降低,IT18等级最低。
在根本尺寸一样的条件下,标准公差数值随公差等级的降低而依次增大,详见表1同一公差等级(例如IT6)对所有根本尺寸的一组公差被认为具有同等准确程度。
2〕根本偏向根本偏向一般是指上下两个偏向中靠近零线的那个偏向。
即当公差带位于零线上方时,根本偏向为下偏向;当公差带位于零线下方时,根本偏向为上偏向,见上图。
国家标准对孔和轴均规定了28个不同的根本偏向。
根本偏向代号用拉丁字母表示,大写字母表示孔,小写字母表示轴。
以下图是孔和轴的28个根本偏向系列图。
从根本偏向系列图可知,轴的根本偏向从a到h为上偏向〔es〕,且是负值,其绝对值依次减小;从j到2c为下偏向〔ei〕,且是正值,其绝对值依次增大。
孔的根本偏向从A到H为下偏向〔E1〕,且是正值,其绝对值依次减小,从J到ZC 为上偏向〔Es〕,且是负值,其绝对值依次增大;其中H和h的根本偏向为零。
JS和js对称于零线,没有根本偏向,其上,下偏向分别为+IT/2和-IT/2。
根本偏向系列图只表示了公差带的各种位置,所以只画出属于根本偏向的一端,另一端那么是开口的,即公差带的另一端取决于标准公差〔IT〕的大小。
1、公差表在国家标准中,公差与配合方面有“标准公差数值表”、“轴的基本偏差数值表” 和“孔的基本偏差数值表”等三张最常用的表格,所有孔、轴的上、下偏差均是根据这三张表格计算得出的。
这三张表格不仅适用于光滑圆柱配合,也包括其他表面或结构的尺寸公差,以及由它们组成的配合。
对圆柱(孔表面或轴表面)它是指直径,对键宽与键槽宽指的是宽度,这时键宽相当于轴,键槽宽相当于孔。
公差表中“基本尺寸”一栏的大于 3 至6,大于 6 至10⋯⋯是尺寸分段,单位为mm,凡是属于这一段范围的尺寸,都可以查偏差数值。
公差表中的偏差数值是以μм(微米)为单位的,但在图样中标注偏差数值时,则以mm(毫米)为单位。
根据国际标准,以下为基本尺寸0-500mm,4-18 级精度标准公差表。
注:基本尺寸小于1mm时,无IT14 至IT18 。
(end)2、查表方法以下为公差表的查表方法。
举例:Φ 230 H8/t9 ,这是表示标准公差为8 级的基准孔H8 与基本偏差代号为t 的9 级的轴t9 组成的过盈配合。
对孔,先从标准公差数值表中查出IT8 :对应于基本尺寸分段>180~230 的IT8 为72μм。
再查孔的基本偏差表:对应于尺寸分段>180~230 的H 的基本偏差(下偏差)为零。
同样,再从标准公差表和轴的基本偏差表中查得:IT7=46μм,t 的下偏差为+196μм。
GB/T注: 1 、基本尺寸小于或等于1mm时,基本偏差 A 和B及大于IT8 的N均不采用。
2、js的偏差= ,其中ITn 是IT 值数;公差带JS7至JS11,若ITn 值数是奇数,则取偏差= 。
3、对小于或等于IT8 的K、M、N和小于或等于IT7 的P 至ZC,所需△值从表内右侧选取。
例如:18 ~30mm段的K7:△=8μm,所以ES=-2+8=+6μm,18~30mm段的S6:△ =4μ m,所以ES=-35+4=- 31μm4、特殊情况:250~315mm段的M6,ES=-9μm(代替- 11μm)。
1、公差表
在国家标准中,公差与配合方面有“标准公差数值表”、“轴的基本偏差数值表”与“孔的基本偏差数值表”等三张最常用的表格,所有孔、轴的上、下偏差均就是根据这三张表格计算得出的。
这三张表格不仅适用于光滑圆柱配合,也包括其她表面或结构的尺寸公差,以及由它们组成的配合。
对圆柱(孔表面或轴表面)它就是指直径,对键宽与键槽宽指的就是宽度,这时键宽相当于轴,键槽宽相当于孔。
公差表中“基本尺寸”一栏的大于3至6,大于6至10……就是尺寸分段,单位为mm,凡就是属于这一段范围的尺寸,都可以查偏差数值。
公差表中的偏差数值就是以μм(微米)为单位的,但在图样中标注偏差数值时,则以mm(毫米)为单位。
根据国际标准,以下为基本尺寸0-500mm,4-18级精度标准公差表。
注:基本尺寸小于1mm时,无IT14至IT18。
(end)
2、查表方法
以下为公差表的查表方法。
举例:Φ230 H8/t9,这就是表示标准公差为8级的基准孔H8与基本偏差代号为t的9级的轴t9组成的过盈配合。
对孔,先从标准公差数值表中查出IT8:对应于基本尺寸分段>180~230的IT8为72μм。
再查孔的基本偏差表:对应于尺寸分段>180~230的H的基本偏差(下偏差)为零。
同样,再从标准公差表与轴的基本偏差表中查得:IT7=46μм,t的下偏差为+196μм。
孔的基本偏差数值(GB/T 1800、3-1998)
轴的基本偏差数值 (摘自GB/T 1800、3—1998)(mm)。
1、公差表
在国家标准中,公差与配合方面有“标准公差数值表”、“轴的基本偏差数值表”和“孔的基本偏差数值表”等三张最常用的表格,所有孔、轴的上、下偏差均是根据这三张表格计算得出的。
这三张表格不仅适用于光滑圆柱配合,也包括其他表面或结构的尺寸公差,以及由它们组成的配合。
对圆柱(孔表面或轴表面)它是指直径,对键宽与键槽宽指的是宽度,这时键宽相当于轴,键槽宽相当于孔。
公差表中“基本尺寸”一栏的大于3至6,大于6至10……是尺寸分段,单位为mm,凡是属于这一段范围的尺寸,都可以查偏差数值。
公差表中的偏差数值是以μм(微米)为单位的,但在图样中标注偏差数值时,则以mm(毫米)为单位。
根据国际标准,以下为基本尺寸0-500mm,4-18级精度标准公差表。
注:基本尺寸小于1mm时,无IT14至IT18。
(end)
2、查表方法
以下为公差表的查表方法。
举例:Φ230H8/t9,这是表示标准公差为8级的基准孔H8与基本偏差代号为t 的9级的轴t9组成的过盈配合。
对孔,先从标准公差数值表中查出IT8:对应于基本尺寸分段>180~230的IT8为72μм。
再查孔的基本偏差表:对应于尺寸分段>180~230的H的基本偏差(下偏差)为零。
同样,再从标准公差表和轴的基本偏差表中查得:IT7=46μм,t的下偏差为+196μм。
孔的基本偏差数值(GB/T 1800.3-1998)
轴的基本偏差数值(摘自GB/T 1800.3—1998)(mm)
注:1.基本尺寸≤1mm时,基本偏差a和b均不采用。
国家标准《公差与配合》规定了公差带由标准公差和基本偏差两个要素组成。
标准公差确定公差带的大小,而基本偏差确定公差带的位置,见下图)标准公差(IT)标准公差的数值由基本尺寸和公差等级来决定。
其中公差等级是确定尺寸精确程度的等级。
国家标准《公差与配合》规定了公差带由标准公差和基本偏差两个要素组成。
1)标准公差标准公差(IT)是国家标准规定的极限制中列出的任一公差数值。
下表列出了国家标准(GB/T 1800.3—1998)规定的机械制造行业常用尺寸(尺寸至500mm)的标准公差数值。
标准公差等级及其代号标准公差等级是指确定尺寸精确程度的等级。
为了满足机械制造中各零件尺寸不同精度的要求,国家标准在基本尺寸至500mm范围内规定了20个标准公差等级,用符号IT和数值表示:IT01、IT0、IT1、IT2~IT18。
其中,IT01精度等级最高,其余依次降低,IT18等级最低。
在基本尺寸相同的条件下,标准公差数值随公差等级的降低而依次增大,详见表1同一公差等级(例如IT6)对所有基本尺寸的一组公差被认为具有同等精确程度。
2)基本偏差基本偏差一般是指上下两个偏差中靠近零线的那个偏差。
即当公差带位于零线上方时,基本偏差为下偏差;当公差带位于零线下方时,基本偏差为上偏差,见上图。
国家标准对孔和轴均规定了28个不同的基本偏差。
基本偏差代号用拉丁字母表示,大写字母表示孔,小写字母表示轴。
下图是孔和轴的28个基本偏差系列图。
从基本偏差系列图可知,轴的基本偏差从a到h为上偏差(es),且是负值,其绝对值依次减小;从j到2c为下偏差(ei),且是正值,其绝对值依次增大。
孔的基本偏差从A到H为下偏差(E1),且是正值,其绝对值依次减小,从J到ZC 为上偏差(Es),且是负值,其绝对值依次增大;其中H和h的基本偏差为零。
JS和js对称于零线,没有基本偏差,其上,下偏差分别为+IT/2和-IT/2。
基本偏差系列图只表示了公差带的各种位置,所以只画出属于基本偏差的一端,另一端则是开口的,即公差带的另一端取决于标准公差(IT)的大小。
1、公差表
在国家标准中,公差与配合方面有“标准公差数值表”、“轴的基本偏差数值表”和“孔的基本偏差数值表”等三张最常用的表格,所有孔、轴的上、下偏差均是根据这三张表格计算得出的。
这三张表格不仅适用于光滑圆柱配合,也包括其他表面或结构的尺寸公差,以及由它们组成的配合。
对圆柱(孔表面或轴表面)它是指直径,对键宽与键槽宽指的是宽度,这时键宽相当于轴,键槽宽相当于孔。
公差表中“基本尺寸”一栏的大于3至6,大于6至10……是尺寸分段,单位为mm,凡是属于这一段范围的尺寸,都可以查偏差数值。
公差表中的偏差数值是以μм(微米)为单位的,但在图样中标注偏差数值时,则以mm(毫米)为单位。
根据国际标准,以下为基本尺寸0-500mm,4-18级精度标准公差表。
注:基本尺寸小于1mm时,无IT14至IT18。
(end)
2、查表方法
以下为公差表的查表方法。
举例:Φ230 H8/t9,这是表示标准公差为8级的基准孔H8与基本偏差代号为t的9级的轴t9组成的过盈配合。
对孔,先从标准公差数值表中查出IT8:对应于基本尺寸分段>180~230的IT8为72μм。
再查孔的基本偏差表:对应于尺寸分段>180~230的H的基本偏差(下偏差)为零。
同样,再从标准公差表和轴的基本偏差表中查得:IT7=46μм,t的下偏差为+196μм。
孔的基本偏差数值(GB/T )
注:1.基本尺寸≤1mm时,基本偏差a和b均不采用。