自动喷水灭火系统稳压装置安装检查记录
- 格式:rtf
- 大小:57.67 KB
- 文档页数:2
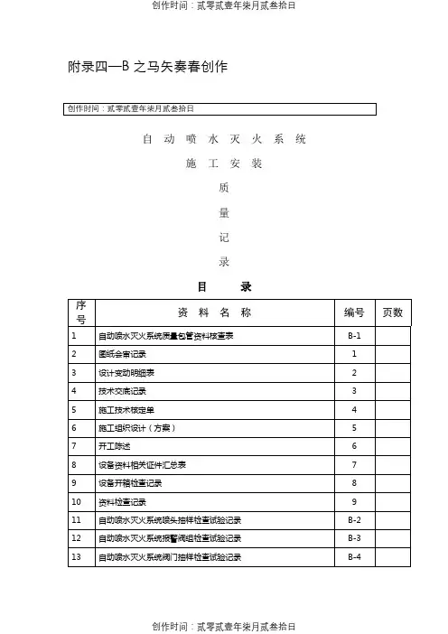
附录四— B自动喷水灭火系统施工安装质量记录目录自动喷水灭火系统质量保证资料核查表编号:B-1第册第页图纸会审记录编号:1注:设计修改应由设计单位另发变更通知单。
表内不够填写时,可附后。
第册第页设计变更明细表编号:2注:后附设计变更通知单份第册第页技术交底记录编号:3第册第页施工技术核定单编号:4第册第页施工组织设计(方案)编号:5注:如本页不够填写,可附后。
第册第页开工报告编号:6第册第页喷淋系统设备、材料相关证件汇总表编号:7注:各种证件整理附后。
第册第页喷淋系统设备开箱检查记录编号:8第册第页喷淋系统材料检查记录编号:9第册第页自动喷水灭火系统喷头抽样检查试验记录编号:B-2自动喷水灭火系统报警阀组检查试验记录编号:B-3第册第页自动喷水灭火系统阀门抽样检查试验记录编号:B-4自动喷水灭火系统管道安装检查记录编号:B-5第册第页续表编号:B-5第册第页自动喷水灭火系统管道支架制作安装检查记录编号:B-6自动喷水灭火系统管道试压记录编号:B-7自动喷水灭火系统管道冲洗记录编号:B-8自动喷水灭火系统管道防腐记录编号:B-9自动喷水灭火系统管道保温记录编号:B-10喷淋系统消防配电线路敷设检查记录编号:10自动喷水灭火系统管道隐蔽验收记录编号:B-11第册第页喷淋系统消防配电线路隐蔽验收记录编号:11第册第页自动喷水灭火系统水源设施安装检查记录编号:B-12第册第页自动喷水灭火系统水泵安装检查记录编号:B-13第册第页自动喷水灭火系统稳压装置安装检查记录编号:B-14第册第页自动喷水灭火系统水泵接合器安装检查记录编号:B-15第册第页自动喷水灭火系统报警阀组安装检查记录编号:B-16第册第页编号:B-17第册第页自动喷水灭火系统喷头安装检查记录编号:B-18第册第页续表编号:B-18第册第页第册第页自动喷水灭火系统末端试水装置安装检查记录编号:B-19第册第页续表编号:B-19第册第页自动喷水灭火系统充气装置安装检查记录编号:B-20第册第页自动喷水灭火系统水泵试验记录编号:B-21第册第页自动喷水灭火系统稳压装置试验记录编号:B-22第册第页自动喷水灭火系统末端试水装置放水试验编号:B-23第册第页续表编号:B-23第册第页自动喷水灭火系统报警阀组动作记录编号:B-24第册第页自动喷水灭火系统联动试验记录编号:B-25自动喷水灭火系统调试报告编号:B-26第册第页自动喷水灭火系统自检报告编号:B-27第册第页续表编号:B-27第册第页喷淋系统竣工报告编号:12第册第页喷淋系统设备移交清单编号:13。
自动喷水灭火系统其他组件
安装检验批质量验收记录
表5.40.5 工程编号:
自动喷水灭火系统水压试验检验批质量验收记录表5.40.6 工程编号:
表5.40.7 自动喷水灭火系统气压试验检验批质量验收记录工程编号:
表5.40.8 工程编号:
表5.40.9 工程编号:
自动喷水灭火系统材料、设备进场
检验批质量验收记录
表5.40.1 工程编号:
自动喷水灭火系统管网安装检验批质量验收记录表5.40.1 工程编号:
自动喷水灭火系统喷头安装
检验批质量验收记录
表5.40.3 工程编号:
自动喷水灭火系统报警阀组安装
检验批质量验收记录
表5.40.4 工程编号:。
自动喷水灭火系统、水喷雾灭火系统、细水雾灭火系统施工检查记录
表1施工现场质量管理检查记录
自动喷水灭火系统、水喷雾灭火系统、细水雾灭火系统施工检查记录
表2-2施工过程质量检查记录
表2-3施工过程质量检查记录
表2-4施工过程质量检查记录
表2-5施工过程质量检查记录
表2-6施工过程质量检查记录
表2-7施工过程质量检查记录
表2-8施工过程质量检查记录
表2-9施工过程质量检查记录
表2-10施工过程质量检查记录
表2-11系统试压记录
表2-12管网冲洗记录
表2-13安全阀、减压孔板、减压阀试验记录
表2-14阀门及水泵接合器试验记录
表2-15湿式自动喷水灭火系统联动试验记录
表2-16干式自动喷水灭火系统联动试验记录
表2-17预作用自动喷水灭火系统联动试验记录
表2-18水幕、雨淋自动喷水灭火系统、水喷雾灭火系统、细水雾灭火系统联动试验记录
表2-19管路安装及隐蔽工程记录
表3工程质量控制资料核查记录
表4-1工程验收记录
表4-2工程验收记录
表4-3工程验收记录
表4-4工程验收记录
表4-5工程验收记录
表4-6工程验收记录
表4-7工程验收记录
表4-8工程验收记录
表4-9工程验收记录
自动喷水灭火系统、水喷雾灭火系统、细水雾灭火系统工程验收记录
表4-10工程验收记录
自动喷水灭火系统、水喷雾灭火系统、细水雾灭火系统工程验收记录。
自动喷水灭火系统报警阀组及其它组件安装工程检验批质量验收记录表
GD50261-2005
GD2405SZ004
0 1 Array深圳市建设局、深圳市档案局监制深圳市文档服务中心印制
自动喷水灭火系统工程质量验收表(Ⅱ)
GD2302SZ005
0 1
自动喷水灭火系统工程质量验收记录
GD2302SZ004
0 1
自动喷水灭火系统供水设施安装工程检验批质量验收记录表
GB50261-2001
GD2405SZ001
0 1
自动喷水灭火系统管网安装工程检验批质量验收记录表
GB50261-2005
GD2405SZ002
0 1
自动喷水灭火系统喷头安装工程检验批质量验收记录表
GD50261-2005
GD2405SZ003
0 1 Array深圳市建设局、深圳市档案局监制深圳市文档服务中心印制。
消防自动喷水灭火系统安装检验批质量验
收记录
项目信息
- 项目名称:
- 项目地址:
- 检验日期:
安装检验内容
1. 自动喷水灭火系统的设计、材料和设备是否符合相关技术标准和要求;
2. 管道安装是否牢固、密封性良好;
3. 喷头的位置是否合理、布置是否均匀;
4. 控制系统的运行是否正常、报警器是否灵敏;
5. 水泵及其控制系统的安装是否符合技术要求;
6. 系统的电气连接是否可靠,是否有漏电现象;
7. 其他需要检查的项目。
验收结果
- 安装检验经过充分检查,符合相关技术标准和要求;
- 安装质量良好,符合设计要求;
- 无漏水、漏电等安全隐患;
- 自动喷水灭火系统可正常运行。
验收结论
经过现场检验和测试,本次消防自动喷水灭火系统的安装质量符合相关技术标准和要求,达到预期效果。
验收人员对此次安装表示满意。
验收人员
- 验收人员1:
- 验收人员2:
- 验收人员3:
注
请在验收过程中,详细记录各项检查结果和意见,如有不符合项,请注明具体问题及解决情况。
验收记录应保存至少3年供查阅。