承插型盘扣式钢管支架主要构配件种类、规格及质量
- 格式:docx
- 大小:16.45 KB
- 文档页数:2
建筑施工承插型盘扣式钢管脚手架和模板支撑架选用技术Technical standard for safety of disk lock steel tubular scaffold and formwork support inconstruction目次1总则 (4)2术语和符号 (5)2.1术语 (5)2.2符号 (7)3主要构配件 (9)3.1主要组成构件 (9)4落地双排钢管脚手架 (21)4.1选用条件及架体尺寸选用 (21)4.2构造要求 (22)5满堂钢管脚手架 (27)5.1选用条件及架体尺寸选用 (27)5.2构造要求 (27)6型钢悬挑式脚手架 (28)6.1选用条件及型钢型号与架体尺寸选用 (28)6.2构造要求 (30)7模板支撑架 (34)7.1选用条件及架体尺寸选用 (34)7.2构造要求 (37)8施工 (44)8.1施工准备 (44)8.2检查与验收 (44)8.3监测 (46)8.4拆除 (46)9安全管理 (48)Contents1General Provisions (5)2Terms and Symbols (6)2.1Terms (6)2.2Symbols (8)3Components (10)3.1Main Components (10)3.2Material Requirments (16)3.3Quality Requirements (19)4Steel Tubular Floor Scaffold with in Double Row (22)4.1Conditions of Selecting and Scaffold Dimensions (22)4.2Requirementsof Details (23)5Steel Tubular Full Scaffold (33)5.1Conditions of Selecting and Scaffold Dimensions (33)5.2Requirementsof Details (33)6Profiled Steel Cantiliver Scaffold (34)6.1Conditions of Selecting and Profiled Steel&Scaffold Dimensions (34)6.2Requirementsof Details (36)7Formwork Support (42)7.1Conditions of Selecting and Scaffold Dimensions (42)7.2Requirementsof Details (46)8Construction (58)8.1Preparation for Construction (58)8.2Inspection and Acceptance (58)8.3Monitoring (60)8.4Disassembly (60)9Safety Management (62)1总则1.0.1为在建筑施工承插型盘扣式钢管支架的设计、施工、使用及管理中,贯彻执行国家安全生产、绿色可持续发展的方针政策,做到技术先进、经济合理、安全适用,制定本标准。
承插型盘扣式钢管脚手架构配件应用标准在建筑施工中,脚手架是必不可少的一个重要辅助工具。
而承插型盘扣式钢管脚手架构配件作为脚手架的重要组成部分,其应用标准更是至关重要。
本文将从深度和广度两方面对承插型盘扣式钢管脚手架构配件的应用标准进行全面评估,并为您进行详细介绍。
从简到繁地说,承插型盘扣式钢管脚手架构配件是一种由钢管、扣件、横杆、纵向杆等组成的脚手架系统,其特点是安全可靠、结构简单、安装方便。
在使用该脚手架系统时,必须严格遵守相关的应用标准,以确保施工安全和质量。
而这些应用标准主要包括以下几个方面:1. 工程技术标准在使用承插型盘扣式钢管脚手架构配件时,首先要遵守国家、行业的相关工程技术标准,包括建筑工程脚手架安装与拆除规范、建筑施工脚手架结构设计规范等。
这些标准规定了脚手架的结构设计、安装要求、使用规定、检验标准等内容,对承插型盘扣式钢管脚手架的应用提供了明确的规范和要求。
2. 材料标准承插型盘扣式钢管脚手架构配件所使用的钢管、扣件、横杆等材料必须符合国家标准,具有合格的质量证明。
在施工现场使用时,还要定期进行材料的检验和测试,确保各项指标符合标准要求。
3. 安全使用标准在搭建、拆除和使用承插型盘扣式钢管脚手架时,必须严格按照相关的安全使用标准进行操作。
比如:搭建时要注意脚手架的稳固性和承重性能;使用过程中要防止横向滑移和倾倒等情况发生;拆除时要严格按照规程进行,防止意外发生。
4. 检验和维护标准承插型盘扣式钢管脚手架构配件的定期检验和维护也是非常重要的。
根据相关标准规定,对脚手架系统的各个配件进行定期检查,确保其在使用过程中没有破损、变形、锈蚀等情况;对脚手架系统进行定期维护,保证其在使用中的安全和稳定性。
总结回顾起来,承插型盘扣式钢管脚手架构配件的应用标准涉及到工程技术、材料、安全使用、检验和维护等多个方面,必须严格遵守相关规定,确保脚手架系统在施工中的安全和可靠性。
作为脚手架领域的从业者,我们更应该注重对这些应用标准的学习和理解,提高自身的专业水平,为建筑施工安全和质量保驾护航。
承插型盘扣式脚手架方案工程名称:张家沟村二三四组安置小区主要构配件一、盘扣节点应由焊接于立杆上的连接盘、水平杆杆端扣接头和斜杆杆端扣接头组成。
盘扣结点1—连接盘;2—插销;3—水平杆杆端扣接头;4—水平杆;5—斜杆;6—斜杆杆端扣接头;7—立杆二、插销外表面应与水平杆和斜杆杆端扣接头内表面吻合,插销连接应保证锤击自锁后不拔脱,抗拔力不得小于3kN。
三、插销应具有可靠防拔脱构造措施,且应设置便于目视检查楔入深度的刻痕或颜色标记。
四、立杆盘扣节点间距宜按0. 5m模数设置;横杆长度宜按0. 3m模数设置。
材料要求一、承插型盘扣式钢管支架的构配件除有特殊要求外,其材质应符合现行国家标准《低合金高强度结构钢》GB/T 1591、《碳素结构钢》GB/T700以及《一般工程用铸造碳钢件》GB/T11352的规定。
承插型盘扣式钢管支架主要构配件材质二、连接盘、扣接头、插销以及可调螺母的调节手柄采用碳素铸钢制造时,其材料机械性能不得低于现行国家标准《一般工程用铸造碳钢件》GB/T 11352中牌号为ZG 230 - 450的屈服强度、抗拉强度、延伸率的要求。
制作质量要求一、杆件焊接制作应在专用工艺装备上进行,各焊接部位应牢固可靠。
焊丝宜采用符合现行国家标准中,气体保护电弧焊用碳钢、低合金钢焊丝的要求,有效焊缝高度不应小于3. 5mm。
二、铸钢或钢板热锻制作的连接盘的厚度不应小于8mm,允许尺寸偏差应为±0.5mm;钢板冲压制作的连接盘厚度不应小于l0mm,允许尺寸偏差应为±0.5mm。
三、铸钢制作的杆端扣接头应与立杆钢管外表面形成良好的弧面接触,并应有不小于500平方毫米的接触面积。
四、楔形插销的斜度应确保楔形插销楔入连接盘后能自锁。
铸钢、钢板热锻或钢板冲压制作的插销厚度不应小于8mm,允许尺寸偏差应为±0.lmm。
五、立杆连接套管可采用铸钢套管或无缝钢管套管。
采用铸钢套管形式的立杆连接套长度不应小于90mm,可插入长度不应小于75mm;采用无缝钢管套管形式的立杆连接套长度不应小于160mm,可插入长度不应小于110mm。
承插型盘扣式钢管支架简介承插型盘扣式钢管支架是一种广泛应用于建筑和工程建设中的钢管固定工具。
它主要由承插型盘扣、卡箍和钢管组成,可以用于支撑和固定不同类型和规格的钢管。
承插型盘扣式钢管支架的优点是结构简单、安装方便、使用寿命长、成本低,使其成为目前最常用的钢管支架之一。
结构和组成承插型盘扣式钢管支架主要由以下部分组成:1.承插型盘扣:用于连接钢管和支架。
它的作用相当于搭接式连接方法中的卡箍和等径管,但更紧密和牢固。
盘扣由两个对称的半弧形件组成,分别安装在两个钢管端口上。
盘扣通过螺栓、螺母和垫圈固定在一起,不断调整螺母和垫圈可以调整两个钢管的位置和夹紧力。
2.卡箍:用于固定承插型盘扣和支架。
卡箍通常由两个半环组成,可以固定在钢管或支架上,便于安装和更换。
卡箍材料通常为铸铁或钢材,具有高强度和耐用性。
3.钢管:用于承接和传输荷载。
钢管的规格和材质可以根据需要进行选择和确定。
通常选择的钢管规格为48mm、60mm、76mm、89mm和114mm等。
4.支架:用于支撑和保持钢管的位置。
支架通常由正反架、联接座、角铁和地脚等部分组成。
支架的种类和规格可以根据需要进行选择和确定。
安装步骤承插型盘扣式钢管支架的安装步骤包括以下几个方面:1.安装支架:根据实际需要,在墙壁或地面上安装支架,保证支架牢固。
2.安装钢管:将钢管插入支架中,同时安装承插型盘扣在钢管两端。
安装盘扣时,要注意盘扣的方向和位置,保证两侧盘扣对称,并将螺栓和螺母旋紧。
3.固定卡箍:将卡箍放置在承插型盘扣和支架之间,并用螺栓和螺母固定。
注意螺栓和螺母的方向和位置,保证其与盘扣连接处不受影响。
4.调整位置:调整螺母和垫圈的位置和紧度,使钢管在支架上的位置和夹紧力符合要求。
安装完成后,应检查钢管和支架的安装情况,确保其牢固和安全。
使用注意事项在使用承插型盘扣式钢管支架时,应注意以下几点:1.选择适当的规格和材质:根据不同的应用场合,选择适当的钢管规格和材质。
表:承插型盘扣式钢管支架主要构配件种类、规格及质量搀扶扶持教学工作总结[搀扶扶持教学工作总结]本文章由a href="hao123/a合作伙伴hao123网址导行群发转栽而成时间荏苒,欢快而充实的工作时间总是短暂的,转眼到了这一学期的尾声,搀扶扶持教学工作总结。
回顾这一学期,我和我的学生们不仅在一次次的交往与碰撞中建立起了*而浓厚的师生情,而且在互相信任的条件下较圆满地完成了本学期的教学任务。
为在以后的教学工作中做到查漏补缺,更加快速地进步课堂效率,特把本学期的工作总结如下:一、加强思想政治学习,切实做到热爱学生,引领学生。
"思想是行动的先导",为了让自己对学生的爱一如既往,对教育的执着一如既往,我继续把思想政治学习当做一项首要而且重要的工作来做。
为让自己的教育思想跟得上时代的潮流和学生的现状、我养成了读书、看报、看新闻的习惯。
本学期,我认真研读了《种籽教育手记》、《乖孩子的伤最重》、《教师心理学》、《给老师的一百条建议》等书籍,从前人的经验中寻求聪明,及时发现自己在教育孩子中出现的题目并适时做出调整。
在不断学习中,我越来越有了这样的感受:要让孩子健康欢快地长大,教师不光要有一颗爱孩子的心,还要把握一定的教育技巧,并且做到用自己的言行为学生做好示范,引领学生长大。
3二、不断充电,用丰富的学识武装自己的头脑教师的课堂要想赢得同学们的认可,自己的学识要渊博,这是不争的事实。
随着科技的迅猛发展,学科间的联系越来越紧密,我越来越感觉自己只凭上学时的那点儿储备来教现在的学生,已经不能做到得心应、手游刃有余。
为此,每一学期我都自主投票平台的加强自己的业务学习。
本学期,为扩展自己的知识面,我认真研读了《红楼梦》、《三国演义》等名著;为丰厚自己的诗文素养,我新积累古诗文50余首;为进步自己的课堂教学水平,我努力研读各种教学设计,探索总结适合自己的教学模式;…三、采取多种教学形式,带动学生语文素养的提升。
承插型盘扣式脚手架材料清单
本文档列出了承插型盘扣式脚手架所需的材料清单。
以下是材
料的详细列表:
1. 钢管:采用直径为48毫米、厚度为3.5毫米的Q345B无缝
钢管为主要支撑材料。
按需切割成各种长度,以满足搭建脚手架的
要求。
2. 节距杆:采用直径为48毫米、厚度为2.5毫米的Q345B无
缝钢管制作。
节距杆用于连接主支管和横杆,增强脚手架的稳定性。
3. 盘扣:选择优质的碳钢材料制成。
通过盘扣连接钢管和节距杆,确保脚手架的牢固性和安全性。
4. 横杆:采用直径为48毫米、厚度为2.5毫米的Q345B无缝
钢管制作。
横杆用于连接立杆,增强整个脚手架的结构强度。
5. 立杆:采用直径为48毫米、厚度为3.0毫米的Q345B无缝钢管制作。
立杆是脚手架的支撑柱,确保整个结构的稳定性和承重能力。
6. 底座:采用优质的铸铁材料制成。
底座用于支撑立杆,增加脚手架的稳定性和承载能力。
7. 调节脚手:采用优质的可调节材料制作。
调节脚手用于调整脚手架的水平度和高度,以适应不同场地的需求。
以上是承插型盘扣式脚手架所需的主要材料清单。
根据具体搭建需求,还可以添加其他辅助材料和附件。
请根据实际情况进行合理选择和使用,确保搭建的脚手架具备稳定性和安全性。
建筑施工承插型盘扣式脚手架主要构配件一、盘扣节点应由焊接于立杆上的连接盘、水平杆杆端扣接头和斜杆杆端扣接头组成。
盘扣结点1—连接盘;2—插销;3—水平杆杆端扣接头;4—水平杆;5—斜杆;6—斜杆杆端扣接头;7—立杆二、插销外表面应与水平杆和斜杆杆端扣接头内表面吻合,插销连接应保证锤击自锁后不拔脱,抗拔力不得小于3kN。
三、插销应具有可靠防拔脱构造措施,且应设置便于目视检查楔入深度的刻痕或颜色标记。
四、立杆盘扣节点间距宜按0. 5m模数设置;横杆长度宜按0. 3m模数设置。
材料要求一、承插型盘扣式钢管支架的构配件除有特殊要求外,其材质应符合现行国家标准《低合金高强度结构钢》GB/T 1591、《碳素结构钢》GB/T700以及《一般工程用铸造碳钢件》GB/T11352的规定。
承插型盘扣式钢管支架主要构配件材质二、连接盘、扣接头、插销以及可调螺母的调节手柄采用碳素铸钢制造时,其材料机械性能不得低于现行国家标准《一般工程用铸造碳钢件》GB/T 11352中牌号为ZG 230 - 450的屈服强度、抗拉强度、延伸率的要求。
制作质量要求一、杆件焊接制作应在专用工艺装备上进行,各焊接部位应牢固可靠。
焊丝宜采用符合现行国家标准中,气体保护电弧焊用碳钢、低合金钢焊丝的要求,有效焊缝高度不应小于3. 5mm。
二、铸钢或钢板热锻制作的连接盘的厚度不应小于8mm,允许尺寸偏差应为±0.5mm;钢板冲压制作的连接盘厚度不应小于l0mm,允许尺寸偏差应为±0.5mm。
三、铸钢制作的杆端扣接头应与立杆钢管外表面形成良好的弧面接触,并应有不小于500平方毫米的接触面积。
四、楔形插销的斜度应确保楔形插销楔入连接盘后能自锁。
铸钢、钢板热锻或钢板冲压制作的插销厚度不应小于8mm,允许尺寸偏差应为±0.lmm。
五、立杆连接套管可采用铸钢套管或无缝钢管套管。
采用铸钢套管形式的立杆连接套长度不应小于90mm,可插入长度不应小于75mm;采用无缝钢管套管形式的立杆连接套长度不应小于160mm,可插入长度不应小于110mm。
盘扣式脚手架01273654承插型盘扣式钢管支架1-可调托座;2-盘扣节点;3-立杆;4-可调底座;5-水平斜杆;6-竖向斜杆;7-水平杆一、主要构配件的材质及制作质量要求 (一)主要构配件1 盘扣节点构成由焊接于立杆上的连接盘、水平杆杆端扣接头和斜杆杆端扣接头组成12 34567712 3456图3.1.1 盘扣节点1-连接盘;2-扣接头插销;3-水平杆杆端扣接头; 4-水平杆;5-斜杆;6-斜杆杆端扣接头;7-立杆2 水平杆和斜杆杆端扣接头与连接盘的插销连接应具有可靠防滑脱构造措施。
3 立杆盘扣节点宜按0.5m 模数设置。
4 承插型盘扣式钢管支架主要构、配件种类、规格注:1 立杆规格为Φ60×3.2㎜的为A型承插型盘扣式钢管支架;立杆规格为Φ48×3.2㎜的为B型承插型盘扣式钢管支架。
2 A(B)SG以及A(B)-SXG适用于A型、B型承插型盘扣式钢管支架。
(二)材质要求1 承插型盘扣式钢管支架的构配件除有特殊要求外,其材质应符合现行国家标准《低合金高强度结构钢》(GB/T1591)、《碳素结构钢》(GB/T700)以及《一般工程用铸造碳钢件》(GB/T 11352)的规定。
承插型盘扣式钢管支架主要构配件材质2钢管外径允许偏差应符合表3.2.2的规定,钢管壁厚允许偏差±0.1mm。
钢管外径允许偏差(mm)3 连接盘、扣接头、插销以及可调螺母的调节手柄采用碳素铸钢制造时,其材料机械性能不得低于现行国家标准《一般工程用铸造碳钢件》(GB/T 11352),中牌号为ZG230-450的屈服强度、抗拉强度、延伸率的要求。
铸钢制作的连接盘的厚度不得小于8mm,钢板冲压制作的连接盘厚度不得小于10mm,允许尺寸偏差±0.5mm。
(三)制作质量要求1 杆件焊接制作应在专用工装上进行,各焊接部位应牢固可靠。
焊丝宜采用符合现行国家标准《气体保护电弧焊用碳钢、低合金钢焊丝》(GB/T8110)中气体保护电弧焊用碳钢、低合金钢焊丝的要求,有效焊缝高度不应小于3.5mm。
在建筑工程领域,支架的搭建与使用对于保障施工安全和工程质量起着至关重要的作用。
承插型盘抠式钢管支架作为一种新型的支架体系,凭借其诸多优异的性能和特点,在现代建筑施工中得到了广泛的应用。
然而,要确保承插型盘抠式钢管支架的安全使用,就必须严格遵循相应的安全技术规程。
本文将深入探讨承插型盘抠式钢管支架安全技术规程的重要内容、实施要点以及注意事项,以期为建筑施工的安全管理提供有力的指导。
一、承插型盘抠式钢管支架的特点与优势承插型盘抠式钢管支架主要由立杆、横杆、斜杆、可调底座和可调托座等构件组成。
其具有以下显著的特点与优势:(一)结构稳定可靠支架的节点采用盘抠连接,具有自锁能力,能够有效地传递荷载,确保支架的整体稳定性。
构件之间的连接紧密,不易松动,提高了支架的安全性。
(二)承载能力强经过科学的设计和计算,承插型盘抠式钢管支架能够承受较大的荷载,满足各种建筑结构的施工需求,有效地减少了支架的用量,降低了施工成本。
(三)搭设与拆除便捷支架的搭设和拆除过程相对简单,操作人员只需经过简单的培训即可熟练掌握操作技巧。
而且,构件轻便,便于搬运和存储,提高了施工效率。
(四)通用性好该支架体系的构件规格统一,可适用于不同跨度、不同高度的建筑结构施工,具有良好的通用性和互换性,便于施工现场的管理和材料的调配。
(五)外观整齐美观支架搭设完成后,整体结构整齐美观,能够提升施工现场的形象。
二、承插型盘抠式钢管支架安全技术规程的主要内容(一)构配件质量要求1. 立杆、横杆、斜杆等构件的材质应符合国家相关标准的规定,具有足够的强度、刚度和耐久性。
2. 构件的表面应光滑平整,无裂纹、变形、锈蚀等缺陷。
3. 盘抠节点的铸钢件材质应符合相关标准的要求,其质量应经检验合格后方可使用。
4. 可调底座和可调托座的调节螺杆应采用性能不低于 35#钢的可锻铸铁或铸钢制造,加工精度应符合相关标准的规定。
(二)支架搭设与拆除技术要求1. 支架搭设前,应进行详细的施工方案设计,明确支架的搭设高度、跨度、步距等参数,并根据设计要求进行地基处理。
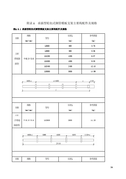
承插型盘扣式钢管脚手架典型产品构配件种类及规格
表 A.0.1 脚手架主要构配件种类、规格
图A-1 立杆示意图(La:有效长度)
架体类单重参考值
图A-2 水平杆示意图(Lb:实际长度)架体类
图A-3 竖向斜杆(Lc:插头孔控制长度)图A-4 水平斜杆(Ld:中心线到中心线理论
长度)
架体类
型)
图A-5 可调托撑、可调底座示意图(L:长度)
图A-6 连接盘示意图
附录 B 材料特性指标表 B.0.1 钢材的强度和弹性模量(N/mm2)
B.0.2 焊缝强度承载力设计值应按表B.0.2 采用。
表 B.0.2 焊缝的强度指标(N/mm2)
表 B.0.3 受弯构件的容许挠度
表 B.0.4 受压、受拉构件的容许长细比
表 C 构配件质量检查表。
盘扣式脚手架常用规格由于盘扣式脚手架应用越来越普遍,由于跟传统脚手架稍微有些区别,所以对于没有接触过的人来说,总是会问这个问题,今天做出整理,希望能够对需要的人有些帮助。
盘扣式脚手架型号分类盘扣脚手架的型号,根据《建筑施工承插型盘扣式钢管支架安全技术规程》JGJ231-2010,主要分为A型和B型两类。
A型:就是市场上常说的60系列的,也就是说,立杆直径是60mm,主要用于重型支撑,如桥梁工程中。
B型:也就是48系列的,立杆直径48mm,主要用于房建与装饰装修,舞台灯光架等领域。
另外,根据盘扣式脚手架立杆连接方式,又分为外套筒连接与内连接棒连接两种形式。
目前市场上60系列的盘扣脚手架一般采用内连接,也就是连接棒在立杆内部连接。
48系列盘扣脚手架一般是外套筒连接,也有采用内连接棒连接的,尤其在舞台架,灯光架等领域。
盘扣式脚手架立杆连接形式盘扣脚手架规格盘扣脚手架主要杆件为:立杆,水平杆,斜杆,可调托构成。
盘扣脚手架的立杆圆盘之间距离500mm,所以,立杆的规格模数为500mm,具体常用的规格有500mm,1000mm,1500mm,2000mm,2500mm,3000mm,另外还有基座200mm。
盘扣式脚手架立杆型号盘扣式脚手架立杆型号盘扣式脚手架立杆型号盘扣脚手架的水平杆型号规格模数为300mm。
即300mm,600mm,900mm,1200mm,1500mm,1800mm,2400mm,3000mm盘扣式脚手架水平杆型号注意:水平杆的公称长度是立杆轴线间的距离,所以实际长度比公称的长度短一个立杆的直径。
根据工程性质不同,一般模板支撑脚手架,用量最大的是1.5m水平杆,1.2m 和1.8m等,配合使用。
对于操作架来说,水平杆的长度一般选用1.8m为主,1.5m,2.4m等配合使用。
盘扣式脚手架水平杆盘扣脚手架的竖向斜杆的规格根据水平杆长度与步距(上下两层水平杆间距)来划分的,在工程实践中,一般模板支撑架的水平杆步距都是1.5m,所以,模板支撑的竖向斜杆规格一般都是1.5m的高度。