Stm32f103最小系统
- 格式:pdf
- 大小:58.56 KB
- 文档页数:1
STM32F103C8T6最小系统地的构建(1)2018年7月3日硬件学习笔记(1)一直没有做过什么系统性的笔记,导致很多知识学了忘,忘了又花很长时间去找资料重新学习。
干脆网络保存学习笔记好了,有愿相互探讨的可以邮件我。
最小系统了解过多次,但一直没有自己把最小系统构建出来,在准备做笔记的同时将最小系统解析一下,因为接触到最多的就是单片机了,而手上又还有一点32芯片,所以直接构建32的最小系统了。
网上百度了很久最小系统,不知道是不是我知识量跟不上,总有点理解不了。
直接就结合网络上的信息直接理解了。
最小系统由:电源部分,处理器部分,下载电路,时钟电路,复位电路,负载电路组成。
电源部分:给系统提供能源的,必不可少。
那如何设计输入电源呢。
我们所接触到的最小系统多数都是直接由电脑USB供电,作为学习版,这样是没问题的,不过我们能不能用电池供电呢。
这个肯定是能的,对我们来说,电池供电难以选择电池类型,电池的体积太大了,纽扣电池尽管体积小一点,但在对电路负载的控制上还是差了一点。
扯远了,不管怎么选电池,一正一负两个接口就对了,单单两个接口还是不够的,我们不确定使用人员使用多高电压电流的电源来对系统供电,于是我们需要对输入电源布置一个稳压电路来稳定输入电源。
参考了部分电路资料,查找了一下电源稳压的一些信息后,布置了以上的电源输入电路,输入电源电压可以达到一个比较高的状态也可以输出一个较稳定的5V电压。
电路上的电容都是对电源进行滤波的,两个二极管是用作防反接用途的,电源指示灯和电阻就不用多说了,电感是用作稳定直流作用的。
一般来说,最小系统可能用不上这么高压的电源,一些驱动器才会使用强电流的电源器件,控制器有5V的电源就足够了。
以上是对输入电源稳压的解析,之后再讲解稳压电源到芯片电源的转换。
Protel实训任务书学生姓名:专业班级:指导教师:工作单位:题目: 基于Protel的STM32F103最小系统电路设计主要目的就是对学生进行protel软件的操作训练,通过训练,使学生能够掌握protel软件的基本使用方法,能够使用protel绘制简单电路的原理图和PCB版图,提高学生的动手能力。
一、初始条件计算机;Office Word 软件;PROTEL DXP或者Altium Designer软件二、内容和要求1、学习PROTEL软件;2、设计一个STM32F103最小系统的电路,要求至少包含电源,晶振,复位(上电复位和按键复位),调试接口;3、绘制电路的原理图和PCB版图,要求图纸绘制清晰、布线合理、符合绘图规范。
3、对所设计电路的基本原理进行分析;4、查阅至少6篇参考文献,按《武汉理工大学课程设计工作规范》要求撰写报告书,全文用A4纸打印。
三、时间安排1、2013年12月16日集中下达任务书。
作基础强化训练具体实施计划与报告格式要求的说明;学生查阅相关资料,学习电路的工作原理。
2、2013 年12月18日,protel软件基本功能与使用方法学习。
3、2013年12月19日至2013年12月25日,采用protel进行相关电路图的绘制。
4、2013年12月27日上交成果及报告,进行答辩。
指导教师签名:年月日系主任(或责任教师)签名:年月日武汉理工大学《prote l实训》报告书目录摘要 (1)1 绪论 (2)2 Altium Designer 软件介绍 (2)3 设计内容及要求 (3)3.1设计目的及主要任务 (3)3.1.1设计目的 (3)3.1.2设计任务及主要技术指标 (3)3.2设计要求 (3)4 设计过程 (4)4.1电路图原理的设计 (4)4.2产生网络表 (4)4.3印制电路板的设计 (5)5 绘制各模块电路 (5)5.1电路的总体原理框图 (5)5.2 电路各单元介绍分析 (6)5.2.1 芯片STM32F103 (6)5.2.2 电源电路 (6)5.2.3 复位电路 (7)5.2.4 晶振电路 (8)5.2.5 JTAG调试接口 (8)6 PCB布线 (9)6.1电路布线规则 (9)6.1.1地线与电源线的布线 (9)6.1.2重要线路的布线 (10)6.1.3 PCB 布线的通用规则 (10)6.2 PCB绘制图 (11)7 心得体会 (13)参考文献 (14)摘要随着计算机软硬件技术的飞速发展,集成电路被广泛应用,电路越来越复杂,集成电路越来越高,加之元器件层出不穷,使得越来越多的工作已经无法依靠手工来完成。
STM32单片机最小系统详解STM32F103RCT6:STM32F103RCT6是一种嵌入式-微控制器的集成电路(IC),32位Cortex-M3内核处理器,速度是72MHz,程序存储器容量是256KB,程序存储器类型是FLASH,RAM容量是48K,封装LQFP64。
STM32单片机命名规则:STM32单片机最小系统:所谓单片机最小系统,就是让单片机能够正常运行,最少且必须的器件所组成的系统。
单片机最小系统上电之后,单片机可以正常复位,下载程序,除此之外没有其他任何功能。
在最小系统保证正确的基础上,可以依次添加其他功能模块或器件,使之单片机具有实际功能。
STM32单片机最小系统包括一个复位电路和一个时钟电路。
如下图1所示。
图中复位电路使用的是上电复位电路,STM32单片机NRST引脚输入低电平,则发生复位。
图1 STM32F103单片机最小系统电源引脚:VDD是单片机的数字电源正极,VSS是数字电源负极,共有5个VDD引脚,5个VSS引脚。
VDDA是单片机的模拟电源正极,负责给内部的ADC、DAC模块供电,VSSA是模拟电源负极。
还有一个电源引脚,就是VBAT,BAT就是Battery(电池),这个引脚用来连接电池的正极的。
STM32带RTC功能(实时时钟),所以有VBAT引脚。
原理图上预留了一个CR1220纽扣锂电池,当主电源供电存在的情况下,由系统中的VCC3.3给VBAT供电;当主电源断电之后,由CR1220纽扣电池给STM32自带的RTC模块供电,从而能够保证实时时钟模块在主电源掉电的情况下还能够正常工作。
但是这样设计的话,这里有一个矛盾需要解决。
如果VBAT引脚直接与VCC3.3和CR1220连接的话,会存在下面问题:1、当电池电压高于3.3V,电池就会输出电流到AMS1117,使得芯片发烫,还会很快消耗电池电量。
2、如果电池电压低于3.3V,AMS1117产生的3.3V,就会给电池充电,而这种CR1220电池是不能够充电的。
STM32最小系统使用手册修订历史1.STM32F103C8T6最小系统简介硬件资源:1、STM32F103C8主芯片一片2、贴片8M晶振(通过芯片内部PLL最高达72M)ST官方标准参数3、LM1117-3.3V稳压芯片,最大提供800mA电流4、一路miniUSB接口,可以给系统版供电,预留USB通讯功能5、复位按键6、标准JTAG下载口一个,支持JLink,STLink7、BOOT选择端口8、IO扩展排针20pin x 29、电源指示灯1个10、功能指示灯一个,用于验证IO口基本功能11、预留串口下载接口,方便和5V开发板连接,用串口即可下载程序12、尺寸:64mm X 36.4mm13、高性能爱普生32768Hz晶振,价格是直插晶振的10倍价格,易起振14、20K RAM,64K ROM ,TQFP48封装模块说明BOOT短路帽设置说明BOOT1=x BOOT0=0 从用户闪存启动,这是正常的工作模式。
(上电运行程序或者JTAG方式下载程序时候使用)BOOT1=0 BOOT0=1 从系统存储器启动,这种模式启动的程序功能由厂家设置。
(从固化的bootloader启动,一般用于ISP下载时候使用)BOOT1=1 BOOT0=1 从内置SRAM 启动,这种模式可以用于调试。
下载程序方法:需要TTL模块下载工具(已安装好驱动)推荐使用本店开发的CP2102 USB-TTL模块对STM32最小系统进行下载程序。
(CP2102与其他的JLINK或者STLINK比价格要便宜很多,只能用于下载,不能用于DEBUG调试程序)1.CP2102和STM32用杜邦线按照以下连接后,接在电脑USB接口TXD -----------> RX1RXD -----------> TX1GND -----------> GND2.将STM32上的BOOT选择短路帽进行设置(进入ISP下载模式)BOOT1 -----------> 0BOOT0 -----------> 13.将CP2102与电脑连接后,打开MCUISP软件,✓点击“搜索串口”,“Port”选项会有可用的COM选项。
STM32最小系统1. 简介STM32最小系统是一种基于ST公司的STM32微控制器的原型开发板,它包括了一些基本的硬件元件以及所需的电路连接。
STM32最小系统通常用于快速原型开发、学习和测试STM32微控制器。
本文档将介绍STM32最小系统的硬件组成、基本功能以及如何使用它进行开发。
2. 硬件组成STM32最小系统通常包括以下硬件元件:•STM32微控制器芯片:通常是STM32F系列的芯片,如STM32F103C8T6。
•时钟电路:包括晶振和相关电路元件,用于提供系统时钟。
•电源电路:用于提供微控制器和其他模块所需的电源。
•调试接口:通常使用SWD接口,用于调试和烧录代码。
•IO引脚:用于与外部设备连接的GPIO引脚。
3. 基本功能STM32最小系统具有以下基本功能:3.1. 运行用户代码STM32最小系统可以加载和运行用户编写的代码。
用户可以使用各种开发环境,如Keil、IAR和STM32CubeIDE等,编写代码并将其烧录到STM32最小系统中。
一旦代码被烧录,STM32最小系统便可以执行用户定义的功能。
3.2. 外部设备连接STM32最小系统提供了多个GPIO引脚,用于连接外部设备。
通过配置这些引脚的模式和状态,用户可以控制外部设备并接收来自外部设备的数据。
3.3. 调试和烧录STM32最小系统通常带有一个调试接口,用于调试和烧录代码。
用户可以使用专用的调试工具,如ST-Link,通过SWD 接口连接到STM32最小系统,以进行代码调试、单步执行和烧录。
4. 使用STM32最小系统开发使用STM32最小系统进行开发通常需要以下步骤:4.1. 准备开发环境首先,您需要安装适当的开发环境,如Keil、IAR或STM32CubeIDE。
这些开发环境提供了编写、调试和烧录代码的工具。
4.2. 编写代码使用选定的开发环境,编写您的代码。
您可以使用C或C ++等编程语言。
在编写代码时,请参考STM32微控制器的数据手册和参考手册,以了解每个寄存器和外设的详细信息。
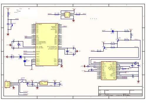
STM32最小系统板原理图
1.电源部分:
STM32最小系统板使用了一个5V的直流电源供电,通过一个稳压电
路将电压稳定在3.3V,供给给STM32芯片。
稳压电路采用了L78L33芯片
来实现。
此外,电源部分还包括一个负载电容和一个滤波电容,用于稳定
电压和滤波。
2.芯片部分:
STM32最小系统板采用了STM32F103C8T6芯片,这是一款基于ARM Cortex-M3内核的微控制器。
此芯片具有72MHz的主频、64KB的Flash和20KB的SRAM。
该芯片与外围电路相连,通过引脚实现与其他器件的通信
和数据传输。
3.外设部分:
STM32最小系统板还包括一些外设,用于扩展芯片的功能。
其中最常
见的外设是LED指示灯,用于显示系统的状态。
此外还包括了一个复位按钮,用于复位系统,以及一个用户按钮,用于用户交互。
此外,还包括了
串口通信模块,用于与计算机或其他外部设备进行通信。
4.数据存储部分:
STM32最小系统板还包括一部分数据存储器件,用于存储数据。
其中
最常见的是闪存芯片,用于存储程序代码。
此外还包括了一个EEPROM芯片,用于存储数据。
这些存储器件通过SPI或其他接口与STM32芯片相连。
以上是STM32最小系统板的原理图解析,介绍了电源部分、芯片部分、外设部分和数据存储部分。
了解STM32最小系统板的原理图可以帮助开发
者更好地理解其工作原理和设计特点,从而更好地进行开发和调试。
《电路设计与PCB制板》设计报告题目:STM32F103最小系统学院:专业:班级:姓名:学号:引言:Altium Designer基于一个软件集成平台,把为电子产品开发提供完整环境所需工具全部整合在一个应用软件中。
Altium Designer 包含所有设计任务所需工具:原理图和PCB设计、基于FPGA的嵌入式系统设计和开发。
目前我们使用到的功能特点主要有以下几点:1、提供了丰富的原理图组件和PCB封装库并且为设计新的器件提供了封装,简化了封装设计过程。
2、提供了层次原理图设计方法,支持“自上向下”的设计思想,使大型电路设计的工作组开发方式称为可能。
3、提供了强大的查错功能,原理图中的ERC(电气规则检查)工具和PCB 的DRC(设计规则检查)工具能帮助设计者更快的查出和改正错误。
4、全面兼容Protel系列以前的版本,并提供orcad格式文件的转换。
一、课程设计目的1、培养学生掌握、使用实用电子线路、计算机系统设计、制板的能力;2.提高学生读图、分析线路和正确绘制设计线路、系统的能力;3.了解原理图设计基础、了解设计环境设置、学习 Altium Designer 软件的功能及使用方法;4.掌握绘制原理图的各种工具、利用软件绘制原理图;5.掌握编辑元器件的方法构造原理图元件库;6. 熟练掌握手工绘制电路版的方法,并掌握绘制编辑元件封装图的方法,自己构造印制板元件库;7.了解电路板设计的一般规则、利用软件绘制原理图并自动生成印制板图。
二、设计过程规划1、根据实物板设计方案;2、制作原理图组件;3、绘制原理图;4、选择或绘制元器件的封装;5、导入PCB图进行绘制及布线;6、进入DRC检查;三、原理图绘制✧新建工程:1.在菜单栏选择File → New → Project → PCB Project2.Projects面板出现。
3.重新命名项目文件。
✧新建原理图纸1. 单击File → New→ Schematic,或者在Files面板的New 单元选择:Schematic Sheet。