等值线专题复习汇总
- 格式:doc
- 大小:4.88 MB
- 文档页数:15
地理等值线图专题复习一、本部分的高考考纲简析1、理解基本规律和原理,运用所学的地理及相关学科知识和观点,运用地理事实材料,简明地推导或定性地说明等值线变化规律和原理。
(要求学生能够通过我们掌握的相关知识,从题里面来获取信息,从题中推导出有用的,有价值的规律,为解答问题服务。
)2、会使用和分析各种等值线图资料,进行地理信息的提取认定,判断及反思。
并且能够描述,概括、理解各地理事物的空间结构联系和发展变化过程。
(等值线图包含的信息非常丰富,涵盖的知识面广,它常常与相关地理事物和区域特征的联系非常紧密,这种组合性的题,往往会加深对等值线考查的难度,也是提升潜力较大的板块)。
二中学地理等值线主要种类常见的有:等高线与等深线、等温线、等压线及等压面、等降水量线、等太阳辐射量线、等盐度线、等时线、等潜水位线、等积温线、等温度差线、等震线、酸雨等PH值线、等海底年龄线等等其中最重要的是四种:等高线、等温线、等压线、等降水量线新的等值线:等农业产值线,等时间线,等距离线,等噪音线……(新出现的这些这些等值线,具有一个明显的特征:那就是贴近生活,体现出了地理学科的价值,对地区经济发展具有非常重要的作用,充分体现出了地理课程标准的要求:让学生学习对生活有用的地理。
考试的内容与生活也越来越贴近,)08年各地高考试题说明:等值线仍然是高考的重点所在,其中,等高线、等温线、等降水量线和等压线等常见等值线在高考中考查的几率和分值都很高,尤其是等高线,在所列出的省市高考题中占有很大比重。
另外,近年来一些新的等值线形式的出现,也丰富了等值线考查的范围和类型。
为高考等值线部分注入了新鲜的血液,这些新的形式是我们难以预料到的,因此更应该引起我们的重视,应该如何更好的掌握方法。
四、等值线的基本特点1.同一条等值线上的数值相等。
2.等值线为闭合曲线,有时因图示范围较小,而显示为不封闭。
3.两条等值线一般不能相交,等高线图上悬崖可以显示为重合状态。
等值线专题复习题如图所示,曲线表示等值线,a>b>c ,据此回答1-2题。
1、若等值线为等温线,甲为陆地,乙为海洋,则 下列判断正确的是:( )①图示地区位于南半球 ②图示地区正处冬季 ③此时为1月份 ④ 此时为7月份 A 、①③ B 、②③ C 、②④ D 、①④2、若等值线为等高线,则下列判断正确的是:( )①甲为山脊线 ②乙线可能发育河流 ③甲处海拔高于乙处 ④甲处气温高于乙处 A 、②③④ B、①③④ C 、①②④ D 、①②③右图所示为等高线地形图,图中等高距为200m ,据图中信息回答3-4题。
3、该区域的自然植被是( )A 、温带落叶阔叶林B 、亚热带常绿硬叶林C 、亚热带常绿阔叶林D 、热带季雨林4、图中等高线a 和等高线内b 的数值 可能分别是 ( )A 、100 100B 、100 500C 、500 250D 、500 350 右图所示为等高线地形图,据图完成5-6题。
5、等高线A 的数值可能是( )① 300m ② 400m ③ 500m ④ 600m A 、①② B 、②③ C 、③④ D 、①④ 6、A 等高线内某点的高度可能是( )① 350m ② 450m ③ 550m ④ 650ma bc甲乙26.5025.5500600400400A 、①③B 、②③C 、②④D 、①④ 右图所示为等温线图,据图完成7-8题。
7、图中B 地的地形应是( )A 、高原B 、平原C 、山地D 、盆地 8、图中 A-B-C 一线气温的变化情况为 ( ) A 、A-B 增 B-C 减 B 、A-B 减 B-C 增C 、A-B-C 一直增D 、A-B 增 B-C 先减后增 右图所示为等值线,据图完成9-11题。
9、若等值线表示高空垂直面等压线,则下列判断正确的是 ( )①数值a>b ②A 处为高压③B 处气流上升 ④A 对应的近地面天气阴雨 A 、①②B 、②③C 、②④D 、③④10、若等值线表示近地垂直面等压线,则下列判断正确的是( )①数值a<b ②A 处为高压 ③B 处气流上升 ④A 处天气阴雨A 、①③④B 、①②④C 、①②③D 、②③④11、若等值线表示水平面等压线,且a>b ,则下列判断正确的是( )①A 虚线为高压脊 ②A 虚线为低压槽 ③B 虚线附近天气阴雨 ④B 虚线附近天气晴朗 A 、①③ B 、①④ C 、②③ D 、②④右图所示为北半球500 hpa 等压面上的等高线图,据图完成12-14题。
专题一:等值线一、注意事项:1、等值线类型:等高线、等温线、等压线、等降水量线、等太阳辐射量线、等震线、等酸度值线…其中最重要的主要是:等高线、等温线、等压线、等降水量线2、等值线类型繁多,新颖的等值线层出不穷,遇到此类等值线,只需要按照等值线判读的一般规律(数值变化、疏密程度、弯曲和延伸方向)进行判读即可。
3、在判读新颖等值线图时,注意利用地理环境整体性特征,分析影响等值线的因子及等值线对其他地理事物的影响。
二、基础复习【例1】读图1-图3,回答相关问题图3为“我国南方某地区等高线地形图(单位:米)”,虚线表示山脊线或溪流。
回答:与“飞流直下三千尺,疑是银河落九天”所描述景观相符的是( )A.aB. bC. cD. D【巩固练习1】读我国某地等高线图(单位:米),回答下列问题。
(1)图中有山顶、山脊、鞍部、陡崖、山谷、小河、陡坡、 缓坡等地形,其中A 地是 , D 地是 ,图1图2图2为北半球某地区等温线,判断甲处温度比同纬度两侧 (高/低)。
等值线的共同特征: A 同线等值 B 同图等距(邻线等差或为0) C 等值线不相交(除陡崖外) D 同条等高线闭合 E 等值线密集,表示单位水平距离的差值较大;等值线稀疏,表示单位水平距离的差值较小。
图3A 点的值为:B 点的值为:B 地的坡度比C 地 (大或小)。
(2)以C 点为基点,甲山峰的相对高度是 米。
(3)当甲山山顶气温是16℃时,C 地气温是 。
(4)E 、B 两地比较, 地降水多,原因是 。
(5)B 地在A 地的 方向,乙河的流向是 。
三、二轮突破【例2】(2010年全国文综卷)图5示意某区域多年平均降雪量与雪期(从当年初雪日到次年终雪日的天数)的空间分布。
该区域内丘陵区每年因融雪径流造成的土壤侵蚀较为严重。
(1)比较甲、乙两地降雪量与雪期的差异并解释原因(9分)。
(2)根据等雪期线的分布,分析沿MN 一线的地形分布特点。
(6分)四、本节小结图5判读大于大的,小于小的凸高为低,凸低为高等温线凸出的方向就是洋流的流向一月陆南,七月陆北五、课后作业1、(等温线)图6表示某研究小组实测的上海市某日14时气温分布状况。
地理等值线专题复习1000 单位:1006 1012AB 图三a clb mno 地理等值线专题复习等值线的特征 1、明确等值线概念同一等值线上地理数值是相等的,同一图上两条相邻的等值线间数值差是相同的; 在下左的等压面图中(图一),将图中①-⑤点气压由高到底排序⑤>②=③=④>①; 在下右等压线分布图中(图二),对A 、B 两处的风力大小关系A=B.2、等值线的特征共性 图二等值线图的判读过程一般可归纳为以下几步:(1)认清方向和所处地理位置;(2)判断是什么地理数值;(3)判断等值线数值的变化趋势;(4)判断等值线的疏密特征;(5)判读等值线的延伸方向、凹凸特征等;就常见的等高线、等温线和等压线分布图,其基本的判读特征可归纳为下表:如右上边等值线图中(图三),a>b>c ,若该图为等高线,则l 应为山谷;若为等压线,则l 应为低压槽;若为海洋上因洋流影响引起的等温线,则l 应为寒流。
就l 作一垂直的辅助线进行分析,将该线上中心点o与两侧的m,n点数值比较,显然,O点值要比两侧小。
等高线、等温线和等压线相关问题分析1、等高线地形图的分析等高线反映地形的起伏状况,众多的问题多可在等高线地形图中得到较为集中的反映,所以它也是各种等值线图中最为常见的类型之一,它涉及的问题主要有以下几个方面:(1)地形部位:根据等高线分布特征判断山顶、盆地、脊线、谷线、鞍部、陡崖等地形部位;(2)坡度大小:根据等高线疏密判断坡度;根据坡度选择交通线路、登山攀岩运动位置;分析农业生产的区域差异、聚落分布等;(3)相对高度和绝对高度:包括绝对高度判定;测算两地间的相对高差和温差、陡崖高度范围等;(4)水资源和水能利用:根据脊线、谷线分析河流分水岭和河谷发育;根据地形地势判定河流流向、流速;根据地形判断水库坝址选择的最佳位置;水资源、水能资源利用等;(5)坡向与坡向差异:根据纬度位置和向阳坡、背阴坡分析气温的坡向差异;根据冬夏季风和迎风坡、背风坡分析降水量的坡向差异;分析因热量和降水量的差异导致的植被坡向差异;和区域整治开发等;(6)地形剖面图:剖面图的绘制;各地形部位的剖面图特征等;如:读下左华北某地地形图(图四),回答下列问题:1)①②③④四条坡面线的坡度比较:A、①<③B、①<②C、①>②D、③=④(C)2)实际调查发现乙坡的植物生长好于甲坡,其原因是乙坡的:A、日照较强,辐射收入多;B、蒸发较少,土壤水分条件较好;C、气温较高,且日变化大;D、降水较多,水源充足;(B)3)若乙坡植被受破坏成为荒坡,则对其合理的开发整治措施是:A、放牧山羊;B、种植喜阳的经济林木;C、修梯田,种植水稻D、营造混交林;(D)2、等温线分布图分析(1)纬度因素:太阳高度使不同纬度得到的太阳辐射量不同,导致气温自低纬向高纬递减,常据该点判定所处的南北半球位置;(2)海陆差异:热容量的差异,导致海洋和陆地升温和降温快慢不同。
专题一:等值线一、等值线的定义及类型1、定义:在地图上,某些地理现象数值相等的点的连线2、常见的等值线:等温线、等高线、等压线、等降水量线等。
3、等值线的一般规律(1)数值相等组成的线(2)相邻等值线之间的差值相等(3)闭合(有的不闭合,是因图幅所限)(4)多不相交二、等温线图的判读1、影响气温分布的因素(1)纬度因素:在纬度因素影响下,等温线大致与纬度平行,且由低纬向高纬递减。
(2)海陆因素:①海洋性和大陆性气候的温度差异,如下左图(以北半球为例):②海陆之间的温度差异,如上右甲、乙两图:a、甲图为___半球,陆地等温线向___纬凸出,气温___;海洋则相反。
此时为北半球的___季。
b、乙图为___半球,陆地等温线向___纬凸出,气温___;海洋则相反。
此时为北半球的___季。
c、等温线分布规律:“高高低低”。
(3)地形因素:地势高气温低,地势低气温高。
所以对等温线弯曲的影响可根据“高高低低”规律,地势高的地方等温线总是向低纬凸出。
如右图:(4)洋流因素:洋流流经地区等温线的弯曲情况也可根据“高高低低”规律。
如下图:2、等温线图的判读和应用(1)判断某地的气温①最低月0℃等温线是划分暖温带和亚热带的分界线。
②根据某地地形判断气温高低:山地则气温低于周围地区,盆地则气温高于周围地区。
如下左图中甲地为____,乙地为____。
③根据等温线的变化趋势判断气温高低:如上右图判断甲、乙两地的气温。
甲地气温:_____,地形为_____;乙地气温______,地形为_____。
(2)判断南北半球、海陆分布气温从南向北递减为北半球;气温从北向南递减为南半球。
a、A图位于___半球,如该地在海洋,则图中的洋流为___流;b、B图位于___半球,如该地在海洋,则图中的洋流为___流;c、如C、D所示地区为北半球冬季,则C地为____,D地为____(陆地或海洋)。
(3)根据凸向判读季节根据“高高低低”规律。
如甲图陆地气温低,为北半球的冬季,南半球的夏季。
等值线专题一.概念同一图幅上数值相等各点的连线。
如等高线,等深线,等压线,等温线,等降水量线,等太阳高度线等。
二.特征1.同线等值。
同一条等值线上各点的数值相等。
2.同图等距。
同一图幅,相邻两条等值线差值(等值距)相等。
3.不相交。
等值线一般不相交(等高线中的陡崖除外)。
4.不中断。
所有等值线均闭合(受图幅限制除外)。
5.疏缓密剧。
等值线稀疏,数值变化缓和,等值线密集,数值变化剧烈。
6.高低低高。
高值低凸,低值高凸。
7.相邻两条等值线数值或相等,或相差一个等值距。
8.相邻两条等值线之间的点,其数值遵循“大小小大”原则(大于小数值,小于大数值)。
相邻两条等值线之间,若出现闭合等值线,其闭合区内数值遵循“大大小小”原则(大于大数值,小于小数值)。
9.等值线图上两点间的距离。
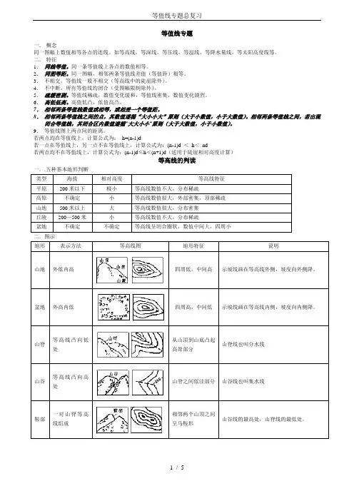
若两点均在等值线上,计算公式为:h=(n-1)d若一点在等值线上,另一点不在等值线上,计算公式为:(n-1)d <h<nd若两点均不在等值线上,计算公式为:(n-1)d≤h<(n+1)d(适用于陡崖相对高度计算)等高线的判读一..五种基本地形判断类型海拔相对高度等高线特征平原200米以下极小等高线数值不大,分布稀疏高原不确定小等高线数值很大,外部密集,顶部稀疏山地500米以上大等高线数值很大,分布密集丘陵200—500米小等高线数值不大,分布稀疏盆地不确定不确定等高线呈闭合圈状,数值中间大,四周小二.图示地形表示方法等高线图地形特征说明山地外低内高四周低,中间高示坡线画在等高线外侧,坡度向外侧降。
盆地外高内低四周高,中间低示坡线画在等高线内侧,坡度向内侧降。
山脊等高线凸向低处从山顶到山底凸起高耸部分山脊线也叫分水线山谷等高线凸向高处山脊之间低洼部分山谷线也叫集水线鞍部一对山脊等高线组成相邻两个山顶之间呈马鞍形山谷线的最高处,山脊线的最低处。
陡崖多条等高线重合近于垂直的山坡,称陡崖。
崖顶的绝对高度:大≤h<大+d崖底的绝对高度:小-d<h≤小陡崖相对高度:(n-1)d≤h<(n+1)d(大,小:指重合等高线中最大,最小)三.等高线综合应用常见的综合问题是以地形图为背景,要求在图上设计选择所需的“点”、“线”、“面”,以及给予科学的评价。
高考地理复习专题讲解等值线专题一、等高线地形图小专题1.坡度问题:一看等高线疏密,密集的地方坡度陡,稀疏的地方坡度缓;二计算,坡度的正切=垂直相对高度/水平实地距离。
2.通视问题:通过作地形剖面图来解决,如果过已知两点作的地形剖面图无山地或山脊阻挡,则两地可互相通视;注意凸坡(等高线上疏下密)不可见,凹坡(等高线上密下疏)可见;注意题中要求,分析图中景观图是仰视或俯视可见。
3.引水线路:注意让其从高处向低处引水,以实现自流,且线路要尽可能短,这样经济投入才会较少。
4.交通线路选择:利用有利的地形地势,既要考虑距离长短,又要考虑路线平稳(间距、坡度等),一般是在两条等高线间绕行,沿等高线走向(延伸方向)分布,以减少坡度,只有必要时才可穿过一、两条等高线;尽可能少地通过河流,少建桥梁等,以减少施工难度和投资;避免通过断崖、沼泽地、沙漠等地段。
5.水库建设:要考虑库址、坝址及修建水库后是否需要移民等。
①选在河流较窄处或盆地、洼地的出口(即“口袋形”的地区,“口小”利于建坝,“袋大”腹地宽阔,库容量大。
因为工程量小,工程造价低);②选在地质条件较好的地方,尽量避开断层、喀斯特地貌等,防止诱发水库地震;③考虑占地搬迁状况,尽量少淹良田和村镇;④还要注意修建水库时,水源要较充足。
6.河流流向:由海拔高处向低处流,发育于河谷(等高线凸向高值),河流流向与等高线凸出方向相反。
7.水系特征:山地形成放射状水系,盆地形成向心状水系,山脊成为水系分水岭。
8.水文特征:等高线密集的河谷,河流流速大,水能丰富;河流流量除与气候特别是降水量有关外,还与流域面积大小有关。
9.农业规划:根据等高线地形图反映出来的地形类型、地势起伏、坡度缓急、结合气候和水源条件,因地制宜地提出农林牧渔业合理布局的方案;如平原地区发展耕作业,山地、丘陵地区发展林业、畜牧业。
10.城市布局形态与地形:平原适宜集中紧凑式;山区适宜分散疏松式。
11.地形特征的描述:地形类型(平原、高原、山地、丘陵、盆地);地势及起伏状况;主要地形区分布;重要地形剖面图特征。
高三地理“等值线”专题复习【考查内容】①等值线的数值判断;②等值线的延伸、弯曲;③等值线的疏密;④等值线的分布特征;⑤影响等值线分布和变化的主要因素;⑥等值线图在生产生活中应用及影响【解题步骤】1.识别等值线反映的是何种地理事物(等高线、等压线、等温线、等地价线等)2.分析影响该地理事物分布和变化的主要因素有哪些(综合分析、具体因素分析)3.按照等值线图判读的共性特征,(从曲线走向、弯曲情况、疏密程度、数值等方面)进行分析和推测,最后得出正确答案。
【解题方法】(1)若该图为南半球近地面等压线图,OM线为锋线,则OM为____锋,M是____气压中心。
(2)若该图为北半球近地面等压线图,请在图上画出OM 锋的示意图。
(3)若该图为等温线图,且等温线闭合,则OM 线所处区域在陆地地形上被称为______。
(4)若该图为等高线地形图,则OM 线所处区域在地形上为______。
(5)若该图为江南丘陵地形示意图,该地在农业发展模式中应建立“_________”体系。
二、不同等值线图判读及应用 (一)等高线地形图的分析【例2】下图为“我国东部某地区等高线地形图(单位:m)”。
读图,完成下列问题。
(1)地形名称:B ,C_______,D________。
(2)河流AD 段的流向为____________________________。
(3)B 处最高海拔的取值范围是 ( )A .150≤H ≤200B .250≤H <300C .200≤H ≤250D .250≤H ≤300(4)若G 、H 两地图上距离为3.6cm ,则两地实地距离为________km 。
(5)若在图示地区拟建一水坝,应选择在____处,理由是 。
(二)等温线分布图分析【例3】试描述图中等温线的分布特点,并分别说明主要处等值线与纬线平行,有关原因叙述正确的是 ( ) 处海拔低,气温高 处受海陆因素的影响20º40º 80º 60º 40ºM N R(2)甲、乙两地的数值最可能是()A.甲为160、乙为140B.甲为140、乙为160C.甲为180、乙为120D.甲为160、乙为120(三)等压线分布图分析【例4】读“我国部分地区某时地面天气形势图”,回答(1)~(2)题。
等值线专题复习等值线一直是历年高考的重点,也是文综地理部分难题的主要分布区域。
在近几年的全国卷或地方卷中每年都有考查,是历年高考考查“必不可少”的。
考查的方面不仅限于常见的等高线、等温线和等压线,还包括:等盐度线、等噪音线、潜水等水位线、土壤表层解冻起始日期的等值线(08海南卷)、年蒸发量变化速率线(08广东卷)等等;甚至还考察常见等值线的作法,例如:等高线剖面图的作图法(04广东卷)、等温线的作法(03江苏卷)等等。
难、中、易题目均有,考查的切入点千变万化。
等值线应该引起广大考生的足够重视,必须下大力气把这部分的复习搞好。
等值线图是一种内涵丰富,要求有较高阅读技能的地理图。
在现行的中学地理教科书中等值线也频频出现,如等高线、等深线、等温线、等降水量线、等压线、等太阳辐射量线、等震线、等地层年龄等值线图、大气中某种污染物分布的等值线图等等。
相应的图已成为目前中学地理教学中的一个重点。
但是,由于教材中对这些图的阅读方法及运用尚未作系统的介绍,故常见学生对此类图件蹙眉,倘若碰到叠加的等值线图则更觉无从下手,不能不说等值线图是地理教学中的一个难点。
地理课程标是地理基本技能的最主要内容。
这些图件不仅有助于学生获得各种地理现象和事物的分布知识及变化规律,同时对于培养学生的观察力、想象力和思维分析能力诸方面有着不可低估的作用。
1.概念、原理的梳理(基础知识的梳理)等值线是指数值相等各点的连线。
等值线图则是在地图上利用一组等值线显示地理现象的地面和空间的连续分布,及其均匀渐变的现象。
它能说明所表达事象在地图上任何一点的数值或强度。
地理学科中重要的等值线有:等高线、等深线、等温线、等压线(面)、等降水量线、等太阳辐射量线、等盐度线、等pH值线图、等太阳辐射线图、人口等密度线图等等。
等值线图的种类繁多,尤以等高线地形图、等温线分布图、等压线分布图三种最为重要。
不论是哪种类型的等值线图,其判读方法都基本一样,一般是根据等值线的数值大小、疏密程度、排列方向、弯曲形状等特点,判断某一地理事物和现象的分布和变化等特点。
★等值线的性质特征1.读图名,读出什么事象的等值线图——识别等值线所反映的是何种地理事物;2.判读等值线排列疏密状况——等值线的疏密代表数值的变化幅度大小;3.读数值,最大值、最小值、递变规律、成因——解题的关键是找出等值线变化的规律,并分析其成因;4.等值线走向可以判断主要影响因素——等值线知识要结合相关的地理知识来判读并解释成因;5. 相邻两条等值线数值只能相同或相差一个等值距离;6.等值线的弯曲方向用“凸低为高、凸高为低”来判别——当然这里的高值和低值是指同一标准下的“高”“低”。
★重要等值线实际应用知识梳理1、等高线地形图的实际应用:⑴坡度大小①同一幅图中看等高线疏密,密集的地方坡度陡,稀疏的地方坡度缓;②不同图中用计算公式:坡度的正切=垂直相对高度/水平实地距离。
(不同图中,比例尺相同,等高距不同,等高距越大,坡度越陡。
不同图中,等高距相同,比例尺不同,比例尺越大,坡度越陡。
)⑵陡崖计算: 计算陡崖的相对高度H公式:(n-1)d≤H<(n+1)d;等高线重叠数为n,等高距为d。
崖顶的最大海拔高度—公式:崖顶的最大海拔高度<过崖最大海拔+等高距。
崖顶的最小海拔高度—公式:崖底的最小海拔高度>过崖最小海拔- 等高距。
⑶与气候联系: ①根据等高线判断气温和气压:海拔越高,气压和气温越低;每升高1000米气温下降6℃。
气压与沸点成正比,山顶气压低,沸点低。
②在等高线图上根据风向判断降水:高大山脉的迎风坡多雨,背风坡少雨。
背风坡气流下沉,温度升高,有焚风效应。
③在等高线图上根据纬度判断阳坡与阴坡:④分析某地气候特点,应结合该地地理纬度,地势高低起伏,山脉走向,阴、阳坡,距离海洋远近等进行综合分析。
⑷与河流联系:河流上游海拔高,下游海拔低。
结合河流流向判定地形大势,结合迎风坡、背风坡、降水状况、等高线高差及地貌类型的差异分析河流水文、水系特征。
①判断河流流向:由海拔高处向低处流,发育于河谷(等高线凸向高值),河流流向与等高线凸出方向相反。
②水系特征:山地形成放射状水系,盆地形成向心状水系,山脊成为水系分水岭。
③水文特征:等高线密集的河谷,河流流速大,水能丰富;河流流量除与气候特别是降水量有关外,还与流域面积大小有关。
⑸通视问题:(通过作地形剖面图来解决)①如果过已知两点作的地形剖面图无山地或山脊阻挡,则两地可互相通视;②注意凸坡(等高线上疏下密)不可见,凹坡(等高线上密下疏)可见;⑹与农业生产相关的内容:根据等高线地形图反映出来的地形类型、地势起伏、坡度缓急、结合气候和水源条件,因地制宜地提出农林牧渔业合理布局的方案;①平原、谷地、三角洲等地一般布局种植业,再根据气候特点具体安排作物;②丘陵若坡缓可开辟为梯田,若坡陡则应布局林业,还可结合南方低山丘陵区布局立体农业;③山地一般为林业;④高原应确定具体位置再布局,我国以畜牧业为主。
⑺城市布局形态与地形:①平原适宜集中紧凑式——团块状;山区适宜分散疏松式——分散成组、一城一区等。
②河谷或山谷地形的城市,大气污染较重,易出现大气污染事件。
⑻铺设输油、气、水管线路:①注意让其从高处向低处引水,以实现自流;②且线路要尽可能短,这样经济投入才会较少。
⑼交通线路选择:①利用有利的地形地势,既要考虑距离长短,又要考虑路线平稳(间距、坡度等),一般是在两条等高线间绕行,沿等高线走向(延伸方向)分布,以减少坡度,只有必要时才可穿过一、两条等高线;②尽可能少地通过河流,少建桥梁等,以减少施工难度和投资;③避免通过断崖、沼泽地、沙漠等地段。
⑽水库建设:要考虑库址、坝址及修建水库后是否需要移民等。
①判断河流位置、流向、落差大小、流速,坝址最好在峡谷处(口小肚大处),工程量小,投资小,安全系数大;②库区范围应是面积较大的山间盆地或宽阔谷地,能提供足够容水空间;③大坝以上应有一定的集水面积,能为库区提供较充足水源;④库区内植被覆盖率较高,保证库区有充足的水源补给,减少泥沙淤积,延长使用寿命;⑤尽量避免断层、破碎带、喀斯特地形等。
⑥考虑占地搬迁状况,尽量少淹良田和村镇。
⑦判断搬迁区和大坝的最大高度,前者是集水线以下区域,后者是集水区的最低鞍部。
⑾地形相关分析:①地形特征的描述:地形类型(平原、高原、山地、丘陵、盆地);地势及起伏状况;主要地形区分布;重要地形剖面图特征。
②地形成因分析:运用地质作用(内力作用——地壳运动、岩浆活动、变质作用、地震;外力作用——流水、风、海浪、冰川的侵蚀、搬运、沉积作用等)与板块运动(板块内部地壳比较稳定,板块交界处,地壳比较活跃及板块的碰撞或张裂)来解释③沙丘:在干旱、半干旱地区,在风力沉积作用下所形成,在等高线图上,表现为新月形。
根据沙丘形态,坡陡处为背风坡,坡缓处为迎风坡。
2、等高压线图的实际应用:(1)根据风向可判断:①判断等压线值大小。
顺着风向,等压线数值减小。
②判断南北半球。
如风向和水平气压梯度力相比是向右偏的,说明在北半球,反之,向左偏的是南半球。
③判断近地面和高空的位置。
风向与等压线斜交说明有摩擦力,是近地面的风向:如果风向与等压线平行说明无摩擦力,是高空的风向。
④判断高气压和低气压的位置:北半球:背风而立,右后方是高压;南半球:背风而立,左后方是高压。
(2)根据等压线疏密判断风力:等压线密,表示水平气压梯度力大,风力大,反之,风力小。
(3)根据海平面气压分布判断季节:夏季(北半球7月、南半球1月)大陆内部有低气压。
冬季(北半球1月、南半球7月)大陆内部有高气压(4)根据闭合等压线判断天气状况:低气压中心附近为阴雨天气。
高气压中心附近为晴朗天气3、等温线分布图的实际应用(1)判断南北半球:等温线数值向北降低为北半球,等温线数值向南降低为南半球。
(2)判断季节和海陆分布:1月份大陆上的等温线向南凸出;7月份大陆上的等温线向北凸出。
(3)分析等温线的走向及影响因素:①等温线与纬线方向基本一致,呈东西延伸,说明影响该地气温的主要因素是太阳辐射。
②等温线大体与海岸线平行,说明影响该地气温的主要因素是海陆分布。
③等温线与等高线平行或与山脉走向、高原边缘平行,说明该地气温是受地形起伏的影响。
④海洋上等温线弯曲的方向即为洋流的流向。
⑤等温线闭合,数值内大外小,为盆地或小洼地;数值内小外大,则为山地。
4、等降水量线分布图的实际应用(1)判断降水的地区分布差异大小等降水量线密集一—降水的地区分布差异大等降水量线稀疏一一降水的地区分布差异小(2)根据等降水量线的走向判断影响因素①等降水量线与海岸线大致平行一—降水自沿海向内陆减少。
②等降水量线与山脉走向平行一一多雨一侧为迎风坡,少雨的一侧为背风坡③等降水量线呈封闭曲线一一地形或城市“雨岛”影响5、年太阳总辐射量等值线分布图的实际应用(1)纬度因素——纬度低,太阳高度角大,年太阳总辐射量多。
(2)气候、天气因素一一降水越少,太阳辐射削弱量少,年太阳总辐射量多。
(3)地势、地形因素一一地势越高,空气稀薄,太阳辐射削弱量少,年太阳总辐射量多。
6、其他等值线的实际应用:通过判读海底岩石年龄等值线——判定海岭、海沟的位置,及海底张裂地带与碰撞地带的位置与走向;通过判读人口密度等值线——分析某地区人口分布的规律及其影响人口分布的自然、历史、社会、经济诸因素。
★重难点突破——等值线问题解题技巧几例1、等值线图上数值高低的判读法——切线法:切线法是指在等值线弯曲最大处作某条等值线的切线,比较切点与切线上其他点(该切线与其他等值线的交点)的数值大小。
若切点数值小于其他点的数值,则为低值区;若切点数值大于其他点的数值,则为高值区。
如上页图。
这样,学生就容易直观地理解“凸低为高、凸高为低”。
在理解的基础上,要进一步加强“凸低为高、凸高为低”的具体应用,总结归纳出“凸低为高——脊脊暖、凸高为低——谷槽寒”。
“凸低为高——脊(等高线时为山脊)脊(等压线时为高压脊)暖(海水等温线时为暖流)、凸高为低——谷(等高线时为山谷)槽(等压线时为低压槽)寒(海水等温线时为寒流)”。
2、局部小范围闭合等值线。
两条等值线之间出现小范围闭合等值线,闭合区域的数值按“大于大值”或“小于小值”的规律判读。
如右图。
3、遇到由于海陆差异造成的等温线弯曲的问题时,先自绘简图(如右图)。
绘制上图的理论基础是:无论南北半球:7月:陆地上均向北弯、海洋上均向南弯;1 月:陆地上均向南弯、海洋上均向北弯【例题】读下图,某地区等温线示意图,判断下面各题:该地区所在半球及当地季节为:A.北半球夏季B.北半球冬季C.南半球冬季D.南半球夏季【解析】先让学生快速自绘简图:由题意可知,陆地上等温线向北弯曲,锁定7月,由等温线数值递变可知南半球,7月为南半球的冬季,选C。