生产物流管理计算题
- 格式:docx
- 大小:311.76 KB
- 文档页数:12
《企业生产与物流管理》习题集及参考答案目录Part I 单选题 (1)Part II 多选题 (12)Part III判断题 (14)Part IV简答题 (18)Part V 计算题 (20)Part VI 案例分析题 (26)Part I 单选题1. 产品规格书中的使用说明主要是提供给( C )的信息A、销售人员B、运输部门C、用户D、售后服务人员2. 用产出衡量生产能力的组织是( A )A、汽车制造厂B、商店C、航空公司D、医院3. (C)是指生产对象的位置固定不动,而人员、物料和设备在需要时移动A、产品布置B、工艺布置C、定位布置D、混合布置4. 将办公用电脑改成家用电脑形成的新产品是(D)A、改良新产品B、创新新产品C、降低成本新产品D、市场再定位新产品5. 产品规格书中的工作原理主要是提供给(D)的信息A、销售人员B、运输部门C、用户D、售后服务人员6. 按(A)分类,造纸厂是流程型生产企业A、生产工艺特性B、生产专业化程度C、组织生产的特点D、生产的重复性7. 对现有产品的结构进行改进后形成的新产品是(A)A、改良新产品B、创新新产品C、降低成本新产品D、市场再定位新产品8. (C)一般是用投入来衡量生产能力A、汽车制造厂B、发电厂C、航空公司D、钢铁厂9. 节拍是(D )的期量标准A、标准生产B、单件生产C、成批生产D、大量生产10. 按与顾客接触的程度分类,家政服务是(C )A、准制造型运营B、混合型运营C、高接触型运营D、技术密集型运营11. 追求生产系统的规模经济性,是( A)的实质A、基于成本战略B、基于时间战略C、基于质量战略D、基于利润战略12. 夜光显示是手表的(B)A、基本功能B、辅助功能C、美学功能D、不必要功能13. 艺术品一般只需要具备(C)A、使用功能B、辅助功能C、美学功能D、不必要功能14. 用于分析和判断工序质量是否处于稳定状态和受控状态的方法是(C )A、排列图法B、因果图法C、控制图法D、散布图法15. 计划期一般为一年的生产计划是(B)A、生产作业计划B、中期生产计划C、长期生产计划D、产品生产计划16. 批量是(C)的期量标准A 、标准生产B 、单件生产C 、成批生产D 、大量生产17. 动力设备一般是( )A 、辅助生产设备B 、生产工艺设备C 、管理用设备D 、公共福利用设备18. 企业在计划年度内新创造的价值是(C )A 、商品产值B 、总产值C 、净产值D 、利润19. B )。
生产物流管理题库1-0-3问题:[问答题,计算题]A、B是两种不同规格的产品,其产品结构如图3-3所示。
已知各产品的市场需求量为:A产品9月300件、10月450件、12月500件;B产品9月200件、11月300件;E产品自3月至12月50件;F产品5月200件、10月300件。
各产品的库存量、生产(订购)批量和周期见表3-4。
请根据以上数据编制物料需求计划。
问题:[问答题,计算题]设某种零件批量n=3件,加工工序数m=4,每道工序的单件加工时间:t1=10min,t2=5min,t3=15mm,t4=10min。
试用顺序移动方式、平行移动方式、平行顺序移动方式计算该批零件的加工周期。
问题:[问答题,案例分析题]家乐福物流选址案例"每次家乐福进入一个新的地方,都只派1个人来开拓市场。
进台湾家乐福只派了1个人,到中国内地也只派了1个人。
"9月11日,家乐福的企划行销部总监罗定中用这句令记者吃惊不已的话做他的开场白。
罗定中解释说,这第一个人就是这个地区的总经理,他所做的第一件事就是招一位本地人做他的助理。
然后,这位空投到市场上的光杆总经理,和他唯一的员工做的第一件事,就是开始市场调查。
他们会仔细地去调查当时其他商店里有哪些本地的商品出售,哪些产品的流通量很大,然后再去与各类供应商谈判,决定哪些商品会在将来家乐福店里出现。
一个庞大无比的采购链,完全从零开始搭建。
这种进入市场的方式粗看难以理解,但却是家乐福在世界各地开店的标准操作手法。
这样做背后的逻辑是,一个国家的生活形态与另一个国家生活形态经常是大大不同的。
在法国超市到处可见的奶酪,在中国很难找到供应商;在台湾地区十分热销的槟榔,可能在上海一个都卖不掉。
所以,国外家乐福成熟有效的供应链,对于以食品为主的本地家乐福来说其实意义不大。
最简单有效的方法,就是了解当地,从当地组织采购本地人熟悉的产品。
1995年进入中国市场后,短时间内家乐福便在相距甚远的北京、上海和深圳三地开出了大卖场,就是因为他们各自独立地发展出自己的供应商网络。
物流成本管理计算题1、某企业生产甲、乙两种产品,有关资料如表4-15和表4-16所示。
表4-15 产量及直接成本等资料表表4-16 制造费用明细及成本动因表要求:(1)分别按传统成本计算法与作业成本法求出甲、乙两种产品所应负担的制造费用;(2)分别按传统成本计算法与作业成本法计算甲、乙两种产品的总成本和单位成本;1答:(1)按传统成本计算法分摊制造费用分配率= 245200/(40000+150000) = 1.29元/小时A产品应负担的制造费用= 40000×1.29 = 51600元B产品应负担的制造费用= 150000×1.29 = 193600元(2)按作业成本法分摊制造费用:(3)按传统成本法计算的A产品总成本=2200000+300000+51600=2551600元按传统成本计算的A产品单位成本=2551600/20000=127.58元/台按传统成本计算的B产品总成本=2500000+750000+193600=3443600元按传统成本计算的B产品单位成本=3443600/50000=68.87元/台按作业成本法计算的A产品总成本=2200000+300000+71774=2571744元按作业成本计算的A产品单位成本=2571744/20000=128.58元/台按作业成本计算的B产品总成本=2500000+750000+173426=3423426元按作业成本计算的B产品单位成本=3423426/50000=68.46元/台(4)按传统成本计算的A产品成本偏低,B产品成本偏高,主要原因是因为传统成本采用单一标准分配制造费用,导致产量大的B产品多承担费用,从而导致其成本偏高。
2、某生产企业生产甲、乙两种产品,其生产工艺过程基本相同,但其销售模式不同,其中甲产品采取传统销售模式,采用大批量的方式销售给全国各地的分销商,而乙产品采用电子商务方式销售,采取小批量的方式直接发货给消费者。
第四章6、某公司拟建一仓库负责向四个工厂进行物料供应配送,各工厂的具体位置与年物料配送量于下表,请利用重心法确定物流公司的仓库位置,设拟建仓库对各工厂的单位运输成本相等。
解:X=∑QiXi/∑Qi=20*2000+60*1200+20*1000+50*2500=38.35Y=∑QiYi/∑Qi=70*2000+60*1200+20*1000+20*2500=42.09该物流公司的位置坐标为(38.35,42.09)7、某公司有三个不同仓库建设方案,由于各场址有不同的征地费、建筑费,工资、原材料等成本费用也都不同,从而有不同仓储成本。
三个选址的仓储成本见下表,试利用盈亏平衡发决定不同仓储规模下最优的选址。
解:假设仓储总成本为TC,仓储量为Q,则TC=固定费用+可变费用*QTC A=600000+40Q、TC B=1200000+20Q、TC C=1800000+10Q由线性规划可以得出,当Q<30000时,选择A方案合适;当30000<Q<60000时,选择B 方案合适;当Q>60000时,选择C方案合适8、某家电制造公司现有两个分销配送中心F1及F2,供应四个城市销售区域市场S1、S2、S3、S4,由于销售量不断增加必须另设新一配送中心,现通过定性分析,可供选择的地点为F3及F4。
各配送中心以千台为单位的产品储存费用及各个配送中心至各销售城市的运输费用如表1所示。
试问在可供选择的地点F3及F4中,选择其中哪一个地址为好?解:假设选择F3,其解如下表(括号内为运输量)选择F3总的费用(运输费+仓储费):(1.5*0.4+0.5*0.8+1.7*0.05+2*0.65+3*0.05+1.5*0.55)+(0.7*1.5+0.55*1.8+1.25*2)=7.9万元同理计得,选择F3总的费用(运输费+仓储费)=12.16万元综上,两者比较选择F3合适9.一个工厂欲布置其生产与服务设施。
该工厂共分成6个分厂,计划布置在一个2×3的区域内。
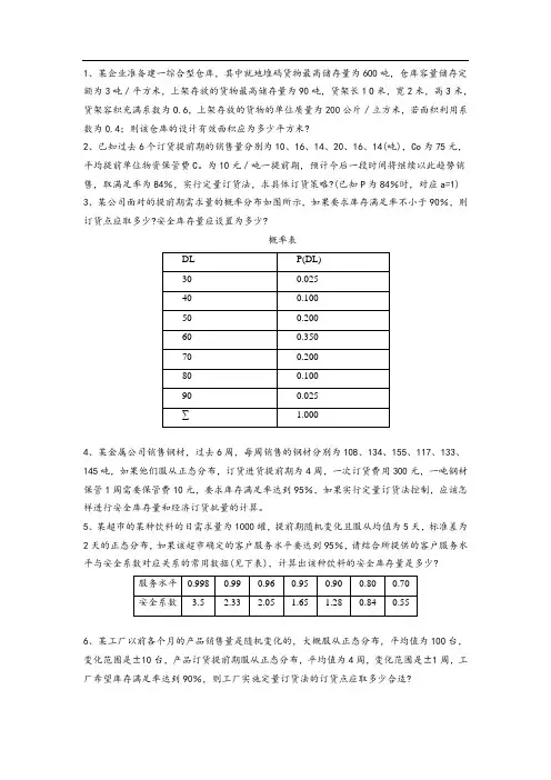
1、某企业准备建一综合型仓库,其中就地堆码货物最高储存量为600吨,仓库容量储存定额为3吨/平方米,上架存放的货物最高储存量为90吨,货架长1 O米,宽2米,高3米,货架容积充满系数为O.6,上架存放的货物的单位质量为200公斤/立方米,若面积利用系数为0.4;则该仓库的设计有效面积应为多少平方米?2、已知过去6个订货提前期的销售量分别为10、16、14、20、16、14(吨),Co为75元,平均提前单位物资保管费C。
为10元/吨一提前期,预计今后一段时间将继续以此趋势销售,取满足率为84%,实行定量订货法,求具体订货策略?(已知P为84%时,对应a=1)3、某公司面对的提前期需求量的概率分布如图所示,如果要求库存满足率不小于90%,则订货点应取多少?安全库存量应设置为多少?概率表4、某金属公司销售钢材,过去6周,每周销售的钢材分别为108、134、155、117、133、145吨,如果他们服从正态分布,订货进货提前期为4周,一次订货费用300元,一吨钢材保管1周需要保管费10元,要求库存满足率达到95%,如果实行定量订货法控制,应该怎样进行安全库存量和经济订货批量的计算。
5、某超市的某种饮料的日需求量为1000罐,提前期随机变化且服从均值为5天,标准差为2天的正态分布,如果该超市确定的客户服务水平要达到95%,请结合所提供的客户服务水平与安全系数对应关系的常用数据(见下表),计算出该种饮料的安全库存量是多少?6、某工厂以前各个月的产品销售量是随机变化的,大概服从正态分布,平均值为100台,变化范围是±10台,产品订货提前期服从正态分布,平均值为4周,变化范围是±1周,工厂希望库存满足率达到90%,则工厂实施定量订货法的订货点应取多少合适?7、某公司采用定期订货法策略进行采购,对某个商品的销售量进行了分析研究,发现用户需求服从正态分布,过去五个月的销售量分别为:8、10、11、12、9(个/月),如果他们组织商品采购,则订货提前期为1个月,一次订货费用20元,一种物资一个月的保管费用是1元。
1. 某仓库A商品年需求量为16000箱,单位商品年保管费用为20元,每次订货成本为400元,求经济订货批量Q、经济订货周期T。
2. 公司每年要购入1200台X产品。
供应商的条件是:①订货量大于等于75单位时,单价32.5元;②订货量小于75单位时,单价35.00元。
每次订货的费用为8元;单位产品的年库存维持费用为单价的12%。
试求最优订货量。
3. 某制造公司每年以单价10元购入8000单位的某种物品。
每次订货的订货成本为30元,每单位每年的储存成本为3元。
若前置时间为10日,一年有250个作业日,问经济订货间隔期,最高库存数量和个总成本各为多少?4. 某企业每年需要耗用1000件的某种物资,同时已知每次的订货成本为5元,每件物资的年存储费率为20%,若物资的单价随每次的订货量增加而略有下降:当订货批量不超过40件时,单价为22元;订货批量在41至80件时的单价为20元;订货批量超过80件时的单价为18元;试求此种条件下的经济订货批量是多少。
5. 某公司物品的年需求量为3000,订购成本为每次20次,单位成本12元,库存持有成本百分比25%,当该物品的保存地点分别为1个仓库和2个仓库时,其经济批量、年总成本各为多少?6. 某企业每年需要耗用10000件的某种物资,现已知该物资的单价为40元,同时已知每次的订货成本为20元,每件物资的年存储费率为25%,一年工作50周,订货提前期为1周。
(1)经济订货批量是多少? (2)一年应该订几次货? (3)订货点的库存储备量为多少?7. 某汽车变速箱厂每年需要齿轮加工的专用滚刀1000把,每次采购均按经济批量订货。
现知每次的订货费用为60元,每把刀的单价为50元,每把滚刀的年库存费用是3元,试计算其经济订货批量。
若每年按250个工作日计算,最优订货次数?8. 某电子商务企业每年需要购买8000套儿童服装,每套儿童服装的单价为100元,其年储存成本为3元,每次的订购成本为30元。
一、计算( 每题参考分值5分)1、一家合同制造商为它的产能确定了两类细分市场:一类市场的顾客不愿意提前下订单,对价格不敏感,其需求价格函数为:d1=5000 - 20p1;另一类市场的顾客愿意提前下订单,对价格敏感,其需求价格函数为:d2=5000 - 40p2。
生产成本为c=10元/单位。
1)如果制造商的目标是使利润最大化,它将如何为每个市场制定价格?2)如果该制造商为两个市场制定相同价格,此价格为多少?3)实施差别定价,可以增加多少利润?(1)无限产能时差别定价分别为p1、p2,则:(3分)(3分)即:对价格不敏感市场的定价为130元,对价格敏感市场定价为67.5元。
差异定价的利润=(5000-20*130)*(130-10)+(5000-40*67.5)*(67.5-10)=420250。
(3分)(2)无限产能时单一定价:(3分)模型求解得: P=88.3元;(3分)即:统一定价为88.3元。
统一定价时的利润 =368167元(3分)(3)差异定价增加的利润=420250-368167=52083元。
(2分)2、制造商对某零部件月需求量为500件,每次订货固定订货成本为2000元,库存持有成本率为20%。
供应商提供的价格折扣是:订货量小于600件时,报价为280元/件;订货量大于或等于600件而小于1000件时,报价为250元/件,订货量大于或等于1000件,报价为200元/件。
求该制造商的最佳订货批量。
解:1)由题目可知已知条件:D=6000,S=1000,h=0.2; C0=280,C1=250,C2=200 (2分)2)按价格从低到高,依次计算各价格下的EOQ订货量:i) 当 C2=200时,EOQ= (3分)即:Q(C2=200)= 774.6件(2分)订货量小于1000,不能享受200元/件的价格。
因此,不可行。
(2分)ii)当C1=250时,重复上述公式,Q(C1=250)=692.8件;(2分)订货量在折扣价的范围,因此,可行。
考试必备【⽣产运作管理】经典计算题(带解释和答案)考试必备【⽣产运作管理】经典计算题(带解释和答案)重⼼法求⼯⼚设置地1、某企业决定在武汉设⽴⼀⽣产基地,数据如下表。
利⽤重⼼法确定该基地的最佳位置。
假设运输量与运输成本存在线性关系(⽆保险费)。
Y=(800*2+900*5+200*4+100*5)/(800+900+200+100)=.所以最佳位置为(,)。
1.某跨国连锁超市企业在上海市有3家超市,坐标分别为(37,61)、(12,49)、(29,20)。
现在该企业打算在上海建⽴分部,管理上海市的业务。
假设3家超市的销售额是相同的。
(6.3.24)(1)⽤重⼼法决定上海分部的最佳位置。
解:因为3家超市的销售额相同,可以将他们的销售额假设为1.上海分部的最佳位置,也就是3家超市的重⼼坐标,可以这样计算:x=(37+12+29)/3=27y=(61+49+20)/3=(2)如果该企业计划在上海建⽴第四家超市,其坐标为(16,18),那么如果计划通过,上海分部的最佳位置应该作何改变解:增加⼀家超市后,重⼼坐标将变为:x=(37+12+29+16)/4=y=(61+49+20+18)/.4=37成本结构1、某商店销售服装,每⽉平均销售400件,单价180元/件,每次订购费⽤100元,单件年库存保管费⽤是单价的20%,为了减少订货次数,现在每次订货量是800件。
试分析:(1)该服装现在的年库存总成本是多少(15000元)(2)经济订货批量(EOQ )是多少(163件) (1)总成本=(800/2)*180*20%+(400*12/800)*100=15000元(2)EOQ=HDS 2=800/)12*400(100*12*400*2=163件(3)EOQ 总成本=(163/2)*180*20%+(400*12/163)*100=5879元(4)年节约额=15000-5879=9121元节约幅度=(9124/15000)*100%=%2、某⾷品⼚每年需要采购3000吨⾯粉⽤于⽣产,每次采购订货⼿续费为300元,每吨产品的年库存成本为20元,请计算该⾷品⼚采购⾯粉的经济订货批量EOQ 。
物流企业运营管理计算题1. 简介物流企业是指通过制定和实施物流战略、规划、组织、指挥、协调和控制活动,为客户提供高质量的物流服务的企业。
物流企业运营管理是指对物流企业内部各项资源的合理配置和协调,以实现企业运营目标的过程。
本文将针对物流企业运营管理中的一些计算题进行详细讨论。
2. 计算题1:配送中心的周转率配送中心的周转率是指企业在一定时间内,库房存储物资的次数。
它可以衡量配送中心的运作效率。
计算配送中心的周转率的公式如下所示:周转率 = 销售额 / 平均库存额其中,销售额是指某一时期内配送中心的销售额,平均库存额是指某一时期内配送中心的平均库存额。
3. 计算题2:物流交通运输成本物流交通运输成本是指物流企业在运输商品过程中所发生的各类成本。
计算物流交通运输成本需要考虑以下几个方面:•运输车辆成本:包括油费、维修费等;•运输人员成本:包括工资、福利等;•运输管理成本:包括物流信息系统的维护成本等。
将以上各项成本加总即可得到物流交通运输成本。
4. 计算题3:物流企业的运输距离物流企业的运输距离是指货物从供应地到目的地所需的实际行驶距离。
计算物流企业的运输距离需要考虑以下几个方面:•路程规划:根据供应地和目的地之间的地理位置和道路情况,规划出最短的行驶路线;•里程计算:利用地图软件或里程计算器,计算出行驶距离。
5. 计算题4:物流企业的货物损耗率物流企业的货物损耗率是指在运输过程中货物的损耗比例。
计算货物损耗率需要考虑以下几个因素:•货物种类;•运输方式;•运输距离;•包装情况。
货物损耗率的计算公式如下所示:货物损耗率 = (损耗货物数量 / 发货货物数量) × 1006. 计算题5:物流企业的服务水平物流企业的服务水平是指企业对客户提供的物流服务的满意程度。
计算服务水平一般可以从以下几个方面衡量:•准时交货率:指企业按时交付货物的比例;•完好率:指货物在运输过程中完好无损的比例;•对外索赔率:指企业因运输问题而遭受投诉或索赔的比例。
一、重心法某计划区域内资源点与需求点得分布情况,如下图所示,各资源量、需求量与运费率,如下表所示。
需在该地区设置一个物流网点D ,只考虑运输费用,求D 得最佳位置。
16.575.0*15005.0*100075.0*25005.0*30005.0*20008*75.0*15006*75.0*10002*75.0*25008*5.0*30003*5.0*2000=++++++++=x18.575.0*15005.0*100075.0*25005.0*30005.0*20008*75.0*15004*75.0*10005*75.0*25002*5.0*30008*5.0*2000=++++++++=y二、库存控制 某计算机配件经销商销售一种键盘。
每个键盘价格就是150元,每年销量就是100个,存储成本为30%,订购成本为180元,求其经济订货批量及相应订货周期就是多少?解:经济订货批量:某零售商对激光笔得需求为每年3000支,订购成本为2000元,存储成本为20%,其上游批发商采用如图所示得折扣方案,请为该零售商选择经济订购批量。
订购批量 Q 价格0<Q≤499 100500<Q≤1499 98、51500<Q 96参 数 范围 1 范围 2 范围 3 下 限 0 500 1500 上 限4991499价格/100、00 98、50 96、00元初始优774、6 780、5 790、6化解实际订500 780 1500购量选择单位价98、5 98、5 96格/元库存总312425 310875 306400成本/元1、一家位于波特兰得大公司用指数平滑法预测对污染控制设备得需求。
很明显它有一个上升得趋势。
月份需求月份需求1 12 6 262 17 7 313 20 8 324 19 9 365 24指定平滑系数=0、2与β=0、4。
假定1月份得预测值为11件。
2、纽约爱迪生电力公司1989~1995年间电力需求见下表,以兆瓦为单位。
1、某企业对某产品的需求量为每周 1500件,交货期为 3周,安全库存为 200件,则使用定量订货法时的订货点应设为多少?如交货期缩短到2周,又当如何?答:根据公式计算:订购点=平均需求速度×交货期+安全库存量=1500×3+200=4700(件)因此,该企业订货点应设为4700件。
交货期缩短到2周,订购点=1500×2+200=3200(件)2、某公司为了降低库存成本,采用订购点法控制某种商品的库存。
该商品的年需求量为 1000单位,准备或订购成本为每次10美元,每年每单位商品的持有成本为0.5美元,试计算该公司每次订购的最佳数量为多少?如果安全库存天数为3天,订购运输时间为7天,则该公司的订购点为多少?答:据公式)单位200(400000.51010002K 2CD EOQ ==××==)(933601000单位安全库存量≈×=订购点=日平均需求量×备运时间+安全库存量)(29920973601000单位≈+≈+× 因此,该公司的每次订购的最佳数量为200单位。
如果安全库存期为3天,订购备运时间为7天,那么该公司的订购点为29单位。
3、如果某产品的需求量为每年 2000个单位,价格为每单位 2.5美元,每次订货的订货成本为 25美元,年持有成本率相当于单价的20%,则各次订货之间的最优检查间隔期tr 为多长时间?答:根据EOQ 模型计算,)单位(47420%2.55220002PF 2CD EOQ =×××==则各次订货之间的最优检查间隔期tr 为:)32(7.22235.02000447D EOQ tr 周月即每月年====4、某种物资月需求量服从均值为 15,标准差为310的正态分布,订购成本为30元,库存持有成本为1元/件月,平均订购时间为1个月,实行定期订货,首次盘点得到Q Ki =21.32,在途运输量为5件,已经售出但是尚未提货的库存量为3件,如果要求库存满足率达到97.7%(对应安全系数为α=2),求订货周期T 和最高库存量Q max 。
【生产运作管理】重心法求工厂设置地1、某企业决定在武汉设立一生产基地,数据如下表。
利用重心法确定该基地的最佳位置。
假设运输量与运输成本存在线性关系(无保险费)。
工厂 坐标 年需求量/件 D1 (2,2) 800 D2 (3,5) 900 D3 (5,4) 200 D4 (8,5)100 解:X=(800*2+900*3+200*5+100*8)/(800+900+200+100)=3.05 Y=(800*2+900*5+200*4+100*5)/(800+900+200+100)=3.7. 所以最佳位置为(3.05,3.7)。
1. 某跨国连锁超市企业在上海市有3家超市,坐标分别为(37,61)、(12,49)、(29,20)。
现在该企业打算在上海建立分部,管理上海市的业务。
假设3家超市的销售额是相同的。
(6.3.24)(1) 用重心法决定上海分部的最佳位置。
解:因为3家超市的销售额相同,可以将他们的销售额假设为1. 上海分部的最佳位置,也就是3家超市的重心坐标,可以这样计算: x=(37+12+29)/3=27 y=(61+49+20)/3=43.3(2) 如果该企业计划在上海建立第四家超市,其坐标为(16,18),那么如果计划通过,上海分部的最佳位置应该作何改变?解:增加一家超市后,重心坐标将变为: x=(37+12+29+16)/4=24.3 y=(61+49+20+18)/.4=37成本结构1、某商店销售服装,每月平均销售400件,单价180元/件,每次订购费用100元,单件年库存保管费用是单价的20%,为了减少订货次数,现在每次订货量是800件。
试分析:(1)该服装现在的年库存总成本是多少?(15000元)(2)经济订货批量(EOQ )是多少?(163件) (1)总成本=(800/2)*180*20%+(400*12/800)*100=15000元 (2)EOQ =H DS 2=800/)12*400(100*12*400*2=163件 (3)EOQ 总成本=(163/2)*180*20%+(400*12/163)*100=5879元(4)年节约额=15000-5879=9121元节约幅度=(9124/15000)*100%=60.81%2、某食品厂每年需要采购3000吨面粉用于生产,每次采购订货手续费为300元,每吨产品的年库存成本为20元,请计算该食品厂采购面粉的经济订货批量EOQ 。
【生产运作管理】重心法求工厂设置地1、某企业决定在武汉设立一生产基地,数据如下表。
利用重心法确定该基地的最佳位置。
假设运输量与运输成本存在线性关系(无保险费)。
Y=(800*2+900*5+200*4+100*5)/(800+900+200+100)=3.7.所以最佳位置为(3.05,3.7)。
1.某跨国连锁超市企业在上海市有3家超市,坐标分别为(37,61)、(12,49)、(29,20)。
现在该企业打算在上海建立分部,管理上海市的业务。
假设3家超市的销售额是相同的。
((1)用重心法决定上海分部的最佳位置。
解:因为3家超市的销售额相同,可以将他们的销售额假设为1.上海分部的最佳位置,也就是3家超市的重心坐标,可以这样计算:x=(37+12+29)/3=27y=(61+49+20)/3=43.3(2)如果该企业计划在上海建立第四家超市,其坐标为(16,18),那么如果计划通过,上海分部的最佳位置应该作何改变?解:增加一家超市后,重心坐标将变为:x=(37+12+29+16)/4=24.3y=(61+49+20+18)/.4=37成本结构1、某商店销售服装,每月平均销售400件,单价180元/件,每次订购费用100元,单件年库存保管费用是单价的20%,为了减少订货次数,现在每次订货量是800件。
试分析:(1)该服装现在的年库存总成本是多少?(15000元)(2)经济订货批量(EOQ )是多少?(163件) (1)总成本=(800/2)*180*20%+(400*12/800)*100=15000元 (2)EOQ =HDS 2=800/)12*400(100*12*400*2=163件(3)EOQ 总成本=(163/2)*180*20%+(400*12/163)*100=5879元 (4)年节约额=15000-5879=9121元 节约幅度=(9124/15000)*100%=60.81%2、某食品厂每年需要采购3000吨面粉用于生产,每次采购订货手续费为300元,每吨产品的年库存成本为20元,请计算该食品厂采购面粉的经济订货批量EOQ 。
生产物流练习试卷1(题后含答案及解析)题型有:1. 计算题 2. 论述题 3. 案例分析题计算题1.某工厂物料清单和库存记录文件如表5-1,请用MRP方法计算1周至10周的可供量和缺货量。
(1)请写出计算公式,并将答案填入表5-1中。
(2)写出MRP 的处理结果。
正确答案:可供货量的计算公式为:可供货量(负数时为缺货量)=库存量+已订货量-需求量根据表5-1,用MRP方法计算1周至10周的可供量和缺货量如表5-2所示。
涉及知识点:生产物流论述题2.论述生产物料装卸搬运分析的目标。
正确答案:物料装卸搬运一般不增加产品的附加价值,因此应尽可能减少装卸搬运以降低成本。
物料装卸搬运的总目标是以最少的装卸搬运将物料适时适量地从一处移至另一处。
在设计物料装卸搬运系统时应注意下列目标:(1)降低单位物料的装卸搬运成本单位物料装卸搬运成本的降低,有赖于良好的装卸搬运设计。
例如采用单元集装的形式增加每次装卸搬运件数,就能减少装卸搬运次数而节省不必要的装卸搬运时间和搬运费用。
同时,还可以使用可以重复利用的装卸搬运容器和包装材料来降低装卸搬运成本。
(2)缩短生产时间有效的物料装卸搬运能减少原材料到成品之间的总制造时间,避免因物料停止而造成的延误操作,使物料在生产过程中连续不断地流动,保持更高的生产节奏。
因此,在成本允许的范围内,应尽量采用机械化或自动化装卸搬运来减少搬运时间,提高装卸搬运系统的效率。
(3)提高仓库设施的可用能力仓库有固定的储存空间,尽可能多地利用仓库空间以提高仓库的空间利用率并使仓库的运营费用最小化。
通常企业只注意到利用仓库的水平空间而忽视了垂直空间的利用,但是垂直空间也是一个很重要的成本因素,因为企业同样也要为这一部分空间支付费用。
此外,有效利用仓库空问还要致力于过道空间的最小化,在不影响仓库设备移动的前提下,尽量减少过道空间也可以提高仓库空间利用率。
企业使用的物料搬运设备类型往往会影响过道的宽度。
第二章P626、某企业对甲、乙两产品进行包装,本月发生的成本资料见表:第四章P1036、解:7、解:用决策树法画出决策树:4005008004605808704004807504505608604205007204505508504E =400×0.1+500×0.5+800×0.4=610万元 5E =460×0.1+580×0.5+870×0.4=684万元由于4E <5E ,所以1E =610万元6E =400×0.1+480×0.5+750×0.4=580万元 7E =450×0.1+560×0.5+860×0.4=669万元由于6E <7E ,所以2E =580万元 成功的概率为0.78E =420×0.1+500×0.5+720×0.4=580万元 9E =450×0.1+550×0.5+850×0.4=660万元由于8E <9E ,所以3E =580万元 成功的概率为0.8从上述计算可以看出,由于自行改进和探索合作的配送成本都可以达到580万元,但是探索合作的成功率大于自行改进的成功率,所以我们应该选择探索合作方案。
8、解:设使用天数为X(1)购置方案:年折旧费=(设备价格—残值)/使用年费=52000200010-=5000(元)年使用成本=固定成本+每天运行成本×使用天数=5000+3000+80X=8000+80X (2)租赁方案:年使用成本=(100+80)X=180X 两方案相等时的使用天数为成本无差别点,其值为:8000+80X=180X →X=80(天) 如果使用天数少于80天,宜使用租赁设备的方案;若使用天数大于80天,宜使用购置方案。
9、解:先由重心法公式:41041jjj jj W XX W===∑∑=(80×2+90×3+20×5+30×8)/(80+90+20+30)=3.541041jjj jj W YY W===∑∑=(80×2+90×5+20×4+30×5)/(80+90+20+30)=3.82重心的坐标点是(3.5,3.82),这就是物流中心的最佳位置。
第四章
6、某公司拟建一仓库负责向四个工厂进行物料供应配送,各工厂的具体位置与年物料配送量于下表,请利用重心法确定物流公司的仓库位置,设拟建仓库对各工厂的单位运输成本相等。
解:X=∑QiXi/∑Qi=20*2000+60*1200+20*1000+50*2500=38.35
Y=∑QiYi/∑Qi=70*2000+60*1200+20*1000+20*2500=42.09
该物流公司的位置坐标为(38.35,42.09)
7、某公司有三个不同仓库建设方案,由于各场址有不同的征地费、建筑费,工资、原材料等成本费用也都不同,从而有不同仓储成本。
三个选址的仓储成本见下表,试利用盈亏平衡发决定不同仓储规模下最优的选址。
解:假设仓储总成本为TC,仓储量为Q,则TC=固定费用+可变费用*Q
TC A=600000+40Q 、 TC B=1200000+20Q 、TC C=1800000+10Q
由线性规划可以得出,当Q<30000时,选择A方案合适;当30000<Q<60000时,选择B 方案合适;当Q>60000时,选择C方案合适
8、某家电制造公司现有两个分销配送中心F1及F2,供应四个城市销售区域市场S1、S2、S3、S4,由于销售量不断增加必须另设新一配送中心,现通过定性分析,可供选择的地点为F3及F4。
各配送中心以千台为单位的产品储存费用及各个配送中心至各销售城市的运输费用如表1所示。
试问在可供选择的地点F3及F4中,选择其中哪一个地址为好?
解:假设选择F3,其解如下表(括号内为运输量)
选择F3总的费用(运输费+仓储费):
(1.5*0.4+0.5*0.8+1.7*0.05+2*0.65+3*0.05+1.5*0.55)+(0.7*1.5+0.55*1.8+1.25*2)=7.9万元
同理计得,选择F3总的费用(运输费+仓储费)=12.16万元
综上,两者比较选择F3合适
9.一个工厂欲布置其生产与服务设施。
该工厂共分成6个分厂,计划布置在一个2×3的区域内。
已知这6个分厂间的业务关系密切程度,如图所示,请作出合理布置?
解:第一步,列出关系密切程度分类表(只 考虑A 和X ) A :1-3 2-5 2-6 3-5 B :1-4 3-4 3-6 第二步,根据列表编制主联系簇,如图所示 第三步,画出“X ”关系联系图 5 3 1 1 2 4
6 3 6 第四步,根据联系簇图和可供使用的区域,用实验法安置所有部门
第五章
10、某混合流水线上生产120台 A 产品,60台B 产品和40台C 产品。
试用生产比倒数法确定投产顺序。
部门6
部门5
部门4
部门3
部门2
部门1
I
A
A
E
E
A
X
O
X
O
I
U
X
A
U
不予考虑
不重要 一般 重要 特别重要 绝对重要 密切程度 X
U O I E A 代号 1
2 3 4 5 6 评分
解: 产品A B C
计划产量 120 60 40 最大公约数:20
生产比:Xa=6 Xb=3 Xc=2
生产比倒数 1/6 1/3 1/2
计算过程: A B C 连锁(投产顺序)
1/6* 1/3 1/2 A
2/6 1/3* 1/2 AB
2/6* 2/3 1/2 ABA
3/6 2/3 1/2* ABAC
3/6* 2/3 1 ABACA
4/6 2/3* 1 ABACAB
4/6* 1 1 ABACABA
5/6* 1 1 ABACABAA
1 1 1* ABACABAAC
1 1* - ABACABAACB
1 - - ABACABAACBA
11、设某种可变流水线加工A、B、C三种零件,其计划日产量分别为100、150、200件;流水线上加工各零件的单件时间定额为10、12、15分钟。
日制度工作时间8小时,时间利用系数为90%。
按代表产品方法计算流水线生产A、B、C三种产品的节拍、设备数、负荷系数?
解:选择产量最大的C为代表产品,εA=t A/t C=2/3,εB=t B/t C=4/5
该生产线换算后的工作总量为N=100*2/3+150*4/5+200=387件
有效工作时间Fe=8*60*90%=432分钟,节拍r C=Fe/N=432/387=1.12分钟/件
r A=r C*εA=0.74分钟/件,r B=r C*εB=0.89分钟/件
A、B、C三种产品的设备数和负荷系数为
S A=t A/r A=10/0.74=13.5件,Se A=14件,K A=S A/Se A=0.96
S B=t B/r B=12/0.89=13.5件,Se B=14件,K B=S B/Se B=0.96
S C=t C/r C=15/1.12=13.4件,Se C=14件,K C=S C/Se C=0.96
第七章
6、某厂生产A、B、C、D,4种产品,计划产量和各种产品在机械加工车间车床组的计划台时定额分别如下。
车床组共有车床20台,两班制,每班8小时,设备停修率10%,试用代表产品法求车床组的生产能力?(年有效工作日306天)
单位产品年计划产量(台)台时定额(小时)
A 50 20
B 100 30
C* 125 40
D 25 80
解:(1)选择产量与劳动量乘积最大的产品C为代表产品
(2)计算以C为代表产品表示的生产能力 M0=(306×2×8×(1-0.1)×20]/40 = 2203.2台时(3)计算各具体产品的生产能力
第八章
5、某厂生产一种产品,销售单价为2500元,单位变动成本为1500元,企业固定成本为2000万元,则该产品的盈亏平衡点产量?
解:Q*=F/(P-V)=20000000/(2500-1500)=20000(件)
1季度调节库存450+50+50+30+100-550=130(生产量加外协量超过了需求)
生产量加外协量小于需求时,将消耗调节库存
2季度调节库存130+500+50+120-700=100
3季度调节库存100+500+50+100-750=0
综合生产计划的总成本
期初库存成本:100*0=0 1季度:60*450+61850+81*50+92*30=36860
2季度:60*500+80*50+90*50+91*70=44870
3季度:60*500+80*50+90*100=43000 总成本:36860+44870+43000=124730
第九章
8、用在制品定额法计算各车间某月份投入量与出产量,如图示:。