墙面压型钢板计算
- 格式:doc
- 大小:89.50 KB
- 文档页数:3
压型钢板楼板计算(根据CECS 273:2010)钢筋直径d=mm 钢筋间距@=mm 每延米钢筋面积As=mm2hs=mm Cs=mm bl,min=mm bt=mm 展开宽度Ls=mm 单位质量m=kg/m2(查询厂家资料)贯性矩Is=cm4/m 正抵抗矩Ws1=cm3/m 负抵抗矩Ws2=cm3/m 强边方向(顺肋)长度Lx=mm 弱边方向长度Ly=mm 计算宽度b=mm (本程序按波距Cs取)计算宽度b内组合楼板换算腹板宽度:bmin=b/cs*bl,min=mm 计算宽度(钢板+混凝土)横截面面积A=mm2计算宽度b钢筋砼自重Qgck1=KN/M 计算宽度b钢板自重Qgsk=KN/M 计算长度L0=mm Mck1=1/8*(Qgck1)*L0^2=KN.M Msk=1/8*(Qgsk)*L0^2=KN.M 3、施工阶段验算:施工阶段结构重要性系数γ0=Wae=(Ws1,Ws2)min=mm3施工活载Qq=Kpa 计算宽度b活载Qqk=KN/M承载力极限状态荷载组合设计值:11810007523014.914034.534.52308830500.040.750.979350.65259000.0330502.083641387000880.461Mqk=1/8*(Qqk)*L0^2=KN.M M=1.2Msk+1.4Mck1+1.4Mqk=KN.M 压型钢板受弯承载力验算:σs=γ0*M/Wae=Mpa >fa=Mpa 压型钢板受弯承载力Mu=fa*Wae/γ0=:KN.M 挠度:Qk=Qgck1+Qgsk+Qqk=KN/M 有效截面Iae=Is*b/1000=mm4Wmax=5*Qk*L0^4/384/Ea/Iae=mm >[W]=Mpa <[W]=Mpa 4、使用阶段验算:活载Qq=Kpa 计算宽度b活载Qqk=KN/M 装饰面层Qgk2=Kpa 计算宽度b装饰面层Qgc2=KN/M 4.1 受弯承载力计算:Mck2=1/8*(Qgc2)*L0^2=KN.M Mqk=1/8*(Qqk)*L0^2=KN.M 活载控制时:M1=1.2(Msk+Mck1+Mck2)+1.4Mqk=KN.M 恒载控制时:M2=1.35(Msk+Mck1+Mck2)+0.98Mqk=KN.M 承载力极限状态荷载组合设计值:M=(M1,M2)Max=KN.M 计算宽度b钢筋面积Ass=mm2计算宽度b压型钢板面积Aa=Ls/2*t=mm2(当不考虑钢板时,此处自动判别为0)β1=εcu=(Rc<=C50时)相对界限受压区高度ξb=β1/(1+fa/Ea/εcu)组合楼板有效高度h0=mm (暂时近似按h0=hc+hs/2)混凝土受压区高度x=(Aafa+Assfy)/fc/b=mm <hc=mm <ξbh0mm 实取x=mm Mc=fc*b*x*(h0-x/2)=KN.M >M=KN.M 抗弯能力满足要求4.2 受剪承载力计算:Vck1=(Qgck1)*L0/2=KN Vck2=(Qgck2)*L0/2=KN Vsk=(Qgsk)*L0/2=KN Vqk=(Qqk)*L0/2=KN 活载控制时:V1=1.2(Vsk+Vck1+Vck2)+1.4Vqk=KN 恒载控制时:V2=1.35(Vsk+Vck1+Vck2)+0.98Vqk=KN 承载力极限状态荷载组合设计值:V=(V1,V2)Max=KN0.53 1.021.11.851.8132200019.416.9209.9205.00.80.0033 1.1420.00.970.350.400.460.531.52.182.142.1832 3.730.6172.20.6880.00.615117.5496002.02.860.050.702.802.860.530.99328 2.2板净跨Ln=mm 剪跨a=mm (均布时按Ln/4)剪切粘结系数m=Mpa (查询资料)剪切粘结系数k=(查询资料)m*Aa*h0/1.25/a+k*ft*b*h0=KN >V=KN 0.7*ft*bmin*h0=KN >V=KN 抗剪能力满足要求240019.99 2.9 6.993.21600213.25-0.00169.19 2.9。
压型钢板承载计算压型钢板是一种常用的构件,用于建筑、桥梁、港口、航道、矿山、化工等工程中的承重结构。
压型钢板的承载计算是确定其在特定工况下的极限承载能力,以确保结构的安全可靠性。
压型钢板的承载计算主要包括以下几个方面:1.根据压型钢板的几何尺寸、材料性能及其满足的设计要求,计算出压型钢板的截面性能。
这包括计算板的截面积、惯性矩、截面模量等参数。
通常采用工程力学的原理和公式进行计算。
2.根据压型钢板的截面性能和加载条件,计算出压型钢板在受力过程中的应变和应力分布。
这包括计算板的弯曲应变、剪切应变、薄板屈曲应力等参数。
通常采用受力平衡、应变能最小原理和板的力学性能等进行计算。
3.根据压型钢板的受力情况和边界条件,确定压型钢板的极限承载能力,包括弯曲承载能力、屈曲承载能力、剪切承载能力等。
通常采用弯曲理论、板的失稳理论、剪切计算等进行计算。
压型钢板的承载计算需要考虑到不同的工况和加载条件,包括静力加载、动力加载、温度加载等。
对于静力加载,通常采用静力平衡和受力平衡原理进行计算。
对于动力加载,通常采用振动理论和动态计算方法进行计算。
对于温度加载,通常采用热弯曲理论和热应力计算进行计算。
在进行压型钢板的承载计算时,需要考虑到不同的影响因素和工况条件,包括压力、弯矩、剪力、温度、振动、湿度等。
这些因素会对压型钢板的极限承载能力产生不同程度的影响。
因此,在进行承载计算时,需要合理选择计算方法和计算模型,确定合适的安全系数,并进行合理的边界条件和加载条件的设置。
综上所述,压型钢板的承载计算是一项复杂的工作,需要综合考虑材料性能、几何尺寸、受力条件等多个因素。
通过合理的计算方法和模型,可以准确评估压型钢板的极限承载能力,从而确保结构的安全可靠性。
本软件针对压型钢板、铝合金板进行截面承载力、挠度、施工荷载及排水能力进行验算。
在计算过程中,压型板按受弯构件考虑,主要遵循GB50018-2002《冷弯薄壁型钢结构技术规范》中关于压型钢板计算的条文规定、GB 50429—2007 《铝合金结构设计规范》中关于铝合金压型板相关的计算条文规定及《冷弯薄壁型钢结构设计手册》中关于屋面排水计算的相关条文。
压型板截面计算过程中,考虑到其实际的受力情况,所以选择了在一个波距范围内进行验算。
因为无论是屋面板、墙面板或者是楼承板其实际作用过程中,均是多块板横向搭接成为整体,所以选择其中一个波距来进行计算更贴近于压型板实际工作状态下的受力情况。
压型板根据《建筑结构静力计算手册》计算各验算点的弯矩及剪力情况。
压型板的计算过程主要包含以下几个方面:毛截面惯性矩的计算、加劲肋是否有效的判别、腹板剪应力承载能力计算、支座处腹板局部受压承载力验算、跨中位置最大正负弯矩和剪力作用下截面承载力验算、支座位置最大负正弯矩和支座反力下截面承载力验算、最大正负挠度验算、屋面板排水能力验算.上述承载力验算过程中均包含该种情况下该位置的有效截面宽度的验算。
计算采用的组合情况如下:1。
2恒+1。
4活;1。
0恒—1.4负风吸;1。
2恒+1.4正风压;1.2恒+1。
4活+0.84正风压;1.0恒+1.4活—0.84负风吸;1.2恒+0。
98活+1。
4正风压;1.0恒+0.98活-1.4负风吸;1。
2恒+1.0施工(屋面板);1。
2恒+1.4活载(楼面均布施工荷载)(楼承板);1。
2恒+1.4施工(楼面集中施工荷载)(楼承板)。
一:压型钢板一)板材力学参数的确定对于规范中已给出抗拉、抗剪强度设计值的材料牌号,我们按规范中数值采用,如Q235、Q345等。
对现今压型板常用的冷轧板牌号如G300、G550等,规范没有给出明确的抗拉、抗剪强度设计值,厂家在供货的时候仅提供材料的屈服强度为300 N/mm2、550 N/mm2,所以我们根据《冷弯薄壁型钢结构技术规范》4.1。
九、屋面压型钢板设计与计算屋面材料采用压型钢板,檩条间距1.5m ,选用YX130-300-600型压型钢板,板厚t=0.8㎜,截面形状及尺寸如图 (1)、内力计算 设计荷载:0.35×1.2+0.4×1.4=0.98KN/㎡ 压型钢板单波线荷载:q x =0.98×0.3=0.294KN/m中最大弯矩:2max 81l q M x =25.1294.081⨯⨯= m KN ⋅=083.0(2)、截面几何特性采用“线性法”计算D=130㎜ b 1=55㎜ b 2=70㎜ h=156.7㎜mm h b b L 5.4387.156********=⨯++=++= mm L b h D y 2.674.438)707.156(130)(21=+⨯=+=mm y D y 8.622.6713012=-=-=)32(2212h hL b b L tD I x -+=mm 773863)7.1564.4387.156327055(4.4381308.022=-⨯⨯+⨯⨯⨯=31115162.67773863mm y I W x cx ===32123238.62773863mm y I W x tx ===(3)、有效截面计算① 上翼缘:为一均匀受压两边支承板,其应力为:26max /2.71151610083.0mm N W M cx cx=⨯==σ上翼缘的宽厚比75.688.055==t b ,查《钢结构设计与计算》板件的有效宽厚比表1-62得:mm b 498.0611=⨯=② 腹板:系非均匀受压的两边支承板,其腹板上、下两端分别受压应力与拉应力作用2maxmax /2.7mm N W M cx==σ (压) 2maxmin /7.6mm N W M tx-==σ (拉) 93.12.7)7.6(2.7max min max =--=-=σσσα腹板宽厚比 1968.07.156==t h 查《钢结构设计与计算》表1-63知板件截面全部有效。
屋面压型钢板计算一、压型钢板的验算:1.荷载情况:基本风压0.7KN/㎡, 地面粗糙度B类;基本雪压:0.35KN/㎡;屋面活荷载0.30KN/㎡;最大檩距1.3m,2.屋面板截面特性:断面图:板厚0.8㎜, 热镀铝锌, 外覆涂层, 其有效截面特性如下:截面惯性矩:IEX=19.41㎝4/m ,截面抵抗矩: WEX=15.85㎝3/m3.内力计算:屋面板上的线荷载: 恒载0.08KN/㎡取活载和雪载较大者: 0.35 KN/㎡风荷载:阵风系数, 高度变化系数, 体形系数风载1:风载2:荷载组合:组合1:1.2恒+1.4活=1.2*0.08+1.4*0.35=0.586 KN/㎡组合2:1.0恒-1.4风载1=1.0*0.08-1.4*3.311=-4.56 KN/㎡组合3:1.2恒+1.4活+1.4*0.6*风载2=1.2*0.08+1.4*0.35+1.4*0.6*1.505=1.85 KN/㎡组合4:1.2恒+1.4*0.7*活+1.4*风载2=1.2*0.08+1.4*0.7*0.35+1.4*1.505=2.55 KN/㎡取组合后荷载最大值4.56 KN/㎡进行计算:每1M宽板上的线荷载为q=1*4.56=4.56 KN/m屋面板为连续板, 最大弯矩MMAX=qL2/12=4.56*1.32/12=0.642KNm4.板强度验算:正应力σMAX=M MAX/ W EX=0.642*106/15.85*103=40.5N/㎜2 <f=205 N/㎜25.刚度验算:跨中最大挠度w=0.677q L4/(100E I X)=0.677*4.56*13004/(100*2.06*105*19.41*104) =2.21㎜ < [w] =L/250=5.2 ㎜综上: 屋面板采用该板型经计算可以满足要求。
二、板专用支架的验算:1.内力计算:荷载组合:组合1:1.2恒+1.4活=1.2*0.08+1.4*0.35=0.586 KN/㎡组合2:1.0恒-1.4风载1=1.0*0.08-1.4*3.311=-4.56 KN/㎡组合3:1.2恒+1.4活+1.4*0.6*风载2=1.2*0.08+1.4*0.35+1.4*0.6*1.505=1.85 KN/㎡组合4:1.2恒+1.4*0.7*活+1.4*风载2=1.2*0.08+1.4*0.7*0.35+1.4*1.505=2.55 KN/㎡取组合后荷载最大值4.56 KN/㎡进行计算:每个支座需承受的拉力为T=4.56*0.47*1.3=2.79 KN2.应力计算:支架截面最小处的截面面积A=30*1.2=36 ㎜2,支架厚度t=1.2㎜支架内的最大拉应力σMAX=N/A=2.79*1000/36=77.5N/㎜2 <f=205 N/㎜23.自攻钉计算:支架用自攻钉固定与檩条上, 每个支架用两个M5.5*25, 每个钉可以承受拉力5.525 KN则每个支架受的拉力T=2.79 KN〈 5.525*4=22.1 KN满足。
压型彩钢板重量计算公式
压型彩钢板是一种常用于建筑和工业领域的材料,其重量计算公式如下:
重量(kg)=长度(m)×宽度(m)×厚度(mm)×密度(kg/m³)÷1000
其中,密度是指压型彩钢板的密度,一般为7850kg/m³。
例如,一块长度为3m、宽度为1.2m、厚度为0.5mm的压型彩钢板的重量计算如下:
重量(kg)=3m×1.2m×0.5mm×7850kg/m³÷1000=14.13kg
需要注意的是,这个公式只适用于计算平板状的压型彩钢板,对于弧形或复杂形状的彩钢板,需要进行更复杂的计算。
此外,由于压型彩钢板的厚度一般较薄,因此在实际使用中还需要考虑其强度和稳定性等因素。
267175597.xls267175597.xls267175597.xls(一)Q235钢;1.25m;0.5kN/m2;0.6kN/m2;个;(二)125.0mm;mm 4/m;29.0mm;188300.0mm 4/m;29.0mm;10000.0mm 3/m;35.0mm;mm;0.8mm;750.0mm;6.3kg/m 2;mm;1332.5mm 2/m;1000mm;(三)0.79mm;截面惯性矩:I=0mm 4/m;166.563mm 2/m;有效惯性矩:Ief=23537.5mm 4/m;有效抗弯模量:Wef=1250mm 3/m;工程名称:金澳压型钢底板采用YX35-125-750压型钢板;厚度为 0.8mm;截面惯性矩:I=有效惯性矩:Ief=有效抗弯模量:Wef=取一个波距作为计算单元,其截面特性为:压型钢板计算书钢板重量=截面积:A=全截面形心高度:hcen=压型钢有效宽度d=等效高度:hef= 压型钢板强度验算:压型钢板展开宽度L=设计资料压型钢板材料为楼板最大跨度:槽宽:bx=屋面均布恒载:屋面均布活载:波距: b=肋宽:bs=施工时板跨中临时支撑数量压型钢板截面特性:肋高: h=厚度: t=钢板重量=截面积:A=267175597.xls267175597.xls267175597.xlsq=1.16kN/m个M=0.226kN*m V=0.7224kN强度验算:σ=189.63MPa <205MPa 安全;q=1.2D=0.53kN/mdmax=#DIV/0!mm;#DIV/0!######1/200dmax/L=#DIV/0!M/Wef*1.05=挠度验算:1.2D+1.4W=跨中挠度为:1/8*q*l²=1/2*q*l=内力设计值:本文偏安全的按简支条件计算如下:施工时板跨中临时支撑数量=5/384*q*l4/2.06e5/I=。
压型玩楞板理论重量表压型彩钢板也叫瓦楞板,规格型号多种多样,在施工建设中,根据实际需要选择适合的压型板规格。
因施工算量的需要(甲供材),加工一般都是安吨供货,安装算量一般都是面积计算,在对甲供材的时候,当中必须有个转换值,因瓦楞板型号不同,每平方米的重量就不同,从国家规范里面也没有找到相应标准的重量。
为了今后工作和同行便于查找。
现各种型号安展开面积算出来一个理论值。
1、YX35-125-750(V-125) kg/㎡型号板厚(mm )理论重量(kg/㎡)备注YX35-125-750(V-125)0.5 5.230.757.85110.472、YX15-225-900 kg/㎡型号板厚(mm )理论重量(kg/㎡)备注YX15-225-9000.5 4.370.6 5.2318.723、WAV780型型号板厚(mm )理论重量(kg/㎡)备注WAV7800.5 5.040.6 6.04110.064、YX35-215-860(V-215)▲YX35-215-860(V-215)型压型板(展开宽度1000)主要性能:最大行距2-2.5m 彩钢板厚度0.5-0.8mm 有效宽度860mm 最大加工长度任意5、YX15-135-810型板▲YX15-135-810型压型板(展开宽度1000)主要用途:屋面板墙面板有效截面特征/板厚(mm)0.60.8 1.0Let cm 4/m 2.92 3.90 4.88Wet cm 3/m5.807.599.316、YX35-125-750型压型板型号板厚(mm )理论重量(kg/㎡)备注YX35-215-860(V-215)0.5 4.570.7 6.390.87.3型号板厚(mm )理论重量(kg/㎡)备注YX15-135-8100.5 4.870.7 6.780.87.75▲YX35-125-750型压型板(展开宽度1000)主要性能:最大行距 2.5-3.0m 彩钢板厚度0.5-0.8mm 有效宽度750mm 最大加工长度任意7、YX51-380-760型板▲YX51-380-760型板(角驰III 型)(展开宽度1000)主要用途:隐藏式屋面板有效截面特征/板厚(mm)0.60.8 1.0Let cm 4/m 37.2749.6962.11Wet cm 3/m12.2916.3920.488、YX38-495-990型压型板▲YX38-495-990型压型板(展开宽度1200)主要性能:最大行距 2.5-3.0m 彩钢板厚度0.5-0.8mm 有效宽度990mm 最大加工长度任意型号板厚(mm )理论重量(kg/㎡)备注YX35-125-7500.5 5.230.77.330.88.37型号板厚(mm )理论重量(kg/㎡)备注YX51-380-7600.5 5.160.77.230.88.269、YX51-380-760型板▲YX51-380-760型板(角驰III 型)(展开宽度1000)主要用途:隐藏式屋面板有效截面特征/板厚(mm)0.60.8 1.0Let cm 4/m 37.2749.6962.11Wet cm3/m12.2916.3920.4810、YX2-84-980型板▲YX2-84-980型压型板(展开宽度1000)主要性能:最大行距 1.5-2.0m 彩钢板厚度0.5-0.8mm 有效宽度980mm 最大加工长度任意型号板厚(mm )理论重量(kg/㎡)备注YX38-495-9900.5 4.760.7 6.660.87.61型号板厚(mm )理论重量(kg/㎡)备注YX51-380-7600.6 5.660.88.26110.3311、YX28-205-820型压型板▲YX28-205-820型压型板(展开宽度1000)主要用途:屋面板墙面板有效截面特征/板厚(mm)0.60.8 1.0Let cm 4/m 33.1744.2356.21Wet cm 3/m10.9414.5018.2812、YX18-78-920型压型板▲YX18-78-920型压型板(展开宽度1000)主要性能:最大行距 1.8-2.0m 彩钢板厚度0.5-0.8mm 有效宽度920mm 最大加工长度任意型号板厚(mm )理论重量(kg/㎡)备注YX2-84-9800.5 4.010.7 5.610.86.41型号板厚(mm )理论重量(kg/㎡)备注YX28-205-8200.6 5.740.87.6619.57型号板厚(mm )理论重量(kg/㎡)备注YX18-78-9200.54.270.75.970.86.83。
十、墙面压型钢板设计与计算墙面材料采用压型钢板,墙檩条间距1.6m ,选用YX35-125-750型压型钢板,板厚t=0.6㎜,截面形状及尺寸如图(1)、内力计算设计荷载:压型钢板单波线荷载:m KN q x /074.04.18.0125.053.0=⨯⨯⨯=(0.53为风荷载的面荷载)《风载 基本风压ω0=0.50KN/㎡ 地面粗糙程度为B 类 下面各高度为准风压高度的变化系数为:H μZ w 1(KN/㎡)9.30 0.97 0.4710.05 1.00 0.5010.30 1.01 0.51max 8x 8(2)、截面几何特性采用“线性法”计算D=35㎜ b 1=29㎜ b 2=29㎜ h=48.45㎜mm h b b L 9.15445.4822929221=⨯++=++=mm L b h D y 5.179.154)2945.48(35)(21=+⨯=+= mm y D y 5.175.173512=-=-=)32(2212h hL b b L tD I x -+=mm 6.16592)45.489.15445.48322929(9.154356.022=-⨯⨯+⨯⨯⨯= 311.9485.176.16592mm y I W x cx === 321.9485.176.16592mm y I W x tx ===(3)、有效截面计算① 上翼缘:为一均匀受压两边支承板,其应力为:26max /0.391.94810037.0mm N W M cx cx =⨯==σ 上翼缘的宽厚比3.486.029==t b ,查《钢结构设计与计算》均匀受压板件的有效宽厚比表1-62知:上翼缘截面全部有效。
② 腹板:系非均匀受压的两边支承板,其腹板上、下两端分别受压应力与拉应力作用2max max /39mm N W M cx==σ (压) 2max min /0.39mm N W M tx -==σ (拉) 腹板宽厚比 8.806.045.48==t h 20.39)0.39(0.39max min max =--=-=σσσα 查《钢结构设计与计算》非均匀受压板件的有效宽厚比表1-63知:知板件截面全部有效。
本软件针对压型钢板、铝合金板进行截面承载力、挠度、施工荷载及排水能力进行验算。
在计算过程中,压型板按受弯构件考虑,主要遵循GB50018-2002《冷弯薄壁型钢结构技术规范》中关于压型钢板计算的条文规定、GB 50429-2007 《铝合金结构设计规范》中关于铝合金压型板相关的计算条文规定及《冷弯薄壁型钢结构设计手册》中关于屋面排水计算的相关条文。
压型板截面计算过程中,考虑到其实际的受力情况,所以选择了在一个波距范围内进行验算。
因为无论是屋面板、墙面板或者是楼承板其实际作用过程中,均是多块板横向搭接成为整体,所以选择其中一个波距来进行计算更贴近于压型板实际工作状态下的受力情况。
压型板根据《建筑结构静力计算手册》计算各验算点的弯矩及剪力情况。
压型板的计算过程主要包含以下几个方面:毛截面惯性矩的计算、加劲肋是否有效的判别、腹板剪应力承载能力计算、支座处腹板局部受压承载力验算、跨中位置最大正负弯矩和剪力作用下截面承载力验算、支座位置最大负正弯矩和支座反力下截面承载力验算、最大正负挠度验算、屋面板排水能力验算。
上述承载力验算过程中均包含该种情况下该位置的有效截面宽度的验算。
计算采用的组合情况如下:1.2恒+1.4活;1.0恒-1.4负风吸;1.2恒+1.4正风压;1.2恒+1.4活+0.84正风压;1.0恒+1.4活-0.84负风吸;1.2恒+0.98活+1.4正风压;1.0恒+0.98活-1.4负风吸;1.2恒+1.0施工(屋面板);1.2恒+1.4活载(楼面均布施工荷载)(楼承板);1.2恒+1.4施工(楼面集中施工荷载)(楼承板)。
一:压型钢板一)板材力学参数的确定对于规范中已给出抗拉、抗剪强度设计值的材料牌号,我们按规范中数值采用,如Q235、Q345等。
对现今压型板常用的冷轧板牌号如G300、G550等,规范没有给出明确的抗拉、抗剪强度设计值,厂家在供货的时候仅提供材料的屈服强度为300 N/mm2、550 N/mm2,所以我们根据《冷弯薄壁型钢结构技术规范》4.1.4条规定,取抗力分项系数,计算其抗拉强度设计值,抗剪强度设计值按抗拉强度设计值除以计。
六、金属结构工程(2) 依附在钢柱上的牛腿等并入钢柱工程量内。
(3) 钢管柱上的节点板、加强环、内衬管、牛腿等并入钢管柱工程量内。
(4) 设计规定设置钢制动梁、钢制动桁架、车挡时 ,其工程量应并入钢吊车梁内 (四) 压型钢板楼板,墙板压型钢板楼板:按设计图示尺寸以铺设水平投影面积计算 ,柱、垛以及0.3m2以内孔洞面积不扣除。
计量单位为m2。
压型钢板墙板:按设计图示尺寸以铺挂面积计算。
0.3m2以内孔洞面积不扣除,包角、包边、窗台泛水等面 积不另计算。
计量单位为 m2。
压型钢板楼板浇筑钢筋混凝土 ,混凝土与钢筋按混凝土及钢筋混凝土中的有 关规定计算。
(五) 钢构件钢构件一般计算规则如下:(1) 按设计图示尺寸以钢材重量计算。
如钢支撑、钢檩条、钢天窗架、钢墙架(包括柱、梁与连接杆件)、钢平台、钢走道、钢栏杆、钢漏斗、钢支架、零星钢构件等。
不扣除孔眼、切边、切肢的重量 ,焊条、铆钉、螺栓等重量不另增加。
(2) 不规则或多边形钢板,以其外接矩形面积计算。
计量单位为 t o (六) 金属网按设计图示尺寸以面积计算,包括制作、运输、安装、油漆等。
七、屋面及防水工程 (一) 瓦、型材屋面按设计图示尺寸以斜面面积计算。
不扣除房上烟囱、风帽底座、风道、小气窗、斜沟等所占面积 ,屋面小气窗的岀檐部分亦不增加。
计量单位为m2。
小青瓦、油毡瓦、水泥平瓦、琉璃瓦、西班牙瓦等 ,可按瓦屋面项目列项。
彩钢波纹瓦、彩钢保温板、阳光板、玻璃钢瓦等 ,可按型材屋面列项。
(二) 屋面防水1. 卷材防水屋面、涂膜防水屋面按设计图示尺寸以面积计算,计量单位为 m2。
斜屋顶(不包括平屋顶找坡)按斜面积计算;平屋顶按水平投 影面积计算。
不扣除房上烟囱、风帽底座、风道、屋面小气窗与斜沟所占的面积 ;屋面的女儿墙、伸缩缝与天窗等处的弯起部分,并入屋面工程量计算。
钢结构计算规则(一) 钢屋架、钢网架⑴按设计图示尺寸以钢材重量计算 ,不扣除孔眼、切边、切肢的重量 ⑵不规则或多边形钢板,以其外接规则矩形面积计算。
双层压型钢板复合保温屋面承载力计算1.钢板自身的承载能力:双层压型钢板的厚度、材质和型号等参数会对其承载能力产生影响。
常用的双层压型钢板有型号为YX65-170-510、YX75-200-600等,这些型号的板材可以根据所处场所的风压等参数进行选择。
2.外保温层的承载能力:双层压型钢板复合保温屋面常常需要添加外保温层,以提高保温性能。
一般来说,外保温层所使用的材质会对其承载能力进行影响。
常用的外保温材料有EPS板、岩棉板等,这些材料的密度和厚度等参数可以根据所需保温效果和承载能力进行选择。
3.钢梁和钢柱的承载能力:双层压型钢板复合保温屋面的承载能力还需要考虑到其支撑结构的承载能力。
通常情况下,建筑结构的钢梁和钢柱会承受屋面的重量以及所受外力(如风载、雪载等)所产生的荷载。
因此,在进行承载力计算时,还需要对建筑结构的钢梁和钢柱的截面尺寸、材料和连接方式等进行合理设计。
4.承重墙的承载能力:如果双层压型钢板复合保温屋面位于建筑物的外墙,那么还需要考虑承重墙的承载能力。
承重墙通常用于承担建筑物的垂直荷载,并将其传递给地基。
因此,在进行承载力计算时,需要对承重墙的材料、厚度和墙体结构进行考虑,以确保其能够承受双层压型钢板复合保温屋面的重量。
综上所述,双层压型钢板复合保温屋面的承载力计算需要考虑钢板、外保温层、钢梁和钢柱以及承重墙等因素的综合影响。
只有在合理设计每个结构部分的材料、尺寸和连接方式等参数,才能确保建筑物的安全性和稳定性。
因此,在进行承载力计算时,建议寻求专业工程师的帮助,以确保计算结果的准确性和可靠性。
第7章 压型钢板(条文)7.1 压型钢板的计算7.1.1 本节有关压型钢板计算的规定仅适用于屋面板、墙板和非组合效应的压型钢板楼板。
7.1.2 压型钢板承载能力计算可按有效宽度法或直接强度法进行。
当采用有效宽度法时,压型钢板受压翼缘和腹板的有效宽厚比应按本规范第5.6.1条规定采用;当采用直接强度法时,压型钢板承载能力计算应按本规范第5.7节规定采用。
7.1.3 按有效宽度法计算压型钢板(如图7.1.3所示)受压翼缘有效宽厚比时,应充分考虑受压翼缘两纵边的约束情况,按下列情况采用:1 若受压翼缘两纵边均与腹板相连,或一纵边与腹板相连、另一纵边与符合本条第3款要求的中间加劲肋相连时,可按加劲板件确定其有效宽厚比。
2 若受压翼缘有一纵边与符合本条第3款要求的边加劲肋相连时,可按部分加劲板件确定其有效宽厚比。
3 压型钢板受压翼缘的纵向加劲肋应符合下列规定:边加劲肋:es 1.83I t ≥ (7.1.3-1) 且 4es 9I t ≥中间加劲肋:is 3.66I t ≥ (7.1.3-2) 且 4is 18I t ≥式中:es I — 边加劲肋截面对平行于被加劲板件截面之形心轴的惯性矩;is I — 中间加劲肋截面对平行于被加劲板件截面之形心轴的惯性矩;s b — 子板件的宽度;b — 边加劲板件的宽度;t — 板件的厚度。
图7.1.3 压型钢板截面示意7.1.4 压型钢板的强度可取一个波距或整块压型钢板的有效截面,按受弯构件计算。
7.1.5 压型钢板腹板的剪应力应符合下列要求:当h t <cr ττ≤ (7.1.5-1) v f τ≤ (7.1.5-2)当h t ≥ ()cr 2855000h ττ≤=(7.1.5-3)式中:τ— 腹板的平均剪应力(2N mm ); cr τ— 腹板的剪切屈曲临界剪应力;h t — 腹板的高厚比。
7.1.6承受集中荷载或支座反力的压型钢板腹板,应按以下公式验算其局部受压承载力:()2w 0.5 2.490R R t αθ⎡⎤≤=++⎣⎦ (7.1.6) 式中:R — 一块腹板承担的集中荷载或支座反力;w R — 一块腹板的局部受压承载力设计值;α— 系数,按表7.1.6选取;t — 腹板厚度(mm ); c l — 支座处的支承长度(c 10mm 200mm l ≤≤),按表7.1.6选取;θ— 腹板倾角(4590θ≤≤)。
一、荷载计算选用YX75-230-690(I)、1.6mm厚、Q235钢C25混凝土(1)施工阶段恒载80厚C25砼0.08×25kN/m3=2.0kN/m240厚钢丝网C25砼0.4×25kN/m3=1.0kN/m2耐酸瓷砖300×300×15 0.015×23kN/m3=0.35kN/m2压型钢板自重查《YB92387-92》镀锌20.3kg/m 20.3/0.69=29.42kg/m2约等于0.3kN/m2 180厚轻质砖墙两边各抹灰20厚容重8kN/m38×0.18+2×0.02×20=2.24kN/m22.24kN/m2×1.8/3=1.344kN/m2合计:4.99kN/m2活载4kN/m2标准值:4.99+4=8.99kN/m2设计值:1.2×4.99+1.4×4=11.59kN/m2板弯矩M1:1/8×11.59×2.25×2.25=7.33kN*m/m剪力V1:1/2×11.59×2.25=13kN/m(2)使用阶段电池22.5kg/只,1组电池54只,总重约1.3吨。
1组通信电池为0.65吨。
支架重约1吨。
一个电池室设备加支架总重约1.3+0.65+1=2.95吨。
1.4×0.6恒载0.8×16kN/m2+4.99kN/m2=20.99kN/m2活载2kN/m2标准值:20.99+2=22.99kN/m2设计值:1.2×20.99+1.4×2=27.99kN/m2板弯矩M1:1/8×27.99×1.625×1.625=9.24kN*m/m剪力V1:1/2×27.99×1.625=22.74kN/m二、压型钢板验算(施工阶段)(1)抗弯强度M=We fWe 有效截面抵抗矩查《YB92387-92》54.1cm3/mf 压型钢材设计强度Q235钢f=215MPaM=54.1×1000×215=11.632kN*m/m>M1=7.33kN*m/m 满足(2)挠度计算5×PsL4/384×EsIs Is 查《YB92387-92》204cm4/m5×11.59×22504/384×2.06×105×204×104=9.2mmL/200=2250/200=11.25mm>9.2mm 满足三、组合板验算(使用阶段)(1)抗弯强度AsfAs 压型钢板一个波距截面积(112+88+76×2)×1.6=563.2mm2Asf=563.2×215=121.09kNbh c f cm=690×80×13.5×0.8=596.16kNAsf<bh c f cmX=Asf/bh c f cm=121.09kN×1000/609×13.5×0.8=18.4mm压型钢板截面应力合力至混凝土受压区截面应力的合力距离为Y=ho-x/2=75/2+80-x/2=75/2+80-18.4/2=108.3mm组合板抗弯强度为M=xbYf cm=18.4×690×108.3×0.8×13.5=14849749.44N*mm=14.85kN*m一个波距压型板实际弯矩(使用阶段)10.82kN*m/m×0.69m=7.47kN*m<14.85kN*m 满足(2)挠度计算模量比ae=2.06×105/2.80×104=7.36As=563.2mm2B=609mmho=115mm换算成混凝土截面组合截面特征值,受压高度为X=1/b×(-aeAs+(ae2As2+2aebAshc)-2)=1/609×(-7.36×563.2+(7.362×563.22+2×7.36×609×115×563.2)-2)=21.19mm换算成混凝土截面的组合截面惯性矩为I1=bx3/3+aeIs+aeAs(ho-x)2=609×21.193/3+7.36×204×104+7.36×563.2×(115-21.19)2=53424522.07mm4考虑荷载长期效应的影响时的受压高度X=1/b×(-2aeAs+(2ae2As2+2aebAshc)-2)=1/609×(-2×7.36×563.2+(2×7.362×563.22+2×7.36×609×115×563.2)-2)=27.11mm 换算成混凝土混凝土截面的组合截面惯性矩为I2=bx3/3+2aeIs+2aeAs(ho-x)2=609×27.113/3+2×7.36×204×104+2×7.36×563.2×(115-27.11)2=98084056.07mm4组合板挠度5×PsL4/384×EcI1+5×PsL4/384×EcI25×24.99×16254/384×2.8×104×53424522.07+5×24.99×16254/384×2.8×104×98084056.07=1.52+0.826=2.346mm2250/200=11.25mm>2.346mm 满足四、斜截面承载力计算V=0.07bhofc=0.07×112×115×11.9=10.73kN一个波距剪力计算V1×0.69m=26.64kN/m×0.69=18.38kN。
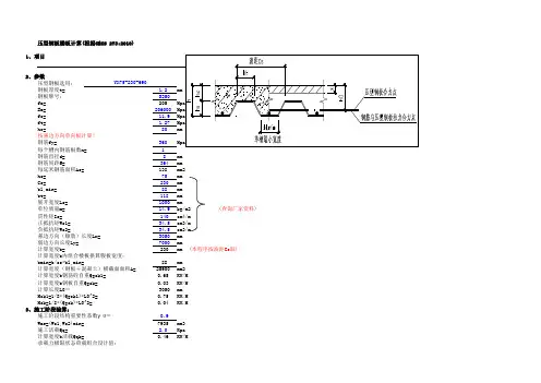
十、墙面压型钢板设计与计算
墙面材料采用压型钢板,墙檩条间距1.6m ,选用YX35-125-750型压型钢板,板厚t=0.6㎜,截面形状及尺寸如图
(1)、内力计算
设计荷载:
压型钢板单波线荷载:
m KN q x /074.04.18.0125.053.0=⨯⨯⨯=(0.53为风荷载的面荷载)
《风载 基本风压ω0=0.50KN/㎡ 地面粗糙程度为B 类 下面各高度为
准风压高度的变化系数为:
H μZ w 1(KN/㎡)
9.30 0.97 0.47
10.05 1.00 0.50
10.30 1.01 0.51
max 8x 8
(2)、截面几何特性
采用“线性法”计算
D=35㎜ b 1=29㎜ b 2=29㎜ h=48.45㎜
mm h b b L 9.15445.4822929221=⨯++=++=
mm L b h D y 5.179
.154)2945.48(35)(21=+⨯=+= mm y D y 5.175.173512=-=-=
)32(2212h hL b b L tD I x -+=
mm 6.16592)45.489.15445.483
22929(9.154356.022=-⨯⨯+⨯⨯⨯= 311.9485
.176.16592mm y I W x cx === 321.9485.176.16592mm y I W x tx ===
(3)、有效截面计算
① 上翼缘:为一均匀受压两边支承板,其应力为:
26max /0.391
.94810037.0mm N W M cx cx =⨯==σ 上翼缘的宽厚比3.486
.029==t b ,查《钢结构设计与计算》均匀受压板件的有效宽厚比表1-62知:上翼缘截面全部有效。
② 腹板:系非均匀受压的两边支承板,其腹板上、下两端分别受压应力与拉
应力作用
2max max /39mm N W M cx
==σ (压) 2max min /0.39mm N W M tx -==
σ (拉) 腹板宽厚比 8.806
.045.48==t h 20
.39)0.39(0.39max min max =--=-=σσσα 查《钢结构设计与计算》非均匀受压板件的有效宽厚比表1-63知:知板件截面全部有效。
③ 下翼缘:下翼缘板件为均匀受拉,故下翼缘截面全部有效。
(4)、强度验算
① 正应力验算: 226'max min max /205/0.391.94810037.0mm N mm N W M cx
<=⨯===σσ ② 剪应力验算 : KN l q V x 037.00.2037.02
121max =⨯⨯== 腹板最大剪应力
223max max /120/95.06.045.482210037.0323mm N f mm N ht V v =<=⨯⨯⨯⨯⨯=∑=τ 腹板平均剪应力 23
/64.06
.045.48210037.0mm N ht V =⨯⨯⨯=∑=τ 因为1008.806
.045.48<==t h 所以2/8.1058.808550)/(8550mm N t h ==<τ 故该压型钢板强度满足设计要求。
(5)、刚度验算
按单跨简支板计算跨中最大挠度
2001120916.165921006.2384)106.1(053.0538455333max
<=⨯⨯⨯⨯⨯⨯==x k EI l q l
ω 故压型钢板刚度满足设计要求。