托盘以下台身资料检验批
- 格式:doc
- 大小:344.00 KB
- 文档页数:18
建筑电气工程检查用表1、《成套配电柜、控制柜(屏、台)和动力、照明配电箱(盘)安装检验批质量验收 记录》按照(I )高压开关柜;(II )低压成套柜(屏、台);(III )照明配电箱(盘)划分。
2、《电线导管、电缆导管和线槽敷设检验批质量验收记录》按照I )室内;(II )室外划分。
3、《避雷引下线和变配电室接地干线敷设检验批质量验收记录》按照(I )防雷引下线;(II )变配电室接地干线划分。
建筑电气工程检查用表目录建筑电气子分部工程与分项工程相关表架空线路及杆上电气设备安装检验批质量验收记录变压器、箱式变电所安装检验批质量验收记录成套配电柜、控制柜(屏、台)和动力、照明配电箱(盘)安装检验批质量验收记录(I )开关柜 成套配电柜、控制柜(屏、台)和动力、照明配电箱(盘)安装检验批质量验收记录(II )成套柜(屏、台)成套配电柜、控制柜(屏、台)和动力、照明配电箱(盘)安装检验批质量验收记录(III )配电箱(盘)低压电动机、电加热器及电动执行机构检查接线检验批质量验收记录柴油发电机组安装检验批质量验收记录不间断电源安装检验批质量验收记录低压电气动力设备试验和试运行检验批质量验收记录裸母线、封闭母线、插接式母线安装检验批质量验收记录电缆桥架安装和桥架内电缆敷设检验批质量验收记录电缆沟内和电缆竖井内电缆敷设检验批质量验收记录电线导管、电缆导管和线槽敷设安装检验批质量验收记录(I )室内电线导管、电缆导管和线槽敷设安装检验批质量验收记录(II )室外电线、电缆穿管和线槽敷线安装检验批质量验收记录槽板配线安装检验批质量验收记录钢索配线安装检验批质量验收记录电缆头制作、接线和线路绝缘测试检验批质量验收记录普通灯具安装检验批质量验收记录专用灯具安装检验批质量验收记录建筑物景观照明灯、航空障碍标志灯和庭院灯安装检验批质量验收记录开关、插座、风扇安装检验批质量验收记录建筑物照明通电试运行检验批质量验收记录 接地装置安装检验批质量验收记录避雷引下线和变配电室接地干线敷设安装检验批质量验收记录(I )防雷引下线避雷引下线和变配电室接地干线敷设安装检验批质量验收记录(II )变配电室接地干线接建闪筑器物安等装电检位验联批结质量安验装收检记验录批质量验收记录高压低压照明建筑电气子分部工程与分项工程相关•架空线路及杆上电气设备安装检验批质量验收记录(GB50303-2002)表4编号:060101□□口变压器、箱式变电所安装检验批质量验收记录成套配电柜、控(制屏柜、台)和动力、照明配(电盘)箱安装检验批质量验收记录高压开关柜(GB50303-2002)表6编号:060103/060202□□口成套配电柜、控(制屏柜、台)和动力、照明配(电盘)箱安装检验批质量验收记录(II)低压成套柜(屏、台)箱(盘)内检查试验 低压电器组合(625条) 箱(盘)间配线(626条)箱与其面板间可动部位的配线(6.2.7条)箱(盘)安装位置、开孔、回路编号等(6.2.8条)垂直度允许偏差W 1.5%。
电气检验批的划分:1、变压器、箱式变电所安装:每台变压器划分为1个检验批每座箱式变电所划分为1个检验批2、成套配电柜、控制柜(台、箱)和配电箱(盘)安装每套成套配电柜、控制柜(台、箱)和配电(盘)划分为1个检验批3、电动机、电加热及电动执行机构检查接线每台电动机、电加热器及电动执行机构划分为1个检验批4、柴油发电机组安装:每台柴油发电机划分为1个检验批5、UPS及EPS安装UPS和EPS分别化为1个检验批6、电气设备试验和试运行每台设备化为1个检验批7、母线槽安装按供电区段和电气竖井的编号划分8、梯架、托盘和槽盒安装按供电区段和电气竖井的编号划分9、导管敷设对干线导管按供电区段和电气竖井的编号划分对电气动力和电气照明的导管可以按建筑土建工程划分对室外电气安装工程,应按庭院大小、投运时间先后、功能区块等进行划分10、电缆敷设按供电区段和电气竖井的编号划分11、导管内穿线和槽盒内敷线其界区的划分应与土建工程一致对室外电气安装工程,应按庭院大小、投运时间先后、功能区块等进行划分12、塑料护套线直敷布线其界区的划分应与土建工程一致13、钢索配线其界区的划分应与建筑土建工程一致14、电缆头制作、导线连接和线路绝缘测试按供电区段和电气竖井的编号划分对室外电气安装工程,应按庭院大小、投运时间先后、功能区块等进行划分15、普通灯具安装其界区的划分应与建筑土建工程一致16、专用灯具安装其界区的划分应与建筑土建工程一致17、开关、插座、风扇安装其界区的划分应与建筑土建工程一致18建筑物照明通电试运行化为一个检验批或按供电区段划分检验批19、接地装置安装人工接地装置划分为1个检验批利用建筑物基础钢筋的接地体划分为1个检验批大型基础可按区块划分成若干个检验批对室外电气安装工程,应按功能区块进行划分20、接地干线敷设每座变配电室划分为1个检验批对电气竖井,6层以下的建筑应作为1个检验批高层建筑中依均压环设置间隔的层数应作为1个检验批21、防雷引下线及接闪器安装6层以下的建筑物应作为1个检验批高层建筑中依均压环设置间隔的层数应作为1个检验批接闪器安装同一屋面,应作为1个检验批22、建筑物等电位联接建筑物的总等电位联接应作为1个检验批每个局部等电位联接应作为1个检验批电子系统设备机房应作为1个检验批检验批容量单位室外电气:座、台、m、回路、线路、套变配电室:座、台、m、端子、线路、处供电干线:台、m、回路、线路电气动力:台、m、回路、线路、开关、插座电气照明:台、m、回路、线路、开关、插座自备电源:台、m、回路、线路、处防雷接地:m、处。
新建铁路张家口至集宁一次复线检验批填写范本桥梁工程张集铁路总承包中铁四局工程指挥部二零零七年十月.说明1.检验批表格页边距严格按照呼和浩特铁路局对竣工资料的编制要求,上边距25mm、下边距20 mm、左边距28 mm、右边距18 mm,标题用小二黑体,内容采用小四宋体(检验批表格因内容较多,统一采用小五宋体)。
2.每个检验批内所采用的验收标准只写与本张表格内容有关的标准名称。
3.如某项无内容,用“/”表示,不得划斜线;如某项现在无法填写,以后再补填时,留空,等到可以填写时及时手工填写。
.目录一、基础1.明挖基础工程报验申请表工程检查证基坑检验批质量验收记录表桥(涵)明挖基坑地质情况现场确认记录表工程报验申请表混凝土(原材料)检验批质量验收记录表(I)混凝土(配合比)检验批质量验收记录表(II)混凝土(施工及养护)检验批质量验收记录表 (Ⅲ)混凝土(结构外观和尺寸偏差)检验批质量验收记录表(IV) 2.钻孔桩工程报验申请表施工测量放样报验单钻孔桩桩位检查表钻孔桩钻孔前检查证钻孔记录表钻孔桩成孔检查表钻孔桩检验批验收记录表钢筋笼制作焊接安装前检查证钢筋(原材料及加工)检验批质量验收记录(Ⅰ)钢筋(连接及安装)检验批质量验收记录(Ⅱ)钻孔桩桩孔内灌注水下混凝土前的检查证水下混凝土浇筑记录表混凝土(原材料)检验批质量验收记录表(Ⅰ)混凝土(配合比)检验批质量验收记录(Ⅱ)混凝土(施工及养护)检验批质量验收记录表(Ⅲ)二、桩基承台工程报验申请表.钻孔桩承台基坑工程检查证钻孔桩成桩汇总表水下混凝土浇筑记录汇总表模板安装工程检查证模板及支架检验批质量验收记录表工程报验申请表工程检查证钢筋(原材料及加工)检验批质量验收记录表(I)钢筋(连接及安装)检验批质量验收记录表(II)工程报验申请表混凝土(原材料)检验批质量验收记录表(I)混凝土(配合比)检验批质量验收记录表(II)混凝土(施工及养护)检验批质量验收记录表 (Ⅲ)混凝土(结构外观和尺寸偏差)检验批质量验收记录表(IV) 三、墩(台)身工程报验申请表工程检查证模板及支架检验批质量验收记录表工程报验申请表工程检查证(墩身、托盘钢筋)钢筋(原材料及加工)检验批质量验收记录表(I)钢筋(连接及安装)检验批质量验收记录表(II)工程报验申请表工程检查证(顶帽钢筋)钢筋(原材料及加工)检验批质量验收记录表(I)钢筋(连接及安装)检验批质量验收记录表(II)工程报验申请表工程检查证(牛腿钢筋)钢筋(原材料及加工)检验批质量验收记录表(I))II钢筋(连接及安装)检验批质量验收记录表(.工程报验申请表混凝土(原材料)检验批质量验收记录表(I)混凝土(配合比)检验批质量验收记录表(II)混凝土(施工及养护)检验批质量验收记录表 (Ⅲ)(IV)检验批质量验收记录表)结构外观和尺寸偏差(混凝土工程报验申请表新建铁路张家口至集宁一次复线施工合同段:工程项目名称:编号:内蒙古沁原监理公司张集铁路项目监理部(项目监理机构):致DK74+689后河5号特大桥1#根据施工承包合同和设计文件的要求,我单位已完成墩明挖基础基坑工程并自验合格,报请检查。
墩台身现场质量检验报告单报告编号:XXXXX报告日期:XX年XX月XX日一、项目概况:项目名称:XXX项目地点:XXX检验对象:XXX建设单位:XXX二、检验依据:1.相关法律法规及标准规范;2.项目设计文件,包括墩、台身结构、尺寸等;3.施工合同及技术协议。
三、检验内容:1.墩、台身结构是否满足设计要求;2.墩、台身尺寸是否符合要求;3.墩、台身混凝土浇筑质量检验;4.墩、台身钢筋和预应力钢束材料质量检验;5.墩、台身防水材料及施工质量检验;6.墩、台身防腐处理质量检验。
四、检验方法:1.目视检查:对墩、台身进行外观检查,观察是否有明显的破损、裂缝等;2.测量检查:使用测量仪器对墩、台身尺寸进行测量;3.取样检验:根据规定的抽样比例,抽取墩、台身混凝土、钢筋等进行实验室检测;4.现场试验:进行载荷试验等现场检测方法。
五、检验结果:1.墩、台身结构满足设计要求,并未发现明显的结构缺陷;2.墩、台身尺寸符合设计要求,未出现明显的尺寸偏差;3.墩、台身混凝土强度检测结果达到或超过设计要求,未发现明显的混凝土质量问题;4.墩、台身钢筋、预应力钢束材料质量检测结果合格,未发现明显的质量问题;5.墩、台身防水材料符合设计要求,施工质量良好;6.墩、台身防腐处理效果良好,无明显的腐蚀迹象。
六、存在问题及建议:1.墩、台身表面存在少量细微裂缝,建议进行加固处理,以确保结构的安全性;2.部分墩、台身尺寸偏差略大,建议施工单位在后续施工中加强尺寸控制;3.部分墩、台身混凝土浇筑过程中出现少量空鼓,建议加强振捣以提高混凝土的密实性;4.部分墩、台身钢筋连接处存在少量松动情况,建议加强焊接或连接工艺;5.墩、台身防水材料施工过程中存在一些细微的瑕疵,建议进行修补。
七、结论:本次墩、台身现场质量检验结果整体良好,墩、台身结构满足设计要求,并未发现严重的质量问题。
但存在一些细微的问题需要施工单位进行修复和加固。
建议施工单位在后续施工中加强质量控制,确保墩、台身的安全性和使用寿命。
电气检验批的划分:1、变压器、箱式变电所安装:每台变压器划分为1个检验批每座箱式变电所划分为1个检验批2、成套配电柜、控制柜(台、箱)和配电箱(盘)安装每套成套配电柜、控制柜(台、箱)和配电(盘)划分为1个检验批3、电动机、电加热及电动执行机构检查接线每台电动机、电加热器及电动执行机构划分为1个检验批4、柴油发电机组安装:每台柴油发电机划分为1个检验批5、UPS及EPS安装UPS和EPS分别化为1个检验批6、电气设备试验和试运行每台设备化为1个检验批7、母线槽安装按供电区段和电气竖井的编号划分8、梯架、托盘和槽盒安装按供电区段和电气竖井的编号划分9、导管敷设对干线导管按供电区段和电气竖井的编号划分对电气动力和电气照明的导管可以按建筑土建工程划分对室外电气安装工程,应按庭院大小、投运时间先后、功能区块等进—行划分10、电缆敷设按供电区段和电气竖井的编号划分11、导管内穿线和槽盒内敷线其界区的划分应与土建工程一致对室外电气安装工程,应按庭院大小、投运时间先后、功能区块等进行划分12、塑料护套线直敷布线其界区的划分应与土建工程一致13、钢索配线其界区的划分应与建筑土建工程一致14、电缆头制作、导线连接和线路绝缘测试按供电区段和电气竖井的编号划分对室外电气安装工程,应按庭院大小、投运时间先后、功能区块等进行划分15、普通灯具安装其界区的划分应与建筑土建工程一致16、专用灯具安装其界区的划分应与建筑土建工程一致17、开关、插座、风扇安装其界区的划分应与建筑土建工程一致18建筑物照明通电试运行—化为一个检验批或按供电区段划分检验批19、接地装置安装人工接地装置划分为1个检验批利用建筑物基础钢筋的接地体划分为1个检验批大型基础可按区块划分成若干个检验批对室外电气安装工程,应按功能区块进行划分20、接地干线敷设每座变配电室划分为1个检验批对电气竖井,6层以下的建筑应作为1个检验批高层建筑中依均压环设置间隔的层数应作为1个检验批21、防雷引下线及接闪器安装6层以下的建筑物应作为1个检验批高层建筑中依均压环设置间隔的层数应作为1个检验批接闪器安装同一屋面,应作为1个检验批22、建筑物等电位联接建筑物的总等电位联接应作为1个检验批每个局部等电位联接应作为1个检验批电子系统设备机房应作为1个检验批检验批容量单位室外电气:座、台、m、回路、线路、套变配电室:座、台、m、端子、线路、处供电干线:台、m、回路、线路—电气动力:台、m、回路、线路、开关、插座电气照明:台、m、回路、线路、开关、插座自备电源:台、m、回路、线路、处防雷接地:m、处。
铁路桥梁工程检验批填写范本新建铁路张家口至集宁一次复线检验批填写范本桥梁工程张集铁路总承包中铁四局工程指挥部二零零七年十月1.检验批表格页边距严格按照呼和浩特铁路局对竣工资料的编制要求,上边距25mm、下边距20 mm、左边距28 mm、右边距18 mm,标题用小二黑体,内容采用小四宋体(检验批表格因内容较多,统一采用小五宋体)。
2.每个检验批内所采用的验收标准只写与本张表格内容有关的标准名称。
3.如某项无内容,用“/”表示,不得划斜线;如某项现在无法填写,以后再补填时,留空,等到可以填写时及时手工填写。
一、基础1.明挖基础工程报验申请表工程检查证基坑检验批质量验收记录表桥(涵)明挖基坑地质情况现场确认记录表工程报验申请表混凝土(原材料)检验批质量验收记录表(I)混凝土(配合比)检验批质量验收记录表(II)混凝土(施工及养护)检验批质量验收记录表 (Ⅲ)混凝土(结构外观和尺寸偏差)检验批质量验收记录表(IV) 2.钻孔桩工程报验申请表施工测量放样报验单钻孔桩桩位检查表钻孔桩钻孔前检查证钻孔记录表钻孔桩成孔检查表钻孔桩检验批验收记录表钢筋笼制作焊接安装前检查证钢筋(原材料及加工)检验批质量验收记录(Ⅰ)钢筋(连接及安装)检验批质量验收记录(Ⅱ)钻孔桩桩孔内灌注水下混凝土前的检查证水下混凝土浇筑记录表混凝土(原材料)检验批质量验收记录表(Ⅰ)混凝土(配合比)检验批质量验收记录(Ⅱ)混凝土(施工及养护)检验批质量验收记录表(Ⅲ)二、桩基承台工程报验申请表钻孔桩承台基坑工程检查证钻孔桩成桩汇总表水下混凝土浇筑记录汇总表模板安装工程检查证模板及支架检验批质量验收记录表工程报验申请表工程检查证钢筋(原材料及加工)检验批质量验收记录表(I)钢筋(连接及安装)检验批质量验收记录表(II)工程报验申请表混凝土(原材料)检验批质量验收记录表(I)混凝土(配合比)检验批质量验收记录表(II)混凝土(施工及养护)检验批质量验收记录表 (Ⅲ)混凝土(结构外观和尺寸偏差)检验批质量验收记录表(IV) 三、墩(台)身工程报验申请表工程检查证模板及支架检验批质量验收记录表工程报验申请表工程检查证(墩身、托盘钢筋)钢筋(原材料及加工)检验批质量验收记录表(I)钢筋(连接及安装)检验批质量验收记录表(II)工程报验申请表工程检查证(顶帽钢筋)钢筋(原材料及加工)检验批质量验收记录表(I)钢筋(连接及安装)检验批质量验收记录表(II)工程报验申请表工程检查证(牛腿钢筋)钢筋(原材料及加工)检验批质量验收记录表(I)钢筋(连接及安装)检验批质量验收记录表(II)工程报验申请表混凝土(原材料)检验批质量验收记录表(I)混凝土(配合比)检验批质量验收记录表(II)混凝土(施工及养护)检验批质量验收记录表 (Ⅲ)混凝土(结构外观和尺寸偏差)检验批质量验收记录表(IV)工程报验申请表致内蒙古沁原监理公司张集铁路项目监理部(项目监理机构):根据施工承包合同和设计文件的要求,我单位已完成DK74+689后河5号特大桥1#墩明挖基础基坑工程并自验合格,报请检查。
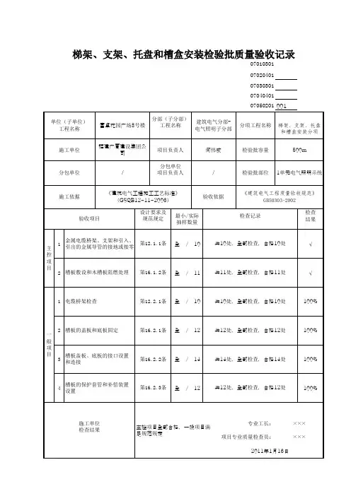
《梯架、托盘和槽盒安装检验批质量验收记录》Better me - 2018-08-10 14:02:05149841梯架、托盘和槽盒安装检验批质量验收记录表格示例——梯架、托盘和槽盒安装检验批质量验收记录表格填写说明——梯架、托盘和槽盒安装检验批质量验收记录11.1主控项目11.1.1 金属梯架、托盘或槽盒本体之间的连接应牢固可靠,与保护导体的连接应符合下列规定:1 梯架、托盘和槽盒全长不大于30m时,不应少于2处与保护导体可靠连接:全长大于30m时,每隔20m~30m应增加一个连接点,起始端和终点端均应可靠接地。
2 非镀锌梯架、托盘和槽盒本体之间连接板的两端应跨接保护联结导体,保护联结导体的截面积应符合设计要求。
3 镀锌梯架、托盘和槽盒本体之间不跨接保护联结导体时,连接板每端不应少于2个有防松螺帽或防松垫圈的连接固定螺栓。
检查数量:第1款全数检查,第2款和第3款按每个检验批的梯架或托盘或槽盒的连接点数量各抽查10%,且各不得少于2个点。
检查方法:观察检查并用尺量检查。
11.1.2电缆梯架、托盘和槽盒转弯、分支处宜采厢专用连接配件,其弯曲半径不应小于梯架、托盘和槽盒内电缆最小允许弯曲半径,电缆最小允许弯曲半径应符合表11.1.2的规定。
检查数量:按每个检验批的梯架、托盘或槽盒的弯头数量各抽查10%,且各不得少于1个弯头。
检查方法:观察检查并用尺量检查。
11.2 一般项目11.2.1 当直线段钢制或塑料梯架、托盘和槽盒长度超过30m,铝合会或玻璃钢制梯架、托盘和槽盒长度超过15m时,应设置伸缩节;当梯架、托盘和槽盒跨越建筑物变形缝处时,应设置补偿装置。
检查数量:全数检查。
检查方法:观察检查并用尺量检查。
11.2.2 梯架、托盘和槽盒与支架间及与连接板的固定螺栓应紧固无遗漏,螺母应位于梯架、托盘和槽盒外侧;当铝合金梯架、托盘和槽盒与钢支架固定时,应有相互间绝缘的防电化腐蚀措施。
检查数量:按每个检验批的梯架或托盘或槽盒的固定点数量各抽查10%,且各不得少于2个点。
全国统一铁路最新检验批范本
一、明挖基础
工程报验申请表
工程检查证
基坑检验批质量验收记录表
桥(涵)明挖基坑地质情况现场确认记录表
混凝土(原材料)检验批质量验收记录表(I)
混凝土(配合比)检验批质量验收记录表(II)
混凝土(施工及养护)检验批质量验收记录表(Ⅲ)
混凝土(结构外观和尺寸偏差)检验批质量验收记录表(IV) 二、钻孔桩
施工测量放样报验单
钻孔桩桩位检查表
钻孔桩钻孔前检查证
钻孔记录表
钻孔桩成孔检查表
钻孔桩检验批验收记录表
钢筋笼制作焊接安装前检查证
钢筋(原材料及加工)检验批质量验收记录(Ⅰ)
钢筋(连接及安装)检验批质量验收记录(Ⅱ)
钻孔桩桩孔内灌注水下混凝土前的检查证
水下混凝土浇筑记录表
混凝土(原材料)检验批质量验收记录表(Ⅰ)
混凝土(配合比)检验批质量验收记录(Ⅱ)
混凝土(施工及养护)检验批质量验收记录表(Ⅲ)三、桩基承台
钻孔桩承台基坑工程检查证
钻孔桩成桩汇总表
水下混凝土浇筑记录汇总表
模板安装工程检查证
模板及支架检验批质量验收记录表
钢筋(原材料及加工)检验批质量验收记录表(I)钢筋(连接及安装)检验批质量验收记录表(II)四、墩(台)身
工程检查证(墩身、托盘钢筋)
工程检查证(顶帽钢筋)
工程检查证(牛腿钢筋)。
新建铁路张家口至集宁一次复线检验批填写范本桥梁工程张集铁路总承包中铁四局工程指挥部二零零七年十月1.检验批表格页边距严格按照呼和浩特铁路局对竣工资料的编制要求,上边距25mm、下边距20 mm、左边距28 mm、右边距18 mm,标题用小二黑体,内容采用小四宋体(检验批表格因内容较多,统一采用小五宋体)。
2.每个检验批内所采用的验收标准只写与本张表格内容有关的标准名称。
3.如某项无内容,用“/”表示,不得划斜线;如某项现在无法填写,以后再补填时,留空,等到可以填写时及时手工填写。
一、基础1.明挖基础工程报验申请表工程检查证基坑检验批质量验收记录表桥(涵)明挖基坑地质情况现场确认记录表工程报验申请表混凝土(原材料)检验批质量验收记录表(I)混凝土(配合比)检验批质量验收记录表(II)混凝土(施工及养护)检验批质量验收记录表(Ⅲ)混凝土(结构外观和尺寸偏差)检验批质量验收记录表(IV) 2.钻孔桩工程报验申请表施工测量放样报验单钻孔桩桩位检查表钻孔桩钻孔前检查证钻孔记录表钻孔桩成孔检查表钻孔桩检验批验收记录表钢筋笼制作焊接安装前检查证钢筋(原材料及加工)检验批质量验收记录(Ⅰ)钢筋(连接及安装)检验批质量验收记录(Ⅱ)钻孔桩桩孔内灌注水下混凝土前的检查证水下混凝土浇筑记录表混凝土(原材料)检验批质量验收记录表(Ⅰ)混凝土(配合比)检验批质量验收记录(Ⅱ)混凝土(施工及养护)检验批质量验收记录表(Ⅲ)二、桩基承台工程报验申请表钻孔桩承台基坑工程检查证钻孔桩成桩汇总表水下混凝土浇筑记录汇总表模板安装工程检查证模板及支架检验批质量验收记录表工程报验申请表工程检查证钢筋(原材料及加工)检验批质量验收记录表(I)钢筋(连接及安装)检验批质量验收记录表(II)工程报验申请表混凝土(原材料)检验批质量验收记录表(I)混凝土(配合比)检验批质量验收记录表(II)混凝土(施工及养护)检验批质量验收记录表(Ⅲ)混凝土(结构外观和尺寸偏差)检验批质量验收记录表(IV)三、墩(台)身工程报验申请表工程检查证模板及支架检验批质量验收记录表工程报验申请表工程检查证(墩身、托盘钢筋)钢筋(原材料及加工)检验批质量验收记录表(I)钢筋(连接及安装)检验批质量验收记录表(II)工程报验申请表工程检查证(顶帽钢筋)钢筋(原材料及加工)检验批质量验收记录表(I)钢筋(连接及安装)检验批质量验收记录表(II)工程报验申请表工程检查证(牛腿钢筋)钢筋(原材料及加工)检验批质量验收记录表(I)钢筋(连接及安装)检验批质量验收记录表(II)工程报验申请表混凝土(原材料)检验批质量验收记录表(I)混凝土(配合比)检验批质量验收记录表(II)混凝土(施工及养护)检验批质量验收记录表(Ⅲ)混凝土(结构外观和尺寸偏差)检验批质量验收记录表(IV)工程报验申请表工程项目名称:新建铁路张家口至集宁一次复线施工合同段:编号:注:本表一式3份,承包单位2份,监理单位1份。
工程报验申请表
工程项目名称:泊江海子煤矿铁路专用线施工合同号:第二标段编号:铁施监-08
工程检查证
编号:•铁程检-29
模板检查表
编号:质统-7
主管工程师:质检工程师:
施工单位:中铁十一局集团有限公司填报日期:
模板及支架检验批质量验收记录表
□□□
工程报验申请表
工程项目名称:泊江海子煤矿铁路专用线施工合同段:第二标段编号:铁施监-08
工程检查证
编号:•铁程检-28
钢筋(原材料及加工)检验批质量验收记录表(Ⅰ)
□□□
钢筋(连接及安装)检验批质量验收记录表(Ⅱ)
□□□
工程报验申请表
工程项目名称:泊江海子煤矿铁路专用线施工合同段:第二标段编号:铁施监-08
泊江海子煤矿铁路专用线二标段铁路工程
混凝土(原材料及配合比)检验批质量验收表(Ⅰ)
□□□
泊江海子煤矿铁路专用线二标段铁路工程混凝土(施工)检验批质量验收表(Ⅱ)
□□□
泊江海子煤矿铁路专用线二标段铁路工程混凝土施工检查表
主管工程师:质检工程师:
施工单位:中铁十一局集团有限公司填报日期:
泊江海子煤矿铁路专用线二标段铁路工程
工程报验申请表
工程项目名称:泊江海子煤矿铁路专用线施工合同段:第二标段编号:铁施监-08
泊江海子煤矿铁路专用线二标段铁路工程
混凝土(结构外观和尺寸偏差)检验批质量验收记录(Ⅲ)
□□□
泊江海子煤矿铁路专用线二标段铁路工程
混凝土拆模检查表
编号:质统-9
中铁十一局集团有限公司
泊江海子煤矿铁路专用线二标段铁路工程
工程报验申请表
泊江海子煤矿铁路专用线二标段铁路工程
混凝土养护检查表
主管工程师:施工单位:中铁十一局集团有限公司填报日期:。