道路检验批质量验收记录
- 格式:docx
- 大小:44.83 KB
- 文档页数:7
道路标志标线检验批质量验收记录道路标志标线检验批质量验收记录一、背景信息道路标志标线是交通安全管理的重要部分,它们在指引和规范车辆行驶、确保道路安全方面起着关键的作用。
为了确保道路标志标线的质量和规范,本文将详细介绍道路标志标线检验批质量验收的记录过程。
二、验收流程1、准备工作:首先,我们需要收集和整理道路标志标线的施工图纸、技术规范、验收标准等相关资料。
2、现场检查:然后,在现场对标志标线的施划进行实际检查,包括标志牌的位置、标线的清晰度、颜色的规范性等方面。
3、使用合适的工具:使用专用的测量工具,如标线尺和水平仪,对标志标线的各项参数进行精确测量。
4、对比标准:将测量的结果与验收标准进行对比,判断标志标线是否符合要求。
5、记录和报告:将检查结果详细记录,并生成验收报告,同时将报告提交给相关部门和人员。
三、关键指标在检验道路标志标线的质量时,以下是一些关键的指标:1、标志牌的垂直度和水平度:确保标志牌的垂直度和水平度符合规范,以保障行车安全。
2、标志线的清晰度和厚度:标志线的清晰度和厚度直接影响到驾驶员的识别和判断,需要保证其施划质量。
3、标志线的直度和连续性:保证标志线的直度和连续性,以确保驾驶员能够准确判断行驶方向。
4、标志牌和标志线的颜色和反光度:标志牌和标志线的颜色和反光度需要符合规定,以提高夜间和恶劣天气条件下的可视性。
四、总结道路标志标线检验批质量验收记录是保证道路安全的关键环节,需要严格按照规定的流程和标准进行。
通过详细的检查和测量,我们可以确保道路标志标线的质量和规范,降低交通事故的风险。
同时,对于不符合要求的标志标线,及时进行修正和改进,确保道路安全和顺畅。
五、建议和改进为了进一步提高道路标志标线的质量和安全性,我们可以考虑以下建议和改进措施:1、加强施工前的勘察和设计工作,充分考虑实际环境和交通情况,制定合理的标志标线布局方案。
2、提高施工人员的技能和素质,确保他们能够准确施划标志标线,并及时解决现场出现的问题。
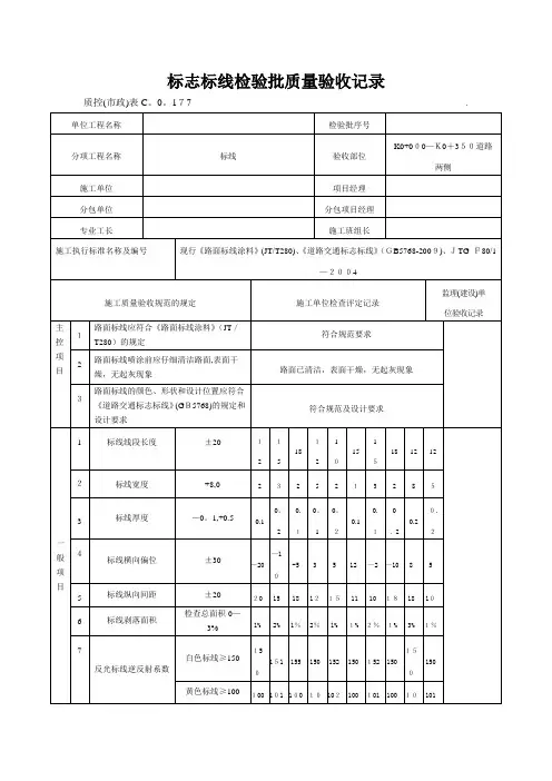
道路标志标线检验批质量验收记录长山南路西流河桥南北两侧的道路出现沉降问题,需要进行标线施工。
本次施工由XXX负责,施工单位为分包单位。
施工前,施工班组长按照现行《路面标线涂料》(JT/T280)、《道路交通标志标线》(GB5768-2009)、JTG F80/1-2004监理(建设)单施工质量验收规范的规定进行了检查评定。
施工过程中,路面标线应符合《路面标线涂料》(JT/T280)的规定,喷涂前应仔细清洁路面,表面干燥,无起灰现象。
同时,标线的颜色、形状和设计位置应符合《道路交通标志标线》(GB5768)的规定和设计要求。
标线线段长度、宽度、厚度、横向偏位、纵向间距、剥落面积等指标也需要符合规范要求。
施工单位进行了检查评定,并且符合规范要求,路面已清洁,表面干燥,无起灰现象,符合规范及设计要求。
检查总面积在0-3%之间,白色标线≥150,反光标线逆反射系数为150,黄色标线≥100.项目专业质量检查员和监理工程师也对施工进行了验收,认为符合要求。
最终,长山南路西流河桥南北两侧的标线施工验收合格。
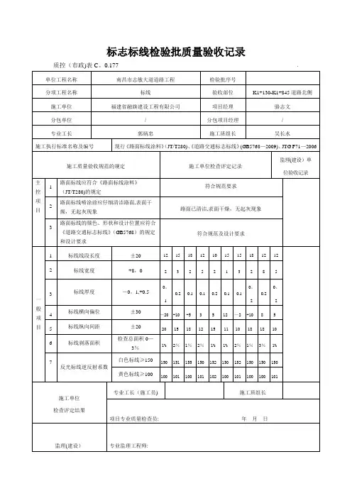
道路交通标志标线》(GB5768-2009)和设计要求。
标线线段长度、宽度、厚度、横向偏位、纵向间距、剥落面积等应符合规范要求。
施工单位应进行检查评定记录,确保符合规范要求。
在淮北经济技术开发区二期市政道路交通管理设施工程中,XXX负责标志标线的施工。
施工前,应按照现行的《路面标线涂料》(JT/T280)、《道路交通标志标线》(GB5768-2009)和JTG F80/1-2004监理(建设)单施工质量验收规范的规定,仔细清洁路面,确保表面干燥,无起灰现象。
同时,路面标线的颜色、形状和设计位置也应符合规范和设计要求。
标线线段长度、宽度、厚度、横向偏位、纵向间距、剥落面积等也应符合规范要求。
施工单位应当进行检查评定记录,确保符合规范要求,并进行专业质量检查员的评定。
最终,经过施工单位的检查评定结果显示,主控项目符合要求,一般项目符合规范规定。
沥青路面检验批质量验收记录沥青路面是指使用沥青作为粘结材料来砂浆混凝土与基层之间的粘结材料的一种道路。
沥青路面的检验批质量验收记录是指在沥青路面施工过程中,对质量检验批的验收情况进行记录的文件。
其目的是保证沥青路面施工质量的合格性,以及对施工过程中的质量问题进行追踪和记录,确保施工质量的可控性。
一、工程基本信息项目名称:项目地址:检验批号:二、施工过程记录1.施工时间:2.施工人员情况:3.施工设备情况:4.施工环境条件:三、材料验收记录1.沥青材料:(1)验收标准:(2)完好情况:(3)存放情况:2.石料材料:(1)验收标准:(2)完好情况:(3)存放情况:四、沥青路面施工记录1.基层处理:(1)基层材料验收情况:(2)基层处理工艺:2.沥青混凝土拌合物:(1)配合比设计:(2)拌合物成分验收情况:3.沥青路面施工过程:(1)铺设方法:(2)摊铺厚度:(3)摊铺速度:(4)摊铺质量控制:4.沥青路面压实:(1)压实设备:(2)压实方法:(3)压实厚度:五、沥青路面检验记录1.材料试验:(1)沥青试验:(2)石料试验:2.施工工艺检验:(1)摊铺厚度和压实质量:(2)沥青路面质量评定:3.施工质量记录和问题整改:(1)施工质量记录:(2)问题整改情况:六、总结与评价1.施工过程记录总结:2.沥青路面施工质量评价:3.改进措施建议:以上是沥青路面检验批质量验收记录的一个大致范本,根据具体工程情况,可对其中的细节进行适当调整和补充。
同时,还要注意将实际的施工过程和质量情况进行客观、准确的记录,以便对工程质量进行评估和改进。
道路清表检验批质量验收记录摘要:一、引言二、道路清表检验批质量验收记录的定义和作用三、道路清表检验批质量验收记录的内容四、道路清表检验批质量验收记录的填写要求和注意事项五、总结正文:一、引言道路清表检验批质量验收记录是道路施工过程中的一项重要文件,用于记录施工过程中各个检验批的质量验收情况,为道路工程的质量管理提供依据。
本文将对道路清表检验批质量验收记录进行详细介绍。
二、道路清表检验批质量验收记录的定义和作用道路清表检验批质量验收记录,简称验收记录,是在道路工程施工过程中,对已完成的道路清表检验批进行质量验收的记录。
它详细记录了检验批的质量验收结果,包括检验批的工程量、验收标准、验收方法、验收结果等,是施工质量管理的依据,也是工程竣工验收、质量保证的重要资料。
三、道路清表检验批质量验收记录的内容验收记录主要包括以下内容:1.工程名称、工程地点、工程部位、施工单位、监理单位等基本信息。
2.检验批的工程量,包括清表面积、厚度等。
3.验收标准,包括国家相关标准、设计要求、施工方案等。
4.验收方法,包括抽样检验、全数检验等。
5.验收结果,包括合格、不合格的项目及数量,检验批的质量等级等。
四、道路清表检验批质量验收记录的填写要求和注意事项1.验收记录应由施工单位和监理单位共同填写,双方签字盖章。
2.验收记录应真实、完整、准确,不得涂改、伪造。
3.验收记录应随工程进度及时填写,不得滞后。
4.验收记录应与工程实际相符,如发现不符,应及时纠正。
五、总结道路清表检验批质量验收记录是道路工程施工质量的重要管理手段,对保证工程质量具有重要意义。
道路施工工程检验批质量验收记录一、项目基本信息项目名称: [请在这里填写项目名称]施工单位: [请在这里填写施工单位]监理单位: [请在这里填写监理单位]验收日期: [请在这里填写验收日期]编制人: [请在这里填写编制人]二、检验批情况检验批编号: [请在这里填写检验批编号]施工内容: [请在这里填写施工内容]三、施工质量情况1. 施工工序[请在这里填写施工工序,如:压实土方、铺设沥青混凝土等]a)施工细则[请在这里填写施工细则,如:按照设计要求压实土方,每层厚度不超过30厘米,采用振动压路机进行压实等]b)进度完成情况[请在这里填写进度完成情况,如:已完成15%,按计划进度进行施工等]c)质量验收情况[请在这里填写质量验收情况,如:经过检测,土方密实度符合规范要求,未出现空洞、松散等问题]2. 施工材料[请在这里填写施工材料,如:沥青、石子、水泥等]a)材料名称[请在这里填写材料名称,如:沥青]b)供货单位[请在这里填写供货单位名称]c)材料验收情况[请在这里填写材料验收情况,如:经过检测,沥青质量符合规范要求,未发现杂质等问题]四、问题及处理情况1. 存在的问题[请在这里填写存在的问题,如:施工细则不符合设计要求、部分材料不符合规范等]2. 处理措施[请在这里填写处理措施,如:对施工细则进行调整,更换不符合规范的材料等]3. 结果评定[请在这里填写结果评定,如:经过处理后,问题得到解决,达到了设计要求和规范要求]五、结论根据以上的检验批情况、施工质量情况和问题处理情况,结论如下:[请在这里填写结论,如:根据验收结果,该检验批的施工质量符合要求,可以进行下一步施工]编制人签名: [请在这里填写编制人签名]日期: [请在这里填写日期]。
SG—T007 水泥稳定碎石层分项工程质量验收记录四川省建设厅制市政道路工程路基质量验收记录路表三(CJJ1-90)市政道路工程用表市政道路工程路基(水稳层)检验批质量验收记录路表三(CJJ1-90)市政道路工程用表市政道路工程路基质量验收记录路表三(CJJ1-90)市政道路工程用表市政道路工程路基(水稳层)检验批质量验收记录路表三(CJJ1-90)市政道路工程用表市政道路工程路基质量验收记录路表三(CJJ1-90)市政道路工程用表市政道路工程路基(水稳层)检验批质量验收记录路表三(CJJ1-90)市政道路工程用表市政道路工程路基质量验收记录路表三(CJJ1-90)市政道路工程用表市政道路工程路基(水稳层)检验批质量验收记录路表三(CJJ1-90)市政道路工程用表市政道路工程路基质量验收记录路表三(CJJ1-90)市政道路工程用表市政道路工程路基(水稳层)检验批质量验收记录路表三(CJJ1-90)市政道路工程用表市政道路工程路基质量验收记录路表三(CJJ1-90)市政道路工程用表市政道路工程路基(水稳层)检验批质量验收记录路表三(CJJ1-90)市政道路工程用表市政道路工程路基质量验收记录路表三(CJJ1-90)市政道路工程用表市政道路工程路基(水稳层)检验批质量验收记录路表三(CJJ1-90)市政道路工程用表市政道路工程路基质量验收记录路表三(CJJ1-90)市政道路工程用表市政道路工程路基(水稳层)检验批质量验收记录路表三(CJJ1-90)市政道路工程用表市政道路工程路基质量验收记录路表三(CJJ1-90)市政道路工程用表市政道路工程路基(水稳层)检验批质量验收记录路表三(CJJ1-90)市政道路工程用表市政道路工程路基质量验收记录路表三(CJJ1-90)市政道路工程用表市政道路工程路基(水稳层)检验批质量验收记录路表三(CJJ1-90)市政道路工程用表市政道路工程路基质量验收记录路表三(CJJ1-90)市政道路工程用表市政道路工程路基(水稳层)检验批质量验收记录路表三(CJJ1-90)市政道路工程用表。
铁路路基检验批质量验收记录1. 检验批基本信息
- 检验批编号:输入编号
- 工程名称:输入工程名称
- 工程地点:输入地点
- 检验人员:输入检验人员
- 检验日期:输入日期
2. 检验内容
2.1 质量要求
- 铁路路基的质量要求:输入质量要求描述
2.2 检验项目
在此列出检验批中需要进行的检验项目,包括但不限于:
1. 线路基础材料的抽样检验
2. 施工工艺的评估
3. 路基沉降的测量和评估
3. 检验结果
请根据实际检验情况填写以下内容:
3.1 抽样检验结果
3.1.1 线路基础材料
- 材料名称:输入材料名称
- 抽样数量:输入抽样数量
- 检验结果:输入检验结果,包括合格或不合格
3.1.2 其他检验项目
在此列出其他检验项目的抽样检验结果,按照相同的格式填写。
3.2 工艺评估结果
输入工艺评估的结果,包括评估标准和评估结果。
3.3 路基沉降测量结果
- 测量日期:输入测量日期
- 测量数值:输入测量数值
- 测量结果:输入测量结果,包括合格或不合格
4. 验收结论
根据检验结果,填写验收结论,包括但不限于:
- 根据检验数据,该检验批的质量符合要求。
- 根据检验数据,该检验批的质量不符合要求,需要进行整改。
5. 验收人员
- 验收人员姓名:输入姓名
- 验收日期:输入日期
以上是《铁路路基检验批质量验收记录》的内容,如有疑问,请及时沟通。
市政道路工程路基(水稳层)检验批质量验收记录
此文档为WORD版,可编辑修改
SG—T007 水泥稳定碎石层分项工程质量验收记录
四川省建设厅制
市政道路工程路基质量验收记录
路表三
市政道路工程用表市政道路工程路基(水稳层)检验批质量验收记录路表三
(CJJ1-90)
市政道路工程用表 (CJJ1-90)
市政道路工程路基质量验收记录
路表三
市政道路工程用表市政道路工程路基(水稳层)检验批质量验收记录路表三
(CJJ1-90)
市政道路工程用表 (CJJ1-90)
市政道路工程路基质量验收记录
路表三。
沥青路面工程检验批质量验收记录表
项目信息
- 项目名称:
- 工程地点:
- 施工单位:
- 监理单位:
- 检验单位:
- 检验日期:
一、检验内容
二、质量验收情况
三、存在问题及处理意见
四、质量验收结论
根据以上检验及验收结果,结论如下:
- 合格
- 不合格
五、处理措施
对于出现的不合格情况,按照相关管理规定和标准,提出相应的处理措施和整改要求。
六、其他事项
- 特殊情况说明:
- 建议及意见:
- 相关附件:
签字确认
本次检验及验收记录经相关责任人查阅核实,确认无误。
监理单位:(签字)(日期)
施工单位:(签字)(日期)
检验单位:(签字)(日期)。
道路工程检验批质量验收记录一、引言在道路工程建设过程中,检验批质量验收是极其重要的一环。
它不仅关系到工程的质量,也关系到道路的安全使用。
因此,对检验批质量进行详细记录并对其进行严格验收,是道路工程建设管理的重要内容。
本文将详细阐述道路工程检验批质量验收记录的相关内容。
二、检验批质量验收记录的内容1、检验批的划分:在道路工程中,应将相同材料、工艺、施工条件的施工段落划分为同一检验批。
这样可以方便对工程质量进行整体控制。
2、检验批质量标准:针对不同的检验批,应制定相应的质量标准。
这些标准应包括施工规范、设计要求、验收标准等。
在验收过程中,应严格按照这些标准进行检查。
3、检验批质量验收记录表:在验收过程中,应将检验结果详细记录在记录表中。
记录表应包括以下内容:检验批名称、检验日期、检验人员、检验方法、质量状况评价等。
4、不合格项的处理:在检验过程中,如发现不合格项,应立即进行处理。
处理方式可包括返工、修复、更换等。
处理后应重新进行检验,直到达到质量标准为止。
5、质量保证资料:质量保证资料包括施工过程中的各种记录、检测报告等。
这些资料应真实、完整,以供后续的质量控制和维修使用。
三、道路工程检验批质量验收记录的重要性1、提高工程质量:通过严格的检验批质量验收,可以及时发现并处理质量问题,从而提高工程质量。
2、保障交通安全:道路工程质量直接关系到交通安全。
如果工程质量不达标,可能会导致交通事故的发生。
因此,通过检验批质量验收记录,可以保障交通安全。
3、降低工程成本:通过合理的检验批划分和有效的质量验收,可以减少返工和修复的次数,从而降低工程成本。
4、促进工程进度:检验批质量验收记录的及时性和准确性,可以促进工程的顺利进行,缩短工期。
5、为未来工程提供参考:通过记录和整理检验批质量验收记录,可以为未来的道路工程建设提供宝贵的经验和参考。
四、结论道路工程检验批质量验收记录是道路工程建设中不可或缺的一部分。
它不仅对提高工程质量、保障交通安全、降低工程成本有重要作用,还可以为未来工程提供参考。
路面标线检验批质量验收记录模板范本一:路面标线检验批质量验收记录一、引言本验收记录用于对路面标线进行质量检验验收,确保路面标线施工质量符合相关要求和标准。
二、验收对象路面标线检验批质量验收的对象为施工完成的路面标线。
三、验收标准1. 施工单位应按照像关的施工规范和标准进行施工,其中包括但不限于国家标准、行业标准等。
2. 路面标线应满足以下要求:2.1 符合设计要求,包括线型、宽度、颜色、标志和标线字体等。
2.2 标线涂料应具有良好的附着力、耐久性和耐候性,不易剥落和脱落。
2.3 标线应整齐、连续、平直,无明显漏涂、浮涂和断线现象。
2.4 标线的厚度应符合要求,且与路面平整度相协调。
四、验收内容1. 路面标线施工前的准备工作是否符合要求,包括但不限于材料准备、施工工艺准备等。
2. 路面标线的施工质量是否满足要求,包括但不限于标线涂料的质量、标线的整体质量等。
3. 路面标线的附属设施是否完善,包括但不限于标线边缘线、标线标志等。
4. 施工过程中是否存在违规行为或者质量问题,包括但不限于未按要求施工、施工中存在漏涂、脱落等现象。
五、验收程序1. 进行路面标线检验前,需通知施工单位做好相关准备工作。
2. 进行现场检查和抽样取样,对标线进行实地测量和检验。
3. 对取样的标线样品进行实验室测试,包括但不限于涂料附着力测试、耐候性测试等。
4. 根据实地检查和实验室测试结果,对标线施工质量进行评估和判定。
5. 根据评估和判定结果,出具路面标线质量验收报告。
六、验收结果1. 如果标线施工质量与要求相符合,则认定为合格,出具合格证明。
2. 如果标线施工质量存在问题,则认定为不合格,并提出整改要求。
3. 对于验收结果,需将相关记录进行整理和归档。
附件:1. 标线设计图纸和说明书2. 标线涂料质量检验报告3. 标线施工记录4. 实地测量记录5. 实验室测试报告法律名词及注释:1. 施工规范:施工过程中需遵循的相关规范和标准。
道路工程检验批验收记录使用说明1、本表为道路工程检验批质量验收记录表,表中检验批验收内容根据《城镇道路工程施工与质量验收规范》CJJ 1-2008中检验标准相一致(如有不一致的地方,按规范规定填写,有新规范,按新规范要求填写),由技术负责人根据现场检查据实填写。
2、结论一栏由现场监理工程师填写,对质量作出结论,并另附抽检记录表及试验报告单,盖上“监理抽检”红色印章。
3、试验检测报告附在检验批质量验收记录表后面。
4、项目试验检测记录则另采用有关专用试验检测报告表。
5、施工过程中原始记录表可采用各施工单位通常使用的记录表,其格式应能明确反映施工有关操作的全过程和真实记录,并经驻地监理工程师同意认可。
本《基本表格》不再统一施工原始记录的表式。
道路工程检验批质量验收记录目录1、土方路基(路床)工程检验批质量验收记录。
质验表(路)-12、挖石方路基工程检验批质量验收记录。
质验表(路)-23、填石方路基工程检验批质量验收记录。
质验表(路)-34、路肩工程检验批质量验收记录。
质验表(路)-45、软土路基(砂垫层)工程检验批质量验收记录。
质验表(路)-56、软土路基(反压护道)工程检验批质量验收记录。
质验表(路)-67、软土路基(土工材料)工程检验批质量验收记录。
质验表(路)-78、软土路基(袋装砂井)工程检验批质量验收记录。
质验表(路)-89、软土路基(塑料排水板)工程检验批质量验收记录。
质验表(路)-910、软土路基(砂桩)工程检验批质量验收记录。
质验表(路)-1011、软土路基(碎石桩)工程检验批质量验收记录。
质验表(路)-1112、软土路基(粉喷桩)工程检验批质量验收记录。
质验表(路)-1213、软土路基(薄壁管桩)工程检验批质量验收记录。
质验表(路)-1314、石灰土基层检验批质量验收记录。
质验表(路)-1415、石灰、粉煤灰、稳定砂砾(碎石)基层检验批质量验收记录。
质验表(路)-1516、石灰、粉煤灰基层检验批质量验收记录。
沥青混凝土路面检验批质量验收记录1. 概述本文档详细记录了沥青混凝土路面的检验批质量验收情况,包括相关材料、施工过程以及验收结果。
2. 日期和地点- 日期:[填写日期]- 地点:[填写地点]3. 检验批信息- 检验批编号:[填写检验批编号]- 检验项目:[填写检验项目]- 施工单位:[填写施工单位]4. 检验材料- 沥青:[填写沥青供应商、等级等信息]- 石子:[填写石子供应商、等级等信息]- 水泥:[填写水泥供应商、等级等信息]- 其他材料:[列出其他用于沥青混凝土路面施工的材料及相关信息]5. 施工过程详细描述了沥青混凝土路面的施工过程,包括以下内容:- 基层处理:[填写基层处理方法及结果]- 沥青混凝土配合比设计:[填写沥青混凝土配合比设计及实际施工情况]- 施工设备:[列出使用的施工设备及检验情况]- 施工人员:[列出参与施工的人员及相关证书/资质]- 施工工艺:[填写沥青混凝土路面的施工工艺及操作规范]- 质量控制:[填写质量控制措施及实施情况]6. 质量验收结果对沥青混凝土路面进行质量验收,并记录验收结果,包括以下内容:- 压实度:[填写压实度测试结果及标准要求]- 平整度:[填写平整度测试结果及标准要求]- 抗滑性能:[填写抗滑性能测试结果及标准要求]- 骨料含量:[填写骨料含量测试结果及标准要求]- 沥青含量:[填写沥青含量测试结果及标准要求]- 其他质量验收结果:[填写其他质量验收内容及相关测试结果]7. 结论总结本次沥青混凝土路面检验批质量验收情况,包括合格/不合格判定,并给出必要的建议和改善措施。
8. 附件本文档附带以下附件:- 检验材料供应商证书- 沥青混凝土配合比设计文件- 施工设备检验报告- 施工人员证书复印件- 其他相关检验报告或证明文件以上为沥青混凝土路面检验批质量验收记录内容,谢谢。
模板安装工程检验批质量验收记录道路一、工程概况本次模板安装工程位于XX道路,总长度为XX公里。
工程主要包括XX部分,使用模板安装方式进行搭设。
为了确保工程质量,特进行质量验收记录,以便及时整改和改进施工工艺。
二、质量验收内容1. 模板材料质量验收根据设计要求,进行模板材料的质量验收。
对模板材料的品牌、规格、批号、包装等进行检查。
检查结果显示,所使用的模板材料质量合格,符合设计要求。
2. 模板搭设质量验收对模板搭设质量进行验收,检查搭设的稳定性、平整度、垂直度等。
经检查,模板搭设质量良好,无明显缺陷。
3. 模板连接方式验收对模板连接方式进行验收,检查连接处的牢固性和密实度。
通过对连接处的观察和检测,确认模板连接方式正确、结实、牢固。
4. 模板表面光洁度验收进行模板表面的光洁度验收,检查表面是否平整、光滑、无明显痕迹。
经验收发现,模板表面光洁度符合要求,无明显破损。
三、质量验收结果经过以上各项质量验收,本次模板安装工程达到了质量验收标准,全部合格。
工程质量满足设计和施工要求,能够保证道路使用的安全和舒适性。
四、存在的问题及整改意见在质量验收过程中,发现以下问题:1. 某些模板表面出现细小划痕,需要及时进行修补。
2. 部分连接处存在松动现象,需要加固。
整改意见:1. 对受损的模板表面进行修补,使其达到设计要求。
2. 对连接处进行加固,确保模板连接牢固,不出现松动现象。
五、质量整改措施根据存在的问题和整改意见,制定了以下质量整改措施:1. 对受损的模板表面进行修补工作,使用合适的修补材料进行处理。
2. 对存在松动的连接处进行加固处理,使用专用的连接件进行加固。
六、质量验收结论经过整改措施的落实,对模板安装工程进行质量验收。
经检查,问题得到了妥善解决,工程质量得到了进一步提升。
在验收结果中,所有的工程质量都符合设计要求和验收标准。
最后,希望在今后的施工中,能够更加重视施工质量,严格按照规范要求进行工艺操作,确保道路工程的质量和安全。