人教版九年级上册物理 电压 电阻单元测试与练习(word解析版)
- 格式:doc
- 大小:184.00 KB
- 文档页数:12
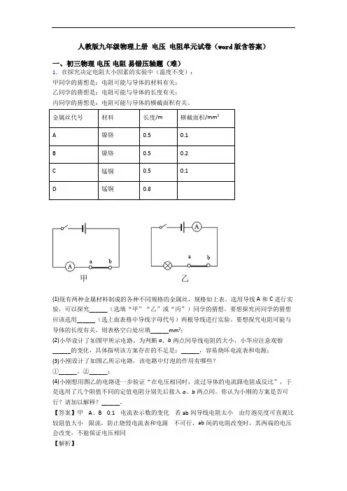
人教版九年级物理上册电压电阻单元试卷(word版含答案)一、初三物理电压电阻易错压轴题(难)1.在探究决定电阻大小因素的实验中(温度不变):甲同学的猜想是:电阻可能与导体的材料有关;乙同学的猜想是:电阻可能与导体的长度有关;丙同学的猜想是:电阻可能与导体的横截面积有关。
金属丝代号材料长度/m横截面积/mm2A镍铬0.50.1B镍铬0.50.2C锰铜0.50.1D锰铜0.8(1)现有两种金属材料制成的各种不同规格的金属丝,规格如上表。
选用导线A和C进行实验,可以探究______(选填“甲”“乙”或“丙”)同学的猜想。
要想探究丙同学的猜想应该选用______(选上面表格中导线字母代号)两根导线进行实验。
要想探究电阻可能与导体的长度有关,则表格空白处应填______mm2;(2)小华设计了如图甲所示电路。
为判断a、b两点间导线电阻的大小,小华应注意观察______的变化,具体指明该方案存在的不足是:______,容易烧坏电流表和电源;(3)小刚设计了如图乙所示电路,该电路中灯泡的作用有哪些?①______,②______;(4)小刚想用图乙的电路进一步验证“在电压相同时,流过导体的电流跟电阻成反比”,于是选用了几个阻值不同的定值电阻分别先后接入a、b两点间。
你认为小刚的方案是否可行?请加以解释?______。
【答案】甲 A、B 0.1 电流表示数的变化若ab间导线电阻太小由灯泡亮度可直观比较阻值大小限流,防止烧毁电流表和电源不可行,ab间的电阻改变时,其两端的电压会改变,不能保证电压相同【解析】【分析】【详解】(1)[1]由表中所给条件知,导线A和C的长度、横截面积相同,导体的材料不同,故可以探究甲同学的猜想。
[2]要探究横截面积与导体电阻大小的关系,就要控制导体的材料、长度相同,横截面积不同,在表格中给的导线中,只有A、B符合条件。
[3]要探究长度与导体电阻大小的关系,就要控制导体的材料、横截面积相同,导体的长度不同,在表格中给的导线中,只有C、D符合条件,故表格空白处应填0.1mm2。
人教版物理九年级上册电压电阻单元试卷(word版含答案)一、初三物理电压电阻易错压轴题(难)1.探究性学习小组的同学们合作进行探究“串联电路的电压特点”,设计了如图Ⅰ所示电路,并连接了相应的实物电路,如图Ⅱ所示。
(1)在连接的实物电路中有一处错误,无法完成实验,连接错误的导线是______(填a、b 或c)(2)正确连接后,闭合开关,发现电流表和电压表V1都没示数,电压表V2有示数,电路故障可能是______,更换器材后继续实验,根据测得的实验数据,绘制了如图Ⅲ所示的曲线图。
①图Ⅲ中,甲、乙两条曲线是根据图Ⅰ电路测得的实验数据所绘制的曲线,其中图Ⅰ电路中电压表V1对应的曲线是______(填“甲”或“乙”);②已知电源电压恒为6V,根据探究目的分析图Ⅲ中的曲线,得出的实验结论是______;③由图Ⅲ可知,滑动变阻器的最大阻值为______Ω。
(拓展)学习小组的同学还想由此电路探究电流与电阻的关系,可供选择的定值电阻的阻值为5Ω、5Ω、10Ω、15Ω、20Ω、25Ω。
①电路连接正确后,先用5Ω的定值电阻进行实验,闭合开关后,移动滑动变阻器的滑片,使电压表示数为2V,读出了电流表的示数;再将5Ω的定值电阻换成10Ω的定值电阻进行实验,向______移动滑片直至电压表示数为2V,并记录电流表的示数;②该同学还想多测几组数据,但他不能选用的定值电阻阻值是______Ω。
【答案】b滑动变阻器断路甲串联电路中总电压等于各部分电压之和 40 右 25 【解析】【分析】【详解】(1)[1]根据图Ⅰ可以看出,电压表应该并联在滑动变阻器两端,而图Ⅱ中的滑动变阻器被短路,所以导线b应该接到滑动变阻器的左下端接线柱或接到定值电阻R1的右侧接线柱上。
(2)[2]正确连接后,闭合开关,发现电流表和电压表V1都没示数,说明电路断路,电压表V2有示数,则电路故障可能是与电压表V2并联的滑动变阻器断路。
[3]根据图Ⅰ可以看出,电路是一个串联电路,电流增大时,根据U=IR,电压表V1的示数也增大,对应图Ⅲ中的甲曲线。
人教版九年级上册物理电压电阻单元练习(Word版含答案)一、初三物理电压电阻易错压轴题(难)1.在“探究串联电路电压特点”的实验中:(1)某次测量时,电压表的示数如图所示,则此时灯L1两端的电压为_____V;(2)某同学在测量了灯L1两端的电压后,断开开关,然后将AE导线的A端松开,接到D接线柱上,测量灯L2两端的电压,这一做法存在的问题是_____;(3)闭合开关S后,发现灯L1发光,L2不发光。
同学们有以下几种猜想:①灯L2灯丝断了;②灯L2的灯座短路;③灯L2也工作,但L2中电流比L1中电流小。
以上猜想中正确有_____(填序号)。
【答案】2.2 电压表的正负接线柱接反②【解析】【分析】【详解】(1)[1]由实物图可知,两灯串联,电压表测L1的电压;电源为两节干电池,则电源电压==U⨯2 1.5V3V根据串联分压的特点可知,灯L1两端的电压不可能大于3V,故图中电压表选择的是0~3V 量程,对应的分度值是0.1V,指针指在2V右面第2个小格上,读数为⨯=2V+0.1V2 2.2V(2)[2]如果将AE导线的A端松开,接到D接线柱上测量灯L2两端的电压,这样电流从电压表的“﹣”接线柱流入,从“+”接线柱流出了,开关闭合后,电压表的指针将反偏,即电压表的正负接线柱接反了,因此这种接法是错误的。
(3)[3]闭合开关S后,发现灯L1发光,L2不发光,则:①若灯L2灯丝断了,电路断路,灯泡L1也不发光,故①错误;②若灯L2的灯座短路,灯L1发光,L2不发光,故②正确;③若灯L2也工作时,由串联电路的电流特点可知,L2中电流和L1中电流相等,故③错误。
综上所述,以上猜想中正确只有②。
2.小红在做“探究影响导体电阻大小的因素”实验时,做出了如下猜想猜想一:导体的电阻可能与导体的长度有关猜想二:导体的电阻可能与导体的横截面积有关:猜想三:导体的电阻可能与导体的材料有关实验室提供了4根电阻丝,其规格、材料如下表所示:编号材料横截面积S/(mm2)长度L/(m)A镍铬合金 1.00.25B镍铬合金 1.00.50C镍铬合金 2.00.25D锰铜合金 1.00.25(1)如图电路,实验前最好在导线a、b间连接___________(选填“导线”或“电阻”),在M、N之间分别接上不同导体,闭合开关,通过观察___________来比较导体电阻大小(2)为了验证猜想一,可依次把M、N跟___________(填“A”、“B”、“C”或“D”)的两端相连,闭合开关,记下电流表的示数,分析比较这两根电阻丝电阻的大小.(3)依次把M、N跟电阻丝A、C的两端连接,闭合开关,发现接电阻丝C时电流表的示数较大,分析比较A、C两根电阻丝电阻的大小,可探究电阻跟___________的关系,其结论是:导体的长度和材料一定时,横截面积越大,其阻值________________.(4)若将电阻丝C均匀拉伸,使其横截面积变为原来的一半,则此时该电阻的阻值_________(选填“等于”或“不等于”)原来的2倍.小超在做“探究影响导体电阻大小的因素”实验时,发现实验器材中电阻丝只有一根,其他器材足够,不能完成的实验探究是(______________)A.导体电阻与长度的关系 B.导体电阻与材料的关系C.导体电阻与温度的关系 D.导体电阻与横截面积的关系【答案】电阻电流表的示数 A、B 横截面积越小不等于 B【解析】【分析】【详解】(1)[1][2]为了避免电路中电流过大,实验前最好在导线a、b间连接电阻;从图中可以看到连接好电路后,电流表测的是电路中的电流,接入电路的电阻丝电阻越大、电流越小,电阻越小、电流越大,所以可以通过观察电流表的示数来比较电阻丝电阻大小;(2)[3]为了验证猜想一,应该保持电阻横截面积和材料一样,从表中可以看到,编号为A、B的导体合适,可依次把M、N跟A、B的两端相连;(3)[4][5] A、C两根电阻丝材料一样,长度也一样,横截面积不同,所以说分析比较A、C两根电阻丝电阻的大小,可探究电阻跟横截面积的关系;接电阻丝C时电流表的示数较大,那么电阻丝C的电阻较小,但是电阻丝C的横截面积较大,可推测其结论是,导体的长度和材料一定时,横截面积越大,其阻值越小;(4)[6]若将电阻丝C均匀拉伸,使其横截面积变为原来的一半,那么长度会变大,横截面积会变小,电阻丝C阻值会变大,此时该电阻的阻值不等于原来的2倍;[7]A.同一根电阻丝,其材料是相同的,横截面积也不变,可以通过改变其接入电路的长度,探究导体电阻与长度的关系,A项不合题意;B.同一根电阻丝,其材料是相同的,没有第二种材料,不能探究导体电阻与材料的关系,选项B符合题意;C.只是一根电阻丝,可以拿酒精灯加热它,让它温度发生变化,可以探究导体电阻与温度的关系,C项不合题意;D.同一根电阻丝,其材料是相同的,只要控制它的长度一样,通过对折等方法让它的横截面积变化,是可以探究导体电阻与横截面积的关系,D项不合题意.3.物理小组探究导电液体的导电性与接入电路中液体横截面积大小的关系.他们用长方体水槽、浓度一定的食盐水、电源、滑动变阻器、电压表及电流表等器材进行了探究.实验电路连接如图-1所示,将电极M、N分别固定在水槽左右两侧底部的中央.(1)闭合开关前,为保护电路,应将滑动变阻器的滑片P移到最_____(选填“左”或“右”)端.(2)实验中,通过调节______来保持电极M、N间的电压恒为3V.控制其他条件不变,通过向水槽中添加食盐水,从而达到改变食盐水的_______的目的,用电流表测出相应的电流值.食盐水导电性的强弱可以由_______来判断.实验数据如下表:实验序号横截面积S/cm2电流I/A1500.0221000.0431500.0742000.0852500.1163000.1373500.1484000.1494500.14(3)依据表格中的数据在图-2中描点,做出电流I随横截面积S变化的I-S图像.(______)(4)分析表格中的数据或图像,可得到初步结论:其他条件不变,横截面积增大时,食盐水的导电性_______.(5)为验证实验结论是否具有普遍性,应采取的做法是:______.【答案】右滑动变阻器的滑片横截面积电流表的示数(或电流的大小)先增大后不变换不同导电液体,多次实验(或换不同浓度的食盐水,多次实验)【解析】【详解】第一空.滑片P滑到右端,滑动变阻器接入电路中的阻值最大,能起到保护电路的作用;第二空.通过调节滑动变阻器滑片改变接入电路的的阻值,从而控制MN两端的电压不变恒为3V;第三空.添加盐水后,液体的横截面积增大,所以通过向水槽中添加食盐水,从而达到改变食盐水的横截面积的目的;第四空.食盐水的导电性能可以通过电流表的读数判断,电流大,导电性能强,电流小,导电性能弱,即食盐水导电性的强弱可以由电流表的示数(或电流的大小)来判断;第五空.根据表格中的数据描点连线,作出电流I随横截面积S变化的I-S图像,如图:第六空.根据表格中的数据或图像都可以看出,当食盐水的横截面积增大时,电流先增大后不变,所以食盐水横截面积增大时,导电性也是先增大后不变;第七空.根据一次实验得出结论具有偶然性,为了验证实验结论是否具有普遍性,可以换不同导电液体,进行多次实验,或换不同浓度的食盐水,进行多次实验.4.在探究串联电路的电流规律时,小敏同学连成了如图所示的电路。
人教版九年级上册物理电压电阻单元测试与练习(word解析版)一、初三物理电压电阻易错压轴题(难)1.阅读下列一段文字,回答问题:我们已经知道导体的电阻是导体本身的一种性质,它的大小与导体的长度、横截面积和材料有关,进一步研究表明,在温度不变时,导体的电阻跟导体的长度成正比,跟导体的横截面积成反比,这个规律叫做电阻定律,用公式表示为LRSρ=,其中R、L、S分别表示导体的电阻、导体的长度和横截面积。
而ρ是反映材料导电性能的物理量,我们把它叫做材料的电阻率。
材料电阻率的大小与什么有关?小红提出如下猜想:猜想1:电阻率与材料的长度有关;猜想2:电阻率与材料的横截面积有关;猜想3:电阻率与材料的种类有关。
于是小红找来不同规格的导线进行测量,实验数据见下表:(1)写出电阻率ρ在国际单位制中的单位是_________________。
(2)分析比较实验序号1、2的数据,可以初步确定猜想1是________(正确/错误)的,这种探究问题的方法叫_________________。
(3)分析比较实验序号_________的数据,可以初步确定猜想2是错误的。
(4)分析比较实验序号1、4、5的数据,可得到的初步结论是__________________________。
(5)根据表中的数据,如果要制作一个滑动变阻器,应选用 _________材料作为电阻线圈,这是因为相同规格的这种材料电阻较________(大/小)。
【答案】Ω·m错误控制变量法 1、3 电阻率与导体的材料有关镍铬合金大【解析】【分析】【详解】(1)[1]已知R的单位是Ω、L的单位是m、S的单位是2m,由电阻定律公式LRSρ=。
根据等式两边的单位相等可以知道电阻率ρ在国际单位制中的单位是Ω·m ;(2)[2][3]分析比较实验序号1、2的数据长度不同时电阻率相同,故猜想1是错误的;只允许一个量发生改变,控制其他量不变的实验方法叫控制变量法;(3)[4]分析比较实验序号1、3的数据横截面积不同时,电阻率相同可以确定猜想2是错误的;(4)[5]分析比较实验序号1、4、5的数据,它们的长度、横截面积相同,而材料不同时电阻率不同,可得到的初步结论是电阻率大小与材料的种类有关;(5)[6][7]根据表格可知镍铬合金的电阻率比较大,所以如果要制作一个滑动变阻器,应选用镍铬合金材料作为电阻线圈,这是因为相同规格的这种材料电阻较大。
九年级物理第十六章《电压、电阻》单元测试(含答案)一.选择题(每小题2分,共30分)1.下列关于物理量的估测中,最符合实际情况的是()A.人体的安全电压为36VB.在重庆教室内的大气压强约为1×105PaC.从地上拿起实心球后举过头顶,人对球做功约为1JD.鲁能巴蜀中学教室内的空调正常工作时的电流约为1A2.如图所示,当开关闭合后电路正常工作时,下列说法正确的是()A.开关只能控制灯L1B.灯L1和L2是串联的C.电压表测的是电源电压D.电流表测的是通过电压表的电流3.如图所示的电路,电源电压不变,闭合开关S后,灯L1和L2均发光,过了一段时间,一盏灯突然熄灭,而电流表和电压表的示数都不变,则发生的故障可能是()A.L1断路B.L2断路C.L2短路D.L1短路4.如图所示S闭合后,L1、L2都发光,两个电表都有示数,突然一盏灯亮,一盏灯不亮,且电表示数都变为0,则该电路中可能故障是()A.电压表短路B.电流表断路C.L2短路D.L2断路5.如图所示,能正确测出小灯泡L1两端电压的电路是()A. B. C. D.6.如图甲所示的电路中,当闭合开关后,两个电压表指针偏转均如图乙所示,则电灯L1和L2两端的电压分别为()A.4.8V,1.2VB.6V,1.2VC.1.2V,6VD.1.2V,4.8V7.如图所示,电源电压是5V并保持不变,开关S闭合后电压表的示数为3V,则()A.L1两端的电压为5VB.L2两端的电压为2VC.L2两端的电压为3VD.L1两端的电压为3V8.在如图甲的电路中,当闭合开关S后,电路正常工作,两只电压表指针均为如图乙所示,则电阻R1、R2两端电压分别是()A.6V 7.5VB.7.5V 1.5VC.1.5V 7.5VD.6V 1.5V9.从发电站到用电地区,通常都有一段相当长的距离。
为减少远距离输电中的电能损失,根据焦耳定律,就要尽可能地减小输电线中的电流,因此在目前技术水平下采用了危险系数高的高电压输电。
人教版九年级物理上册电压电阻单元综合测试(Word版含答案)一、初三物理电压电阻易错压轴题(难)1.探究性学习小组的同学们合作进行探究“串联电路的电压特点”,设计了如图Ⅰ所示电路,并连接了相应的实物电路,如图Ⅱ所示。
(1)在连接的实物电路中有一处错误,无法完成实验,连接错误的导线是______(填a、b 或c)(2)正确连接后,闭合开关,发现电流表和电压表V1都没示数,电压表V2有示数,电路故障可能是______,更换器材后继续实验,根据测得的实验数据,绘制了如图Ⅲ所示的曲线图。
①图Ⅲ中,甲、乙两条曲线是根据图Ⅰ电路测得的实验数据所绘制的曲线,其中图Ⅰ电路中电压表V1对应的曲线是______(填“甲”或“乙”);②已知电源电压恒为6V,根据探究目的分析图Ⅲ中的曲线,得出的实验结论是______;③由图Ⅲ可知,滑动变阻器的最大阻值为______Ω。
(拓展)学习小组的同学还想由此电路探究电流与电阻的关系,可供选择的定值电阻的阻值为5Ω、5Ω、10Ω、15Ω、20Ω、25Ω。
①电路连接正确后,先用5Ω的定值电阻进行实验,闭合开关后,移动滑动变阻器的滑片,使电压表示数为2V,读出了电流表的示数;再将5Ω的定值电阻换成10Ω的定值电阻进行实验,向______移动滑片直至电压表示数为2V,并记录电流表的示数;②该同学还想多测几组数据,但他不能选用的定值电阻阻值是______Ω。
【答案】b滑动变阻器断路甲串联电路中总电压等于各部分电压之和 40 右 25 【解析】【分析】【详解】(1)[1]根据图Ⅰ可以看出,电压表应该并联在滑动变阻器两端,而图Ⅱ中的滑动变阻器被短路,所以导线b应该接到滑动变阻器的左下端接线柱或接到定值电阻R1的右侧接线柱上。
(2)[2]正确连接后,闭合开关,发现电流表和电压表V1都没示数,说明电路断路,电压表V2有示数,则电路故障可能是与电压表V2并联的滑动变阻器断路。
[3]根据图Ⅰ可以看出,电路是一个串联电路,电流增大时,根据U=IR,电压表V1的示数也增大,对应图Ⅲ中的甲曲线。
人教版物理九年级上册电压电阻单元测试题(Word版含解析)一、初三物理电压电阻易错压轴题(难)1.探究性学习小组的同学们合作进行探究“串联电路的电压特点”,设计了如图Ⅰ所示电路,并连接了相应的实物电路,如图Ⅱ所示。
(1)在连接的实物电路中有一处错误,无法完成实验,连接错误的导线是______(填a、b 或c)(2)正确连接后,闭合开关,发现电流表和电压表V1都没示数,电压表V2有示数,电路故障可能是______,更换器材后继续实验,根据测得的实验数据,绘制了如图Ⅲ所示的曲线图。
①图Ⅲ中,甲、乙两条曲线是根据图Ⅰ电路测得的实验数据所绘制的曲线,其中图Ⅰ电路中电压表V1对应的曲线是______(填“甲”或“乙”);②已知电源电压恒为6V,根据探究目的分析图Ⅲ中的曲线,得出的实验结论是______;③由图Ⅲ可知,滑动变阻器的最大阻值为______Ω。
(拓展)学习小组的同学还想由此电路探究电流与电阻的关系,可供选择的定值电阻的阻值为5Ω、5Ω、10Ω、15Ω、20Ω、25Ω。
①电路连接正确后,先用5Ω的定值电阻进行实验,闭合开关后,移动滑动变阻器的滑片,使电压表示数为2V,读出了电流表的示数;再将5Ω的定值电阻换成10Ω的定值电阻进行实验,向______移动滑片直至电压表示数为2V,并记录电流表的示数;②该同学还想多测几组数据,但他不能选用的定值电阻阻值是______Ω。
【答案】b滑动变阻器断路甲串联电路中总电压等于各部分电压之和 40 右 25 【解析】【分析】【详解】(1)[1]根据图Ⅰ可以看出,电压表应该并联在滑动变阻器两端,而图Ⅱ中的滑动变阻器被短路,所以导线b应该接到滑动变阻器的左下端接线柱或接到定值电阻R1的右侧接线柱上。
(2)[2]正确连接后,闭合开关,发现电流表和电压表V1都没示数,说明电路断路,电压表V2有示数,则电路故障可能是与电压表V2并联的滑动变阻器断路。
[3]根据图Ⅰ可以看出,电路是一个串联电路,电流增大时,根据U=IR,电压表V1的示数也增大,对应图Ⅲ中的甲曲线。
人教版九年级上册物理电压电阻单元检测(提高,Word版含解析)一、初三物理电压电阻易错压轴题(难)1.一实验小组用如图所示的器材探究“串联电路的电压关系”。
用三节干电池串联供电,他们选择了两只规格不同的小灯泡L1、L2。
(1)请用笔画线代替导线,连接实验电路。
要求:电压表测量两灯串联后的总电压,并在右边方框画出电路图。
(________)(2)为了保证电路的安全,连接器材时,开关应____________。
(3)小明用电压表测量L1两端电压时,直接选用0∼3V的量程,小悦说这样不行,规范的操作方法应该是:_________。
(4)他们实验中得出一组实验数据如下表。
为了得出串联电路电压关系的普遍规律,他们还应________。
L1两端电压(V)L2两端电压(V)电路两端总电压(V)1.52.8 4.3(5)在探究串联电路电压关系实验中,物理实验小组按如图所示电路测得V的示数是3.8V,V1的示数是2.3V,V2的示数应为____V。
(6)在测量L2两端电压时,两灯突然熄灭,电压表示数为0,用电压表检测L1两端电压为电源电压,则出现故障的原因可能是(__________)A.灯L1短路 B.灯L2短路C.灯L1断路 D.灯L2断路【答案】断开先选用0∼15V的量程试触,若读数小于3V,再换用0∼3V的量程换用不同规格的灯泡,多次实验 1.5 C【解析】【分析】(1)两灯泡、开关、电源组成串联电路,电压表并联在两灯泡两端,连线时注意电压表正负接线柱不要接反;(2)为保证安全,连接电路时,开关应断开;(3)因为电源电压大于3V,在测量电压前,应先用0∼15V量程,测一下L1两端电压,若电压小于3V,再用0∼3V量程;(4)分析表中实验数据,得出结论;为了得出普遍规律,应更换不同的实验器材,进行多次测量;(5)串联电路两端电压等于各部分电路电压之和;(6)两灯突然熄灭说明电路发生断路;电压表测L2两端电压时,电压表示数为零,可能是L2短路或L2之外的电路存在断路;电压表测L1电压时,电压表有示数且等于电源电压,说明此时电压表与电源两极相连接,L1之外电路不存在端路;综合分析可知:电路故障是灯泡L1断路;【详解】(1)[1]两灯泡、开关、电源组成串联电路,电压表并联在两灯泡两端,实物图及电路图如图所示:(2)[2]为保证电路安全,连接电路时,开关应断开;(3)[3]电流表和电压表在使用时,如不能估计测量值的大小,应采用试触法选择合适量程,即先选用0∼15V的量程试测,如果示数小于3V,再改用0∼3V量程测量。
人教版物理九年级上册电压电阻单元测试题(Word版含解析)一、初三物理电压电阻易错压轴题(难)1.探究性学习小组的同学们合作进行探究“串联电路的电压特点”,设计了如图Ⅰ所示电路,并连接了相应的实物电路,如图Ⅱ所示。
(1)在连接的实物电路中有一处错误,无法完成实验,连接错误的导线是______(填a、b 或c)(2)正确连接后,闭合开关,发现电流表和电压表V1都没示数,电压表V2有示数,电路故障可能是______,更换器材后继续实验,根据测得的实验数据,绘制了如图Ⅲ所示的曲线图。
①图Ⅲ中,甲、乙两条曲线是根据图Ⅰ电路测得的实验数据所绘制的曲线,其中图Ⅰ电路中电压表V1对应的曲线是______(填“甲”或“乙”);②已知电源电压恒为6V,根据探究目的分析图Ⅲ中的曲线,得出的实验结论是______;③由图Ⅲ可知,滑动变阻器的最大阻值为______Ω。
(拓展)学习小组的同学还想由此电路探究电流与电阻的关系,可供选择的定值电阻的阻值为5Ω、5Ω、10Ω、15Ω、20Ω、25Ω。
①电路连接正确后,先用5Ω的定值电阻进行实验,闭合开关后,移动滑动变阻器的滑片,使电压表示数为2V,读出了电流表的示数;再将5Ω的定值电阻换成10Ω的定值电阻进行实验,向______移动滑片直至电压表示数为2V,并记录电流表的示数;②该同学还想多测几组数据,但他不能选用的定值电阻阻值是______Ω。
【答案】b滑动变阻器断路甲串联电路中总电压等于各部分电压之和 40 右 25 【解析】【分析】【详解】(1)[1]根据图Ⅰ可以看出,电压表应该并联在滑动变阻器两端,而图Ⅱ中的滑动变阻器被短路,所以导线b应该接到滑动变阻器的左下端接线柱或接到定值电阻R1的右侧接线柱上。
(2)[2]正确连接后,闭合开关,发现电流表和电压表V1都没示数,说明电路断路,电压表V2有示数,则电路故障可能是与电压表V2并联的滑动变阻器断路。
[3]根据图Ⅰ可以看出,电路是一个串联电路,电流增大时,根据U=IR,电压表V1的示数也增大,对应图Ⅲ中的甲曲线。
人教版九年级上册物理电压电阻同步单元检测(Word版含答案)一、初三物理电压电阻易错压轴题(难)1.在探究决定电阻大小因素的实验中(温度不变):甲同学的猜想是:电阻可能与导体的材料有关;乙同学的猜想是:电阻可能与导体的长度有关;丙同学的猜想是:电阻可能与导体的横截面积有关。
金属丝代号材料长度/m横截面积/mm2A镍铬0.50.1B镍铬0.50.2C锰铜0.50.1D锰铜0.8(1)现有两种金属材料制成的各种不同规格的金属丝,规格如上表。
选用导线A和C进行实验,可以探究______(选填“甲”“乙”或“丙”)同学的猜想。
要想探究丙同学的猜想应该选用______(选上面表格中导线字母代号)两根导线进行实验。
要想探究电阻可能与导体的长度有关,则表格空白处应填______mm2;(2)小华设计了如图甲所示电路。
为判断a、b两点间导线电阻的大小,小华应注意观察______的变化,具体指明该方案存在的不足是:______,容易烧坏电流表和电源;(3)小刚设计了如图乙所示电路,该电路中灯泡的作用有哪些?①______,②______;(4)小刚想用图乙的电路进一步验证“在电压相同时,流过导体的电流跟电阻成反比”,于是选用了几个阻值不同的定值电阻分别先后接入a、b两点间。
你认为小刚的方案是否可行?请加以解释?______。
【答案】甲 A、B 0.1 电流表示数的变化若ab间导线电阻太小由灯泡亮度可直观比较阻值大小限流,防止烧毁电流表和电源不可行,ab间的电阻改变时,其两端的电压会改变,不能保证电压相同【解析】【分析】【详解】(1)[1]由表中所给条件知,导线A和C的长度、横截面积相同,导体的材料不同,故可以探究甲同学的猜想。
[2]要探究横截面积与导体电阻大小的关系,就要控制导体的材料、长度相同,横截面积不同,在表格中给的导线中,只有A、B符合条件。
[3]要探究长度与导体电阻大小的关系,就要控制导体的材料、横截面积相同,导体的长度不同,在表格中给的导线中,只有C、D符合条件,故表格空白处应填0.1mm2。
人教版九年级上册物理电压电阻单元测试与练习(word解析版)一、初三物理电压电阻易错压轴题(难)1.在“探究串联电路电压特点”的实验中:(1)某次测量时,电压表的示数如图所示,则此时灯L1两端的电压为_____V;(2)某同学在测量了灯L1两端的电压后,断开开关,然后将AE导线的A端松开,接到D接线柱上,测量灯L2两端的电压,这一做法存在的问题是_____;(3)闭合开关S后,发现灯L1发光,L2不发光。
同学们有以下几种猜想:①灯L2灯丝断了;②灯L2的灯座短路;③灯L2也工作,但L2中电流比L1中电流小。
以上猜想中正确有_____(填序号)。
【答案】2.2 电压表的正负接线柱接反②【解析】【分析】【详解】(1)[1]由实物图可知,两灯串联,电压表测L1的电压;电源为两节干电池,则电源电压==U⨯2 1.5V3V根据串联分压的特点可知,灯L1两端的电压不可能大于3V,故图中电压表选择的是0~3V 量程,对应的分度值是0.1V,指针指在2V右面第2个小格上,读数为⨯=2V+0.1V2 2.2V(2)[2]如果将AE导线的A端松开,接到D接线柱上测量灯L2两端的电压,这样电流从电压表的“﹣”接线柱流入,从“+”接线柱流出了,开关闭合后,电压表的指针将反偏,即电压表的正负接线柱接反了,因此这种接法是错误的。
(3)[3]闭合开关S后,发现灯L1发光,L2不发光,则:①若灯L2灯丝断了,电路断路,灯泡L1也不发光,故①错误;②若灯L2的灯座短路,灯L1发光,L2不发光,故②正确;③若灯L2也工作时,由串联电路的电流特点可知,L2中电流和L1中电流相等,故③错误。
综上所述,以上猜想中正确只有②。
2.在“探究串联电路电压的特点”活动中:(1)如图所示,连接电路时,至少需要______根导线;实验中应选择规格______(相同/不同)的小灯泡;(2)在测L1两端电压时,闭合开关,发现电压表示数为零,原因可能是________________(填出一种即可);(3)小芳保持电压表的B连接点不动,只断开A连接点,并改接到C连接点上,测量L2两端电压。
章末测试(四)电压电阻(时间:45分钟总分:100分)题号一二三四五总分合分人复分人得分一、选择题(每题4分,共40分)1.关于电源、电压和电流的关系,以下说法正确的是( )A.有电压就同时有电源和电流B.有电源就同时有电压和电流C.有电流就同时有电源和电压D.若同时有电源和电压就一定有电流2.关于电流表和电压表的使用方法,下列说法正确的是( )A.一般先用较小量程进行快速试触B.如图中所选量程的分度值是0.1 VC.电流表必须和被测的用电器并联D.电压表不能直接接到电源的两极3.可调亮度的电灯在调光时,旋动旋钮,滑片在弧形电阻丝上滑动,即可调节灯泡亮度,这是通过下列哪个因素改变电阻丝接入电路中电阻的( )A.长度B.横截面积C.材料D.温度4.如图所示,当滑动变阻器的滑片向a端滑动时,下列四种接法中,变阻器接入电路的电阻值变小的是( ),A) ,B) ,C) ,D) 5.如图所示,L1、L2是灯泡,且两灯均正常发光,“○”处可以连接电流表、电压表测量电路中的电流、电压,以下说法中正确的是( )A.a为电流表,b为电压表,c为电流表B.a为电压表,b为电压表,c为电流表C.a为电流表,b为电流表,c为电压表D.a为电流表,b为电流表,c为电流表6.在如图所示的电路中,当开关S闭合后,灯L1不亮,灯L2也不亮,电压表有示数.则下列说法中正确的是( )A.灯L1的灯丝断了B.灯L1被短路了C.灯L2的灯丝断了D.灯L2被短路了7.在温度一定时,下列有关导体电阻的说法中正确的是( )A.粗细相同的两根导线,较长的电阻较大B.长度相同的两根导线,较细的电阻较小C.同种材料制成的长度相同的两根导线,横截面积小的电阻较大D.一根铜导线的电阻一定比一根铝导线的电阻小8.如图所示为李明同学连接的实物图,这个电路中没有接错的器材是( )A.电流表B.电压表C.变阻器D.开关第8题图第9题图9.如图所示,电源电压不变,闭合开关,电压表V1的示数为6 V,电压表V2的示数为3.6 V.那么下列说法中不正确的是( )A.电源电压为6 VB.L1两端电压为2.4 VC.将电压表V2换成电流表,开关闭合后L1亮,L2不亮D.将电压表都换成电流表,开关闭合时L1与L2并联10.某高速公路收费站于去年开始对过往的超载货车实施计重收费,某同学结合所学物理知识设计了如图所示的计重秤原理图,以下说法正确的是( ) A.称重表相当于一个电压表B.当车辆越重时,称重表的示数越大C.当车辆越重时,称重表的示数越小D.电路中的R1是没有作用的第10题图二、填空题(每空2分,共20分)11.(贵港中考)LED灯是一种新型的高效节能光源,它的核心元件是发光二极管,二极管是由材料制成的.在发电厂发电、输送电能等方面若能采用材料,就可以大大降低由于输电线电阻引起的电能损耗.12.(北海中考)电阻是导体对电流的作用,如图中A、B是两根横截面积相同的铜线,则A铜线的电阻比B铜线的电阻.13.(宜昌中考)将两片不同的金属片A、B浸在盐水中,这就是一个电池,该电池对外供电时,将能转化为电能,把金属片A、B分别用导线连接到电压表接线柱上,电压表的指针发生如图所示的偏转,则金属片A是(填“正”或“负”)极.第13题图第14题图14.如图,当开关S1、S2都闭合时,电压表的示数为4 V,则灯L1两端的电压是V,电源电压为V.15.如图是汽车油量表的工作原理图,当油箱汽油液面下降时,变阻器的阻值,电流表的示数.(填“变大”“变小”或“不变”)第15题图三、作图题(每题3分,共6分)16.根据如图所示的实物连线图,画出对应的电路图.(要求连线要横平竖直,尽量使电路图简洁美观)17.在图中电路空白处填入电源、电流表和电压表的符号,要求:闭合开关S后,两灯泡均能发光,且电表能测量通过L1的电流和电压.四、实验探究题(第18题16分,第19题10分,共26分)18.如图所示,小明在“探究串联电路电压特点”的实验中:(1)在连接电路的过程中,开关必须,在串联电路中,开关可以控制所有用电器,开关位置的改变(填“影响”或“不影响”)它对用电器的控制.(2)某次测量时,电压表的示数如图乙所示,则此时灯L1两端的电压为V.(3)闭合开关后,小明发现L1、L2均不发光,电压表有示数且大小接近3 V,则电路中出现的故障可能是L1发生了(填“短路”或“断路”).(4)排除故障后,小明在测量了灯L1两端的电压后,断开开关,然后将AE导线的A端松开,接到D接线柱上,闭合开关测量灯L2两端的电压.小明的做法是(填“正确”或“错误”)的,原因是.(5)小明更换了不同规格的小灯泡并多次实验,将得到的数据记录在下表中,分析实验数据,你可以得到串联电路中的电压规律:串联电路两端的总电压等于_ .实验次数U AB/V U CD/V U AD/V1 1.9 1.1 3.02 1.0 2.0 3.03 1.2 1.8 3.0(6)小明进行多次实验的主要目的是(填序号).①寻找普遍规律②减小实验误差19.在探究影响导体电阻大小的因素时,小兵、小红两位同学作出了如下猜想:①导体的电阻与导体的长度有关;②导体的电阻与导体的横截面积有关;③导体的电阻与导体的材料有关.实验室提供了4根电阻丝,规格、材料如表:编号材料长度/m 横截面积/mm2A镍铬合金0.5 0.5B镍铬合金 1.0 0.5C镍铬合金0.5 1.0D锰铜合金0.5 0.5为了验证上述猜想,他们设计了如图所示的实验电路.(1)为了验证上述猜想①,应该选用编号为的两根电阻丝进行实验;如果选用编号为A、C的两根电阻丝进行实验,是为了验证猜想(填序号).分别将A和D两电阻丝接入电路中M、N两点间时,电流表示数不相同,由此,初步得到的结论是:长度和横截面积相同时,.(2)有同学认为,可以根据灯泡亮度的变化来判断接入电阻丝的电阻变化情况.老师指出:此实验中这种方法不可取.这是因为电源电压一定时,所选电阻丝的阻值相差太小,灯泡亮度变化(填“明显”或“不明显”).(3)在最近几年,我国城乡许多地区进行了输电线路的改造,将原来细的铝质输电线换成较粗的铝质输电线,这样_(填“增大”或“减小”)了输电线的电阻.五、计算题(8分)20.如图所示的电路中,开关S闭合后,电压表V1、V2的示数之比为3∶1,电压表V的示数为12 V.则灯L1、L2两端的电压分别是多少?章末测试(四)电压电阻答案版(时间:45分钟总分:100分)题号一二三四五总分合分人复分人得分一、选择题(每题4分,共40分)1.关于电源、电压和电流的关系,以下说法正确的是(C)A.有电压就同时有电源和电流B.有电源就同时有电压和电流C.有电流就同时有电源和电压D.若同时有电源和电压就一定有电流2.关于电流表和电压表的使用方法,下列说法正确的是(B)A.一般先用较小量程进行快速试触B.如图中所选量程的分度值是0.1 VC.电流表必须和被测的用电器并联D.电压表不能直接接到电源的两极3.可调亮度的电灯在调光时,旋动旋钮,滑片在弧形电阻丝上滑动,即可调节灯泡亮度,这是通过下列哪个因素改变电阻丝接入电路中电阻的(A)A.长度B.横截面积C.材料D.温度4.如图所示,当滑动变阻器的滑片向a端滑动时,下列四种接法中,变阻器接入电路的电阻值变小的是(C),A) ,B) ,C) ,D) 5.如图所示,L1、L2是灯泡,且两灯均正常发光,“○”处可以连接电流表、电压表测量电路中的电流、电压,以下说法中正确的是(B)A.a为电流表,b为电压表,c为电流表B.a为电压表,b为电压表,c为电流表C.a为电流表,b为电流表,c为电压表D.a为电流表,b为电流表,c为电流表6.在如图所示的电路中,当开关S闭合后,灯L1不亮,灯L2也不亮,电压表有示数.则下列说法中正确的是(A)A.灯L1的灯丝断了B.灯L1被短路了C.灯L2的灯丝断了D.灯L2被短路了7.在温度一定时,下列有关导体电阻的说法中正确的是(C)A.粗细相同的两根导线,较长的电阻较大B.长度相同的两根导线,较细的电阻较小C.同种材料制成的长度相同的两根导线,横截面积小的电阻较大D.一根铜导线的电阻一定比一根铝导线的电阻小8.如图所示为李明同学连接的实物图,这个电路中没有接错的器材是(D)A.电流表B.电压表C.变阻器D.开关第8题图第9题图9.如图所示,电源电压不变,闭合开关,电压表V1的示数为6 V,电压表V2的示数为3.6 V.那么下列说法中不正确的是(D)A.电源电压为6 VB.L1两端电压为2.4 VC.将电压表V2换成电流表,开关闭合后L1亮,L2不亮D.将电压表都换成电流表,开关闭合时L1与L2并联10.某高速公路收费站于去年开始对过往的超载货车实施计重收费,某同学结合所学物理知识设计了如图所示的计重秤原理图,以下说法正确的是(B) A.称重表相当于一个电压表B.当车辆越重时,称重表的示数越大C.当车辆越重时,称重表的示数越小D.电路中的R1是没有作用的第10题图二、填空题(每空2分,共20分)11.(贵港中考)LED灯是一种新型的高效节能光源,它的核心元件是发光二极管,二极管是由__半导体__材料制成的.在发电厂发电、输送电能等方面若能采用__超导__材料,就可以大大降低由于输电线电阻引起的电能损耗.12.(北海中考)电阻是导体对电流的__阻碍__作用,如图中A、B是两根横截面积相同的铜线,则A铜线的电阻比B铜线的电阻__小__.13.(宜昌中考)将两片不同的金属片A、B浸在盐水中,这就是一个电池,该电池对外供电时,将__化学__能转化为电能,把金属片A、B分别用导线连接到电压表接线柱上,电压表的指针发生如图所示的偏转,则金属片A是__正__(填“正”或“负”)极.第13题图第14题图14.如图,当开关S1、S2都闭合时,电压表的示数为4 V,则灯L1两端的电压是__4__V,电源电压为__4__V.15.如图是汽车油量表的工作原理图,当油箱汽油液面下降时,变阻器的阻值__变大__,电流表的示数__变小__.(填“变大”“变小”或“不变”)第15题图三、作图题(每题3分,共6分)16.根据如图所示的实物连线图,画出对应的电路图.(要求连线要横平竖直,尽量使电路图简洁美观)解:17.在图中电路空白处填入电源、电流表和电压表的符号,要求:闭合开关S后,两灯泡均能发光,且电表能测量通过L1的电流和电压.解:四、实验探究题(第18题16分,第19题10分,共26分)18.如图所示,小明在“探究串联电路电压特点”的实验中:(1)在连接电路的过程中,开关必须__断开__,在串联电路中,开关可以控制所有用电器,开关位置的改变__不影响__(填“影响”或“不影响”)它对用电器的控制.(2)某次测量时,电压表的示数如图乙所示,则此时灯L1两端的电压为__1.9__V.(3)闭合开关后,小明发现L1、L2均不发光,电压表有示数且大小接近3 V,则电路中出现的故障可能是L1发生了__断路__(填“短路”或“断路”).(4)排除故障后,小明在测量了灯L1两端的电压后,断开开关,然后将AE导线的A端松开,接到D接线柱上,闭合开关测量灯L2两端的电压.小明的做法是__错误__(填“正确”或“错误”)的,原因是__电压表的正负接线柱接反了__.(5)小明更换了不同规格的小灯泡并多次实验,将得到的数据记录在下表中,分析实验数据,你可以得到串联电路中的电压规律:串联电路两端的总电压等于__各用电器两端电压之和__.实验次U AB/V U CD/V U AD/V数1 1.9 1.1 3.02 1.0 2.0 3.03 1.2 1.8 3.0(6)小明进行多次实验的主要目的是__①__(填序号).①寻找普遍规律②减小实验误差19.在探究影响导体电阻大小的因素时,小兵、小红两位同学作出了如下猜想:①导体的电阻与导体的长度有关;②导体的电阻与导体的横截面积有关;③导体的电阻与导体的材料有关.实验室提供了4根电阻丝,规格、材料如表:编号材料长度/m横截面积/mm2A镍铬合金0.5 0.5B镍铬合金1.0 0.5C镍铬合金0.5 1.0D锰铜合金0.5 0.5为了验证上述猜想,他们设计了如图所示的实验电路.(1)为了验证上述猜想①,应该选用编号为__A、B__的两根电阻丝进行实验;如果选用编号为A、C的两根电阻丝进行实验,是为了验证猜想__②__(填序号).分别将A 和D两电阻丝接入电路中M、N两点间时,电流表示数不相同,由此,初步得到的结论是:长度和横截面积相同时,__导体的电阻与导体的材料有关__.(2)有同学认为,可以根据灯泡亮度的变化来判断接入电阻丝的电阻变化情况.老师指出:此实验中这种方法不可取.这是因为电源电压一定时,所选电阻丝的阻值相差太小,灯泡亮度变化__不明显__(填“明显”或“不明显”).(3)在最近几年,我国城乡许多地区进行了输电线路的改造,将原来细的铝质输电线换成较粗的铝质输电线,这样__减小__(填“增大”或“减小”)了输电线的电阻.五、计算题(8分)20.如图所示的电路中,开关S闭合后,电压表V1、V2的示数之比为3∶1,电压表V的示数为12 V.则灯L1、L2两端的电压分别是多少?解:由图示电路图可知,灯L1、L2串联,V1测量的是灯L1两端的电压U1,V2测量的是灯L2两端的电压U2,电压表V测量的是电源两端的电压U,因为电压表V1、V2的示数之比为3∶1,即U1∶U2=3∶1…①根据串联电路的电压特点知:U=U1+U2,即U1+U2=12 V…②联立①②解得:U1=9 V,U2=3 V。
人教版物理九年级上册电压电阻单元综合测试(Word版含答案)一、初三物理电压电阻易错压轴题(难)1.热敏电阻的阻值会随温度的改变而改变。
小张同学用如图甲所示的电路来探究热敏电阻R T的阻值与温度的关系。
已知M为控温器,电源电压未知但恒定不变,R为电阻箱(一种可以改变并读出阻值的变阻器)。
因实验器材的限制,利用该电路无法直接测出热敏电阻的阻值,聪明的小张进行了如下操作:①根据图甲连接电路,闭合开关前,将电阻箱的阻值调到足够大;②控制控温器中液体温度为10℃,闭合开关,调节电阻箱的阻值,使电流表的示数达到某数值,记录此时电阻箱的阻值为26Ω;③依次改变控温器中的液体温度,同时……,得到相关数据记录如下表所示。
分析并回答下列问题:(1)步骤③中“……”部分的操作是____。
(2)从表中可以得出结论:在一定温度范围,_____。
(3)在科技创新活动中,小张用该热敏电阻和电压表制成了一支指针式温度计(电路图如图乙所示,电压表未接入),它可以直接在电压表刻度盘上读出相应温度。
闭合开关后,小华发现电流表有示数,将电压表依次并在各接线柱之间发现ab间无示数,接ac、bc间有示数,此时电路中的故障是____。
小华重新正确连接电路后,若想要电压表的读数随温度的升高而增大,则应在原理图乙中_____两端接入电压表。
A.a、b B.b、c C.a、c【答案】调节电阻箱的阻值,使电流表的示数保持不变热敏电阻的阻值随温度的升高而减小定值电阻短路A【解析】【详解】(1)为了探究热敏电阻R T的阻值与温度的关系,应保持其他变量不变,即调节电阻箱阻值来保持电流表示数不变;(2)因为热敏电阻R t与电阻箱串联,而电路电流保持不变,所以电路总电阻保持不变,读表可知,那么随着温度升高,变阻箱电阻增大,即热敏电阻R T的减小。
(3)如图乙:闭合开关后,小华发现电流表有示数,说明电路没有断路,将电压表依次并在各接线柱之间发现ab间无示数,而接ac、bc间有示数,则ab间一定发生短路;想要电压表的读数随温度的升高而增大,电路总电压不变的情况下,根据串联分压原理,定值电阻ab两端电压随热敏电阻R t减小而增加,故应接在ab之间,选A。
人教版九年级上册物理电压电阻单元测试题(Word版含解析)一、初三物理电压电阻易错压轴题(难)1.在探究决定电阻大小因素的实验中(温度不变):甲同学的猜想是:电阻可能与导体的材料有关;乙同学的猜想是:电阻可能与导体的长度有关;丙同学的猜想是:电阻可能与导体的横截面积有关。
金属丝代号材料长度/m横截面积/mm2A镍铬0.50.1B镍铬0.50.2C锰铜0.50.1D锰铜0.8(1)现有两种金属材料制成的各种不同规格的金属丝,规格如上表。
选用导线A和C进行实验,可以探究______(选填“甲”“乙”或“丙”)同学的猜想。
要想探究丙同学的猜想应该选用______(选上面表格中导线字母代号)两根导线进行实验。
要想探究电阻可能与导体的长度有关,则表格空白处应填______mm2;(2)小华设计了如图甲所示电路。
为判断a、b两点间导线电阻的大小,小华应注意观察______的变化,具体指明该方案存在的不足是:______,容易烧坏电流表和电源;(3)小刚设计了如图乙所示电路,该电路中灯泡的作用有哪些?①______,②______;(4)小刚想用图乙的电路进一步验证“在电压相同时,流过导体的电流跟电阻成反比”,于是选用了几个阻值不同的定值电阻分别先后接入a、b两点间。
你认为小刚的方案是否可行?请加以解释?______。
【答案】甲 A、B 0.1 电流表示数的变化若ab间导线电阻太小由灯泡亮度可直观比较阻值大小限流,防止烧毁电流表和电源不可行,ab间的电阻改变时,其两端的电压会改变,不能保证电压相同【解析】【分析】【详解】(1)[1]由表中所给条件知,导线A和C的长度、横截面积相同,导体的材料不同,故可以探究甲同学的猜想。
[2]要探究横截面积与导体电阻大小的关系,就要控制导体的材料、长度相同,横截面积不同,在表格中给的导线中,只有A、B符合条件。
[3]要探究长度与导体电阻大小的关系,就要控制导体的材料、横截面积相同,导体的长度不同,在表格中给的导线中,只有C、D符合条件,故表格空白处应填0.1mm2。
人教版物理九年级上册电压电阻单元综合测试(Word版含答案)一、初三物理电压电阻易错压轴题(难)1.在“探究串联电路电压特点”的实验中:(1)某次测量时,电压表的示数如图所示,则此时灯L1两端的电压为_____V;(2)某同学在测量了灯L1两端的电压后,断开开关,然后将AE导线的A端松开,接到D接线柱上,测量灯L2两端的电压,这一做法存在的问题是_____;(3)闭合开关S后,发现灯L1发光,L2不发光。
同学们有以下几种猜想:①灯L2灯丝断了;②灯L2的灯座短路;③灯L2也工作,但L2中电流比L1中电流小。
以上猜想中正确有_____(填序号)。
【答案】2.2 电压表的正负接线柱接反②【解析】【分析】【详解】(1)[1]由实物图可知,两灯串联,电压表测L1的电压;电源为两节干电池,则电源电压==U⨯2 1.5V3V根据串联分压的特点可知,灯L1两端的电压不可能大于3V,故图中电压表选择的是0~3V 量程,对应的分度值是0.1V,指针指在2V右面第2个小格上,读数为⨯=2V+0.1V2 2.2V(2)[2]如果将AE导线的A端松开,接到D接线柱上测量灯L2两端的电压,这样电流从电压表的“﹣”接线柱流入,从“+”接线柱流出了,开关闭合后,电压表的指针将反偏,即电压表的正负接线柱接反了,因此这种接法是错误的。
(3)[3]闭合开关S后,发现灯L1发光,L2不发光,则:①若灯L2灯丝断了,电路断路,灯泡L1也不发光,故①错误;②若灯L2的灯座短路,灯L1发光,L2不发光,故②正确;③若灯L2也工作时,由串联电路的电流特点可知,L2中电流和L1中电流相等,故③错误。
综上所述,以上猜想中正确只有②。
2.张峰有一个标准的电压表,它有0~3 V和0~15 V两个量程。
用它测量由两节干电池串联组成的电池组的电压时,接线正确,但他读出的读数是10 V,这显然是错误的。
请你说出他出现错误的原因:_________________。
人教版九年级物理上册电压电阻单元测试与练习(word解析版)一、初三物理电压电阻易错压轴题(难)1.软硬程度不同的铅笔其用途不同例如6B软铅笔用来作画,软硬适中的HB铅笔用来写字,6H硬铅笔用来制图。
已经知道铅笔芯的电阻大小与其长度、横截面积有关。
小明有5cm和15cm的6H、HB、6B的铅笔芯若干,用如图所示的方案探究铅笔芯的电阻大小与其硬度是否有关。
(1)实验中小明通过______反映铅笔芯电阻的大小。
(2)应选用______cm的铅笔芯做实验更好一些(3)实验中更换不同硬度的铅笔芯,发现灯泡亮度几乎不变可能是铅笔芯的电阻差别比较小;改进的措施是:在电路中串联一个______。
(4)实验中,______更换不同硬度的铅笔芯时,(选填“需要”或“不需要”)保持电源电压不变。
(5)根据改进后的方案,画出记录数据的装格,表格中要有必要的信息______【答案】灯泡的亮度 15 电流表需要实验次数铅笔芯硬度电流表示数I/A铅笔芯电阻(选填“较小”、“较大”、“很大”)16H2HB36B铅笔芯横截面积相同,长度为15cm【解析】【分析】【详解】(1)[1]当电压一定时,铅笔芯的电阻越大,电路中的电流越小,灯泡越暗,所以可以用灯泡的亮度来反映铅笔芯的电阻大小。
(2)[2]不同硬度的铅笔芯,选用较长的,它们的电阻差别较大,灯泡亮度变化明显,便于观察。
(3)[3]灯泡亮度几乎不变,说明电流变化不明显,串联一个电流表,可以更准确地反映电流的变化情况。
(4)[4]研究不同硬度铅笔芯的电阻与硬度的关系,应该控制其它因素相同,所以需要保持电源电压不变。
(5)[5]实验时,要控制铅笔芯长度和横截面积相同,进行多次实验,由于没有电压表,所以不能测出铅笔芯的电阻值,只能通过电流表示数来比较其电阻大小,所以设计表格如下:2.小明手边有6节同种型号的新锂电池(电池电压相同)和一个电流表,他想知道把这些电池串联起来接入长度为480m、横截面积为64mm2的电阻丝A时通过的电流是多少,他想到:通过电阻丝的电流大小与电池节数、电阻丝的长度、横截面积、材料都有关系。
人教版物理九年级上册电压电阻单元检测(提高,Word版含解析)一、初三物理电压电阻易错压轴题(难)1.“探究串联电路的电压关系”的实验电路如图甲所示.(1)为了使探究得出的结论具有普遍意义,L1、L2应该选择_____(相同/不同)的小灯泡.(2)小明根据图甲连接好电路,闭合开关,电压表示数如图乙所示,为了使实验结果更准确,接下来他应该_____.(3)测出L1两端的电压后,小明断开开关,准备拆下电压表,改接在B、C之间.小聪认为小明的操作太麻烦,只需将与A点相连的导线改接到C点即可.小聪的办法是否正确?答:_____(正确/不正确).(4)测量完成后,进行小组交流讨论.下表选录了四个小组的数据,你认为这些数据是否合理?答:_____(合理/不合理).请说明理由:_____.实验小组L1两端电压/V L2两端电压/V串联总电压/V1 1.6 2.9 4.52 2.1 2.4 4.43 2.5 2.0 4.44 1.8 2.7 4.5【答案】不同断开开关,更换电压表的量程不正确合理因为在测量过程中,会有一些误差,总体上串联总电压约等于L1两端电压和L2两端电压之和【解析】【详解】(1)[1]为了使探究得出的结论具有普遍意义,L1、L2应该选择不同的灯泡,避免两灯泡的电压相同,得出串联电路中各用电器电压相同的结论;(2)[2]从图乙可以看到,电压表的量程是0到15V,读数是2V,为了使实验结果更准确,接下来他应该断开开关,更换电压表的量程,改为0到3V;(3)[3]小聪的办法不正确,因为电压表与B点接触那端是正接线柱,当将与A点相连的导线改接到C点时,电流将会从电压表的负接线柱流入,所以小聪的办法不正确;(4)[4][5]这些数据是合理的,因为在测量过程中,会有一些误差,总体上串联总电压约等于L1两端电压和L2两端电压之和。
2.在“探究影响导体电阻大小的因素”实验中,小军设计了如图所示电路.a、b间接导体.(1)在连接电路时发现,还缺少一个元件,他应该在电路中再接入的元件是________.连接电路时应将其处在________状态.(2)为了粗略判断a、b两点间导体电阻的大小,可观察________.这种方法叫________.(3)实验时小军发现手边有一根较长的金属丝,他可以探究导体是否与________和________有关.(4)另有甲、乙两位同学分别对小军的电路做了如下的改进:甲把灯泡更换为电流表;乙在原电路中串联接入电流表,你认为________同学的改进更好一些,理由是________.【答案】开关断开灯泡的亮度转换法长度横截面积乙灯泡可以保护电路【解析】【分析】【详解】(1)缺少电路的基本组成元件开关;在连接电路时开关应处于断开状态,这是为了防止电路中有短路的地方而导致损坏用电器;(2)因为通过灯泡的电流越大,灯泡越亮,因此a、b间的电阻越大,电路中的电流越小,灯泡的越暗;反之,灯泡越亮;故根据灯泡的亮度反映a、b间电阻的大小;物理学中的这种研究问题的方法叫做转换法;(3)导体的电阻是本身的属性,它跟导体的长度、横截面积和材料有关:当探究导体电阻与长度的关系时,可控制横截面积和材料不变,改变导体的长度,能够完成;当探究导体电阻与横截面积的关系时,可控制长度和材料不变,改变导体的横截面积,能够完成;当探究导体电阻与材料的关系时,可控制长度和横截面积不变,因为只有一个金属丝,所以无法改变材料,不能够完成;所以他可以探究导体是否与导体的长度和导体的横截面积有关.(4)将灯泡换为电流表,a、b间的电阻决定电路中的电流,因此,当a、b间电阻过小时,电流会过大,电路可能会被烧坏;在原电路中串联一个电流表,因为有灯泡的存在,可以起到保护电路的作用.因此乙同学的方案更好.3.在某次综合实践活动中,晓益利用蓄电池(电压为 24V)、电压表(量程为 0~15V)、校准电阻 R0、滑动变阻器R(最大阻值为100Ω)等器材,设计了一种测定油箱内油量的方案(图甲),选配合适的校准电阻值,能够使油箱装满汽油,滑动变阻器的触片在某一端时,油量表示数为最大值(即电压表示数达到最大值)油箱中的汽油用完,滑动变阻器的触片在另一端时,油量表示数为零(即电压表示数为零)(1)校准电阻除了可以校准表盘,还有什么作用? _________(2)校准电阻的阻值为多少? _________(3)另一个小组的大中同学设计了如图乙所示的电路,请你从能耗的角度分析这种方案的优点.___【答案】见解析见解析见解析【解析】【详解】(1)由题知,电源电压U=24V,电路中若没有校准电阻R0,则R两端电压等于电源电压24V,超过了电压表量程0-15V,会被烧坏,所以校准电阻R0串联在电路中,除了可以校准表盘,还起到分压的作用,能避免电压超过电压表量程而损坏;(2)当油箱装满汽油,由图甲知,滑片在下端,此时变阻器连入阻值最大,电压表示数达到最大值15V,所以电路中电流:I=I0=I R=150.15100RU VAR==Ω=0.15A,所以R0的阻值:R0=0002415600.15RU U U V VI I A--===Ω(3)由图乙知,滑动变阻器始终以最大值串联入电路中,电压表示数U V=IR滑,能反映测量的变化情况,且电路中电阻始终处于最大值,由P=2UR可知电路中功率最小,由W=Pt 可知,同样时间内电路消耗的电能最少,所以乙图的电路设计可以节能.4.在探究串联电路的电流规律时,小敏同学连成了如图所示的电路。
人教版九年级上册物理电压电阻单元测试与练习(word解析版)一、初三物理电压电阻易错压轴题(难)1.软硬程度不同的铅笔其用途不同例如6B软铅笔用来作画,软硬适中的HB铅笔用来写字,6H硬铅笔用来制图。
已经知道铅笔芯的电阻大小与其长度、横截面积有关。
小明有5cm和15cm的6H、HB、6B的铅笔芯若干,用如图所示的方案探究铅笔芯的电阻大小与其硬度是否有关。
(1)实验中小明通过______反映铅笔芯电阻的大小。
(2)应选用______cm的铅笔芯做实验更好一些(3)实验中更换不同硬度的铅笔芯,发现灯泡亮度几乎不变可能是铅笔芯的电阻差别比较小;改进的措施是:在电路中串联一个______。
(4)实验中,______更换不同硬度的铅笔芯时,(选填“需要”或“不需要”)保持电源电压不变。
(5)根据改进后的方案,画出记录数据的装格,表格中要有必要的信息______【答案】灯泡的亮度 15 电流表需要实验次数铅笔芯硬度电流表示数I/A铅笔芯电阻(选填“较小”、“较大”、“很大”)16H2HB36B铅笔芯横截面积相同,长度为15cm【解析】【分析】【详解】(1)[1]当电压一定时,铅笔芯的电阻越大,电路中的电流越小,灯泡越暗,所以可以用灯泡的亮度来反映铅笔芯的电阻大小。
(2)[2]不同硬度的铅笔芯,选用较长的,它们的电阻差别较大,灯泡亮度变化明显,便于观察。
(3)[3]灯泡亮度几乎不变,说明电流变化不明显,串联一个电流表,可以更准确地反映电流的变化情况。
(4)[4]研究不同硬度铅笔芯的电阻与硬度的关系,应该控制其它因素相同,所以需要保持电源电压不变。
(5)[5]实验时,要控制铅笔芯长度和横截面积相同,进行多次实验,由于没有电压表,所以不能测出铅笔芯的电阻值,只能通过电流表示数来比较其电阻大小,所以设计表格如下:实验次数铅笔芯硬度电流表示数I/A铅笔芯电阻(选填“较小”、“较大”、“很大”)16H2HB36B铅笔芯横截面积相同,长度为15cm2.张峰有一个标准的电压表,它有0~3 V和0~15 V两个量程。
用它测量由两节干电池串联组成的电池组的电压时,接线正确,但他读出的读数是10 V,这显然是错误的。
请你说出他出现错误的原因:_________________。
实际电压应是_____V。
他接着按照课本要求探究并联电路中电流的关系,他们设计的电路如图所示。
把电流表分别接入到电路中的A、B、C处,测出它们的电流,填入下表:实验次数A处的电流I A B处的电流I B C处的电流I C10.100.120.2220.200.240.4430.400.480.88(1)表格设计存在一个不足之处,是________,通过对上面数据的分析,可以得出是______。
(2)测量三次的目的是_____,在这次实验中他是通过采用_____(填“改变电源电压”或“更换不同规格的小灯泡”)的方法改变电流的大小从而进行三次实验。
(3)结合你用一个电流表做实验时的体会,提出一条对本实验的改进意见: _____。
【答案】看错了电压表量程2电流没有单位并联电路干路中的电流等于各支路电流之和避免偶然性,使结论更具有普遍性改变电源电压使用三个电流表同时接入到电路中的A、B、C处,测出它们的电流【解析】【详解】出错的原因是接的小量程却按大量程读数,电源由两节干电池组成,电源电压最高是3 V,电压表示数不可能超过3 V,电压表大量程分度值是0.5 V,小量程分度值是0.1 V,大量程是小量程的5倍,电压表读数10 V是弄错了量程造成的,把小量程当做大量程了,因此正确读数是2 V;(1)分析表格中的数据可知,此表格设计中电流没有单位;由表中实验数据可知,支路电流之和等于干路电流,可以得出的实验结论是:并联电路干路中的电流等于各支路电流之和;(2)多次测量的目的是获得多组实验数据,避免偶然性,使实验结论具有普遍性与可靠性;据表格中的数据可知,小灯泡的电流是成倍数的增加,所以是通过改变电源电压的方式进行的实验;(3)一个电流表在不同位置测量时,读数误差较大,且要多次拆、接电路,稍显麻烦,为了减小误差、方便测量,可以使用三个电流表同时接入到电路中的A、B、C处,测出它们的电流。
3.徐宁同学设计了如图所示的电路图,进行“探究导体电阻大小与导体长度的关系”的实验,在A、B间接入下表中待研究的电阻丝,电源电压U恒定,忽略温度对灯丝电阻的影响(电阻丝用电阻符号表示):序号材料长度横截面积1锰铜合金丝L S2镍铬合金丝L S3镍铬合金丝L2S4镍铬合金丝2L S(1)徐宁应选择序号为_________的两根电阻丝来进行实验探究.(2)她正确选择后,将电阻丝分别接入A、B间,闭合开关,通过观察电流表示数大小来比较电阻丝电阻的大小,这种研究方法叫__________.实验中,两次电流表指针均有偏转,但第一次的示数大于第二次的示数,说明第一次接入的电阻丝阻值__________(选填“较大”或“较小”);(3)若实验过程中只有一根粗细均匀的锰铜合金丝可供选择,那么她能否利用上述电路研究电阻大小与导体横截面积的关系?____________(选填“能”或“不能”).【答案】2、4 转换法较小能【解析】【详解】(1)[1]为了探究导体电阻大小与导体长度的关系,要保持材料和横截面积相同,观察表中数据可知,序号为2和4的,材料一样,都是镍铬合金丝,横截面积一样,大小都是S,长度不一样,这两跟电阻丝符合要求;(2)[2]闭合开关后,电流表示数越大,电路中的总电阻越小,电阻丝电阻越小,电流表示数越小,电路中的总电阻越大,电阻丝电阻越大,通过观察电流表示数大小来比较电阻丝电阻的大小,这种研究方法叫转换法;[3]第一次的电流表示数大于第二次的电流表示数,根据欧姆定律的变换式可知,第一次的电路总电阻较小,即第一次接入的电阻丝阻值较小;(3)[4]实验过程中只有一根粗细均匀的锰铜合金丝可供选择,要探究电阻大小与导体横截面积的关系,可以把这根锰铜合金丝剪取一半,接入电路做实验,然后再把两根锰铜合金丝缠绕在一起,再接入电路做实验,这样两次实验,电阻丝的材料一样,长度一样,只是横截面积不同;这样是可以探究电阻大小与导体横截面积的关系.4.在“探究影响导体电阻大小的因素”实验中,小军设计了如图所示电路.a、b间接导体.(1)在连接电路时发现,还缺少一个元件,他应该在电路中再接入的元件是________.连接电路时应将其处在________状态.(2)为了粗略判断a、b两点间导体电阻的大小,可观察________.这种方法叫________.(3)实验时小军发现手边有一根较长的金属丝,他可以探究导体是否与________和________有关.(4)另有甲、乙两位同学分别对小军的电路做了如下的改进:甲把灯泡更换为电流表;乙在原电路中串联接入电流表,你认为________同学的改进更好一些,理由是________.【答案】开关断开灯泡的亮度转换法长度横截面积乙灯泡可以保护电路【解析】【分析】【详解】(1)缺少电路的基本组成元件开关;在连接电路时开关应处于断开状态,这是为了防止电路中有短路的地方而导致损坏用电器;(2)因为通过灯泡的电流越大,灯泡越亮,因此a、b间的电阻越大,电路中的电流越小,灯泡的越暗;反之,灯泡越亮;故根据灯泡的亮度反映a、b间电阻的大小;物理学中的这种研究问题的方法叫做转换法;(3)导体的电阻是本身的属性,它跟导体的长度、横截面积和材料有关:当探究导体电阻与长度的关系时,可控制横截面积和材料不变,改变导体的长度,能够完成;当探究导体电阻与横截面积的关系时,可控制长度和材料不变,改变导体的横截面积,能够完成;当探究导体电阻与材料的关系时,可控制长度和横截面积不变,因为只有一个金属丝,所以无法改变材料,不能够完成;所以他可以探究导体是否与导体的长度和导体的横截面积有关.(4)将灯泡换为电流表,a、b间的电阻决定电路中的电流,因此,当a、b间电阻过小时,电流会过大,电路可能会被烧坏;在原电路中串联一个电流表,因为有灯泡的存在,可以起到保护电路的作用.因此乙同学的方案更好.5.一实验小组用如图所示的器材探究“串联电路的电压关系”。
用三节干电池串联供电,他们选择了两只规格不同的小灯泡L1、L2。
(1)请用笔画线代替导线,连接实验电路。
要求:电压表测量两灯串联后的总电压,并在右边方框画出电路图。
(________)(2)为了保证电路的安全,连接器材时,开关应____________。
(3)小明用电压表测量L1两端电压时,直接选用0∼3V的量程,小悦说这样不行,规范的操作方法应该是:_________。
(4)他们实验中得出一组实验数据如下表。
为了得出串联电路电压关系的普遍规律,他们还应________。
L1两端电压(V)L2两端电压(V)电路两端总电压(V)1.52.8 4.3(5)在探究串联电路电压关系实验中,物理实验小组按如图所示电路测得V的示数是3.8V,V1的示数是2.3V,V2的示数应为____V。
(6)在测量L2两端电压时,两灯突然熄灭,电压表示数为0,用电压表检测L1两端电压为电源电压,则出现故障的原因可能是(__________)A.灯L1短路 B.灯L2短路C.灯L1断路 D.灯L2断路【答案】断开先选用0∼15V的量程试触,若读数小于3V,再换用0∼3V的量程换用不同规格的灯泡,多次实验 1.5 C【解析】【分析】(1)两灯泡、开关、电源组成串联电路,电压表并联在两灯泡两端,连线时注意电压表正负接线柱不要接反;(2)为保证安全,连接电路时,开关应断开;(3)因为电源电压大于3V,在测量电压前,应先用0∼15V量程,测一下L1两端电压,若电压小于3V,再用0∼3V量程;(4)分析表中实验数据,得出结论;为了得出普遍规律,应更换不同的实验器材,进行多次测量;(5)串联电路两端电压等于各部分电路电压之和;(6)两灯突然熄灭说明电路发生断路;电压表测L2两端电压时,电压表示数为零,可能是L2短路或L2之外的电路存在断路;电压表测L1电压时,电压表有示数且等于电源电压,说明此时电压表与电源两极相连接,L1之外电路不存在端路;综合分析可知:电路故障是灯泡L1断路;【详解】(1)[1]两灯泡、开关、电源组成串联电路,电压表并联在两灯泡两端,实物图及电路图如图所示:(2)[2]为保证电路安全,连接电路时,开关应断开;(3)[3]电流表和电压表在使用时,如不能估计测量值的大小,应采用试触法选择合适量程,即先选用0∼15V的量程试测,如果示数小于3V,再改用0∼3V量程测量。
(4)[4]测出一组实验数据后,为了得出普遍规律,应换用不同规格的灯泡,多次测量;(5)[5]根据电路图可知,电压表V1测的是灯L1两端电压,电压表V2测的是灯L2两端电压,电压表V测电源两端电压,由于串联电路两端电压等于各部分电路电压之和,因此电压表V2的示数为:3.8V-2.3V=1.5V;(6)[6]在测量L2两端电压时,两灯突然熄灭,电压表示数变为0,用电压表检测L1两端电压,电压表示数为电源电压,出现此故障的原因可能是:灯泡L1断路;故选C。