受拉钢筋最小锚固长度la
- 格式:doc
- 大小:55.00 KB
- 文档页数:4
根据《钢筋混凝土设计规范》规定:受拉钢筋抗震锚固长度LaE,计算公式:LaE=ζaE La。
式中:LaE——受拉钢筋抗震锚固长度;ζaE——为抗震锚固长度修正系数,对一、二级抗震等级取,对三级抗震等级取,对四级抗震等级取。
La——受拉钢筋锚固长度(非抗震)。
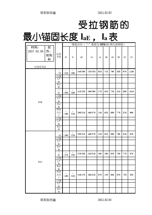
一、受拉钢筋最小锚固长度(la、laE)非抗震受拉钢筋最小锚固长度la注:1. HPB235级钢筋(光面钢筋)的末端应做180度弯钩,弯后平直段长度应≥3d。
2.当钢筋在混凝土施工过程中易受扰动(如滑模施工)时,其锚固长度应将表值乘以修正系数。
3. HRB335、HRB400和RRB400级的环氧树脂涂层钢筋(用于三类环境的钢筋混凝土构件中),其锚固长度应将表值乘以修正系数。
4. 当HRB335、HRB400和RRB400级钢筋,在锚固区的混凝土保护层厚度>3d且配有箍筋时,其锚固长度可将表值乘以修正系数。
5.任何情况下锚固长度应≥250mm。
6.当钢筋末端采用机械锚固时,其锚固长度可将表值乘以修正系数。
7.当计算中充分利用纵向钢筋的抗压强度时,受压钢筋的锚固长度不应小于受拉锚固长度la的倍。
机械锚固措施不得用于受压钢筋的锚固。
二、受拉钢筋最小抗震锚固长度laE1.当钢筋在混凝土施工过程中易受扰动(如滑模施工)时,其锚固长度应将表值乘以修正系数。
2. HRB335、HRB400和RRB400级的环氧树脂涂层钢筋(用于三类环境的钢筋混凝土构件中),其锚固长度应将表值乘以修正系数。
3. 当HRB335、HRB400和RRB400级钢筋,在锚固区的混凝土保护层厚度>3d且配有箍筋时,其锚固长度可将表值乘以修正系数。
4. 当钢筋末端采用机械锚固时,其锚固长度可将表值乘以修正系数。
5. 四级抗震的锚固长度laE按非抗震的锚固长度la采用,即laE=la。
Lab和LaE 的区别:Lab=a*ft/fy,Lab为基本锚固长度,a为钢筋的外型系数,光圆钢筋取,带肋钢筋取,ft、fy分别为混凝土、钢筋抗拉强度设计值。
C15C20C25C30C35C40C45C50C55C60C65C70C75C80f c 7.29.611.914.316.719.121.123.125.327.529.731.833.835.9f t0.911.11.271.431.571.711.81.891.962.042.092.142.18 2.22强度种类混 凝 土 强 度 等 级混凝土轴心抗压、轴心抗拉强度设计值f c 、f t 应按表4.1.4采用。
在钢筋混凝土结构中,轴心受拉和小偏心受拉构件的钢筋抗拉强度设计值大于310N/mm2 时,仍应按 310N/mm2 取用,其他构件的钢筋抗拉强度设计值大于 360N/mm2时,仍应按 360N/mm2 取用;对于直径大于 12mm 的Ⅰ级钢筋,如经冷拉,不得利用冷拉后的强度;② 当钢筋混凝土结构的混凝土强度等级为 C10 时,光面钢筋的强度设计值应按190N/mm2 取用,变形钢筋的强度设计值应按 230N/mm2 取用;③ 成盘供应的 LL550 级冷轧带肋钢筋经机械调直后,抗拉强度设计值应降低20N/mm2,且抗压强度设计值不应大于相应的抗拉强度设计值;④ 构件中配有不同种类的钢筋时,每种钢筋根据其受力情况应采用各自动强度设计值。
受拉钢筋锚固长度受拉钢筋的最小锚固长度:LaE=1.05·La ;(光面钢筋末端应做180°弯钩,弯后平直段长度不小于3d ),且不应小于200mm 。
上式中: La 为非抗震设计时的纵向受拉钢筋的最小锚固长度,La=a ·fy/ft ·d (d-受拉钢筋直径;fy-钢筋抗拉设计强度;ft-混凝土轴心抗拉设计强度 ;a-钢筋外形系数,光面钢筋取0.16,带肋钢筋取0.14) ,当钢筋的直径大于25mm 时,其锚固长度应乘以修正系数1.1。
钢筋抗拉设计强度 fy 或 fpy 及钢筋抗压 fy' 或 fpy'。
根据《钢筋混凝土设计规范》11.1.7规定:受拉钢筋抗震锚固长度LaE,计算公式:LaE=ζaE La。
式中:LaE——受拉钢筋抗震锚固长度;ζaE——为抗震锚固长度修正系数,对一、二级抗震等级取1.15,对三级抗震等级取1.05,对四级抗震等级取1.00。
La——受拉钢筋锚固长度(非抗震)。
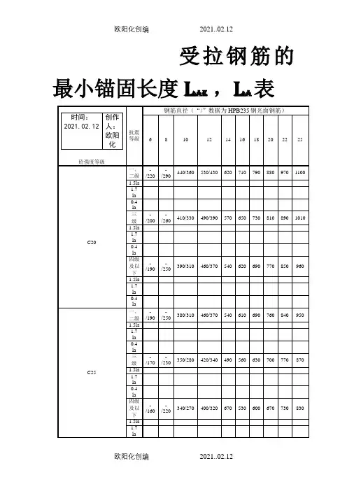
一、受拉钢筋最小锚固长度(la、laE)非抗震受拉钢筋最小锚固长度la注:1. HPB235级钢筋(光面钢筋)的末端应做180度弯钩,弯后平直段长度应≥3d。
2.当钢筋在混凝土施工过程中易受扰动(如滑模施工)时,其锚固长度应将表值乘以修正系数1.1。
3. HRB335、HRB400和RRB400级的环氧树脂涂层钢筋(用于三类环境的钢筋混凝土构件中),其锚固长度应将表值乘以修正系数1.25。
4. 当HRB335、HRB400和RRB400级钢筋,在锚固区的混凝土保护层厚度>3d且配有箍筋时,其锚固长度可将表值乘以修正系数0.8。
5.任何情况下锚固长度应≥250mm。
6.当钢筋末端采用机械锚固时,其锚固长度可将表值乘以修正系数0.7。
7.当计算中充分利用纵向钢筋的抗压强度时,受压钢筋的锚固长度不应小于受拉锚固长度la 的0.7倍。
机械锚固措施不得用于受压钢筋的锚固。
二、受拉钢筋最小抗震锚固长度laE1.当钢筋在混凝土施工过程中易受扰动(如滑模施工)时,其锚固长度应将表值乘以修正系数1.1。
2. HRB335、HRB400和RRB400级的环氧树脂涂层钢筋(用于三类环境的钢筋混凝土构件中),其锚固长度应将表值乘以修正系数1.25。
3. 当HRB335、HRB400和RRB400级钢筋,在锚固区的混凝土保护层厚度>3d且配有箍筋时,其锚固长度可将表值乘以修正系数0.8。
4. 当钢筋末端采用机械锚固时,其锚固长度可将表值乘以修正系数0.7。
5. 四级抗震的锚固长度laE按非抗震的锚固长度la采用,即laE=la。
Lab和LaE 的区别:Lab=a*ft/fy,Lab为基本锚固长度,a为钢筋的外型系数,光圆钢筋取0.16,带肋钢筋取0.14,ft、fy分别为混凝土、钢筋抗拉强度设计值。
la钢筋算法
La是受拉钢筋的锚固长度,根据混凝土规范,当计算中充分利用钢筋的抗拉强度时,受拉钢筋的锚固应按下列公式计算:
La=α×(ƒy/ƒt)×d
其中,α为受拉钢筋锚固长度修正系数,按《混凝土结构设计规范》GB 50010—2010 8.3.1的要求确定;ƒy为钢筋的抗拉强度设计值;ƒt为混凝土轴心抗拉强度设计值;d为钢筋直径。
此外,根据《混凝土结构设计规范》GB 50010—2010 8.3.2,当计算锚固长度受到最小锚固长度要求的限制时,其最小锚固长度应按下列公式计算:
Lab=α׃y/ƒt×d
LabE=α׃y/ƒt×d
其中,Lab为受拉或受压钢筋的基本锚固长度;LabE为受拉或受压钢筋的锚固长度修正系数,按规范规定确定;ƒy为钢筋的抗拉强度设计值或抗压强度设计值;ƒt为混凝土轴心抗拉强度设计值或混凝土轴心抗压强度设计值;d为钢筋直径。
在实际工程中,La和Lab等参数的具体数值可能会因工程类型、设计要求、混凝土强度等级、钢筋种类和直径等因素而有所不同。
因此,在进行具体的设计和计算时,建议咨询专业工程师或查阅相关规范和设计手册以获取准确的数据。
以上信息仅供参考,具体数值应根据实际工程情况,咨询专业人士确定。
受拉钢筋最小锚固长度(la、laE)【资料来源】《简明高层钢筋混凝土结构设计手册》(第二版)非抗震受拉钢筋最小锚固长度la注:1. HPB235级钢筋(光面钢筋)的末端应做1800弯钩,弯后平直段长度应≥3d。
2.当钢筋在混凝土施工过程中易受扰动(如滑模施工)时,其锚固长度应将表值乘以修正系数1.1。
3. HRB335、HRB400和RRB400级的环氧树脂涂层钢筋(用于三类环境的钢筋混凝土构件中),其锚固长度应将表值乘以修正系数1.25。
4. 当HRB335、HRB400和RRB400级钢筋,在锚固区的混凝土保护层厚度>3d且配有箍筋时,其锚固长度可将表值乘以修正系数0.8。
5.任何情况下锚固长度应≥250mm。
6.当钢筋末端采用机械锚固时,其锚固长度可将表值乘以修正系数0.7。
7.当计算中充分利用纵向钢筋的抗压强度时,受压钢筋的锚固长度不应小于受拉锚固长度l的0.7倍。
机械锚固措施不得用于受压钢筋的锚固。
a受拉钢筋最小抗震锚固长度laE注:1.当钢筋在混凝土施工过程中易受扰动(如滑模施工)时,其锚固长度应将表值乘以修正系数1.1。
2. HRB335、HRB400和RRB400级的环氧树脂涂层钢筋(用于三类环境的钢筋混凝土构件中),其锚固长度应将表值乘以修正系数1.25。
3. 当HRB335、HRB400和RRB400级钢筋,在锚固区的混凝土保护层厚度>3d且配有箍筋时,其锚固长度可将表值乘以修正系数0.8。
4.当钢筋末端采用机械锚固时,其锚固长度可将表值乘以修正系数0.7。
5.四级抗震的锚固长度laE 按非抗震的锚固长度la采用,即laE=la。
纵向受拉钢筋最小搭接长度(ll 、llE)【资料来源】《简明高层钢筋混凝土结构设计手册》(第二版)非抗震纵向受拉钢筋最小搭接长度ll注:1. HPB235级钢筋(光面钢筋)的末端应做1800弯钩,弯后平直段长度应≥3d。
2.当钢筋在混凝土施工过程中易受扰动(如滑模施工)时,其锚固长度应将表值乘以修正系数1.1。
受拉钢筋最小锚固长度(l a、l aE) 【资料来源】《简明高层钢筋混凝土结构设计手册》(第二版)非抗震受拉钢筋最小锚固长度l a受拉钢筋最小抗震锚固长度l aE注:1.当钢筋在混凝土施工过程中易受扰动(如滑模施工)时,其锚固长度应将表值乘以修正系数1.1。
2. HRB335、HRB400和RRB400级的环氧树脂涂层钢筋(用于三类环境的钢筋混凝土构件中),其锚固长度应将表值乘以修正系数1.25。
3. 当HRB335、HRB400和RRB400级钢筋,在锚固区的混凝土保护层厚度>3d 且配有箍筋时,其锚固长度可将表值乘以修正系数0.8。
4.当钢筋末端采用机械锚固时,其锚固长度可将表值乘以修正系数0.7。
5.四级抗震的锚固长度l aE 按非抗震的锚固长度l a 采用,即l aE =l a 。
纵向受拉钢筋最小搭接长度(l l 、l lE )【资料来源】 《简明高层钢筋混凝土结构设计手册》(第二版)非抗震纵向受拉钢筋最小搭接长度l l注:1. HPB235级钢筋(光面钢筋)的末端应做1800弯钩,弯后平直段长度应≥3d 。
2.当钢筋在混凝土施工过程中易受扰动(如滑模施工)时,其锚固长度应将表值乘以修正系数1.1。
3. HRB335、HRB400和RRB400级的环氧树脂涂层钢筋(用于三类环境的钢筋混凝土构件中),其锚固长度应将表值乘以修正系数1.25。
4. 表中最小搭接长度适用于纵向钢筋搭接接头面积百分率≤25%的情况。
当接头面积百分率为50%时,应将表值搭接长度乘以增大系数1.17;当接头面积百分率为100%时,应将表值搭接长度乘以增大系数1.34;接头面积百分率为中间值时,搭接长度增大系数可用插入法确定。
5.任何情况下,纵向受拉钢筋绑扎搭接接头的搭接长度均应≥300mm 。
6. 受压钢筋,当搭接连接时,其受压搭接长度不应小于纵向受拉搭接长度l l 的0.7倍,且在任何情况下不应小于200mm 。
纵向受拉钢筋最小抗震搭接长度l lE注:1. HPB235级钢筋(光面钢筋)的末端应做1800弯钩,弯后平直段长度应≥3d。
纵向受拉钢筋的最小锚固长度l a和一、二级、三级抗震等级的抗震锚固长度l aE (一)注:1、所有锚固长度均应l a≥250 。
2、Ⅰ级钢筋两端必须加弯钩。
HPB235钢筋为受拉时,其末端应做成180°弯钩。
弯钩平直段长度不应小于3 d 。
当受压时,可不做弯钩。
3、当弯锚时,有些部位的锚固长度为≥0.4l a + 15 d ,见各类构件的标准构造详图。
4、当钢筋在混凝土施工过程中易受扰动(如滑模施工)时,其锚固长度应乘以修正系数 1.1 。
纵向受拉钢筋的最小锚固长度l a和一、二级、三级抗震等级的抗震锚固长度l aE (二)注:1、所有锚固长度均应l a≥250 。
2、Ⅰ级钢筋两端必须加弯钩。
HPB235钢筋为受拉时,其末端应做成180°弯钩。
弯钩平直段长度不应小于3 d 。
当受压时,可不做弯钩。
3、当弯锚时,有些部位的锚固长度为≥0.4l a + 15 d ,见各类构件的标准构造详图。
注:1、所有锚固长度均应l a≥250 。
2、Ⅰ级钢筋两端必须加弯钩。
HPB235钢筋为受拉时,其末端应做成180°弯钩。
弯钩平直段长度不应小于3 d 。
当受压时,可不做弯钩。
3、当弯锚时,有些部位的锚固长度为≥0.4l a + 15 d ,见各类构件的标准构造详图。
4、当钢筋在混凝土施工过程中易受扰动(如滑模施工)时,其锚固长度应乘以修正系数 1.1 。
注:1、所有锚固长度均应l a≥250 。
2、Ⅰ级钢筋两端必须加弯钩。
HPB235钢筋为受拉时,其末端应做成180°弯钩。
弯钩平直段长度不应小于3 d 。
当受压时,可不做弯钩。
3、当弯锚时,有些部位的锚固长度为≥0.4l a + 15 d ,见各类构件的标准构造详图。
4、当钢筋在混凝土施工过程中易受扰动(如滑模施工)时,其锚固长度应乘以修正系数 1.1 。
注:1、所有锚固长度均应l a≥250 。
2、Ⅰ级钢筋两端必须加弯钩。
施工计算中Li
LI表示纵向受拉钢筋搭接长度
Lab表示受拉钢筋基本锚固长度
La表示受拉内钢筋的锚固长度
多了一个E就表示抗震
例如:
LabE表示抗震设计时受拉钢筋基本锚固长度
LaE表示受拉钢筋抗震锚固长度
LIE表示纵向受拉钢筋抗震搭接长度
1、La受拉钢筋的锚固长度:La=a×Lab;
2、LaE纵向受拉钢筋的抗震锚固长度LaE=aE×La=aE×a×Lab=a ×LabE;
3、Lie纵向受拉钢筋的最小搭接长度表示单位,读(李)。
通常搭接长度按抗震等级分为一、二级抗震lie=1.2la+5d;三、四级抗震lie=1.2la;
Lab受拉钢筋基本锚固长度;
LabE受拉钢筋抗震基本锚固长度,在11G329-1。
钢筋锚固及搭接长度规范要求文件编码(008-TTIG-UTITD-GKBTT-PUUTI-WYTUI-8256)受拉钢筋抗震锚固长度LaE,计算公式:LaE=ζaE La。
式中:LaE——受拉钢筋抗震锚固长度;ζaE——为抗震锚固长度修正系数,对一、二级抗震等级取,对三级抗震等级取,对四级抗震等级取。
La——受拉钢筋锚固长度(非抗震)。
一、受拉钢筋最小锚固长度(la、laE)非抗震受拉钢筋最小锚固长度la注:1. HPB235级钢筋(光面钢筋)的末端应做180度弯钩,弯后平直段长度应≥3d。
2.当钢筋在混凝土施工过程中易受扰动(如滑模施工)时,其锚固长度应将表值乘以修正系数。
3. HRB335、HRB400和RRB400级的环氧树脂涂层钢筋(用于三类环境的钢筋混凝土构件中),其锚固长度应将表值乘以修正系数。
4. 当HRB335、HRB400和RRB400级钢筋,在锚固区的混凝土保护层厚度>3d且配有箍筋时,其锚固长度可将表值乘以修正系数。
5.任何情况下锚固长度应≥250mm。
6.当钢筋末端采用机械锚固时,其锚固长度可将表值乘以修正系数。
7.当计算中充分利用纵向钢筋的抗压强度时,受压钢筋的锚固长度不应小于受拉锚固长度la的倍。
机械锚固措施不得用于受压钢筋的锚固。
二、受拉钢筋最小抗震锚固长度laE1.当钢筋在混凝土施工过程中易受扰动(如滑模施工)时,其锚固长度应将表值乘以修正系数。
2. HRB335、HRB400和RRB400级的环氧树脂涂层钢筋(用于三类环境的钢筋混凝土构件中),其锚固长度应将表值乘以修正系数。
3. 当HRB335、HRB400和RRB400级钢筋,在锚固区的混凝土保护层厚度>3d且配有箍筋时,其锚固长度可将表值乘以修正系数。
4. 当钢筋末端采用机械锚固时,其锚固长度可将表值乘以修正系数。
5. 四级抗震的锚固长度laE按非抗震的锚固长度la采用,即laE=la。
Lab和LaE 的区别:Lab=a*ft/fy,Lab为基本锚固长度,a为钢筋的外型系数,光圆钢筋取,带肋钢筋取,ft、fy分别为混凝土、钢筋抗拉强度设计值。
受拉钢筋最小锚固长度(l a、l aE)
【资料来源】《简明高层钢筋混凝土结构设计手册》(第二版)
非抗震受拉钢筋最小锚固长度l a
注:1. HPB235级钢筋(光面钢筋)的末端应做1800弯钩,弯后平直段长度应≥3d。
2.当钢筋在混凝土施工过程中易受扰动(如滑模施工)时,其锚固长度应将表值乘
以修正系数1.1。
3. HRB335、HRB400和RRB400级的环氧树脂涂层钢筋(用于三类环境的钢筋混凝土
构件中),其锚固长度应将表值乘以修正系数1.25。
4. 当HRB335、HRB400和RRB400级钢筋,在锚固区的混凝土保护层厚度>3d且配
有箍筋时,其锚固长度可将表值乘以修正系数0.8。
5.任何情况下锚固长度应≥250mm。
6.当钢筋末端采用机械锚固时,其锚固长度可将表值乘以修正系数0.7。
7.当计算中充分利用纵向钢筋的抗压强度时,受压钢筋的锚固长度不应小于受拉锚
的0.7倍。
机械锚固措施不得用于受压钢筋的锚固。
固长度l
a
受拉钢筋最小抗震锚固长度l aE
注:1.当钢筋在混凝土施工过程中易受扰动(如滑模施工)时,其锚固长度应将表值乘以修正系数1.1。
2. HRB335、HRB400和RRB400级的环氧树脂涂层钢筋(用于三类环境的钢筋混凝土
构件中),其锚固长度应将表值乘以修正系数1.25。
3. 当HRB335、HRB400和RRB400级钢筋,在锚固区的混凝土保护层厚度>3d且配
有箍筋时,其锚固长度可将表值乘以修正系数0.8。
4.当钢筋末端采用机械锚固时,其锚固长度可将表值乘以修正系数0.7。
5.四级抗震的锚固长度l
aE 按非抗震的锚固长度l
a
采用,即l
aE
=l
a。
纵向受拉钢筋最小搭接长度(l l、l lE)
【资料来源】《简明高层钢筋混凝土结构设计手册》(第二版)
非抗震纵向受拉钢筋最小搭接长度l l
注:1. HPB235级钢筋(光面钢筋)的末端应做1800弯钩,弯后平直段长度应≥3d。
2.当钢筋在混凝土施工过程中易受扰动(如滑模施工)时,其锚固长度应将表值乘
以修正系数1.1。
3. HRB335、HRB400和RRB400级的环氧树脂涂层钢筋(用于三类环境的钢筋混凝土
构件中),其锚固长度应将表值乘以修正系数1.25。
4. 表中最小搭接长度适用于纵向钢筋搭接接头面积百分率≤25%的情况。
当接头面
积百分率为50%时,应将表值搭接长度乘以增大系数1.17;当接头面积百分率为100%时,应将表值搭接长度乘以增大系数1.34;接头面积百分率为中间值时,搭接长度增大系数可用插入法确定。
5. 任何情况下,纵向受拉钢筋绑扎搭接接头的搭接长度均应≥300mm。
6. 受压钢筋,当搭接连接时,其受压搭接长度不应小于纵向受拉搭接长度l
的0.7
l 倍,且在任何情况下不应小于200mm。
纵向受拉钢筋最小抗震搭接长度l lE
注:1. HPB235级钢筋(光面钢筋)的末端应做1800弯钩,弯后平直段长度应≥3d。
2.当钢筋在混凝土施工过程中易受扰动(如滑模施工)时,其锚固长度应将表值乘
以修正系数1.1。
3. HRB335、HRB400和RRB400级的环氧树脂涂层钢筋(用于三类环境的钢筋混凝土
构件中),其锚固长度应将表值乘以修正系数1.25。
4. 表中最小搭接长度适用于纵向钢筋搭接接头面积百分率≤25%的情况。
当接头面
积百分率为50%时,应将表值搭接长度乘以增大系数1.17;当接头面积百分率为100%时,应将表值搭接长度乘以增大系数1.34;接头面积百分率为中间值时,搭接长度增大系数可用插入法确定。
5.四级抗震的搭接长度l
lE 按非抗震的搭接长度l
l
采用,即l
lE
=l
l。