受拉钢筋最小锚固长度及最小搭接长度word精品
- 格式:docx
- 大小:15.58 KB
- 文档页数:4
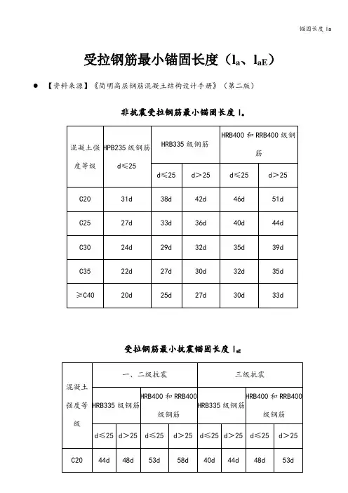
根据《钢筋混凝土设计规范》11.1.7规定:受拉钢筋抗震锚固长度LaE,计算公式:LaE=ζaE La。
式中:LaE——受拉钢筋抗震锚固长度;ζaE——为抗震锚固长度修正系数,对一、二级抗震等级取1.15,对三级抗震等级取1.05,对四级抗震等级取1.00。
La——受拉钢筋锚固长度(非抗震)。
一、受拉钢筋最小锚固长度(la、laE)非抗震受拉钢筋最小锚固长度la注:1. HPB235级钢筋(光面钢筋)的末端应做180度弯钩,弯后平直段长度应≥3d。
2.当钢筋在混凝土施工过程中易受扰动(如滑模施工)时,其锚固长度应将表值乘以修正系数1.1。
3. HRB335、HRB400和RRB400级的环氧树脂涂层钢筋(用于三类环境的钢筋混凝土构件中),其锚固长度应将表值乘以修正系数1.25。
4. 当HRB335、HRB400和RRB400级钢筋,在锚固区的混凝土保护层厚度>3d且配有箍筋时,其锚固长度可将表值乘以修正系数0.8。
5.任何情况下锚固长度应≥250mm。
6.当钢筋末端采用机械锚固时,其锚固长度可将表值乘以修正系数0.7。
7.当计算中充分利用纵向钢筋的抗压强度时,受压钢筋的锚固长度不应小于受拉锚固长度la 的0.7倍。
机械锚固措施不得用于受压钢筋的锚固。
二、受拉钢筋最小抗震锚固长度laE1.当钢筋在混凝土施工过程中易受扰动(如滑模施工)时,其锚固长度应将表值乘以修正系数1.1。
2. HRB335、HRB400和RRB400级的环氧树脂涂层钢筋(用于三类环境的钢筋混凝土构件中),其锚固长度应将表值乘以修正系数1.25。
3. 当HRB335、HRB400和RRB400级钢筋,在锚固区的混凝土保护层厚度>3d且配有箍筋时,其锚固长度可将表值乘以修正系数0.8。
4. 当钢筋末端采用机械锚固时,其锚固长度可将表值乘以修正系数0.7。
5. 四级抗震的锚固长度laE按非抗震的锚固长度la采用,即laE=la。
Lab和LaE 的区别:Lab=a*ft/fy,Lab为基本锚固长度,a为钢筋的外型系数,光圆钢筋取0.16,带肋钢筋取0.14,ft、fy分别为混凝土、钢筋抗拉强度设计值。
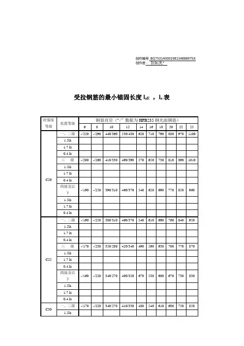
受拉钢筋最小锚固长度(la、laE)【资料来源】《简明高层钢筋混凝土结构设计手册》(第二版)非抗震受拉钢筋最小锚固长度la注:1. HPB235级钢筋(光面钢筋)的末端应做1800弯钩,弯后平直段长度应≥3d。
2.当钢筋在混凝土施工过程中易受扰动(如滑模施工)时,其锚固长度应将表值乘以修正系数1.1。
3. HRB335、HRB400和RRB400级的环氧树脂涂层钢筋(用于三类环境的钢筋混凝土构件中),其锚固长度应将表值乘以修正系数1.25。
4. 当HRB335、HRB400和RRB400级钢筋,在锚固区的混凝土保护层厚度>3d且配有箍筋时,其锚固长度可将表值乘以修正系数0.8。
5.任何情况下锚固长度应≥250mm。
6.当钢筋末端采用机械锚固时,其锚固长度可将表值乘以修正系数0.7。
7.当计算中充分利用纵向钢筋的抗压强度时,受压钢筋的锚固长度不应小于受拉锚固长度l的0.7倍。
机械锚固措施不得用于受压钢筋的锚固。
a受拉钢筋最小抗震锚固长度laE注:1.当钢筋在混凝土施工过程中易受扰动(如滑模施工)时,其锚固长度应将表值乘以修正系数1.1。
2. HRB335、HRB400和RRB400级的环氧树脂涂层钢筋(用于三类环境的钢筋混凝土构件中),其锚固长度应将表值乘以修正系数1.25。
3. 当HRB335、HRB400和RRB400级钢筋,在锚固区的混凝土保护层厚度>3d且配有箍筋时,其锚固长度可将表值乘以修正系数0.8。
4.当钢筋末端采用机械锚固时,其锚固长度可将表值乘以修正系数0.7。
5.四级抗震的锚固长度laE 按非抗震的锚固长度la采用,即laE=la。
纵向受拉钢筋最小搭接长度(ll 、llE)【资料来源】《简明高层钢筋混凝土结构设计手册》(第二版)非抗震纵向受拉钢筋最小搭接长度ll注:1. HPB235级钢筋(光面钢筋)的末端应做1800弯钩,弯后平直段长度应≥3d。
2.当钢筋在混凝土施工过程中易受扰动(如滑模施工)时,其锚固长度应将表值乘以修正系数1.1。
受拉钢筋最小锚固长度(l a、l aE) 【资料来源】《简明高层钢筋混凝土结构设计手册》(第二版)非抗震受拉钢筋最小锚固长度l a受拉钢筋最小抗震锚固长度l aE注:1.当钢筋在混凝土施工过程中易受扰动(如滑模施工)时,其锚固长度应将表值乘以修正系数1.1。
2。
HRB335、HRB400和RRB400级的环氧树脂涂层钢筋(用于三类环境的钢筋混凝土构件中),其锚固长度应将表值乘以修正系数1。
25.3. 当HRB335、HRB400和RRB400级钢筋,在锚固区的混凝土保护层厚度>3d且配有箍筋时,其锚固长度可将表值乘以修正系数0.8.4。
当钢筋末端采用机械锚固时,其锚固长度可将表值乘以修正系数0.7.5.四级抗震的锚固长度laE 按非抗震的锚固长度la采用,即laE=la.纵向受拉钢筋最小搭接长度(l l、l lE) 【资料来源】《简明高层钢筋混凝土结构设计手册》(第二版)非抗震纵向受拉钢筋最小搭接长度l l注:1. HPB235级钢筋(光面钢筋)的末端应做1800弯钩,弯后平直段长度应≥3d。
2.当钢筋在混凝土施工过程中易受扰动(如滑模施工)时,其锚固长度应将表值乘以修正系数1.1。
3。
HRB335、HRB400和RRB400级的环氧树脂涂层钢筋(用于三类环境的钢筋混凝土构件中),其锚固长度应将表值乘以修正系数1。
25。
4. 表中最小搭接长度适用于纵向钢筋搭接接头面积百分率≤25%的情况。
当接头面积百分率为50%时,应将表值搭接长度乘以增大系数1.17;当接头面积百分率为100%时,应将表值搭接长度乘以增大系数1。
34;接头面积百分率为中间值时,搭接长度增大系数可用插入法确定.5。
任何情况下,纵向受拉钢筋绑扎搭接接头的搭接长度均应≥300mm。
6。
受压钢筋,当搭接连接时,其受压搭接长度不应小于纵向受拉搭接长度l的0。
7l倍,且在任何情况下不应小于200mm。
纵向受拉钢筋最小抗震搭接长度l lE注:1. HPB235级钢筋(光面钢筋)的末端应做1800弯钩,弯后平直段长度应≥3d。
人防工程纵向受拉钢筋最小锚固长度laF和绑扎接头的搭接长度lFL一、人防设计规范GB50038-2005钢筋锚固长度afl, 搭接长度lfl规定:二、混凝土结构设计规范 GB 50010-2002钢筋锚固长度Lae规定第11.1.7条有抗震设防要求的混凝土结构构件,其纵向受力钢筋的锚固和连接接头除应符合本规范第9.3节和第9.4节的有关规定外,尚应符合下列要求: 1、纵向受拉钢筋的抗震锚固长度Lae应按下列公式计算:一、二级抗震等级:Lae =1.15 La ,三级抗震等级:Lae=1.05 La 四级抗震等级:Lae = La 式中 La--纵向受拉钢筋的锚固长度,按本规范第9.3.1条确定。
2、当采用搭接接头时,纵向受拉钢筋的抗震搭接长度L le应按下列公式计算: L le =ζLae ,式中ζ--纵向受拉钢筋搭接长度修正系数,按本规范第9.4.3条确定。
纵向受拉钢筋搭接长度修正系数表9.4.3纵向钢筋搭接接头面积百分率(%)≤25 50 100 ζ1.21.41.63、钢筋混凝土结构构件的纵向受力钢筋的连接可分为两类:绑扎搭接;机械连接或焊接。
宜接不同情况选用合适的连接方式;4、纵向受力钢筋连接接头的位置宜避开梁端、柱端箍筋加密区;当无法避开时,应采用满足等强度要求的高质量机械连接接头,且钢筋接头面积百分率不应超过50%;2三、综合以上规范,人防系数和抗震系数不同时考虑,人防工程纵向受拉钢筋最小锚固长度laF,和绑扎接头的搭接长度L lFE 如下1.不抗震、三级、四级抗震人防工程纵向受拉钢筋最小锚固长度laF是普通钢筋砼结构纵向受拉钢筋最小锚固长度的1.05倍,laF=1.05 la 如下表不抗震、三级、四级抗震人防工程纵向受拉钢筋最小锚固长度LaF 表1钢筋种类混凝土强度等级C20 C25 C30 C35 ≥C40 d≤25 d>25 d≤25 d>25 d≤25 d>25 d≤25 d>25d≤25 d>25 HPB255 33d 33d 28d 28d 25d 25d 23d 23d 21d 21d HRB335 41d 45d 35d 39d 31d 34d 29d 31d 26d 29d HRB40049d53d42d46d37d41d34d38d31d34d2.不抗震、三级、四级抗震人防工程绑扎接头的搭接长度L lf,当搭接接头面积不大于25%时, L lf=1.2 LaF;当搭接接头面积不大于50%时,L lf=1.4 LaF;LaF按表1数值。
纵向的受拉钢筋最小搭接长度钢筋类型混凝土强度等级C15 C20~C25 C20 C35 ≥C40光园钢筋 HPB(I)级 45d 35d 30d 25d带肋钢筋 HRB(II)级 55 45 35 30HRB400(III)级、RRB400(III)级 --- 55d 40d 35d注1:本表适用于纵向受拉钢筋的綁扎接头面积百分率不大于25%的情况;当綁扎接头面积百分率介于25%~50%之间时,表中数值乘以系数 1.2取用;当綁扎接头面积百分率大于50%时,表中数值乘以系数 1.35取用;当最小搭接长度两根直径不同的钢筋搭接长度,以较细钢筋的直径计算;注2:当带肋钢筋直径Φ>25 mm时,其最小搭接应按相应数值乘以系数 1.1取用;对环氧树脂涂层的带肋钢筋,其最小搭接应按相应数值乘以系数 1.25取用;在混凝土凝固过程中易受扰动时(如采用滑升模板和爬升模板等方式施工),其最小搭接应按相应数值乘以系数 1.1取用;对末端采用机械锚固措施的带肋钢筋,其最小搭接可按相应数值乘以系数0.7取用;当带肋钢筋混凝土保护层厚度大于搭接钢筋直径的三倍且配有箍筋时,其最小搭接可按相应数值乘以系数0.8取用;注3:对有抗震设防要求的结构构件,其受力钢筋最小搭接长度对一、二级抗震等级应按相应数值乘以系数 1.15取用,对三级抗震等级应按相应数值乘以系数1.05取用,对四级抗震等级的结构构件不作调整;在任何情况下受拉钢筋的最小搭接长度不应小于300mm。
注4:纵向受压钢筋搭接时,其最小搭接应按上述规定确定后,乘以系数0.7取用。
在任何情况下,受压钢筋的最小搭接长度不应小于200mm。
;注5:搭接区域的箍筋应加密(未原来间距的1/2)锚固长度,也根据混凝土等级,及钢筋型号不同而不一样一般以图纸标注为准,如果无,一般取32d就可以了5.1.1钢筋接头分绑扎搭接、焊接或机械连接。
受力钢筋的连接方式应符合设计要求,钢筋接头宜设置在受力较小区域,同一纵向受力钢筋不宜设置两个或两个以上接头,接头末端距钢筋弯起点的距离不应小于钢筋直径的10倍。
受拉钢筋最小锚固长度及最小搭接长度受拉钢筋最小锚固长度(l a、l aE )非抗震受拉钢筋最小锚固长度l a注:1. HPB235级钢筋(光面钢筋)的末端应做1800弯钩,弯后平直段长度应》3d。
2. 当钢筋在混凝土施工过程中易受扰动(如滑模施工)时,其锚固长度应将表值乘以修正系数1.1。
3. HRB335、HRB400和RRB40C级的环氧树脂涂层钢筋(用于三类环境的钢筋混凝土构件中),其锚固长度应将表值乘以修正系数 1.25。
4. 当HRB335 HRB40C和RRB40C级钢筋,在锚固区的混凝土保护层厚度〉3d且配有箍筋时,其锚固长度可将表值乘以修正系数0.8。
5. 任何情况下锚固长度应》250mm6. 当钢筋末端采用机械锚固时,其锚固长度可将表值乘以修正系数0.7 o7. 当计算中充分利用纵向钢筋的抗压强度时,受压钢筋的锚固长度不应小于受拉锚固长度l a的0.7倍。
机械锚固措施不得用于受压钢筋的锚固。
受拉钢筋最小抗震锚固长度I aE注:1.当钢筋在混凝土施工过程中易受扰动(如滑模施工)时,其锚固长度应将表值乘以修正系数1.1 o2. HRB335、HRB400和RRB40C级的环氧树脂涂层钢筋(用于三类环境的钢筋混凝土构件中),其锚固长度应将表值乘以修正系数 1.25 o3. 当HRB335 HRB40C和RRB40C级钢筋,在锚固区的混凝土保护层厚度〉3d且配有箍筋时,其锚固长度可将表值乘以修正系数0.8。
4. 当钢筋末端采用机械锚固时,其锚固长度可将表值乘以修正系数0.7。
5.四级抗震的锚固长度l aE按非抗震的锚固长度l a采用,即l aE=l a纵向受拉钢筋最小搭接长度(h、I IE)非抗震纵向受拉钢筋最小搭接长度l l注:1. HPB235级钢筋(光面钢筋)的末端应做1800弯钩,弯后平直段长度应》3d。
2. 当钢筋在混凝土施工过程中易受扰动(如滑模施工)时,其锚固长度应将表值乘以修正系数1.1。
钢筋搭接长度要求一览表
钢筋搭接是两根钢筋相互有一定的重叠长度,用扎丝绑扎的连接方法,适用于较小直径的钢筋连接。
一般用于混凝土内的加强筋网,经纬均匀排列,不用焊接,只须铁丝固定。
下面这个纵向受拉钢筋绑扎搭接长度表,一定要收藏好哦。
1、钢筋搭接接头面积百分率全部按大于25%,但不大于50%考虑。
2、表中按GB50204-2002规定,搭接长度的计算公式为lle=××纵向受拉钢筋最小搭接长度。
其中为钢筋搭接接头面积百分率修正系数,为抗震系数;纵向受拉钢筋最小搭接长度可查阅GB50204-2002 附录B 表。
3、表中按03G101-1规定,搭接长度的计算公式为:lle=×lae。
其中为纵向受拉钢筋搭接接头面积百分率修正系数,lae为纵向受拉钢筋抗震锚固长度,可查阅03G101-1。
4、普通工程的搭接长度按照设计指定的做法,可以依据图集,也可以依据规范。
5、两根直径不同的钢筋搭接长度,以较细钢筋的直径计算。
6、表中搭接长度(cm)的取值计算后,按“四舍五入”原则保留一位小数。
钢筋锚固及搭接长度规范要求
1.钢筋锚固长度规范要求:
钢筋锚固是为了保证钢筋在混凝土中的完全传力,防止发生滑移或者断裂现象。
一般来说,钢筋的锚固长度应根据以下几个方面来决定:-经验法则:通常根据经验法则,钢筋的锚固长度可以按照直径的几倍来确定,不同的规范要求也可能有所不同。
-拉力要求:钢筋锚固长度的计算也需要考虑拉压力的要求,一般来说,拉力越大则锚固长度也需要相应增加。
-端部限制:一些情况下,由于空间限制或者施工工艺等原因,可能会对钢筋的锚固长度有一定的限制。
具体的规范要求可能因地区和不同的工程而有所不同,一般可以参考国家或地区的相关规范与标准。
2.钢筋搭接长度规范要求:
钢筋的搭接长度是为了保证钢筋之间的传力完全,并且能够满足工程的强度要求。
-最小搭接长度:一般情况下,最小搭接长度是由规范要求确定的,往往与钢筋直径有关。
最小搭接长度是保证钢筋传力和连接强度的最低要求。
-普通钢筋与高强钢筋的搭接长度:普通钢筋和高强钢筋的搭接长度可能会有所不同,一般来说,高强钢筋的搭接长度要比普通钢筋更长。
-断裂屈服法则:有些规范还需要考虑钢筋的屈服特性,根据钢筋的屈服特性来确定搭接长度。
-端部限制:钢筋搭接长度的计算也需要考虑到钢筋端部的约束或限制。
无论是钢筋锚固长度还是搭接长度,都需要进行正确的计算和设计,以满足工程的强度要求和设计规定。
此外,在实际施工中还需要注意保持适当的施工质量和操作规范,以确保钢筋连接的可靠性和安全性。
人防工程纵向受拉钢筋最小锚固长度laF和绑扎接头的搭接长度L lF一、人防设计规范GB50038-2005钢筋锚固长度l af,搭接长度l lf规定:二、混凝土结构设计规范 GB 50010-2002钢筋锚固长度L ae规定第11.1.7条有抗震设防要求的混凝土结构构件,其纵向受力钢筋的锚固和连接接头除应符合本规范第9.3节和第9.4节的有关规定外,尚应符合下列要求:1、纵向受拉钢筋的抗震锚固长度Lae应按下列公式计算:一、二级抗震等级:Lae =1.15 La,三级抗震等级:Lae=1.05 La四级抗震等级:Lae = La式中 La--纵向受拉钢筋的锚固长度,按本规范第9.3.1条确定。
2、当采用搭接接头时,纵向受拉钢筋的抗震搭接长度L le应按下列公式计算: L le=ζLae ,式中ζ--纵向受拉钢筋搭接长度修正系数,按本规范第9.4.3条确定。
纵向受拉钢筋搭接长度修正系数表9.4.3纵向钢筋搭接接头面积百分率(%) ≤2550 100ζ 1.2 1.4 1.63、钢筋混凝土结构构件的纵向受力钢筋的连接可分为两类:绑扎搭接;机械连接或焊接。
宜接不同情况选用合适的连接方式;4、纵向受力钢筋连接接头的位置宜避开梁端、柱端箍筋加密区;当无法避开时,应采用满足等强度要求的高质量机械连接接头,且钢筋接头面积百分率不应超过50%;三、综合以上规范,人防系数和抗震系数不同时考虑,人防工程纵向受拉钢筋最小锚固长度laF,和绑扎接头的搭接长度L lFE 如下1.不抗震、三级、四级抗震人防工程纵向受拉钢筋最小锚固长度laF是普通钢筋砼结构纵向受拉钢筋最小锚固长度的1.05倍,laF=1.05 la 如下表不抗震、三级、四级抗震人防工程纵向受拉钢筋最小锚固长度LaF表1钢筋种类混凝土强度等级C20 C25 C30 C35 ≥C40d≤25 d>25 d≤25 d>25 d≤25 d>25 d≤25 d>25 d≤25 d>25HPB255 33d 33d 28d 28d 25d 25d 23d 23d 21d 21d HRB335 41d 45d 35d 39d 31d 34d 29d 31d 26d 29d大于25%时, L lf=1.2 LaF;当搭接接头面积不大于50%时,L lf=1.4 LaF;LaF按表1数值。
钢筋锚固及搭接长度规范要求文件编码(008-TTIG-UTITD-GKBTT-PUUTI-WYTUI-8256)受拉钢筋抗震锚固长度LaE,计算公式:LaE=ζaE La。
式中:LaE——受拉钢筋抗震锚固长度;ζaE——为抗震锚固长度修正系数,对一、二级抗震等级取,对三级抗震等级取,对四级抗震等级取。
La——受拉钢筋锚固长度(非抗震)。
一、受拉钢筋最小锚固长度(la、laE)非抗震受拉钢筋最小锚固长度la注:1. HPB235级钢筋(光面钢筋)的末端应做180度弯钩,弯后平直段长度应≥3d。
2.当钢筋在混凝土施工过程中易受扰动(如滑模施工)时,其锚固长度应将表值乘以修正系数。
3. HRB335、HRB400和RRB400级的环氧树脂涂层钢筋(用于三类环境的钢筋混凝土构件中),其锚固长度应将表值乘以修正系数。
4. 当HRB335、HRB400和RRB400级钢筋,在锚固区的混凝土保护层厚度>3d且配有箍筋时,其锚固长度可将表值乘以修正系数。
5.任何情况下锚固长度应≥250mm。
6.当钢筋末端采用机械锚固时,其锚固长度可将表值乘以修正系数。
7.当计算中充分利用纵向钢筋的抗压强度时,受压钢筋的锚固长度不应小于受拉锚固长度la的倍。
机械锚固措施不得用于受压钢筋的锚固。
二、受拉钢筋最小抗震锚固长度laE1.当钢筋在混凝土施工过程中易受扰动(如滑模施工)时,其锚固长度应将表值乘以修正系数。
2. HRB335、HRB400和RRB400级的环氧树脂涂层钢筋(用于三类环境的钢筋混凝土构件中),其锚固长度应将表值乘以修正系数。
3. 当HRB335、HRB400和RRB400级钢筋,在锚固区的混凝土保护层厚度>3d且配有箍筋时,其锚固长度可将表值乘以修正系数。
4. 当钢筋末端采用机械锚固时,其锚固长度可将表值乘以修正系数。
5. 四级抗震的锚固长度laE按非抗震的锚固长度la采用,即laE=la。
Lab和LaE 的区别:Lab=a*ft/fy,Lab为基本锚固长度,a为钢筋的外型系数,光圆钢筋取,带肋钢筋取,ft、fy分别为混凝土、钢筋抗拉强度设计值。
钢筋搭接长度要求一览表钢筋搭接是两根钢筋相互有一定的重叠长度,用扎丝绑扎的连接方法,适用于较小直径的钢筋连接。
一般用于混凝土内的加强筋网,经纬均匀排列,不用焊接,只须铁丝固定。
下面这个纵向受拉钢筋绑扎搭接长度表,一定要收藏好哦。
2、表中按GB50204-2002规定,搭接长度的计算公式为lle=1.2x1.15x纵向受拉钢筋最小搭接长度。
其中1.2为钢筋搭接接头面积百分率修正系数,1.15为抗震系数;纵向受拉钢筋最小搭接长度可查阅GB50204-2002附录B表B.0.1。
3、表中按03G101-1规定,搭接长度的计算公式为:lle=1.4xlae。
其中1.4为纵向受拉钢筋搭接接头面积百分率修正系数,lae为纵向受拉钢筋抗震锚固长度,可查阅03G101-1。
4、普通工程的搭接长度按照设计指定的做法,可以依据图集,也可以依据规范。
5、两根直径不同的钢筋搭接长度,以较细钢筋的直径计算。
6、表中搭接长度(cm)的取值计算后,按“四舍五入”原则保留一位小数。
富不贵只能是土豪,你可以一夜暴富,但是贵气却需要三代以上的培养。
孔子说富而不骄,莫若富而好礼。
”如今我们不缺土豪,但是我们缺少贵族。
高贵是大庇天下寒士俱欢颜的豪气与悲悯之怀,高贵是位卑未敢忘忧国的壮志与担当之志高贵是先天下之忧而忧的责任之心。
精神的财富和高贵的内心最能养成性格的高贵,以贵为美,在不知不觉中营造出和气的氛围;以贵为高,在潜移默化中提升我们的素质。
以贵为尊,在创造了大量物质财富的同时,精神也提升一个境界。
一个心灵高贵的人举手投足间都会透露出优雅的品质,一个道德高贵的社会大街小巷都会留露出和谐的温馨,一个气节高贵的民族一定是让人尊崇膜拜的民族。
别让富而不贵成为永久的痛。
分享一段网上流传着改变内心的风水的方法,让我们的内心高贵起来:喜欢付出,福报就越来越多;喜欢感恩,顺利就越来越多;喜欢助人,贵人就越来越多;喜欢知足,快乐就越来越多;喜欢逃避,失败就越来越多;喜欢分享,朋友就越来越多。
受拉钢筋最小锚固长度(l a、l aE)非抗震受拉钢筋最小锚固长度l a注:1. HPB235级钢筋(光面钢筋)的末端应做1800弯钩,弯后平直段长度应≥3d。
2.当钢筋在混凝土施工过程中易受扰动(如滑模施工)时,其锚固长度应将表值乘以修正系数1.1。
3. HRB335、HRB400和RRB400级的环氧树脂涂层钢筋(用于三类环境的钢筋混凝土构件中),其锚固长度应将表值乘以修正系数1.25。
4. 当HRB335、HRB400和RRB400级钢筋,在锚固区的混凝土保护层厚度>3d且配有箍筋时,其锚固长度可将表值乘以修正系数0.8。
5.任何情况下锚固长度应≥250mm。
6.当钢筋末端采用机械锚固时,其锚固长度可将表值乘以修正系数0.7。
7.当计算中充分利用纵向钢筋的抗压强度时,受压钢筋的锚固长度不应小于受拉锚的0.7倍。
机械锚固措施不得用于受压钢筋的锚固。
固长度la受拉钢筋最小抗震锚固长度l aE注:1.当钢筋在混凝土施工过程中易受扰动(如滑模施工)时,其锚固长度应将表值乘以修正系数1.1。
2. HRB335、HRB400和RRB400级的环氧树脂涂层钢筋(用于三类环境的钢筋混凝土构件中),其锚固长度应将表值乘以修正系数1.25。
3. 当HRB335、HRB400和RRB400级钢筋,在锚固区的混凝土保护层厚度>3d且配有箍筋时,其锚固长度可将表值乘以修正系数0.8。
4.当钢筋末端采用机械锚固时,其锚固长度可将表值乘以修正系数0.7。
5.四级抗震的锚固长度laE 按非抗震的锚固长度la采用,即laE=la。
纵向受拉钢筋最小搭接长度(l l、l lE)非抗震纵向受拉钢筋最小搭接长度l l注:1. HPB235级钢筋(光面钢筋)的末端应做1800弯钩,弯后平直段长度应≥3d。
2.当钢筋在混凝土施工过程中易受扰动(如滑模施工)时,其锚固长度应将表值乘以修正系数1.1。
3. HRB335、HRB400和RRB400级的环氧树脂涂层钢筋(用于三类环境的钢筋混凝土构件中),其锚固长度应将表值乘以修正系数1.25。
人防工程纵向受拉钢筋最小锚固长度laF和绑扎接头的搭接长度lFL一、人防设计规范GB50038-2005钢筋锚固长度afl, 搭接长度lfl规定:二、混凝土结构设计规范 GB 50010-2002钢筋锚固长度Lae规定第11.1.7条有抗震设防要求的混凝土结构构件,其纵向受力钢筋的锚固和连接接头除应符合本规范第9.3节和第9.4节的有关规定外,尚应符合下列要求: 1、纵向受拉钢筋的抗震锚固长度Lae应按下列公式计算:一、二级抗震等级:Lae =1.15 La ,三级抗震等级:Lae=1.05 La 四级抗震等级:Lae = La 式中 La--纵向受拉钢筋的锚固长度,按本规范第9.3.1条确定。
2、当采用搭接接头时,纵向受拉钢筋的抗震搭接长度L le应按下列公式计算: L le =ζLae ,式中ζ--纵向受拉钢筋搭接长度修正系数,按本规范第9.4.3条确定。
纵向受拉钢筋搭接长度修正系数表9.4.3纵向钢筋搭接接头面积百分率(%)≤25 50 100 ζ1.21.41.63、钢筋混凝土结构构件的纵向受力钢筋的连接可分为两类:绑扎搭接;机械连接或焊接。
宜接不同情况选用合适的连接方式;4、纵向受力钢筋连接接头的位置宜避开梁端、柱端箍筋加密区;当无法避开时,应采用满足等强度要求的高质量机械连接接头,且钢筋接头面积百分率不应超过50%;2三、综合以上规范,人防系数和抗震系数不同时考虑,人防工程纵向受拉钢筋最小锚固长度laF,和绑扎接头的搭接长度L lFE 如下1.不抗震、三级、四级抗震人防工程纵向受拉钢筋最小锚固长度laF是普通钢筋砼结构纵向受拉钢筋最小锚固长度的1.05倍,laF=1.05 la 如下表不抗震、三级、四级抗震人防工程纵向受拉钢筋最小锚固长度LaF 表1钢筋种类混凝土强度等级C20 C25 C30 C35 ≥C40 d≤25 d>25 d≤25 d>25 d≤25 d>25 d≤25 d>25d≤25 d>25 HPB255 33d 33d 28d 28d 25d 25d 23d 23d 21d 21d HRB335 41d 45d 35d 39d 31d 34d 29d 31d 26d 29d HRB40049d53d42d46d37d41d34d38d31d34d2.不抗震、三级、四级抗震人防工程绑扎接头的搭接长度L lf,当搭接接头面积不大于25%时, L lf=1.2 LaF;当搭接接头面积不大于50%时,L lf=1.4 LaF;LaF按表1数值。
受拉钢筋最小锚固长度(l a、l aE )
非抗震受拉钢筋最小锚固长度l a
注:1. HPB235级钢筋(光面钢筋)的末端应做1800弯钩,弯后平直段长度应》3d。
2. 当钢筋在混凝土施工过程中易受扰动(如滑模施工)时,其锚固长度应将表值乘以
修正系数1.1。
3. HRB335 HRB40C和RRB400级的环氧树脂涂层钢筋(用于三类环境的钢筋混凝土
构件中),其锚固长度应将表值乘以修正系数 1.25。
4. 当HRB335 HRB400K RRB40C级钢筋,在锚固区的混凝土保护层厚度〉3d且配
有箍筋时,其锚固长度可将表值乘以修正系数0.8。
5. 任何情况下锚固长度应》250mm
6. 当钢筋末端采用机械锚固时,其锚固长度可将表值乘以修正系数0.7。
7. 当计算中充分利用纵向钢筋的抗压强度时,受压钢筋的锚固长度不应小于受拉锚
固长度l a的0.7倍。
机械锚固措施不得用于受压钢筋的锚固。
受拉钢筋最小抗震锚固长度l aE
注:1.当钢筋在混凝土施工过程中易受扰动(如滑模施工)时,其锚固长度应将表值乘 以修正系数1.1 0
2. HRB335 HRB40C 和RRB400级的环氧树脂涂层钢筋(用于三类环境的钢筋混凝土
构件中),其锚固长度应将表值乘以修正系数 1.25 o
3. 当HRB335 HRB400K RRB400级钢筋,在锚固区的混凝土保护层厚度〉 3d 且配
有箍筋时,其锚固长度可将表值乘以修正系数 0.8 o
4. 当钢筋末端采用机械锚固时,其锚固长度可将表值乘以修正系数
5. 四级抗震的锚固长度l aE 按非抗震的锚固长度l a 采用,即l aE =l 纵向受拉钢筋最小搭接长度(h 、I 1E )
非抗震纵向受拉钢筋最小搭接长度I I
0.7 o
注:1. HPB235级钢筋(光面钢筋)的末端应做180°弯钩,弯后平直段长度应》3d。
2. 当钢筋在混凝土施工过程中易受扰动(如滑模施工)时,其锚固长度应将表值乘以
修正系数1.1。
3. HRB335 HRB40C和RRB400级的环氧树脂涂层钢筋(用于三类环境的钢筋混凝土
构件中),其锚固长度应将表值乘以修正系数 1.25。
4. 表中最小搭接长度适用于纵向钢筋搭接接头面积百分率w 25%勺情况。
当接头面
积百分率为50%寸,应将表值搭接长度乘以增大系数1.17 ;当接头面积百分率为
100%寸,应将表值搭接长度乘以增大系数1.34 ;接头面积百分率为中间值时,搭接长度增大系数可用插入法确定。
5. 任何情况下,纵向受拉钢筋绑扎搭接接头的搭接长度均应》300mm
6. 受压钢筋,当搭接连接时,其受压搭接长度不应小于纵向受拉搭接长度l i的0.7
倍,且在任何情况下不应小于200mm
纵向受拉钢筋最小抗震搭接长度I lE
注:1. HPB235级钢筋(光面钢筋)的末端应做180°弯钩,弯后平直段长度应》3d。
2. 当钢筋在混凝土施工过程中易受扰动(如滑模施工)时,其锚固长度应将表值乘以修正系数1.1。
3. HRB335 HRB40C和RRB400级的环氧树脂涂层钢筋(用于三类环境的钢筋混凝土
构件中),其锚固长度应将表值乘以修正系数 1.25。
4. 表中最小搭接长度适用于纵向钢筋搭接接头面积百分率w 25%勺情况。
当接头面
积百分率为50%寸,应将表值搭接长度乘以增大系数1.17 ;当接头面积百分率为
100%寸,应将表值搭接长度乘以增大系数1.34 ;接头面积百分率为中间值时,搭接长度增大系数可用插入法确定。
5. 四级抗震的搭接长度I1E按非抗震的搭接长度l l采用,即l lE = l l。