2020年常见岩石的强度性质
- 格式:doc
- 大小:94.00 KB
- 文档页数:5
一般岩石的抗压强度1、岩浆岩类(1)坚硬—软弱块—层状基性喷出岩。
火山熔岩为块状,较坚硬—坚硬,干抗压强度48.0—193.0兆帕,软化系数0.64—0.99,岩体稳定性较好;火山碎屑岩为似层状或层状,软弱—较坚硬,干抗压强度10.9—56.0兆帕,软化系数0.43—0.54,岩体稳定性差。
力学强度的高低与岩石的节理裂隙发育和风化程度有关。
中等风化玄武岩强度为微风化—新鲜的20—50%;火山碎屑岩易受风化,中等风化的锤击易碎。
(2)坚硬—较坚硬层状中—酸性喷出岩。
岩石干抗压强度多大于108兆帕。
流纹岩垂直和水平方向上的力学强度变化较大,在一定条件下可成为岩组中相对软弱的夹层。
使岩体稳定性变差。
(3) 坚硬块状侵入岩。
岩石以中—粗粒或斑状结构为主,块状构造,新鲜者致密坚硬,裂隙不发育,力学强度普遍较高,尤其是新鲜花岗岩,抗压强度一般大于98兆帕。
2.变质岩类(1)软硬相间薄—中厚层状变质砂页岩。
岩层厚薄不等,软硬相间,岩石的完整性和抗风化能力差异很大,力学强度各向异性。
片岩、千枚岩、板岩等软弱岩石,节理裂隙较发育,垂直干抗压强度12.0—113兆帕;石英岩、变质砂岩、硅质岩等硬质岩石,较坚硬—坚硬,垂直干抗压强度43.0—260兆帕,最高达338兆帕。
风化岩石干抗压强仅40—90兆帕。
(2)坚硬块状混合岩类。
岩石呈块状,完整性好,坚硬,干抗压强度59—196兆帕,强风化者为22兆帕。
(3)软弱碎裂状构造岩。
岩石破碎,透水性强,压碎花岗岩垂直饱和抗压强度为73兆帕,部分小于20兆帕。
3.碎屑岩类(1)软弱—较坚硬,中—厚层状红色砂泥岩。
岩石呈不等厚互层状。
力学强度因岩性不同而异。
砂岩,砾岩等岩石较坚硬,干抗压强度多大于50兆帕,风化岩干抗压强度一般小于50兆帕。
泥岩、粘土岩等垂直干抗压强度为11.8—17.0兆帕。
(2)软硬相间薄—中层状砂页岩。
页岩常夹砂岩或与砂岩互层产出。
砂岩干抗压强度为100—169兆帕,比片岩高几倍至十几倍,而砂岩强度又容易受风化影响,风化者为3.8—27兆帕,半风化者60—70.3兆帕。
一般岩石的抗压强度之马矢奏春创作1、岩浆岩类(1)坚硬—软弱块—层状基性喷出岩。
火山熔岩为块状,较坚硬———0.99,岩体稳定性较好;火山碎屑岩为似层状或层状,软弱———0.54,岩体稳定性差。
力学强度的高低与岩石的节理裂隙发育和风化程度有关。
中等风化玄武岩强度为微风化—新鲜的20—50%;火山碎屑岩易受风化,中等风化的锤击易碎。
(2)坚硬—较坚硬层状中—酸性喷出岩。
岩石干抗压强度多大于108兆帕。
流纹岩垂直和水平方向上的力学强度变更较大,在一定条件下可成为岩组中相对软弱的夹层。
使岩体稳定性变差。
(3) 坚硬块状侵入岩。
岩石以中—粗粒或斑状结构为主,块状构造,新鲜者致密坚硬,裂隙不发育,力学强度普遍较高,尤其是新鲜花岗岩,抗压强度一般大于98兆帕。
(1)软硬相间薄——113兆帕;石英岩、蜕变砂岩、硅质岩等硬质岩石,较坚硬——260兆帕,最高达338兆帕。
风化岩石干抗压强仅40—90兆帕。
(2)坚硬块状混合岩类。
岩石呈块状,完整性好,坚硬,干抗压强度59—196兆帕,强风化者为22兆帕。
(3)软弱碎裂状构造岩。
岩石破碎,透水性强,压碎花岗岩垂直饱和抗压强度为73兆帕,部分小于20兆帕。
(1)软弱—较坚硬,中——17.0兆帕。
(2)软硬相间薄—中层状砂页岩。
页岩常夹砂岩或与砂岩互层产出。
砂岩干抗压强度为100——27兆帕,半风化者60—70.3兆帕。
(3)坚硬—较坚硬中厚层状砂砾岩。
岩石致密坚硬,抗水性和抗风化能力强,力学强度高,抗压强度多大于98兆帕。
(4)软硬相间层状碎屑岩夹碳酸盐岩。
碳酸盐岩、石英砂岩、粉砂岩等抗压强度较高,页岩抗压强度低。
但碳酸盐岩因岩溶发育,强度有所降低,尤其在断裂破碎带。
该岩类的工程地质特征主要与岩石的岩溶化程度有关。
(1)坚硬—较坚硬中—厚层状强岩溶化碳酸盐岩。
包含灰岩、白云质灰岩、白云岩,岩溶率8—35%,新鲜岩石抗压强度一般大于98兆帕。
(2)坚硬—较坚硬中—————12.7兆帕。
岩石分类及硬度级别岩石级别坚固程度代表性岩石Ⅰ最坚固最坚固、致密、有韧性的石英岩、玄武岩和其他各种特别坚固的岩石。
(f=20)Ⅱ很坚固很坚固的花岗岩、石英斑岩、硅质片岩,较坚固的石英岩,最坚固的砂岩和石灰岩.(f=15)Ⅲ坚固致密的花岗岩,很坚固的砂岩和石灰岩,石英矿脉,坚固的砾岩,很坚固的铁矿石.(f=10) Ⅲa 坚固坚固的砂岩、石灰岩、大理岩、白云岩、黄铁矿,不坚固的花岗岩。
(f=8) Ⅳ比较坚固一般的砂岩、铁矿石(f=6)Ⅳa 比较坚固砂质页岩,页岩质砂岩。
(f=5)Ⅴ中等坚固坚固的泥质页岩,不坚固的砂岩和石灰岩,软砾石。
(f=4)Ⅴa 中等坚固各种不坚固的页岩,致密的泥灰岩.(f=3)Ⅵ比较软软弱页岩,很软的石灰岩,白垩,盐岩,石膏,无烟煤,破碎的砂岩和石质土壤.(f=2)Ⅵa 比较软碎石质土壤,破碎的页岩,粘结成块的砾石、碎石,坚固的煤,硬化的粘土。
(f=1.5)Ⅶ软软致密粘土,较软的烟煤,坚固的冲击土层,粘土质土壤。
(f=1)Ⅶa 软软砂质粘土、砾石,黄土。
(f=0.8)Ⅷ土状腐殖土,泥煤,软砂质土壤,湿砂。
(f=0.6)Ⅸ松散状砂,山砾堆积,细砾石,松土,开采下来的煤.(f=0.5)Ⅹ流沙状流沙,沼泽土壤,含水黄土及其他含水土壤. (f=0.3) A 表示矿岩的坚固性的量化指标.人们在长期的实践中认识到,有些岩石不容易破坏,有一些则难于破碎。
难于破碎的岩石一般也难于凿岩,难于爆破,则它们的硬度也比较大,概括的说就是比较坚固。
因此,人们就用岩石的坚固性这个概念来表示岩石在破碎时的难易程度。
坚固性的大小用坚固性系数来表示又叫硬度系数,也叫普氏硬度系数f值)。
坚固性系数f=R/100 (R单位kg/cm2)式中R——为岩石标准试样的单向极限抗压强度值。
通常用的普氏岩石分及法就是根据坚固性系数来进行岩石分级的。
如:①极坚固岩石 f=15~20(坚固的花岗岩,石灰岩,石英岩等)②坚硬岩石 f=8 ~10(如不坚固的花岗岩,坚固的砂岩等)③中等坚固岩石 f=4 ~6 (如普通砂岩,铁矿等)④不坚固岩石 f=0.8~3 (如黄土、仅为0.3)矿岩的坚固性也是一种抵抗外力的性质,但它与矿岩的强度却是两种不同的概念。
第四章岩石的强度岩石强度是岩石的一种重要的力学特性。
是指岩石抵抗载荷(外力)而不受屈服或破裂的能力,是岩石承受外力的极限应力值。
岩石受力后会发生变形,一旦应力达到岩石的极限应力值,岩石就会发生破坏。
在岩石强度应力值之前,存在屈服点(应变明显增大,而应力不再需要明显增大时的应力),超过屈服点和达到极限强度(岩石破裂要达到的最大应力值)前,一般仍有一些抵抗应变而恢复原形的能力,但达到极限强度后岩石破裂,就完全失去恢复能力。
通常所讲的岩石强度,一般是指岩石样件的测量强度,它仅代表岩体内岩块的强度,不能代表整个岩体的强度。
但在涉及岩石强度的工程问题中,一般是针对岩体的强度,而岩体往往包含一些软弱的结构面。
几组软弱结构面可以将岩体分割成各种形状和大小不同的岩块。
因此,岩体的强度取决于这些岩块强度和结构面的强度,岩块内微结构面的作用将直接反映到岩石的力学性质上。
岩石受力方式的不同,表现出的强度特性不尽相同。
如在张力、压力和剪切力的作用下,同种岩石会呈现出不同的强度特性。
因此岩石具有抗张、抗压和抗剪切强度等之分。
岩石受力条件的不同,可表现出变形、破裂、蠕变等现象,这些现象有着一定的规律性。
岩石的强度是衡量岩石基本力学性质的重要指标,是建立岩石破坏判据的重要指标,还可估计其他力学参数。
岩石的这些力学特性广泛用于建筑行业、水利水电工程、地质灾害研究与预防、断裂构造研究等方面。
4.1影响岩石强度的主要因素1)岩石成分和结构组成岩石的矿物种类及含量、矿物颗粒大小、固结程度、胶结物种类、矿物形态与分布等均影响到岩石的各种强度。
固结程度高、硅质胶结、细粒、交错结构的强度大。
2)岩石中不连续面和间断面岩石中微裂缝、微小断裂、节理层理等的发育程度和分布情况直接影响到岩石的强度,这些不连续或间断面会降低岩石在不同方向上的强度。
3)岩石孔隙度及流体性状岩石的孔隙度以及其中所含流体种类、饱和度、渗透率等因素以较复杂的关系影响着岩石强度。
第三节岩块的强度性质岩块的强度是指岩块抵抗外力破坏的能力。
根据受力状态不同,岩块的强度可分为单轴抗压强度、单轴抗拉强度、剪切强度、三轴压缩强度等。
一、单轴抗压强度σc1、定义在单向压缩条件下,岩块能承受的最大压应力,简称抗压强度(MPa)。
2、研究意义(1)衡量岩块基本力学性质的重要指标。
(2)岩体工程分类、建立岩体破坏判据的重要指标。
(3)用来估算其他强度参数。
3、测定方法抗压强度试验点荷载试验4、常见岩石的抗压强度常见岩石的抗压强度二、单轴抗拉强度σt1、定义单向拉伸条件下,岩块能承受的最大拉应力,简称抗拉强度。
2、研究意义(1)衡量岩体力学性质的重要指标(2)用来建立岩石强度判据,确定强度包络线(3)选择建筑石材不可缺少的参数3、测定方法直接拉伸法间接法(劈裂法、点荷载法)4、常见岩石的抗拉强度常见岩石的抗拉强度5、抗拉强度与抗压强度的比较岩石中包含有大量的微裂隙和孔隙,岩块抗拉强度受其影响很大,直接削弱了岩块的抗拉强度。
相对而言,空隙对岩块抗压强度的影响就小得多,因此,岩块的抗拉强度一般远小于其抗压强度。
通常把抗压强度与抗拉强度的比值称为脆性度,用以表征岩石的脆性程度。
岩块的几种强度与抗压强度比值三、剪切强度在剪切荷载作用下,岩块抵抗剪切破坏的最大剪应力,称为剪切强度。
2、类型(1)抗剪断强度:指试件在一定的法向应力作用下,沿预定剪切面剪断时的最大剪应力。
(2)抗切强度:指试件上的法向应力为零时,沿预定剪切面剪断时的最大剪应力。
(3)摩擦强度:指试件在一定的法向应力作用下,沿已有破裂面(层面、节理等)再次剪切破坏时的最大剪应力。
3、研究意义反映岩块的力学性质的重要指标。
用来估算岩体力学参数及建立强度判据。
4、抗剪断强度的测试方法直剪试验变角板剪切试验三轴试验5、常见岩石的剪切强度常见岩石的剪切强度四、三轴压缩强度试件在三向压应力作用下能抵抗的最大的轴向应力。
2、测定方法三轴试验3、利用三轴试验确定抗剪强度。
一般岩石的抗压强度之南宫帮珍创作1、岩浆岩类(1)坚硬—软弱块—层状基性喷出岩.火山熔岩为块状, 较坚硬———0.99, 岩体稳定性较好;火山碎屑岩为似层状或层状, 软弱———0.54, 岩体稳定性差.力学强度的高低与岩石的节理裂隙发育和风化水平有关.中等风化玄武岩强度为微风化—新鲜的20—50%;火山碎屑岩易受风化, 中等风化的锤击易碎.(2)坚硬—较坚硬层状中—酸性喷出岩.岩石干抗压强度多年夜于108兆帕.流纹岩垂直和水平方向上的力学强度变动较年夜, 在一定条件下可成为岩组中相对软弱的夹层.使岩体稳定性变差.(3) 坚硬块状侵入岩.岩石以中—粗粒或斑状结构为主, 块状构造, 新鲜者致密坚硬, 裂隙不发育, 力学强度普遍较高, 尤其是新鲜花岗岩, 抗压强度一般年夜于98兆帕.(1)软硬相间薄——113兆帕;石英岩、蜕变砂岩、硅质岩等硬质岩石, 较坚硬——260兆帕, 最高达338兆帕.风化岩石干抗压强仅40—90兆帕.(2)坚硬块状混合岩类.岩石呈块状, 完整性好, 坚硬, 干抗压强度59—196兆帕, 强风化者为22兆帕.(3)软弱碎裂状构造岩.岩石破碎, 透水性强, 压碎花岗岩垂直饱和抗压强度为73兆帕, 部份小于20兆帕.(1)软弱—较坚硬, 中——17.0兆帕.(2)软硬相间薄—中层状砂页岩.页岩常夹砂岩或与砂岩互层产出.砂岩干抗压强度为100——27兆帕, 半风化者60—70.3兆帕.(3)坚硬—较坚硬中厚层状砂砾岩.岩石致密坚硬, 抗水性和抗风化能力强, 力学强度高, 抗压强度多年夜于98兆帕.(4)软硬相间层状碎屑岩夹碳酸盐岩.碳酸盐岩、石英砂岩、粉砂岩等抗压强度较高, 页岩抗压强度低.但碳酸盐岩因岩溶发育, 强度有所降低, 尤其在断裂破碎带.该岩类的工程地质特征主要与岩石的岩溶化水平有关.(1)坚硬—较坚硬中—厚层状强岩溶化碳酸盐岩.包括灰岩、白云质灰岩、白云岩, 岩溶率8—35%, 新鲜岩石抗压强度一般年夜于98兆帕.(2)坚硬—较坚硬中—————12.7兆帕.(3)坚硬—较坚硬中——66.1兆帕.—22.8兆帕, 且易软化和泥化.软弱—较坚硬薄——2.8兆帕, 凝聚力48—292兆帕;砂砾岩、砂岩、泥岩的工程地质特征与软弱—较坚硬的红色砂泥岩组相当.。
当前位置:课程学习/第四章岩块的变形与强度性质/第三节岩块的强度性质第三节岩块的强度性质岩块的强度是指岩块抵抗外力破坏的能力。
根据受力状态不同,岩块的强度可分为单轴抗压强度、单轴抗拉强度、剪切强度、三轴压缩强度等。
一、单轴抗压强度σc1、定义在单向压缩条件下,岩块能承受的最大压应力,简称抗压强度(MPa)。
2、研究意义(1)衡量岩块基本力学性质的重要指标。
(2)岩体工程分类、建立岩体破坏判据的重要指标。
(3)用来估算其他强度参数。
3、测定方法抗压强度试验点荷载试验4、常见岩石的抗压强度常见岩石的抗压强度二、单轴抗拉强度σt1、定义单向拉伸条件下,岩块能承受的最大拉应力,简称抗拉强度。
2、研究意义(1)衡量岩体力学性质的重要指标(2)用来建立岩石强度判据,确定强度包络线(3)选择建筑石材不可缺少的参数3、测定方法直接拉伸法间接法(劈裂法、点荷载法)4、常见岩石的抗拉强度常见岩石的抗拉强度5、抗拉强度与抗压强度的比较岩石中包含有大量的微裂隙和孔隙,岩块抗拉强度受其影响很大,直接削弱了岩块的抗拉强度。
相对而言,空隙对岩块抗压强度的影响就小得多,因此,岩块的抗拉强度一般远小于其抗压强度。
通常把抗压强度与抗拉强度的比值称为脆性度,用以表征岩石的脆性程度。
岩块的几种强度与抗压强度比值三、剪切强度1、定义在剪切荷载作用下,岩块抵抗剪切破坏的最大剪应力,称为剪切强度。
2、类型(1)抗剪断强度:指试件在一定的法向应力作用下,沿预定剪切面剪断时的最大剪应力。
(2)抗切强度:指试件上的法向应力为零时,沿预定剪切面剪断时的最大剪应力。
(3)摩擦强度:指试件在一定的法向应力作用下,沿已有破裂面(层面、节理等)再次剪切破坏时的最大剪应力。
3、研究意义反映岩块的力学性质的重要指标。
用来估算岩体力学参数及建立强度判据。
4、抗剪断强度的测试方法直剪试验变角板剪切试验三轴试验5、常见岩石的剪切强度常见岩石的剪切强度四、三轴压缩强度1、定义试件在三向压应力作用下能抵抗的最大的轴向应力。
花岗岩、大理石、石灰石、板岩、砂岩、石英岩、罗马石、人造石材的特性1、花岗岩花岗岩属火成岩,由地下岩浆喷出和侵入冷却结晶,以及花岗质的变质岩等形成。
具有可见的晶体结构和纹理。
它由长石(通常是钾长石和奥长石)和石英组成,搀杂少量的云母(黑云母或白云母)和微量矿物质,譬如:锆石、磷灰石、磁铁矿、钛铁矿和榍石等等。
花岗石主要成分是二氧化硅,其含量约为65%—85%。
花岗石的化学性质呈弱酸性。
通常情况下,花岗岩略带白色或灰色,由于混有深色的水晶,外观带有斑点,钾长石的加入使得其呈红色或肉色。
花岗岩由岩浆慢慢冷却结晶形成,深埋于地表以下,当冷却速度异常缓慢时,它就形成一种纹理非常粗糙的花岗岩,人们称之为结晶花岗岩。
花岗岩以及其它的结晶岩构成了大陆板块的基础,它也是暴露在地球表面最为常见的侵入岩。
尽管花岗岩被认为是由融化的物质或者岩浆形成的火成岩,但是有大量证据表明某些花岗岩的形成是局部变形或者先前岩石的产物,它们未经过液态或者融化过程而重新排列和重结晶。
花岗岩的比重在2.63到2.75之间,其抗压强度为1,050~14,000 千克/平方厘米(15,000~20, 000磅/平方英寸)。
因为花岗岩的强度比沙岩、石灰石和大理石大,因此比较难于开采。
由于花岗石形成的特殊条件和坚定的结构特点,使其具有如下独特性能:(1)具有良好的装饰性能,可适用公共场所及室外的装饰。
(2)具有优良的加工性能:锯、切、磨光、钻孔、雕刻等。
其加工精度可达0.5μm以下,光度达1600以上。
(3)耐磨性能好,比铸铁高5-10倍。
(4)热膨胀系数小,不易变形,与铟钢相仿,受温度影响极微。
(5)弹性模量大,高于铸铁。
(6)刚性好,内阻尼系数大,比钢铁大15倍。
能防震,减震。
(7)花岗石具有脆性,受损后只是局部脱落,不影响整体的平直性。
(8)花岗石的化学性质稳定,不易风化,能耐酸、碱及腐蚀气体的侵蚀,其化学性与二氧化硅的含量成正比,使用寿命可达200年左右。
(f=0.3) A表示矿岩的坚固性的量化指标 .人们在长期的实践中认识到, 有些岩石不容易破坏, 有一些则难于破碎。
难于破 碎的岩石一般也难于凿岩, 难于爆破, 则它们的硬度也比较大, 概括的说就是比 较坚固。
因此,人们就用岩石的坚固性这个概念来表示岩石在破碎时的难易程度。
坚固性的大小用坚固性系数来表示又叫硬度系数,也叫普氏硬度系数 f 值)。
坚固性系数 f=R/100 (R 单位 kg/cm2)式中 R —— 为岩石标准试样的单向极限抗压强度值。
通常用的普氏岩石分及法就是根据坚固性系数来进行岩石分级的。
如:① 极坚固岩石f=15〜20 (坚固的花岗岩,石灰岩,石英岩等)② 坚硬岩石f=8〜10 (如不坚固的花岗岩,坚固的砂岩等)③ 中等坚固岩石 f=4 〜6 (如普通砂岩,铁矿等)④ 不坚固岩石 f=0.8〜3 (如黄土、仅为 0.3) 矿岩的坚固性也是一种抵抗外力的性质,但它与矿岩的强度却是两种不同的概 念。
I 最坚固最坚固、致密、有韧性的石英岩、玄武岩和其他 n 很坚固各种特别坚固的岩石。
(f=20) 很坚固的花岗岩、石英斑岩、硅质片岩,较坚固 川 坚固的石英岩,最坚固的砂岩和石灰岩 .(f=15) 致密的花岗岩,很坚固的砂岩和石灰岩,石英矿 川a 坚固脉,坚固的砾岩,很坚固的铁矿石 .(f=10) 坚固的砂岩、石灰岩、大理岩、白云岩、黄铁 IV 比较坚固矿,不坚固的花岗岩。
(f=8) 一般的砂岩、铁矿石 (f=6) IV a 比较坚固砂质页岩,页岩质砂岩。
(f=5) V 中等坚固坚固的泥质页岩,不坚固的砂岩和石灰岩,软砾 V a 中等坚固石。
(f=4) 各种不坚固的页岩,致密的泥灰岩 .(f=3) 切 比较软软弱页岩,很软的石灰岩,白垩,盐岩,石膏, W a 比较软无烟煤,破碎的砂岩和石质土壤 .(f=2) 碎石质土壤,破碎的页岩,粘结成块的砾石、碎 VD 软石,坚固的煤,硬化的粘土。
Ku与j的关系
常见岩石抗拉强度
岩石承载力标准值fk (kPa)
岩体渗透性分级
岩石质量指标(RQD )
根据占孔取得的大于10CM 的岩芯断块长度LP 与岩芯进尺总长度LS 之比
RQD (%) =LP/LSX100%
岩体完整性系数Ku
岩体分类
完全弹性介质 破碎岩体 中等岩体
0—25 25—50 50—75 75—90 90—100
非常不好 不好 软好 好 非常好
速度(m/s )的比值的平方
Ku= (Up/Up 9 2 完整性好 Ku>
较
好
Ku
较坏 Ku
坏
Ku <
中 等 Ku
为纵横波速比VP/VS
VP/VS=
VP/VS> <VP/VS<
为现场岩体弹性纵波速度与室内风干或烘干岩样(或现场岩块的弹性纵波)
岩土热物理指标
各类岩石的动弹模(氏)和泊桑比@ )
一些岩石的E静.P和K。
参考值
各类岩体的剪切强度参数表
石灰岩 泥灰岩 砂岩 泥质砂岩 粘土岩 砂质页岩
600〜1200 200〜350 100〜350 80 〜150 50 〜100 100〜200
围岩岩体按弹性波分类
围岩按岩体力学属性分类
围岩体按介质力学属性分类
围岩岩体结构力学指标
边坡分类表
各类滑坡分类法。
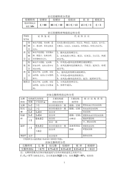
岩石坚固性和稳定性分级表岩石坚固性系数分类表级别坚固性程度岩石坚固性系数fⅠ最坚固的岩石最坚固、最致密的石英岩及玄武岩,其他最坚固的岩石。
20Ⅱ很坚固的岩石很坚固的花岗岩类,石英斑岩,很坚固的花岗岩,硅质片岩;坚固程度较Ⅰ级岩石稍差的石英岩,最坚固的砂岩及石灰岩。
15Ⅲ坚固的岩石致密的花岗岩及花岗岩类岩石,很坚固的砂岩及石灰岩,石英质矿脉,竖固的砾岩,很坚固的铁矿石。
10Ⅲa 坚固的岩石坚固的石灰岩,不坚固的花岗岩,坚固的砂岩,坚固的大理岩,白云岩,黄铁矿。
8Ⅳ相当坚固的岩石一般的砂岩,铁矿石。
6 Ⅳa 相当坚固的岩石砂质页岩,混质砂岩。
5Ⅴ坚固性中等的岩石坚固的页岩,不坚固的砂岩及石灰岩,软的砾岩。
4Ⅴa 坚固性中等的岩石各种不坚固的页岩,致密的泥灰岩。
3Ⅵ相当软的岩石软的页岩,很软的石灰岩,白垩,岩盐,石膏,冻土,无烟媒,普通泥灰岩,破碎的砂岩,胶结的卵石及粗砂砾,多石块的土。
2Ⅵa 相当软的岩石碎石土,破碎的页岩,结块的卵石及碎石,坚硬烟煤,硬化的粘土。
1.5Ⅶ软岩致密的粘土,软的烟煤,坚固的表土层。
1.0 Ⅶa 软岩微砂质粘土,黄土,细砾石。
0.8 Ⅷ土质岩石腐植土,泥煤,微砂质粘土,湿砂。
0.6 Ⅸ松散岩石砂,细砾,松土,采下的煤。
0.5 Ⅹ流砂状岩石流砂,沼泽土壤,饱含水的黄土及饱含水的土壤。
0.3表2 煤矿锚喷支护巷道围岩分类围岩分类岩层描述巷道开掘后围岩的稳定状态(3~5米跨度)岩种举例类别名称Ⅰ稳定岩层1.完整坚硬岩层,R b>600公斤/厘米2,不易风化;2.层状岩层层间胶结好,无软弱夹层。
围岩稳定,长期不支护无碎块掉落现象。
完整的玄武岩,石英质砂岩,奥陶纪灰岩、茅口灰岩,大冶厚层灰岩。
Ⅱ稳定性较好岩层1.完整比较坚硬岩层,R b=400~600公斤/ 厘米2;2.层状岩层,胶结较好;3.坚硬块状岩层,裂隙面闭合,无泥质充填物, R b>600公斤/厘米2。
围岩基本稳定,较长时间不支护会出现小块掉落。
作者:非成败
作品编号:92032155GZ5702241547853215475102
时间:2020.12.13
当前位置:课程学习/第四章岩块的变形与强度性质/第三节岩块的强度性质
第三节岩块的强度性质
岩块的强度是指岩块抵抗外力破坏的能力。
根据受力状态不同,岩块的强度可分为单轴抗压强度、单轴抗拉强度、剪切强度、三轴压缩强度等。
一、单轴抗压强度σ
c
1、定义
在单向压缩条件下,岩块能承受的最大压应力,简称抗压强度(MPa)。
2、研究意义
(1)衡量岩块基本力学性质的重要指标。
(2)岩体工程分类、建立岩体破坏判据的重要指标。
(3)用来估算其他强度参数。
3、测定方法
抗压强度试验
点荷载试验
4、常见岩石的抗压强度
常见岩石的抗压强度
岩石名称抗压强度
(MPa)
岩石名称
抗压强度
(MPa)
岩石名称
抗压强度
(MPa)
辉长岩180~300辉绿岩200~350页岩10~100花岗岩100~250玄武岩150~300砂岩20~200流纹岩180~300石英岩150~350砾岩10~150闪长岩100~250大理岩100~250板岩60~200
安山岩100~250片麻岩50~200千枚岩、片
岩
10~100
二、单轴抗拉强度σt
1、定义
单向拉伸条件下,岩块能承受的最大拉应力,简称抗拉强度。
2、研究意义
(1)衡量岩体力学性质的重要指标
(2)用来建立岩石强度判据,确定强度包络线
(3)选择建筑石材不可缺少的参数
3、测定方法
直接拉伸法
间接法(劈裂法、点荷载法)
4、常见岩石的抗拉强度
常见岩石的抗拉强度
5、抗拉强度与抗压强度的比较
岩石中包含有大量的微裂隙和孔隙,岩块抗拉强度受其影响很大,直接削弱了岩块的抗拉强度。
相对而言,空隙对岩块抗压强度的影响就小得多,因此,岩块的抗拉强度一般远小于其抗压强度。
通常把抗压强度与抗拉强度的比值称为脆性度,用以表征岩石的脆性程度。
岩块的几种强度与抗压强度比值
抗拉强度抗剪强度抗弯强度
煤0.009~0.06 0.25~0.5
页岩0.06~0.325 0.25~0.48 0.22~0.51 砂质页岩0.09~0.18 0.33~0.545 0.1~0.24
砂岩0.02~0.17 0.06~0.44 0.06~0.19
石灰岩0.01~0.067 0.08~0.10 0.15
大理岩0.08~0.226 0.272
花岗岩0.02~0.08 0.08 0.09
石英岩0.06~0.11 0.176
三、剪切强度
1、定义
在剪切荷载作用下,岩块抵抗剪切破坏的最大剪应力,称为剪切强度。
2、类型
(1)抗剪断强度:指试件在一定的法向应力作用下,沿预定剪切面剪断时的最大剪应力。
(2)抗切强度:指试件上的法向应力为零时,沿预定剪切面剪断时的最大剪应力。
(3)摩擦强度:指试件在一定的法向应力作用下,沿已有破裂面(层面、节理等)再次剪切破坏时的最大剪应力。
3、研究意义
反映岩块的力学性质的重要指标。
用来估算岩体力学参数及建立强度判据。
4、抗剪断强度的测试方法
直剪试验
变角板剪切试验
三轴试验
5、常见岩石的剪切强度
常见岩石的剪切强度
岩石名称内摩擦角
(°)
内聚力
(MPa)
岩石名称
内摩擦角
(°)
内聚力
(MPa)
辉长岩50~5510~50花岗岩45~6014~50辉绿岩55~6025~60流纹岩45~6010~50玄武岩48~5520~60闪长岩53~5510~50石英岩50~6020~60安山岩45~5010~40大理岩35~5015~30片麻岩30~503~5页岩15~303~20灰岩35~5010~50砂岩35~508~40白云岩35~5020~50
砾岩35~508~50千枚岩、片
岩
26~651~20
板岩45~602~20
四、三轴压缩强度
1、定义
试件在三向压应力作用下能抵抗的最大的轴向应力。
2、测定方法
三轴试验
3、利用三轴试验确定抗剪强度
根据一组试件(4个以上)试验得到的三轴压缩强度σ1m和相应的σ3以及单轴抗拉强度σ
t。
在σ-τ坐标系中可绘制出岩块的强度包络线。
除顶点外,包络线上所有点的切线与σ轴的夹角及其在τ轴上的截距分别代表相应破坏面的内摩擦角(φ)和内聚力(C)。
4、几种强度之间的换算
根据应力摩尔圆可以进行几种强度之间的换算,已知其中某些强度,可以计算其他的强度值。
假设强度包络线为直线(在σ
3
<10MPa的情况下,往往这样。
),如下图,可以得到下面的公式:
计算岩石的三轴强度。
由此可以根据岩石的内摩擦角、内聚力和σ
3
同样,也可以得到下式:
由此可以计算岩石的抗压强度、抗拉强度、内聚力、内摩擦角。
作者:非成败
作品编号:92032155GZ5702241547853215475102
时间:2020.12.13。