蓝宇紫外差分CEMS
- 格式:doc
- 大小:69.50 KB
- 文档页数:7
紫外差分烟气综合分析仪期间核查作业指导书1.核查目的为检查和确保紫外差分烟气综合分析仪的准确性,对紫外差分烟气综合分析仪进行烟气标定,保证数据测量的准确性。
2.使用范围适用于本公司紫外差分烟气综合分析仪的期间核查。
3.核查条件外观及仪器设备状态及烟气示值标定4.核查设备崂应3023型紫外差分烟气综合分析仪5.核查方法5.1外观检查仪器应结构完整,各部件齐全并可靠连接,无影响仪器正常操作的缺陷。
仪器应有名称、型号、出厂编号、制造厂名称、制造日期等。
仪器接通电源后,各按键,开关旋钮应调节灵活,正确,仪器显示的数字显示清晰,不缺少笔画。
5.2 确认系统工作状态进入“①设置”→“①状态检测”查看各项参数是否正常,若出现异常可根据提示检查相应部件的连接、设置等,如仍有问题请及时联系仪器官方客服,待问题解决后方可进行下一步操作。
5.3开机将分析仪放置平稳,将显示屏翻开,旋转到适合观看的位置。
确认连接正常后,打开分析仪电源开关,面板上的工作指示灯点亮,分析仪开始自检,并显示商标、版本号等信息。
为保证分析仪正常工作,请在开机后对分析仪进行预热,待“当前机内温度”大于15①后,再按“Enter”键进行烟气测量。
5.4光谱仪标定5.4.1在标定与维护界面,选择“①光谱仪标定”菜单,按“Enter"键进入光谱仪标定界面。
5.4.2烟气校准:选择“①烟气校准”,按“Enter”键进入烟气校准界面,进入烟气校准界面后处于烟气预测状态,待显示值稳定约3分钟后,点击“开始”按钮或按“Enter”键开始校准。
待含氧量到21%,有害气体浓度到0时,按“Esc”键退出校准。
5.4.3标气设置:选择“①标气设置”,按“Enter”键进入标气浓度设置界面。
进入标气设置界面后,分析仪自动读取内部设置的标气浓度,读取完成后浓度变为可修改状态,如果要通入的标气浓度与原来设置的标气浓度不一致,需要输入实际要通入的标气浓度。
标气浓度输入完成后按“Enter”键保存输入的标气浓度,按“Esc”键退出标气设置界面。
CEMS公式一览1、流速Vs = Kv * Vp其中Vs 为测定断面某一固定点或者测定线上湿排气平均流速m/sKv为速度场系数Vp 为测定断面的湿排气平均流速m/s注释:静压(KPa)Ps = Pt –(Pd *Kp2 )烟气流速(m/s)Vp = 1.414 * Kp*(Pd/ρ)1/2湿烟气密度(kg/m3)ρ= [1.34*(1-Xsw)+0.804*Xsw]*273/(273+ts)*(Ba+Ps)/101.325 参数符号单位烟气动压Pd Pa烟气静压Ps KPa烟气全压Pt KPa大气压强Ba KPa烟气温度Ts ℃烟气密度ρkg/m3皮托管系数Kp烟气流速Vp m/s2、粉尘①粉尘干基值DustG = Dust*(273+ts)/273*101.325/(Ba+Ps)/(1-Xsw) 其中DustG 为粉尘干基值mg/m3Dust 为实测的粉尘浓度值mg/m3Ts为烟气温度℃Ba为大气压力PaPs为烟气静压PaXsw 为烟气中水分含量体积百分比%(绝对湿度)②粉尘折算DustZ = DustG * Coef其中DustZ 为折算的粉尘浓度值mg/m3DustG为粉尘干基值mg/m3Coef为折算系数,它的计算方式如下:Coef = 21 / ( 21 - O2bg ) / Alphas其中O2bg 为干基氧气体积百分比%而O2bg = O2/(1- Xsw)其中O2为实测氧气体积百分比%Xsw 为烟气中水分含量体积百分比%注:Alphas 为标准过量空气系数(燃煤锅炉小于等于45.5MW折算系数为1.8; 燃煤锅炉大于45.5MW折算系数为1.4; 燃气、燃油锅炉折算系数为1.2)③粉尘排放量DustP=DustG*Qsn/1000000其中DustP为粉尘排放量kg/hDustG为实测粉尘mg/m3Qsn为干烟气流量m3/h3、SO2SO2G = SO2 / ( 1 – Xsw)其中SO2G 为SO2干基值mg/m3SO2为实测SO2浓度值mg/m3Xsw为烟气中水分含量体积百分比%②SO2折算SO2Z = SO2G * Coef其中SO2Z 为SO2折算值mg/m3SO2G 为SO2干基值mg/m3Coef为折算系数,具体见粉尘折算③SO2排放量SO2P=SO2G*Qsn/1000000其中SO2P为SO2排放量kg/hSO2G为SO2干基值mg/m3Qsn为干烟气流量m3/h注释:SO2(ppm→mg/m3)系数为64/22.4≈2.86 4、NONOG = NO / ( 1 – Xsw )其中NOG 为NO干基值mg/m3NO为实测NO浓度值mg/m3Xsw为烟气中水分含量体积百分比%②NO折算NOZ = NOG * Coef其中NOZ 为NO折算值mg/m3NOG 为NO干基值mg/m3Coef为折算系数,具体见粉尘折算③NO排放量NOP=NOG*Qsn/1000000其中NOP为NO排放量kg/hNOG为NO干基值mg/m3Qsn为干烟气流量m3/h注释:NO(ppm→mg/m3)系数为30/22.4≈1.344、标干烟气流量Qsn为干烟气流量,它的计算方式如下:Qsn = Qs * 273 / ( 273 + Ts ) * ( Ba + Ps ) / 101.325 * ( 1 – Xsw )其中Qs 为湿烟气流量m3/h ,其中Qs = 3600 * F * VsF为测量断面面积Vs 为折算流速Ts为实测温度℃Ba为大气压力PaPs为烟气静压PaXsw 为湿度为烟气中水分含量体积百分比%天津市蓝宇科工贸有限公司标定拟合计算:Measurement = a3*Cal^3+a2*Cal^2+a1*Cal+a0。
紫外差分分析仪在烟气超低排放监测中的应用随着环境污染问题日益严重,人们对于烟气排放的监测和控制需求也越来越高。
为了实现烟气超低排放监测,紫外差分分析仪成为了一种重要的分析工具和设备。
本文将介绍紫外差分分析仪在烟气超低排放监测中的应用。
紫外差分分析仪是一种基于紫外光谱原理的分析设备,它能够通过测量烟气中物质的吸收光谱来定量分析其中的污染物含量。
相比于传统的湿法分析方法,紫外差分分析仪具有快速、准确、无需样品前处理等优点,因此被广泛应用于烟气超低排放监测。
在烟气超低排放监测中,紫外差分分析仪可以用来检测多种重要的污染物,如二氧化硫、氮氧化物等。
以二氧化硫为例,紫外差分分析仪通过测量烟气中SO2分子在紫外光区的吸收强度来确定其浓度。
它不仅可以实时监测烟气中二氧化硫的排放情况,还可以对各个排放源的二氧化硫排放进行精细化管理。
与传统的分析方法相比,紫外差分分析仪具有以下优势:1.快速准确:紫外差分分析仪采用非接触式测量方式,不需要取样和前处理,测量速度快、准确度高。
2.多功能性:紫外差分分析仪可同时测量多种污染物,可应用于不同的烟气排放监测需求。
3.在线监测:紫外差分分析仪可实现在线监测,及时发现烟气排放异常情况,进行及时调整或治理。
4.操作简便:紫外差分分析仪的操作简单,只需进行简单的设置和校准即可使用,不需要复杂的技术支持。
5.可靠性高:紫外差分分析仪采用高精度的光学元件和控制系统,具有良好的可靠性和稳定性。
紫外差分分析仪在烟气超低排放监测中具有重要的应用价值。
它能够快速准确地监测烟气中各种污染物的含量,为烟气治理提供可靠的数据支持。
未来,随着技术的不断进步和应用广泛,紫外差分分析仪在烟气超低排放监测中的地位将愈发重要。
紫外差分光谱法烟气综合分析仪(以下简称分析仪)以紫外差分吸收光谱技术为核心的新型产品,主要用于排气管道中有害气体成分的测量,广泛应用于环境监测以及热工参数测量等部门,该分析仪是我公司多年精心研制的具有自主知识产权的高品质仪器,产品多项设计填补空白。
产品采用工业级高速处理器,10.1寸工业触摸屏,人机界面兼容按键和触摸双模式,可进行局域网和广域网的组网及数据传输;烟气取样、工况测量、烟气预处理三合一,现场使用方便;内置可充电锂电池,交直流两用,宽输入电压(DC12~28V,AC80~260V),电压适用范围更广;烟气测量采样双量程设计的数学模型修正算法,提高数据测量的准确性和线性度;关键部件采用恒温控制,提高仪器的温度适用范围。
精心的设计,友好的人机界面,竭诚为用户提供一款精致、、贴心、耐用的高品仪器该分析仪性能指标均符合国家环保局颁布的烟气测试仪的有关规定。
采用紫外差分吸收光谱技术和化学计量学算法测量SO2、NO、NO2、O2、CO、CO2、H2S等气体的浓度,不受烟气中水蒸气影响,具有较高的测量精度和稳定性,特别适合高湿低硫工况测量,具有测量精度高、可靠性强、响应时间快、使用寿命长等优点。
分析仪研制过程中广泛征求专家及广大用户的意见,采用高性能长寿命脉冲氙灯、耐腐蚀吸收池、进口高分辨光谱仪、传感器及新材料领域的高新技术,竭力为用户提供一台质量可靠、性能稳定的高品质仪器。
GB/T37186-2018《气体分析二氧化硫和氮氧化物的测定紫外差分吸收光谱分析法》HJ/T397-2007《固定源废气监测技术规范》DB37/T2704-2015《固定污染源废气氮氧化物的测定紫外吸收法》DB37/T2705-2015《固定污染源废气二氧化硫的测定紫外吸收法》DB37/T2641-2015《便携式紫外吸收法多气体测量系统技术要求及检测方法》JJG968-2002《烟气分析仪检定规程》GB13233-2011《火电厂大气污染物排放标准》紫外差分光谱法烟气综合分析仪,紫外差分烟气综合分析仪,紫外烟气综合分析仪,紫外差分光谱法烟气分析仪,紫外差分烟气分析仪,紫外烟气分析仪,紫外差分烟气分析仪仪价格,紫外差分烟气分析仪厂家,紫外差分烟气分析技术指标,紫外差分烟气分析仪操作指南,紫外差分烟气分析仪使用方法,紫外差分烟气分析仪,紫外烟气分析仪,紫外差分光谱法烟气分析仪,GB37186紫外差分光谱法烟气分析仪3.技术特点1.采用紫外光谱差分吸收技术(DOAS)测量固定污染源排气中的SO2、NO、NO2等气体浓度,测量精度高,不受烟气中水蒸气影响,特别适合高湿低硫工况。
烟气排放连续监测系统含义对固定污染源颗粒物浓度和气态污染物浓度以及污染物排放总量进行连续自动监测,并将监测数据和信息传送到环保主管部门,以确保排污企业排放污染物浓度和排放总量达标。
固定式污染源连续监测系统是指安装在固定污染源监测口对其排放的污染物浓度和排放率进行连续检测、实时跟踪监测数据的设备,也称为CEMS(Continuous Emission Monitoring Systems)。
直接测量法监测方法内稀释抽取式外稀释完全抽取前处理冷干法直接测量法后处理传感器安装在探头前端,直接插入烟道进行测量(点测量)(电化学或光电传感器法、氧化锆)(测湿氧)传感器和探头直接安装在烟道上,采用光学法测量(线测量)(内置式/外置式)(单光程/双光程)分析方法:紫外单波长法,紫外双波长法,差分吸收光谱法(DOAS)优点:1.无需取样系统;2.能快速检测出气态污染物浓度,响应时间短(不经过气体预处理)3精度高(不需要气体处理)缺点:1.烟道环境对测量影响很大;2.开放式测量室,无法在线校准,3.为了保证光学测量头不被污染,必须用气体幕保护,气体幕也会带来误差;4. 需定期清洁光学镜片,维护工作量大。
5不容易监测总排放情况6高空安装造价高7测量结果为气体湿基值8由于没有取样装置,日常应注意维护清洁反射镜(尤其内置式)、光源等代表:北京牡丹联友天津蓝宇科工贸有限公司抽取法优点:1.取样过程中不改变气体成分;2.可同时测量氧含量,无需另外安装氧测量仪器;2.维护方便,便于校准,便于维修;3.使用寿命长,使用成本低。
4封闭性气室测量可实现在线校准(相对直接测量法)5安装方便(相对直接测量法)缺点:1.取样点离测量系统距离较远,安装成本较高;2. 探头粗过滤器需定期更换3样气需要传输,增加响应时间系统反应慢4经过气体预处理,容易导致气体成分变化5预处理环节容易发生故障,导致故障率高6气体预处理材料需要选用昂贵的材料增加成本7反吹系统中对反吹气需要除湿除油处理稀释抽取法分析方法:稀释探头(在采样探头顶部,通过音速小孔(临界限流孔,产生恒定流速)进行采样,并用干燥的仪器气进行稀释)音速小孔是稀释式CEMS的重要元件,其工作原理是:当孔板前后存在一定压差,流体流经孔板,对于一定的孔径,流经孔板的流量随着压差增大而增大。
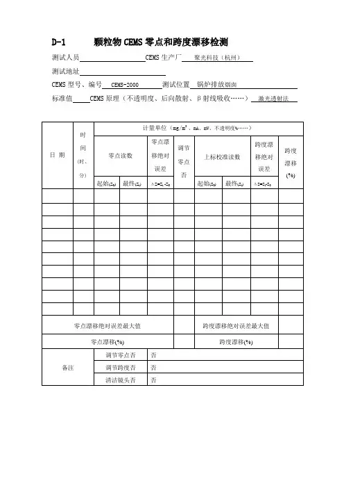
D-1 颗粒物CEMS零点和跨度漂移检测测试人员 CEMS生产厂聚光科技(杭州)测试地址CEMS型号、编号 CEMS-2000 测试位置锅炉排放烟囱标准值 CEMS原理(不透明度、后向散射、β射线吸收……)激光透射法D-2 参例如式校验颗粒物CEMS 测试人员CEMS生产厂聚光科技(杭州)测试地址佳通轮胎(莆田)CEMS型号、编号CEMS-2000 CEMS原理激光透射法测试位置锅炉排放烟囱参例如式仪器生产厂青岛崂山应用电子零点和跨度漂移检测测试人员CEMS生产厂聚光科技(杭州)测试地址CEMS型号、编号CEMS-2000 测试位置锅炉排放烟囱标准气体生产厂上海计量浓度1435mg/m3 校准器件已知响应值污染物名称SO2 CEMS原理紫外分光光谱法零点和跨度漂移检测测试人员CEMS生产厂聚光科技(杭州)测试地址CEMS型号、编号CEMS-2000 测试位置锅炉排放烟囱标准气体生产厂上海计量浓度407 mg/m3 校准器件已知响应值污染物名称NO CEMS原理紫外分光光谱法零点和跨度漂移检测测试人员CEMS生产厂聚光科技(杭州)测试地址CEMS型号、编号CEMS-2000 测试位置锅炉排放烟囱标准气体生产厂上海计量浓度21% 校准器件已知响应值污染物名称O2 CEMS原理氧化锆法D-4 气态污染物CEMS线性误差和响应时刻测试人员CEMS生产厂聚光科技(杭州)测试地址CEMS型号、编号CEMS-2000 测试位置锅炉排放烟囱测试人员CEMS生产厂聚光科技(杭州)测试地址CEMS型号、编号CEMS-2000 测试位置锅炉排放烟囱CEMS原理紫外分光法污染物名称SO2 计量单位ppm测试人员CEMS生产厂聚光科技(杭州)测试地址CEMS型号、编号CEMS-2000 测试位置锅炉排放烟囱CEMS原理紫外分光法污染物名称NO 计量单位ppmD-5 参例如式评估气态污染物CEMS相对准确度测试人员CEMS生产厂聚光科技(杭州)测试地址CEMS型号、编号CEMS-2000 测试位置锅炉排放烟囱CEMS原理氧化锆法污染物名称O2 计量单位%D-6 速度场系数检测测试人员CEMS生产厂聚光科技(杭州)测试地址CEMS型号、编号CEMS-2000 测试位置锅炉排放烟囱CEMS原理皮托管法参例如式计量单位m/s CEMS计量单位m/sD-7 初检温度示值误差检测测试人员CEMS生产厂聚光科技(杭州)测试地址CEMS型号、编号CEMS-2000测试位置锅炉排放烟囱CEMS原理铂金电阻法参例如式仪器生产厂青岛崂山电子仪器总厂型号、编号3012H 原理铂金电阻法D-8 湿度相对误差检测测试人员CEMS生产厂聚光科技(杭州)测试地址CEMS型号、编号CEMS-3000测试位置锅炉排放烟囱CEMS原理高分子薄膜电容法参例如式仪器生产厂HORIBA 型号、编号3012H 原理干湿氧法。
FB1000型烟气排放连续监测系统标准技术方案书(热湿法)天津市蓝宇科工贸有限公司目录1 引用标准 (1)2 项目介绍 (2)3 供货范围 (3)4 系统介绍 (4)4.1监测项目 (6)4.2监测方法 (6)4.3系统主要技术指标 (6)4.4技术路线 (9)4.4.1取样和预处理单元 (9)4.4.2 二氧化硫(SO2)、一氧化氮(NO)浓度监测 (9)4.4.3 烟气粉尘监测子系统 (11)4.4.4烟气参数监测子系统 (14)4.4.5氧含量监测子系统 (16)4.4.6数据采集与处理子系统 (18)5 系统安装 (20)5.1使用环境条件 (21)5.2开孔位置要求 (21)5.3公用工程要求 (24)5.3.1 分析小屋的要求 (24)5.3.2 供电要求 (24)5.3.3 安装平台、扶梯要求 (25)5.3.4 仪表空气 (26)5.3.5 系统接地装置与保护措施要求 (27)5.4安装调试 (28)5.5系统验收 (28)5.6备品备件 (28)6 文件交付 (29)7 培训安排 (30)8 质量保证和售后服务 (31)8.1质量保证 (31)8.2售后服务 (31)1 引用标准⏹HJ/T76-2007 固定污染源烟气排放连续监测系统技术要求及监测方法⏹HJ/T75-2007 固定污染源烟气排放连续监测技术规范⏹GB18484-2001 危险废物焚烧污染控制标准⏹HJ561-2010 危险废物(含医疗废物)焚烧处置设施性能测试技术规范⏹GB16297-1996 大气污染物综合排放标准⏹GB16157-1996固定污染源排气中颗粒物测定与气态污染物采样方法⏹HJ/T397-2007 固定污染源废气监测技术规范⏹GB 16889-2008 生活垃圾填埋场污染控制标准⏹GB 13223-2003 火电厂大气污染物排放标准⏹GB 18485-2001 生活垃圾焚烧污染控制标准⏹GB 4915-2004 水泥工业大气污染物排放标准⏹HJ/T 47-1999 烟气采样器技术条件⏹HJ/T 48-1999 烟尘采样器技术条件⏹HJ/T 55 大气污染物无组织排放监测技术导则⏹HJ/T212-2005 污染源在线自动监控(监测)系统数据传输标准⏹HJ/T419-2007 环境数据库设计与运行管理规范⏹HJ/T352-2007环境污染源自动监控信息传输、交换技术规范⏹Q/HFWY 003-2009 天津蓝宇有限公司烟气连续监测系统企业标准2 项目介绍本项目为FB-1000H型烟气排放连续监测系统(CEMS),可对烟气中的二氧化硫浓度(SO2)、一氧化氮浓度(NO)、氧含量(O2)、烟气粉尘浓度、温度、压力、流速等参数进行测量。
紫外差分分析仪在烟气超低排放监测中的应用紫外差分分析仪是一种常用的烟气超低排放监测设备,其在环境保护领域中的应用越来越广泛。
本文将介绍紫外差分分析仪的原理和特点,以及其在烟气超低排放监测中的应用。
紫外差分分析仪是一种基于紫外吸收光谱的无需标定的在线监测设备。
它可以检测空气中的有害气体浓度,并根据测量结果判断烟气排放是否达到超低排放要求。
紫外差分分析仪利用气态污染物在紫外光波长范围内的光吸收特性,通过测量光吸收的差异来确定烟气中的污染物浓度。
紫外差分分析仪的工作原理是基于比尔-朗伯定律。
根据该定律,当光通过一个吸收性物质时,其光强度将呈指数衰减。
紫外差分分析仪通过使用两个具有不同波长的光源,在同一时间内同时照射被测气体,通过测量两束光强的差异来计算出被测气体的浓度。
这种双波长测量的方法可以消除光源强度波动和光路变化对测量结果的影响,从而提高了测量的准确性和稳定性。
紫外差分分析仪具有许多优点,使其成为烟气超低排放监测中的首选设备。
紫外差分分析仪具有高灵敏度和快速响应的特点,可以实时监测烟气中污染物的浓度变化。
紫外差分分析仪采用了无需标定的在线测量方式,不需要频繁校准,能够减少运维成本和人力投入。
紫外差分分析仪具有体积小、重量轻、安装方便等特点,适用于各种场合的使用。
紫外差分分析仪在烟气超低排放监测中的应用非常广泛。
在燃煤电厂中,紫外差分分析仪可以用于监测氮氧化物(NOx)和二氧化硫(SO2)的浓度,帮助电厂实现燃煤锅炉的超低排放。
在工业废气处理过程中,紫外差分分析仪可以用于监测有机废气中的有害物质浓度,以保护环境和工人健康。
紫外差分分析仪还可用于石油炼制、化工、冶金等行业中的烟气排放监测。
一、公司介绍天津市蓝宇科工贸有限公司是一家年轻的高成型科技型企业,具有一支以博士后、博士为科研领头人,以当地几所大学为技术依托的研发力量。
公司目前共拥有员工28人,全部大专以上文化程度,本科以上文化程度有26人,占员工总数93%,硕士学位(含中级职称)以上的有9人,占员工总数32%,博士学位(含高级职称)以上的有5人,占员工总数的18%。
依赖于一支通过长期培养而建立起来的技术团队,目前公司拥有多位在管理、仪器、光電子、机械及计算机方面独具特长的技术专家,形成了具有过硬开拓能力的专业技术团队,使得企业生机勃勃,向高新技术领域不断推进。
从2000年起,公司筹备组就开始了对紫外差分光谱(D O A S )的基础性研究,2003年注册,自主研发了FB系列烟气颗粒物排放连续监测系统,其中FB-4000(烟气监测部分)是公司具有完全自主知识产权的核心产品,其核心技术采用紫外差分吸收光谱法(DOAS)测量SO2、NOx的浓度。
该系统综合光、机、电及计算机于一体,直接用算法避开飞灰和水蒸气对污染气体测量结果的影响,与传统方法(例如稀释法和抽取法,均采用较为复杂的过滤、冷凝等装置进行处理)相比,不仅消除了飞灰和水蒸气对污染气体测量结果的影响,而且大大降低了维护费用。
仪器通过了实际环境下的长时间使用,进一步完善了仪器的准确性、稳定性、可靠性。
完成了业内权威专家对本项目的产品鉴定,得到了业内专家的一致好评。
公司成立后,管理层实行了旨在推进技术创新的激励机制,全面贯彻“创新是发展之本、市场是发展之源”的指导方针,充分发挥和挖掘了我们在光机电和计算机结合的技术优势,形成了富有技术特色的发展之路。
由公司自主研发的FB系列烟气颗粒物排放连续监测系统,2003年4月18日在天津市计量技术研究所进行测试(放化字第20030020号),测试结果表明产品符合仪器标准技术要求。
2003年6月,天津市质量技术监督局对公司FB系列烟气颗粒物排放连续监测系统颁发企业产品执行标准证书(QHD528—2003)。
该系统又于2003年8月15日通过了天津市计量技术监督局的认证考核,取得了“制造计量器具许可证”(CMC)。
国家环保总局科技标准司于2003年9月29日在环保总局举行了“FB系列烟气颗粒物排放连续监测系统科技成果鉴定会”,我国著名的环保专家、全国人大常委魏复盛院士参加了鉴定会并担任主任委员,给系统”核发了“环境保护科技成果证书”。
2003年12月份,环保总局科技标准司推荐该产品参加科技部、商务部、环保总局、质监总局等四部委联合组织的“2004年度国家重点新产品”推广计划的评选工作,在环保产品当中被评为A类并给予30万元的无偿资助,该目录已于2004年5月向社会公布,项目编号为“2004ED144002”。
2004年5月,我们的第一套“FB-1000烟气颗粒物排放连续监测系统”在大港石化成功安装,并投入运行。
2004年9月和2005年6月公司分别参加了“2004年中国国际环境保护博览会暨第二届中国国际环保监测仪器展览会”。
以及在北京举行的“第九届中国国际环保展览暨会议”,引起了与会专家和用户的浓厚兴趣;作为全天津市首批试点企业,公司于2005年8月通过了“企业标准化良好行为2A”认证,此项认证的取得不仅提升了企业的产品形象,也使企业管理迈向更成熟的阶段;2006年6月21日,公司自主研发的烟气排放连续监测仪通过中国人民共和国专利法的审查,授予实用新型专利权;2006年6月,公司获得了天津市中小企业创新基金的支持,并授予“天津市科学技术成果证书”;2006年7月,FB系列烟气监测仪通过国家环保总局“环境保护产品认证”。
二、产品介绍FB系列烟气颗粒物排放连续监测系统是依据HJ/T76-2001《固定污染源排放烟气连续监测系统技术要求及监测方法》和HJ/T75-2001《火电厂烟气排放连续监测技术规范》等标准要求,充分利用行业内先进的监测技术及原理,结合本公司对关键技术的科研成果深入开发而成。
它由烟气组分监测子系统(含SO2、NO X等)、颗粒物浓度监测子系统、烟气参数监测子系统(O2含量、烟气流速、温度、压力、湿度等)及数据采集与处理子系统中的一个或几个子系统构成,具有系统功能完善可靠、安装维护简单、使用成本低、性价比高等优点,是各行业烟道烟气排放连续监测用户的理想选择。
1、FB系列CEMS系统特点:◆采用紫外差分吸收光谱法(美国EPA环保署和国家环保局联合推荐使用的监测技术,在《环境监测技术路线》(环办[2003]49号文件)中明确规定应使用DOAS法监测环境空气)测量烟气组分浓度,避免和消除了水分、颗粒物及其它污染物对被测污染物浓度的影响,提高了测量精度;◆支持多组分监测, SO2及NO X浓度的测量使用一个监测探头,且增加监测参数不增加任何硬件成本;◆不需传统采样探头取样,实现直接在线测量,简化了测量仪器,降低了设备投资成本;◆单边安装,结构简单,重量轻,既解决了仪器监测光路准直问题又节省了安装费用,更便于操作人员操作和校准;◆与稀释采样法的“点”测量相比,直接测量法属于“线”测量,测量范围较宽,数据稳定性好,更能客观地反映烟道内的实际情况;◆运行成本低,与一般采样式测量系统年需5万元左右运行费用相比,本系统的运行费用每年只需1万元左右;◆仪器具有零点和参考标准自动校准功能,并配有反吹系统和保护外壳,具有较强的防污染能力,延长了系统的维护周期;◆系统集光机电一体化监测技术、数据采集处理技术和计算机通信技术于一体;◆系统可自动完成测量数据的分析处理和存储,并自动生成监测数据的时、日月及年报表,并可定时打印;◆监测数据可通过网络上传至环保部门,系统可兼容拨号上网、GPRS及局域网连接等多种信号传输方案;◆设备具有自动诊断和自动报警功能。
◆备有FB-1000、FB-4000和一拖二等不同型号,可根据用户的需求进行个性化配置,其中FB-4000型烟气组分监测系统为构建FB-1000型CEMS的核心模块,具有自主知识产权,可独立安装使用,具有标准电源接口、数据通讯接口,是系统集成、工程配套的首选仪器。
本项目在监测仪器技术方面的创新是采用自适应算法,根据接收光谱的整体波形以及最大、最小值自动调整积分时间延长了光源(氘灯)使用寿命。
结构方面的创新主要有三点:一是采用单边直接插入探头安装形式使得安装简单,维护费用低;二是标定与测量采用了同一光路的气体标定方案,使得标定简便,测量精度高;三是运用了新颖的光源基座定位方案,使得光源(易损件)更换迅速,毋需调整。
采用DOAS方法消除飞灰、水蒸汽的影响。
对于飞灰、水蒸气的影响,传统方法(例如:稀释法和抽取法)均采用较为复杂的过滤、冷凝等装置进行处理,不仅改变了测量气体的原始成分,而且大大增加了用户的维护成本;而且在测量新组分气体时往往需要额外增加一套分析仪器,不便于扩展,而我们采用差分吸收光谱法处理吸收光谱的高频部分,利用每一种气体所特有的吸收谱进行计算以得到此种气体的浓度。
它具有:不需要复杂的过滤、冷凝装置,而直接用算法避开飞灰和水蒸气对污染气体测量结果的影响,大大降低了维护费用;增加一种新气体的测量功能,只需改变算法,扩展极其方便。
同时,该方案解决了污染气体有效吸收波段重合引起的影响。
如果重合比例较小,通过选择合适的测量波段来决定被测气体的浓度,从而降低不同种气体之间“串扰”的影响,这与传统光谱方法(紫外荧光法、红外线气体分析仪)原理类似;如果重合比例较大,则通过基本原理部分所述的处理方法来确定被测气体的浓度,彻底实现了利用同一台仪器,同一光路测量多组分气体的浓度,如需增加其他对紫外光谱吸收的气体测量功能,只需增加一部分软件即可,在硬件上不需要增加任何设施。
2、项目技术现状目前,国外一些研究机构,如瑞典荣生和美国的热电子公司已经研究开发出基于差分吸收光谱法(DOAS)的SO2和NOx在线监测系统,我国中国科学院安徽光学精密机械研究所也在从事该方面的研究,但与国外同类仪器相比,在技术水平和性能等方面还有不小的差距。
我国在线测量电站锅炉排放烟气中SO2和NOx等的国产仪器还处于研制阶段,烟气在线测量仪器这一市场外国公司占统领地位,但由于国外此类仪器价格一般过高,而且销售多采用代理的方式,售后服务不到位,很多使用单位对此类进口仪器越来越不满意,而对自主研发的国内仪器表现出浓厚的兴趣。
本项目属于光谱法在线组分环保监测分析仪,主要应用于固定气体污染源的监测(如火电厂、各个燃煤取暖锅炉)。
烟气SO2自动分析仪的原理按照分析方法分类有电导法、非分散红外吸收法(动态范围较窄)、紫外吸收法、紫外荧光法、火焰光度法和定电位电解法(传感器寿命较短)。
按照采样方式分类主要有:(1)直接抽取法(包括非分散红外吸收法和紫外吸收法,主要为日本产品,国内有北京天融科工贸有限公司的产品等);(2)稀释法(包括烟道内稀释和烟道外稀释,主要为欧美产品,国内如北京长峰益来自动化科技有限公司的产品);(3)在线直接测量法(将一束红外光或紫外光直接照射到烟气上,利用SO2的特征吸收光谱进行测量)。
其主要国内生产厂家有:安徽铜陵蓝盾光电子有限公司。
另外,国内的大连中环环保系统工程有限公司、太原中绿环保技术有限公司等公司采用的分析方法均为定电位电解法。
北京牡丹联友电子工程有限公司也有类似产品。
直接抽取法和稀释法是传统方法,占有大约九成的市场份额,但由于原理落后、工艺复杂,正在被以光谱法为代表的在线直接测量法所取代。
本项目采用的差分吸收光谱法(DOAS)是目前最先进的方法,因为刚刚起步,目前市场份额不大,但具有很大的发展空间。
三、市场前景1、市场需求状况由于煤炭在我国一次性能源消费总量中所占比重高达66%以上,大量煤炭消耗造成了严重的大气污染。
在“十五”期间,国家环保总局制定了《两控区酸雨和二氧化硫污染防治“十五”计划》,并于2002年9月得到国务院正式批复。
为实现排污目标,我国已开始实行排污收费和排污权交易制度。
在2001年11月国家进行的863计划中,SO2的连续在线监测被列为所有开发项目的第一位,国家要对全国18000个重点污染企业,实施主要污染物排放总量的控制和消减,以改善我国的环境质量,因此要求18000个污染大户要逐步安装在线连续的监测系统,实现计算机联网管理,加强实时监控。
另外,在线监测行业具有强大的政策背景,市场容量非常大,如上所述仅在“两控区”内的“污染大户”就有18000家,考虑到脱硫配套,市场的需求远在40000套以上;根据1996年统计,工业锅炉就有51万台,其中,20t/h 以上的工业锅炉约有12万台;根据环保总局提供的数据,在线监测的市场容量远在30万套以上,市场价值上百亿元。