最新地下室挡土墙计算书
- 格式:doc
- 大小:269.50 KB
- 文档页数:12
地下室外墙计算(DXWQ-1)项目名称构件编号日期设计校对审核执行规范:《混凝土结构设计规范》(GB 50010-2010), 本文简称《混凝土规范》《建筑结构荷载规范》(GB 50009-2012), 本文简称《荷载规范》《人民防空地下室设计规范》(GB 50038-2005), 本文简称《人防规范》钢筋:d - HPB300; D - HRB335; E - HRB400; F - RRB400; G - HRB500; P - HRBF335; Q - HRBF400; R - HRBF500-----------------------------------------------------------------------1 基本资料板边支撑条件表2 计算(1)荷载计算(2)内力计算(3)配筋计算(4)裂缝验算荷载说明:永久荷载:土压力荷载,上部恒载-平时,可变荷载:地下水压力,地面活载,上部活载-平时平时组合:平时荷载基本组合战时组合:战时荷载基本组合准永久组合:平时荷载准永久组合(用于裂缝计算)2.1 荷载计算2.1.1 墙上竖向压力平时组合(kN/m ):1.200×0.000+1.400×0.000=0.000 准永久组合(kN/m ):0.000+0.500×0.000=0.000 2.1.2 侧压荷载计算 (1) 土压力标准值(kPa)水土分算,土侧压系数按主动土压力计算,土的内摩擦角15.0o ,主动土压力系数:)地下室顶面,标高-1.200, 总埋深1.000,全位于地下水位以上 ===p k h ⨯⨯0.588191 11.172=pw土压力起算位置,标高-0.200 =p 0=p w-1层底,标高-4.500,总埋深4.300,地下水位以上2.700,地下水位以下1.600=+=+=p k h 1k()-s a t wh 2⨯⨯0.588192.7⨯⨯0.588()-20101.639.572===p w w h ⨯10 1.616地下水位处, 标高-2.900,埋深2.700===p k h ⨯⨯0.58819 2.7 30.164=p w式中:p --------土压力(kN/m 2) p w --------水压力(kN/m 2) k --------土压力系数r --------土的天然容重(kN/m 3) r sat --------土的饱和容重(kN/m 3) r w --------水的重度(kN/m 3)h 1 --------地下水位以上的土层厚度(m) h 2 --------地下水位以下的土层厚度(m)(2)地面上活载等效土压力(标准值,kPa ): p=kG k =0.588×4.000=2.352(3) 荷载组合系数表注:表中所列三角荷载值是对应于各层底的荷载值(最大)2.2 内力计算按连续梁计算竖向弯矩按连续梁模型计算,水平向弯矩仍按板块模型计算调幅:竖向内力按连续梁计算,可考虑支座处塑性,对竖向弯矩进行调幅,调幅幅度0.8% 调幅后的弯矩(kN.m/m)注:准永久组合的弯矩结果用于裂缝计算,此处不进行调幅。
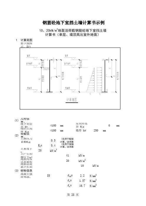
钢筋砼地下室挡土墙计算书示例10、20kN/m2地面活荷载钢筋砼地下室挡土墙计算书(单层、墙顶高出室外地面)1计算简图如下图所示,取1米墙宽,按下端固定,上端铰接计算。
(1)几何信息:地下室层高 H=4100mm室内外高差 H1=0mm墙挡土高度 H2=4100mm墙厚 h=250mm(2)荷载信息:土侧压力系数K0=0.5(仅用于配筋计算,该系数已综合考虑土压力和地面活荷载分项系数) K1=0.4(仅用于裂缝计算,该系数不考虑土压力和地面活荷载分项系数)土重度γ=20 kN/m3土产生的侧压力g=γ·H2·K0=41 kN/m地面均布活荷载取q0=20 kN/m2地面活荷载产生的侧压力q=q0·K0=10 kN/m(3)材料信息混凝土强度等级:C35 f tk= 2.2N/mm2f t= 1.57N/mm2f c=16.7N/mm2受力钢筋等级:HRB400 f y=360N/mm2ξb=0.518Es=200000N/mm2受力钢筋保护层厚度及a s:室外竖向钢筋: c=40mm a s=50mm室内竖向钢筋: c=25mm a s=35mm2内力计算:Ⅰ室外墙底截面(B点)(1)土压力g作用下:16.81kN45.95kN ·m(2)地面活荷载产生的侧压力q作用下:(3)ⅡR A=R Ag+R Aq=32.19kN剪力零点即C点:1.73m剪力零点处(C点)的土侧压力值17.27 kN/m跨中最大弯矩 32.09kN ·m3承载能力极限状态计算:按单筋矩形截面梁计算!计算过程见下表:4正常使用极限状态计算:(1)裂缝计算:(2)挠度计算:地下室外墙一般较厚,其计算模型作为单向板,跨高比H/h=12~14,其挠度计算值一般较小,不起控制作用!。
(完整版)挡土墙模板计算书(完整版)挡土墙模板计算书1. 项目概述1.1 项目名称:挡土墙建设项目1.2 项目地点:(填写具体地点)1.3 项目目的:建设稳定可靠的挡土墙,提供土地保护和公共安全。
2. 设计要求2.1 承重能力:挡土墙应能承受预期荷载,并具备抗滑稳定性。
2.2 填土材料:填土材料应具备良好的排水性能和抗冲刷能力。
2.3 墙体结构:挡土墙应采用混凝土墙或者土工合成材料墙。
3. 设计计算3.1 挡土墙高度计算:根据设计要求和实际地形条件,确定挡土墙的高度(填写具体计算公式)。
3.2 挡土墙底宽计算:根据挡土墙高度、填土材料的重度、壁角系数等参数,计算挡土墙底宽(填写具体计算公式)。
3.3 排水系统设计:根据挡土墙高度和填土材料的排水性能要求,设计合适的排水系统,包括排水管道、排水孔等。
4. 施工要求4.1 基础处理:确保挡土墙基础的牢固和稳定。
4.2 墙体建设:按照设计要求,采用合适的墙体结构材料进行施工。
4.3 填土施工:选用良好的填土材料,按照设计要求进行填土施工。
4.4 排水系统安装:按照设计要求合理布置排水系统,并确保排水通畅。
5. 安全注意事项5.1 施工现场安全:施工过程中应注意安全措施,避免发生意外事故。
5.2 填土材料选择:选择具备抗冲刷能力的填土材料,确保挡土墙的稳定性。
6. 风险评估6.1 地质条件评估:根据现场地质勘探结果,评估地质条件对挡土墙的影响程度。
6.2 天气因素评估:考虑气候条件对挡土墙的影响,采取适当的防护措施。
7. 附件(相关附件名称及编号,如设计图纸、土质试验报告等)8. 法律名词及注释(根据实际情况相关法律名词及其注释)---(完整版)挡土墙施工方案1. 施工概述1.1 施工单位:(填写具体施工单位名称)1.2 施工地点:(填写具体地点)1.3 施工:根据设计要求建设稳定可靠的挡土墙。
2. 前期准备2.1 地质勘察:进行现场地质勘察,了解地质情况,为施工提供依据。
地下室外墙挡土墙计算书3.1地下室挡土墙高2.5m,挡土墙构造柱最大间距3.1m外墙厚370mm,砖标号MU15.水泥砂浆M10,地面荷载5KN/m2,墙侧土容重20kN/m3,静止土压力系数K=0.50。
(取Im宽板带计算)3.2 中部不设圈粱时砖墙承载力验算(1) 根据《土力学基础工程》(简称《土力学》)计算土压力:ql=kql=0.5×5×1=2.5kN/mq2=kγh l=0.5×20×2.5×1=25kN/m(2) 根据《建筑结构静力计算手册》(简称<手册》)计算墙内力:Mmax=Ma= q1H2/8+q2H2/I5=2.5×2.52/8+25×2.52/I5=12.4kN.m (3) 根据现行《砌体结构设计规范》(简称《砌规》)计算砖墙承载力:[M]=γa f tm W=1×0.33×103 xl×0.372/6=7.5kN.m(4)验算承载力:M>[M]不满足强度要求剪力验算略。
3.3 中部加设一道圈粱时砖墙承载力验算(1) 根据《土力学》计算土压力:ql=2.5kN/mq2=kγh l=0.5×20×1.5×1=15kN/mq3=kγh l=0.5×20×1.0×1=10kN/m(2)根据《手册》计算墙内力:Mbc= q1H12/8+q2H12/93=2.5×1.52/8+15×1.52/93=2.9kN.M<[M] Ma=(q1+q2)H22/8+q3H22/I5=(2.5+15)×1.02/8+10×1.02/15=2.8kN.m<[M]Qc=qlHl/2+q2H1/6=2.5×1.5/2+15×1.5/6=5.63KNQb上=qlH1/2+q2H1/3 =2.5×1.5/2+15×1.5/3=9.34KNQb下=(ql+q2)H2/2+q3H2/10=(2.5+15)×1.0/2+10×1.0/10=9.75KNQa=(ql+q2)H2/2-12/2+2q3H2/5=(2.5+15)×1.0/2+10×1.0×2/5=12.75kN(3)根据《砌规》计算砖墙承载力[M]= γa f tm W=7.5kN.m[Q]=γa f v bz=0.9×0.17×103×1×0.37×2/3=37.7KN(4)承载力验算Mmax=2.9kN .m<[M] 满足强度条件。
(完整版)挡土墙模板计算书挡土墙模板计算书一、参数信息1.基本参数次楞(内龙骨)间距(mm):250;穿墙螺栓水平间距(mm):750;主楞(外龙骨)间距(mm):600;穿墙螺栓竖向间距(mm):600;对拉螺栓直径(mm):M18;2.主楞信息龙骨材料:钢楞;截面类型:圆钢管48×3.5;钢楞截面惯性矩I(cm4):12.19;钢楞截面抵抗矩W(cm3):5.08;主楞肢数:2;3.次楞信息龙骨材料:木楞;次楞肢数:2;宽度(mm):50.00;高度(mm):100.00;4.面板参数面板类型:胶合面板;面板厚度(mm):15.00;面板弹性模量(N/mm2):9500.00;面板抗弯强度设计值f c(N/mm2):13.00;面板抗剪强度设计值(N/mm2):1.50;5.木方和钢楞方木抗弯强度设计值f c(N/mm2):13.00;方木弹性模量E(N/mm2):9500.00;方木抗剪强度设计值f t(N/mm2):1.50;钢楞弹性模量E(N/mm2):206000.00;钢楞抗弯强度设计值f c(N/mm2):205.00;墙模板设计简图二、墙模板荷载标准值计算其中γ -- 混凝土的重力密度,取24.000kN/m3;t -- 新浇混凝土的初凝时间,可按现场实际值取,输入0时系统按200/(T+15)计算,得5.714h;T -- 混凝土的入模温度,取20.000℃;V -- 混凝土的浇筑速度,取2.500m/h;H -- 模板计算高度,取3.000m;β1-- 外加剂影响修正系数,取1.200;β2-- 混凝土坍落度影响修正系数,取1.150。
根据以上两个公式计算的新浇筑混凝土对模板的最大侧压力F;分别计算得65.833 kN/m2、72.000 kN/m2,取较小值65.833 kN/m2作为本工程计算荷载。
计算中采用新浇混凝土侧压力标准值 F1=65.833kN/m2;倾倒混凝土时产生的荷载标准值 F2= 3 kN/m2。
挡土墙工程量计算书一、工程概况本次挡土墙工程位于_____,主要用于防止土体坍塌和保持土体稳定。
挡土墙的长度为_____米,高度从_____米到_____米不等,墙体采用_____材料砌筑。
二、计算依据1、设计图纸及相关技术规范。
2、现场实测数据。
三、计算方法1、挡土墙体积计算挡土墙的体积可以分为基础部分和墙体部分分别计算。
基础部分体积=基础长度 ×基础宽度 ×基础高度。
墙体部分体积=墙体长度 ×墙体平均厚度 ×墙体高度。
2、土方工程量计算挖方量=基础开挖长度 ×基础开挖宽度 ×基础开挖深度。
填方量=(基础回填长度 ×基础回填宽度 ×基础回填深度)+(墙后填土长度 ×墙后填土宽度 ×墙后填土高度)。
3、钢筋工程量计算根据设计图纸,统计不同规格钢筋的长度和数量。
钢筋重量=钢筋长度 ×钢筋单位重量。
4、混凝土工程量计算混凝土体积=混凝土浇筑部位的长度 ×宽度 ×厚度。
四、计算过程1、基础体积计算基础长度:_____米基础宽度:_____米基础高度:_____米基础体积=_____立方米2、墙体体积计算墙体长度:_____米墙体平均厚度:_____米墙体高度:_____米墙体体积=_____立方米3、土方工程量计算基础开挖长度:_____米基础开挖宽度:_____米基础开挖深度:_____米挖方量=_____立方米填方量基础回填长度:_____米基础回填宽度:_____米基础回填深度:_____米墙后填土长度:_____米墙后填土宽度:_____米墙后填土高度:_____米填方量=_____立方米4、钢筋工程量计算钢筋规格及数量规格 1:_____,数量:_____根,长度:_____米规格 2:_____,数量:_____根,长度:_____米钢筋重量计算规格 1 钢筋重量=_____ ×单位重量=_____千克规格 2 钢筋重量=_____ ×单位重量=_____千克……总钢筋重量=_____千克5、混凝土工程量计算基础混凝土体积:_____立方米墙体混凝土体积:_____立方米总混凝土体积=_____立方米五、计算结果汇总1、挡土墙体积:_____立方米2、挖方量:_____立方米3、填方量:_____立方米4、钢筋重量:_____千克5、混凝土体积:_____立方米六、注意事项1、计算过程中应严格按照设计图纸和相关规范进行,确保数据的准确性。
挡土墙计算书(地下室)挡土墙计算书(地下室)1. 引言1.1 本文档旨在提供一个关于地下室挡土墙计算的综合指南。
挡土墙在地下室建筑中起到支撑土体、减少地下水渗流和保护建筑结构的重要作用。
1.2 本文档将介绍挡土墙设计的基本原理、计算方法和相关规范要求,以供工程师、设计师和相关人员参考和使用。
2. 挡土墙的类型和性能2.1 常见的挡土墙类型包括重力式挡土墙、悬臂式挡土墙、钢筋混凝土挡土墙和土工格栅挡土墙等。
2.2 挡土墙的性能包括承载力、变形性能、稳定性和耐久性等。
3. 挡土墙设计的基本原理3.1 挡土墙的设计应遵循土力学的基本原理和结构力学的原则。
3.2 挡土墙应考虑土壤的侧压力、水压力和地震力等作用。
4. 挡土墙计算的基本步骤4.1 确定设计参数,包括土壤参数、荷载参数和结构参数等。
4.2 进行挡土墙的稳定性分析,计算土壤的侧压力和结构的抗倾覆能力。
4.3 根据挡土墙的变形性能要求,计算挡土墙的变形和应力。
4.4 按照相关规范要求,确定挡土墙的尺寸和钢筋配筋等。
5. 挡土墙计算的常见问题和解决方法5.1 挡土墙的稳定性问题,包括滑动、倾覆和底部切割等。
5.2 挡土墙的变形问题,包括沉降、倾斜和裂缝等。
5.3 挡土墙的材料和施工质量问题,包括土体的质量和挡土墙的防水等。
6. 挡土墙计算的实例分析6.1 钢筋混凝土挡土墙的设计和计算。
6.2 土工格栅挡土墙的设计和计算。
7. 结论7.1 地下室挡土墙在地下建筑中起着至关重要的作用,其设计和计算必须严格遵循相关规范要求。
7.2 本文档提供了一个详尽和全面的挡土墙计算指南,供相关人员参考和使用。
附件:本文档所涉及的附件如下:1. 挡土墙设计参数表格2. 挡土墙稳定性计算表格3. 挡土墙变形和应力计算表格法律名词及注释:1. 土壤参数:指土壤的密度、摩擦角、内摩擦角等力学性质。
2. 荷载参数:指作用在挡土墙上的水压力、侧压力和地震力等。
3. 结构参数:指挡土墙的尺寸、钢筋配筋和防水措施等。
X 0=(ν-μ)*L1/(1-μ)= 1.7m R A =(11q A +4q B )*L1/4046.3KN M AB =1.35*(R A *X 0-q A X 02/2-q B X 03/6/L1)=54.2kN.m 墙底(地下室外侧):容重γ=18kN/mm配筋计算h0=d1-C1-10=250mm 浮容重γ`=9.5kN/mm 受压区高度x=h 0-(h 02-2M B /b/f c )1/2=36.35mm 静止土压力系数K 0=0.5As=bxf c /f y =1443.9mm 2地面堆载P=10kN/m跨中(地下室内侧):室外地坪标高H 1=-0.45m配筋计算h0=d1-C2-10=270mm 地下水位标高H 2=-3.1m受压区高度x=h 0-(h 02-2M 1/b/f c )1/2=14.43mm 墙顶标高H 3=-1.8mAs=bxf c /f y =573.4mm 2墙底标高H 4=-5.8m墙厚d1=300mm迎水面保护层厚度C1=40mm弯矩标准值:M BK =89.3kN.m M ABK =40.2kN.m 背水面保护层厚度C2=20mm构件受力特征系数αcr= 1.9混凝土强度等级为C30f c =14.3N/mm 2f tk = 2.01N/mm 2钢筋采用三级钢f y =360N/mm 2deq1=18mm Ate1=2E+05mm 2ρte1=0.01696σsk1=161.3N/mm 2层高L 1=4mdeq 2=18mm Ate2=2E+05mm 2ρte 2=0.01σsk2=134.4N/mm 2实配钢筋为:墙底#####200+#####200A S1=2545ψ1=0.622ωmax1=0.153(小于0.2mm,满足要求)跨中#####400+#####400A S2=1272ψ2=0.2ωmax2=0.046(小于0.3mm,满足要求)人防荷载qe=55KN/mm 2堆载折算为土压力q1=Ko ×P= 5.0KN/m 2材料调整:混凝土fcr=1.5×14.3=21.45N/mm 2地下水位以上土压力q2=Ko ×γ×(H1-H2)=23.9KN/m 2钢筋抗拉强度fyr=1.2×#####432N/mm 3地下水位以下土压力q3=Ko ×γ`×(H2-H4)=12.8KN/m 2按规范要求仅计算侧壁强度,不用验算裂缝及挠度水压力q4=γw ×(H2-H4)=27.0KN/m 2人防弯距MrB=qe ×L /8=110KN.m q A =q1+q2×(H1-H3)/(H1-H2)=17.2KN/m 2人防弯距MrAB=9*qe ×L /128=61.88KN.m q B =q1+q2+q3+q4=68.7KN/m 2标准弯矩组合:底部弯矩Mr 1=#####KN.m 跨中弯矩Mr 2=#####KN.m 底部跨中M B =1.35*(7q A +8q B )L 12/120=120.5kN.m受压区高度x=h 0-(h 02-2M/b/f c )1/2=70.7mm 33.0mm μ=qA/qB=0.24973受拉钢筋 Asr=fcr×b×x/fyr=3512mm 21637mm 2ν=((9*μ2+7*μ+4)/20)1/2=0.56167 土压力按静止土压力计算[《全国民用建筑工程设计技术措施》2.6.2]4、弯矩计算(设计值):5、强度计算:2、基本资料:6、裂缝计算:3、荷载计算:7、人防计算:地下室墙体计算CDCQ31、计算假定:沿竖向为单向板,沿纵向取1m宽作为计算单元。
DQ1 挡土墙计算书1、压力计算2P0=Kaq=0.5*10=5.0kN/mP1=Kaγ1 h1=0.5*18*0.5=4.5kN/mP2=Kaγ2 h2=0.5*8*4.62=18.5kN/mPw=γwh2=10*4.62=46.2kN/m2、墙身弯矩设计值计算已知条件:墙板厚度为0.35m;混凝土强度为C35、fc=16.7N/mm2、混凝土保护层C=50mm;钢筋HRB400、fy=360N/mm2电算结果,M S= 226.9 kN·m ,计算得AS=2385mm23、墙身弯矩标准值计算电算结果,M B=168.1kN·m4、裂缝计算已知条件:墙板厚度为0.35m;混凝土强度为C35、f c=16.7N/mm2、f tk=2.20 N/mm2、混凝土保护层C=50mm;钢筋HRB400、f y=360N/mm2配筋为22-100,As=3801mm2,d=22mm构件电算得w max=0.182mm,满足要求。
挡土墙理正计算书:DQ1连续梁计算书:LXLJS-3(工程名称: **写字楼工程..., 结构重要性系数=1.0)======================================================================== 一.设计资料1. 几何信息: (单位: 除注明外,均为mm)梁号 1: 跨长 = 4800 B×H = 1000 × 3302. 荷载条件:均布恒载标准值=0.00kN/m ;活载准永久值系数=0.50均布活载标准值=0.00kN/m ;支座弯矩调幅系数=100.0%梁容重=25.00kN/m3;计算时不考虑梁自重:恒载分项系数=1.35 ;活载分项系数=1.00说明: 各梁跨的附加荷载参见[几何及荷载标准值简图]3.配筋信息:抗震等级:非抗震;纵筋种类:HRB400 ; fyk=400 N/mm2混凝土强度等级:C35 ; fc=16.7 N/mm2 ; ft= 1.57 N/mm2;箍筋种类:HPB235 ; fyk=235 N/mm2配筋调整系数 =1.5 ;上部保护层厚度=30mm下部保护层厚度=30mm最大裂缝限值=0.200mm ;挠度控制系数C=200二.计算结果:单位说明: 弯矩:kN.m_剪力:kN 纵筋面积:mm2_箍筋面积:mm2/m裂缝:mm_挠度:mm 尺寸:mm_内力计算采用有限元计算方法截面配筋方式:单筋----------------------------------------------------------------------- 梁号 1: 跨长 = 4800 B×H = 1000 × 330左中右弯矩(-) : 0.000 0.000 -226.917弯矩(+) : 0.000 110.203 0.000剪力: 97.889 -28.969 -265.662上部as: 40 40 40下部as: 40 40 40上部纵筋: 660 660 2385下部纵筋: 660 1101 660箍筋Asv: 1794 1794 1794上纵实配: 5E18(1272) 5E18(1272) 12E20(3770)下纵实配: 5E18(1272) 6E20(1885) 5E18(1272)箍筋实配: 4d8@70(2872) 4d8@70(2872) 4d8@70(2872)腰筋实配: ----(0) ----(0) ----(0) 上实配筋率: 0.39% 0.39% 1.14%下实配筋率: 0.39% 0.57% 0.39%箍筋配筋率: 0.29% 0.29% 0.29% 裂缝: 0.000 0.121 0.182挠度: 0.000 6.687 0.000最大裂缝: 0.182mm<0.200mm最大挠度: 6.687mm<24.000mm(4800/200)-----------------------------------------------------------------------三. 所有简图:----------------------------------------------------------------------- 【理正结构工具箱V5.7】计算日期: 2012-10-31 13:38:00 -----------------------------------------------------------------------。
专业课程设计公路路基设计学号:班级:姓名:日期:挡土墙设计阐明书本次设计重点放在重力式挡土墙。
挡土墙样式如图所示,个别桩号填土高度不不小于3m,不设置挡土墙,改成设置边坡,尚有个别桩号填土高度不不小于10m,设置衡重式挡土墙,不小于8M 旳填土高度旳,设置成多层挡土墙,在验算时,先计算第一层挡土墙稳定性,后验算下一层(多层挡土墙设计措施:先设第一层,8米左右,然后设护坡道,继续设计第二道挡土墙,护坡道够宽,则不计入第一层旳荷载,假如护坡道较窄,则把第一层挡土墙自重和上部活载作为荷载作用在第二道挡土墙上!宽窄是通过计算挡土墙旳破裂角来判断旳。
详细见计算书:挡土墙计算书桩号0+000,截面尺寸如图所示,第一层挡土墙尺寸12128,0.8, 2.088, 2.788,0.5,1,0.558, 1.2s h m b m b m b m b m h m h m =======埋深米第二层挡土墙尺寸: 1217, 1.4, 2.64, 2.5,0.5,0.8, 1.2s h m b m b m b m b m h m ======埋深米墙面坡度1:0.2,墙底与地基旳交角0.2:1,基地摩擦系数f=0.5(1)汽车荷载当量换算L B=Nb+(N-1)d=4 3.5+30.5=15.5m 4550h 0.531815.515NQ m BL γ汽车前后轮总距(2)破裂角 与土压力旳计算()()12t 000353570700.639632.6cos()cos(32.635)()(32.60)sin()sin(32.635)0.264112A g tg tg tg KK tg tg tg tg E H KK ψαδϕθψθθϕθαθϕγ=-==++=++==-=-+==++=+=+++====01=2主动土压力系数3主动土压力E2h K 1+H()20111880.264152.0642cos()152.064cos(035)124.56sin()152.064sin(035)87.224 2.6733X y y E E E E h H Z K αδαδ⨯⨯⨯==+=⨯+==+=⨯+==+=y土压力作用点位置Z(3)挡土墙自重G1234()23(5.16 4.154 2.5880.712)290.11()G A A A A A KN γγ==+++=⨯+++=12342.19,0.93, 1.69, 1.13X m X m X m X m ====1234118.68,95.45,59.53,16.37G KN G KN G KN G KN ====(4) 挡土旳抗滑稳定性验算 yc Xyu N E K E N G E +=→=+∑∑∑其中N 作用于基底竖向力的代数和(KN)即()cos sin cos ()sin y X c X y u G E E K E G E αααα++==-+∑0.5((290.1187.22)cos11.3124.56sin11.3) 2.04124.56cos11.3(290.1187.22)sin11.3⨯+⨯+⨯=⨯-+⨯>1.3(满足规定) (5).挡土墙旳抗倾覆稳定性验算11223344118.68 2.1895.540.9359.53 1.6916.37 1.1387.22 2.588124.56 2.671.95 1.5y x l a f G X G X G X G X E Z K E Z ++++⨯=⨯+⨯+⨯+⨯+⨯=⨯=> (6) 基底偏心距与基底应力计算:0118.68 2.1895.540.9359.53 1.6916.37 1.1387.22 2.588124.56 2.67 1.24290.112.588/2 1.240.0540.647()24y nn M M Z N B B e Z m -=⨯+⨯+⨯+⨯+⨯-⨯===-=-=<=∑∑∑满足要求126290.1187.2260.054(1)(1)2.588 2.588164.05800()127.55y G E N M e A W B B KPa σσ++⨯=±=±=±=<∑∑满足要求(7) 墙身截面验算法向应力及偏心距e 验算1-1截面;23 3.61883.21i G A kN γ==⨯=1221118 3.2250.26424.71222cos()24.712cos(035)20.243sin()24.712sin(035)14.174i X i y i E H KK KN E E KNE E KNγαδαδ==⨯⨯⨯==+=⨯+==+=⨯+=1212123.87,59.34,0.21, 1.041.075, 1.444397.3823.870.2159.34 1.0414.174 1.44487.19.i i g g i xi yi i I YI yi i gi yi yi G kN G kN Z m Z mH Z m Z m N G E KN M G Z E Z KN m ========+==+=⨯+⨯+⨯=∑∑20.243 1.07521.76.87.1921.760.67297.38Oi xi xi yi oi ni I ME Z kN M M M Z m N ==⨯=--===∑∑∑∑ 0.720.6720.0482i i ni B e Z m =-=-=<0.35B=0.50(满足规定) 12697.3860.048(1)(1)1.444 1.44480.88800()53.98i N e B B KPa σσ⨯=±=±=<∑满足要求2-2截面:239.314214.2i G A kN γ==⨯=1221118 6.450.26498.84722cos()98.847cos(035)80.97sin()98.847sin(035)56.7i X i y i E H KK KN E E KNE E KN γαδαδ==⨯⨯⨯==+=⨯+==+=⨯+=12121118.68,95.54,1.688,0.8582.15, 2.0883270.92118.68 1.68895.540.85856.7 2.088400.69.i i g g i xi yi i I YI yi i gi yi yi G kN G kN Z m Z mH Z m Z m N G E KN M G Z E Z KN m ========+==+=⨯+⨯+⨯=∑∑80.97 2.15174.08.400.69174.080.836270.92Oi xi xi yi oi ni I ME Z kN M M M Z m N ==⨯=--===∑∑∑∑ 1.0440.8360.2082i i ni B e Z m =-=-=<0.35B=0.50(满足规定) 126270.9260.208(1)(1)2.088 2.088215.56800()52.2i N e B B KPa σσ⨯=±=±=<∑满足要求(8),剪应力验算水平方向剪切验算1-1截面剪切面上水平剪力等于1-1截面以上墙身折受水平土压力,则:120.24314.021601.444ixi i i T E kpa kpa B B τ====<∑∑ 2-2截面剪切面上水平剪力等于2-2截面以上墙身折受水平土压力,则:180.9738.781602.088i xi i i T E kpa kpa B B τ====<∑∑ 第二层挡土墙验算:t 000353570700.639632.6A g tg tg tg ψαδϕθψθ=-==++=++==-=-+== 荷载换算:0495.23/8.59 3.218q h m r === ()()122cos()cos(32.635)()(32.60)sin()sin(32.635)0.2643.2 1.91111870.264 1.91222.3622cos()222.36cos(035)182.15sin()222.36sin X y KK tg tg tg tg E H KK kn E E E E θϕθαθϕγαδαδ++=+=+++=⨯===⨯⨯⨯⨯==+=⨯+==+=⨯1=2主动土压力系数3主动土压力E2K 1+7()1(035)127.544 3.2 2.89332.5y X H Z m K Z m+==+==y土压力作用点位置Z (4) 挡土旳抗滑稳定性验算yc Xyu N E K E N G E +=→=+∑∑∑其中N 作用于基底竖向力的代数和(KN)即()y c X u G E K E +==∑0.5(225.4127.54) 1.51182.15⨯+=>1.3(满足规定) (5).挡土墙旳抗倾覆稳定性验算11223344118.68 2.1895.540.9359.53 1.6916.37 1.1387.22 2.588 1.95 1.5124.56 2.67y x l a f G X G X G X G X E Z K E Z ++++⨯=⨯+⨯+⨯+⨯+⨯==>⨯ (6) 基底偏心距与基底应力计算:0118.68 2.1895.540.9359.53 1.6916.37 1.1387.22 2.588124.56 2.67 1.24290.112.588/2 1.240.0540.647()24y n n M MZ N B B e Z m -==⨯+⨯+⨯+⨯+⨯-⨯==-=-=<=∑∑∑满足要求126290.1187.2260.054(1)(1)2.5882.588164.05800()127.55y G E N M e A W B B KPa σσ++⨯=±=±=±=<∑∑满足要求(7) 墙身截面验算法向应力及偏心距e 验算1-1截面;23 3.61883.21i G A kN γ==⨯=1221118 3.2250.26424.71222cos()24.712cos(035)20.243sin()24.712sin(035)14.174i X i y i E H KK KNE E KN E E KN γαδαδ==⨯⨯⨯==+=⨯+==+=⨯+=1212123.87,59.34,0.21, 1.041.075, 1.444397.3823.870.2159.34 1.0414.174 1.44487.19.i i g g i xi yi i I YI yi i gi yi yi G kN G kN Z m Z mH Z m Z m N G E KN M G Z E Z KN m ========+==+=⨯+⨯+⨯=∑∑20.243 1.07521.76.87.1921.760.67297.38Oi xi xi yi oi ni I ME Z kN M M M Z m N ==⨯=--===∑∑∑∑ 0.720.6720.0482i i ni B e Z m =-=-=<0.35B=0.50(满足规定) 12697.3860.048(1)(1)1.444 1.44480.88800()53.98i N e B B KPa σσ⨯=±=±=<∑满足要求 2-2截面:23 3.61883.21i G A kN γ==⨯=1221118 6.450.26498.84722cos()98.847cos(035)80.97sin()98.847sin(035)56.7i X i y i E H KK KN E E KNE E KNγαδαδ==⨯⨯⨯==+=⨯+==+=⨯+= 12121118.68,95.54,1.688,0.8582.15, 2.0883270.92118.68 1.68895.540.85856.7 2.088400.69.i i g g i xi yi i I YI yi i gi yi yi G kN G kN Z m Z mH Z m Z m N G E KN M G Z E Z KN m ========+==+=⨯+⨯+⨯=∑∑80.97 2.15174.08.400.69174.080.836270.92Oi xi xi yi oi ni I ME Z kN M M M Z m N ==⨯=--===∑∑∑∑ 1.0440.8360.2082i i ni B e Z m =-=-=<0.35B=0.50(满足规定)126270.9260.208(1)(1)2.088 2.088215.56800()52.2i N e B B KPa σσ⨯=±=±=<∑满足要求(8),剪应力验算水平方向剪切验算1-1截面剪切面上水平剪力等于1-1截面以上墙身折受水平土压力,则:120.24314.021601.444ixi i i T E kpa kpa B B τ====<∑∑ 2-2截面剪切面上水平剪力等于2-2截面以上墙身折受水平土压力,则:180.9738.781602.088i xi i i T E kpa kpa B B τ====<∑∑ 第二层 0 5.223/1.93 3.4418q h m r ⨯=== (2)破裂角θ与土压力旳计算()()2t 000353570700.639632.6cos()cos(32.635)()(32.60)sin()sin(32.635)0.264 1.9812A g tg tg tg KK tg tg tg tg E H K ψαδϕθψθθϕθαθϕγ=-==++=++==-=-+==++=+=+++===01=2主动土压力系数3主动土压力E2h K 1+H()120111870.264 1.98230.522cos()230.53cos(035)188.83sin()230.53sin(035)132.224 2.91333.14X y y x K E E E E h H Z K Z mαδαδ=⨯⨯⨯⨯==+=⨯+==+=⨯+==+==y土压力作用点位置Z(4) 挡土旳抗滑稳定性验算yc Xyu N E K E N G E +=→=+∑∑∑其中N 作用于基底竖向力的代数和(KN)即()y c X u G E K E +==∑0.6(478.048132.22) 1.51188.83⨯+=>1.3(满足规定) (5).挡土墙旳抗倾覆稳定性验算112233199.64 2.4488.412 1.3357.77 1.5132.22 3.14 2.0 1.5188.83 2.91y x l a f G X G X G X E Z K E Z ++++⨯=⨯+⨯+⨯+⨯==>⨯(6) 基底偏心距与基底应力计算:0199.64 2.4488.412 1.3357.77 1.5132.22 3.14188.83 2.910.913478.048132.223.14/20.9130.6570.785()24y nn M M Z N B B e Z m -=⨯+⨯+⨯+⨯-⨯==+=-=-=<=∑∑∑满足要求126478.048132.2260.657(1)(1)3.14 3.14438.35800()49.6380y G E N M e A W B B KPa KPaσσ++⨯=±=±=±<=->-∑∑满足要求(7) 墙身截面验算法向应力及偏心距e 验算1-1截面;23 5.27121.21i G A kN γ==⨯=1221118 3.10.264 1.9845.2122cos()45.21cos(035)37sin()45.21sin(035)25.9i X i y i E H KK KN E E KNE E KNγαδαδ==⨯⨯⨯⨯==+=⨯+==+=⨯+=1212199.8,21.39,1.32,0.4131.033,2.023147.1199.8 1.3221.390.41325.9 2.02192.88.i i g g i xi yi i I YI yi i gi yi yi G kN G kN Z m Z mH Z m Z m N G E KN M G Z E Z KN m========+==+=⨯+⨯+⨯=∑∑37 1.03338.22.192.8838.22 1.05147.11Oi xi xi yi oi ni I ME Z kN M M M Z m N ==⨯=--===∑∑∑∑ 1.01 1.050.042i i ni B e Z m =-=-=-<0.35B=0.50(满足规定) 126147.1160.04(1)(1)2.02 2.0281.48800()64.17i N e B B KPa σσ⨯=±=±=<∑满足要求2-2截面:2312.524288.05i G A kN γ==⨯=1221118 6.20.264 1.98180.8422cos()180.84cos(035)148.14sin()180.84sin(035)103.72i X i y i E H KK KN E E KNE E KNγαδαδ==⨯⨯⨯⨯==+=⨯+==+=⨯+=12121199.64,88.42,1.94,0.832.06, 2.643391.77199.64 1.9488.420.83103.72 2.64734.50.i i g g i xi yi i I YI yi i gi yi yi G kN G kN Z m Z mH Z m Z m N G E KN M G Z E Z KN m========+==+=⨯+⨯+⨯=∑∑148.14 2.06305.17.734.50305.17 1.096391.77Oi xi xi yi oi ni I ME Z kN M M M Z m N ==⨯=--===∑∑∑∑ 1.32 1.0960.2242i i ni B e Z m =-=-=<0.35B=0.924(满足规定) 126391.7760.224(1)(1)2.64 2.64223.9800()72.8i N e B B KPa σσ⨯=±=±=<∑满足要求(8),剪应力验算水平方向剪切验算1-1截面剪切面上水平剪力等于1-1截面以上墙身折受水平土压力,则:13718.31602.02ixi i i T E kpa kpa B B τ====<∑∑ 2-2截面剪切面上水平剪力等于2-2截面以上墙身折受水平土压力,则:1148.1456.11602.64i xi i i T E kpa kpa B B τ====<∑∑2>桩号0+020,截面尺寸如图所示,第一层挡土墙尺寸12128,0.8, 2.088, 2.788,0.5,1,0.558, 1.3,s h m b m b m b m b m h m h m =======埋深米第二层挡土墙尺寸:1217, 1.4, 2.64, 2.5,0.5,0.8, 1.3s h m b m b m b m b m h m ======埋深米墙面坡度1:0.2,墙底与地基旳交角0.2:1,基地摩擦f=0.5(1)汽车荷载当量换算L B=Nb+(N-1)d=4 3.5+30.5=15.5m 4550h 0.531815.515NQ m BL γ汽车前后轮总距(2)破裂角θ与土压力旳计算()()12t 000353570700.639632.6cos()cos(32.635)()(32.60)sin()sin(32.635)0.264112A g tg tg tg KK tg tg tg tg E H KK ψαδϕθψθθϕθαθϕγ=-==++=++==-+=-+==++=+=+++====01=2主动土压力系数3主动土压力E2h K 1+H()20111880.264152.0642cos()152.064cos(035)124.56sin()152.064sin(035)87.224 2.6733X y y E E E E h H Z K αδαδ⨯⨯⨯==+=⨯+==+=⨯+==+=y土压力作用点位置Z(3)挡土墙自重G1234()23(5.16 4.154 2.5880.712)290.11()G A A A A A KN γγ==+++=⨯+++=12342.19,0.93, 1.69, 1.13X m X m X m X m ====1234118.68,95.45,59.53,16.37G KN G KN G KN G KN ====(4) 挡土旳抗滑稳定性验算 yc Xyu N E K E N G E +=→=+∑∑∑其中N 作用于基底竖向力的代数和(KN)即()y c X u G E K E +==∑0.5(290.1187.22) 1.51124.56⨯+=>1.3(满足规定) (5).挡土墙旳抗倾覆稳定性验算11223344118.68 2.1895.540.9359.53 1.6916.37 1.1387.22 2.588 1.95 1.5124.56 2.67y x l a f G X G X G X G X E Z K E Z ++++⨯=⨯+⨯+⨯+⨯+⨯==>⨯ (6) 基底偏心距与基底应力计算:0118.68 2.1895.540.9359.53 1.6916.37 1.1387.22 2.588124.56 2.67 1.24290.112.588/2 1.240.0540.647()24y n n M M Z N B B e Z m -=⨯+⨯+⨯+⨯+⨯-⨯===-=-=<=∑∑∑满足要求126290.1187.2260.054(1)(1)2.588 2.588164.05800()127.55y G E N M e A W B B KPa σσ++⨯=±=±=±=<∑∑满足要求(7) 墙身截面验算法向应力及偏心距e 验算1-1截面;23 3.61883.21i G A kN γ==⨯=1221118 3.2250.26424.71222cos()24.712cos(035)20.243sin()24.712sin(035)14.174i X i y i E H KK KN E E KNE E KNγαδαδ==⨯⨯⨯==+=⨯+==+=⨯+=1212123.87,59.34,0.21, 1.041.075, 1.444397.3823.870.2159.34 1.0414.174 1.44487.19.i i g g i xi yi i I YI yi i gi yi yi G kN G kN Z m Z mH Z m Z m N G E KN M G Z E Z KN m ========+==+=⨯+⨯+⨯=∑∑20.243 1.07521.76.87.1921.760.67297.38Oi xi xi yi oi ni I ME Z kN M M M Z m N ==⨯=--===∑∑∑∑ 0.720.6720.0482i i ni B e Z m =-=-=<0.35B=0.50(满足规定) 12697.3860.048(1)(1)1.444 1.44480.88800()53.98i N e B B KPa σσ⨯=±=±=<∑满足要求2-2截面:239.314214.2i G A kN γ==⨯=1221118 6.450.26498.84722cos()98.847cos(035)80.97sin()98.847sin(035)56.7i X i y i E H KK KN E E KNE E KN γαδαδ==⨯⨯⨯==+=⨯+==+=⨯+=12121118.68,95.54,1.688,0.8582.15, 2.0883270.92118.68 1.68895.540.85856.7 2.088400.69.i i g g i xi yi i I YI yi i gi yi yi G kN G kN Z m Z mH Z m Z m N G E KN M G Z E Z KN m ========+==+=⨯+⨯+⨯=∑∑80.97 2.15174.08.400.69174.080.836270.92Oi xi xi yi oi ni I ME Z kN M M M Z m N ==⨯=--===∑∑∑∑ 1.0440.8360.2082i i ni B e Z m =-=-=<0.35B=0.50(满足规定) 126270.9260.208(1)(1)2.088 2.088215.56800()52.2i N e B B KPa σσ⨯=±=±=<∑满足要求(8),剪应力验算水平方向剪切验算1-1截面剪切面上水平剪力等于1-1截面以上墙身折受水平土压力,则: 120.24314.021601.444ixi i i T E kpa kpa B B τ====<∑∑ 2-2截面剪切面上水平剪力等于2-2截面以上墙身折受水平土压力,则: 180.9738.781602.088i xi i i T E kpa kpa B B τ====<∑∑ 第二层挡土墙验算:t 000353570700.639632.6A g tg tg tg ψαδϕθψθ=-==++=++==-+=-+== 荷载换算:0495.23/8.59 3.218q h m r === ()()122cos()cos(32.635)()(32.60)sin()sin(32.635)0.2643.2 1.91111870.264 1.91222.3622cos()222.36cos(035)182.15sin()222.36sin X y KK tg tg tg tg E H KK kn E E E E θϕθαθϕγαδαδ++=+=+++=⨯===⨯⨯⨯⨯==+=⨯+==+=⨯1=2主动土压力系数3主动土压力E2K 1+7()1(035)127.544 3.2 2.89332.5y X H Z m K Z m+==+==y土压力作用点位置Z (4) 挡土旳抗滑稳定性验算yc Xyu N E K E N G E +=→=+∑∑∑其中N 作用于基底竖向力的代数和(KN)即()y c X u G E K E +==∑0.5(225.4127.54) 1.51182.15⨯+=>1.3(满足规定) (5).挡土墙旳抗倾覆稳定性验算11223344118.68 2.1895.540.9359.53 1.6916.37 1.1387.22 2.588 1.95 1.5124.56 2.67y x l a f G X G X G X G X E Z K E Z ++++⨯=⨯+⨯+⨯+⨯+⨯==>⨯ (6) 基底偏心距与基底应力计算:0118.68 2.1895.540.9359.53 1.6916.37 1.1387.22 2.588124.56 2.67 1.24290.112.588/2 1.240.0540.647()24y n n M M Z N B B e Z m -=⨯+⨯+⨯+⨯+⨯-⨯===-=-=<=∑∑∑满足要求126290.1187.2260.054(1)(1)2.588 2.588164.05800()127.55y G E N M e A W BB KPa σσ++⨯=±=±=±=<∑∑满足要求(7) 墙身截面验算法向应力及偏心距e 验算1-1截面;23 3.61883.21i G A kN γ==⨯=1221118 3.2250.26424.71222cos()24.712cos(035)20.243sin()24.712sin(035)14.174i X i y i E H KK KNE E KN E E KN γαδαδ==⨯⨯⨯==+=⨯+==+=⨯+=1212123.87,59.34,0.21, 1.041.075, 1.444397.3823.870.2159.34 1.0414.174 1.44487.19.i i g g i xi yi i I YI yi i gi yi yi G kN G kN Z m Z mH Z m Z m N G E KN M G Z E Z KN m ========+==+=⨯+⨯+⨯=∑∑20.243 1.07521.76.87.1921.760.67297.38Oi xi xi yi oi ni I ME Z kN M M M Z m N ==⨯=--===∑∑∑∑ 0.720.6720.0482i i ni B e Z m =-=-=<0.35B=0.50(满足规定) 12697.3860.048(1)(1)1.444 1.44480.88800()53.98i N e B B KPa σσ⨯=±=±=<∑满足要求2-2截面:23 3.61883.21i G A kN γ==⨯=1221118 6.450.26498.84722cos()98.847cos(035)80.97sin()98.847sin(035)56.7i X i y i E H KK KN E E KNE E KNγαδαδ==⨯⨯⨯==+=⨯+==+=⨯+=12121118.68,95.54,1.688,0.8582.15, 2.0883270.92118.68 1.68895.540.85856.7 2.088400.69.i i g g i xi yi i I YI yi i gi yi yi G kN G kN Z m Z mH Z m Z m N G E KN M G Z E Z KN m ========+==+=⨯+⨯+⨯=∑∑80.97 2.15174.08.400.69174.080.836270.92Oi xi xi yi oi ni I ME Z kN M M M Z m N ==⨯=--===∑∑∑∑ 1.0440.8360.2082i i ni B e Z m =-=-=<0.35B=0.50(满足规定)126270.9260.208(1)(1)2.088 2.088215.56800()52.2i N e B B KPa σσ⨯=±=±=<∑满足要求(8),剪应力验算水平方向剪切验算1-1截面剪切面上水平剪力等于1-1截面以上墙身折受水平土压力,则:120.24314.021601.444ixi i i T E kpa kpa B B τ====<∑∑ 2-2截面剪切面上水平剪力等于2-2截面以上墙身折受水平土压力,则:180.9738.781602.088i xi i i T E kpa kpa B B τ====<∑∑第二层 0 5.223/1.93 3.4418q h m r ⨯=== (2)破裂角θ与土压力旳计算()()2t 000353570700.639632.6cos()cos(32.635)()(32.60)sin()sin(32.635)0.264 1.9812A g tg tg tg KK tg tg tg tg E H K ψαδϕθψθθϕθαθϕγ=-==++=++==-+=-+==++=+=+++===01=2主动土压力系数3主动土压力E2h K 1+H()120111870.264 1.98230.522cos()230.53cos(035)188.83sin()230.53sin(035)132.224 2.91333.14X y y x K E E E E h H Z K Z mαδαδ=⨯⨯⨯⨯==+=⨯+==+=⨯+==+==y土压力作用点位置Z(4) 挡土旳抗滑稳定性验算yc Xyu N E K E N G E +=→=+∑∑∑其中N 作用于基底竖向力的代数和(KN)即()y c X u G E K E +==∑0.6(478.048132.22) 1.51188.83⨯+=>1.3(满足规定) (5).挡土墙旳抗倾覆稳定性验算112233199.64 2.4488.412 1.3357.77 1.5132.22 3.14 2.0 1.5188.83 2.91y x l a f G X G X G X E Z K E Z ++++⨯=⨯+⨯+⨯+⨯==>⨯(6) 基底偏心距与基底应力计算:0199.64 2.4488.412 1.3357.77 1.5132.22 3.14188.83 2.910.913478.048132.223.14/20.9130.6570.785()24y nn M M Z N B B e Z m -=⨯+⨯+⨯+⨯-⨯==+=-=-=<=∑∑∑满足要求126478.048132.2260.657(1)(1)3.14 3.14438.35800()49.6380y G E N M e A W B B KPa KPaσσ++⨯=±=±=±<=->-∑∑满足要求(7) 墙身截面验算法向应力及偏心距e 验算1-1截面;23 5.27121.21i G A kN γ==⨯=1221118 3.10.264 1.9845.2122cos()45.21cos(035)37sin()45.21sin(035)25.9i X i y i E H KK KN E E KNE E KNγαδαδ==⨯⨯⨯⨯==+=⨯+==+=⨯+=1212199.8,21.39,1.32,0.4131.033,2.023147.1199.8 1.3221.390.41325.9 2.02192.88.i i g g i xi yi i I YI yi i gi yi yi G kN G kN Z m Z mH Z m Z m N G E KN M G Z E Z KN m ========+==+=⨯+⨯+⨯=∑∑37 1.03338.22.192.8838.22 1.05147.11Oi xi xi yi oi ni I ME Z kN M M M Z m N ==⨯=--===∑∑∑∑ 1.01 1.050.042i i ni B e Z m =-=-=-<0.35B=0.50(满足规定) 126147.1160.04(1)(1)2.02 2.0281.48800()64.17i N e B B KPa σσ⨯=±=±=<∑满足要求2-2截面:2312.524288.05i G A kN γ==⨯=1221118 6.20.264 1.98180.8422cos()180.84cos(035)148.14sin()180.84sin(035)103.72i X i y i E H KK KN E E KNE E KNγαδαδ==⨯⨯⨯⨯==+=⨯+==+=⨯+=12121199.64,88.42,1.94,0.832.06, 2.643391.77199.64 1.9488.420.83103.72 2.64734.50.i i g g i xi yi i I YI yi i gi yi yi G kN G kN Z m Z mH Z m Z m N G E KN M G Z E Z KN m========+==+=⨯+⨯+⨯=∑∑148.14 2.06305.17.734.50305.17 1.096391.77Oi xi xi yi oi ni I ME Z kN M M M Z m N ==⨯=--===∑∑∑∑ 1.32 1.0960.2242i i ni B e Z m =-=-=<0.35B=0.924(满足规定) 126391.7760.224(1)(1)2.64 2.64223.9800()72.8i N e B B KPa σσ⨯=±=±=<∑满足要求(8),剪应力验算水平方向剪切验算1-1截面剪切面上水平剪力等于1-1截面以上墙身折受水平土压力,则: 13718.31602.02ixi i i T E kpa kpa B B τ====<∑∑ 2-2截面剪切面上水平剪力等于2-2截面以上墙身折受水平土压力,则: 1148.1456.11602.64ixi i i T E kpa kpa B B τ====<∑∑ 验算成果满足规定.桩号0+060,截面尺寸如图所示,12128,0.8, 2.088, 2.788,0.5,1,0.558s h m b m b m b m b m h m h m =======墙面坡度1:0.2,墙底与地基旳交角0.2:1,基地摩擦系数f=0.5(1)汽车荷载当量换算L B=Nb+(N-1)d=4 3.5+30.5=15.5m 4550h 0.531815.515NQ m BL γ汽车前后轮总距(2)破裂角 与土压力旳计算()()12t 000353570700.639632.6cos()cos(32.635)()(32.60)sin()sin(32.635)0.264112A g tg tg tg KK tg tg tg tg E H KK ψαδϕθψθθϕθαθϕγ=-==++=++==-=-+==++=+=+++====01=2主动土压力系数3主动土压力E2h K 1+H()20111880.264152.0642cos()152.064cos(035)124.56sin()152.064sin(035)87.224 2.6733X y y E E E E h H Z K αδαδ⨯⨯⨯==+=⨯+==+=⨯+==+=y土压力作用点位置Z(3)挡土墙自重G1234()23(5.16 4.154 2.5880.712)290.11()G A A A A A KN γγ==+++=⨯+++=12342.19,0.93, 1.69, 1.13X m X m X m X m ====1234118.68,95.45,59.53,16.37G KN G KN G KN G KN ====(4) 挡土旳抗滑稳定性验算 yc Xy u N E K E N G E +=→=+∑∑∑其中N 作用于基底竖向力的代数和(KN)即()cos sin cos ()sin y X c X y u G E E K E G E αααα++==-+∑0.5((290.1187.22)cos11.3124.56sin11.3)2.04124.56cos11.3(290.1187.22)sin11.3⨯+⨯+⨯=⨯-+⨯>1.3(满足规定)(5).挡土墙旳抗倾覆稳定性验算11223344118.68 2.1895.540.9359.53 1.6916.37 1.1387.22 2.5881.95 1.5124.56 2.67y xl a fG X G X G X G X E Z K E Z ++++⨯=⨯+⨯+⨯+⨯+⨯==>⨯(6) 基底偏心距与基底应力计算:118.68 2.1895.540.9359.53 1.6916.37 1.1387.22 2.588124.56 2.67290.111.242.588/2 1.240.0540.647()24yn n M MZ NB Be Z m -=⨯+⨯+⨯+⨯+⨯-⨯===-=-=<=∑∑∑满足要求126290.1187.2260.054(1)(1)2.588 2.588164.05800()127.55y G E N M e A W B B KPa σσ++⨯=±=±=±=<∑∑满足要求(7) 墙身截面验算法向应力及偏心距e 验算 1-1截面;23 3.61883.21i G A kN γ==⨯=1221118 3.2250.26424.71222cos()24.712cos(035)20.243sin()24.712sin(035)14.174i X i y i E H KK KNE E KNE E KNγαδαδ==⨯⨯⨯==+=⨯+==+=⨯+=1212123.87,59.34,0.21, 1.041.075, 1.444397.3823.870.2159.34 1.0414.174 1.44487.19.i i g g ixi yi i I YI yii gi yi yi G kN G kN Z m Z m H Z m Z m N G E KN MG Z E Z KN m========+==+=⨯+⨯+⨯=∑∑20.243 1.07521.76.87.1921.760.67297.38Oixi xi yioiniIME Z kN MM M Z mN==⨯=--===∑∑∑∑ 0.720.6720.0482ii ni B e Z m =-=-=<0.35B=0.50(满足规定) 12697.3860.048(1)(1)1.444 1.44480.88800()53.98i N e B B KPa σσ⨯=±=±=<∑满足要求2-2截面:239.314214.2i G A kN γ==⨯=1221118 6.450.26498.84722cos()98.847cos(035)80.97sin()98.847sin(035)56.7i X i y i E H KK KNE E KNE E KNγαδαδ==⨯⨯⨯==+=⨯+==+=⨯+=12121118.68,95.54,1.688,0.8582.15, 2.0883270.92118.68 1.68895.540.85856.7 2.088400.69.i i g g ixi yi i I YI yii gi yi yi G kN G kN Z m Z m H Z m Z m N G E KN MG Z E Z KN m========+==+=⨯+⨯+⨯=∑∑80.97 2.15174.08.400.69174.080.836270.92Oixi xi yioini IME Z kN MM M Z mN==⨯=--===∑∑∑∑ 1.0440.8360.2082ii ni B e Z m =-=-=<0.35B=0.50(满足规定) 126270.9260.208(1)(1)2.088 2.088215.56800()52.2i N e B B KPa σσ⨯=±=±=<∑满足要求(8),剪应力验算 水平方向剪切验算1-1截面剪切面上水平剪力等于1-1截面以上墙身折受水平土压力,则:120.24314.021601.444ixiiiT Ekpa kpa B B τ====<∑∑2-2截面剪切面上水平剪力等于2-2截面以上墙身折受水平土压力,则:180.9738.781602.088ixiiiT Ekpa kpa B B τ====<∑∑ 验算成果满足规定.0.264K0桩号K0+080(1)求破裂角及系数K 由上可知=32.6,θθ2002411118250.26459.4/223548.7/3534.1//31.6710.742332.2/20.542346/0.6 1.52320.7/10.4 1.523 6.9/20.32/30.70.47X Y Y H K KN mE E COS KN m E E SIN KN mZ H mKN m G KN m KN mG KN m X 13(2)稳定性验算E= G G γ2341.250.751.0m X m X m Xm/0///(32.24620.76.934.1)11.348.711.3146.7/20.3/4.3 1.31.8 1.5X X Y N N COS E SIN COS SIN KN mT E COS NSIN KN mN TM M c 0抗滑移验算:K 满足要求抗倾覆验算:K 满足要求ααααμ00////////1////2/// 1.5/11.3 1.530.54/20.225/50.316(1)180.56(1)11.3YN N B COS COS mM M Z m Ne B Z m B m N e Kpa BBN e KpaBB/(3)基底应力及合力偏心距验算B 满足要求满足要求ασσσσ1212210.352238.05/20.522323/20.350.2330.350.250.6111840.2649.5/229.3/1.9//30.67238.051.932.95/X Y yi iyiyi i Gi yi y G KN mG KN mX m X m E H K KN mE KN m E KN m Z H m N G E KN m M G Z E Z (4)墙身截面验算截面:ΙΙγ8.050.23230.61.90.8517.39.30.673.44ioixi xiKNM E Z KN1217.3 3.440.432.950.85/20.40.0250.30.255632.9560.025(1)(1)45.60.850.85632.9560.025(1)(1)31.90.850.859.yioiNi iiNi iiaii ia i ii iiM M Z m N e Bi Z B m N e Kpa B B N e KpaB B T B 满足要求剪切力验算:σσσστ310.90.85Kpa 满足要求τ121210.742332.2/20.542346/20.70.4730.70.250.95G KN m G KN m X m X m 截面:ΠΠ21118160.26438/2237.3/7.4//31.33X Y yE H K KN mE KN m E KN m Z H mγ85.6/67.849.60.3i i yiyi i Gi yi yi oi xi xi yioiNiiN G E KN m M G Z E Z KNM E Z KN M M Z m N 120.85/20.40.30.30.366(1)178.36(1)35.737.331.11.2iNi iiaii ia i iiiie Bi Z B mN e Kpa B B N e KpaB B T Kpa B 满足要求剪切力验算:满足要求综上所述,该挡土墙设计满足要求。
挡土墙工程量计算书一、工程概述本挡土墙工程位于_____(具体位置),主要用于_____(作用及目的)。
挡土墙的结构形式为_____(如重力式、悬臂式等),墙体高度为_____(具体高度范围),长度为_____(总长度)。
二、计算依据1、设计图纸及相关说明文件2、国家及地方现行的有关建筑工程工程量计算规范和标准3、施工组织设计及施工方案三、计算内容1、基础工程量基础开挖土方量:根据基础的尺寸(长度、宽度、深度),按照梯形或矩形体积计算公式进行计算。
基础混凝土量:基础的形状(如条形基础)和尺寸确定混凝土的体积。
2、墙体工程量墙体砌石量(或混凝土量):根据墙体的高度、长度、厚度,计算墙体的体积。
墙背填土量:考虑墙背的形状和尺寸,计算填土的体积。
3、排水设施工程量排水孔数量及长度:根据设计要求确定排水孔的数量和每个排水孔的长度。
排水管长度:如果有排水管,计算其总长度。
4、伸缩缝工程量伸缩缝的数量:根据墙体长度和设计间距确定。
伸缩缝填充材料量:根据伸缩缝的尺寸计算填充材料的体积。
四、计算过程1、基础开挖土方量计算基础的形状假设为矩形,长度为 L1 米,宽度为 B1 米,深度为 H1 米。
则基础开挖土方量 V1 = L1 × B1 × H1 (立方米)例如,L1 = 10 米,B1 = 2 米,H1 = 15 米,则 V1 = 10 × 2 × 15 = 30 立方米2、基础混凝土量计算基础混凝土的形状与基础开挖形状相同,长度为 L1 米,宽度为 B1 米,高度为 H2 米。
则基础混凝土量 V2 = L1 × B1 × H2 (立方米)假设 H2 = 05 米,则 V2 = 10 × 2 × 05 = 10 立方米3、墙体砌石量计算墙体高度为 H 米,长度为 L 米,厚度为 B 米。
墙体体积 V3 = L × B × H (立方米)例如,L = 50 米,B = 08 米,H = 5 米,则 V3 = 50 × 08 × 5 =200 立方米4、墙背填土量计算墙背填土的形状假设为梯形,上底宽度为 B2 米,下底宽度为 B3 米,高度为 H 米,长度为 L 米。
DQ1地 下 室 侧 壁 计 算 书 条件:1、土质参数:容重γ=18kN/mm γ` = 11kN/mm Ko=0.50,地下水头高度H1=3300mm ;(在负一层)2、地下室参数:覆土层厚Lo=800mm ,地下一层层高L1=3700mm ,地下二层层高L2=3300mm ,地下三层层高L3=3300mm ;地面堆载p=10kN/mm d1=300mm ;地下二层d2=350mm ;地下三层d3=400mm ;临水面保护层为50mm ;3、材料参数:混凝土强度等级为C30,fc=14.3 N/mmfy=360N/mm计算:1、荷载计算,土压力按静止土压力计算 [《全国民用建筑工程设计技术措施》2.6.2] 堆载折算为土压力 q1=Ko ×p=0.50×10=5.00kN/mm地下水位以上土压力 q2=Ko ×γ×H1=0.50×18×3300×10=29.70kN/mm 地下水位以下土压力 q3=Ko ×γ`×H2=0.50×11×7800×10=42.90kN/mm 水压力 q4=γw ×H2=10×7800×10=78.00kN/mm qD=q1+Ko ×γ×Lo=12.20kN/mmqC=q1+q2+(Ko ×γ` +10)×(L1+Lo-H1)=53.30kN/mmqB=q1+q2+(Ko ×γ` +10)×(L2+L1+Lo-H1)=104.45kN/mmqA=q1+q2+q3+q4=155.60kN/mm2、弯距计算,按多跨梁弯距分配法支座弯距调幅计算, 顶点按铰支座,其余按固支座,按静力计算手册计算 Mdc=0;Mcd=1.2×(7×qD+8×qC)×L1/120=70.07 kN.mMcb=1.2×qC ×L2/12+1.2×(qB-qC)×L2/30=80.32 kN.m Mbc=1.2×qC ×L2/12+1.2×(qB-qC)×L2/20=91.47 kN.m Mba=1.2×qB ×L3/12+1.2×(qA-qB)×L3/30=136.03 kN.m Mab=1.2×qB ×L3/12+1.2×(qA-qB)×L3/20=147.17 kN.m 弯距分配:D 点: C 点: B 点: A 点:截面: 1000×300 1000×350 1000×400 线刚度i=I/L : 0.61×10 1.08×10 1.62×10 分配系数μ: 0.30;0.70; 0.40;0.60 0 固端弯距: -70.07;+80.32; -91.47;+136.03; -147.17 开始分配: -3.04;-7.22 -17.88;-26.69 0 0;-8.94; -3.61;0 -13.34 +3.59;+6.29; +1.45;+2.16 0 0;+0.72; +3.14;0 +1.08 -0.21;-0.51; -1.26;-1.88 0 0;-0.63; -0.25;0 -0.94 支座弯距: ∑=-69.73;∑=70.04 ∑=-109.87;∑=109.62 ∑=-160.37简化为 Mc=70kN.m Mb=110kN.m Ma=160kN.m 支座调幅后 Mc=70kN.m Mb=110kN.m Ma=160kN.m 根据规范公式7.1.4: ξb=0.8÷{1+360÷[20000×(0.0033-<10-50>×10)]}=0.5382 根据规范公式7.2.1-1:受压区高度x=ho-(ho -2*M/α1/fc/b)xc=250-( 250- 2×56×10/1.0/14.3/1000)=16.80mm<ξb ×ho=134.55mm xb=300-( 300- 2×88×10/1.0/14.3/1000)=18.78mm<ξb ×ho=161.45mm xa=350-( 350- 2×128×10/1.0/14.3/1000)=26.61mm<ξb ×ho=188.36mm 根据规范公式7.2.1-2:纵向受拉钢筋 As=α1×fc ×b ×x/fyAsc=1×14.3×1000×16.80/360=667mm Asb=1×14.3×1000×18.78/360=746mm Asa=1×14.3×1000×26.61/360=1,057mm3、裂缝计算:弯距标准值: Mc=70/1.2=58kN.m Mb=110/1.2=91kN.m Ma=160/1.2=134kN.m 14@110钢筋面积As1=1,399mm 16@100钢筋面积As2=2,011mm 16@80钢筋面积As3=2,513mm 带肋钢筋的相对粘结特性系数 υ = 1.0 矩形截面受弯构件,构件受力特征系数 αcr = 2.1 对矩形截面的受弯构件:Ate=0.5×b ×h负一层: Ate1=0.5×1000×300=150000mm 负二层: Ate2=0.5×1000×350=175000mm 负三层: Ate3=0.5×1000×400=200000mm负一层: ρte1=As1/Ate1=1399.43554545455/150000=0.0093 负二层: ρte2=As2/Ate2=2010.6176/175000=0.0115 负三层: ρte3=As3/Ate3=2513.272/200000=0.0126 在最大裂缝宽度计算中,当ρte <0.01 时,取ρte = 0.01 纵向受拉钢筋的等效应力σsk=Mk/(0.87×ho ×As)负一层: σsk1=58×10/(0.87×250×1,399)=192N/mm 负二层: σsk2=91×10/(0.87×300×2,011)=174N/mm 负三层: σsk3=134×10/(0.87×350×2,513)=175N/mm 钢筋应变不均匀系数 ψ=1.1-0.65×ftk/ρte/σsk负一层: ψ1=1.1-0.65×2.01/0.01/192/=0.4187 负二层: ψ2=1.1-0.65×2.01/0.01/174/=0.4468 负三层: ψ3=1.1-0.65×2.01/0.01/175/=0.5046最大裂缝宽度 ωmax=αcr ×ψ×σsk ×(1.9×c+0.08×deq/ρte)/Es负一层:ωmax1=2.1×0.4187×192×(1.9×50+0.08×14/0.01)/200000=0.17mm 负二层:ωmax2=2.1×0.4468×174×(1.9×50+0.08×16/0.01)/200000=0.17mm 负三层:ωmax3=2.1×0.5046×175×(1.9×50+0.08×16/0.01)/200000=0.18mmDQ2地 下 室 侧 壁 计 算 书条件:1、土质参数:容重γ=18kN/mm γ` = 11kN/mm K=0.50,地下水位设防高度为=3300mm ;2、地下室参数:覆土层厚h1=0mm ,地下室侧墙计算跨度Lo=3300mm ,临水面保护层为50mm ; 地面堆载q=20kN/mm d=400mm ,截面有效高度ho=350mm3、材料参数:混凝土强度等级为C30,fc=14.3 N/mm 拉强度为fy=360N/mm 计算:1、荷载计算,土压力按静止土压力计算 [《全国民用建筑工程设计技术措施》2.6.2] 堆载折算为土压力 q1=K ×q=0.50×20=10.00kN/mm地下水位以上土压力 q2=K ×γ×(h1+h2)=0.50×18×(0.00+0.00)=0.00kN/mm 地下水位以下土压力 q3=K ×γ`×h3=0.50×11×3.3=18.15kN/mm 水压力 q4=γw ×h3=10×3.3=33.00kN/mm2、支座弯距计算,按单向板底端固定顶端简支计算,查静力计算手册 m1=q1×Lo /8=10.00× 3.3/8=13.61kN.m m2=q2×Lo /15=0.00× 3.3/15=0.00kN.m m3=q1×Lo /15=18.15× 3.3/15=13.18kN.m m4=q1×Lo /8=33.00× 3.3/15=23.96kN.m3、强度计算:土压力及水压力均按恒载考虑,[《全国民用建筑工程设计技术措施》2.6.2],按支座调幅计算 m=1.00×1.35×(m1+m2+m3+m4)=68.51kN.mξb=0.8÷{1+360÷[20000×(0.0033-<30-50>×0.00001)]}=0.5283 《砼》规公式7.1.4x=ho-√(ho -2×m/α1/fc/b)=350-√(350-2×68.51×1000000/1/14.3/1000) 《砼》规公式7.2.1-1 =13.97mm<ξb ×ho=184.91mmAs=α1×fc ×b ×x/fy 《砼》规公式7.2.1-2 =1×14.3×1000×13.97/360=555mm 4、裂缝计算:弯距标准组合Mk=m1+m2+m3+m4=13.61+0.00+13.18+23.96=50.75kN.m 14@150钢筋面积As=1,026mm 带肋钢筋的相对粘结特性系数 υ = 1.0 矩形截面受弯构件,构件受力特征系数 αcr = 2.1对矩形截面的受弯构件:Ate=0.5×b ×h=0.5×1000×350=200000mm ρte=As/Ate=1,026/200000=0.0051在最大裂缝宽度计算中,当ρte <0.01 时,取ρte = 0.01 纵向受拉钢筋的等效应力σsk=Mk/(0.87×ho ×As)=51×1000000/(0.87×350×1,026)=162 N/mm 钢筋应变不均匀系数 ψ=1.1-0.65×ftk/ρte/σsk=1.1-0.65×2.01/0.01/162/=0.2955最大裂缝宽度 ωmax=αcr ×ψ×σsk ×(1.9×c+0.08×deq/ρte)/Es=2.1×0.2955×162×(1.9×50+0.08×14/0.01)/200000=0.1043mmDQ3地 下 室 侧 壁 计 算 书 条件:1、土质参数:容重γ=18kN/mm γ` = 11kN/mm Ko=0.50,设防水位标高H3=-4.3mm ;(在负一层)2、地下室参数:覆土层厚h1=1.10mm ,地下一层层高L1=3.70mm ,地下二层层高L2=3.30mm ; 地面堆载p=10kN/mm d1=300mm ;地下二层d2=350mm ; 临水面保护层为50mm ;3、材料参数:混凝土强度等级为C30,fc=14.3 N/mmfy=360N/mm计算:1、荷载计算,土压力按静止土压力计算 [《全国民用建筑工程设计技术措施》2.6.2] 堆载折算为土压力 q1=Ko ×p=0.50×10=5.00kN/mm地下水位以上土压力 q2=Ko ×γ×(h1+h2)=0.50×18×4.3=38.70kN/mm 地下水位以下土压力 q3=Ko ×γ`×(h3 + h4)=0.50×11×3.8=20.90kN/mm 水压力 q4=γw ×(h3 + h4)=10×3.8=38.00kN/mm qC=q1+Ko ×γ×h1=14.90kN/mmqB=q1+q2+ko ×γ`×h3+γw ×h3=51.45kN/mmqA=q1+q2+q3+q4=102.60kN/mm2、弯距计算,按多跨梁弯距分配法支座弯距调幅计算, 顶点按铰支座,其余按固支座,按静力计算手册计算 Mcb=0;Mbc=1.35×(7×qC+8×qB)×L1/120=79.46 kN.m Mba=1.35×qB ×L2/12=63.03 kN.mMab=1.35×(qA-qB)×L2/20+Mba=100.63 kN.m 弯距分配:C 点: B 点: A 点: 截面: 1000×300 1000×350 线刚度i=I/L : 608.111,082.70分配系数μ: 0.36;0.64; 0 固端弯距: -79.46;+63.03; -100.63 开始分配: --5.91;--10.52 0 0;0 --5.26 支座弯距: ∑=-73.55;∑=73.55 ∑=-95.37 3、强度计算:支座调幅后mb=1.00×73.55=73.55 kN.m ;ma=1.00×95.37=95.37 kN.m根据规范公式7.1.4: ξb=β÷{1+360÷[20000×(0.0033-<30-50>×100000)]}=0.5283 根据规范公式7.2.1-1:受压区高度x=ho-√(ho -2*M/α1/fc/b)x1=250-√( 250- 2×74×1000000/1.0/14.3/1000)=21.50mm<ξb ×ho=132.08mm x2=300-√( 300- 2×95×1000000/1.0/14.3/1000)=23.12mm<ξb ×ho=158.49mm 根据规范公式7.2.1-2:纵向受拉钢筋 As=α1×fc ×b ×x/fy As1=1 ×14.3×1000×21.50/360=854mm As2=1×14.3×1000×23.12/360=918mm 4、裂缝计算:弯距标准值:Mk1=74/1.35=54kN.m ; Mk2=95/1.35=71kN.m 14@120钢筋面积As1=1,283mm 14@110钢筋面积As1=1,399mm 带肋钢筋的相对粘结特性系数 υ = 1.0 矩形截面受弯构件,构件受力特征系数 αcr = 2.1 对矩形截面的受弯构件:Ate=0.5×b ×h负一层: Ate1=0.5×1000×300=150000mm 负二层: Ate2=0.5×1000×350=175000mm 负一层: ρte1=As1/Ate1=1,283/150000=0.0086 负二层: ρte2=As2/Ate2=1,399/175000=0.0080 在最大裂缝宽度计算中,当ρte <0.01 时,取ρte = 0.01 纵向受拉钢筋的等效应力σsk=Mk/(0.87×ho ×As)负一层: σsk1=54×1000000/(0.87×250×1,283)=195N/mm 负二层: σsk2=71×1000000/(0.87×300×1,399)=193N/mm 钢筋应变不均匀系数 ψ=1.1-0.65×ftk/ρte/σsk负一层: ψ1=1.1-0.65×2.01/0.01/195/=0.4309 负二层: ψ2=1.1-0.65×2.01/0.01/193/=0.4245最大裂缝宽度 ωmax=αcr ×ψ×σsk ×(1.9×c+0.08×deq/ρte)/Es负一层:ωmax1=2.1×0.4309×195×(1.9×50+0.08×14/0.01)/200000=0.18mm 负二层:ωmax2=2.1×0.4245×193×(1.9×50+0.08×14/0.01)/200000=0.18mmDQ4地 下 室 侧 壁 计 算 书 条件:1、土质参数:容重γ=18kN/mm γ` = 11kN/mm Ko=0.50,设防水位标高H3=-3.7mm ;(在负一层)2、地下室参数:覆土层厚h1=0.00mm ,地下一层层高L1=3.70mm ,地下二层层高L2=3.30mm ; 地面堆载p=5kN/mm d1=300mm ;地下二层d2=350mm ; 临水面保护层为50mm ;3、材料参数:混凝土强度等级为C30,fc=14.3 N/mmfy=360N/mm计算:1、荷载计算,土压力按静止土压力计算 [《全国民用建筑工程设计技术措施》2.6.2] 堆载折算为土压力 q1=Ko ×p=0.50×5=2.50kN/mm地下水位以上土压力 q2=Ko ×γ×(h1+h2)=0.50×18×3.7=33.30kN/mm 地下水位以下土压力 q3=Ko ×γ`×(h3 + h4)=0.50×11×3.3=18.15kN/mm 水压力 q4=γw ×(h3 + h4)=10×3.3=33.00kN/mm qC=q1+Ko ×γ×h1=2.50kN/mmqB=q1+q2+ko ×γ`×h3+γw ×h3=35.80kN/mmqA=q1+q2+q3+q4=86.95kN/mm2、弯距计算,按多跨梁弯距分配法支座弯距调幅计算, 顶点按铰支座,其余按固支座,按静力计算手册计算 Mcb=0;Mbc=1.35×(7×qC+8×qB)×L1/120=46.80 kN.m Mba=1.35×qB ×L2/12=43.86 kN.mMab=1.35×(qA-qB)×L2/20+Mba=81.46 kN.m 弯距分配:C 点: B 点: A 点: 截面: 1000×300 1000×350 线刚度i=I/L : 608.111,082.70分配系数μ: 0.36;0.64; 0 固端弯距: -46.80;+43.86; -81.46 开始分配: --1.06;--1.89 0 0;0 --0.94 支座弯距: ∑=-45.75;∑=45.75 ∑=-80.52 3、强度计算:支座调幅后mb=1.00×45.75=45.75 kN.m ;ma=1.00×80.52=80.52 kN.m根据规范公式7.1.4: ξb=β÷{1+360÷[20000×(0.0033-<30-50>×100000)]}=0.5283 根据规范公式7.2.1-1:受压区高度x=ho-√(ho -2*M/α1/fc/b)x1=250-√( 250- 2×46×1000000/1.0/14.3/1000)=13.14mm<ξb ×ho=132.08mm x2=300-√( 300- 2×81×1000000/1.0/14.3/1000)=19.40mm<ξb ×ho=158.49mm 根据规范公式7.2.1-2:纵向受拉钢筋 As=α1×fc ×b ×x/fy As1=1 ×14.3×1000×13.14/360=522mm As2=1×14.3×1000×19.40/360=770mm 4、裂缝计算:弯距标准值:Mk1=46/1.35=34kN.m ; Mk2=81/1.35=60kN.m 14@200钢筋面积As1=770mm 14@110钢筋面积As1=1,399mm 带肋钢筋的相对粘结特性系数 υ = 1.0 矩形截面受弯构件,构件受力特征系数 αcr = 2.1 对矩形截面的受弯构件:Ate=0.5×b ×h负一层: Ate1=0.5×1000×300=150000mm 负二层: Ate2=0.5×1000×350=175000mm 负一层: ρte1=As1/Ate1=770/150000=0.0051 负二层: ρte2=As2/Ate2=1,399/175000=0.0080 在最大裂缝宽度计算中,当ρte <0.01 时,取ρte = 0.01 纵向受拉钢筋的等效应力σsk=Mk/(0.87×ho ×As)负一层: σsk1=34×1000000/(0.87×250×770)=202N/mm 负二层: σsk2=60×1000000/(0.87×300×1,399)=163N/mm 钢筋应变不均匀系数 ψ=1.1-0.65×ftk/ρte/σsk负一层: ψ1=1.1-0.65×2.01/0.01/202/=0.4545 负二层: ψ2=1.1-0.65×2.01/0.01/163/=0.2999最大裂缝宽度 ωmax=αcr ×ψ×σsk ×(1.9×c+0.08×deq/ρte)/Es负一层:ωmax1=2.1×0.4545×202×(1.9×50+0.08×14/0.01)/200000=0.20mm 负二层:ωmax2=2.1×0.2999×163×(1.9×50+0.08×14/0.01)/200000=0.11mmDQ5地下室侧壁计算书条件:1、土质参数:容重γ=18kN/mmγ` = 11kN/mm K=0.50,地下水位设防高度为=2300mm;2、地下室参数:覆土层厚h1=800mm,地下室侧墙计算跨度Lo=3700mm,临水面保护层为50mm;地面堆载q=20kN/mm d=300mm,截面有效高度ho=250mm3、材料参数:混凝土强度等级为C30,fc=14.3 N/mm fy=360N/mm计算:1、荷载计算,土压力按静止土压力计算[《全国民用建筑工程设计技术措施》2.6.2]堆载折算为土压力q1=K×q=0.50×20=10.00kN/mm地下水位以上土压力q2=K×γ×(h1+h2)=0.50×18×(0.80+1.40)=19.80kN/mm地下水位以下土压力q3=K×γ`×h3=0.50×11×2.3=12.65kN/mm水压力q4=γw×h3=10×2.3=23.00kN/mm2、支座弯距计算,按单向板底端固定顶端简支计算,查静力计算手册m1=q1×Lo/8=10.00×3.7/8=17.11kN.mm2=q2×Lo/15=19.80×3.7/15=18.07kN.mm3=q1×Lo/15=12.65×3.7/15=11.55kN.mm4=q1×Lo/8=23.00×3.7/15=20.99kN.m3、强度计算:土压力及水压力均按恒载考虑,[《全国民用建筑工程设计技术措施》2.6.2],按支座调幅计算m=1.00×1.35×(m1+m2+m3+m4)=91.42kN.mξb=0.8÷{1+360÷[20000×(0.0033-<30-50>×0.00001)]}=0.5283 《砼》规公式7.1.4x=ho-√(ho-2×m/α1/fc/b)=250-√(250-2×91.42×1000000/1/14.3/1000) 《砼》规公式7.2.1-1=27.03mm<ξb×ho=132.08mmAs=α1×fc×b×x/fy 《砼》规公式7.2.1-2=1×14.3×1000×27.03/360=1,074mm4、裂缝计算:弯距标准组合Mk=m1+m2+m3+m4=17.11+18.07+11.55+20.99=67.72kN.m14@100钢筋面积As=1,539mm带肋钢筋的相对粘结特性系数υ=1.0矩形截面受弯构件,构件受力特征系数αcr =2.1对矩形截面的受弯构件:Ate=0.5×b×h=0.5×1000×250=150000mmρte=As/Ate=1,539/150000=0.0103纵向受拉钢筋的等效应力σsk=Mk/(0.87×ho×As)=68×1000000/(0.87×250×1,539)=202 N/mm钢筋应变不均匀系数ψ=1.1-0.65×ftk/ρte/σsk=1.1-0.65×2.01/0.01/202/=0.4706最大裂缝宽度ωmax=αcr×ψ×σsk×(1.9×c+0.08×deq/ρte)/Es=2.1×0.4706×202×(1.9×50+0.08×14/0.01)/200000=0.2040mm。
挡土墙计算书按单向板(取1m宽)计算:q1静止土压力K0=0.5室外填土取1.5m厚室外活荷载取35 KN/m2折算土层厚度35/22=1.59m设计荷载:分项系数取:1.35q1=1.35K0γh=1.35×0.5×22×3.09=46.0 KN/mq2=1.35K0γh=1.35×0.5×22×(4.5+3.09)=113.0KN/m静力计算:q0= q2- q1=113.0-46.0=67.0KN/mR A=(11 q1+ 4q2)L/40=108.0 KNM B= -(7q1+ 8q2)L2/120=-207.0 KN·mM x= R A X-q1X2/2-q0X3/6L当X0=(γ-μ)L/(1-μ),式中μ= q1/ q2=0.407,γ=0.646,所以X0=1.81 mM max= R A X0-q1 X02/2-q0 X03/6L=105 KN·m调幅15%后得弯矩设M1=85% M max =89.0 KN.mM2=85%M B =176.0 KN.m板300mm厚,C50,fy=300,a=251.由弯矩设计值M1求配筋面积As:1.1 基本资料1.1.1 工程名称:M11.1.2 混凝土强度等级为C50,fc =23.1N/mm ,ft =1.89N/mm1.1.3 钢筋抗拉强度设计值fy =300N/mm ,Es =200000N/mm ;纵筋的混凝土保护层厚度 c =30mm所以as=c+a/2=42.5mm1.1.4 由弯矩设计值M 求配筋面积As,弯矩设计值M =89.0 kN·m1.1.5 截面尺寸b×h =1000×300,ho =h -as =300-42.5 =257.5mm 1.2 计算结果1.2.1 相对界限受压区高度ξb =β1 / [1 + fy / (Es ×εcu)]=0.8/[1+300/(200000×0.0033)] =0.5501.2.2 混凝土受压区高度x =ho -=257.5=15.4mm1.2.3 相对受压区高度ξ =x / ho =15.4/257.5 =0.060 ≤ξb =0.5501.2.4 纵筋受拉钢筋面积As =α1 ×fc×b ×x / fy=1×23.1×1000×15.4/300 =1186mm1.2.5 配筋率ρ =As / (b * ho) =1186/(1000*257.5) =0.46%纵筋的最小配筋率ρmin =Max{0.20%, 0.45ft/fy} =Max{0.20%, 0.28%} =0.28%配Ф14@125(1232mm ).裂缝宽度验算:1.1 基本资料1.1.1 工程名称:M11.1.2 矩形截面受弯构件构件受力特征系数αcr = 2.1 截面尺寸b×h =1000×300mm1.1.3 纵筋根数、直径:第1 种:8Φ14受拉区纵向钢筋的等效直径deq =∑(ni ×di2) / ∑(ni ×υ×di) =14mm 带肋钢筋的相对粘结特性系数υ =11.1.4 受拉纵筋面积As =1230mm 钢筋弹性模量Es =200000N/mm 1.1.5 最外层纵向受拉钢筋外边缘至受拉区底边的距离c =30mm纵向受拉钢筋合力点至截面近边的距离as =37mm ho =263mm1.1.6 混凝土轴心抗拉强度标准值ftk =2.64N/mm1.1.7 按荷载效应的标准组合计算的弯矩值Mk =78.0kN·m1.1.8 设计时执行的规范:《混凝土结构设计规范》(GB 50010-2002),以下简称混凝土规范1.2 最大裂缝宽度验算1.2.1 按有效受拉混凝土截面面积计算的纵向受拉钢筋配筋率ρte,按下式计算:ρte =As / Ate (混凝土规范式8.1.2-4)对矩形截面的受弯构件:Ate =0.5 ×b ×h =0.5×1000×300 =150000mmρte =As / Ate =1230/150000 =0.0082在最大裂缝宽度计算中,当ρte <0.01 时,取ρte =0.011.2.2 按荷载效应的标准组合计算的纵向受拉钢筋的等效应力σsk,按下列公式计算:受弯:σsk =Mk / (0.87 ×ho ×As) (混凝土规范式8.1.3-3)σsk =78000000/(0.87×263×1230) =277.0 N/mm1.2.3 裂缝间纵向受拉钢筋应变不均匀系数ψ,按混凝土规范式8.1.2-2 计算:ψ =1.1 - 0.65×ftk / (ρte×σsk) =1.1-0.65×2.64/(0.01×277) =0.4811.2.4 最大裂缝宽度ωmax,按混凝土规范式8.1.2-1 计算:ωmax =αcr ×ψ×σsk ×(1.9×c + 0.08 ×deq / ρte ) / Es=2.1×0.481×277×(1.9×30+0.08×14/0.01)/200000=0.236mm ≥ωlim =0.2mm,不满足要。
挡土墙工程量计算书一、工程概述本次工程为_____项目的挡土墙建设,其主要目的是为了防止土体坍塌、保障周边建筑物和道路的安全,并对地形进行有效的整理和划分。
挡土墙的位置位于_____,总长度为_____米,高度从_____米到_____米不等。
二、计算依据1、施工图纸:包括挡土墙的平面图、剖面图、详图等,详细标注了挡土墙的尺寸、形状和结构。
2、相关规范和标准:如《建筑地基基础设计规范》(GB 50007-2011)、《混凝土结构设计规范》(GB 50010-2010)等,确保计算的准确性和安全性。
3、现场实际测量数据:对施工现场的地形、地貌等进行测量,为计算提供实际依据。
三、计算内容1、挡土墙基础工程量基础长度:根据施工图纸,基础长度为挡土墙长度加上两端的悬挑长度,即_____米。
基础宽度:基础宽度根据设计要求确定为_____米。
基础深度:基础深度考虑到地基承载力和冻土深度等因素,确定为_____米。
基础体积:基础体积=基础长度 ×基础宽度 ×基础深度=_____立方米。
2、挡土墙墙身工程量墙身长度:同基础长度,为_____米。
墙身高度:墙身高度根据不同段落的设计要求,分别为_____米、_____米等。
墙身厚度:墙身厚度根据设计要求,底部为_____米,顶部为_____米。
墙身体积:墙身体积采用分段计算的方法,将墙身分为若干个梯形或矩形段,分别计算体积后相加。
例如,某一段墙身的高度为 h,底部宽度为 b1,顶部宽度为 b2,长度为 L,则该段墙身的体积为 V =(b1 + b2)× h × L ÷ 2 。
通过这种方法,计算出墙身的总体积为_____立方米。
3、泄水孔工程量泄水孔数量:根据设计要求,每隔_____米设置一个泄水孔,共设置_____个泄水孔。
泄水孔尺寸:泄水孔的直径为_____厘米。
泄水孔体积:泄水孔体积=泄水孔数量× π × (泄水孔直径 ÷ 2)²×墙身厚度=_____立方米。
计算书条件:1、土容重γ=18kN/mγ`=11kN/m内摩擦角取30度;按静止土压力计算Ka=0.5,2、地下室层高L=3.6mm;埋深H = 4m设防水位高h1= 0.5mm;墙厚=400mm地面堆载p= 50kN/m50mm3、混凝土强度等级为C25;钢筋抗拉强度fy=360计算1、强度计算:(1)荷载计算:Ka*p=25kN;Ka*γ*h1=4.5kN;Ka*γ`*(H-h1)=4.5kN;γw*(H - h1)=35kN荷载组合Q=1.4Ka*p+1.2[Kaγh1+Kaγ`(H - h1)+γw (H - h1)]= 105.5kN;按单跨梁计算,考虑塑性内力重分布,支座弯距调幅系数取0.8。
查静力计算手册,支座弯距系数为1/15;跨中弯距系数为0.0298。
(2)配筋计算:支座弯距M1=0.8*Q*L/15=0.8* 105.5*.0036/15=4.4821kN.m受压区高度x ho-(ho-2*γo*M/α/fc/b)=1.0777880044684mmAsα*fc*b*x/fy=35.62688mm跨中弯距M2=1.25*Q*L*0.0298= 1.25*105.5*.0036*0.0298=5.8643kN.m受压区高度x ho-(ho-2*γo*M/α/fc/b)=1.4108444591692mmAsα*fc*b*x/fy=46.63625mm(3)裂缝计算:荷载标准值Qk =Ka*p+Kaγh1+Kaγ`(H - h1)+γw (H - h1)=83.75kN弯距标准值Mk =Qk*L/15=4.668824kN.m矩形截面受弯构件,构件受力特征系数αcr =2.1带肋钢筋的相对粘结特性系数υ=1.0取1米宽墙计算,截面宽度 b =1000mm受拉区纵向钢筋的等效直径deq =∑(ni * di) / ∑(ni * υ* di) =16mm实配筋为16@150钢筋面积As=1340.412mm配筋率ρ=0.3830%按有效受拉混凝土截面面积计算的纵向受拉钢筋配筋率ρte,按下列公式计算:ρte = As / Ate (混凝土规范8.1.2-4)对矩形截面的受弯构件:Ate=0.5*b*h=0.5*1000*360=180000mm ρte = 1340.412/180000=0.010000在最大裂缝宽度计算中,当ρte<0.01 时,取ρte =0.01σsk = Mk/(0.87*ho*As)=4668824/(0.87* 350*1340.412)=11.4388377130445裂缝间纵向受拉钢筋应变不均匀系数ψ,按下列公式计算:ψ=1.1-0.65*ftk/ρte/σsk=0-9.01466399842873最大裂缝宽度ωmax,按下列公式计算:ωmax = αcr*ψ*σsk*(1.9*c+0.08*deq/ρte)/Es=-0.2300mm 满足要求。
地下室挡土墙计算书
地下室外墙计算(DXWQ-1)
项目名称构件编号日期
设计校对审核
执行规范:
《混凝土结构设计规范》(GB 50010-2010), 本文简称《混凝土规范》
《建筑结构荷载规范》(GB 50009-2012), 本文简称《荷载规范》
《人民防空地下室设计规范》(GB 50038-2005), 本文简称《人防规范》
钢筋:d - HPB300; D - HRB335; E - HRB400; F - RRB400; G - HRB500; P - HRBF335; Q - HRBF400; R - HRBF500
-----------------------------------------------------------------------
1 基本资料
1.1 几何信息
层高表
板边支撑条件表
1.2 荷载信息
1.3 配筋信息
1.4 计算选项信息
2 计算
(1)荷载计算
(2)内力计算
(3)配筋计算
(4)裂缝验算
荷载说明:
永久荷载:土压力荷载,上部恒载-平时,
可变荷载:地下水压力,地面活载,上部活载-平时平时组合:平时荷载基本组合
战时组合:战时荷载基本组合
准永久组合:平时荷载准永久组合(用于裂缝计算)
2.1 荷载计算
2.1.1 墙上竖向压力
平时组合(kN/m):1.200×0.000+1.400×0.000=0.000 准永久组合(kN/m):0.000+0.500×0.000=0.000
2.1.2 侧压荷载计算 (1) 土压力标准值(kPa)
水土分算,土侧压系数按主动土压力计算,土的内摩擦角15.0o ,主动土压力系数:
)
地下室顶面,标高-1.200, 总埋深1.000,全位于地下水位以上 ===p k
h ⨯⨯0.588191 11.172
=p w
土压力起算位置,标高-0.200 =p 0
=p w
-1层底,标高-4.500,总埋深4.300,地下水位以上2.700,地下水位以下1.600
=+=+=p k h 1k
(
)
-sat
w
h 2⨯⨯
0.58819 2.7⨯⨯0.588(
)-2010
1.6
39.572
===
p w w
h ⨯10 1.6
16
地下水位处, 标高-2.900,埋深2.700 ===p k
h ⨯⨯0.58819 2.7 30.164
=p w
式中:
p --------土压力(kN/m 2) p w --------水压力(kN/m 2) k --------土压力系数
r --------土的天然容重(kN/m 3) r sat --------土的饱和容重(kN/m 3) r w --------水的重度(kN/m 3)
h1 --------地下水位以上的土层厚度(m)
h2 --------地下水位以下的土层厚度(m) (2)地面上活载等效土压力(标准值,kPa):p=kG k=0.588×4.000=2.352
(3) 荷载组合系数表
(4) 侧压力荷载组合计算(kPa):
(5) 侧压荷载分解结果表(kPa):
注:表中所列三角荷载值是对应于各层底的荷载值(最大)
2.2 内力计算
按连续梁计算
竖向弯矩按连续梁模型计算,水平向弯矩仍按板块模型计算
调幅前(kN.m/m)
调幅:
竖向内力按连续梁计算,可考虑支座处塑性,对竖向弯矩进行调幅,调幅幅度0.8% 调幅后的弯矩(kN.m/m)
注:准永久组合的弯矩结果用于裂缝计算,此处不进行调幅。
平时组合弯矩图
准永久组合弯矩图
2.3 配筋及配筋成果表
2.3.1 配筋说明:
(1)配筋方法
水平按纯弯配筋,竖向按压弯配筋
(2)单位说明:
以下各表格中单位除说明外,配筋面积单位:mm2/m,裂缝宽度单位:mm,弯矩单位kN.m/m,轴力单位kN/m,配筋率:%
2.3.2 平时组合计算配筋表
2.3.3 控制情况计算配筋表
注:表中"计算As"取平时组合与战时组合计算配筋的较大值2.4 裂缝验算
按实际配筋,及相应于准永久组合的弹性内力进行计算
裂缝宽度限值:0.200mm
最大裂缝宽度:0.181<=0.200,满足要求。
2.5 实际配筋表
实际配筋简图
-----------------------------------------------------------------------
【理正结构设计工具箱软件 6.5PB3】计算日期: 2013-05-13 16:14:28 -----------------------------------------------------------------------。