重力式挡土墙设计计算书教学版
- 格式:doc
- 大小:314.00 KB
- 文档页数:24
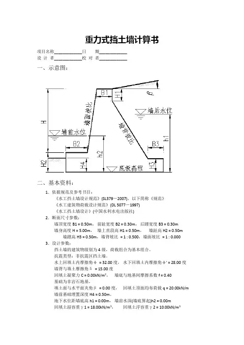
重力式挡土墙计算书项目名称_____________日期_____________设计者_____________校对者_____________一、示意图:二、基本资料:1.依据规范及参考书目:《水工挡土墙设计规范》(SL379-2007),以下简称《规范》《水工建筑物荷载设计规范》(DL 5077-1997)《水工挡土墙设计》(中国水利水电出版社)2.断面尺寸参数:墙顶宽度B1 = 0.50m,前趾宽度B2 = 0.30m,后踵宽度B3 = 0.30m墙身高度H = 5.00m,墙上直段高H1 = 0.50m,墙趾高H2 = 0.50m 墙踵高H3 = 0.50m,墙背坡比= 1 : 0.500,墙面坡比= 1 : 0.000 3.设计参数:挡土墙的建筑物级别为4级,荷载组合为基本组合。
抗震类型:非抗震区挡土墙。
水上回填土内摩擦角φ= 32.00度,水下回填土内摩擦角φ' = 28.00度墙背与填土摩擦角δ= 15.00度回填土凝聚力C = 0.00kN/m2,墙底与地基间摩擦系数f = 0.40基础为非岩石地基。
填土面与水平面夹角β= 0.00度,回填土顶面均布荷载q = 20.00kN/m墙前基础埋置深度H4 = 0.50m。
地下水位距墙底高h1 = 0.00m,墙前水深(墙底算起)h2 = 0.00m回填土湿容重γ1 = 18.00kN/m3,回填土浮容重γ2 = 10.00kN/m3墙身材料容重γ3 = 24.00kN/m3,底板材料容重γ4 = 24.00kN/m3墙身材料容许压应力[R a] = 500.00 kPa,墙身材料容许剪应力[R j] = 110.00 kPa墙身材料容许拉应力[R l] = 150.00 kPa,地基允许承载力[ζo] = 140.00 kPa 三、计算过程:1.计算公式:库伦主动土压力计算公式如下:E =0.5×γ×H2×K aE x=E×cos(ε+δ)E y=E×sin(ε+δ)K a=cos2(φ-ε)/cos2ε/cos(ε+δ)/{1+[sin(φ+δ)sin(φ-β)/cos(ε+δ)/cos(ε-β)]0.5}2(《规范》式A.0.1-2)式中:E为作用于墙背的主动土压力,作用点为距墙底1/3高处,方向与水平面成(ε+δ)夹角K a为主动土压力系数ε为墙背与铅直面的夹角,ε=26.57度程序算得主动土压力系数K a = 0.5342.总水平力、总竖向力及各力对前趾力矩计算:单位:水平力、竖向力为kN;力臂为m;弯矩为kN·m。
重力式挡土墙验算[执行标准:公路]计算项目:重力式挡土墙 1计算时间:2016-05-20 10:51:50 星期五------------------------------------------------------------------------ 原始条件:墙身尺寸:墙身高: 4.500(m)墙顶宽: 1.500(m)面坡倾斜坡度: 1:0.250背坡倾斜坡度: 1:-0.250采用1个扩展墙址台阶:墙趾台阶b1: 0.600(m)墙趾台阶h1: 1.000(m)墙趾台阶与墙面坡坡度相同墙底倾斜坡率: 0.100:1物理参数:圬工砌体容重: 23.000(kN/m3)圬工之间摩擦系数: 0.400地基土摩擦系数: 0.500墙身砌体容许压应力: 2100.000(kPa)墙身砌体容许弯曲拉应力: 280.000(kPa)墙身砌体容许剪应力: 110.000(kPa)材料抗压极限强度: 1.600(MPa)材料抗力分项系数: 2.310系数醩: 0.0020挡土墙类型: 一般挡土墙墙后填土内摩擦角: 35.000(度)墙后填土粘聚力: 0.000(kPa)墙后填土容重: 19.000(kN/m3)墙背与墙后填土摩擦角: 17.500(度)地基土容重: 18.000(kN/m3)修正后地基承载力特征值: 200.000(kPa)地基承载力特征值提高系数:墙趾值提高系数: 1.200墙踵值提高系数: 1.300平均值提高系数: 1.000墙底摩擦系数: 0.500地基土类型: 土质地基地基土内摩擦角: 30.000(度)土压力计算方法: 库仑坡线土柱:坡面线段数: 1折线序号水平投影长(m) 竖向投影长(m) 换算土柱数1 17.280 9.430 1第1个: 定位距离0.000(m) 公路-II级坡面起始距离: 0.000(m)地面横坡角度: 20.000(度)填土对横坡面的摩擦角: 35.000(度)墙顶标高: 0.000(m)挡墙分段长度: 10.000(m)=====================================================================第 1 种情况: 组合1=============================================组合系数: 1.0001. 挡土墙结构重力分项系数 = 1.000 √2. 墙顶上的有效永久荷载分项系数 = 1.000 √3. 墙顶与第二破裂面间有效荷载分项系数 = 1.000 √4. 填土侧压力分项系数 = 1.000 √5. 车辆荷载引起的土侧压力分项系数 = 1.000 √=============================================[土压力计算] 计算高度为 4.705(m)处的库仑主动土压力无荷载时的破裂角 = 42.858(度)公路-II级路基面总宽= 19.686(m), 路肩宽=0.000(m) 安全距离=0.500(m)单车车辆外侧车轮中心到车辆边缘距离= 0.350(m), 车与车之间距离=0.600(m)经计算得,路面上横向可排列此种车辆 7列布置宽度= 7.360(m)布置宽度范围内车轮及轮重列表:第1列车:中点距全部破裂体轮号路边距离(m) 轮宽(m) 轮压(kN) 上轮压(kN)01 0.500 0.300 15.000 15.00002 2.300 0.300 15.000 15.00003 0.500 0.600 60.000 60.00004 2.300 0.600 60.000 60.00005 0.500 0.600 60.000 60.00006 2.300 0.600 60.000 60.00007 0.500 0.600 70.000 70.00008 2.300 0.600 70.000 70.00009 0.500 0.600 70.000 70.00010 2.300 0.600 70.000 70.000第2列车:中点距全部破裂体轮号路边距离(m) 轮宽(m) 轮压(kN) 上轮压(kN)01 3.600 0.300 15.000 15.00002 5.400 0.300 15.000 15.00003 3.600 0.600 60.000 60.00004 5.400 0.600 60.000 60.00005 3.600 0.600 60.000 60.00006 5.400 0.600 60.000 60.00007 3.600 0.600 70.000 70.00008 5.400 0.600 70.000 70.00009 3.600 0.600 70.000 70.00010 5.400 0.600 70.000 70.000第3列车:中点距全部破裂体轮号路边距离(m) 轮宽(m) 轮压(kN) 上轮压(kN)01 6.700 0.300 15.000 15.00002 8.500 0.300 15.000 0.00003 6.700 0.600 60.000 60.00004 8.500 0.600 60.000 0.00005 6.700 0.600 60.000 60.00006 8.500 0.600 60.000 0.00007 6.700 0.600 70.000 70.00008 8.500 0.600 70.000 0.00009 6.700 0.600 70.000 70.00010 8.500 0.600 70.000 0.000布置宽度B0=7.360(m) 分布长度L0=17.752(m) 荷载值SG=1375.000(kN)换算土柱高度 h0 = 0.554(m)按实际墙背计算得到:第1破裂角: 42.858(度)Ea=69.544(kN) Ex=69.416(kN) Ey=4.202(kN) 作用点高度 Zy=1.661(m) 墙身截面积 = 7.565(m2) 重量 = 173.998 (kN)(一) 滑动稳定性验算基底摩擦系数 = 0.500采用倾斜基底增强抗滑动稳定性,计算过程如下:基底倾斜角度 = 5.711 (度)Wn = 173.134(kN) En = 11.088(kN) Wt = 17.313(kN) Et = 68.654(kN) 滑移力= 51.340(kN) 抗滑力= 92.111(kN)滑移验算满足: Kc = 1.794 > 1.300滑动稳定方程验算:滑动稳定方程满足: 方程值 = 51.414(kN) > 0.0地基土层水平向: 滑移力= 69.416(kN) 抗滑力= 90.989(kN)地基土层水平向: 滑移验算满足: Kc2 = 1.311 > 1.300(二) 倾覆稳定性验算相对于墙趾点,墙身重力的力臂 Zw = 1.779 (m)相对于墙趾点,Ey的力臂 Zx = 2.464 (m)相对于墙趾点,Ex的力臂 Zy = 1.456 (m)验算挡土墙绕墙趾的倾覆稳定性倾覆力矩= 101.100(kN-m) 抗倾覆力矩= 319.976(kN-m)倾覆验算满足: K0 = 3.165 > 1.500倾覆稳定方程验算:倾覆稳定方程满足: 方程值 = 156.951(kN-m) > 0.0(三) 地基应力及偏心距验算基础类型为天然地基,验算墙底偏心距及压应力取倾斜基底的倾斜宽度验算地基承载力和偏心距作用于基础底的总竖向力 = 184.222(kN) 作用于墙趾下点的总弯矩=218.876(kN-m) 基础底面宽度 B = 2.059 (m) 偏心距 e = -0.159(m)基础底面合力作用点距离基础趾点的距离 Zn = 1.188(m)基底压应力: 趾部=48.119 踵部=130.825(kPa)最大应力与最小应力之比 = 130.825 / 48.119 = 2.719作用于基底的合力偏心距验算满足: e=-0.159 <= 0.167*2.059 = 0.343(m)墙趾处地基承载力验算满足: 压应力=48.119 <= 240.000(kPa)墙踵处地基承载力验算满足: 压应力=130.825 <= 260.000(kPa)地基平均承载力验算满足: 压应力=89.472 <= 200.000(kPa)(四) 基础强度验算基础为天然地基,不作强度验算(五) 墙底截面强度验算验算截面以上,墙身截面积 = 7.350(m2) 重量 = 169.050 (kN)相对于验算截面外边缘,墙身重力的力臂 Zw = 1.791 (m)相对于验算截面外边缘,Ey的力臂 Zx = 2.464 (m)相对于验算截面外边缘,Ex的力臂 Zy = 1.456 (m)[容许应力法]:法向应力检算:作用于验算截面的总竖向力 = 173.252(kN) 作用于墙趾下点的总弯矩=212.033(kN-m) 相对于验算截面外边缘,合力作用力臂 Zn = 1.224(m)截面宽度 B = 2.100 (m) 偏心距 e1 = -0.174(m)截面上偏心距验算满足: e1= -0.174 <= 0.250*2.100 = 0.525(m)截面上压应力: 面坡=41.522 背坡=123.479(kPa)压应力验算满足: 计算值= 123.479 <= 2100.000(kPa)切向应力检算:剪应力验算满足: 计算值= 0.055 <= 110.000(kPa)[极限状态法]:重要性系数 0 = 1.000验算截面上的轴向力组合设计值Nd = 173.252(kN)轴心力偏心影响系数醟 = 0.924挡墙构件的计算截面每沿米面积A = 2.100(m2)材料抗压极限强度Ra = 1600.000(kPa)圬工构件或材料的抗力分项系数鉬 = 2.310偏心受压构件在弯曲平面内的纵向弯曲系数豮 = 0.988计算强度时:强度验算满足: 计算值= 173.252 <= 1344.014(kN)计算稳定时:稳定验算满足: 计算值= 173.252 <= 1327.777(kN)(六) 台顶截面强度验算[土压力计算] 计算高度为 3.500(m)处的库仑主动土压力无荷载时的破裂角 = 42.858(度)公路-II级路基面总宽= 19.686(m), 路肩宽=0.000(m) 安全距离=0.500(m)单车车辆外侧车轮中心到车辆边缘距离= 0.350(m), 车与车之间距离=0.600(m)经计算得,路面上横向可排列此种车辆 7列布置宽度= 5.475(m)布置宽度范围内车轮及轮重列表:第1列车:中点距全部破裂体轮号路边距离(m) 轮宽(m) 轮压(kN) 上轮压(kN)01 0.500 0.300 15.000 15.00002 2.300 0.300 15.000 15.00003 0.500 0.600 60.000 60.00004 2.300 0.600 60.000 60.00005 0.500 0.600 60.000 60.00006 2.300 0.600 60.000 60.00007 0.500 0.600 70.000 70.00008 2.300 0.600 70.000 70.00009 0.500 0.600 70.000 70.00010 2.300 0.600 70.000 70.000第2列车:中点距全部破裂体轮号路边距离(m) 轮宽(m) 轮压(kN) 上轮压(kN)01 3.600 0.300 15.000 15.00002 5.400 0.300 15.000 11.26903 3.600 0.600 60.000 60.00004 5.400 0.600 60.000 37.53805 3.600 0.600 60.000 60.00006 5.400 0.600 60.000 37.53807 3.600 0.600 70.000 70.00008 5.400 0.600 70.000 43.79509 3.600 0.600 70.000 70.00010 5.400 0.600 70.000 43.795布置宽度B0=5.475(m) 分布长度L0=16.535(m) 荷载值SG=998.935(kN)换算土柱高度 h0 = 0.581(m)按实际墙背计算得到:第1破裂角: 42.858(度)Ea=42.219(kN) Ex=42.142(kN) Ey=2.551(kN) 作用点高度 Zy=1.260(m)[强度验算]验算截面以上,墙身截面积 = 5.250(m2) 重量 = 120.750 (kN)相对于验算截面外边缘,墙身重力的力臂 Zw = 1.188 (m)相对于验算截面外边缘,Ey的力臂 Zx = 1.815 (m)相对于验算截面外边缘,Ex的力臂 Zy = 1.260 (m)[容许应力法]:法向应力检算:作用于验算截面的总竖向力 = 123.301(kN) 作用于墙趾下点的总弯矩=94.934(kN-m) 相对于验算截面外边缘,合力作用力臂 Zn = 0.770(m)截面宽度 B = 1.500 (m) 偏心距 e1 = -0.020(m)截面上偏心距验算满足: e1= -0.020 <= 0.250*1.500 = 0.375(m)截面上压应力: 面坡=75.644 背坡=88.757(kPa)压应力验算满足: 计算值= 88.757 <= 2100.000(kPa)切向应力检算:剪应力验算满足: 计算值= -4.785 <= 110.000(kPa)[极限状态法]:重要性系数 0 = 1.000验算截面上的轴向力组合设计值Nd = 123.301(kN)轴心力偏心影响系数醟 = 0.998挡墙构件的计算截面每沿米面积A = 1.500(m2)材料抗压极限强度Ra = 1600.000(kPa)圬工构件或材料的抗力分项系数鉬 = 2.310偏心受压构件在弯曲平面内的纵向弯曲系数豮 = 0.985计算强度时:强度验算满足: 计算值= 123.301 <= 1036.762(kN)计算稳定时:稳定验算满足: 计算值= 123.301 <= 1020.838(kN)=====================================================================第 2 种情况: 组合2=============================================组合系数: 1.0001. 挡土墙结构重力分项系数 = 1.000 √2. 墙顶上的有效永久荷载分项系数 = 1.000 √3. 墙顶与第二破裂面间有效荷载分项系数 = 1.000 √4. 填土侧压力分项系数 = 1.000 √5. 车辆荷载引起的土侧压力分项系数 = 1.000 √=============================================[土压力计算] 计算高度为 4.705(m)处的库仑主动土压力无荷载时的破裂角 = 42.858(度)公路-II级路基面总宽= 19.686(m), 路肩宽=0.000(m) 安全距离=0.500(m)单车车辆外侧车轮中心到车辆边缘距离= 0.350(m), 车与车之间距离=0.600(m)经计算得,路面上横向可排列此种车辆 7列布置宽度= 7.360(m)布置宽度范围内车轮及轮重列表:第1列车:中点距全部破裂体轮号路边距离(m) 轮宽(m) 轮压(kN) 上轮压(kN)01 0.500 0.300 15.000 15.00002 2.300 0.300 15.000 15.00003 0.500 0.600 60.000 60.00004 2.300 0.600 60.000 60.00005 0.500 0.600 60.000 60.00006 2.300 0.600 60.000 60.00007 0.500 0.600 70.000 70.00008 2.300 0.600 70.000 70.00009 0.500 0.600 70.000 70.00010 2.300 0.600 70.000 70.000第2列车:中点距全部破裂体轮号路边距离(m) 轮宽(m) 轮压(kN) 上轮压(kN)01 3.600 0.300 15.000 15.00002 5.400 0.300 15.000 15.00003 3.600 0.600 60.000 60.00004 5.400 0.600 60.000 60.00005 3.600 0.600 60.000 60.00006 5.400 0.600 60.000 60.00007 3.600 0.600 70.000 70.00008 5.400 0.600 70.000 70.00009 3.600 0.600 70.000 70.00010 5.400 0.600 70.000 70.000第3列车:中点距全部破裂体轮号路边距离(m) 轮宽(m) 轮压(kN) 上轮压(kN)01 6.700 0.300 15.000 15.00002 8.500 0.300 15.000 0.00003 6.700 0.600 60.000 60.00004 8.500 0.600 60.000 0.00005 6.700 0.600 60.000 60.00006 8.500 0.600 60.000 0.00007 6.700 0.600 70.000 70.00008 8.500 0.600 70.000 0.00009 6.700 0.600 70.000 70.00010 8.500 0.600 70.000 0.000布置宽度B0=7.360(m) 分布长度L0=17.752(m) 荷载值SG=1375.000(kN)换算土柱高度 h0 = 0.554(m)按实际墙背计算得到:第1破裂角: 42.858(度)Ea=69.544(kN) Ex=69.416(kN) Ey=4.202(kN) 作用点高度 Zy=1.661(m) 墙身截面积 = 7.565(m2) 重量 = 173.998 (kN)(一) 滑动稳定性验算基底摩擦系数 = 0.500采用倾斜基底增强抗滑动稳定性,计算过程如下:基底倾斜角度 = 5.711 (度)Wn = 173.134(kN) En = 11.088(kN) Wt = 17.313(kN) Et = 68.654(kN) 滑移力= 51.340(kN) 抗滑力= 92.111(kN)滑移验算满足: Kc = 1.794 > 1.300滑动稳定方程验算:滑动稳定方程满足: 方程值 = 51.414(kN) > 0.0地基土层水平向: 滑移力= 69.416(kN) 抗滑力= 90.989(kN)地基土层水平向: 滑移验算满足: Kc2 = 1.311 > 1.300(二) 倾覆稳定性验算相对于墙趾点,墙身重力的力臂 Zw = 1.779 (m)相对于墙趾点,Ey的力臂 Zx = 2.464 (m)相对于墙趾点,Ex的力臂 Zy = 1.456 (m)验算挡土墙绕墙趾的倾覆稳定性倾覆力矩= 101.100(kN-m) 抗倾覆力矩= 319.976(kN-m)倾覆验算满足: K0 = 3.165 > 1.500倾覆稳定方程验算:倾覆稳定方程满足: 方程值 = 156.951(kN-m) > 0.0(三) 地基应力及偏心距验算基础类型为天然地基,验算墙底偏心距及压应力取倾斜基底的倾斜宽度验算地基承载力和偏心距作用于基础底的总竖向力 = 184.222(kN) 作用于墙趾下点的总弯矩=218.876(kN-m) 基础底面宽度 B = 2.059 (m) 偏心距 e = -0.159(m)基础底面合力作用点距离基础趾点的距离 Zn = 1.188(m)基底压应力: 趾部=48.119 踵部=130.825(kPa)最大应力与最小应力之比 = 130.825 / 48.119 = 2.719作用于基底的合力偏心距验算满足: e=-0.159 <= 0.167*2.059 = 0.343(m)墙趾处地基承载力验算满足: 压应力=48.119 <= 240.000(kPa)墙踵处地基承载力验算满足: 压应力=130.825 <= 260.000(kPa)地基平均承载力验算满足: 压应力=89.472 <= 200.000(kPa)(四) 基础强度验算基础为天然地基,不作强度验算(五) 墙底截面强度验算验算截面以上,墙身截面积 = 7.350(m2) 重量 = 169.050 (kN)相对于验算截面外边缘,墙身重力的力臂 Zw = 1.791 (m)相对于验算截面外边缘,Ey的力臂 Zx = 2.464 (m)相对于验算截面外边缘,Ex的力臂 Zy = 1.456 (m)[容许应力法]:法向应力检算:作用于验算截面的总竖向力 = 173.252(kN) 作用于墙趾下点的总弯矩=212.033(kN-m) 相对于验算截面外边缘,合力作用力臂 Zn = 1.224(m)截面宽度 B = 2.100 (m) 偏心距 e1 = -0.174(m)截面上偏心距验算满足: e1= -0.174 <= 0.250*2.100 = 0.525(m)截面上压应力: 面坡=41.522 背坡=123.479(kPa)压应力验算满足: 计算值= 123.479 <= 2100.000(kPa)切向应力检算:剪应力验算满足: 计算值= 0.055 <= 110.000(kPa)[极限状态法]:重要性系数 0 = 1.000验算截面上的轴向力组合设计值Nd = 173.252(kN)轴心力偏心影响系数醟 = 0.924挡墙构件的计算截面每沿米面积A = 2.100(m2)材料抗压极限强度Ra = 1600.000(kPa)圬工构件或材料的抗力分项系数鉬 = 2.310偏心受压构件在弯曲平面内的纵向弯曲系数豮 = 0.988计算强度时:强度验算满足: 计算值= 173.252 <= 1344.014(kN)计算稳定时:稳定验算满足: 计算值= 173.252 <= 1327.777(kN)(六) 台顶截面强度验算[土压力计算] 计算高度为 3.500(m)处的库仑主动土压力无荷载时的破裂角 = 42.858(度)公路-II级路基面总宽= 19.686(m), 路肩宽=0.000(m) 安全距离=0.500(m)单车车辆外侧车轮中心到车辆边缘距离= 0.350(m), 车与车之间距离=0.600(m)经计算得,路面上横向可排列此种车辆 7列布置宽度= 5.475(m)布置宽度范围内车轮及轮重列表:第1列车:中点距全部破裂体轮号路边距离(m) 轮宽(m) 轮压(kN) 上轮压(kN)01 0.500 0.300 15.000 15.00002 2.300 0.300 15.000 15.00003 0.500 0.600 60.000 60.00004 2.300 0.600 60.000 60.00005 0.500 0.600 60.000 60.00006 2.300 0.600 60.000 60.00007 0.500 0.600 70.000 70.00008 2.300 0.600 70.000 70.00009 0.500 0.600 70.000 70.00010 2.300 0.600 70.000 70.000第2列车:中点距全部破裂体轮号路边距离(m) 轮宽(m) 轮压(kN) 上轮压(kN)01 3.600 0.300 15.000 15.00002 5.400 0.300 15.000 11.26903 3.600 0.600 60.000 60.00004 5.400 0.600 60.000 37.53805 3.600 0.600 60.000 60.00006 5.400 0.600 60.000 37.53807 3.600 0.600 70.000 70.00008 5.400 0.600 70.000 43.79509 3.600 0.600 70.000 70.00010 5.400 0.600 70.000 43.795布置宽度B0=5.475(m) 分布长度L0=16.535(m) 荷载值SG=998.935(kN)换算土柱高度 h0 = 0.581(m)按实际墙背计算得到:第1破裂角: 42.858(度)Ea=42.219(kN) Ex=42.142(kN) Ey=2.551(kN) 作用点高度 Zy=1.260(m)[强度验算]验算截面以上,墙身截面积 = 5.250(m2) 重量 = 120.750 (kN)相对于验算截面外边缘,墙身重力的力臂 Zw = 1.188 (m)相对于验算截面外边缘,Ey的力臂 Zx = 1.815 (m)相对于验算截面外边缘,Ex的力臂 Zy = 1.260 (m)[容许应力法]:法向应力检算:作用于验算截面的总竖向力 = 123.301(kN) 作用于墙趾下点的总弯矩=94.934(kN-m) 相对于验算截面外边缘,合力作用力臂 Zn = 0.770(m)截面宽度 B = 1.500 (m) 偏心距 e1 = -0.020(m)截面上偏心距验算满足: e1= -0.020 <= 0.250*1.500 = 0.375(m)截面上压应力: 面坡=75.644 背坡=88.757(kPa)压应力验算满足: 计算值= 88.757 <= 2100.000(kPa)切向应力检算:剪应力验算满足: 计算值= -4.785 <= 110.000(kPa)[极限状态法]:重要性系数 0 = 1.000验算截面上的轴向力组合设计值Nd = 123.301(kN)轴心力偏心影响系数醟 = 0.998挡墙构件的计算截面每沿米面积A = 1.500(m2)材料抗压极限强度Ra = 1600.000(kPa)圬工构件或材料的抗力分项系数鉬 = 2.310偏心受压构件在弯曲平面内的纵向弯曲系数豮 = 0.985计算强度时:强度验算满足: 计算值= 123.301 <= 1036.762(kN)计算稳定时:稳定验算满足: 计算值= 123.301 <= 1020.838(kN)=====================================================================第 3 种情况: 组合3=============================================组合系数: 1.0001. 挡土墙结构重力分项系数 = 1.000 √2. 墙顶上的有效永久荷载分项系数 = 1.000 √3. 墙顶与第二破裂面间有效荷载分项系数 = 1.000 √4. 填土侧压力分项系数 = 1.000 √5. 车辆荷载引起的土侧压力分项系数 = 1.000 √=============================================[土压力计算] 计算高度为 4.705(m)处的库仑主动土压力无荷载时的破裂角 = 42.858(度)公路-II级路基面总宽= 19.686(m), 路肩宽=0.000(m) 安全距离=0.500(m)单车车辆外侧车轮中心到车辆边缘距离= 0.350(m), 车与车之间距离=0.600(m)经计算得,路面上横向可排列此种车辆 7列布置宽度= 7.360(m)布置宽度范围内车轮及轮重列表:第1列车:中点距全部破裂体轮号路边距离(m) 轮宽(m) 轮压(kN) 上轮压(kN)01 0.500 0.300 15.000 15.00002 2.300 0.300 15.000 15.00003 0.500 0.600 60.000 60.00004 2.300 0.600 60.000 60.00005 0.500 0.600 60.000 60.00006 2.300 0.600 60.000 60.00007 0.500 0.600 70.000 70.00008 2.300 0.600 70.000 70.00009 0.500 0.600 70.000 70.00010 2.300 0.600 70.000 70.000第2列车:中点距全部破裂体轮号路边距离(m) 轮宽(m) 轮压(kN) 上轮压(kN)01 3.600 0.300 15.000 15.00002 5.400 0.300 15.000 15.00003 3.600 0.600 60.000 60.00004 5.400 0.600 60.000 60.00005 3.600 0.600 60.000 60.00006 5.400 0.600 60.000 60.00007 3.600 0.600 70.000 70.00008 5.400 0.600 70.000 70.00009 3.600 0.600 70.000 70.00010 5.400 0.600 70.000 70.000第3列车:中点距全部破裂体轮号路边距离(m) 轮宽(m) 轮压(kN) 上轮压(kN)01 6.700 0.300 15.000 15.00002 8.500 0.300 15.000 0.00003 6.700 0.600 60.000 60.00004 8.500 0.600 60.000 0.00005 6.700 0.600 60.000 60.00006 8.500 0.600 60.000 0.00007 6.700 0.600 70.000 70.00008 8.500 0.600 70.000 0.00009 6.700 0.600 70.000 70.00010 8.500 0.600 70.000 0.000布置宽度B0=7.360(m) 分布长度L0=17.752(m) 荷载值SG=1375.000(kN)换算土柱高度 h0 = 0.554(m)按实际墙背计算得到:第1破裂角: 42.858(度)Ea=69.544(kN) Ex=69.416(kN) Ey=4.202(kN) 作用点高度 Zy=1.661(m) 墙身截面积 = 7.565(m2) 重量 = 173.998 (kN)(一) 滑动稳定性验算基底摩擦系数 = 0.500采用倾斜基底增强抗滑动稳定性,计算过程如下:基底倾斜角度 = 5.711 (度)Wn = 173.134(kN) En = 11.088(kN) Wt = 17.313(kN) Et = 68.654(kN) 滑移力= 51.340(kN) 抗滑力= 92.111(kN)滑移验算满足: Kc = 1.794 > 1.300滑动稳定方程验算:滑动稳定方程满足: 方程值 = 51.414(kN) > 0.0地基土层水平向: 滑移力= 69.416(kN) 抗滑力= 90.989(kN)地基土层水平向: 滑移验算满足: Kc2 = 1.311 > 1.300(二) 倾覆稳定性验算相对于墙趾点,墙身重力的力臂 Zw = 1.779 (m)相对于墙趾点,Ey的力臂 Zx = 2.464 (m)相对于墙趾点,Ex的力臂 Zy = 1.456 (m)验算挡土墙绕墙趾的倾覆稳定性倾覆力矩= 101.100(kN-m) 抗倾覆力矩= 319.976(kN-m)倾覆验算满足: K0 = 3.165 > 1.500倾覆稳定方程验算:倾覆稳定方程满足: 方程值 = 156.951(kN-m) > 0.0(三) 地基应力及偏心距验算基础类型为天然地基,验算墙底偏心距及压应力取倾斜基底的倾斜宽度验算地基承载力和偏心距作用于基础底的总竖向力 = 184.222(kN) 作用于墙趾下点的总弯矩=218.876(kN-m) 基础底面宽度 B = 2.059 (m) 偏心距 e = -0.159(m)基础底面合力作用点距离基础趾点的距离 Zn = 1.188(m)基底压应力: 趾部=48.119 踵部=130.825(kPa)最大应力与最小应力之比 = 130.825 / 48.119 = 2.719作用于基底的合力偏心距验算满足: e=-0.159 <= 0.167*2.059 = 0.343(m)墙趾处地基承载力验算满足: 压应力=48.119 <= 240.000(kPa)墙踵处地基承载力验算满足: 压应力=130.825 <= 260.000(kPa)地基平均承载力验算满足: 压应力=89.472 <= 200.000(kPa)(四) 基础强度验算基础为天然地基,不作强度验算(五) 墙底截面强度验算验算截面以上,墙身截面积 = 7.350(m2) 重量 = 169.050 (kN)相对于验算截面外边缘,墙身重力的力臂 Zw = 1.791 (m)相对于验算截面外边缘,Ey的力臂 Zx = 2.464 (m)相对于验算截面外边缘,Ex的力臂 Zy = 1.456 (m)[容许应力法]:法向应力检算:作用于验算截面的总竖向力 = 173.252(kN) 作用于墙趾下点的总弯矩=212.033(kN-m) 相对于验算截面外边缘,合力作用力臂 Zn = 1.224(m)截面宽度 B = 2.100 (m) 偏心距 e1 = -0.174(m)截面上偏心距验算满足: e1= -0.174 <= 0.250*2.100 = 0.525(m)截面上压应力: 面坡=41.522 背坡=123.479(kPa)压应力验算满足: 计算值= 123.479 <= 2100.000(kPa)切向应力检算:剪应力验算满足: 计算值= 0.055 <= 110.000(kPa)[极限状态法]:重要性系数 0 = 1.000验算截面上的轴向力组合设计值Nd = 173.252(kN)轴心力偏心影响系数醟 = 0.924挡墙构件的计算截面每沿米面积A = 2.100(m2)材料抗压极限强度Ra = 1600.000(kPa)圬工构件或材料的抗力分项系数鉬 = 2.310偏心受压构件在弯曲平面内的纵向弯曲系数豮 = 0.988计算强度时:强度验算满足: 计算值= 173.252 <= 1344.014(kN)计算稳定时:稳定验算满足: 计算值= 173.252 <= 1327.777(kN)(六) 台顶截面强度验算[土压力计算] 计算高度为 3.500(m)处的库仑主动土压力无荷载时的破裂角 = 42.858(度)公路-II级路基面总宽= 19.686(m), 路肩宽=0.000(m) 安全距离=0.500(m)单车车辆外侧车轮中心到车辆边缘距离= 0.350(m), 车与车之间距离=0.600(m)经计算得,路面上横向可排列此种车辆 7列布置宽度= 5.475(m)布置宽度范围内车轮及轮重列表:第1列车:中点距全部破裂体轮号路边距离(m) 轮宽(m) 轮压(kN) 上轮压(kN)01 0.500 0.300 15.000 15.00002 2.300 0.300 15.000 15.00003 0.500 0.600 60.000 60.00004 2.300 0.600 60.000 60.00005 0.500 0.600 60.000 60.00006 2.300 0.600 60.000 60.00007 0.500 0.600 70.000 70.00008 2.300 0.600 70.000 70.00009 0.500 0.600 70.000 70.00010 2.300 0.600 70.000 70.000第2列车:中点距全部破裂体轮号路边距离(m) 轮宽(m) 轮压(kN) 上轮压(kN)01 3.600 0.300 15.000 15.00002 5.400 0.300 15.000 11.26903 3.600 0.600 60.000 60.00004 5.400 0.600 60.000 37.53805 3.600 0.600 60.000 60.00006 5.400 0.600 60.000 37.53807 3.600 0.600 70.000 70.00008 5.400 0.600 70.000 43.79509 3.600 0.600 70.000 70.00010 5.400 0.600 70.000 43.795布置宽度B0=5.475(m) 分布长度L0=16.535(m) 荷载值SG=998.935(kN)换算土柱高度 h0 = 0.581(m)按实际墙背计算得到:第1破裂角: 42.858(度)Ea=42.219(kN) Ex=42.142(kN) Ey=2.551(kN) 作用点高度 Zy=1.260(m)[强度验算]验算截面以上,墙身截面积 = 5.250(m2) 重量 = 120.750 (kN)相对于验算截面外边缘,墙身重力的力臂 Zw = 1.188 (m)相对于验算截面外边缘,Ey的力臂 Zx = 1.815 (m)相对于验算截面外边缘,Ex的力臂 Zy = 1.260 (m)[容许应力法]:法向应力检算:作用于验算截面的总竖向力 = 123.301(kN) 作用于墙趾下点的总弯矩=94.934(kN-m) 相对于验算截面外边缘,合力作用力臂 Zn = 0.770(m)截面宽度 B = 1.500 (m) 偏心距 e1 = -0.020(m)截面上偏心距验算满足: e1= -0.020 <= 0.250*1.500 = 0.375(m)截面上压应力: 面坡=75.644 背坡=88.757(kPa)压应力验算满足: 计算值= 88.757 <= 2100.000(kPa)切向应力检算:剪应力验算满足: 计算值= -4.785 <= 110.000(kPa)[极限状态法]:重要性系数 0 = 1.000验算截面上的轴向力组合设计值Nd = 123.301(kN)轴心力偏心影响系数醟 = 0.998挡墙构件的计算截面每沿米面积A = 1.500(m2)材料抗压极限强度Ra = 1600.000(kPa)圬工构件或材料的抗力分项系数鉬 = 2.310偏心受压构件在弯曲平面内的纵向弯曲系数豮 = 0.985计算强度时:强度验算满足: 计算值= 123.301 <= 1036.762(kN)计算稳定时:稳定验算满足: 计算值= 123.301 <= 1020.838(kN)================================================= 各组合最不利结果=================================================(一) 滑移验算安全系数最不利为:组合1(组合1)抗滑力 = 92.111(kN),滑移力 = 51.340(kN)。
挡土墙设计计算书1 工程概况挡土墙是用来支撑天然边坡或人工边坡以保持土体稳定的建筑物。
按照墙的形式,挡土墙可以分为重力式挡土墙,加筋挡土墙。
锚定式挡土墙,薄壁式挡土墙等形式。
本设计采用重力式挡土墙。
2 挡土墙设计资料1.浆砌片石重力式路堤墙,填土边坡1:1.5,墙背仰斜,坡度1:0.15-1:0.35。
2.公路等级二级,车辆荷载等级为公路-II 级,挡土墙荷载效应组合采用荷载组合I 、II 。
3.墙背填土容重γ=17.8kN /m 3,计算内摩擦角Φ=42°,填土与墙背间的内摩擦角δ=Φ/2=21°。
4.地基为砂类土,允许承载力[σ]=810kPa ,基底摩擦系数μ=0.43。
5.墙身材料采用5号砂浆砌30号片石,砌体a γ=22kN/m 3,砌体允许压应力为[]600=a σkPa ,允许剪应力[τ]=100kPa ,允许拉应力[wl σ]=60 kPa 。
3 拟定计算参数挡墙高度H =4m 填土高度a =2m 墙面倾斜坡度:1:0.25 墙背倾斜坡度:1:0.25 墙底倾斜坡率:0扩展墙趾台阶:1级台阶,宽b 1=0.3m ,高h 1=0.5m 。
填土边坡坡度为1:1.5;填土内摩擦角:042=φ,填土与墙背间的摩擦角︒==212/ϕδ;墙背与竖直平面的夹角︒-=-=036.1425.0arctan α 墙背填土容重17.8kN/m 3 地基土容重:17.7kN/m 3 挡土墙尺寸具体见图1.1。
图1.1 挡土墙尺寸4 车辆荷载换算4.1试算不计车辆荷载作用时破裂棱体宽度(1) 不计车辆荷载作用0=h假定破裂面交于荷载内侧,计算棱体参数A 、B :18)42(21)(21))(2(212200=+=+=+++=H a H a h H a A 7)036.14tan()224(4213221tan )2(21210=-⨯+⨯⨯-⨯⨯=+-=αa H H ab B389.018700===A B A︒=︒+︒-︒=++=964.4821036.1442δαϕψ;715.0)389.0964.48(tan )964.48tan 42(cot 964.48tan ))(tan tan (cot tan tan =+︒⨯︒+︒+︒-=++±-=A ψψϕψθ则:︒=++⨯>==︒69.3342325.04arctan57.35715.0arctan θ计算车辆荷载作用时破裂棱体宽度值B :mbH a H B 29.03)036.14tan(4715.0)24(tan tan )(=-︒-⨯+⨯+=-+⨯+=αθ由于路肩宽度d =1.5m>B=0.29m ,所以可以拟定破裂面交与荷载内侧。
目录一、现场实际情况 (2)二、荷载计算 (2)三、抗倾覆稳定验算 (3)四、抗滑动稳定性验算 (3)五、地基承载力验算 (4)六、墙身强度验算 (5)一、现场实际情况墙背填土与墙前地面高差为2.4m,填土表面水平,其表面的均布荷载为20kPa,地基承载力特征值为220kPa,填土的容重为γt =203/m kN ,内摩擦角为040=ϕ,底板与地基摩擦系数为μ=0.55,由于采用素混凝土挡土墙,墙背竖直且光滑,可假定墙背与填土之间的摩擦角δ=0。
2、挡土墙计算简图二、荷载计算1、土压力计算由于地面水平,墙背竖直且光滑,土压力计算选用郎金理论公式计算:22.0)24045(tan )245(tan 22=-=-=ϕa K地面超载P k 的作用,采用换算土柱高tKP H γ=0,地面处水平压力:2.222.0201020=⨯⨯==a t a ZK q γKN/m 2 底板底C 点水平压力:28.1622.0)2.32010(20=⨯+⨯==a t b ZK q γKN/m 2 土压力合力:E a = 0.5×(2.2+16.28)×3.2=29.57 KN/m Z f1=3.2/3=1.07m 1、竖向荷载计算素混凝土标准重度γc =25 KN/m 3,其自重:0.25255.24.01=⨯⨯=k G KN/m 5.31258.17.02=⨯⨯=k G KN/m 75.8257.05.03=⨯⨯=k G KN/m 55.8)5.05.1(194.04=-⨯⨯=k G KN/mk G =25.0+31.5+8.75+8.55=73.8KN/mm x 83.08.7335.075.89.05.319.0)0.2555.8(0=⨯+⨯+⨯+=三、抗倾覆稳定验算倾覆力矩6.149.207.157.2907.18.73E Gx az >=⨯⨯=+=fax fl z E x K 稳定四、抗滑动稳定性验算tat s G E u K -+=)E (G an n3.137.157.2955.08.73>=⨯=五、地基承载力验算地基承载力验算应按正常使用极限状态下荷载效应的标准组合。
重力式挡土墙计算书
1、挡土墙的基本参数
挡土墙的长度{L}:50m
挡土墙的高度{H}:5.5m
挡土墙底部圆角半径{R}:2.5m
墙体材料:砂石混合土
墙体的水平受力系数{Ks:1.2}
墙体的垂直受力系数{Kv:1.5}
挡墙的抗拉强度{σs:3.0}
挡墙的抗压强度{σv:6.0}
2、挡土墙斜面稳定性分析
设砂石混合土斜面的弧度α等于25度,有:斜面抗滑系数Ks=tanαcosα=0.44
挡土墙自重又称为内力,有:
内力P=0.6Hγ=33.0KN
挡土墙斜面上的地力有:
地力Pz=KsHγ=22.2KN
挡土墙的抗力有:
抗力P’=KvHσv=99.0KN
挡土墙斜面稳定性分析,有:
P/Pz=33.0/22.2=1.49>1;P/P’=33.0/99.0=0.33<1
说明该重力式挡土墙符合稳定的要求。
3、挡土墙的强度计算
挡土墙顶部的竖向受力有:
竖向受力F=0.5H2γ=58.5KN
挡土墙底部的水平受力有:
水平受力F=KsLHγ=88.2KN
挡土墙自重、竖向受力及水平受力的最大值均小于墙体的抗力(99.0KN),故该挡土墙的强度设计符合要求。
重力式挡土墙课程设计计算书一、工程概况本次课程设计的重力式挡土墙位于某填方路段,其主要作用是支挡填方土体,保证边坡的稳定性。
该路段填方高度为具体高度,边坡坡度为具体坡度,墙后填土为填土类型,填土容重为容重数值,内摩擦角为内摩擦角数值,粘聚力为粘聚力数值。
二、设计依据1、《公路路基设计规范》(JTG D30-2015)2、《混凝土结构设计规范》(GB 50010-2010)(2015 年版)3、《建筑地基基础设计规范》(GB 50007-2011)三、设计参数选取1、墙身材料:采用具体材料,其重度为重度数值,抗压强度为抗压强度数值,抗拉强度为抗拉强度数值。
2、基底摩擦系数:根据地基土的性质,取基底摩擦系数为摩擦系数数值。
3、墙背与填土的摩擦角:取墙背与填土的摩擦角为摩擦角数值。
四、土压力计算1、主动土压力系数计算根据填土的内摩擦角和墙背的倾斜角度,采用库仑土压力理论计算主动土压力系数 Ka。
Ka =计算公式及计算结果2、土压力强度计算墙顶处土压力强度为 0。
墙底处土压力强度为:σa =Kaγh其中,γ为填土容重,h 为墙高。
3、土压力合力计算土压力合力为:Ea =05Kaγh^2合力作用点距离墙底的高度为:h/3五、稳定性验算1、抗滑移稳定性验算抗滑移稳定系数 Kc =(G + Ey)μ / Ex其中,G 为挡土墙自重,Ey 为墙后土压力的竖向分力,Ex 为墙后土压力的水平分力,μ为基底摩擦系数。
经计算,Kc >规定的抗滑移稳定系数,满足抗滑移稳定性要求。
2、抗倾覆稳定性验算抗倾覆稳定系数 Kt =(Gx0 + EyZf)/(ExZx)其中,x0 为挡土墙重心至墙趾的水平距离,Zf 为Ey 作用点至墙趾的垂直距离,Zx 为Ex 作用点至墙趾的垂直距离。
经计算,Kt >规定的抗倾覆稳定系数,满足抗倾覆稳定性要求。
六、基底应力验算1、基底平均应力计算σ =(G + Ey)/ A其中,A 为基底面积。
经计算,σ <地基承载力特征值,满足基底应力要求。
重力式挡土墙(土体为粘性土)
土体内摩擦角φ30土体粘聚力c0土体容重γ20毛石砌体容重γ122土对墙背的摩擦角δ15挡土墙高度H10.5挡土墙顶宽B1 1.94挡土墙底宽B2 5.55基底摩擦系数μ0.35挡土墙墙背倾角α90挡土墙基底倾角α011墙顶均布荷载q10
主动土压力系数Ka0.333333由粘聚力产生的拉力0由墙顶均布荷载产生的压力 3.333333主动土压力为0时的土深度Z0-0.5主动土压力Ea443.6666
挡土墙截面面积A36.3288挡土墙每延米自重G799.2336 Z 3.666667 一、挡土墙抗滑移稳定性验算
(Gn+Ean)μ=342.664 Eat-Gt=246.264 抗滑稳定系数 1.39145二、抗倾覆稳定性验算
挡土墙重心离墙址的水平距离X0 3.56 GX0+EazXf=3482.575 EaxZf=1109.023抗倾覆稳定系数 3.140218三、地基承载力计算
Ea在水平方向的分量428.5491 Ea在垂直方向的分量114.8294偏心距e-0.46573偏心率-0.08392基底最大应力бmax247.6194基底最小应力бmin81.77265。
重力式挡土墙课程设计计算书文档一:正式风格1.引言本文档旨在对重力式挡土墙的课程设计进行详细计算和说明。
重力式挡土墙是一种常见的土木工程结构,用于抵御土壤的压力。
本设计计算书将涵盖以下章节:基本假设、设计参数、土壤力计算、墙体稳定性计算、横向稳定性计算、挡土墙尺寸设计等。
2.基本假设在设计过程中,我们做出以下基本假设:(1) 挡土墙为直立完美墙体(2) 挡土墙和土壤之间的摩擦系数为常数(3) 土壤为均质土,不考虑不均质土层(4) 土壤重力方向与挡土墙平行(5) 不考虑水压、温度变化对挡土墙的影响(6) 不考虑地震力对挡土墙的影响3.设计参数设计参数包括挡土墙高度、挡土墙顶部宽度、挡土墙底部宽度、挡土墙墙体倾斜角度、土壤的重度和摩擦系数。
我们将根据具体工程要求来确定这些参数。
4.土壤力计算土壤对挡土墙的作用力包括土壤的垂直力和水平力。
我们将进行土壤的垂直力和水平力计算,并考虑到土壤的摩擦力。
5.墙体稳定性计算墙体稳定性计算是判断挡土墙稳定性的重要步骤。
我们将进行墙体的倾覆和滑动稳定性计算,并根据其计算结果来确定挡土墙的稳定性。
6.横向稳定性计算横向稳定性计算用于判断挡土墙在横向方向的稳定性。
我们将进行横向稳定性计算,并对挡土墙的稳定性进行评估。
7.挡土墙尺寸设计根据前面的计算结果和设计参数,我们将进行挡土墙的尺寸设计。
挡土墙的高度、宽度等参数将根据安全性和经济性来确定。
8.结论根据以上计算和设计,我们得出了重力式挡土墙的尺寸和稳定性评估。
我们相信这些结果可以为实际工程提供指导和参考。
附件:本文档涉及的附件包括设计图纸、施工计划等。
法律名词及注释:1. 重力式挡土墙:一种利用挡土墙本身的重量来抵抗土壤压力的土木工程结构。
2. 均质土:指土壤中成分均匀,没有层状或差异性的土壤。
3. 摩擦系数:指挡土墙和土壤之间的摩擦力与法向力之间的比值,用来描述土壤的粘滞性和黏着性。
文档二:简洁风格1.简介本文档是重力式挡土墙课程设计计算书。
重力式挡土墙计算书一、构件基本尺寸及基本参数1、挡土墙基本几何尺寸:1)挡土墙材料:毛石混凝土2)挡土墙容重:γd=22 K N/m 33)墙两侧土体高差:h = 4000mm4)墙顶宽度: c =1000 mm 5)墙趾深度: d = 0 mm 6) 墙趾宽度:s = 0 mm 7)墙背高度:H =5000 mm 8)墙背倾角:α= 90°9)挡墙基底宽度:b =2250 mm 10)土对墙背摩擦角:δ= 0 °2、岩土参数:1)岩土容重:γ=19 K N/m 32)主动土压力系数:k a= 0.2444 3) 土压力增大系数:ψc= 1.14)基底土摩擦系数:μ= 0.5 5)地基土承载力:f ak= 180K N/m 36)宽度修正系数:ηb= 0.37)埋深修正系数:ηd= 1.6二、构件相关尺寸及计算参数推算:1、根据挡土墙基本尺寸,可推算出简图中其它参数如下:1) 墙面坡度:m=(b-s-c-H/tanα)/h=(2250-0-1000-5000/tan90°)/5000=0.252) 基底倾角:α0=arctan[(H-h-d)/b]= arctan[(5000-5000-0)/2250]=02、挡墙截面面积(不含墙趾):A=(b+c)·h/2=(2.25+1) ·5/2=8.125m23、挡墙每延米自重(不含墙趾):G=γd·A=22×8.125=178.754、每延米主动土压力:E a=ψc· γ ·H2·k a/2=1.1×19×5²×0.2444/2= 63.85KN三、抗滑移稳定性验算:1、挡墙自重沿基底法线方向分量:G n=G·cosα0=178.75×cos0.0°=178.75 KN2、挡墙自重沿基底平行方向分量:G t=G·sinα0=178.75×sin0.0°=0 KN3、主动土压力沿基底法线方向分量:E an=E a·cos(α-α0-δ)=63.85×cos(90°-0.0°-0°)=0 KN4、主动土压力沿基底平行方向分量:E at=E a·sin(α-α0-δ)=63.85×sin(90°-0.0°-0°)=63.85 KN5、抗滑移稳定系数:K s=(G n+E an)·μ/(E at-G t)=(178.75+0)×0.5/(63.85-0)=1.39≥1.3,满足《地规》6.6.5条第一款要求四、抗倾覆稳定性验算:1、主动土压力作用点距墙背底端高度:z=H/3=5/3=1.67 m2、主动土压力作用点距墙趾底端高度:z f=z-b·tanα0=1.67-2.25×tan0.0°=1.673、挡墙截面形心距墙趾底端水平距离:1)挡墙截面对通过墙背底端竖轴的静距为:S=[h·(c+H/tanα)2/2]+[h2·m·(h·m/3+c+H/tanα)/2)]+[(H-h)/6+(d+s·tanα0)/3]·(h·m+c+H/tanα)2-[H3/(tan2α)]/6=[4×(1+5/tan90°)²/2]+[4²×0.250×(4×0.250/3+1+5/tan90°)/2] +[(5-4)/6+(0+0×tan0.0°)/3]×(4×0.250+1+5/tan90°)²-[5³/(tan90°)²)]/6 =4.67m32)挡墙截面形心距墙趾底端水平距离:x f= S/A=4.67/8.125=0.5753)挡墙截面形心距墙趾底端水平距离:x0=b-x1=2.25-0.575=1.6754、主动土压力作用点距墙趾底端水平距离:x f=b-z/tanα=2.25-1.67/tan90°=2.255、主动土压力沿水平方向分量:E ax=E a·sin(α-δ)=63.85×sin(90°-0°)=63.85 KN6、主动土压力沿重力方向分量:E az=E a·cos(α-δ)=63.85×cos(90°-0°)=0 KN7、抗倾覆稳定系数:K t=(G·x0+E az·x f)·/(E ax·z f)=(178.75×1.675+0×2.250)/(63.85×1.67)=2.8≥1.6,满足《地规》6.6.5条第2款要求五、地基承载力验算:1、修正后的地基承载力特征值:基础底面斜宽B= b/cosα0 =2.25<3m ,仅承载力修正时取B =3.0 m基础埋深d>0.5m ,承载力修正时取实际埋深d=1.0f a= f ak+ ηb·γ·(B-3)+ ηd·γm·(d-0.5)=180+1.6×1.9×0.5=195.2 KN/m22、作用在基础底面法线方向的每延米总作用力为:F =G n+E an=178.75+0=178.75 KN3、轴心荷载作用时,基础底面的平均压力值:p k= F/B=178.75/(2.25/cos0.0°)=79.11 KN/m2≤f a=195.2 ,满足《地规》5.2.1条第1款要求4、挡墙自重及土压力的合力在基础底面的偏心距:e= B/2-(G·x0+E az·x f-E ax·z f)/F=2.25/2-(178.75×1.675+0×2.250-63.85×1.67)/178.75=0.44≤b0 / 4=0.56 ,满足《地规》6.6.5条第4款要求5、挡墙自重及土压力的合力在基础底面产生的偏心力距:M= F·e=178.75×0.44=78.32 KN·m6、偏心荷载作用时,基础底面的最大压应力值:B/6=0.38≥e,应按《地规》公式5.2.2-2计算p kmax=F/B+6M/B²=178.75/2.25+6×78.32/2.25²=172.27 KN/m2≤1.2 f a =234.24,,满足《地规》5.2.1条第2款要求。
1 路基设计挡土墙是用来支撑天然边坡或人工边坡以保持土体稳定的建筑物。
按照墙的形式,挡土墙可以分为重力式挡土墙,加筋挡土墙。
锚定式挡土墙,薄壁式挡土墙等形式。
本设计采用重力式挡土墙。
1.1 挡土墙设计资料1.浆砌片石重力式路堤墙,填土边坡1:1.5,墙背仰斜,坡度1:0.15~1:0.35。
2.公路等级二级,车辆荷载等级为公路-II 级,挡土墙荷载效应组合采用荷载组合I 、II 。
3.墙背填土容重γ=17.8kN /m 3,计算内摩擦角Φ=42°,填土与墙背间的内摩擦角δ=Φ/2=21°。
4.地基为砂类土,容许承载力[σ]=810kPa ,基底摩擦系数μ=0.43。
5.墙身材料采用5号砂浆砌30号片石,砌体a γ=22kN/m 3,砌体容许压应力为[]600=a σkPa ,容许剪应力[τ]=100kPa ,容许拉应力[wl σ]=60 kPa 。
1.2 确定计算参数设计挡墙高度H =4m ,墙上填土高度a =2m ,填土边坡坡度为1:1.5,墙背仰斜,坡度1:0.25。
填土内摩擦角:042=φ,填土与墙背间的摩擦角︒==212/ϕδ;墙背与竖直平面的夹角︒-=-=036.1425.0arctan α。
墙背填土容重17.8kN/m 3,地基土容重:17.7kN/m 3。
挡土墙尺寸具体见图1.1。
图1.1 挡土墙尺寸1.3 车辆荷载换算1.3.1 试算不计车辆荷载作用时破裂棱体宽度(1)假定破裂面交于荷载内侧不计车辆荷载作用00=h ;计算棱体参数0A 、0B :18)42(21)(21))(2(212200=+=+=+++=H a H a h H a A 7)036.14tan()224(4213221tan )2(21210=-⨯+⨯⨯-⨯⨯=+-=αa H H ab B 389.018700===A B A ︒=︒+︒-︒=++=964.4821036.1442δαϕψ;715.0)389.0964.48(tan )964.48tan 42(cot 964.48tan ))(tan tan (cot tan tan =+︒⨯︒+︒+︒-=++±-=A ψψϕψθ 则:︒=++⨯>==︒69.3342325.04arctan57.35715.0arctan θ 计算车辆荷载作用时破裂棱体宽度值B : mb H a H B 29.03)036.14tan(4715.0)24(tan tan )(=-︒-⨯+⨯+=-+⨯+=αθ 由于路肩宽度d =1.5m>B=0.29m ,所以可以确定破裂面交与荷载内侧。
重力式挡土墙课程设计计算书一、工程概况本次设计的重力式挡土墙位于_____(具体位置),用于支撑_____(填土或边坡等),以保证其稳定性和安全性。
挡土墙高度为_____m,墙顶宽度为_____m,墙底宽度为_____m,墙面坡度为 1:_____,墙背坡度为 1:_____。
墙后填土为_____(填土类型),填土重度为_____kN/m³,内摩擦角为_____°,粘聚力为_____kPa。
二、设计依据1、《建筑地基基础设计规范》(GB 50007-2011)2、《混凝土结构设计规范》(GB 50010-2010)(2015 年版)3、《建筑边坡工程技术规范》(GB 50330-2013)4、相关的工程地质勘察报告三、土压力计算1、主动土压力系数根据库仑土压力理论,主动土压力系数 Ka 为:Ka =tan²(45° φ/2)其中,φ 为填土的内摩擦角。
2、墙顶水平土压力Eah =05 × γ × H² × Ka其中,γ 为填土重度,H 为挡土墙高度。
3、墙底水平土压力Eah' =05 × γ × (H + h)² × Ka其中,h 为墙底埋深。
4、土压力合力Ea =05 × γ × H² × Ka × (H + h)四、稳定性验算1、抗滑移稳定性验算抗滑移安全系数 Ks 应满足:Ks =(W + Ey × f) / Ex其中,W 为挡土墙自重,Ey 为墙后土压力的竖向分量,Ex 为墙后土压力的水平分量,f 为挡土墙基底与地基土之间的摩擦系数。
2、抗倾覆稳定性验算抗倾覆安全系数 Kt 应满足:Kt =(Mv + Mf) / Mh其中,Mv 为挡土墙自重对墙趾的抗倾覆力矩,Mf 为墙后土压力对墙趾的抗倾覆力矩,Mh 为墙后土压力对墙趾的倾覆力矩。
重力式挡土墙计算书(一)挡土墙计算毛石容重不小于20KN/m³主动土压力=18/=m地面活=10/3= KN/m1、抗倾覆验算:示意图G1= G2= G3= G4=)2=>∴抗倾覆稳定满足要求2、抗滑移稳定验算:示意图G1= G2= G3= G4=Gn=Gt=)2=∴抗滑移稳定性满足要求3、地基承载力验算:Gk围墙=Nk==e=|B/|=<B/6=小偏心受压pk∴地基承载力满足要求4、墙身强度验算:示意图验算离墙顶处截面Ⅰ-Ⅰ的应力截面Ⅰ-Ⅰ以上主动土压力)2=m 截面Ⅰ-Ⅰ以上挡土墙自重G1=36KN G2= Gk围墙=截面Ⅰ-Ⅰ以上法相总压力N1k=36++=N1作用点离O1点距离=E1=||=<B/6=截面Ⅰ-Ⅰ以上法向相应力pk截面Ⅰ-Ⅰ面上的剪应力<0 其中f为砌体的摩擦系数,取f=∴墙身强度满足要求。
(二)挡土墙计算毛石容重不小于20KN/m³主动土压力=18/=m地面活=10/3= KN/m1、抗倾覆验算:示意图G1= G2= G3= G4=)2=>∴抗倾覆稳定满足要求2、抗滑移稳定验算:示意图G1= G2= G3= G4=Gn=Gt=)2=∴抗滑移稳定性满足要求3、地基承载力验算:Gk围墙=Nk==e=|B/|=<B/6=小偏心受压pk∴地基承载力满足要求4、墙身强度验算:示意图验算离墙顶处截面Ⅰ-Ⅰ的应力截面Ⅰ-Ⅰ以上主动土压力)2=m截面Ⅰ-Ⅰ以上挡土墙自重G1= G2= Gk围墙=截面Ⅰ-Ⅰ以上法相总压力N1k=++=N1作用点离O1点距离=E1=||=<B/6=截面Ⅰ-Ⅰ以上法向相应力pk截面Ⅰ-Ⅰ面上的剪应力<0 其中f为砌体的摩擦系数,取f=∴墙身强度满足要求。
1路基设计挡土墙是用來支撑天然边坡或人工边坡以保持土体稳定的建筑物。
按照墙的形式, 挡土墙可以分为重力式挡土墙,加筋挡土墙。
锚定式挡土墙,薄壁式挡土墙等形式。
本设计采用重力式挡土墙。
1.1挡土墙设计资料1•浆砌片石重力式路堤墙,填土边坡1:1.5,墙背仰斜,坡度1: 0.15-1: 0.35o2.公路等级二级,车辆荷载等级为公路一11级,挡土墙荷载效应组合采用荷载组合I、II。
3.墙背填土容重7= 17.8kN/m3,计算内摩擦角。
=42°,填土与墙背间的内摩擦角<5=0/2=21°o4.地基为砂类土,容许承载力[<7]=810kPa,基底摩擦系数“=0.43。
5.墙身材料采用5号砂浆砌30号片石,砌体y a =22kN/m3,砌体容许压应力为[a a]= 600kPa,容许剪应力[r ]=100kPa,容许拉应力[]=60 kPa。
1.2确定计算参数设计挡墙高度H=4m,墙上填土高度a=2m,填土边坡坡度为1:1.5,墙背仰斜,坡度1:0.25。
填土内摩擦角:0 = 42°,填土与墙背间的摩擦角5=02 = 21。
;墙背与竖直平面的夹角a = - aictaii 0.25 =-14.036° □墙背填土容重17.8kN/m3,地基土容重:17.7kN/m3o1.3车辆荷载换算1.3.1试算不计车辆荷载作用时破裂棱体宽度(1)假定破裂面交于荷载内侧不计车辆荷载作用iio=o:计算棱体参数4、%:4 = L(a + H + 21)o)(a + H) = -(a + H)2 =l(2 + 4)2 =182 2 2B Q =— ab- —H(H + 2a)tan a =丄x2x3-丄x4 x (4 + 2x2) tan(-14.036) = 72 2 2 2A= — = — = 0.389A) 18屮=0+ 2+ $ = 42。
一14.036° + 21。
挡土墙设计计算书1 工程概况挡土墙是用来支撑天然边坡或人工边坡以保持土体稳定的建筑物。
按照墙的形式,挡土墙可以分为重力式挡土墙,加筋挡土墙。
锚定式挡土墙,薄壁式挡土墙等形式。
本设计采用重力式挡土墙。
2 挡土墙设计资料1.浆砌片石重力式路堤墙,填土边坡1:,墙背仰斜,坡度1::。
2.公路等级二级,车辆荷载等级为公路-II 级,挡土墙荷载效应组合采用荷载组合I 、II 。
3.墙背填土容重γ=/m 3,计算内摩擦角Φ=42°,填土与墙背间的内摩擦角δ=Φ/2=21°。
4.地基为砂类土,容许承载力[σ]=810kPa ,基底摩擦系数μ=。
5.墙身材料采用5号砂浆砌30号片石,砌体a γ=22kN/m 3,砌体容许压应力为[]600=a σkPa ,容许剪应力[τ]=100kPa ,容许拉应力[wl σ]=60 kPa 。
3 确定计算参数挡墙高度H =4m 填土高度a =2m 墙面倾斜坡度:1: 墙背倾斜坡度:1: 墙底倾斜坡率:0扩展墙趾台阶:1级台阶,宽b 1=,高h 1=。
填土边坡坡度为1:;填土内摩擦角:042=φ,填土与墙背间的摩擦角︒==212/ϕδ;墙背与竖直平面的夹角︒-=-=036.1425.0arctan α 墙背填土容重m 3 地基土容重:m 3 挡土墙尺寸具体见图。
图 挡土墙尺寸4 车辆荷载换算试算不计车辆荷载作用时破裂棱体宽度(1) 不计车辆荷载作用0=h假定破裂面交于荷载内侧,计算棱体参数A 、B :18)42(21)(21))(2(212200=+=+=+++=H a H a h H a A 7)036.14tan()224(4213221tan )2(21210=-⨯+⨯⨯-⨯⨯=+-=αa H H ab B389.018700===A B A ︒=︒+︒-︒=++=964.4821036.1442δαϕψ;715.0)389.0964.48(tan )964.48tan 42(cot 964.48tan ))(tan tan (cot tan tan =+︒⨯︒+︒+︒-=++±-=A ψψϕψθ则:︒=++⨯>==︒69.3342325.04arctan57.35715.0arctan θ计算车辆荷载作用时破裂棱体宽度值B :mbH a H B 29.03)036.14tan(4715.0)24(tan tan )(=-︒-⨯+⨯+=-+⨯+=αθ由于路肩宽度d =>B=,所以可以确定破裂面交与荷载内侧。
(2) 计算主动土压力及其作用位置()()()cos +=tan tan sin +K θϕθαθψ+=()()()cos 33.69+42tan 33.69tan 14.04sin 33.69+48.96+-()=m d h 226.325.0715.05.1tan tan 1=-=+=αθma b h 376.325.0715.0715.023tan tan tan 3=-⨯-=+-=αθθ 312.00)42376.31(42212)21(2124031=+⨯-⨯⨯+=+-+=H h h H h H a K最大主动土压力:211=2E H KK γ=**42**= Kn 土压力的水平和垂直分力为:()cos x E E αδ=+=*cos+21)= ()sin y E E αδ=+=*sin+21)=作用位置:m K H H h h h h H a H Z y 39.1312.0430)376.34(2343)23()(3221244023=⨯⨯+-⨯+=++-+=mZ B Z Y x 64.0)037.14tan(39.129.0tan =︒--=-=α计车辆荷载作用时破裂棱体宽度5 抗滑稳定性验算为保证挡土墙抗滑稳定性,应验算在土压力及其他外力作用下,基底摩阻力抵抗挡土墙滑移的能力。
在一般情况下:Q10Q1(0.9)0.9tan y xG E G E γμαγ++≥式中:G ── 挡土墙自重;xE ,yE ── 墙背主动土压力的水平与垂直分力;0α──基底倾斜角(°);μ ──基底摩擦系数,此处根据已知资料,43.0=μ;Q1γ ──主动土压力分项系数,当组合为Ⅰ、Ⅱ时,Q1γ=;当组合为Ⅲ时,Q1γ=1.3。
m kN G /3.9122)5.03.041(=⨯⨯+⨯=因此,该挡土墙抗滑稳定性满足要求。
6 抗倾覆稳定性验算为保证挡土墙抗倾覆稳定性,需验算它抵抗墙身绕墙趾向外转动倾覆的能力,Q10.9()0G y x x y GZ E Z E Z γ+->式中:G Z ──墙身、基础及其上的土重合力重心到墙趾的水平距离(m); xZ ──土压力垂直分力作用点到墙趾的水平距离(m);yZ ──土压力水平分力作用点到墙趾的垂直距离(m)。
082.40)39.185.2564.016.3(4.1967.03.919.0>=⨯-⨯⨯+⨯⨯kN7 基底应力及合力偏心距验算为了保证挡土墙基底应力不超过地基承载力,应进行基底应力验算;同时,为了避免挡土墙不均匀沉陷,控制作用于挡土墙基底的合力偏心距。
(1)基础底面的压应力 ①轴心荷载作用时1N p A =式中:p ──基底平均压应力(kPa);A ──基础底面每延米的面积,即基础宽度,⨯(2m );1N ──每延米作用于基底的总竖向力设计值(kN);10011()cos sin y x GQ Q N G E W E ααγγγ=+-+其中:yE ──墙背主动土压力(含附加荷载引起)的垂直分力(kN);xE ──墙背主动土压力(含附加荷载引起)的水平分力(kN);W ──低水位浮力(kN)(指常年淹没水位)。
②偏心荷载作用时作用于基底的合力偏心距e 为1Me N =式中:M ──作用于基底形心的弯矩,可按下表采用。
作用于基底的合力偏心距e 为:2Be C =-其中:B =1+=则22.063.16074.0576.023.1==≤=-=B e所以基础底面的压应力满足要求。
(2)基底合力偏心距基底合力偏心距应满足表的要求表 各地基条件下的合力偏心距由以上计算可知,基底合力偏心距满足要求。
(3)地基承载力抗力值 ①当轴向荷载作用时p f ≤式中:p ──基底平均压应力;f ──地基承载力抗力值(kpa)。
②当偏心荷载作用时1.2p f ≤所以满足地基承载力要求。
8 墙身截面强度验算为了保证墙身具有足够的强度,应根据经验选择12个控制断面进行验算,如墙身底部、1∕2墙高处、上下墙(凸形及衡重式墙)交界处。
此处选择二分之一墙高处进行验算 (1)强度计算j K K KN AR α≤按每延米墙长计算:011()j G G Q Q N N N γγγ=+式中:jN ──设计轴向力(kN);γ──重要性系数,取为;GN 、Gγ──恒载(自重及襟边以上土重)引起的轴向力(kN)和相应的分项系数;1Q N ──主动土压力引起的轴向力(kN);1Q γ──主动土压力引起的轴向力的分项系数;Kγ──抗力分项系数,取为;KR ──材料极限抗压强度(kpa),=1275kPa ;A ──挡土墙构件的计算截面积 (),A =12m ;Kα──轴向力偏心影响系数。
故强度满足要求。
(2)稳定计算j K K K K N AR Aψαγ≤式中:jN 、Kα、 A 、Kγ意义同式;K ψ──弯曲平面内的纵向翘曲系数,按下式计算:[]011(3)116()K s s s e B ψαββ=+-+s β──2H/B ,H 为墙有效高度,B 为墙的宽度(m);一般情况下挡土墙尺寸不受稳定控制,但应判断是细高墙或是矮墙。
当H/B 小于10时为矮墙,其余则为细高墙。
对于矮墙可取K ψ=1,即不考虑纵向稳定。
此处H/B =4/1=4<10,故K ψ=1故稳定满足要求。
同理,选择墙身底部进行验算,经验算强度与稳定均满足要求。
故所设计的挡土墙满足要求。
9 基础截面强度验算10 相应结构的内力和配筋计算挡土墙验算计算书(理正岩土)重力式挡土墙验算[执行标准:公路]计算项目:重力式挡土墙 2计算时间: 2014-10-28 11:18:27 星期二------------------------------------------------------------------------1 工程概况原始条件:墙身尺寸:墙身高: (m)墙顶宽: (m)面坡倾斜坡度: 1:背坡倾斜坡度: 1:采用1个扩展墙址台阶:墙趾台阶b1: (m)墙趾台阶h1: (m)墙趾台阶面坡坡度为: 1:墙底倾斜坡率: :1物理参数:圬工砌体容重: (kN/m3)圬工之间摩擦系数:地基土摩擦系数:砌体种类: 片石砌体砂浆标号: 5石料强度(MPa): 30挡土墙类型: 一般挡土墙墙后填土内摩擦角: (度)墙后填土粘聚力: (kPa)墙后填土容重: (kN/m3)墙背与墙后填土摩擦角: (度)地基土容重: (kN/m3)修正后地基土容许承载力: (kPa)地基土容许承载力提高系数:墙趾值提高系数:墙踵值提高系数:平均值提高系数:墙底摩擦系数:地基土类型: 土质地基地基土内摩擦角: (度)土压力计算方法: 库仑坡线土柱:坡面线段数: 2折线序号水平投影长(m) 竖向投影长(m) 换算土柱数1 02 0坡面起始距离: (m)地面横坡角度: (度)墙顶标高: (m)挡墙分段长度: (m)=====================================================================第 1 种情况: 组合1=============================================组合系数:1. 挡土墙结构重力分项系数 = √2. 墙顶上的有效永久荷载分项系数 = √3. 墙顶与第二破裂面间有效荷载分项系数 = √4. 填土侧压力分项系数 = √5. 车辆荷载引起的土侧压力分项系数 = √=============================================[土压力计算] 计算高度为 (m)处的库仑主动土压力无荷载时的破裂角 = (度)按实际墙背计算得到:第1破裂角: (度)Ea= Ex= Ey=(kN) 作用点高度 Zy=(m)墙身截面积 = (m2) 重量 = kN(一) 滑动稳定性验算基底摩擦系数 =滑移力= (kN) 抗滑力= (kN)滑移验算满足: Kc = >滑动稳定方程验算:滑动稳定方程满足: 方程值 = (kN) >(二) 倾覆稳定性验算相对于墙趾点,墙身重力的力臂 Zw = (m)相对于墙趾点,Ey的力臂 Zx = (m)相对于墙趾点,Ex的力臂 Zy = (m)验算挡土墙绕墙趾的倾覆稳定性倾覆力矩= (kN-m) 抗倾覆力矩= (kN-m)倾覆验算满足: K0 = >倾覆稳定方程验算:倾覆稳定方程满足: 方程值 = (kN-m) >(三) 地基应力及偏心距验算基础为天然地基,验算墙底偏心距及压应力作用于基础底的总竖向力 = (kN) 作用于墙趾下点的总弯矩=(kN-m)基础底面宽度 B = (m) 偏心距 e = (m)基础底面合力作用点距离基础趾点的距离 Zn = (m)基底压应力: 趾部= 踵部=(kPa)最大应力与最小应力之比 = / =作用于基底的合力偏心距验算满足: e= <= * = (m)墙趾处地基承载力验算满足: 压应力= <= (kPa)墙踵处地基承载力验算满足: 压应力= <= (kPa)地基平均承载力验算满足: 压应力= <= (kPa)(四) 基础强度验算基础为天然地基,不作强度验算(五) 墙底截面强度验算验算截面以上,墙身截面积 = (m2) 重量 = kN相对于验算截面外边缘,墙身重力的力臂 Zw = (m)相对于验算截面外边缘,Ey的力臂 Zx = (m)相对于验算截面外边缘,Ex的力臂 Zy = (m)[容许应力法]:法向应力检算:作用于验算截面的总竖向力 = (kN) 作用于墙趾下点的总弯矩=(kN-m)相对于验算截面外边缘,合力作用力臂 Zn = (m)截面宽度 B = (m) 偏心距 e1 = (m)截面上偏心距验算满足: e1= <= * = (m)截面上压应力: 面坡= 背坡=(kPa)压应力验算满足: 计算值= <= (kPa)切向应力检算:剪应力验算满足: 计算值= <= (kPa)[极限状态法]:重要性系数0 =验算截面上的轴向力组合设计值Nd = (kN)轴心力偏心影响系数醟 =挡墙构件的计算截面每沿米面积A = (m2)材料抗压极限强度Ra = (kPa)圬工构件或材料的抗力分项系数鉬 =偏心受压构件在弯曲平面内的纵向弯曲系数豮 =计算强度时:强度验算满足: 计算值= <= (kN)计算稳定时:稳定验算满足: 计算值= <= (kN)(六) 台顶截面强度验算[土压力计算] 计算高度为 (m)处的库仑主动土压力无荷载时的破裂角 = (度)按实际墙背计算得到:第1破裂角: (度)Ea= Ex= Ey=(kN) 作用点高度 Zy=(m)墙身截面积 = (m2) 重量 = kN[强度验算]验算截面以上,墙身截面积 = (m2) 重量 = kN相对于验算截面外边缘,墙身重力的力臂 Zw = (m)相对于验算截面外边缘,Ey的力臂 Zx = (m)相对于验算截面外边缘,Ex的力臂 Zy = (m)[容许应力法]:法向应力检算:作用于验算截面的总竖向力 = (kN) 作用于墙趾下点的总弯矩=(kN-m)相对于验算截面外边缘,合力作用力臂 Zn = (m)截面宽度 B = (m) 偏心距 e1 = (m)截面上偏心距验算满足: e1= <= * = (m)截面上压应力: 面坡= 背坡=(kPa)压应力验算满足: 计算值= <= (kPa)切向应力检算:剪应力验算满足: 计算值= <= (kPa)[极限状态法]:重要性系数0 =验算截面上的轴向力组合设计值Nd = (kN)轴心力偏心影响系数醟 =挡墙构件的计算截面每沿米面积A = (m2)材料抗压极限强度Ra = (kPa)圬工构件或材料的抗力分项系数鉬 =偏心受压构件在弯曲平面内的纵向弯曲系数豮 =计算强度时:强度验算满足: 计算值= <= (kN)计算稳定时:稳定验算满足: 计算值= <= (kN)=====================================================================第 2 种情况: 组合2=============================================组合系数:1. 挡土墙结构重力分项系数 = √2. 墙顶上的有效永久荷载分项系数 = ×3. 墙顶与第二破裂面间有效荷载分项系数 = √4. 填土侧压力分项系数 = √5. 车辆荷载引起的土侧压力分项系数 = ×=============================================[土压力计算] 计算高度为 (m)处的库仑主动土压力无荷载时的破裂角 = (度)按实际墙背计算得到:第1破裂角: (度)Ea= Ex= Ey=(kN) 作用点高度 Zy=(m)墙身截面积 = (m2) 重量 = kN(一) 滑动稳定性验算基底摩擦系数 =滑移力= (kN) 抗滑力= (kN)滑移验算满足: Kc = >滑动稳定方程验算:滑动稳定方程满足: 方程值 = (kN) >(二) 倾覆稳定性验算相对于墙趾点,墙身重力的力臂 Zw = (m)相对于墙趾点,Ey的力臂 Zx = (m)相对于墙趾点,Ex的力臂 Zy = (m)验算挡土墙绕墙趾的倾覆稳定性倾覆力矩= (kN-m) 抗倾覆力矩= (kN-m)倾覆验算满足: K0 = >倾覆稳定方程验算:倾覆稳定方程满足: 方程值 = (kN-m) >(三) 地基应力及偏心距验算基础为天然地基,验算墙底偏心距及压应力作用于基础底的总竖向力 = (kN) 作用于墙趾下点的总弯矩=(kN-m)基础底面宽度 B = (m) 偏心距 e = (m)基础底面合力作用点距离基础趾点的距离 Zn = (m)基底压应力: 趾部= 踵部=(kPa)最大应力与最小应力之比 = / =作用于基底的合力偏心距验算满足: e= <= * = (m)墙趾处地基承载力验算满足: 压应力= <= (kPa)墙踵处地基承载力验算满足: 压应力= <= (kPa)地基平均承载力验算满足: 压应力= <= (kPa)(四) 基础强度验算基础为天然地基,不作强度验算(五) 墙底截面强度验算验算截面以上,墙身截面积 = (m2) 重量 = kN相对于验算截面外边缘,墙身重力的力臂 Zw = (m)相对于验算截面外边缘,Ey的力臂 Zx = (m)相对于验算截面外边缘,Ex的力臂 Zy = (m)[容许应力法]:法向应力检算:作用于验算截面的总竖向力 = (kN) 作用于墙趾下点的总弯矩=(kN-m)相对于验算截面外边缘,合力作用力臂 Zn = (m)截面宽度 B = (m) 偏心距 e1 = (m)截面上偏心距验算满足: e1= <= * = (m)截面上压应力: 面坡= 背坡=(kPa)压应力验算满足: 计算值= <= (kPa)切向应力检算:剪应力验算满足: 计算值= <= (kPa)[极限状态法]:重要性系数0 =验算截面上的轴向力组合设计值Nd = (kN)轴心力偏心影响系数醟 =挡墙构件的计算截面每沿米面积A = (m2)材料抗压极限强度Ra = (kPa)圬工构件或材料的抗力分项系数鉬 =偏心受压构件在弯曲平面内的纵向弯曲系数豮 =计算强度时:强度验算满足: 计算值= <= (kN)计算稳定时:稳定验算满足: 计算值= <= (kN)(六) 台顶截面强度验算[土压力计算] 计算高度为 (m)处的库仑主动土压力无荷载时的破裂角 = (度)按实际墙背计算得到:第1破裂角: (度)Ea= Ex= Ey=(kN) 作用点高度 Zy=(m)墙身截面积 = (m2) 重量 = kN[强度验算]验算截面以上,墙身截面积 = (m2) 重量 = kN相对于验算截面外边缘,墙身重力的力臂 Zw = (m)相对于验算截面外边缘,Ey的力臂 Zx = (m)相对于验算截面外边缘,Ex的力臂 Zy = (m)[容许应力法]:法向应力检算:作用于验算截面的总竖向力 = (kN) 作用于墙趾下点的总弯矩=(kN-m)相对于验算截面外边缘,合力作用力臂 Zn = (m)截面宽度 B = (m) 偏心距 e1 = (m)截面上偏心距验算满足: e1= <= * = (m)截面上压应力: 面坡= 背坡=(kPa)压应力验算满足: 计算值= <= (kPa)切向应力检算:剪应力验算满足: 计算值= <= (kPa)[极限状态法]:重要性系数0 =验算截面上的轴向力组合设计值Nd = (kN)轴心力偏心影响系数醟 =挡墙构件的计算截面每沿米面积A = (m2)材料抗压极限强度Ra = (kPa)圬工构件或材料的抗力分项系数鉬 =偏心受压构件在弯曲平面内的纵向弯曲系数豮 =计算强度时:强度验算满足: 计算值= <= (kN)计算稳定时:稳定验算满足: 计算值= <= (kN)=================================================各组合最不利结果================================================= (一) 滑移验算安全系数最不利为:组合1(组合1)抗滑力 = (kN),滑移力 = (kN)。