变频器恒压供水系统方案
- 格式:doc
- 大小:596.50 KB
- 文档页数:8
变频恒压供水工程施工方案一、施工前的准备工作1. 确定供水系统的需求:在施工前需要明确供水系统的需求,包括水泵的流量和扬程要求,系统的水压范围等参数。
2. 选定合适的变频恒压供水系统:根据供水系统的需求,选择适合的变频恒压供水系统,包括水泵、变频器、压力传感器等设备。
3. 确定施工方案:根据供水系统的布局和实际情况,确定变频恒压供水系统的安装位置、管道走向、电气布置等。
4. 准备所需的材料和工具:准备好安装所需的管道、阀门、管件、电缆等材料,以及安装所需的工具和仪器。
5. 制定施工计划:根据施工的步骤和工期,制定施工计划,确保施工按时按质完成。
二、施工步骤1. 安装水泵和变频器:首先安装水泵和变频器,根据实际情况确定水泵的安装位置和变频器的安装位置,保证设备安装稳固可靠。
2. 安装压力传感器:根据供水系统的需求,安装压力传感器,用于监测系统的水压情况,并将其连接至变频器。
3. 连接管道和阀门:根据施工图纸连接管道和阀门,确保管道系统密封可靠,阀门操作灵活,方便维护和维修。
4. 安装电气控制系统:安装电气控制系统,包括电缆布置、接线、开关控制柜等,确保系统的安全可靠。
5. 调试系统:完成系统的安装后,进行系统的调试,包括水泵启停测试、水压调节测试等,确保系统运行正常。
6. 完成系统调试后,进行系统的试运行,观察系统的运行情况,调整参数,确保系统正常运行。
7. 进行系统的验收:系统完成试运行后,进行系统的验收,包括系统的性能测试、安全性检查等,确保系统符合设计要求。
三、施工注意事项1. 施工过程中遵守相关的安全规定,保证施工人员的安全。
2. 施工过程中注意保护设备和材料,避免损坏设备和材料。
3. 施工过程中注意施工质量,确保施工符合设计要求。
4. 施工过程中注意与其他工程的协调配合,避免影响其他工程的施工进度。
总结:变频恒压供水工程的施工需要根据实际情况制定施工方案,并严格按照施工步骤进行施工。
在施工过程中需要注意安全、质量和配合,确保系统正常运行和供水系统的稳定运行。
变频恒压供水控制系统方案1.方案介绍变频恒压供水控制系统基本由水泵、变频器、压力传感器和PLC控制器组成。
该系统可以对水泵的运行速度进行调节,以使供水系统的压力始终保持在设定值范围内。
当系统检测到压力超过设定值时,将降低水泵的运行速度,反之则提高运行速度。
2.系统原理变频恒压供水控制系统的原理基于水泵的调速运行。
通过变频器控制电机的转速,可以实现水泵的流量调节。
系统中的压力传感器会实时监测供水系统的压力,并将压力信号传给PLC控制器。
PLC控制器根据设定的压力范围和实际的压力信号来调节变频器的输出频率。
当实际压力超过设定范围时,PLC控制器会降低变频器的输出频率,降低水泵的运行速度;当实际压力低于设定范围时,则相反地提高运行速度。
3.系统优势(1)节能环保:相比传统的供水系统,在需求较低时能够降低水泵的运行速度,减少能耗和噪音。
在需求较高时,能够提高运行速度以满足压力需求,提高系统的响应性和供水能力。
(2)压力稳定:采用变频恒压供水控制系统可以实现对供水系统压力的精确控制,保证水压始终保持在设定值范围内,提高供水质量和稳定性。
(3)设备寿命长:通过变频器控制水泵的运行速度,可以减少启停次数,减轻设备的磨损,延长水泵和其他设备的使用寿命。
(4)自动监控保护:系统可以实时监测供水压力,一旦超过设定范围,系统会自动调节水泵的运行速度,确保供水稳定,同时还能提供报警功能,及时发现和排除故障。
4.实施步骤(1)系统设计:根据实际需求,确定供水系统的压力范围和变频器的参数配置。
(2)设备选型和采购:选购符合系统需求的水泵、变频器、压力传感器和PLC控制器等设备。
(3)设备安装和连接:安装和连接好水泵、变频器、压力传感器和PLC控制器等设备。
(4)系统调试和运行:通过调节变频器的参数和设定压力范围,实现系统的压力控制和供水调节。
(5)系统监测和维护:定期检查和维护系统的各个部件,确保系统正常运行。
总结:通过变频恒压供水控制系统的应用,可以实现供水系统的智能化、高效化和节能环保化。
变频器恒压供水系统方案变频器恒压供水系统是一种先进的水力设备,通过控制水泵的转速,使得水压保持在设定的恒定水平上。
这种系统的主要优点是能够满足不同用水需求下的稳定压力供应,从而提高供水质量和稳定性。
下面是一个关于变频器恒压供水系统的方案,以便更好地了解其运作原理和应用。
一、系统概述:二、系统原理:当用水需求增加时,传感器会监测到水压下降的信号,并将此信号传递给控制器。
控制器根据传感器的反馈信号,判断出水泵的负载情况,并相应地调节变频器的输出频率,使得水泵的转速增加,从而增加水的供应量,保持恒定水压。
相反,当用水需求减少时,传感器会监测到水压上升的信号,并传递给控制器。
控制器判断出水泵的负载情况,并相应地调节变频器的输出频率,使得水泵的转速减小,从而减少水的供应量,保持恒定水压。
三、系统特点:1.稳定性:变频器恒压供水系统能够自动调节供水量,保持稳定的水压,从而保证供水的稳定性。
2.节能性:系统根据实际需求调节水泵的转速,避免了过度供水,有效减少了能耗。
3.使用寿命长:系统通过控制水泵的运行状态,减少了水泵的启停次数,延长了水泵的使用寿命。
4.安全性:系统具备过载、过压、低压和短路等保护功能,确保供水系统的安全运行。
四、系统应用:变频器恒压供水系统广泛应用于城市居民楼、写字楼、商场、医院、学校等公共建筑的给水供应,以及工业生产中的供水系统。
由于该系统能够根据实际需求精确调节水泵的供水量,满足不同用水量的需求,因此特别适用于节水型社区和工厂。
五、系统优势:1.提高供水质量:系统能够根据实际需求调节供水量,保持恒定水压,避免了因水压变化而导致的水质问题。
2.减少能耗:系统根据实际需求调节水泵的运行状态,避免了过度供水,减少了能耗。
3.简化维护:系统能够自动控制水泵的运行状态,减少了人工干预和维护工作。
4.提高供水稳定性:系统能够根据实际需求调节供水量,保持稳定的水压,提高了供水的稳定性。
综上所述,变频器恒压供水系统是一种先进的水力设备,通过控制水泵的转速,使得水压保持在设定的恒定水平上。
变频恒压供水控制系统设计【摘要】本文介绍了变频恒压供水控制系统设计的相关内容。
在系统设计要求中,需要考虑稳定供水压力和节约能源的需求。
系统组成包括变频驱动器、传感器、控制器等部件。
系统控制原理是利用变频器对水泵速度进行调节来维持恒定的供水压力。
在系统设计方案中,需要考虑水泵的选型和安装位置等因素。
通过系统性能分析可以评估系统的稳定性和效率。
通过本文的研究,可以为变频恒压供水控制系统的设计和应用提供参考。
【关键词】变频恒压、供水控制系统、设计要求、系统组成、系统控制原理、系统设计方案、系统性能分析、结论。
1. 引言1.1 引言变频恒压供水控制系统设计是现代城市供水系统中的重要组成部分,它能够有效地调节水压,确保供水稳定性和节能高效性。
随着城市化进程的加快,供水需求不断增加,传统的供水系统已经不能满足需求,因此采用变频恒压供水控制系统已经成为一个必然趋势。
本文将首先介绍系统设计的基本要求,包括稳定的供水压力、节能高效、易维护等方面。
然后将详细介绍系统的组成,包括变频器、水泵、传感器等核心部件。
接着将介绍系统的控制原理,包括PID控制、频率调节等技术原理。
将提出系统的设计方案,包括硬件设计、软件设计以及系统整体架构。
对系统的性能进行分析,包括稳定性、节能性、可靠性等方面,以验证系统设计的合理性。
通过本文的介绍,读者可以了解变频恒压供水控制系统设计的基本原理与方法,为现代供水系统的优化设计提供参考。
2. 正文2.1 系统设计要求1. 稳定性要求:变频恒压供水控制系统需要保持稳定的工作状态,确保水压在设定范围内波动较小,以满足用户对水压稳定性的需求。
2. 响应速度要求:系统需要具有较快的响应速度,能够及时调整水泵的转速以保持设定的恒压供水状态,提高用户体验。
3. 节能性要求:设计要充分考虑系统的能耗情况,尽量减少无效能耗,优化控制算法以实现节能运行,降低运行成本。
4. 可靠性要求:系统设计应考虑到设备的可靠性,确保系统能够长时间稳定运行,减少维护和修复成本,提高系统的可用性和可靠性。
变频器单泵恒压供水及定时供水系统设计图解当用水系统用水量较小时,可以采纳变频器调速掌握的单泵恒压供水系统,本文争论与此相关的几个问题。
1.单台水泵的变频调速恒压供水系统是如何工作的?实现单台水泵的变频调速恒压供水有一个前提,就是水泵电动机以额定转速运行(工频50Hz运行)时供应的水量,能够满意该供水系统的最大用水需求,否则应当选用出水量更大的水泵,或采纳多泵供水方案。
单泵恒压供水系统示意图如图1所示。
采纳PID掌握的闭环掌握模式。
水泵电动机M由变频器供电;SP是压力变送器,它与变频器之间使用一条三芯屏蔽线连接,其中红线和黑线由变频器向SP供应24V工作电源,绿线和黑线向变频器传送压力变送信号,即PID反馈信号XF,送到变频器的VPF端;而恒压供水的目标信号XT则由电位器RP调整设定后送到变频器的VRF端。
起动运行后,假如用水量渐渐增大,则水泵出水压力就有所降低,压力变送器SP输出信号减小,即变频器输入的反馈信号XF减小,在变频器的PID掌握作用下,变频器输出频率上升,电动机转速加快,水泵出水量增加,快速使出水压力恢复到目标信号给定的水平上。
运行中假如用水量有所削减,出水压力上升,通过与上相反的掌握过程,同样可以使出水压力得以稳定,实现恒压供水的目标。
2.单泵恒压供水系统中用水量与PID调整量之间是怎样的关系?这里以图示的方法介绍两者之间的关系。
参见图2。
在时间0~t1阶段,供水系统用水量Q持续稳定,供水压力稳定,反馈信号XF 没有变化,PID掌握信号为0,水泵电动机以既有速度运转。
在时间t1~t2阶段,用水量Q上升,压力下降,反馈信号XF减小,PID掌握电路快速作出反应,输出一个正向的PID掌握信号(见图2c),使变频器输出频率fX增高,水泵出水量增大,维持了水压的稳定。
由图2可见,在t1~t2时间段,流量有较大的变化(见图2a),而供水压力变化却很小(见图2b),这就是所谓恒压供水的掌握效果。
OCCUPATION 2012 12132研究R ESEARCH 变频恒压供水系统方案设计赵 毅摘 要:变频恒压供水系统由PLC、传感器、变频器及水泵机组组成闭环控制系统,经变频器内置PID进行运算,通过PLC控制变频与工频切换,实现闭环自动调节变频恒压供水,代替了传统的水塔供水控制方案。
关键词:恒压供水 变频调速 变频器 PLC一、系统总体方案的设计1.供水控制系统的结构供水控制系统的设计主要包括两方面:一方面是机械结构的设计;另一方面是PLC和变频器电气控制方面的设计。
(1)主要组成部分。
①压力传感器:作为系统的控制输入量,能否准确采集该信号决定控制系统的精度及可靠性。
②控制器:是整个控制系统的核心,通过对外界输入状态进行检测,输出控制量;对外界输入的数据进行运算处理后,输出相应的控制量。
例如单片机、可编程逻辑控制器、计算机等。
本系统采用西门子的SIMATIC S7-200系列。
CPU226具有24个输入点和16个输出点,共40个I/O点。
③变频器:作为核心控制器的后续控制单元,对终端设备进行控制,最终达到控制要求。
本系统主要采用全新一代标准变频器中的风机和泵类变转矩负载专用MM430型变频器。
功率范围7.5kW至250kW。
具有高度可靠性和灵活性。
④水泵:供水系统的执行机构,通过变频器控制电动机的转速,最后达到控制水泵流量大小的要求。
(2)电气控制系统。
电气控制系统主要包括操作面板、电气控制柜等单元。
在该系统中需要检测较多的数字输入量,并且还要检测模拟量的输入,然后根据设定的程序进行数据处理,供水系统的监控主要包括水泵的自动启停控制、供水压力的测量与调节、系统水处理设备运转的监视及控制、故障及异常状况的报警等。
电气控制系统安装在电气控制柜中,包括供水控制器(PLC系统)、变频器和电控设备三个部分。
2.恒压供水系统的工作原理变频恒压供水系统以供水出口管网水压为控制目标,在控制上实现出口总管网的实际供水压力跟随设定的供水压力。
PLC控制变频器的恒压供水系统的设计恒压供水系统是一种能够根据管网压力变化自动调节水泵运行速度的系统,常用于公共建筑、工业厂房和住宅小区的水供应系统中。
PLC(可编程逻辑控制器)控制变频器的恒压供水系统设计是一种自动化控制方案,能够有效地提高供水系统的稳定性和能效。
1.系统布局设计:需要根据实际的供水系统布局来确定变频器的安装位置和水泵的布置,以确保系统的整体效果最优。
通常情况下,变频器和PLC控制器会安装在一个控制柜中,方便集中控制和管理。
2.传感器选择与安装:恒压供水系统需要通过传感器来实时监测管网压力的变化,常用的传感器包括压力传感器和流量传感器。
这些传感器需要适当地安装在管道上,并与PLC控制器相连接,以便实时采集和反馈数据。
3.变频器选择与参数设置:根据水泵的功率和变频器的性能需求,选择合适的变频器,并进行参数设置。
在供水系统中,变频器的作用是通过控制电机的转速来调整水泵的出水量,从而满足恒压供水的需求。
4.PLC程序设计:根据实际的供水系统需求,编写PLC程序进行控制逻辑的设计。
程序中需要包括对传感器数据的采集和处理、对变频器的频率设置和控制、对水泵的启停控制等功能。
5.系统调试与优化:在完成PLC程序的设计后,需要进行系统的调试与优化。
通过实际操作和测试,确定系统的参数设置和控制策略是否满足恒压供水系统的要求,并对系统进行优化,提高供水系统的工作效率和稳定性。
6.联动控制与报警功能设计:为了确保供水系统的安全性和稳定性,在PLC控制变频器的恒压供水系统设计中,还需要考虑系统的联动控制和报警功能。
例如,当系统发生故障或异常情况时,PLC控制器可以发出报警信号,并采取相应的措施来保护设备和系统的运行。
总而言之,PLC控制变频器的恒压供水系统设计是一项复杂而重要的工作,它能够实现供水系统的自动化控制,提高系统的稳定性和能效。
要设计一个好的恒压供水系统,需要充分了解供水系统的要求和实际情况,并合理选择和配置设备,进行有效的控制策略设计和系统优化。
变频恒压供水方案随着人们生活水平的提高和用水需求的不断增长,传统的水泵供水方式已经无法满足日益增长的水压需求。
为了解决这个问题,变频恒压供水方案应运而生。
本文将介绍变频恒压供水方案的原理、优势以及应用场景。
一、方案原理变频恒压供水方案采用的是变频技术和PID控制技术相结合的方式,实现对供水系统的智能控制和恒压供水。
其具体原理如下:1. 变频技术:水泵通过变频器控制电机的转速,根据实际用水情况调整电机的输出频率。
当用水量增加时,变频器会提高电机的转速,以增加水压;当用水量减少时,变频器会降低电机的转速,以降低水压。
通过实时监测用水需求,自动调整电机的转速,从而实现水压的恒定。
2. PID控制技术:PID控制是一种经典的控制算法,通过对比实际输出和期望输出的差异,不断调整控制信号,使系统达到稳定的状态。
在变频恒压供水方案中,PID控制器监测实际水压与设定水压之间的差异,并根据差异值来调节变频器的输出频率,以实现恒压供水。
二、方案优势采用变频恒压供水方案有以下几个优势:1. 节能高效:由于变频技术可以根据实际需求调整电机的转速,避免了传统水泵的定转速运行模式,有效降低了电能的消耗。
同时,PID控制技术可以精确控制水压,减少水泵的工作量,使水泵运行更加高效。
2. 稳定可靠:变频恒压供水方案能够实时监测水压变化,并及时调整电机的转速,使供水系统始终保持恒定的水压。
这不仅可以提供稳定可靠的用水体验,还可以避免因水压过高或过低而引发的故障和损坏。
3. 安全环保:采用变频恒压供水方案可以实现水泵的精确控制,避免了过高水压对管道和设备的损坏,延长了设备的使用寿命。
同时,由于变频技术的应用,减少了水泵的启停频率,降低了噪音和振动,提供了更加安静和舒适的供水环境。
三、方案应用变频恒压供水方案适用于各种场景,尤其是在住宅小区、商业楼宇、工业生产等对水压要求较高的场所。
具体应用包括:1. 住宅小区供水:可以根据住宅小区的用水需求,实现恒定的水压供应,提供舒适的生活用水环境。
变频恒压供水工程施工方案一、项目概述随着城市化进程的不断加快,城市供水系统的建设和改造已成为城市基础设施建设的重要组成部分。
为了满足城市居民和企业的日常用水需求,保障城市供水系统的稳定运行,变频恒压供水系统应运而生。
变频恒压供水系统是一种利用变频技术和恒压控制技术,实现水泵运行频率和压力恒定的供水系统,能够根据用水量的变化灵活调节水泵输出功率,提高系统的工作效率和节能环保的供水系统。
本项目为某市城市供水系统改造工程,旨在利用变频恒压供水系统提高城市供水系统的运行效率和稳定性,减少能源消耗,降低运行成本,改善供水质量,提高城市居民的用水体验。
二、工程方案2.1 供水系统布局设计本项目的供水系统由水源、输水管道、泵站和用户终端组成。
水源为城市自来水,输水管道经过消防水池,进入泵站进行增压处理,再经过主管道向各个用户终端分流供水。
根据城市的用水情况和用户需求,需要对现有供水系统进行改造,改造后的供水系统布局如下:1)水源:城市自来水厂,供水量根据城市用水需求进行调控。
2)输水管道:使用直径为500mm的钢管输水管道,经过消防水池,进入泵站。
3)泵站:设置变频恒压供水系统,根据用水量的变化自动调节水泵输出频率和压力,提高泵站的运行稳定性和节能效率。
4)用户终端:供水管道向各个用户终端分流,实现城市居民和企业的日常用水需求。
2.2 变频恒压供水系统设计变频恒压供水系统由水泵、变频器、压力传感器、控制系统等组成。
水泵为多台并联设置,通过变频器调节水泵的运行频率和输出功率,根据压力传感器实时监测的供水压力,自动控制水泵的启停和运行频率,以保持供水压力恒定。
2.3 施工流程及工艺技术1)泵站土建施工进行泵站的土建施工前,需要对现场进行勘测和测量,确保泵站的地基和基础承载能力满足工程要求。
施工人员应按照设计方案进行基坑开挖、混凝土浇筑、钢筋绑扎等工序,并采用振动器对混凝土进行振捣,确保基础的密实性和承载能力。
2)设备安装泵站设备安装主要包括水泵、变频器、压力传感器、控制系统等设备的安装与调试。
城市恒压供水系统一、前言1、供水系统概述城市规模的不断扩大,高层建筑的不断增长,对于高层的用户来说,在白天或者用水高峰时供水系统的电动机负荷最大,常常需要满负荷或超负荷运行,而在晚上或休闲是,所需水量减少很多,但是电动机依然处于满负荷运行状态,这样既浪费了大量的资源,对电动机的损耗也较大。
所以需要根据不同的需求条件来调节电动机的转速以实现恒压供水。
在供水系统中,当用水量需要变化时,传统的调节方法是通过人工改变阀门的开度来调整, 但是此类方法无法对供水管道内的压力和水位变化做出及时、恰当的反应,往往会造成用水高峰期时供水压力不足,用水低峰期时供水压力过高,不仅十分浪费能源而且存在事故隐患(例如压力过高容易造成爆管事故)。
因此无法满足城市供水系统的要求。
采用变频调速的供水系统可以有效解决以上的问题。
根据用水量的大小,控制水泵的转速,即用水量增大时,调高变频,使水泵转速升高,增加供水量。
当用水量超过一台水泵的供水量时启动新的水泵以增加供水量,当用水量减少时,使水泵转速降低或减少投入运行的水泵数量,减少供水量。
2、供水系统功能城市供水系统的主要功能是在用水量不断变化的情况下,维持管内的压力在一定范围内,既能满足用水的需求,又能最大程度节约能源,延长设备寿命。
变频供水的控制器经历了从继电器- 接触器,到单片机,再到PLC。
而变频器也从多端速度控制、模拟量输入控制发展到专用变频器,为实现城市供水系统简单、高效、低能耗的功能,并且实现自动化的控制过程,采用PLC作为核心控制器是个较好的方案。
(完整word版)plc变频器控制恒压供水系统PLC具有体积小、设计周期短、数据处理和通信方便、易于维护和操作、明显降低成本等优点,可满足城市供水系统的控制要求.除此以外,PLC作为城市供水控制系统使设计过程变得更加简单,可实现的功能变得更多。
由于PLC的CPU强大的网络通信能力,是城市供水系统的数据传输与通信变得可能,并且也可以实现其远程监控.利用「1。
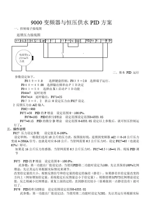
9000变频器与恒压供水PID方案一、控制端子接线图返馈压力接线图二、基本PID运行参数设定如下,F039=0.0选择键盘控制;F039=2.0选择端子运行。
F040=40.00选择输出频率由PID决定F041=50选择由X1启动PID功能F044=7 延时处理F047=14 延时输出;F071=2SF073=0.2表示: 0设定压力由:F027设定.2 反馈压力由AI2输入.F092=980F075 =50 PID的P增益设定范围0~100.0%。
F076=10S PID的积分I增益设定范围设定范围0-6553.0SF077=0.1S PID的微分D增益设定范围0-6553.0S设定以上参数后,就可恒压控制运行了。
三、操作说明F027 压力设定参数设定值是0-100%,设定举例:一般我们选用10公斤的压力表,按图接好线,返馈到变频器AI2口0-10公斤压力变成4-20MA信号。
也就是对应0-10公斤。
当管网需要6.5公斤压力时,设定F027=65(也就是65%)即可。
如果是16公斤压力传感器,当管网需要6.5公斤压力时,F027=6.5÷16=41四、现场PID调节F075 PID的P增益设定范围0~100.0%。
此参数:第一功能出厂值设定15,当使用PID第二功能时设定为100。
先让其保持100%比例增益;先让其运行再根据实际情况来调节。
改变给定量的大小,观察反馈信号和给定量的稳定的偏差(静差),如果静差在给定量改变的方向上(例如增加给定量,系统稳定后反馈量总小于给定量),则继续增加F075比例增益设定值,反之则减小比例增益,重复上面的过程,直到静差比较小(很难做到一点静差没有)就可以了。
F076 PID的积分I增益设定范围设定范围0-6553.0S此参数:第一功能出厂值设定15,当使用第二功能时设定为20S。
先让其运行再根据实际情况来调节。
积分时间参数的调节一般由大到小调,逐步调节积分时间,观察系统调节的效果,直到系统稳定的速度达到要求。
变频器恒压供水方案1. 引言变频器恒压供水方案是一种应用于供水系统中的控制方案,通过使用变频器控制水泵的运行速度,实现供水系统中恒定的水压。
该方案广泛应用于城市建设、工业生产等领域,在提高供水系统效率、降低能耗方面具有重要意义。
本文将详细介绍变频器恒压供水方案的工作原理、特点以及实施步骤。
2. 工作原理变频器恒压供水方案的核心在于使用变频器控制水泵的转速,从而调整供水系统中的水流量和水压。
其工作原理如下:1)传感器检测水压信号:在供水系统的出口处安装压力传感器,用于监测当前的水压情况。
2)变频器感知信号并调整频率:压力传感器监测到的水压信号经过变频器转换为电信号,并通过内置的算法进行分析和处理。
变频器根据水压信号的变化调整水泵的转速,使得供水系统中的水压保持在设定的恒定水压范围内。
3)控制水泵运行状态:根据变频器调整的水泵转速,控制水泵的启停和运行,以及水泵的工作时间。
4)实时监测和反馈:通过变频器的显示屏或远程监控系统,实时监测供水系统的运行状态,包括水泵的转速、水压情况等,并可通过网络等方式将监测数据反馈给相关人员。
3. 特点和优势变频器恒压供水方案相比传统的供水系统,具有以下特点和优势:•省能节能:通过变频器控制水泵的转速,减少水泵的运行时间和功率消耗,降低能源消耗和运行成本。
•精确控制供水压力:采用恒压控制方法,可精确控制供水系统的水压,避免水压过高或过低对供水系统和设备造成的损坏。
•减少水泵启停次数:通过变频器调整水泵转速,使得水泵运行平稳,减少启停频繁,延长水泵的使用寿命。
•自动调节:当供水系统的水压发生变化时,变频器能够及时感知并调整水泵的运行状态,保持恒定的水压。
•实时监测:变频器可实时监测供水系统的运行状态,通过显示屏或远程监控系统提供供水系统的数据和报警信息,方便运维人员进行管理和维护。
4. 实施步骤实施变频器恒压供水方案的步骤如下:1)系统设计:根据实际需求,确定供水系统的流量要求、所需水压范围等参数,进行系统设计。
变频器恒压供水系统方案PLC风光变频器一拖五供水控制系统风光变频器一拖五供水控制系统1.用户现场情况用户现场情况如图1所示,市网自来水用高低水位控制器EQ来控制注水阀YV1,自动把水注满储水水池,只要水位低于高水位,则自动向水箱注水。
水池的高低水位信号也直接送给PLC,作为水位报警。
为了保持供水的连续性,水位上、下限传感器高低距离较少。
生活用水和消防用水共用五台泵,平时电磁阀YV2处于失电状态,关闭消防管网,五台泵根据生活用水的多少,按一定的控制逻辑运行,维持生活用水低恒压。
当有火灾发生时,电磁阀YV2得电,关闭生活用水管网,五台泵供消防用水使用,并维持消防用水的高恒压值。
火灾结束后,五台泵改为生活供水使用。
图1生活/消防双恒压供水系统示意图现场设备参数如下:型号80GDL54-14×7流量54m3/h扬程98m效率70%转速2900r/min 电机功率22KW电机数量5台3.系统控制要求系统控制要求用户对五台泵生活/消防双恒压供水系统的基本要求是:⑴生活供水时,系统低恒压运行,消防供水时高恒压值运行。
⑵五台泵根据恒压的需要,采取先开先停的原则接入和退出。
⑶在用水量小的情况下,如果一台泵连续运行时间超过1天,则要切换下一台泵,系统具有倒泵功能,避免一台泵工作时间过长。
⑷五台泵在启动时都要有软启动功能。
⑸要有完善的报警功能。
⑹对泵的操作要有手动控制功能;手动只在应急或检修时使用。
4.设备选型设备选型((1)风光)风光JD-BP32-XF型供水变频器型供水变频器JD-BP32-XF型是山东新风光电子科技发展有限公司推出的专用供水变频器,使用空间电压矢量控制技术适用于各类自控场合。
在恒压供水中可以采用这类变频器。
JD-BP32-XF型变频器除具有变频器的一般特性外,还具有以下特性:水压高、水压低输出接口,变频器运行上限、下限频率(可以任意设定),可以方便地进行双压力控制,内置智能PI控制,以上功能非常适用于供水控制要求。
刘河煤矿压风机房冷却水系统变频器恒压供水方案我矿目前安装有5台压风机,在压风机的冷却水系统设计上采用的是5台压风机同时运行时的冷却水供水量,但是根据我矿目前的生产情况,实际上在正常情况下5台压风机只需要运行2台—4台,所以冷却水系统有一定的调节范围,而采用变频调速技术用于我矿压风冷却系统恒压供水,具有节能、平安、供水品质高等优点:一、恒压供水的目的对于供水系统进展的控制,归根到底是为了满足我矿压风冷却系统对于流量的需求。
在顶峰时期需求量大,需能快速供水;低峰时应维持一定管压。
其最根本的控制对象是流量,压力被用来作为控制流量大小的参变量。
如果保持供水系统某处压力的恒定,也就保证该处的供水能力与用水流量处于平衡状态,可满足压风冷却系统的用水需求。
二、恒压供水的意义1、消除水锤效应异步电机在全电压起动时,从静止状态加速到额定转速的时间非常短。
在极短时间内,水的流量从零猛增到额定流量。
这巨大变化将引起流质对管道的压强产生过高或过低的冲击,并产生空化现象。
压力的冲击会使管壁受力,就像锤子敲击管子一样,故称为水锤效应。
水锤效应具有极大的破坏性:压强过高,将引起管子的破裂;压强过低又会导致管子的瘪塌。
恒压供水调速系统可实现水泵电机的无级调速,从而消除供水系统中,因起动与制动过程中动态转矩太大而引起的水锤效应,可延长水泵与管道系统的寿命。
2、水泵变频调速系统的节能收益我矿却水系统的供水量设计上采用的是5台压风机同时运行时的水量,结合我矿生产需求实际上在正常情况下5台压风机只需要运行2台—4台,所以供水时除顶峰期外大局部时间流量较小,只需要维持正常水量时的1/2或4/5,用变频器控制可以使水泵运行的转速随流量的需求而变化,最终到达节能的目的。
采用变频调速方案带来的的经济收益:水泵属于平方转矩负载,水泵的水量Q及转速n成正比,而水泵的功率P及转速n的立方成正比。
水泵水量Q = K1n水泵水压P = K2 n2水泵功率P = K2 n3由于水泵需要全年连续运行,所以按水泵每年工作365天计算,每天24小时,每年累计工作时间为:24×365=8760小时,水泵电机功率为55kw。
供水系统方案图变频恒压供水系统构成及工作原理1系统的构成图3-1 系统原理图如图3-1所示,整个系统由三台水泵,一台变频调速器,一台PLC和一个压力传感器及若干辅助部件构成。
三台水泵中每台泵的出水管均装有手动阀,以供维修和调节水量之用,三台泵协调工作以满足供水需要;变频供水系统中检测管路压力的压力传感器,一般采用电阻式传感器(反馈0~5V电压信号)或压力变送器(反馈4~20mA电流);变频器是供水系统的核心,通过改变电机的频率实现电机的无极调速、无波动稳压的效果和各项功能。
从原理框图,我们可以看出变频调速恒压供水系统由执行机构、信号检测、控制系统、人机界面、以及报警装置等部分组成。
(1)执行机构执行机构是由一组水泵组成,它们用于将水供入用户管网,图2.3中的3个水泵分为二种类型:调速泵:是由变频调速器控制、可以进行变频调整的水泵,用以根据用水量的变化改变电机的转速,以维持管网的水压恒定。
恒速泵:水泵运行只在工频状态,速度恒定。
它们用于在用水量增大而调速泵的最大供水能力不足时,对供水量进行定量的补充。
(2)信号检测在系统控制过程中,需要检测的信号包括自来水出水水压信号和报警信号:①水压信号:它反映的是用户管网的水压值,它是恒压供水控制的主要反馈信号。
②报警信号:它反映系统是否正常运行,水泵电机是否过载、变频器是否有异常。
该信号为开关量信号。
(3)控制系统供水控制系统一般安装在供水控制柜中,包括供水控制器(PLC系统)、变频器和电控设备三个部分。
①供水控制器:它是整个变频恒压供水控制系统的核心。
供水控制器直接对系统中的工况、压力、报警信号进行采集,对来自人机接口和通讯接口的数据信息进行分析、实施控制算法,得出对执行机构的控制方案,通过变频调速器和接触器对执行机构(即水泵)进行控制。
②变频器:它是对水泵进行转速控制的单元。
变频器跟踪供水控制器送来的控制信号改变调速泵的运行频率,完成对调速泵的转速控制。
变频恒压供水控制系统设计一、系统设计概述变频恒压供水控制系统是一种用于城市供水系统和建筑物水供系统的先进控制系统。
通过使用变频控制器和压力传感器,系统能够监测并调节系统的运行,实现水压恒定,避免因为供水系统压力不足或者过高而导致的浪费和损坏。
本文将阐述变频恒压供水控制系统的设计原理和技术要点。
二、变频恒压供水控制系统的工作原理1. 压力传感器检测变频恒压供水控制系统首先通过安装在管道上的压力传感器实时检测供水管道内的水压情况。
压力传感器将检测到的水压情况反馈给控制系统。
2. 控制器调节控制系统根据压力传感器反馈的水压情况,利用变频器调节水泵的转速,以使得供水管道内的压力始终维持在设定的恒定值之上。
当管道内的水压低于设定值时,控制系统将增加水泵的转速以增加供水量;当管道内的水压超过设定值时,控制系统将降低水泵的转速以减少供水量。
3. 故障自诊断系统还具有故障自诊断功能,当传感器或控制器出现故障时,系统能够自动诊断并给出报警信号,指示维修人员前往修复。
1. 变频器的选型变频器是变频恒压供水控制系统中的关键组件,它能够根据控制系统的指令调节水泵的转速。
在选型时,需要考虑控制系统对变频器的精度和稳定性的要求,以及水泵的功率和额定转速。
一般情况下,应选择具有较高性能和较高精度的变频器,以保证控制系统的准确性和稳定性。
压力传感器是变频恒压供水控制系统中用于检测管道内水压情况的装置,因此其精度和可靠性对系统的性能至关重要。
在选型时,需要考虑管道内水压的测量范围和精度要求,以及传感器的耐压能力和抗干扰能力。
3. 控制系统的程序设计控制系统的程序设计需要考虑到系统运行的稳定性和响应速度。
程序设计应充分考虑水泵和变频器的控制逻辑,并充分考虑各种工况下的供水量和供水压力的变化趋势,以实现系统的准确控制和稳定运行。
4. 系统的安全保护设计变频恒压供水控制系统需要具备完善的安全保护功能,以防止水泵和管道的损坏。
安全保护设计应考虑到水泵的过流、过载和短路等故障情况,并配备相应的保护装置,及时停止水泵的运行以避免对设备和管道的损坏。
PLC风光变频器一拖五供水控制系统
1.用户现场情况
如图1所示,市网自来水用高低水位控制器EQ来控制注水阀YV1,自动把水注满储水水池,只要水位低于高水位,则自动向水箱注水。
水池的高低水位信号也直接送给PLC,作为水位报警。
为了保持供水的连续性,水位上、下限传感器高低距离较少。
生活用水和消防用水共用五台泵,平时电磁阀YV2处于失电状态,关闭消防管网,五台泵根据生活用水的多少,按一定的控制逻辑运行,维持生活用水低恒压。
当有火灾发生时,电磁阀YV2得电,关闭生活用水管网,五台泵供消防用水使用,并维持消防用水的高恒压值。
火灾结束后,五台泵改为生活供水使用。
图1 生活/消防双恒压供水系统示意图
现场设备参数如下:
型号80GDL54-14×7
流量54m3/h
扬程98m
效率70%
转速2900r/min
电机功率22KW
电机数量5台
3.系统控制要求
用户对五台泵生活/消防双恒压供水系统的基本要求是:
⑴生活供水时,系统低恒压运行,消防供水时高恒压值运行。
⑵五台泵根据恒压的需要,采取先开先停的原则接入和退出。
⑶在用水量小的情况下,如果一台泵连续运行时间超过1天,则要切换下一台泵,系统具有倒泵功能,避免一台泵工作时间过长。
⑷五台泵在启动时都要有软启动功能。
⑸要有完善的报警功能。
⑹对泵的操作要有手动控制功能;手动只在应急或检修时使用。
4.设备选型
(1)风光JD-BP32-XF型供水变频器
JD-BP32-XF型是山东新风光电子科技发展有限公司推出的专用供水变频器,使用空间电压矢量控制技术适用于各类自控场合。
在恒压供水中可以采用这类变频器。
JD-BP32-XF型变频器除具有变频器的一般特性外,还具有以下特性:水压高、水压低输出接口,变频器运行上限、下限频率(可以任意设定),可以方便地进行双压力控制,内置智能PI控制,以上功能非常适用于供水控制要求。
在本例中选用JD-BP32-22F(22KW)风光供水变频器拖动用户水泵。
(2)PLC选型
①控制系统的I/O点及地址分配
根据图1所示及控制要求,统计控制系统的输入、输出信号的名称,代码及地址编号如下表1所示。
水位上、下限信号分别为I0.1、I0.2。
②PLC系统选型
系统共有开关量输入点8个,开关量输出点14个,选用西门子主机CPU222(8入6继电器输出)1台,加上扩展模块EM222(8继电器输出)1台。
即可满足用户供水控制要求
(3)压力传感器
在供水系统中,压力传感器既可以采用压力变送器,也可以采用远传压力表。
在本例中采用远传压力表,压力表相应接线端子接到变频器主控板3脚、4脚、5脚即可。
5.电气控制系统原理图
电气控制系统原理图包括主电路图、控制电路图及PLC外围接线图三部分。
(1)主电路图
如图2所示为电控系统主电路。
五台电机分别为M1、M2、M3、M4、M5。
接触器KM1、KM3、KM5、KM7、KM9,分别控制M1、M2、M3、M4、M5的工频运行;接触器KM2、KM4、KM6、K M8、KM10,分别控制M1、M2、M3、M4、M5的变频运行;FR1、FR2、FR3、FR4、FR5分别为五台水泵电机过载保护用的热继电器;QS1、QS2、QS3、QS4、QS5、QS6分别为变频器和五台泵电机主电路的隔离开关;FU1、FU2、FU3、FU4、FU5为主电路的熔断器;BPQ为风光供水专用变频器。
图2主电路图
(2)控制电路图
如图3所示为电控系统电路。
图中SA为手动/自动转换开关,SA打在1的位置为手动控制状态,打在2的状态为自动控制状态。
手动运行时,可用按钮SB1~SB12控制五台泵的起/停和电磁阀YV2的通/断;自动运行时,系统在PLC程序控制下运行。
图中的HL13为自动运行状态电源指示灯。
图3电控系统控制电路图
(3)PLC接线图
下图4所示为PLC及扩展模块外围接线图。
火灾时,火灾信号SA1被触动,I0.0为1。
图4双恒压供水控制系统及扩展模块的外围接线图
6.系统程序设计
器件地址功能器件地址功能
VB400 变频工作泵的泵号M0.4 复位当前变频泵运行脉冲
VB401 工频运行泵的台数M0.5 当前泵工频运行启动脉冲
VD410 倒泵时间存储器M0.6 新泵变频启动脉冲
T33 工/变频转换逻辑控制M2.0 泵工/变频转换逻辑控制
T34 工/变频转换逻辑控制M2.1 泵工/变频转换逻辑控制
T37 工频泵增泵判断时间控制M2.2 泵工/变频转换逻辑控制
T38 工频泵减泵判断时间控制M3.0 故障信号汇总
T39 工/变频转换逻辑控制M3.1 水位下限故障逻辑
M0.0 故障结束脉冲信号M3.2 水位下限故障消铃逻辑
M0.1 泵变频启动脉冲M3.3 变频器故障消铃逻辑
M0.2 - M3.4 火灾消铃逻辑
M0.3 倒泵变频启动脉冲
生活/消防双恒压的两个恒压值是风光供水专用变频器直接设定的。
在本系统中,根据用户要求,生活压力设定为0.35MPa,消防压力设定为0.60MPa。
压力低、压力高信号分别由变频器内部主控板14脚、15脚给出。
供水运行下限频率、供水运行上限频率由变频器程序设定。
在本系统中,运行下限频率设为20Hz, 运行上限频率设为50Hz。
(2)PLC供水控制系统流程图如下图5示:
图5流程图(3)该系统PLC控制程序如下:。