油浸式变压器呼吸器矽胶更换作业指导书
- 格式:docx
- 大小:3.88 MB
- 文档页数:40
呼吸器的安装及检修:1、所安装的呼吸器,一定要进行检查,在安装时应将保存或运输时为防潮而加装的无孔胶垫及防潮剂去掉。
2、呼吸器拆卸时,首先拧开底部油封碗,卸下上部油枕连管或隔膜胶管的连接,取下呼吸器,将呼吸器解体,倒出内部吸湿剂。
3、检查呼吸器玻璃筒应完好无破损,器身应密封良好4、呼吸器底油封应注油至油面线,无油面线的油浸过进气口以上即可,以起到油封过滤作用。
5、变色硅胶呈蓝色,如呈红色则又受潮失效,应在115~120℃温度下干燥数小时,呈天蓝色再可用。
6、变色硅胶的制造,取占硅胶量3%的氯化钴,溶解于水,将粒度为2—6mm的白色硅胶浸于溶液之中,取出呈粉红色的置于115%~120℃温度下烘干,呈天蓝色即可使用。
7、运行中的变压器更换硅胶时,变压器瓦斯保护要退出运行吸湿器外型尺寸表型号D1 D2 HXD-0.2 80 60 170XD-0.5 100 76 220XD-1 140 90 255XD-1.5 140 90 325XD-3 200 125 440XD-5 200 125 540受到潮气或温度的变化会使硅胶变色=乃硅胶特性,不用探究、别无它解干式变压器有呼吸器吗?能讲出有或无的原因吗?谁能详细地讲解一下啊?变压器中的呼吸器是指油浸变压器中其绝缘油受热不同膨胀也不同,膨胀时油向上升到油枕中,油枕的油位上升挤压空气,此时需要油枕呼吸器予以调解。
干式变压器没有绝缘油,哪来的的呼吸器呢?如何降低变压器更换硅胶次数这个主要还是和变压器的质量有关系。
作为电力工作人员的话,安全运行就好了。
变压器本体吸湿器的话,别让变压器过热,及时发现渗油的位置。
有载调压血箱的吸湿器的话,注意调档次数不要过多了。
更换运行中变压器呼吸器内硅胶应注意什么?(1)变压器应将重瓦斯保护改接信号(2)取下呼吸器时应将连管堵住,防止回收空气(3)换上干燥的硅胶后,应使油封内的油没过呼气嘴并将呼吸器密封步骤是:将吸湿器从变压器上卸下,倒出内部变色硅胶,检查玻璃罩是否清洁完好,装入干燥的硅胶,并在顶盖下留出1/5—1/6高度的空隙,下部的油封罩内注入合格的变压器油至正常油位线,将吸湿器安装牢固即可。
变压器呼吸器硅胶更换的步骤及注意事项
1. 嘿,首先咱得把变压器给停了呀,不停电那可不行哦!就像你不把车停下怎么能去换轮胎呢!然后打开呼吸器的盖子。
你说要是不停电就去弄,那不就跟在飞驰的火车轨道上换零件一样危险嘛!
2. 接下来呀,把里面旧的硅胶倒出来,这可得小心点别撒得到处都是呀!哇,那场面可不能乱。
就好比你倒一碗粥,要是不小心打翻了,那不就得收拾半天嘛!
3. 清理干净呼吸器里面,要仔仔细细的哦,不能有一点灰尘啥的残留。
这就跟你打扫房间一样,角角落落都得弄干净,不然住起来也不舒服呀,对吧?
4. 然后呢,把新的硅胶装进去呀,这就像给瓶子里装糖果一样,要装得满满的。
哎呀,可别装一半就不管啦!
5. 盖好盖子,拧紧螺丝,这一步可不能马虎呀,松松垮垮的可不行哦!就好像给礼物包装,要是包得不严实,礼物不就掉出来啦?
6. 最后呀,别忘了检查一遍,看看有没有啥问题。
这就好比考试完了检查试卷一样重要呢!
总之,变压器呼吸器硅胶更换可不能马虎,每一步都得认真仔细,这样变压器才能安全运行呀!。
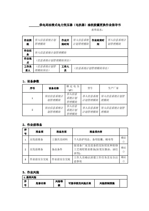
油浸式变压器呼吸器矽胶更换作业指导书1范围本标准化作业指导书规定了油浸式主变呼吸器硅胶更换标准化作业前准备、作业流程图、作业程序与操作标准。
2规范性引用文件下列文件对于本文件的应用是必不可少的。
凡是注日期的引用文件,仅所注日期的版本适用于本文件。
凡是不注日期的引用文件,其最新版本(包括所有的修改单)适用于本文件。
GB 50150-2006 电气装置安装工程电气设备交接试验标准Q/GDW 168-2008 输变电设备状态检修试验规程国家电网〔2009〕664号国家电网公司电力安全工作规程(变电部分)Q/GDW-10-J206-2010 输变电设备交接和状态检修试验规程3术语和定义无4检修前的准备:4.1检修工作安排4.2劳动组织及人员要求4.2.1劳动组织劳动组织明确了工作所需人员类别、人员职责和作业人员数量,见表2。
劳动组织4.2.2人员要求明确了工作人员的精神状态,工作人员的资格包括作业技能、安全资质等要求见表3。
人员要求4.3备品备件与材料4.4工器具与仪器仪表工器具与仪器仪表主要包括工器具、仪器仪表和电源设施等,见表5。
工器具与仪器仪表4.5、技术资料:日常工作中要注意对设备信息的采集和PMS台帐整理录入工作,对所需更换的变压器呼吸器应了解安装方式和呼吸器的容量大小,建立完整的呼吸器信息表,呼吸器的好坏直接关系到变压器内部油的品质,对变压器正常运行起到至关重要的作用。
4.6、定置图及围栏图:在工作区域设置围栏。
4.7检修前设备设施状态:矽胶更换前应先确认呼吸器呼吸通畅,瓦斯继电器内无气体,呼吸器矽胶变色2/3以上。
4.8危险点分析与预防控制措施:规定了油浸式变压器呼吸器矽胶更换的危险点与预防控制措施。
见表6危险点分析与预防控制措施5工作流程图根据更换全过程以最佳的更换步骤和顺序,对更换项目过程进行优化而形成的工作流程图,见图1。
图1 油浸式变压器呼吸器矽胶更换流程图6工作程序与操作标准6.1开工办理开工许可手续前应检查落实的内容,见表7。
1、所安装的呼吸器,一定要进行检查,在安装时应将保存或运输时为防潮而加装的无孔胶垫及防潮剂去掉。
2、呼吸器拆卸时,首先拧开底部油封碗,卸下上部油枕连管或隔膜胶管的连接,取下呼吸器,将呼吸器解体,倒出内部吸湿剂。
3、检查呼吸器玻璃筒应完好无破损,器身应密封良好
4、呼吸器底油封应注油至油面线,无油面线的油浸过进气口以上即可,以起到油封过滤作用。
5、变色硅胶呈蓝色,如呈红色则又受潮失效,应在115~120℃温度下干燥数小时,再生处理,呈天蓝色再可用。
变压器渗漏油原因和处理
1、变压器密封渗漏,油枕或套管的密封件在装配时处理不当或磨损产生的渗漏。
可以通过更换密封件重新装配解决。
一般需部分排油。
2、变压器金属外壳砂眼渗漏。
比较麻烦,一般需要在吊芯大修中补焊处理。
变压器油枕渗漏,
先检查是否排污阀密封胶圈失效。
隔膜式的油枕引起材料原因一般运行5年左右一般会出现渗漏油情况,要结合大修进行更换新的隔膜油囊。
并同时将油枕的密封件一并更换。
变压器呼吸器硅胶更换
首先用高纯度溶剂(如高纯度丙酮)和无绒布(比如相机镜头布)清洁CPU核心表面和散热器底部,注意不要让手指接触核心和散热器表面。
(如果没有丙酮,酒精亦可)
确定散热片上与CPU接触的区域,在散热器底部区域中心挤上一定量的导热硅脂。
将手指套入塑料袋,然后用手指来回按压、涂抹散热器底部的导热硅脂,直到硅脂均匀地分布在CPU接触的区域。
(不要直接用手指涂抹!)
用无绒布将散热器底部的导热硅脂擦掉,这时可以看到散热器底部涂过硅脂的地方与其他区域颜色不一样,说明硅脂已经均匀填补了底座的缝隙。
用干净的工具(如剃刀片或干净的小刀)挑起少许导热硅脂,并放置到CPU核心的一角(比如左下角之类的地方)。
注意,只要一小块就可以了。
运用剃刀片或其他干净的工具,从CPU核心的一角开始,把硅脂均匀涂满整个核心。
对于普通的散热器底面,硅脂厚度大约为一张普通纸的厚度,如果散热器底面光亮平整,那么硅脂可以薄到半透明状。
确认散热器底座和CPU核心表面没有异物,把散热器放到CPU上,此时只能轻压,不能转动或者平移散热器,否则可能会导致散热器和CPU之间的硅脂厚度不均匀。
感谢您的阅读,祝您生活愉快。
油浸式变压器呼吸器矽胶更换作业指导书
1范围
本标准化作业指导书规定了油浸式主变呼吸器硅胶更换标准化作业前准备、作业流程图、作业程序与操作标准。
2规范性引用文件
下列文件对于本文件的应用是必不可少的。
凡是注日期的引用文件,仅所注日期的版本适用于本文件。
凡是不注日期的引用文件,其最新版本(包括所有的修改单)适用于本文件。
GB 50150-2006 电气装置安装工程电气设备交接试验标准
Q/GDW 168-2008 输变电设备状态检修试验规程
国家电网〔2009〕664号国家电网公司电力安全工作规程(变电部分)
Q/GDW-10-J206-2010 输变电设备交接和状态检修试验规程
3术语和定义
无
4检修前的准备:
4.1检修工作安排
4.2劳动组织及人员要求
4.2.1劳动组织
劳动组织明确了工作所需人员类别、人员职责和作业人员数量,见表2。
劳动组织
4.2.2人员要求
明确了工作人员的精神状态,工作人员的资格包括作业技能、安全资质等要求见表3。
人员要求
4.3备品备件与材料
4.4工器具与仪器仪表
工器具与仪器仪表主要包括工器具、仪器仪表和电源设施等,见表5。
工器具与仪器仪表
4.5、技术资料:日常工作中要注意对设备信息的采集和PMS台帐整理录入工作,对所需更换的变压器呼吸器应了解安装方式和呼吸器的容量大小,建立完整的呼吸器信息表,呼吸器的好坏直接关系到变压器内部油的品质,对变压器正常运行起到至关重要的作用。
4.6、定置图及围栏图:在工作区域设置围栏。
4.7检修前设备设施状态:矽胶更换前应先确认呼吸器呼吸通畅,瓦斯继电器内无气体,呼吸器矽胶变色2/3以上。
4.8危险点分析与预防控制措施:
规定了油浸式变压器呼吸器矽胶更换的危险点与预防控制措施。
见表6
危险点分析与预防控制措施
5工作流程图
根据更换全过程以最佳的更换步骤和顺序,对更换项目过程进行优化而形成的工作流程图,见图1。
图1 油浸式变压器呼吸器矽胶更换流程图
6工作程序与操作标准
6.1开工
办理开工许可手续前应检查落实的内容,见表7。
开工内容与要求
6.2工作步骤与操作标准
按照工作流程步骤,明确操作方法、检查标准及注意事项等内容,见表8。
工作步骤与操作标准
6.3竣工
表9规定了工作结束后的注意事项,如清理工作现场、清点工具、办理工作票终结等内
容。
竣工内容与要求。