各种机械传动效率对比表
- 格式:doc
- 大小:54.00 KB
- 文档页数:2
机械传动系统的效率分析与优化随着工业化的发展,机械传动系统成为各行各业中不可或缺的一部分。
机械传动系统旨在将动力从发动机或电动机传递到机械装置中,从而实现各种工艺过程。
然而,在传输能量的过程中,机械传动系统会产生能量损失,降低系统的效率。
因此,对机械传动系统的效率进行分析和优化成为一项重要的工作。
一、机械传动系统的工作原理机械传动系统主要包括传动元件和传动装置。
传动元件通常由轴、轴承、联轴器和齿轮等组成,而传动装置则根据实际需求选择不同的传动方式,例如齿轮传动、带传动和链传动等。
通过传动元件和传动装置的协同作用,机械传动系统能够将输入的动力转化为输出的转矩或速度。
二、机械传动系统的能量损失尽管机械传动系统在实现动力传递的同时发挥着重要作用,但实际应用中难以避免出现能量损失。
主要的能量损失来源包括以下几个方面:1. 摩擦损失:由于传动元件的摩擦作用,能量会转化为热能而散失。
这种损失在轴承和齿轮齿面接触处尤为明显。
2. 机械损失:由于机械结构的刚性和松动等问题,导致机械传动系统内部发生偏差和振动。
这些偏差和振动会使能量发生损失。
3. 空气阻力:机械传动系统在高速运动时,会产生空气阻力,使得能量在传递过程中损失。
4. 传动装置效率:不同的传动装置具有不同的传递效率,例如,链传动的效率相对较低,而皮带传动的效率相对较高。
三、机械传动系统效率的评价指标为了评价机械传动系统的效率,我们需要引入一些评价指标。
常见的评价指标包括:传动效率、总效率和热效率等。
1. 传动效率:传动效率是指传输能量的有效比例,通常以百分比表示。
传动效率可以通过实际输出功率与输入功率的比值计算得出。
2. 总效率:总效率是指机械传动系统在运行过程中的总体能量转换效率。
它综合了机械传动系统内部的各种能量损失。
总效率可以通过实际输出功率与输入功率的比值计算得出。
3. 热效率:热效率是指在机械传动系统中通过摩擦损失产生的热能与输入功率之比。
热效率通常较低,是机械传动系统效率提升的一个重要方面。
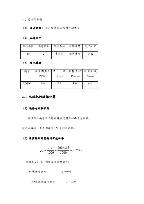
一、设计任务书(1) 设计题目 :设计胶带输送机的传动装置 (2) 工作条件(3) 技术数据二、电动机的选择计算(1)选择电动机系列根据工作要求及工作条件应选用三相异步电动机, 封闭式结构,电压380伏,Y 系列电动机。
(2)滚筒转动所需要的有效功率kw FV p w 25.210005.29001000=⨯==根据表2-11-1,确定各部分的效率:V 带传动效率 η1 =0.95 一对滚动球轴承效率 η2 =0.99闭式齿轮的传动效率 η3 =0.97 弹性联轴器效率 η4 =0.99 滑动轴承传动效率 η5 =0.97 传动滚筒效率 η6=0.96则总的传动总效率η = η1×η2×η2 ×η3×η4×η5×η6= 0.95×0.99×0.99×0.97×0.99×0.97×0.96 = 0.8326(3)电机的转速min /4.1194.05.26060r D v n w =⨯⨯==ππ 所需的电动机的功率kw p p w r 70.28326.025.2===η 现以同步转速为Y100L2-4型(1500r/min )及Y132S-6型 (1000r/min )两种方案比较,传动比98.114.119143001===w n n i ,04.84.11996002===w n n i ; 由表2-19-1查得电动机数据,比较两种方案,为使传动装置结构紧凑,同时满足 i 闭=3~5,带传动i=2~4即选电动机Y132S —6型 ,同步 转速1000r/min 。
Y132S —6型 同时,由表2-19-2查得其主要性能数据列于下表: 三、传动装置的运动及动力参数计算(1)分配传动比总传动比04.80==wn n i ;由表2-11-1得,V 带传动的 传动比i 01= 2.5,则齿轮传动的传动比为:i12=i/i01=8.04/2.5=3.22此分配的传动比只是初步的,实际传动比的准确值要在传动零件的参数和尺寸确定后才能确定。
摘要双柱机械式汽车举升机通过支撑汽车底盘或车身的某一部分,是使汽车升降的设备。
汽车举升机在维修保养中发挥至关重要的作用,无论是整车大修还是小修保养,都离不开他。
机械式汽车举升机作为整个汽车举升机中的一员,他有着其他举升机不具有的优势,例如它的工作范围广,可以维修高顶棚车辆,工作占用空间小等。
本文较全面的介绍了举升机的种类,在确定所要设计的方案之后,针对举升机的结构及特点要求进行了设计与说明。
具体说,涉及原动机分析选择,带传动分析设计,螺旋传动分析设计,导轨分析选择,支撑悬臂应力校核,锁紧机构的选择。
本课题所设计的是双柱机械式汽车举升机。
关键字:螺旋传动;带传动;汽车举升机;弯曲应力ABSTRACTTwo-sided mechanical automobile lift machine is equipment to make the car lifting by supporting a certain part of the automobile chassis or body. Automobile lift machine play a crucial role in maintenance of both the vehicle overhaul and minor repair and maintenance, which cannot be replaced. Mechanical lifters is a member of the car lifting machine family, it has advantages that other lifting machine does not have, such as its work scope is wide, being capable of repairing vehicles with high ceiling, work space is small, etc. This paper comprehensively introduces the classification of the lifting machine and design the lift and make illustration based on the structure and characteristics of the lifting machine after deciding design scheme. Specifically, the paper involves the analysis of motor, belt transmission, screw transmission and guide rail, stress checking of cantilever and the choice of the locking mechanism. This topic is a design of two-sided mechanical automobile lift machine. Keywords: screw transmission; belt transmission; automobile lift; bending stress目录第一章绪论 (1)1.1 汽车举升机简介及发展概况 (1)1.2 汽车举升机分类 (2)第二章举升机设计任务和总体方案设计 (5)2.1 举升机设计任务 (5)2.2 举升机总体方案设计 (5)2.2.1 拟定设计方案 (5)2.2.2 确定总体设计方案 (6)第三章原动机分析选择 (9)3.1原动机的计算选择 (9)3.1.1 选择原动机类型和结构 (9)3.1.2原动机转速选择及功率计算 (9)第四章带传动分析设计 (10)4.1 带传动简介及类型选择 (10)4.2 带传动设计计算 (10)4.2.1 带传动设计初始条件 (10)4.2.2 带传动主要失效形式和设计依据 (11)4.2.3 带传动设计计算 (11)4.2.4 带轮结构设计 (12)第五章举升机构分析设计 (14)5.1 举升机构的分析选择 (14)5.2 滑动螺旋副的设计计算 (16)5.2.1 材料的选择 (16)5.2.2 耐磨性 (16)5.2.3 验算自锁 (17)5.2.4 螺杆强度:校核当量应力 (18)5.2.5 螺纹牙强度 (18)5.2.6 螺杆的稳定性 (18)5.2.7 横向振动-验算临界转速 (19)5.2.8 驱动转矩和效率 (19)第六章支撑机构结构分析设计 (20)6.1 支撑机构结构设计 (20)6.2 支撑机构应力校核 (21)6.2.1 校核弯曲切应力 (21)6.2.2 校核弯曲正应力 (22)第七章导轨结构分析设计 (24)7.1 导轨类型分析选择 (24)7.2 直线运动系统载荷计算 (25)7.3 滚动直线导轨副寿命计算 (26)7.3.1 寿命计算的基本公式 (26)7.3.2 滚动导轨副的寿命计算及选用规格 (27)第八章锁紧机构分析设计 (30)8.1 锁紧机构的必要性 (30)8.2 锁紧机构原理分析 (30)8.3 锁紧机构的选择 (32)8.4 锁紧机构的校核 (33)第九章螺栓连接件的校核 (35)9.1 升降台与剖分式螺母套的螺纹校核 (35)9.2 箱体与地基的螺纹校核 (36)第十章结论 (39)参考文献 (40)致谢 (41)第一章绪论1.1 汽车举升机简介及发展概况汽车举升机在汽车保养和维修行业中占有重要地位。
传动方案效率公式引言传动方案是指在机械系统中用于传递动力和运动的装置或结构。
在设计和选择传动方案时,通常需要考虑传动效率。
传动效率是指输入功率和输出功率之比,用来衡量传动方案能否高效地传递能量。
在本文中,将介绍传动方案效率的计算方法和相关公式。
传动效率的计算传动效率的计算方法依赖于传动方案的特点和参数。
常见的传动方案包括齿轮传动、皮带传动、链条传动等。
齿轮传动效率计算齿轮传动是一种常见的机械传动方式,其效率计算可以根据以下公式进行:Efficiency = (Output power / Input power) × 100%其中,Output power为输出功率,Input power为输入功率。
通过测量输出和输入功率,可以计算传动效率的百分比。
皮带传动效率计算皮带传动是一种常用的传动方式,适用于长距离传递动力的场景。
其效率计算可以根据以下公式进行:Efficiency = (Output power / Input power) × 100%与齿轮传动类似,皮带传动的效率也是通过测量输出和输入功率来计算的。
链条传动效率计算链条传动是一种具有高效率和大扭矩传递能力的机械传动方式。
其效率计算可以根据以下公式进行:Efficiency = (Output power / Input power) × 100%链条传动效率的计算方法与齿轮传动和皮带传动类似。
影响传动效率的因素传动效率受多种因素的影响,包括传动装置的摩擦损失、传动方式的几何特性、传动材料的选择等。
摩擦损失摩擦损失是一种常见的能量损失形式,存在于传动装置中的接触面之间。
减小摩擦损失可以提高传动效率。
常见减小摩擦损失的方法包括使用润滑剂、改善接触面的光洁度等。
几何特性传动方式的几何特性也会影响传动效率。
例如,齿轮传动中齿轮的齿形和传动比会影响传动效率。
选择合适的齿形和传动比可以提高传动效率。
材料选择传动材料的选择也会对传动效率产生影响。
机械课程设计说明书设计题日:带式输送机传动装置姓名:学号:专业:机械设计制造及其自动化完成日期:机械课程设计说明书、前言(一)设计任务设计一带式输送机用单级圆柱齿轮减速器。
已知运输带输送拉力F=2.6KN ,带速V=1.45m/s,传动滚筒直径D=420mm (滚筒效率为0.96)。
电动机驱动,预定使用寿命8年(每年工作300天),工作为二班工作制,载荷轻,带式输送机工作平稳。
工作环境:室内灰尘较大,环境最高温度35°动力来源:电力,相交流380/220伏。
图1带式输送机的传动装置简图1、电动机;2、三角带传动;3、减速器;4、联轴器;5、传动滚筒;6、皮带运输机表1 常用机械传动效率机械传动类型传动效率n圆柱齿轮传动闭式传动0.96 —0.98 (7-9级精度)开式传动0.94 —0.96圆锥齿轮传动闭式传动0.94 —0.97 (7-8级精度)开式传动0.92 —0.95带传动平型带传动0.95 —0.98V型带传动0.94 —0.97滚动轴承(一对)0.98 —0.995联轴器0.99-0.995\传动类型选用指标平型带三角带齿轮传动功率(KW小(20)中(W 100)大(最大可达50000)■I"(二)设计目的《机械设计》课程是一门技术基础课,目的在于培养学生的机械设计能力。
课程设计是《机械设计》课程最后一个重要的实践性教学环节,也是机械类及近机械类专业学生第一次较为全面的机械设计训练。
本课程设计的主要目的是:1 •培养学生利用所学知识,解决工程实际问题的能力;2 •培养学生掌握一般机械传动装置、机械零件的设计方法及设计步骤;3•达到对学生进行基本技能的训练,例如:计算、绘图、熟悉和运用设计资料(手册、标准、图册和规范等)的能力。
(三)传动方案的分析机器一般是由原动机、传动装置和工作装置组成。
传动装置是用来传递原动机的运动和动力、变换其运动形式以满足工作装置的需要,是机器的重要组成部分。
机械效率的所有公式
机械效率是指机械系统或设备在能量转换过程中的实际输
出功率与输入功率之间的比值。
以下是几种常见的机械效率公式:
1.机械效率(η):
η = (输出功率 / 输入功率) × 100%
2.机械损失(P_loss):
P_loss = 输入功率 - 输出功率
3.传动效率(η_transmission):
η_transmission = (输出功率 / 输入功率) × 100%
4.电机效率(η_motor):
η_motor = (输出功率 / 输入功率) × 100%
需要注意的是,具体的机械效率公式可能会依赖于特定的机械系统或设备,并且不同类型的机械系统可能有不同的效率
计算方法。
此外,这些公式假设没有其他能量损耗或阻碍因素存在,所以在实际应用中还需要考虑各种额外因素和修正。
课程设计传动效率表一、教学目标本节课的教学目标是让学生掌握传动效率的基本概念,了解影响传动效率的因素,能够运用传动效率表进行简单的分析和计算。
具体来说,知识目标包括:1.理解传动效率的定义和计算公式。
2.掌握影响传动效率的主要因素。
3.了解传动效率表的基本结构和用途。
技能目标包括:1.能够正确使用传动效率表进行分析和计算。
2.能够运用传动效率知识解决实际问题。
情感态度价值观目标包括:1.培养学生的动手能力和实践能力。
2.增强学生对机械传动系统的兴趣和好奇心。
二、教学内容本节课的教学内容主要包括传动效率的基本概念、影响传动效率的因素以及传动效率表的使用。
具体安排如下:1.传动效率的定义和计算公式(教材第34页)。
2.影响传动效率的主要因素(教材第35页)。
3.传动效率表的基本结构和用途(教材第36页)。
4.传动效率表的使用方法和注意事项(教材第37页)。
三、教学方法为了激发学生的学习兴趣和主动性,本节课将采用多种教学方法,包括讲授法、讨论法、案例分析法和实验法等。
具体安排如下:1.讲授法:用于讲解传动效率的基本概念和计算公式(10分钟)。
2.讨论法:用于分析影响传动效率的因素(10分钟)。
3.案例分析法:用于分析实际问题,运用传动效率表进行计算(10分钟)。
4.实验法:用于验证传动效率的计算结果,并进行实际操作(10分钟)。
四、教学资源为了支持教学内容和教学方法的实施,丰富学生的学习体验,我们将准备以下教学资源:1.教材:《机械传动系统》(第3版),作者:张三,出版社:机械工业出版社,出版日期:2018年。
2.参考书:《传动效率原理与应用》,作者:李四,出版社:科学出版社,出版日期:2016年。
3.多媒体资料:包括PPT课件、视频教程等。
4.实验设备:传动效率测试仪、传动系统模型等。
以上教学资源将有助于实现本节课的教学目标,提高学生的学习效果。
五、教学评估本节课的评估方式将包括平时表现、作业和考试等,以全面反映学生的学习成果。
实验三机械传动效率测定实验一、实验目的1.了解实验台的基本原理及其结构。
2.测定齿轮传动的效率曲线,掌握测试方法。
二、实验设备及工作原理1.实验设备实验台由主机和控制箱两部分组成(图3-1),主机采用两台三相异步电动机,右边为主动电机1,左边为负载电机2,齿轮箱安装于两电机之间。
两电机分别安装在平衡支承上,机体可在电磁力矩作用下绕自身的轴线摆转;为测得平衡力矩,电机顶部装有称杆,称杆上装有镶嵌水准泡的平衡砣;电机底面装有可调配重平衡铁。
两电机轴的尾部装有测速盘,测速盘开有60条细缝,两侧分别装有红外发光管和光敏三极管。
作为直射式红外光电传感器,测速盘每转一周给出60个脉冲信号,用于计数器取样1秒直接计数,自动重复数字显示两电机轴的转速(rpm)。
控制箱面板上装有电流表和电压表各两只。
还装有断电按钮(红色)和通电按钮(绿色),按下通电按钮,表示电机控制回路已接通,此时若调节调压器供给电机电压,电机即可启动运行。
控制台安有两只调压器B1、B2,是为了使转速恒定,以便测定在相同转速、不同载荷下的传动效率。
2.工作原理两台同型号的异步电机分别通过三相调压器并接于电网,设计时使两台电机的转向相反,且使齿轮箱主动齿轮的齿数Z1大于从动齿轮的齿数Z2。
当运行时,电机1的转速低于同步转速,处于电动机运行状态,它所产生的电磁转矩与电机转子的转向相同,将电能转换成机械能,同时通过齿轮传动迫使电机2在高于同步转速状态下运行,电机2所产生的电磁转矩与电机转子转向相反,成为制动转矩。
此时,电机2已进入发电机状态运行,将由齿轮传动输入的机械能转换成电能送入电网。
这样不仅实现了对齿轮传动的加载,而且大大节省了实验所需的电能。
通电运转时,电磁力矩使电机偏转,在称杆上增减砝码和调节游砣位置可使电机重新回到平衡状态,计算出称杆的平衡力矩即等于相应电机的电磁力矩。
三、实验原理单纯的齿轮副效率测定比较复杂,本实验所测定的齿轮传动效率包括啮合效率、轴承效率以及搅油效率等。