机械制造基础第14章现代制造技术简介作业
- 格式:doc
- 大小:26.00 KB
- 文档页数:2
现代制造技术复习第一章特种加工传统加工:是用一种比工件硬度更高的德材料作刀具,对工件施以切削力,利用机械能切除工件上多余材料的一种加工方法。
特种加工:是指不仅利用机械能,而且更主要是利用其他能量(电、化学、光、声、热)来去除工件上多余材料的一类新的加工方法。
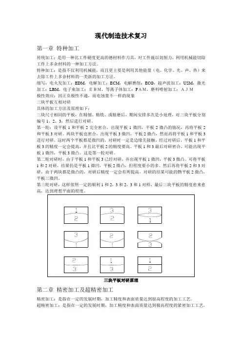
缩写:电火发加工:EDM,电解加工:ECM,电解磨削:ECG,超声波加工:USM,激光加工:LBM,电子束加工:EBM,等离子体加工:PAM,磨料喷射加工:AJM极性效应:因正负极性不通,而电蚀量不一样的现象三块平板互相对研具体的加工方法及原理如下:三块尺寸相同的平板,在精刨、精铣、或精磨后,期间安排多次是小处理,对三块平板分别编号1、2、3,然后进行对研。
第一轮:设平板1和平板2完全密合,出现平板1微凹,平板2微凸的情况,再将平板2和平板3对研。
两块平板也密合,出现平板3微凹,平板2微凸,然而再将平板1和平板3进行对研。
这时两个平板都是微凹的,对研时一定是边缘先接触,经过对研后,平板1和平板3的精度一定会提高,并且比平板2的精度要高。
平板1和3最后对研密合,可能出现平板1微凹,平板3微凸。
这是第一轮对研。
第二轮对研时,由于平板1和平板3已经对研,并出现平板1微凹,平板3微凸。
可将平板1和2对研,结果仍是平板1微凹,平板2微凸,但程度要小的多。
然后再将平板2和3对研,由于两块都是微凸的,对研后精度一定会有所提高,对研的结果可能的覅平板2微凸,平板三微凹。
第三轮对研,这样依照一定的顺利1和2,3和2,3和1对样,最后三块平板的精度愈来愈高,达到理想平面的程度。
三块平板对研原理第二章精密加工及超精密加工精密加工:是指在一定的发展时期,加工精度和表面质量达到很高程度的加工工艺。
超精密加工:是指在一定的发展时期,加工精度和表面质量达到极高程度的紧密加工工艺。
一般加工:加工精度在10um左右,相当于IT5~7精度,表面粗糙度Ra0.2~0.8um 以下的加工方法。
现代制造技术作业(总)1、现代制造技术的定义?答:现代制造技术是制造业不断地吸收机械工程技术、电子信息技术、自动化技术生产设备、材料、能源及现代管理等方面的成果,并将其综合应用于产品设备、制造、检测、管理和售后服务以及对报废产品的回收处理这样一个制造全过程,实现优质、高效、低能、清洁和灵活生产,并取得高经济效益的制造技术的总称。
2、现代制造技术有哪些技术群?现代制造技术的分类?答:现代制造技术群:系统总体技术群、管理技术群、设计制造一体化技术群、制造工艺与装备技术群、支撑技术群。
现代制造技术可分为现代制造系统设计技术、现代制造系统工艺及自动化技术、以及现代制造系统管理技术等三大类。
1、何谓现代设计?主要特点答:现代制造工程设计是指把整个工程产品的开发过程看成从市场/客户需求出发,形成产品设计规模,对预定的目标通过设计人员的创造性思维,经过一系列规划、分析和决策,产生载有相应的文字、数据、图形等信息的技术文件,以取得最满意的社会与经济效益这样一系列的过程。
主要特点:(1)社会性与环保性;(2)并行化与设计、制造一体化;(3)计算机化和智能化;(4)动态化和最优化;(5)系统性与综合性;(6)宜人性;(7)质量控制。
2、什么是功能分析法?举出常见的2种不同功能的挖掘机?答:功能分析法是产品设计过程中探寻功能原理方案的主要方法。
这种方法将复杂系统的总功能通过分析化为简单的功能元,对于每个功能元求得相应能够实现该功能元的可行方案,然后再进行组合,得到系统多种总方案,再对得到的总方案进行分析、比较、评价和决策,最后得到最佳功能原理方案。
常见的2中功能的挖掘机如:12341E D C B A ++++为电动履带式挖掘机;24255E D C B A ++++为液压轮胎式挖掘机。
3、简述“黑箱法”的原理?答:指一个系统的内部结构不清楚或根本无法弄清楚时,从外部输入控制信息,使系统内部发出反应后输出,再根据其输出来研究其功能和特性的一种方法。
第14章现代制造技术简介作业1.什么是现代制造技术?它由哪些主要特征?答:现代制造技术是在传统制造技术不断吸收机械、电子、信息、材料、能源及现代管理等技术成果,将其综合应用于产品设计、制造、检测、管理、售后服务等到机械制造全过程,实现优质、高效、低耗、清洁、灵活生产,取得理想技术经济效果的制造技术的总称。
其特征包括:(1)计算机、传感、自动化、新材料和管理技术的引入,与传统制造技术的结合,使制造技术成为集成物质流、信息流和能量流的系统工程;(2)现代制造技术成为“市场-产品设计-制造-市场”的大系统;(3)现代制造技术的各专业、学科间不断交叉、融合;(4)现代制造技术重视工程技术与经营管理的结合。
其最终目的是能够实现优质高效、低耗、清洁、灵活生产并取得理想的技术效果。
2.什么是计算机辅助设计与制造?广义和狭义计算机辅助制造指哪些?答:计算机辅助设计(CAD)是在计算机硬件与支撑下,通过对产品的描述、造型、系统分析、优化、仿真和图形处理的研究,使用权计算机辅助完成产品的全部设计过程,最后输出满意的设计结果和产品图形。
计算机辅助制造(CAM)是指计算机在产品制造方面有关应用的统称。
广义CAM是指应用计算机去完成与制造系统有关的生产准备和生产过程等方面的工作;狭义CAM常指工艺准备或其中的某个活动应用计算机辅助工作。
3.派生式、生成式和知识基计算机辅助工艺规程设计系统的主要特点和区别是什么?答:派生式CAPP系统是根据相似的零件具有相似的工艺过程,通过对相似零件的工艺检索,并加以筛选而编辑成一个待加工零件的工艺规程;生成式CAPP 是依靠系统中的决策逻辑生成的;知识基CAPP是将工艺专家编制工艺的经验和知识库存在知识库中,可方便地通过专用模块进行增删和修改,使得系统的通用性和适用性在为提高。
4.柔性制造系统主要由哪些部分组成?答:柔性制造系统主要由加工系统、运储系统、计算机控制系统和系统软件等四个部分组成。
机械制造基础习题(附参考答案)一、单选题(共40题,每题1分,共40分)1、分离工序中将半成品切开成两个或几个工件的是()工艺。
A、切断B、冲孔C、剖切D、落料正确答案:C2、成形工序中通过板料的局部变形来改变毛坯形状和尺寸的是()工艺。
A、拉深B、弯曲C、成型D、冷挤压正确答案:C3、淬火后高温回火被称为()。
A、退火B、正火C、时效D、调质正确答案:D4、可以半固态金属成型的方法是()。
A、压力铸造B、消失模铸造C、熔模铸造D、砂型铸造正确答案:A5、铸铁中综合性能接近于钢的是()。
A、灰铸铁B、球墨铸铁C、可锻铸铁D、蠕墨铸铁正确答案:B6、通常扩孔可以完成孔的( )。
A、粗加工B、半精加工C、精加工D、以上均可以正确答案:B7、轴类零件的长径比在12和30之间的是()。
A、挠性轴B、刚性轴C、短轴D、细长轴正确答案:A8、保证孔口与孔中心线的垂直度的加工是( )。
A、扩孔B、钻孔C、铰孔D、锪孔正确答案:D9、用紫外光照射逐层喷射的聚合物(光敏树脂)固化成型是()3D打印。
A、光固化成型(SLA)B、数字光处理成型(DLP)C、聚合物喷射成型(PolyJet)D、选择性激光烧结(SLS)正确答案:C10、有气密性要求的配合件表面需要()。
A、磨削B、研磨C、刮削D、精刨正确答案:B11、下列加工中对表面只进行修饰的是()。
A、抛光B、滚压C、珩磨正确答案:A12、电火花加工的特点是()。
A、电极和工件不接触,宏观作用力小。
B、脉冲放电的持续时间短,加工精度良好。
C、直接利用电能,便于加工过程的自动化。
D、以上都是正确答案:D13、以铜为基添加一定量其他合金化元素的合金称为()。
A、灰口铸铁B、铜合金C、结构钢D、铝合金正确答案:B14、硬钎焊使用的钎料熔点在()。
A、1000~1200F°B、1200~1400F°C、1600~1800F°D、1400~1600F°正确答案:B15、同一台电火花机可以进行()。
《机械制造基础》教材目录绪论第1章工程材料1.1 材料的物理、化学及机械性能一、物理性能二、化学性能三、金属材料试验与金属材料的机械性能1.2 钢的热处理一、铁碳相图二、钢的热处理方法1.3 钢铁材料一、钢的分类二、碳素钢三、合金钢四、铸铁1.4 有色金属一、铝及铝合金二、铜及铜合金三、钛及钛合金四、轴承合金五、粉末冶金材料1.5 非金属材料一、陶瓷二、高分子材料三、复合材料1.6 主要材料的加工性能一、主要机械材料的加工性能二、材料的选用第2章铸造2.1 砂型铸造一、造型材料二、砂型三、浇注系统、冒口及溢放口四、造型2.2 特种铸造一、金属材料铸造二、压力铸造三、离心铸造四、熔模铸造五、特种铸造的特点和应用2.3 铸件的清理与检验第3章塑性加工3.1 塑性加工概述3.2 金属热变形加工一、锻造二、轧制三、其他热变形加工法3.3 冲压第4章焊接4.1 焊接概述4.2 气焊4.3 电弧焊4.4 其他焊接方法一、电阻焊二、钎焊三、特殊焊接第5章切削加工5.1 切削加工概述5.2 切削基本原理5.3 切削液第6章常用加工机械6.1 车床6.2 钻床与镗床一、钻床二、镗床6.3 刨床6.4 铣床6.5 磨床第7章螺纹及齿轮制造7.1 螺纹加工7.2 齿轮加工第8章特种加工8.1粉末冶金加工8.2 电火花加工8.3 电镀加工8.4 特殊切削加工简介第9章计算机辅助制造9.1 数控加工基础9.2 生产自动化9.3 机械制造的展望第10章新兴制造技术10.1 半导体制造简介10.2 微细制造简介10.3 其他制造技术。
《机械制造基础》课程标准——现代学徒制一、课程基本信息二、课程的性质、目的和任务1.课程性质《机械制造基础》是机械制造与自动化、工业机器人专业三年高职的一门职业能力通识课程。
作为机械类学生来说,必须掌握机械制造技术的基本知识和基本技能。
因此,本课程在机械类专业课程中居于重要地位。
本课程主要学习工程材料与热处理、金属热加工的基础知识、金属切削基本规律、各种切削加工方法、机床定位及装夹、机械加工工艺等基础知识。
2.目的和任务通过学习,使学生较系统地掌握机械制造基础知识,掌握机械制造过程中常用工程材料的性能,常用的加工方法、加工原理和制造工艺,掌握切削参数、加工设备及装备的选用、机械制造质量的分析与控制方法、机械加工工艺规程的拟定和机械装配工艺规程的基本知识及有关计算方法等。
了解轴类、套类及箱体类等典型零件加工工艺的设计、机械制造技术的发展与现代制造技术。
使学生获得基本的机械制造技术理念和必要的应用技能,同时通过对工艺系统各环节的分析、比较、综合、概括和阐述等认知活动,培养独立思考能力、创新意识和严谨求实的科学态度。
三、课程教学的基本要求四、课程的教学重点和难点、学时分配教学重点:1.金属材料力学性能与热处理;2.金属切削基础知识:刀具的几何角度及切削要素,刀具材料,金属切削过程,提高切削效益的途径;3.各种机床的应用范围;4.工件的定位与夹紧;5.编制零件机械加工工艺。
教学难点:1.工件的定位与夹紧;2.编制零件机械加工工艺。
课程学时分配一览表五、相关课程的衔接开设此门课程之前,学生应完成机械制图、工程力学、机械设计基础、公差配合与测量技术、金工实习等课程的学习,其后续课程是液压与气压传动、机械零件加工工艺与夹具设计、数控机床加工工艺与夹具设计、毕业设计等。
六、其它学生成绩包括平时成绩和期末考试成绩,其中,平时成绩占50%,期末考核占50%。
平时成绩包括出勤表现10%、课堂提问10%、案例分析报告30%,期末考试为理论考核,重点考核学生的专业知识水平,试题覆盖全部教学内容,由试题库中随机抽取。
桂林电子科技大学信息科技学院现代制造技术与装备作业专业:机械电子工程学生姓名:赵永健学号:1253200226日期:2015/7/8摩擦焊一、概述利用摩擦热焊接起源于一百多年前,此后经半个多世纪的研究发展,摩擦焊技术才逐渐成熟起来,并进入推广应用阶段。
自从20世纪50年代摩擦焊真正焊出合格焊接接头以来,就以其优质、高效、低耗、环保的突出优点而受到所有工业强国的重视。
我国的摩擦焊研究始于1957年,发祥地是哈尔滨焊接研究所,同时也是世界上最早开展摩擦焊研究的几个国家之一,48年来取得了很多引人注目的成果。
摩擦焊技术的主要优点归结为如下几个方面:(1)接头质量好且稳定焊接过程由机器控制,参数设定后容易监控,重复性好,不依赖于操作人员的技术水平和工作态度。
焊接过程不发生熔化,属固相热压焊,接头为锻造组织,因此焊缝不会出现气孔、偏析、夹杂及裂纹等铸造组织的结晶缺陷,焊接接头强度远大于熔焊、钎焊的强度,达到甚至超过母材的强度。
(2)效率高对焊件准备通常要求不高,焊接设备容易自动化,可在流水线上生产。
每件焊接时间以秒计,一般只需几秒至几十秒,是其他焊接方法如熔焊、钎焊不能相比的。
(3)节能、节材、低耗所需功率仅是传统焊接工艺的1/5~1/15,不需焊条、焊剂、钎料和保护气体,不需填加金属,也不需消耗电极。
(4)焊接性好特别适合异种材料的焊接,与其他焊接方法相比,摩擦焊有着得天独厚的优势,如钢和纯铜、钢和铝、钢和黄铜等异种金属的焊接。
(5)环保、无污染焊接过程不产生烟尘或有害气体,不产生飞溅,没有孤光和火花,没有放射线。
基于以上优点,摩擦焊技术被誉为未来的绿色焊接技术。
二、摩擦焊技术的发展及应用现状经过几十年的发展,摩擦焊技术在国内目前已经具备了包括工艺、设备、控制及检验等整套完备的专业技术规模,并且在基础理论研究上也形成了一定的独立体系。
1.摩擦焊工艺研究与应用目前我国摩擦焊技术的应用比较广泛,可焊接φ3.0~φ120mm的工件及8000mm 2的大截面管件,同时还开发了相位焊和径向摩擦焊技术,以及搅拌摩擦焊技术。
第14章现代制造技术简介作业
1.什么是现代制造技术?它由哪些主要特征?
答:现代制造技术是在传统制造技术不断吸收机械、电子、信息、材料、能源及现代管理等技术成果,将其综合应用于产品设计、制造、检测、管理、售后服务等到机械制造全过程,实现优质、高效、低耗、清洁、灵活生产,取得理想技术经济效果的制造技术的总称。
其特征包括:(1)计算机、传感、自动化、新材料和管理技术的引入,与传统制造技术的结合,使制造技术成为集成物质流、信息流和能量流的系统工程;(2)现代制造技术成为“市场-产品设计-制造-市场”的大系统;(3)现代制造技术的各专业、学科间不断交叉、融合;(4)现代制造技术重视工程技术与经营管理的结合。
其最终目的是能够实现优质高效、低耗、清洁、灵活生产并取得理想的技术效果。
2.什么是计算机辅助设计与制造?广义和狭义计算机辅助制造指哪些?
答:计算机辅助设计(CAD)是在计算机硬件与支撑下,通过对产品的描述、造型、系统分析、优化、仿真和图形处理的研究,使用权计算机辅助完成产品的全部设计过程,最后输出满意的设计结果和产品图形。
计算机辅助制造(CAM)是指计算机在产品制造方面有关应用的统称。
广义CAM是指应用计算机去完成与制造系统有关的生产准备和生产过程等方面的工作;狭义CAM常指工艺准备或其中的某个活动应用计算机辅助工作。
3.派生式、生成式和知识基计算机辅助工艺规程设计系统的主要特点和区别是什么?
答:派生式CAPP系统是根据相似的零件具有相似的工艺过程,通过对相似零件的工艺检索,并加以筛选而编辑成一个待加工零件的工艺规程;生成式CAPP 是依靠系统中的决策逻辑生成的;知识基CAPP是将工艺专家编制工艺的经验和知识库存在知识库中,可方便地通过专用模块进行增删和修改,使得系统的通用性和适用性在为提高。
4.柔性制造系统主要由哪些部分组成?
答:柔性制造系统主要由加工系统、运储系统、计算机控制系统和系统软件等四个部分组成。
5.柔性制造系统有几种类型?
答:柔性制造系统根据规模的大小可分为柔性制造单元(FMC)、柔性制造系统(FMS)、柔性制造线(FML)和柔性制造工厂(FMF)四种类型。
6.什么是计算机集成制造系统?
答:计算机集成制造系统(CIMS)是通过计算机网络将企业生产活动全过程,
即从市场预测、经营决策、计划控制、工程设计、生产制造、质量控制到产品销售等功能部门有机地集成为一个能直辖市工作的整体,以保证企业内部住处的一致性、共享性、可靠性、精确性和及时性,实现生产的自动化和柔性化,达到高效率、高质量、低成本和灵活生产的目的。
7.计算机集成制造系统可体现出哪些效益?
答:计算机集成制造系统的改善产品质量,提高设备的使用率特别是关键设备的使用率,使管理科学化,提高企业界对市场的响应能力。